Sign in to use this feature.

Years

Between: -

Subjects

remove_circle_outline
remove_circle_outline
remove_circle_outline
remove_circle_outline
remove_circle_outline
remove_circle_outline
remove_circle_outline
remove_circle_outline
remove_circle_outline

Journals

remove_circle_outline
remove_circle_outline
remove_circle_outline
remove_circle_outline

Article Types

Countries / Regions

remove_circle_outline
remove_circle_outline
remove_circle_outline
remove_circle_outline
remove_circle_outline

Search Results (700)

Search Parameters:
Keywords = long-distance signaling

Order results
Result details
Results per page
Select all
Export citation of selected articles as:
19 pages, 4117 KB  
Article
Supercritical CO2 Pipeline Leakage Localization Detection Based on the Negative Pressure Wave Method and Cross-Correlation Analysis
by Bing Chen, Hongji Feng, Chunli Tang, Wenjiao Qi, Hongliang Xiao, Xiangzeng Wang, Jian Bi and Adefarati Oloruntoba
Processes 2026, 14(3), 536; https://doi.org/10.3390/pr14030536 (registering DOI) - 3 Feb 2026
Abstract
Supercritical CO2 pipeline transportation is a critical component of the carbon capture, utilization and storage (CCUS) industry chain, where long distance operation introduces inherent risks of accidental leakage. During the leakage process of supercritical CO2 pipelines, throttling pressure reduction and the [...] Read more.
Supercritical CO2 pipeline transportation is a critical component of the carbon capture, utilization and storage (CCUS) industry chain, where long distance operation introduces inherent risks of accidental leakage. During the leakage process of supercritical CO2 pipelines, throttling pressure reduction and the Joule–Thomson effect generate distinct negative pressure wave characteristics. The magnitude of the leakage directly impacts localization effectiveness, particularly under small leakage conditions where negative pressure wave signals are less pronounced, so the leakage is difficult to effectively detect. To solve this problem, the mutual correlation function model for pipeline leakage was developed by using the mutual correlation analysis method, and it was verified by the dense-phase CO2 leakage data from Trondheim University of Technology. Based on the TGNET software, the actual pipeline model of the Yanchang oilfield is established, and the captured leakage signal is imported into MATLAB for differential pressure conversion, using the verified cross-correlation function model of the differential pressure signal to calculate the time difference between the arrival of the negative pressure wave at the two ends of the pipeline. Finally, the actual leakage location was determined. The simulation results indicate that the leakage detection method based on mutual correlation analysis of negative pressure wave signals exhibits varying localization performance under different leakage rates. By enhancing negative pressure wave characteristics and utilizing mutual correlation analysis, this method effectively addresses the challenges of indistinct negative pressure wave features and difficult localization during small leakage conditions. When leakage exceeds 5%, the relative error is controlled within ±5.40%, meeting the preliminary localization requirements for rapid identification and regional determination in engineering applications. Through the application of actual engineering cases, it is shown that this method has high accuracy in pipeline leakage detection. These findings provide theoretical and methodological support for supercritical CO2 pipeline leakage detection in the CCUS projects currently under construction. Full article
Show Figures

Figure 1

22 pages, 6571 KB  
Article
A Nested U-Network with Temporal Convolution for Monaural Speech Enhancement in Laser Hearing
by Bomao Zhou, Jin Tang and Fan Guo
Modelling 2026, 7(1), 32; https://doi.org/10.3390/modelling7010032 - 3 Feb 2026
Abstract
Laser Doppler vibrometer (LDV) has the characteristics of long-distance, non-contact, and high sensitivity, and plays an increasingly important role in industrial, military, and security fields. Remote speech acquisition technology based on LDV has progressed significantly in recent years. However, unlike microphone receivers, LDV-captured [...] Read more.
Laser Doppler vibrometer (LDV) has the characteristics of long-distance, non-contact, and high sensitivity, and plays an increasingly important role in industrial, military, and security fields. Remote speech acquisition technology based on LDV has progressed significantly in recent years. However, unlike microphone receivers, LDV-captured signals have severe signal distortion, which affects the quality of the LDV-captured speech. This paper proposes a nested U-network with gated temporal convolution (TCNUNet) to enhance monaural speech based on LDV. Specifically, the network is based on an encoder-decoder structure with skip connections and introduces nested U-Net (NUNet) in the encoder to better reconstruct speech signals. In addition, a temporal convolutional network with a gating mechanism is inserted between the encoder and decoder. The gating mechanism helps to control the information flow, while temporal convolution helps to model the long-range temporal dependencies. In a real-world environment, we designed an LDV monitoring system to collect and enhance voice signals remotely. Different datasets were collected from various target objects to fully validate the performance of the proposed network. Compared with baseline models, the proposed model achieves state-of-the-art performance. Finally, the results of the generalization experiment also indicate that the proposed model has a certain degree of generalization ability for different languages. Full article
(This article belongs to the Special Issue AI-Driven and Data-Driven Modelling in Acoustics and Vibration)
Show Figures

Graphical abstract

15 pages, 15631 KB  
Article
Research on Resource Allocation in Cognitive Radio Networks Assisted by IRS
by Shuo Shang, Zhiyong Chen, Dejian Zhang, Xinran Song and Mingyue Zhou
Sensors 2026, 26(3), 978; https://doi.org/10.3390/s26030978 - 3 Feb 2026
Abstract
To address the reduction in energy efficiency caused by severe signal attenuation during long-distance transmission in cognitive radio networks, this paper constructs an IRS-assisted and energy-constrained relay cognitive radio resource allocation model operating in the underlay mode. By introducing controllable reflective paths, the [...] Read more.
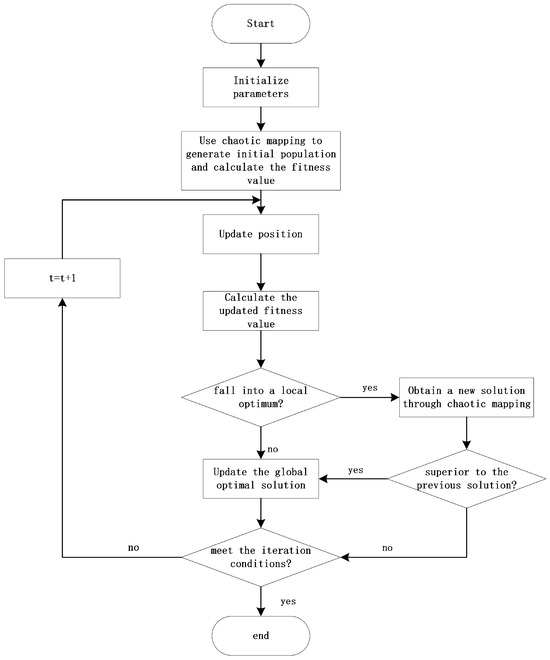
To address the reduction in energy efficiency caused by severe signal attenuation during long-distance transmission in cognitive radio networks, this paper constructs an IRS-assisted and energy-constrained relay cognitive radio resource allocation model operating in the underlay mode. By introducing controllable reflective paths, the model enhances link quality and improves energy utilization efficiency. Our objective is to maximize the energy efficiency of secondary users while satisfying the interference constraints imposed on the primary user. To effectively solve the highly non-convex and high-dimensional optimization problem, we propose a Chaotic Spider Wasp Optimization algorithm. The algorithm employs chaotic mapping to initialize the population and enhance population diversity, and incorporates a dynamic trade-off factor to achieve an adaptive balance between hunting and nesting behaviors, thereby improving global search capability and avoiding premature convergence. In addition, the Jain fairness index is introduced to enforce fairness in the power allocation among secondary users. Simulation results demonstrate that the proposed model and optimization method significantly improve system energy efficiency and the stability of communication quality. Full article
(This article belongs to the Section Sensor Networks)
Show Figures

Figure 1

17 pages, 1006 KB  
Article
Using Neural Networks to Generate A Basis for OFDM Acoustic Signal Decomposition in Non-Stationary Underwater Media to Provide for Reliability and Energy Efficiency
by Aleksandr Yu. Rodionov, Lyubov G. Statsenko, Andrey A. Chusov, Denis A. Kuzin and Mariia. M. Smirnova
Acoustics 2026, 8(1), 10; https://doi.org/10.3390/acoustics8010010 - 2 Feb 2026
Viewed by 23
Abstract
The high peak-to-average power ratio (PAPR) in classical high-speed digital data transmission systems with orthogonal frequency division multiplexing (OFDM) limits energy efficiency and communication range. This paper proposes a method for randomizing OFDM signals via frequency coding using synthesized pseudorandom sequences with improved [...] Read more.
The high peak-to-average power ratio (PAPR) in classical high-speed digital data transmission systems with orthogonal frequency division multiplexing (OFDM) limits energy efficiency and communication range. This paper proposes a method for randomizing OFDM signals via frequency coding using synthesized pseudorandom sequences with improved autocorrelation properties, obtained through machine learning, to minimize PAPR in complex, non-stationary hydroacoustic channels for communicating with underwater robotic systems. A neural network architecture was developed and trained to generate codes of up to 150 elements long based on an analysis of patterns in previously found best short sequences. The obtained class of OFDM signals does not require regular and accurate estimation of channel parameters while remaining resistant to various types of impulse noise, Doppler shifts, and significant multipath interference typical of the underwater environment. The attained spectral efficiency values (up to 0.5 bits/s/Hz) are relatively high for existing hydroacoustic communication systems. It has been shown that the peak power of such multi-frequency information transmission systems can be effectively reduced by an average of 5–10 dB, which allows for an increase in the communication range compared to classical OFDM methods in non-stationary hydrological conditions at acceptable bit error rates (from 10−2 to 10−3 and less). The effectiveness of the proposed methods of randomization with synthesized codes and frequency coding for OFDM signals was confirmed by field experiments at sea on the shelf, over distances of up to 4.2 km, with sea waves of up to 2–3 Beaufort units and mutual movement of the transmitter and receiver. Full article
15 pages, 1038 KB  
Article
Effects of Calcium Nutrition on Soybean Growth and Symbiotic Nitrogen Fixation
by Sutong Zhao, Xiaomin Kang, Mingyue Li, Xiaochen Lyu, Chao Yan and Qiulai Song
Agronomy 2026, 16(3), 357; https://doi.org/10.3390/agronomy16030357 - 2 Feb 2026
Viewed by 125
Abstract
Calcium is essential for legume symbiotic nitrogen fixation, acting as both a nutrient and a signal. Yet, how varying calcium levels—from deficiency to toxicity—affect the soybean ‘root-nodule-stem’ balance has not been fully elucidated. To investigate this mechanism, a two-year sand culture experiment was [...] Read more.
Calcium is essential for legume symbiotic nitrogen fixation, acting as both a nutrient and a signal. Yet, how varying calcium levels—from deficiency to toxicity—affect the soybean ‘root-nodule-stem’ balance has not been fully elucidated. To investigate this mechanism, a two-year sand culture experiment was conducted with three treatments: low calcium (0.1 mmol/L), moderate calcium (1 mmol/L), and high calcium (10 mmol/L), to systematically analyze their effects on soybean plant growth, nitrogenase activity, and nitrogen fixation capacity. The results indicated that the moderate calcium treatment supported the best root growth and nodule development, with both leghemoglobin (Lb) content and specific nitrogenase activity (SNA) reaching their peak levels. Low calcium stress significantly inhibited root elongation, while poor nodule development accompanied by a decrease in Lb content, thereby suppressing nitrogen fixation potential. In contrast to the low calcium treatment, although high calcium treatment inhibited root growth, it significantly increased the allocation of total plant dry matter to the root system. Under high calcium treatment, the ureide content in nodules increased significantly, whereas the ureide content in stems decreased substantially. This distributional imbalance suggests that high calcium obstructed the long-distance transport of nitrogen fixation products, subsequently leading to a significant decline in nitrogenase activity through a negative metabolic feedback mechanism. Calcium deficiency primarily resulted in structural impairments in nodule development, whereas high calcium induced functional inhibition by blocking ureide transport. Maintaining calcium homeostasis is important for ensuring efficient nitrogen fixation and source-sink balance in soybeans. Full article
(This article belongs to the Section Soil and Plant Nutrition)
Show Figures

Figure 1

20 pages, 2421 KB  
Article
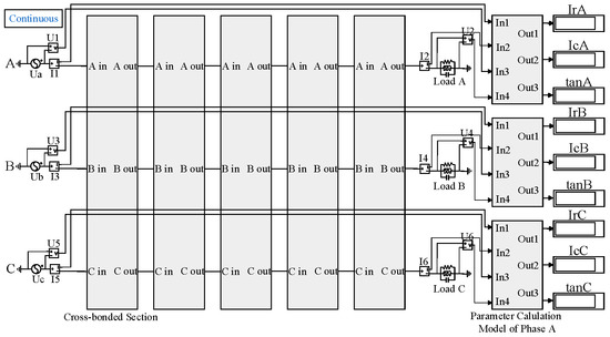
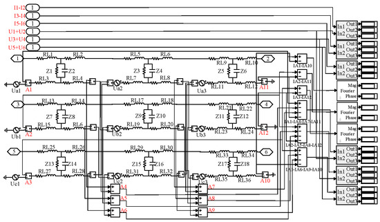
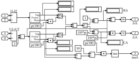
Insulation Monitoring and Fault Diagnosis Technology of Cross-Bonded Metal-Sheathed Cable
by Chunming Wei, Dewen Zhang, Chao Xu, Long Tan, Zhongzhi Qu and Bo Zhu
Energies 2026, 19(3), 698; https://doi.org/10.3390/en19030698 - 28 Jan 2026
Viewed by 153
Abstract
For addressing the challenge that cross-interconnection of metal sheaths in long-distance high-voltage cables complicates the monitoring of cable insulation faults, it is proposed a fault diagnosis scheme based on resistive current, dielectric loss factor, and sheath current. The voltage and current signals at [...] Read more.
For addressing the challenge that cross-interconnection of metal sheaths in long-distance high-voltage cables complicates the monitoring of cable insulation faults, it is proposed a fault diagnosis scheme based on resistive current, dielectric loss factor, and sheath current. The voltage and current signals at both ends of the cable are collected, as well as the current signals at the outlet of the grounding box and the transposition box. By establishing an equivalent model of the cross-connected cable, the calculation method for fault diagnosis is derived, and an implementation scheme for fault diagnosis is provided. The insulation monitoring method proposed in this paper is simulated and verified using MATLAB/Simulink software, with simulations conducted to investigate four typical faults: cable insulation fault, sheath open-circuit fault, transposition box immersion short-circuit fault, and cable intermediate-joint breakdown fault. The circuit model of the cross-connected unit is established in the laboratory to verify the method proposed in this paper. The results show that the simulation results are consistent with the test results, and the fault types can be correctly reflected, which verifies the correctness and effectiveness of the insulation monitoring method. Full article
(This article belongs to the Section F1: Electrical Power System)
Show Figures

Figure 1

18 pages, 10593 KB  
Article
Integrated WGCNA of lncRNA-mRNA Networks Identifies Novel Hub Genes and Potential Therapeutic Agents for Liver Cirrhosis via Molecular Docking Validation
by Tong Wu, Jiayu Jin, Yuhan Yang, Jing Sui, Yajie Zhou and Hongmei Yuan
Int. J. Mol. Sci. 2026, 27(3), 1260; https://doi.org/10.3390/ijms27031260 - 27 Jan 2026
Viewed by 119
Abstract
Liver cirrhosis (LC) is a complex pathological condition characterized by extensive transcriptomic reprogramming, yet the regulatory role of non-coding RNAs in disease progression remains poorly understood. This study aimed to systematically investigate long non-coding RNA (lncRNA)-messenger RNA (mRNA) interaction networks in LC through [...] Read more.
Liver cirrhosis (LC) is a complex pathological condition characterized by extensive transcriptomic reprogramming, yet the regulatory role of non-coding RNAs in disease progression remains poorly understood. This study aimed to systematically investigate long non-coding RNA (lncRNA)-messenger RNA (mRNA) interaction networks in LC through weighted gene co-expression network analysis (WGCNA). Gene expression profiles from datasets GSE197406, GSE107170, and GSE17548 were retrieved from the Gene Expression Omnibus (GEO) database, and differentially expressed lncRNAs and mRNAs were identified. Co-expression modules were constructed using WGCNA. Furthermore, functional enrichment analyses were conducted and drug repurposing opportunities were evaluated. Additionally, lncRNA-mRNA co-expression networks and lncRNA-mRNA-pathway networks were constructed to identify key regulatory relationships. Molecular docking simulations were subsequently performed to validate potential drug–target interactions. The results revealed several co-expression modules significantly associated with LC, particularly the turquoise module (r = 0.81). Genes within this module were enriched in several biological pathways, including the PI3K-Akt signaling pathway, NF-κB signaling pathway, and chemokine signaling pathway. The hub lncRNA in the turquoise module, NONHSAT134945.2, was found to be co-expressed with mRNAs involved in inflammasome-mediated pyroptosis and hepatocyte activation, such as CSF1R, HCK, and CASP1. Based on this hub gene signature, AB-1010, GW768505A, and Dasatinib were identified as potential therapeutic candidates. Molecular docking analysis confirmed that these compounds exhibit high binding affinity to CSF1R and HCK, with all interatomic distances maintained below 3.5 Å. These findings provide new insights into the molecular mechanisms underlying LC and suggest that the NONHSAT134945.2CSF1R/HCK axis may serve as a valuable target for future translational research and therapeutic development. Full article
(This article belongs to the Section Molecular Pharmacology)
Show Figures

Figure 1

10 pages, 1558 KB  
Communication
Photonic-Assisted E-Band Millimeter-Wave 1 × 2 MIMO Near-Sea-Surface Long-Distance Communication
by Shuowei Wang, Tong Cheng, Qichao Lu, Renjie Li and Li Tao
Photonics 2026, 13(2), 112; https://doi.org/10.3390/photonics13020112 - 26 Jan 2026
Viewed by 173
Abstract
E/W-band millimeter-wave signals are highly promising for long-distance offshore wireless communications. However, the high humidity over the sea surface, together with the continuous fluctuation of sea waves, gives rise to severe near-sea-surface channel impairments, such as strong atmospheric absorption and sea-surface-induced multipath, which [...] Read more.
E/W-band millimeter-wave signals are highly promising for long-distance offshore wireless communications. However, the high humidity over the sea surface, together with the continuous fluctuation of sea waves, gives rise to severe near-sea-surface channel impairments, such as strong atmospheric absorption and sea-surface-induced multipath, which significantly hampers long-range E-band transmission. This work proposes a photonic-assisted E-band millimeter-wave 1 × 2 MIMO communication system and conducts a 26 km near-sea-surface transmission experiment in the coastal area of Lianyungang, Jiangsu Province. A 73.5 GHz 5-Gbaud QPSK signal is transmitted, and spatial diversity reception followed by maximal ratio combining (MRC) is applied. Experimental results show that diversity reception improves system performance by about 4 dB, demonstrating that the proposed photonic-assisted E-band spatial diversity system and signal processing method can significantly extend the transmission distance. Full article
(This article belongs to the Section Optical Communication and Network)
Show Figures

Figure 1

20 pages, 2413 KB  
Article
Modeling and Optimization of NLOS Underwater Optical Channels Using QAM-OFDM Technique
by Noor Abdulqader Hamdullah, Mesut Çevik, Hameed Mutlag Farhan and İzzet Paruğ Duru
Photonics 2026, 13(1), 99; https://doi.org/10.3390/photonics13010099 - 22 Jan 2026
Viewed by 102
Abstract
Due to increasing human activities underwater, there is a growing demand for high-speed underwater optical communication (UOWC) data links for security surveillance, environmental monitoring, pipeline inspection, and other applications. Line-of-sight communication is impossible under certain conditions due to misalignment, physical obstructions, irregular usage, [...] Read more.
Due to increasing human activities underwater, there is a growing demand for high-speed underwater optical communication (UOWC) data links for security surveillance, environmental monitoring, pipeline inspection, and other applications. Line-of-sight communication is impossible under certain conditions due to misalignment, physical obstructions, irregular usage, and difficulty adjusting the receiver orientation, especially when used in environments with mobile users or submerged sensor networks. Therefore, non-line-of-sight (NLOS) optical communication is used in this study. Advanced modulation schemes—quadrature amplitude modulation and orthogonal frequency-division multiplexing (QAM-OFDM)—were used to transmit the signal underwater between two network nodes. QAM increases the data transfer rate, while OFDM reduces dispersion and inter-symbol interference (ISI). The proposed UOWC system is investigated using a 532 nm green laser diode (LD). Reliable high-speed data transmission of up to 15 Gbps is achieved over horizontal distances of 134 m, 43 m, 21 m, and 5 m in four different aquatic environments—pure water (PW), clear ocean (CLO), coastal ocean (COO), and harbor II (HarII), respectively. The system achieves effectively error-free performance within the simulation duration (BER < 10−9), with a received optical signal power of approximately −41.5 dBm. Clear constellation patterns and low BER values are observed, confirming the robustness of the proposed architecture. Despite the limitations imposed by non-line-of-sight (NLOS) communication and the diversity aquatic environments, our proposed architecture excels at underwater long-distance data transmission at high speeds. Full article
(This article belongs to the Section Optical Communication and Network)
Show Figures

Figure 1

28 pages, 5845 KB  
Article
High-Accuracy ETA Prediction for Long-Distance Tramp Shipping: A Stacked Ensemble Approach
by Pengfei Huang, Jinfen Cai, Jinggai Wang, Hongbin Chen and Pengfei Zhang
J. Mar. Sci. Eng. 2026, 14(2), 177; https://doi.org/10.3390/jmse14020177 - 14 Jan 2026
Viewed by 234
Abstract
The Estimated Time of Arrival (ETA) of vessels is a vital operational indicator for voyage planning, fleet deployment, and resource allocation. However, most existing studies focus on short-distance liner services with fixed routes, while ETA prediction for long-distance tramp bulk carriers remains insufficiently [...] Read more.
The Estimated Time of Arrival (ETA) of vessels is a vital operational indicator for voyage planning, fleet deployment, and resource allocation. However, most existing studies focus on short-distance liner services with fixed routes, while ETA prediction for long-distance tramp bulk carriers remains insufficiently accurate, often resulting in operational inefficiencies and charter party disputes. To fill this gap, this study proposes a data-driven stacking ensemble learning framework that integrates Light Gradient-Boosting Machine (LightGBM), Extreme Gradient Boosting (XGBoost), and Random Forest (RF) as base learners, combined with a Linear Regression meta-learner. This framework is specifically tailored to the unique complexities of tramp shipping, advancing beyond traditional single-model approaches by incorporating systematic feature engineering and model fusion. The study also introduces the construction of a comprehensive multi-dimensional AIS feature system, incorporating baseline, temporal, speed-related, course-related, static, and historical behavioral features, thereby enabling more nuanced and accurate ETA prediction. Using AIS trajectory data from bulk carrier voyages between Weipa (Australia) and Qingdao (China) in 2023, the framework leverages multi-feature fusion to enhance predictive performance. The results demonstrate that the stacking model achieves the highest accuracy, reducing the Mean Absolute Error (MAE) to 3.30 h—a 74.7% improvement over the historical averaging benchmark and an 11.3% reduction compared with the best individual model, XGBoost. Extensive performance evaluation and interpretability analysis confirm that the stacking ensemble provides stability and robustness. Feature importance analysis reveals that vessel speed, course stability, and remaining distance are the primary drivers of ETA prediction. Additionally, meta-learner weighting analysis shows that LightGBM offers a stable baseline, while systematic deviations in XGBoost predictions act as effective error-correction signals, highlighting the complementary strengths captured by the ensemble. The findings provide operational insights for maritime logistics and port management, offering significant benefits for port scheduling and maritime logistics management. Full article
(This article belongs to the Section Ocean Engineering)
Show Figures

Figure 1

15 pages, 2108 KB  
Article
Experimental Demonstration of Airborne Virtual Hyperbolic Metamaterials for Radar Signal Guiding
by Xiaoxuan Peng, Shiqiang Zhao, Yongzheng Wen, Jingbo Sun and Ji Zhou
Appl. Sci. 2026, 16(2), 773; https://doi.org/10.3390/app16020773 - 12 Jan 2026
Viewed by 144
Abstract
The inherent diffraction of electromagnetic waves, such as shortwaves and microwaves, severely limits the effective signal transmission distance, thereby constraining the development of related applications like radar and communications. This work experimentally demonstrates the use of a virtual hyperbolic metamaterial (VHMM) realized via [...] Read more.
The inherent diffraction of electromagnetic waves, such as shortwaves and microwaves, severely limits the effective signal transmission distance, thereby constraining the development of related applications like radar and communications. This work experimentally demonstrates the use of a virtual hyperbolic metamaterial (VHMM) realized via a plasma filament array induced in air by a femtosecond laser. We characterize the ability of this VHMM to control electromagnetic waves in the shortwave and microwave bands, particularly its guiding and collimating effects. By combining experimental measurements with effective medium theory, we confirm that under specific parameters, the principal diagonal components of the permittivity tensor for the plasma array exhibit opposite signs, manifesting typical hyperbolic dispersion characteristics which enable the guiding of electromagnetic waves. This research provides a feasible approach for utilizing lasers to create dynamically reconfigurable and non-physical structures in free space for manipulating long-wavelength electromagnetic radiation, demonstrating potential for applications in areas such as radar, communications, and remote sensing. Full article
(This article belongs to the Special Issue Recent Advances and Applications of Electromagnetic Metamaterials)
Show Figures

Figure 1

18 pages, 3957 KB  
Article
Real-Time Acoustic Telemetry Buoys as Tools for Nearshore Monitoring and Management
by James M. Anderson, Brian S. Stirling, Patrick T. Rex, Emily A. Spurgeon, Anthony McGinnis, Zachariah S. Merson, Darnell Gadberry and Christopher G. Lowe
J. Mar. Sci. Eng. 2026, 14(2), 128; https://doi.org/10.3390/jmse14020128 - 8 Jan 2026
Viewed by 644
Abstract
Acoustic telemetry monitoring for tagged sharks in nearshore waters has become an important tool for beach safety management; however, detection performance can vary widely in shallow, high-energy nearshore environments where management decisions are often most time-sensitive. Real-time acoustic telemetry buoys offer the potential [...] Read more.
Acoustic telemetry monitoring for tagged sharks in nearshore waters has become an important tool for beach safety management; however, detection performance can vary widely in shallow, high-energy nearshore environments where management decisions are often most time-sensitive. Real-time acoustic telemetry buoys offer the potential to deliver live detections and system diagnostics, but their performance relative to autonomous bottom-mounted receivers remains poorly evaluated under realistic coastal conditions. We compared the detection efficiency of real-time buoy-mounted acoustic receivers and autonomous bottom-mounted receivers across five nearshore sites in southern California. Using paired long-term reference tag deployments and short-term range tests, we quantified detection probability, effective detection range, and the influence of environmental conditions and receiver placement. Detection performance was evaluated in relation to wind speed, water temperature, receiver tilt, and signal-to-noise ratio. Both buoy-mounted and bottom-mounted receivers maintained high long-term detection efficiency, recovering 77–99% of expected transmissions at 82–250 m. Range tests indicated greater effective detection distances for buoy-mounted receivers, with 50% detection probabilities occurring at approximately 471 m compared to 282 m for bottom-mounted receivers. Receiver placement strongly influenced performance, with surface-mounted receivers outperforming bottom-mounted units regardless of receiver model. Environmental effects on detections were site-specific and variable. Detection probability varied predictably with environmental conditions. Higher SNR increased detection success, particularly for bottom/substrate mounted receivers, while warm water significantly reduced detection probability across placement configuration. These results demonstrate that real-time acoustic telemetry buoys provide reliable detection performance in dynamic nearshore environments while offering key operational advantages, including immediate data access and system diagnostics. The observed relationships demonstrate that receiver performance is dynamic rather than fixed, and that real-time buoy systems therefore represent a practical tool for coastal monitoring programs that require timely information to support adaptive management, public safety, and conservation decision making. Full article
(This article belongs to the Section Physical Oceanography)
Show Figures

Figure 1

19 pages, 3900 KB  
Article
Low-Noise Amplification of Coherent Single-Mode Squeezed States
by Shaojie Li, Jiachen Liu, Changchang Zhang, Zhaolu Wang, Wenqi Xu, Wenjuan Shi and Hongjun Liu
Photonics 2026, 13(1), 51; https://doi.org/10.3390/photonics13010051 - 6 Jan 2026
Viewed by 259
Abstract
Quantum noise fundamentally limits the performance of fiber-optic systems beyond the standard quantum limit (SQL), restricting long-distance quantum key distribution, quantum communication, and precision quantum sensing. To overcome these limitations, quantum-squeezed states enable quadrature-dependent noise suppression, yet their benefits rapidly degrade under fiber [...] Read more.
Quantum noise fundamentally limits the performance of fiber-optic systems beyond the standard quantum limit (SQL), restricting long-distance quantum key distribution, quantum communication, and precision quantum sensing. To overcome these limitations, quantum-squeezed states enable quadrature-dependent noise suppression, yet their benefits rapidly degrade under fiber attenuation, necessitating low-noise amplification. Since conventional phase-insensitive amplifiers (PIAs) impose a minimum 3 dB noise figure (NF) penalty and disrupt quantum correlations, phase-sensitive amplification (PSA) becomes essential. In this work, we propose a PSA based on dual-pump frequency-degenerate four-wave mixing (FWM) to amplify weak coherent squeezed states. Here, the PSA is seeded by an information-carrying single-mode squeezed state, where the information is encoded in the displacement degree of freedom, rather than in the squeezing itself. By optimizing the relative phases among the squeezed state, pump fields, and weak signal, the scheme maintains proper squeezing alignment and preserves the encoded quantum correlations during propagation. Under low-loss conditions, it is shown that the effective NF reaches −7.787 dB, demonstrating that the scheme enables quantum-limited amplification suitable for long-haul transmission and offering a viable path toward scalable fiber-based quantum technologies. Full article
Show Figures

Figure 1

19 pages, 15134 KB  
Article
An Optimized Approach for Methane Spectral Feature Extraction Under High-Humidity Conditions
by Yunze Li, Jun Wu, Wei Xiong, Dacheng Li, Yangyu Li, Anjing Wang and Fangxiao Cui
Remote Sens. 2026, 18(1), 175; https://doi.org/10.3390/rs18010175 - 5 Jan 2026
Viewed by 241
Abstract
Fourier transform infrared (FTIR) spectroscopy-based gas remote sensing has been widely applied for long-range atmospheric composition analysis. However, when deployed for longwave infrared methane detection, spectral features of methane are significantly interfered by water vapor variations at the edge of atmospheric window, which [...] Read more.
Fourier transform infrared (FTIR) spectroscopy-based gas remote sensing has been widely applied for long-range atmospheric composition analysis. However, when deployed for longwave infrared methane detection, spectral features of methane are significantly interfered by water vapor variations at the edge of atmospheric window, which compromises detection performance. To address the spectral fitting degradation caused by relative changes between methane and water vapor signals, this study incorporates temperature, relative humidity, and sensing distance into the cost function, establishing a continuous optimization space with concentration path lengths (CLs) as variables, which are the product of the concentration and path length. A hybrid differential evolution and Levenberg–Marquardt (D-LM) algorithm is developed to enhance parameter estimation accuracy. Combined with a three-layer atmospheric model for real-time reference spectrum generation, the algorithm identifies the optimal spectral combination that provides the best match to the measured data. Algorithm performance is validated through two experimental configurations: Firstly, adaptive detection using synthetic spectra covering various humidity–methane concentration combinations is conducted; simulation results demonstrate that the proposed method significantly reduces the mean squared error (MSE) of fitting residuals by 95.8% compared to the traditional LASSO method, effectively enhancing methane spectral feature extraction under high-water-vapor conditions. Then, a continuous monitoring of controlled methane releases over a 500 m open path under high-outdoor-humidity conditions is carried out to validate outdoor performance of the proposed algorithm; field measurement analysis further confirms the method’s robustness, achieving a reduction in fitting residuals of approximately 57% and improving spectral structure fitting. The proposed approach provides a reliable technical pathway for adaptive gas cloud detection under complex atmospheric conditions. Full article
Show Figures

Figure 1

16 pages, 17043 KB  
Article
Research on Sound Recognition of Long-Distance UAV Based on Harmonic Features
by Kuangang Fan, Wenjie Pan, Jilong Zhong, Zhiyu Zeng and Wenzheng Chen
Drones 2026, 10(1), 25; https://doi.org/10.3390/drones10010025 - 1 Jan 2026
Viewed by 371
Abstract
With the extensive application of unmanned aerial vehicles (UAVs) in both military and civilian domains, the significance of UAV identification technology has become increasingly prominent. Among various recognition methods, voice recognition has garnered considerable attention due to its advantages of low cost and [...] Read more.
With the extensive application of unmanned aerial vehicles (UAVs) in both military and civilian domains, the significance of UAV identification technology has become increasingly prominent. Among various recognition methods, voice recognition has garnered considerable attention due to its advantages of low cost and easy deployment. However, most existing research primarily focuses on isolating UAV sounds from noise signals in complex environments, with limited studies on long-distance UAV sound recognition. Based on this, this paper proposes a frequency domain feature extraction method based on harmonic features. By analyzing the harmonic features of UAV sounds, we select stable parameters with strong robustness against interference capabilities as the main features to minimize information redundancy and feature fluctuation. The experimental results indicate that this method achieves a recognition accuracy of 78.03% for the DJI Phantom 4 Pro V2.0 UAV at a distance of 120 m. To validate the proposed method, comprehensive comparisons against traditional MFCC, Log-Mel Spectrogram, and modern Raw Waveform CNN (M5) baselines demonstrate the superior robustness of the proposed approach. While these comparative methods exhibited significant performance drops in challenging long-distance scenarios (e.g., accuracies falling below 24% for the DJI Mavic Pro), the proposed method maintained consistent identification capabilities, validating its effectiveness in low-signal environments. Full article
Show Figures

Figure 1

Back to TopTop