error_outline You can access the new MDPI.com website here. Explore and share your feedback with us.
 
 
Sign in to use this feature.

Years

Between: -

Subjects

remove_circle_outline
remove_circle_outline
remove_circle_outline
remove_circle_outline
remove_circle_outline
remove_circle_outline
remove_circle_outline
remove_circle_outline

Journals

Article Types

Countries / Regions

Search Results (84)

Search Parameters:
Keywords = gas-fired turbine

Order results
Result details
Results per page
Select all
Export citation of selected articles as:
17 pages, 2987 KB  
Article
Analysis of the Water Hammer Effect and Structural Response Characteristics in the Fire-Resistant Oil System of Gas Turbine Units
by Guangjie Zhou, Qiang Ma, Sufeng Xue, Gang Wang, Lijun Jia and Kaimin Yang
Energies 2026, 19(1), 147; https://doi.org/10.3390/en19010147 - 26 Dec 2025
Viewed by 177
Abstract
In gas turbine fire-resistant oil systems, valve actuations induce transient pressure fluctuations and the water hammer effect, causing pressure oscillations and structural vibrations. This study uses a coupled CFD and transient structural simulation to analyze the effects of different valve strategies on pressure [...] Read more.
In gas turbine fire-resistant oil systems, valve actuations induce transient pressure fluctuations and the water hammer effect, causing pressure oscillations and structural vibrations. This study uses a coupled CFD and transient structural simulation to analyze the effects of different valve strategies on pressure wave propagation and structural response. Results show that a higher valve opening rate leads to a more significant water hammer effect, increasing structural deformation and stress. The maximum equivalent stress was verified at 201.9 MPa, maintaining a 30% safety margin and meeting American Society of Mechanical Engineers (ASME) B31.3 requirements. Finally, a “slow-fast-slow” (S-shaped) valve strategy is proposed to significantly improve the system’s pressure response characteristics, providing theoretical and engineering guidance for safe operation. Full article
Show Figures

Figure 1

31 pages, 4653 KB  
Article
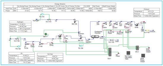
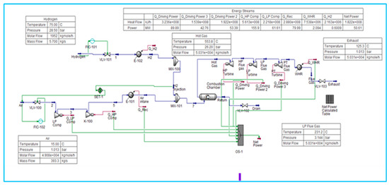
Evaluation of Hydrogen-Powered Gas Turbines for Offshore FLNG Applications
by We Lin Chan and Arun Dev
Gases 2025, 5(4), 29; https://doi.org/10.3390/gases5040029 - 16 Dec 2025
Viewed by 302
Abstract
Global carbon emissions are driving the maritime industry toward cleaner fuels, with LNG already established as a transitional option that reduces SOx, NOx, and particulate emissions relative to conventional marine fuels and in line with decarbonisation strategies. This research aimed to explore the [...] Read more.
Global carbon emissions are driving the maritime industry toward cleaner fuels, with LNG already established as a transitional option that reduces SOx, NOx, and particulate emissions relative to conventional marine fuels and in line with decarbonisation strategies. This research aimed to explore the transition of offshore and marine platforms from conventional marine fuels to cleaner alternatives, with liquefied natural gas (LNG) emerging as the principal transitional fuel. Subsequently, floating liquefied natural gas (FLNG) platforms are increasingly being deployed to harness offshore gas resources, yet they face critical challenges related to weight, space, and energy efficiency. The study proposes pathways for transitioning FLNG energy systems from LNG to zero-carbon fuels, such as hydrogen derived directly from LNG resources, to optimise fuel supply under the unique operational constraints of FLNG units. The work unifies the independent domains of pure-fuel and blending-fuel processes for LNG and hydrogen, viewed in the context of thermodynamic processes, to optimise hydrogen–LNG co-firing gas turbine performance and meet the base power line of 50 MW. Furthermore, the research article will contribute to the development of other floating production platforms, such as FPSOs and FSRUs. It will be committed to clean energy policies that mandate support for green alternatives to hydrocarbon fuels. Full article
Show Figures

Figure 1

18 pages, 1542 KB  
Review
Analysis of Industrial Flue Gas Compositions and Their Impact on Molten Carbonate Fuel Cell Performance for CO2 Separation
by Arkadiusz Szczęśniak, Aliaksandr Martsinchyk, Olaf Dybinski, Katsiaryna Martsinchyk, Jarosław Milewski, Łukasz Szabłowski and Jacob Brouwer
Sustainability 2025, 17(24), 11234; https://doi.org/10.3390/su172411234 - 15 Dec 2025
Viewed by 434
Abstract
The study examines the influence of diverse flue gas compositions on the operational parameters and efficiency of MCFCs (molten carbonate fuel cells) as CO2 separation devices to provide foundational knowledge on MCFC operation under various industrial conditions. MCFCs inherently rely on the [...] Read more.
The study examines the influence of diverse flue gas compositions on the operational parameters and efficiency of MCFCs (molten carbonate fuel cells) as CO2 separation devices to provide foundational knowledge on MCFC operation under various industrial conditions. MCFCs inherently rely on the presence of CO2 at the cathode, where it combines with oxygen to form carbonate ions that migrate through the electrolyte; thus, CO2 acts as a carrier species rather than a fuel, enabling simultaneous electricity generation and CO2 separation. The findings indicate that MCFCs are most effective when operated with CO2-rich flue gases, such as those from coal and lignite-fired power plants with CO2 contents of roughly 12–15 vol.% and O2 contents of 2–6 vol.%. In these cases, CO2 reduction rates of up to 80% can be achieved while maintaining favorable cell voltages. Under such conditions, relevant also for the cement industry (CO2 between 15 and 35 vol.%), the Nernst voltage can reach about 1.18 V. In contrast, flue gases from gas turbines, which typically contain only 4–6 vol.% CO2 and 11–13 vol.% O2, result in lower Nernst voltages (0.6–0.7 V) and a decrease in efficiency. To address this issue, potential modifications to the MCFC electrolyte are suggested to enhance oxygen-ion conductivity and improve performance. By quantifying the operational window and CO2-reduction potential for different sectors at 650 °C and 1 atm using a reduced-order model, the paper provides a technology assessment that supports sustainable industrial operation and the design of CCS (carbon capture and sequestration) strategies in line with climate goals. Full article
(This article belongs to the Special Issue Carbon Capture, Utilization, and Storage (CCUS) for Clean Energy)
Show Figures

Figure 1

11 pages, 619 KB  
Article
Liquid Droplet Breakup Mechanisms During the Aero-Engine Compressor Washing Process
by Nicola Zanini, Alessio Suman, Andrea Cordone, Mattia Piovan, Michele Pinelli, Stefan Kuntzagk, Henrik Weiler and Christian Werner-Spatz
Int. J. Turbomach. Propuls. Power 2025, 10(4), 50; https://doi.org/10.3390/ijtpp10040050 - 2 Dec 2025
Viewed by 297
Abstract
The study of the dynamics during droplet breakup is fascinating to engineers. Some industrial applications include fire extinguishing by sprinkler systems, painting of various components, washing processes, and fuel spraying in internal combustion engines, which involve the interaction between liquid droplets, gaseous flow [...] Read more.
The study of the dynamics during droplet breakup is fascinating to engineers. Some industrial applications include fire extinguishing by sprinkler systems, painting of various components, washing processes, and fuel spraying in internal combustion engines, which involve the interaction between liquid droplets, gaseous flow field, and walls. In this work, washing operations effectiveness of civil aviation aircraft engines is analyzed. Periodic washing operations are necessary to slow down the effects of particle deposition, e.g., gas turbine fouling, to reduce the specific fuel consumption and the environmental impact of the gas turbine operation. This analysis describes the dynamics in the primary breakup, related to the breakup of droplets due to aerodynamic forces, which occur when the droplets are set in motion in a fluid domain. The secondary breakup is also considered, which more generally refers to the impact of droplets on surfaces. The latter is studied with particular attention to dry surfaces, investigating the limits for different breakup regimes and how these limits change when the impact occurs with surfaces characterized by different wettability. Surfaces with different roughness are also compared. All the tested cases are referred to surfaces at ambient temperature. Dimensionless numbers generalize the analysis to describe the droplet behavior. The analysis is based on several data reported in the open literature, demonstrating how different washing operations involve different droplet breakup regimes, generating a non-trivial data interpretation. Impact dynamics, droplet characteristics, and erosion issues are analyzed, showing differences and similarities between the literature data proposed in the last twenty years. Washing operation and the effects of gas turbine fouling on the aero-engine performance are still under investigation, demonstrating how experiments and numerical simulations are needed to tackle this detrimental issue. Full article
Show Figures

Figure 1

24 pages, 4204 KB  
Article
Effect of Twin-Fluid Mass Ratio on Near-Field Spray Characteristics and Dynamics of a Novel Two-Phase Injector with an Internal Swirl
by Rachel Swinney, Md Shakil Ahmed and Lulin Jiang
Fire 2025, 8(11), 425; https://doi.org/10.3390/fire8110425 - 31 Oct 2025
Viewed by 811
Abstract
The present study investigates the influence of atomizing air-to-liquid mass ratio (ALR) on the near-field spray characteristics and stability of a novel twin-fluid injector that integrates bubble-bursting for primary atomization and shear-induced secondary atomization. Unlike conventional injectors, the novel design generates ultra-fine sprays [...] Read more.
The present study investigates the influence of atomizing air-to-liquid mass ratio (ALR) on the near-field spray characteristics and stability of a novel twin-fluid injector that integrates bubble-bursting for primary atomization and shear-induced secondary atomization. Unlike conventional injectors, the novel design generates ultra-fine sprays at the exit with low sensitivity to liquid properties. The previous version improved secondary atomization even for highly viscous liquids, showing strong potential in hydrogel-based fire suppression. The current design improves primary atomization, leading to more stable and finer sprays. The near-field spray characteristics are quantified using a high-speed shadowgraph across ALRs ranging from 1.25 to 2.00. This study found that stable and finely atomized sprays are produced across all the tested ALRs. Increasing ALR reduces droplet size, while the spray is the widest at 1.25. Sauter Mean Diameter (SMD) contours show larger droplets at the edges and smaller ones toward the center, with ALR 2.00 yielding the most uniform size distribution. As per the atomization efficiency, ALR of 1.25 shows the best performance. Overall, an optimum ALR of 1.75 is identified, offering balanced droplet size distribution, stability, and atomization efficiency, making the injector potentially suitable for fire suppression and liquid-fueled gas turbines requiring high stability and fuel flexibility. Full article
Show Figures

Graphical abstract

37 pages, 4235 KB  
Article
Optimization-Based Exergoeconomic Assessment of an Ammonia–Water Geothermal Power System with an Elevated Heat Source Temperature
by Asli Tiktas
Energies 2025, 18(19), 5195; https://doi.org/10.3390/en18195195 - 30 Sep 2025
Viewed by 926
Abstract
Geothermal energy has been recognized as a promising renewable resource for sustainable power generation; however, the efficiency of conventional geothermal power plants has remained relatively low, and high investment costs have limited their competitiveness with other renewable technologies. In this context, the present [...] Read more.
Geothermal energy has been recognized as a promising renewable resource for sustainable power generation; however, the efficiency of conventional geothermal power plants has remained relatively low, and high investment costs have limited their competitiveness with other renewable technologies. In this context, the present study introduced an innovative geothermal electricity generation system aimed at enhancing energy efficiency, cost-effectiveness, and sustainability. Unlike traditional configurations, the system raised the geothermal source temperature passively by employing advanced heat transfer mechanisms, eliminating the need for additional energy input. Comprehensive energy, exergy, and exergoeconomic analyses were carried out, revealing a net power output of 43,210 kW and an energy efficiency of 30.03%, notably surpassing the conventional Kalina cycle’s typical 10.30–19.48% range. The system’s annual electricity generation was 11,138.53 MWh, with an initial investment of USD 3.04 million and a short payback period of 3.20 years. A comparative assessment confirmed its superior thermoeconomic performance. In addition to its technoeconomic advantages, the environmental performance of the proposed configuration was quantified. A streamlined life cycle assessment (LCA) was performed with a functional unit of 1 MWh of net electricity. The proposed system exhibited a carbon footprint of 20–60 kg CO2 eq MWh−1 (baseline: 45 kg CO2 eq MWh−1), corresponding to annual emissions of 0.22–0.67 kt CO2 eq for the simulated output of 11,138.53 MWh. Compared with coal- and gas-fired plants of the same capacity, avoided emissions of approximately 8.6 kt and 5.0 kt CO2 eq per year were achieved. The water footprint was determined as ≈0.10 m3 MWh−1 (≈1114 m3 yr−1), which was substantially lower than the values reported for fossil technologies. These findings confirmed that the proposed system offered a sustainable alternative to conventional geothermal and fossil-based electricity generation. Multi-objective optimization using NSGA-II was carried out to maximize energy and exergy efficiencies while minimizing total cost. Key parameters such as turbine inlet temperature (459–460 K) and ammonia concentration were tuned for performance stability. A sensitivity analysis identified the heat exchanger, the first condenser (Condenser 1), and two separators (Separator 1, Separator 2) as influential on both performance and cost. The exergoeconomic results indicated Separator 1, Separator 2, and the turbine as primary locations of exergy destruction. With an LCOE of 0.026 USD/kWh, the system emerged as a cost-effective and scalable solution for sustainable geothermal power production without auxiliary energy demand. Full article
Show Figures

Figure 1

22 pages, 8363 KB  
Article
Off-Design Performance Modeling of the Natural Gas-Fired Allam Cycle
by Federico D’Ambrosio, Lorenzo Colleoni and Silvia Ravelli
Energies 2025, 18(17), 4771; https://doi.org/10.3390/en18174771 - 8 Sep 2025
Cited by 1 | Viewed by 978
Abstract
This work focuses on modeling the performance of the natural gas-fired Allam cycle under off-design conditions. Key thermodynamic parameters, such as turbine inlet pressure (TIP), turbine inlet temperature (TIT), and turbine outlet temperature (TOT), were evaluated at part-load and varying environmental conditions. In [...] Read more.
This work focuses on modeling the performance of the natural gas-fired Allam cycle under off-design conditions. Key thermodynamic parameters, such as turbine inlet pressure (TIP), turbine inlet temperature (TIT), and turbine outlet temperature (TOT), were evaluated at part-load and varying environmental conditions. In the former case, different control strategies were implemented in the simulation code (Thermoflex®) to reduce the power output. In the latter case, the impact of ambient temperature (Tamb) on the minimum cycle temperature (Tmin) was evaluated. The ultimate goal is to predict the thermal efficiency (ηth) and its decrease due to partial load operation and warm climate, without thermal recovery from the air separation unit (ASU). With the most efficient partial load strategy, ηth decreased from 50.4% at full load to 40.3% at about 30% load, at nominal Tmin. The penalty caused by the increase in Tmin due to hot weather, up to Tamb = 30 °C, was significant at loads above 60%, but limited to 0.5 percentage points (pp). Full article
Show Figures

Figure 1

28 pages, 8717 KB  
Article
Thermo-Kinetic Assessment of Ammonia/Syngas Combustion: Experimental and Numerical Investigation of Laminar Burning Velocity at Elevated Pressure and Temperature
by Mehrdad Kiani, Ali Akbar Abbasian Arani, Ehsan Houshfar, Mehdi Ashjaee and Pouriya H. Niknam
Fuels 2025, 6(3), 59; https://doi.org/10.3390/fuels6030059 - 12 Aug 2025
Viewed by 1518
Abstract
The utilization of ammonia as a fuel for gas turbines involves practical challenges due to its low reactivity, narrow flammability limits, and slow laminar flame propagation. One of the potential solutions to enhance the combustion reactivity of ammonia is co-firing with syngas. This [...] Read more.
The utilization of ammonia as a fuel for gas turbines involves practical challenges due to its low reactivity, narrow flammability limits, and slow laminar flame propagation. One of the potential solutions to enhance the combustion reactivity of ammonia is co-firing with syngas. This paper presents an experimental and numerical investigation of the laminar burning velocity (LBV) of ammonia/syngas/air mixtures under elevated pressures (up to 10 bar) and temperatures (up to 473 K). Experiments were conducted in a constant-volume combustion chamber with a total volume of 11 L equipped with a dual-electrode capacitive discharge ignition system. A systematic sensitivity analysis was conducted to experimentally evaluate the system performance under various syngas compositions and equivalence ratios from 0.7 to 1.6 and ultimately identify the factors with the most impact on the system. As a complement to the experiments, a detailed numerical simulation was carried out integrating available kinetic mechanisms—chemical reaction sets and their rates—to support advancements in the understanding and optimization of ammonia/syngas co-firing dynamics. The sensitivity analysis results reveal that LBV is significantly enhanced by increasing the hydrogen content (>50%). Furthermore, the LBV of the gas mixture is found to increase with the use of a rich flame, higher mole fractions of syngas, and higher initial temperatures. The results indicate that higher pressure reduces LBV by 40% but at the same time enhances the adiabatic flame temperature (by 100 K) due to an equilibrium shift. The analysis was also extended to quantify the impact of syngas mole fractions and elevated initial temperatures. The kinetics of the reactions are analyzed through the reaction pathways, and the results reveal how the preferred pathways vary under lean and rich flame conditions. These findings provide valid quantitative design data for optimizing the combustion kinetics of ammonia/syngas blends, offering valuable design data for ammonia-based combustion systems in industrial gas turbines and power generation applications, reducing NOₓ emissions by up to 30%, and guiding future research directions toward kinetic models and emission control strategies. Full article
Show Figures

Figure 1

36 pages, 5532 KB  
Article
Supporting Sustainable Development Goals with Second-Life Electric Vehicle Battery: A Case Study
by Muhammad Nadeem Akram and Walid Abdul-Kader
Sustainability 2025, 17(14), 6307; https://doi.org/10.3390/su17146307 - 9 Jul 2025
Cited by 1 | Viewed by 2134
Abstract
To alleviate the impact of economic and environmental detriments caused by the increased demands of electric vehicle battery production and disposal, the use of spent batteries in second-life stationary applications such as energy storage for renewable sources or backup power systems, offers many [...] Read more.
To alleviate the impact of economic and environmental detriments caused by the increased demands of electric vehicle battery production and disposal, the use of spent batteries in second-life stationary applications such as energy storage for renewable sources or backup power systems, offers many benefits. This paper focuses on reducing the energy consumption cost and greenhouse gas emissions of Internet-of-Things-enabled campus microgrids by installing solar photovoltaic panels on rooftops alongside energy storage systems that leverage second-life batteries, a gas-fired campus power plant, and a wind turbine while considering the potential loads of a prosumer microgrid. A linear optimization problem is derived from the system by scheduling energy exchanges with the Ontario grid through net metering and solved by using Python 3.11. The aim of this work is to support Sustainable Development Goals, namely 7 (Affordable and Clean Energy), 11 (Sustainable Cities and Communities), 12 (Responsible Consumption and Production), and 13 (Climate Action). A comparison between a base case scenario and the results achieved with the proposed scenarios shows a significant reduction in electricity cost and greenhouse gas emissions and an increase in self-consumption rate and renewable fraction. This research work provides valuable insights and guidelines to policymakers. Full article
Show Figures

Figure 1

18 pages, 8224 KB  
Article
Cascaded Absorption Heat Pump Integration in Biomass CHP Systems: Multi-Source Waste Heat Recovery for Low-Carbon District Heating
by Pengying Wang and Hangyu Zhou
Sustainability 2025, 17(13), 5870; https://doi.org/10.3390/su17135870 - 26 Jun 2025
Viewed by 1371
Abstract
District heating systems in northern China predominantly rely on coal-fired heat sources, necessitating sustainable alternatives to reduce carbon emissions. This study investigates a biomass combined heat and power (CHP) system integrated with cascaded absorption heat pump (AHP) technology to recover waste heat from [...] Read more.
District heating systems in northern China predominantly rely on coal-fired heat sources, necessitating sustainable alternatives to reduce carbon emissions. This study investigates a biomass combined heat and power (CHP) system integrated with cascaded absorption heat pump (AHP) technology to recover waste heat from semi-dry flue gas desulfurization exhaust and turbine condenser cooling water. A multi-source operational framework is developed, coordinating biomass CHP units with coal-fired boilers for peak-load regulation. The proposed system employs a two-stage heat recovery methodology: preliminary sensible heat extraction from non-saturated flue gas (elevating primary heating loop (PHL) return water from 50 °C to 55 °C), followed by serial AHPs utilizing turbine extraction steam to upgrade waste heat from circulating cooling water (further heating PHL water to 85 °C). Parametric analyses demonstrate that the cascaded AHP system reduces turbine steam extraction by 4.4 to 8.8 t/h compared to conventional steam-driven heating, enabling 3235 MWh of annual additional power generation. Environmental benefits include an annual CO2 reduction of 1821 tonnes, calculated using regional grid emission factors. The integration of waste heat recovery and multi-source coordination achieves synergistic improvements in energy efficiency and operational flexibility, advancing low-carbon transitions in district heating systems. Full article
(This article belongs to the Section Energy Sustainability)
Show Figures

Figure 1

10 pages, 1657 KB  
Proceeding Paper
Design Challenges in the Development of a Hydrogen-Fueled Micro Gas Turbine Unit for Energy Generation
by Uma Nataraj Gottipati, Angelo Minotti, Vincenzo La Battaglia and Alessandro Giorgetti
Eng. Proc. 2025, 85(1), 45; https://doi.org/10.3390/engproc2025085045 - 21 Mar 2025
Cited by 2 | Viewed by 1800
Abstract
Environmental and social governance targets, as well as the global transition to cleaner renewable energy sources, push for advancements in hydrogen-based solutions for energy generators due to their high energy per unit mass (energy density) and lightweight nature. Hydrogen’s energy density and lightweight [...] Read more.
Environmental and social governance targets, as well as the global transition to cleaner renewable energy sources, push for advancements in hydrogen-based solutions for energy generators due to their high energy per unit mass (energy density) and lightweight nature. Hydrogen’s energy density and lightweight nature allow it to provide an extended range of uses without adding significant weight, potentially revolutionizing many applications. Moreover, a variety of sources, including renewable energy, can produce hydrogen, making it a potentially more sustainable option for energy storage despite its main limitations in production and transportation costs. In this framework we are proposing an innovative energy generator that might merge the benefits of batteries and hydrogen. The energy generator is based on a worldwide patented solution introduced by MIEEG s.r.l. regarding the shape of the chambers. This innovative solution can be used to design a 100% H2-fed microturbine with a high power/weight/volume ratio that works as a range extender of battery packs for a comprehensive, high-efficiency hybrid powertrain. In fact, it runs at 100,000 rpm and is designed to deliver about 100 kW in about 15 L of volume and 15 kg of weight (alternator excluded). The system is highly complex due to high firing temperatures, long life requirements, corrosion protection, mechanical and vibrational stresses, sealing, couplings, bearings, and the realization of tiny blades. This paper analyzes the main design challenges to face in the development of such complex generators, focusing on the hot gas path components, which are the most critical part of gas turbines. The contribution of additive manufacturing techniques, the adoption of special materials, and coatings have been evaluated for system improvement. Full article
Show Figures

Figure 1

19 pages, 6012 KB  
Article
Effect of Hydrogen Co-Firing with Natural Gas on Thermal Efficiency and CO2 Emissions in Gas Turbine Power Plant
by Rizcky Rahadian Nugraha, S. Silviana and Widayat Widayat
Hydrogen 2025, 6(1), 18; https://doi.org/10.3390/hydrogen6010018 - 19 Mar 2025
Cited by 3 | Viewed by 4478
Abstract
The Indonesian government has established an energy transition policy for decarbonization, including the target of utilizing hydrogen for power generation through a co-firing scheme. Several studies indicate that hydrogen co-firing in gas-fired power plants can reduce CO2 emissions while improving efficiency. This [...] Read more.
The Indonesian government has established an energy transition policy for decarbonization, including the target of utilizing hydrogen for power generation through a co-firing scheme. Several studies indicate that hydrogen co-firing in gas-fired power plants can reduce CO2 emissions while improving efficiency. This study develops a simulation model for hydrogen co-firing in an M701F gas turbine at the Cilegon power plant using Aspen HYSYS. The impact of different hydrogen volume fractions (5–30%) on thermal efficiency and CO2 emissions is analyzed under varying operational loads (100%, 75%, and 50%). The simulation results show an increase in thermal efficiency with each 5% increment in the hydrogen fraction, averaging 0.32% at 100% load, 0.34% at 75% load, and 0.37% at 50% load. The hourly CO2 emission rate decreased by an average of 2.16% across all operational load variations for every 5% increase in the hydrogen fraction. Meanwhile, the average reduction in CO2 emission intensity at the 100%, 75%, and 50% operational loads was 0.017, 0.019, and 0.023 kg CO2/kWh, respectively. Full article
Show Figures

Figure 1

32 pages, 11374 KB  
Review
Evaluation of Coal Repowering Option with Small Modular Reactor in South Korea
by Semin Joo, Seok Ho Song, Seokjun Oh, Staffan Qvist and Jeong Ik Lee
Energies 2024, 17(24), 6493; https://doi.org/10.3390/en17246493 - 23 Dec 2024
Cited by 5 | Viewed by 2865
Abstract
The Paris Agreement emphasizes the need to reduce greenhouse gas emissions, particularly from coal power. One suggested approach is repowering coal-fired power plants (CPPs) with small modular reactors (SMRs). South Korea plans to retire CPPs in the coming decades and requires alternative options [...] Read more.
The Paris Agreement emphasizes the need to reduce greenhouse gas emissions, particularly from coal power. One suggested approach is repowering coal-fired power plants (CPPs) with small modular reactors (SMRs). South Korea plans to retire CPPs in the coming decades and requires alternative options for coal-fired energy. This study presents a scoping analysis comparing variable renewable energy (VRE) sources with SMRs for repowering CPPs in the Korean context. The analysis indicates that SMRs may be a more favorable option than VRE sources, particularly due to their load-following capabilities. In this study, two types of SMRs were investigated: high-temperature gas reactors (HTGRs) and pressurized water reactors (PWRs). HTGRs are suitable to fit the high-temperature operating conditions of steam turbines but require multiple units due to their low volumetric flow rates. PWRs, while matching the volumetric flow rate of existing CPP turbines, require additional thermal energy sources to meet the high-temperature operating conditions of steam turbines. Lastly, an analysis of necessary regulatory and legislative changes in South Korea’s nuclear framework is presented, identifying several key regulatory issues for repowering coal with nuclear energy. Full article
(This article belongs to the Section B4: Nuclear Energy)
Show Figures

Figure 1

24 pages, 4949 KB  
Article
Preliminary Assessment of a Hydrogen Farm Including Health and Safety and Capacity Needs
by Esmaeil Alssalehin, Paul Holborn and Pericles Pilidis
Energies 2024, 17(24), 6395; https://doi.org/10.3390/en17246395 - 19 Dec 2024
Cited by 7 | Viewed by 1553
Abstract
The safety engineering design of hydrogen systems and infrastructure, worker education and training, regulatory compliance, and engagement with other stakeholders are significant to the viability and public acceptance of hydrogen farms. The only way to ensure these are accomplished is for the field [...] Read more.
The safety engineering design of hydrogen systems and infrastructure, worker education and training, regulatory compliance, and engagement with other stakeholders are significant to the viability and public acceptance of hydrogen farms. The only way to ensure these are accomplished is for the field of hydrogen safety engineering (HSE) to grow and mature. HSE is described as the application of engineering and scientific principles to protect the environment, property, and human life from the harmful effects of hydrogen-related mishaps and accidents. This paper describes a whole hydrogen farm that produces hydrogen from seawater by alkaline and proton exchange membrane electrolysers, then details how the hydrogen gas will be used: some will be stored for use in a combined-cycle gas turbine, some will be transferred to a liquefaction plant, and the rest will be exported. Moreover, this paper describes the design framework and overview for ensuring hydrogen safety through these processes (production, transport, storage, and utilisation), which include legal requirements for hydrogen safety, safety management systems, and equipment for hydrogen safety. Hydrogen farms are large-scale facilities used to create, store, and distribute hydrogen, which is usually produced by electrolysis using renewable energy sources like wind or solar power. Since hydrogen is a vital energy carrier for industries, transportation, and power generation, these farms are crucial in assisting the global shift to clean energy. A versatile fuel with zero emissions at the point of use, hydrogen is essential for reaching climate objectives and decarbonising industries that are difficult to electrify. Safety is essential in hydrogen farms because hydrogen is extremely flammable, odourless, invisible, and also has a small molecular size, meaning it is prone to leaks, which, if not handled appropriately, might cause fires or explosions. To ensure the safe and dependable functioning of hydrogen production and storage systems, stringent safety procedures are required to safeguard employees, infrastructure, and the surrounding environment from any mishaps. Full article
(This article belongs to the Special Issue Hydrogen Economy in the Global Energy Transition)
Show Figures

Figure 1

18 pages, 3550 KB  
Article
Multi-Time Optimization Scheduling Strategy for Integrated Energy Systems Considering Multiple Controllable Loads and Carbon Capture Plants
by Zhe Han, Zehua Li, Wenbo Wang, Wei Liu, Qiang Ma, Sidong Sun, Haiyang Liu, Qiang Zhang and Yue Cao
Energies 2024, 17(23), 5995; https://doi.org/10.3390/en17235995 - 28 Nov 2024
Cited by 5 | Viewed by 1606
Abstract
In response to the dual carbon targets, it is necessary not only to reduce carbon emissions but also to increase the proportion of renewable energy generation capacity, thereby exacerbating the scarcity of flexible resources in the power system. Addressing these challenges, this study [...] Read more.
In response to the dual carbon targets, it is necessary not only to reduce carbon emissions but also to increase the proportion of renewable energy generation capacity, thereby exacerbating the scarcity of flexible resources in the power system. Addressing these challenges, this study proposes an operational optimization framework for an integrated energy system. This system encompasses wind/solar power plants, coal-fired power plants, carbon capture power plants, gas turbines, energy storage systems, and controllable loads, including reducible power loads, transferable power loads, electrolytic aluminum loads, transferable heat loads, and reducible loads. This study employs a system combining carbon capture plants with thermal power stations to supply flexible resources to the integrated energy system while reducing carbon emissions during the generation process of the thermal power units. A multi-timescale optimization scheduling approach is adopted to manage the uncertainties in wind, photovoltaic, and electric/thermal loads within the integrated energy system. The operational costs of the integrated energy system consider the capacity degradation costs of energy storage systems, the solvent degradation costs of carbon capture, and carbon costs. Finally, the cplex solver was used to solve the above model. The simulation results show that the consideration of five controllable loads leads to an increase of 7.22% in the interactive benefits with the power grid; the difference between the complete cost model and the incomplete overall benefits is 94.35%. It can be seen that the dispatching method proposed in this study can take advantage of the dispatching advantages of source-load adjustable resources and achieve the goal of low-carbon economic dispatching of the power system. Full article
(This article belongs to the Section F1: Electrical Power System)
Show Figures

Figure 1

Back to TopTop