Sign in to use this feature.

Years

Between: -

Subjects

remove_circle_outline
remove_circle_outline
remove_circle_outline
remove_circle_outline
remove_circle_outline
remove_circle_outline

Journals

Article Types

Countries / Regions

Search Results (5)

Search Parameters:
Keywords = fractor

Order results
Result details
Results per page
Select all
Export citation of selected articles as:
30 pages, 5387 KB  
Article
Modelling Fractional Advection–Diffusion Processes via the Adomian Decomposition
by Alberto Antonini and Valentina Anna Lia Salomoni
Mathematics 2023, 11(12), 2657; https://doi.org/10.3390/math11122657 - 11 Jun 2023
Cited by 1 | Viewed by 1637
Abstract
When treating geomaterials, fractional derivatives are used to model anomalous dispersion or diffusion phenomena that occur when the mass transport media are anisotropic, which is generally the case. Taking into account anomalous diffusion processes, a revised Fick’s diffusion law is to be considered, [...] Read more.
When treating geomaterials, fractional derivatives are used to model anomalous dispersion or diffusion phenomena that occur when the mass transport media are anisotropic, which is generally the case. Taking into account anomalous diffusion processes, a revised Fick’s diffusion law is to be considered, where the fractional derivative order physically reflects the heterogeneity of the soil medium in which the diffusion phenomena take place. The solutions of fractional partial differential equations can be computed by using the so-called semi-analytical methods that do not require any discretization and linearization in order to obtain accurate results, e.g., the Adomian Decomposition Method (ADM). Such a method is innovatively applied for overcoming the critical issue of geometric nonlinearities in coupled saturated porous media and the potentialities of the approach are studied, as well as findings discussed. Full article
(This article belongs to the Special Issue Fractional Modeling, Control, Analysis and Applications)
Show Figures

Figure 1

18 pages, 426 KB  
Article
A New Look at the Capacitor Theory
by Manuel Duarte Ortigueira, Valeriy Martynyuk, Volodymyr Kosenkov and Arnaldo Guimarães Batista
Fractal Fract. 2023, 7(1), 86; https://doi.org/10.3390/fractalfract7010086 - 12 Jan 2023
Cited by 20 | Viewed by 3800
Abstract
The mathematical description of the charging process of time-varying capacitors is reviewed and a new formulation is proposed. For it, suitable fractional derivatives are described. The case of fractional capacitors that follow the Curie–von Schweidler law is considered. Through suitable substitutions, a similar [...] Read more.
The mathematical description of the charging process of time-varying capacitors is reviewed and a new formulation is proposed. For it, suitable fractional derivatives are described. The case of fractional capacitors that follow the Curie–von Schweidler law is considered. Through suitable substitutions, a similar scheme for fractional inductors is obtained. Formulae for voltage/current input/output are presented. Backward coherence with classic results is established and generalised to the variable order case. The concept of a tempered fractor is introduced and related to the Davidson–Cole model. Full article
Show Figures

Figure 1

9 pages, 1678 KB  
Article
Fractance with Tunable Fractor’s Order for Microwave Circuit Applications
by Dario Assante
Appl. Sci. 2022, 12(19), 10108; https://doi.org/10.3390/app121910108 - 8 Oct 2022
Cited by 1 | Viewed by 1629
Abstract
There is an increasing number of studies in the literature to implement fractional order components by means of equivalent circuits based on integer order components. Such implementations aim to realize laboratory equipment that can exhibit a fractional behavior in a certain range of [...] Read more.
There is an increasing number of studies in the literature to implement fractional order components by means of equivalent circuits based on integer order components. Such implementations aim to realize laboratory equipment that can exhibit a fractional behavior in a certain range of frequencies. One of the main limitations of the existing implementation is the fixed fractor’s order. In practice, every time the experimenter wants to change fractor’s order, it is necessary to calculate again the equivalent circuit and implement it again. In order to overcome this limitation, in this paper we propose a new implementation of a fractional order component that enables to tune the fractor’s order. This is achieved by means of variable resistors and a proper control methodology. The methodology can be applied in microwave circuits, for instance for the implementation of filters: a low-pass one is discussed in this paper. Full article
Show Figures

Figure 1

25 pages, 8190 KB  
Article
Circuit Implementation of Variable-Order Scaling Fractal-Ladder Fractor with High Resolution
by Bo Yu, Yifei Pu, Qiuyan He and Xiao Yuan
Fractal Fract. 2022, 6(7), 388; https://doi.org/10.3390/fractalfract6070388 - 12 Jul 2022
Cited by 6 | Viewed by 2607
Abstract
Extensive research has been conducted on the scaling fractal fractor using various structures. The development of high-resolution emulator circuits to achieve a variable-order scaling fractal fractor with high resolution is a major area of interest. We present a scaling fractal-ladder circuit for achieving [...] Read more.
Extensive research has been conducted on the scaling fractal fractor using various structures. The development of high-resolution emulator circuits to achieve a variable-order scaling fractal fractor with high resolution is a major area of interest. We present a scaling fractal-ladder circuit for achieving high-resolution variable-order fractor based on scaling expansion theory using a high-resolution multiplying digital-to-analog converter (HMDAC). Firstly, the circuit configuration of variable-order scaling fractal-ladder fractor (VSFF) is designed. A theoretical demonstration proves that VSFF exhibits the operational characteristics of variable-order fractional calculus. Secondly, a programmable resistor–capacitor series circuit and universal electronic component emulators are developed based on the HMDAC to adjust the resistance and capacitance in the circuit configuration. Lastly, the model, component parameters, approximation performance, and variable-order characteristics are analyzed, and the circuit is physically implemented. The experimental results demonstrate that the circuit exhibits variable-order characteristics, with an operational order ranging from 0.7 to 0.3 and an operational frequency ranging from 7.72Hz to 4.82kHz. The peak value of the input signal is 10V. This study also proposes a novel method for variable-order fractional calculus based on circuit theory. This study was the first attempt to implement feasible high-resolution continuous variable-order fractional calculus hardware based on VSFF. Full article
Show Figures

Figure 1

23 pages, 5947 KB  
Article
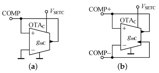
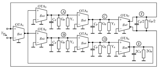
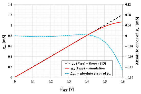
On Systematic Design of Fractional-Order Element Series
by Jaroslav Koton, David Kubanek, Jan Dvorak and Norbert Herencsar
Sensors 2021, 21(4), 1203; https://doi.org/10.3390/s21041203 - 9 Feb 2021
Cited by 12 | Viewed by 2902
Abstract
In this paper a concept for the efficient design of a series of floating fractional-order elements (FOEs) is proposed. Using even single or a very limited number of so-called “seed” FOEs it is possible to obtain a wide set of new FOEs featuring [...] Read more.
In this paper a concept for the efficient design of a series of floating fractional-order elements (FOEs) is proposed. Using even single or a very limited number of so-called “seed” FOEs it is possible to obtain a wide set of new FOEs featuring fractional order α being in the range [n,n], where n is an arbitrary integer number, and hence enables to overcome the lack of commercial unavailability of FOEs. The systematic design stems from the utilization of a general immittance converter (GIC), whereas the concept is further developed by proposing a general circuit structure of the GIC that employs operational transconductance amplifiers (OTAs) as active elements. To show the efficiency of the presented approach, the use of only up to two “seed” FOEs with a properly selected fractional order αseed as passive elements results in the design of a series of 51 FOEs with different α being in the range [2,2] that may find their utilization in sensor applications and the design of analog signal processing blocks. Comprehensive analysis of the proposed GIC is given, whereas the effect of parasitic properties of the assumed active elements is determined and the optimization process described to improve the overall performance of the GIC. Using OTAs designed in 0.18 μm TSMC CMOS technology, Cadence Virtuoso post-layout simulation results of the GIC are presented that prove its operability, performance optimization, and robustness of the proposed design concept. Full article
(This article belongs to the Section Electronic Sensors)
Show Figures

Figure 1

Back to TopTop