Sign in to use this feature.

Years

Between: -

Subjects

remove_circle_outline
remove_circle_outline
remove_circle_outline
remove_circle_outline
remove_circle_outline
remove_circle_outline

Journals

Article Types

Countries / Regions

Search Results (13)

Search Parameters:
Keywords = flexible polymer electrolyte fuel cells

Order results
Result details
Results per page
Select all
Export citation of selected articles as:
61 pages, 13924 KB  
Review
Agar-Based Composites in Sustainable Energy Storage: A Comprehensive Review
by Zeenat Akhter, Sultan Ullah, Arvydas Palevicius and Giedrius Janusas
Energies 2025, 18(21), 5618; https://doi.org/10.3390/en18215618 - 25 Oct 2025
Cited by 1 | Viewed by 1673
Abstract
The shift towards renewable resources has positioned agar, a natural seaweed polysaccharide, as a pivotal and sustainable material for developing next-generation energy storage technologies. This review highlights the transformative role of agar-based composites as a game-changing and eco-friendly platform for supercapacitors, batteries, and [...] Read more.
The shift towards renewable resources has positioned agar, a natural seaweed polysaccharide, as a pivotal and sustainable material for developing next-generation energy storage technologies. This review highlights the transformative role of agar-based composites as a game-changing and eco-friendly platform for supercapacitors, batteries, and fuel cells. Moving beyond the traditional synthetic polymers, agar introduces a novel paradigm by leveraging its natural gelation, superior film-forming ability, and inherent ionic conductivity to create advanced electrolytes, binders, and matrices. The novelty of this field lies in the strategic fabrication of synergistic composites with polymers, metal oxides, and carbon materials, engineered through innovative techniques like electrospinning, solvent casting, crosslinking, 3D printing, and freeze-drying. We critically examine how these innovative composites are breaking new ground in enhancing device efficacy, flexibility, and thermal stability. Ultimately, this analysis not only consolidates the current landscape but also charts future pathways, positioning agar-based materials as a pivotal and sustainable solution for powering the future. Full article
Show Figures

Figure 1

43 pages, 7267 KB  
Review
Anion Exchange Ionomer Binders for Alkaline Fuel Cells
by Alannah C. Gowling and Kelly M. Meek
Materials 2025, 18(18), 4354; https://doi.org/10.3390/ma18184354 - 17 Sep 2025
Viewed by 1321
Abstract
Anion exchange ionomer (AEI) binders are critical to the performance of alkaline electrochemical devices (i.e., fuel cells, electrolyzers, and batteries), as they facilitate ion transport, provide structural integrity, and improve the overall performance and lifespan of these devices. These binders not only ensure [...] Read more.
Anion exchange ionomer (AEI) binders are critical to the performance of alkaline electrochemical devices (i.e., fuel cells, electrolyzers, and batteries), as they facilitate ion transport, provide structural integrity, and improve the overall performance and lifespan of these devices. These binders not only ensure ion transport but also provide mechanical stability to the electrode materials. Recently, there has been significant progress in designing AEIs that are more compatible with existing electrode materials and electrolytes. This review summarizes the different types of AEI binders, focusing on their chemical structure, functionalization, conductivity, and how they affect the performance of alkaline fuel cells, specifically, anion exchange membrane fuel cells (AEMFCs). It also discusses how factors like functional groups, polymer backbone and side-chain flexibility, and ion exchange capacity balance conductivity, mechanical strength, and water uptake (WU). Recent advances in material design, such as polymer blends, composites, and crosslinked ionomers, as well as electrode setup, such as asymmetric ionomer electrodes, are explored as methods for improving stability and ion transport. The main challenges facing AEIs, including water management, alkaline degradation, phase separation, mechanical robustness, and long-term durability, are discussed along with strategies for overcoming them. Finally, we outline future research directions for developing scalable, economical solutions and integrating these binders with new electrode materials to help improve the performance and stability of next-generation AEMFCs. Full article
Show Figures

Figure 1

11 pages, 3078 KB  
Article
Investigating the Integration of Nonwoven Carbon Fibers for Mechanical Enhancement in Compression Molded Fiber-Reinforced Polymer Bipolar Plates
by Rainer Frank, Lisa-Maria Wittmann, Tobias Kleffel, Benedikt Roth, Knut Graichen and Dietmar Drummer
Polymers 2023, 15(19), 3891; https://doi.org/10.3390/polym15193891 - 26 Sep 2023
Cited by 4 | Viewed by 1940
Abstract
The demand for polymer composite solutions in bipolar plates for polymer electrolyte membrane fuel cells (PEMFCs) has risen due to advantages over metal plates such as longer lifetime, weight reduction, corrosion resistance, flexible manufacturing, freedom of design, and cost-effectiveness. The challenge with polymer [...] Read more.
The demand for polymer composite solutions in bipolar plates for polymer electrolyte membrane fuel cells (PEMFCs) has risen due to advantages over metal plates such as longer lifetime, weight reduction, corrosion resistance, flexible manufacturing, freedom of design, and cost-effectiveness. The challenge with polymer composites is achieving both sufficient electrical conductivity and mechanical stability with high filler content. A carbon fiber fleece as reinforcement in a graphite-filled polypropylene (PP) matrix was investigated for use as bipolar plate material with increased mechanical and sufficient conductive properties. Plates with a thickness of 1 mm containing four layers of fleece impregnated in the PP-graphite compound were produced in a compression molding process. Particle and fiber interactions were investigated via microscopy. The plates were characterized with respect to the electrical conductivity and mechanical stability. High electric conductivity was reached for fiber-reinforced and plain PP-graphite compound plates, with increased filler content leading to a higher conductivity. The contact resistance remained largely unaffected by surface etching as no polymeric skin layer formed during compression molding. Fiber-reinforced plates exhibit twice the tensile strength, a significantly higher tensile modulus, and an increased elongation at break, compared to PP filled only with graphite. Full article
(This article belongs to the Section Polymer Processing and Engineering)
Show Figures

Figure 1

26 pages, 3471 KB  
Review
A Critical Assessment on Functional Attributes and Degradation Mechanism of Membrane Electrode Assembly Components in Direct Methanol Fuel Cells
by Arunkumar Jayakumar, Dinesh Kumar Madheswaran and Nallapaneni Manoj Kumar
Sustainability 2021, 13(24), 13938; https://doi.org/10.3390/su132413938 - 16 Dec 2021
Cited by 23 | Viewed by 6329
Abstract
Direct methanol fuel cells (DMFC) are typically a subset of polymer electrolyte membrane fuel cells (PEMFC) that possess benefits such as fuel flexibility, reduction in plant balance, and benign operation. Due to their benefits, DMFCs could play a substantial role in the future, [...] Read more.
Direct methanol fuel cells (DMFC) are typically a subset of polymer electrolyte membrane fuel cells (PEMFC) that possess benefits such as fuel flexibility, reduction in plant balance, and benign operation. Due to their benefits, DMFCs could play a substantial role in the future, specifically in replacing Li-ion batteries for portable and military applications. However, the critical concern with DMFCs is the degradation and inadequate reliability that affect the overall value chain and can potentially impede the commercialization of DMFCs. As a consequence, a reliability assessment can provide more insight into a DMFC component’s attributes. The membrane electrode assembly (MEA) is the integral component of the DMFC stack. A comprehensive understanding of its functional attributes and degradation mechanism plays a significant role in its commercialization. The methanol crossover through the membrane, carbon monoxide poisoning, high anode polarization by methanol oxidation, and operating parameters such as temperature, humidity, and others are significant contributions to MEA degradation. In addition, inadequate reliability of the MEA impacts the failure mechanism of DMFC, resulting in poor efficiency. Consequently, this paper provides a comprehensive assessment of several factors leading to the MEA degradation mechanism in order to develop a holistic understanding. Full article
(This article belongs to the Special Issue Resources Conservation, Recycling and Waste Management)
Show Figures

Figure 1

16 pages, 4061 KB  
Article
Novel Ionic Conducting Composite Membrane Based on Polymerizable Ionic Liquids
by Yaroslav L. Kobzar, Ghania Azzouz, Hashim Albadri, Jocelyne Levillain, Isabelle Dez, Annie-Claude Gaumont, Laurence Lecamp, Corinne Chappey, Stéphane Marais and Kateryna Fatyeyeva
Polymers 2021, 13(21), 3704; https://doi.org/10.3390/polym13213704 - 27 Oct 2021
Cited by 8 | Viewed by 3001
Abstract
In this work, the design and characterization of new supported ionic liquid membranes, as medium-temperature polymer electrolyte membranes for fuel-cell application, are described. These membranes were elaborated by the impregnation of porous polyimide Matrimid® with different synthesized protic ionic liquids containing polymerizable [...] Read more.
In this work, the design and characterization of new supported ionic liquid membranes, as medium-temperature polymer electrolyte membranes for fuel-cell application, are described. These membranes were elaborated by the impregnation of porous polyimide Matrimid® with different synthesized protic ionic liquids containing polymerizable vinyl, allyl, or methacrylate groups. The ionic liquid polymerization was optimized in terms of the nature of the used (photo)initiator, its quantity, and reaction duration. The mechanical and thermal properties, as well as the proton conductivities of the supported ionic liquid membranes were analyzed in dynamic and static modes, as a function of the chemical structure of the protic ionic liquid. The obtained membranes were found to be flexible with Young’s modulus and elongation at break values were equal to 1371 MPa and 271%, respectively. Besides, these membranes exhibited high thermal stability with initial decomposition temperatures > 300 °C. In addition, the resulting supported membranes possessed good proton conductivity over a wide temperature range (from 30 to 150 °C). For example, the three-component Matrimid®/vinylimidazolium/polyvinylimidazolium trifluoromethane sulfonate membrane showed the highest proton conductivity—~5 × 10−2 mS/cm and ~0.1 mS/cm at 100 °C and 150 °C, respectively. This result makes the obtained membranes attractive for medium-temperature fuel-cell application. Full article
(This article belongs to the Section Polymer Applications)
Show Figures

Graphical abstract

18 pages, 4249 KB  
Review
Study on Control of Polymeric Architecture of Sulfonated Hydrocarbon-Based Polymers for High-Performance Polymer Electrolyte Membranes in Fuel Cell Applications
by Mijeong Kim, Hansol Ko, Sang Yong Nam and Kihyun Kim
Polymers 2021, 13(20), 3520; https://doi.org/10.3390/polym13203520 - 13 Oct 2021
Cited by 33 | Viewed by 7754
Abstract
Polymer electrolyte membrane fuel cell (PEMFC) is an eco-friendly energy conversion device that can convert chemical energy into electrical energy without emission of harmful oxidants such as nitrogen oxides (NOx) and/or sulfur oxides (SOx) during operation. Nafion®, [...] Read more.
Polymer electrolyte membrane fuel cell (PEMFC) is an eco-friendly energy conversion device that can convert chemical energy into electrical energy without emission of harmful oxidants such as nitrogen oxides (NOx) and/or sulfur oxides (SOx) during operation. Nafion®, a representative perfluorinated sulfonic acid (PFSA) ionomer-based membrane, is generally incorporated in fuel cell systems as a polymer electrolyte membrane (PEM). Since the PFSA ionomers are composed of flexible hydrophobic main backbones and hydrophilic side chains with proton-conducting groups, the resulting membranes are found to have high proton conductivity due to the distinct phase-separated structure between hydrophilic and hydrophobic domains. However, PFSA ionomer-based membranes have some drawbacks, including high cost, low glass transition temperatures and emission of environmental pollutants (e.g., HF) during degradation. Hydrocarbon-based PEMs composed of aromatic backbones with proton-conducting hydrophilic groups have been actively studied as substitutes. However, the main problem with the hydrocarbon-based PEMs is the relatively low proton-conducting behavior compared to the PFSA ionomer-based membranes due to the difficulties associated with the formation of well-defined phase-separated structures between the hydrophilic and hydrophobic domains. This study focused on the structural engineering of sulfonated hydrocarbon polymers to develop hydrocarbon-based PEMs that exhibit outstanding proton conductivity for practical fuel cell applications. Full article
(This article belongs to the Special Issue Feature Papers in Polymer Physics and Theory)
Show Figures

Graphical abstract

17 pages, 9618 KB  
Article
Synergistic Effect of 2-Acrylamido-2-methyl-1-propanesulfonic Acid on the Enhanced Conductivity for Fuel Cell at Low Temperature
by Murli Manohar and Dukjoon Kim
Membranes 2020, 10(12), 426; https://doi.org/10.3390/membranes10120426 - 15 Dec 2020
Cited by 8 | Viewed by 3594
Abstract
This present work focused on the aromatic polymer (poly (1,4-phenylene ether-ether-sulfone); SPEES) interconnected/ cross-linked with the aliphatic monomer (2-acrylamido-2-methyl-1-propanesulfonic; AMPS) with the sulfonic group to enhance the conductivity and make it flexible with aliphatic chain of AMPS. Surprisingly, it produced higher conductivity than [...] Read more.
This present work focused on the aromatic polymer (poly (1,4-phenylene ether-ether-sulfone); SPEES) interconnected/ cross-linked with the aliphatic monomer (2-acrylamido-2-methyl-1-propanesulfonic; AMPS) with the sulfonic group to enhance the conductivity and make it flexible with aliphatic chain of AMPS. Surprisingly, it produced higher conductivity than that of other reported work after the chemical stability was measured. It allows optimizing the synthesis of polymer electrolyte membranes with tailor-made combinations of conductivity and stability. Membrane structure is characterized by 1H NMR and FT-IR. Weight loss of the membrane in Fenton’s reagent is not too high during the oxidative stability test. The thermal stability of the membrane is characterized by TGA and its morphology by SEM and SAXS. The prepared membranes improved proton conductivity up to 0.125 Scm−1 which is much higher than that of Nafion N115 which is 0.059 Scm−1. Therefore, the SPEES-AM membranes are adequate for fuel cell at 50 °C with reduced relative humidity (RH). Full article
(This article belongs to the Special Issue Polymer Electrolyte Membranes)
Show Figures

Figure 1

82 pages, 19344 KB  
Review
A Review of the Use of GPEs in Zinc-Based Batteries. A Step Closer to Wearable Electronic Gadgets and Smart Textiles
by Sebastián Lorca, Florencio Santos and Antonio J. Fernández Romero
Polymers 2020, 12(12), 2812; https://doi.org/10.3390/polym12122812 - 27 Nov 2020
Cited by 55 | Viewed by 9614
Abstract
With the flourish of flexible and wearable electronics gadgets, the need for flexible power sources has become essential. The growth of this increasingly diverse range of devices boosted the necessity to develop materials for such flexible power sources such as secondary batteries, fuel [...] Read more.
With the flourish of flexible and wearable electronics gadgets, the need for flexible power sources has become essential. The growth of this increasingly diverse range of devices boosted the necessity to develop materials for such flexible power sources such as secondary batteries, fuel cells, supercapacitors, sensors, dye-sensitized solar cells, etc. In that context, comprehensives studies on flexible conversion and energy storage devices have been released for other technologies such Li-ion standing out the importance of the research done lately in GPEs (gel polymer electrolytes) for energy conversion and storage. However, flexible zinc batteries have not received the attention they deserve within the flexible batteries field, which are destined to be one of the high rank players in the wearable devices future market. This review presents an extensive overview of the most notable or prominent gel polymeric materials, including biobased polymers, and zinc chemistries as well as its practical or functional implementation in flexible wearable devices. The ultimate aim is to highlight zinc-based batteries as power sources to fill a segment of the world flexible batteries future market. Full article
(This article belongs to the Special Issue Polymer Materials for Electrochemical Applications)
Show Figures

Graphical abstract

13 pages, 2255 KB  
Article
Flexible Nanocellulose/Lignosulfonates Ion-Conducting Separators for Polymer Electrolyte Fuel Cells
by Carla Vilela, João D. Morais, Ana Cristina Q. Silva, Daniel Muñoz-Gil, Filipe M. L. Figueiredo, Armando J. D. Silvestre and Carmen S. R. Freire
Nanomaterials 2020, 10(9), 1713; https://doi.org/10.3390/nano10091713 - 29 Aug 2020
Cited by 33 | Viewed by 4666
Abstract
The utilization of biobased materials for the fabrication of naturally derived ion-exchange membranes is breezing a path to sustainable separators for polymer electrolyte fuel cells (PEFCs). In this investigation, bacterial nanocellulose (BNC, a bacterial polysaccharide) and lignosulfonates (LS, a by-product of the sulfite [...] Read more.
The utilization of biobased materials for the fabrication of naturally derived ion-exchange membranes is breezing a path to sustainable separators for polymer electrolyte fuel cells (PEFCs). In this investigation, bacterial nanocellulose (BNC, a bacterial polysaccharide) and lignosulfonates (LS, a by-product of the sulfite pulping process), were blended by diffusion of an aqueous solution of the lignin derivative and of the natural-based cross-linker tannic acid into the wet BNC nanofibrous three-dimensional structure, to produce fully biobased ion-exchange membranes. These freestanding separators exhibited good thermal-oxidative stability of up to about 200 °C, in both inert and oxidative atmospheres (N2 and O2, respectively), high mechanical properties with a maximum Young’s modulus of around 8.2 GPa, as well as good moisture-uptake capacity with a maximum value of ca. 78% after 48 h for the membrane with the higher LS content. Moreover, the combination of the conducting LS with the mechanically robust BNC conveyed ionic conductivity to the membranes, namely a maximum of 23 mS cm−1 at 94 °C and 98% relative humidity (RH) (in-plane configuration), that increased with increasing RH. Hence, these robust water-mediated ion conductors represent an environmentally friendly alternative to the conventional ion-exchange membranes for application in PEFCs. Full article
Show Figures

Graphical abstract

34 pages, 4705 KB  
Review
Soft Materials for Wearable/Flexible Electrochemical Energy Conversion, Storage, and Biosensor Devices
by Patrizia Bocchetta, Domenico Frattini, Srabanti Ghosh, Allibai Mohanan Vinu Mohan, Yogesh Kumar and Yongchai Kwon
Materials 2020, 13(12), 2733; https://doi.org/10.3390/ma13122733 - 16 Jun 2020
Cited by 46 | Viewed by 8379
Abstract
Next-generation wearable technology needs portable flexible energy storage, conversion, and biosensor devices that can be worn on soft and curved surfaces. The conformal integration of these devices requires the use of soft, flexible, light materials, and substrates with similar mechanical properties as well [...] Read more.
Next-generation wearable technology needs portable flexible energy storage, conversion, and biosensor devices that can be worn on soft and curved surfaces. The conformal integration of these devices requires the use of soft, flexible, light materials, and substrates with similar mechanical properties as well as high performances. In this review, we have collected and discussed the remarkable research contributions of recent years, focusing the attention on the development and arrangement of soft and flexible materials (electrodes, electrolytes, substrates) that allowed traditional power sources and sensors to become viable and compatible with wearable electronics, preserving or improving their conventional performances. Full article
(This article belongs to the Special Issue Soft and Nanostructured Materials for Energy Conversion)
Show Figures

Figure 1

14 pages, 3229 KB  
Article
Polymerizable Ionic Liquid Crystals Comprising Polyoxometalate Clusters toward Inorganic-Organic Hybrid Solid Electrolytes
by Takeru Ito, Saki Otobe, Tatsuma Oda, Tatsuhiro Kojima, Seiji Ono, Masayuki Watanabe, Yoshiki Kiyota, Toshiyuki Misawa, Shinichi Koguchi, Masashi Higuchi, Masaki Kawano and Yu Nagase
Polymers 2017, 9(7), 290; https://doi.org/10.3390/polym9070290 - 20 Jul 2017
Cited by 26 | Viewed by 9034
Abstract
Solid electrolytes are crucial materials for lithium-ion or fuel-cell battery technology due to their structural stability and easiness for handling. Emergence of high conductivity in solid electrolytes requires precise control of the composition and structure. A promising strategy toward highly-conductive solid electrolytes is [...] Read more.
Solid electrolytes are crucial materials for lithium-ion or fuel-cell battery technology due to their structural stability and easiness for handling. Emergence of high conductivity in solid electrolytes requires precise control of the composition and structure. A promising strategy toward highly-conductive solid electrolytes is employing a thermally-stable inorganic component and a structurally-flexible organic moiety to construct inorganic-organic hybrid materials. Ionic liquids as the organic component will be advantageous for the emergence of high conductivity, and polyoxometalate, such as heteropolyacids, are well-known as inorganic proton conductors. Here, newly-designed ionic liquid imidazolium cations, having a polymerizable methacryl group (denoted as MAImC1), were successfully hybridized with heteropolyanions of [PW12O40]3− (PW12) to form inorganic-organic hybrid monomers of MAImC1-PW12. The synthetic procedure of MAImC1-PW12 was a simple ion-exchange reaction, being generally applicable to several polyoxometalates, in principle. MAImC1-PW12 was obtained as single crystals, and its molecular and crystal structures were clearly revealed. Additionally, the hybrid monomer of MAImC1-PW12 was polymerized by a radical polymerization using AIBN as an initiator. Some of the resulting inorganic-organic hybrid polymers exhibited conductivity of 10−4 S·cm−1 order under humidified conditions at 313 K. Full article
(This article belongs to the Special Issue Conductive Polymers 2017)
Show Figures

Figure 1

17 pages, 967 KB  
Article
Technical Assessment of Different Operating Conditions of an On-Board Autothermal Reformer for Fuel Cell Vehicles
by Laura Tribioli, Raffaello Cozzolino and Daniele Chiappini
Energies 2017, 10(7), 839; https://doi.org/10.3390/en10070839 - 23 Jun 2017
Cited by 9 | Viewed by 4871
Abstract
This paper evaluates the performance of a fuel cell/battery vehicle with an on-board autothermal reformer, fed by different liquid and gaseous hydrocarbon fuels. A sensitivity analysis is performed to investigate the system behavior under the variation of the steam to carbon and oxygen [...] Read more.
This paper evaluates the performance of a fuel cell/battery vehicle with an on-board autothermal reformer, fed by different liquid and gaseous hydrocarbon fuels. A sensitivity analysis is performed to investigate the system behavior under the variation of the steam to carbon and oxygen to carbon ratios. This is done in order to identify the most suitable operating conditions for a direct on-board production of hydrogen to be used in a high temperature polymer electrolyte membrane fuel cell. The same system should be able to process different fuels, to allow the end-user to freely decide which one to use to refuel the vehicle. Hence, the obtained operating conditions result in a trade-off between system flexibility as the feeding fuel changes, CO poisoning effect on the fuel cell and overall efficiency. The system is thus coupled to a high temperature fuel cell, modeled by means of a self-made tool, able to reproduce the polarization curve as the input syngas composition varies, and the overall system is afterwards tested on a plug-in fuel cell/battery vehicle simulator, in order to provide a thorough feasibility analysis, focusing on the entire system efficiency. Results show that a proper energy management strategy can mitigate the effect of the fuel variation on the reformer efficiency, allowing for good overall powertrain performance. Full article
(This article belongs to the Section F: Electrical Engineering)
Show Figures

Figure 1

19 pages, 8234 KB  
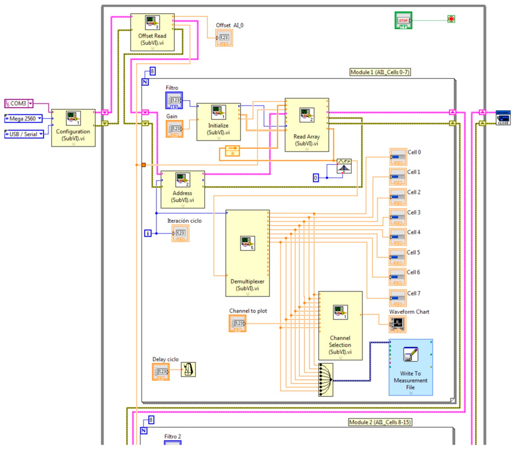
Article
A New, Scalable and Low Cost Multi-Channel Monitoring System for Polymer Electrolyte Fuel Cells
by Antonio José Calderón, Isaías González, Manuel Calderón, Francisca Segura and José Manuel Andújar
Sensors 2016, 16(3), 349; https://doi.org/10.3390/s16030349 - 9 Mar 2016
Cited by 41 | Viewed by 9324
Abstract
In this work a new, scalable and low cost multi-channel monitoring system for Polymer Electrolyte Fuel Cells (PEFCs) has been designed, constructed and experimentally validated. This developed monitoring system performs non-intrusive voltage measurement of each individual cell of a PEFC stack and it [...] Read more.
In this work a new, scalable and low cost multi-channel monitoring system for Polymer Electrolyte Fuel Cells (PEFCs) has been designed, constructed and experimentally validated. This developed monitoring system performs non-intrusive voltage measurement of each individual cell of a PEFC stack and it is scalable, in the sense that it is capable to carry out measurements in stacks from 1 to 120 cells (from watts to kilowatts). The developed system comprises two main subsystems: hardware devoted to data acquisition (DAQ) and software devoted to real-time monitoring. The DAQ subsystem is based on the low-cost open-source platform Arduino and the real-time monitoring subsystem has been developed using the high-level graphical language NI LabVIEW. Such integration can be considered a novelty in scientific literature for PEFC monitoring systems. An original amplifying and multiplexing board has been designed to increase the Arduino input port availability. Data storage and real-time monitoring have been performed with an easy-to-use interface. Graphical and numerical visualization allows a continuous tracking of cell voltage. Scalability, flexibility, easy-to-use, versatility and low cost are the main features of the proposed approach. The system is described and experimental results are presented. These results demonstrate its suitability to monitor the voltage in a PEFC at cell level. Full article
(This article belongs to the Section Physical Sensors)
Show Figures

Graphical abstract

Back to TopTop