Sign in to use this feature.

Years

Between: -

Subjects

remove_circle_outline
remove_circle_outline
remove_circle_outline
remove_circle_outline
remove_circle_outline
remove_circle_outline
remove_circle_outline
remove_circle_outline

Journals

Article Types

Countries / Regions

Search Results (59)

Search Parameters:
Keywords = excavator bucket

Order results
Result details
Results per page
Select all
Export citation of selected articles as:
23 pages, 7480 KB  
Article
A Novel Condition Monitoring Technique for Mining Ground Engagement Tools via Modal Analysis
by Shasha Chen, Bernard F. Rolfe, James Griffin, Arnaldo Delli Carri, Ping Lu and Michael P. Pereira
Eng 2025, 6(9), 220; https://doi.org/10.3390/eng6090220 - 2 Sep 2025
Viewed by 520
Abstract
Ground engaging tools (GETs) are critical consumable components on mining excavators, and their timely replacement is essential to prevent risks and excessive downtime. This paper presents a monitoring method utilising the modal properties—natural frequencies and mode shapes. The method is applied in a [...] Read more.
Ground engaging tools (GETs) are critical consumable components on mining excavators, and their timely replacement is essential to prevent risks and excessive downtime. This paper presents a monitoring method utilising the modal properties—natural frequencies and mode shapes. The method is applied in a test case to show how the GETs on an excavator bucket could be monitored. Modal analysis and dynamic analysis are conducted with ANSYS to verify the effectiveness of the proposed method. The finite element analysis models are validated by experimental vibration experiments. The results demonstrate a strong correlation between changes in natural frequencies and the conditions of the teeth on the excavator bucket, when comparing the intact to the worn-out condition. In conclusion, the presented method offers a promising approach for real-time monitoring of the GETs on mining excavators and similar equipment. It will contribute to efficient maintenance interventions and enhancing operational efficiency and safety. Full article
Show Figures

Figure 1

16 pages, 3015 KB  
Article
Energy Efficiency Analysis of Hydraulic Excavators’ Swing Drive Transmission
by Vesna Jovanović, Dragoslav Janošević, Dragan Marinković, Nikola Petrović and Boban Nikolić
Machines 2025, 13(7), 596; https://doi.org/10.3390/machines13070596 - 10 Jul 2025
Cited by 1 | Viewed by 802
Abstract
The paper provides an analysis of the energy efficiency of the swing drive system of hydraulic excavators, which integrally includes a hydraulic motor and a planetary reducer. The indicator of the drive’s energy efficiency is determined based on the efficiency of the hydraulic [...] Read more.
The paper provides an analysis of the energy efficiency of the swing drive system of hydraulic excavators, which integrally includes a hydraulic motor and a planetary reducer. The indicator of the drive’s energy efficiency is determined based on the efficiency of the hydraulic motor and the planetary reducer. The efficiency of the hydraulic motor is defined as a function of the specific flow, pressure, and the number of revolutions of the hydraulic motor. The efficiency of the reducer is determined using structural analysis of planetary gearboxes and the moment method. As an example, the results of a comparative analysis of the energy efficiency of the swing drive of a tracked hydraulic excavator, weighing 16,000 kg and having a bucket volume of 0.6 m3, are presented. From the set of possible generated variant solutions of the drive, obtained through the synthesis process based on the required torque and platform rotation speed, two extreme drive variants were selected for the analysis. In the first configuration, a hydraulic motor characterized by a low specific flow is combined with a three-stage reduction gear featuring a higher overall transmission ratio, whereas the second configuration integrates a high-specific-flow hydraulic motor with a two-stage reduction gear of a lower transmission ratio. The obtained results of the comparative analysis of the drive’s energy efficiency are presented depending on the change in the required torque and the rotational speed of the platform. Full article
(This article belongs to the Special Issue Components of Hydrostatic Drive Systems)
Show Figures

Figure 1

17 pages, 3154 KB  
Article
The Influence of Real-Time Feedback on Excavator Operator Actions in Footing Excavation: Machine Guidance and Conventional Methods
by Hyunsik Kim, Jeonghwan Kim, Bangyul An, Taeseok Song, Jaehoon Oh, Minki Kim and Seungju Lee
Appl. Sci. 2025, 15(7), 3729; https://doi.org/10.3390/app15073729 - 28 Mar 2025
Viewed by 1041
Abstract
Excavator operations play a critical role in the productivity of earthworks, yet traditional methods often rely heavily on operators’ intuition and experience, which can lead to inconsistent outcomes. This study investigates how machine guidance (MG) providing real-time feedback relating to excavation depth and [...] Read more.
Excavator operations play a critical role in the productivity of earthworks, yet traditional methods often rely heavily on operators’ intuition and experience, which can lead to inconsistent outcomes. This study investigates how machine guidance (MG) providing real-time feedback relating to excavation depth and slope can modify operators’ actions and improve performance compared with conventional excavation methods. A controlled experiment was conducted at an active construction site, in which four footings were excavated using the two approaches under similar conditions. The results demonstrated that MG excavation reduced the total duration of the work from 3650 s to 2652 s and decreased the number of excavation cycles from 68 to 57, underscoring the impact of timely, precise guidance on efficiency. Moreover, the average fill factor improved from 3.04 under conventional methods to 3.47 with MG, suggesting more consistent and optimal loading of the bucket. These findings confirm that real-time feedback can enhance operator confidence, reduce unnecessary movements, and foster systematic excavation strategies. This study thus provides empirical evidence that MG can significantly optimize excavation performance, highlighting the need for broader adoption of this technology in modern construction practices. Full article
(This article belongs to the Special Issue Construction Automation and Robotics)
Show Figures

Figure 1

30 pages, 7426 KB  
Article
Influence of Abrasive Wear on Reliability and Maintainability of Components in Quarry Technological Equipment: A Case Study
by Vlad Alexandru Florea, Mihaela Toderaș and Daniel Tihanov-Tănăsache
Appl. Sci. 2025, 15(7), 3603; https://doi.org/10.3390/app15073603 - 25 Mar 2025
Viewed by 736
Abstract
A two-year study (June 2022–May 2024) on the reliability and maintainability of technological equipment at the Pătârș basalt quarry identified critical wear issues in metal components impacting operational continuity. The analysis focused on identifying causes of operational interruptions and evaluating solutions to improve [...] Read more.
A two-year study (June 2022–May 2024) on the reliability and maintainability of technological equipment at the Pătârș basalt quarry identified critical wear issues in metal components impacting operational continuity. The analysis focused on identifying causes of operational interruptions and evaluating solutions to improve equipment performance. Results showed that speed and load significantly impact wear rate and material selection significantly influences abrasion resistance. Laboratory tribological tests provided valuable data on the influence of basalt properties on wear, complementing field data. The study highlighted the low reliability of critical components, such as the sorting station trough, front loader bucket knife, and excavator bucket tooth, necessitating frequent replacements. For example, the trough has only a 40% probability of operating without defects after 182 days, with average roughness reaching 1.2 μm and wear profile height up to 22.5 μm. Similarly, the bucket knife and tooth require replacement at significantly reduced intervals compared to their nominal operating life to achieve 80% reliability. To address these findings, the study proposes two solutions: (1) manufacturing experimental prototypes with alternative materials for the trough to improve wear resistance and reliability; and (2) on-site welding reconditioning of metal components to reduce costs and downtime. Full article
Show Figures

Figure 1

33 pages, 66884 KB  
Article
Automated Design and Parametric Modeling of Excavator Buckets
by Nikolay Stankov and Aleksandar Ivanov
Appl. Sci. 2025, 15(6), 3389; https://doi.org/10.3390/app15063389 - 20 Mar 2025
Cited by 1 | Viewed by 1784
Abstract
This paper presents the process of automated designing and parametric modeling of excavator buckets using the CAD system. A methodology has been developed that covers all stages of design, from the creation of 3D models of the parts, sub-assemblies, and assemblies to the [...] Read more.
This paper presents the process of automated designing and parametric modeling of excavator buckets using the CAD system. A methodology has been developed that covers all stages of design, from the creation of 3D models of the parts, sub-assemblies, and assemblies to the generation of design documentation, using template files. The presented approach allows the creation of parametric models with multiple configurations, which cover different variants of the products according to their technical characteristics and purpose. This paper describes in detail the technological process, including the manufacture of parts and the assembling of sub-assemblies, in accordance with modern production requirements. Bucket classification according to excavator operating weight is included. Parametric modeling of the main components, such as the base and upper part of the bucket, is also described. In addition, an algorithm for automation of design documentation has been developed that integrates PDM systems for engineering data management. Using the presented methodology leads to a reduction in the volume of created documentation and optimizes the design process, providing the opportunity for rapid adaptation to various client requirements. Data management within a PDM system ensures centralized storage, actuality, and accessibility of information, which contribute to more efficient production and management of product data. Full article
(This article belongs to the Special Issue Computer-Aided Design in Mechanical Engineering)
Show Figures

Figure 1

19 pages, 5385 KB  
Article
Dynamics and Failure Analysis on Rigid–Flexible Coupling Structure to Bucket Wheel Stacker Reclaimer
by Xiaozhen Wang, Yixiao Qin and Lin Chen
Machines 2025, 13(3), 209; https://doi.org/10.3390/machines13030209 - 5 Mar 2025
Viewed by 1225
Abstract
The adjustment of counterweights in bucket wheel stacker reclaimers is crucial for the equipment’s load-bearing capacity, vibration, and overall stability. To enhance operational reliability and safety while reducing failure rates and maintenance costs, this study employs finite element analysis (FEA) software and multibody [...] Read more.
The adjustment of counterweights in bucket wheel stacker reclaimers is crucial for the equipment’s load-bearing capacity, vibration, and overall stability. To enhance operational reliability and safety while reducing failure rates and maintenance costs, this study employs finite element analysis (FEA) software and multibody dynamics (MBD) software to develop a rigid–flexible coupling model of the bucket wheel stacker reclaimer. By simulating the excavation forces generated by different materials, the dynamic response of the equipment during operation was analyzed. The results indicate that during the initial startup phase, significant fluctuations in the system’s parameters occur due to vibrations, but these stabilize after 40 s of damping. Comparative analysis of four excavation forces and various counterweight values during the reclaiming process identifies the optimal counterweight as 170 t. The study further reveals that under rotary working conditions, as the excavation force increases, the failure counterweight value increases by 8.3%. This research provides a theoretical basis for optimizing the adjustment of counterweights in bucket wheel stacker reclaimers, guiding operational practices under actual working conditions, ensuring efficient operation across different scenarios, and extending the equipment’s service life. Full article
(This article belongs to the Section Machine Design and Theory)
Show Figures

Figure 1

18 pages, 4101 KB  
Article
Design and Optimization Application of Cut Blasting Parameters for One-Time Completion of Blind Shaft
by Yifeng Zhang, Yongsheng Jia, Nan Jiang, Quanming Xie, Lin Yuan, Yongbo Wu and Zehui Xu
Fractal Fract. 2025, 9(1), 44; https://doi.org/10.3390/fractalfract9010044 - 16 Jan 2025
Viewed by 1409
Abstract
The one-time completion blasting technology for blind shafts is widely used in underground mining, for safety reasons. Efficient blind shaft excavation relies on reasonable cutting blasting technology. To optimize blasting parameters, the impact of explosion stress waves and gases on rock fragmentation is [...] Read more.
The one-time completion blasting technology for blind shafts is widely used in underground mining, for safety reasons. Efficient blind shaft excavation relies on reasonable cutting blasting technology. To optimize blasting parameters, the impact of explosion stress waves and gases on rock fragmentation is quantitatively analyzed using explosion stress wave theory. A calculation model for the radius R1 of the crushed zone and the radius R2 of the fractured zone in rock under the combined action of borehole cutting stress waves and blasting gases is derived and established. Combined with practical engineering examples and the determination method of compensation coefficient Cf, three types of linear cutting patterns, namely six-hole bucket cutting, seven-hole bucket cutting, and nine-hole bucket cutting, are designed. The post-blasting cavity volume and crack length of these three different cutting methods are calculated and analyzed using numerical simulation. Quantitative description of the distribution pattern of blasting-induced cracks in the simulation results of three cutting methods using the box-counting fractal dimension method are presented. Based on this analysis, the nine-hole bucket cutting is selected as the optimal scheme and validated through field application of cutting blasting. The results indicate that the nine-hole bucket cutting blasting scheme for one-time completion of blind shafts, with a designed hole depth of 8 m and a blasthole utilization rate of 93.7%, is an efficient and reasonable technical solution. Full article
Show Figures

Figure 1

32 pages, 10813 KB  
Article
Sliding Mode Backstepping Control of Excavator Bucket Trajectory Synovial in Particle Swarm Optimization Algorithm and Neural Network Disturbance Observer
by Xiangfei Tao, Kailei Liu, Jing Yang, Yu Chen, Jiayuan Chen and Haoran Zhu
Actuators 2025, 14(1), 9; https://doi.org/10.3390/act14010009 - 1 Jan 2025
Cited by 3 | Viewed by 1278
Abstract
As a representative of multi-functional engineering machinery, the excavator is irreplaceable in the field of engineering construction. To autonomously control the excavator bucket, it is essential to control the position of the bucket hydraulic cylinder. As a consequence of the problem of position [...] Read more.
As a representative of multi-functional engineering machinery, the excavator is irreplaceable in the field of engineering construction. To autonomously control the excavator bucket, it is essential to control the position of the bucket hydraulic cylinder. As a consequence of the problem of position tracking control spawned from external disturbance and other factors in the self-mining servo system of excavators, a strategy of sliding mode backstepping control based on the particle swarm optimization algorithm and neural network disturbance observer (PSO-NNDO-SMBC) was recommended accordingly. Meanwhile, the complex disturbance was estimated online and compensated for by the system control input by the universal approximation property of the neural network disturbance observer (NNDO). Afterwards, the uncertainty of control parameters was optimized by the particle swarm optimization algorithm (PSO) and was fed back to the controller parameter input end. Afterwards, a co-simulation model of MATLAB/Simulink (MATLAB2023b) and AMESim (Simcenter Amesim 2304) was established for simulation analysis, and a test bench was set up for comparison and verification. As proven by the experimental results, PSO-NNDO-SMBC possessed strong anti-interference ability. In contrast to the sliding mode backstepping control based on the particle swarm optimization algorithm (PSO-SMBC), the maximum displacement tracking error was lowered by 50.5%. Furthermore, in comparison with the Proportional-Integral-Derivative (PID), the maximum displacement tracking error was decreased by 75.2%, which tremendously optimized the control accuracy of excavator bucket displacement tracking. Full article
(This article belongs to the Section Control Systems)
Show Figures

Figure 1

29 pages, 22254 KB  
Article
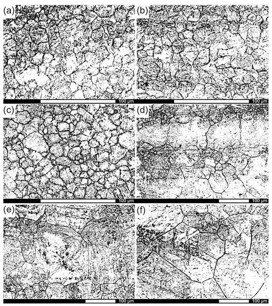
The Influence of Grain Size on the Abrasive Wear Resistance of Hardox 500 Steel
by Martyna Zemlik, Beata Białobrzeska, Mateusz Stachowicz and Jakub Hanszke
Appl. Sci. 2024, 14(24), 11490; https://doi.org/10.3390/app142411490 - 10 Dec 2024
Cited by 5 | Viewed by 1929
Abstract
High-strength martensitic steels with boron are among the leading materials widely recognized for their exceptional resistance to abrasive wear. These steels exhibit some of the highest strength indices among bulk steels, a result of their specific chemical composition, thermomechanical rolling processes at the [...] Read more.
High-strength martensitic steels with boron are among the leading materials widely recognized for their exceptional resistance to abrasive wear. These steels exhibit some of the highest strength indices among bulk steels, a result of their specific chemical composition, thermomechanical rolling processes at the steel mill, and the use of pure, high-quality ores. With hardness values ranging from 400 to 650 HBW, they are ideal for demanding applications such as excavator buckets, plow blades, shafts, wear-resistant bars, and container liners. One critical microstructural property contributing to their high mechanical performance is the prior austenite grain size (PAG). A finer grain structure is associated with enhanced plasticity, and plastic deformation plays a significant role in abrasive wear mechanisms. However, this relationship between grain size and wear resistance is not well-documented in the literature, with few studies providing specific quantitative data. To address this gap, the authors conducted a study to examine the effect of prior austenite grain size on wear resistance when exposed to loose abrasive electrofused alumina no. 90. The findings indicate that applying targeted heat treatment can increase hardness by 58 Brinell units compared to the as-delivered condition. Moreover, as grain size increases from 18 µm to 130 µm, the relative abrasive wear resistance coefficient Kb decreases from 1.00 (for Hardox 500 steel in its as-delivered state) to 0.80 for austenitized material treated at 1200 °C. Full article
Show Figures

Figure 1

20 pages, 7041 KB  
Article
Study on Calibration Tests for Interface-Type Earth Pressure Cell Based on Matching Error Analysis
by Mingyu Li, Longwei Zhu, Jicheng Shu, Zhenzhen Lu and Yunlong Liu
Sensors 2024, 24(23), 7778; https://doi.org/10.3390/s24237778 - 5 Dec 2024
Viewed by 1126
Abstract
The stress status of a soil pressure cell placed in soil is very different from its stress state in a uniform fluid medium. The use of the calibration coefficient provided by the soil pressure cell manufacturer will produce a large error. In order [...] Read more.
The stress status of a soil pressure cell placed in soil is very different from its stress state in a uniform fluid medium. The use of the calibration coefficient provided by the soil pressure cell manufacturer will produce a large error. In order to improve the measurement accuracy of the interface-type earth pressure cell placed in soil, this paper focuses on a single-membrane resistive earth pressure cell installed on the surface of a structure, analyzing the influence of loading and unloading cycles, the thickness and particle size of the sand filling, and the depth of the earth pressure cell inserted in the structure on the calibration curve and matching error, which were analyzed through calibration tests. The results show that when the sand filling thickness is less than D (D is the diameter of the earth pressure cell), the calibration curve is unstable in relation to the increase in the number of loading and unloading cycles, which will cause the sand calibration coefficient used for stress conversion to not be used normally. When the sand filling thickness in the calibration bucket increases from 0.285D to 5D, the absolute value of the matching error first decreases and then increases, such that the optimal sand filling thickness is 3D. The output of the earth pressure cell increases with the decrease in sand particle size under the same load, and there is a significant difference between the theoretical calculation value and the experimental value of the matching error; aiming at this difference, an empirical formula is derived to reflect the ratio of the diameter of the induction diaphragm of the earth pressure cell to the maximum particle size of the sand filling. When the depth of the earth pressure cell inserted in the structure is “0”, the sensing surface is flush with the structure and the absolute value of the matching error is the smallest. Changes in the horizontal placement of the soil pressure cell in the calibration bucket result in significant differences in both the output and hysteresis of the calibration curve. To improve the measurement accuracy of soil pressure cells in scaled tests for applications such as in the retaining walls of excavation pits, tunnel outer surfaces, pile tops, pile ends, and soil pressure measurements in soil, calibration of the soil pressure cells is required before testing. Due to the considerable difference in the stress states of the soil pressure cell between granular media and uniform fluid media, calibration in soil is essential. During in-soil calibration, factors such as cyclic loading and unloading, soil compression, sand thickness and particle size, and the placement of the soil pressure cell all affect the calibration results. This paper primarily investigates the influence of these factors on the calibration curve and matching error. This study found that, as the sand thickness increases, the matching error decreases initially and then increases. Full article
(This article belongs to the Section Physical Sensors)
Show Figures

Figure 1

21 pages, 16589 KB  
Article
Viscosity Reduction and Drag Reduction Performance Analysis of Bionic Excavator Buckets Based on Discrete Element Method
by Guomin Liu, Xuekai Han, Ziyang Wang, Kun Wang, Zhongsong Zhang and Zenan Duan
Biomimetics 2024, 9(11), 686; https://doi.org/10.3390/biomimetics9110686 - 9 Nov 2024
Cited by 4 | Viewed by 1752
Abstract
With the aiming of solving problems with the existing ordinary excavator buckets used in the process of operations (such as heavy digging resistance, ease of adhesion, and others), seven types of bionic buckets and a prototype bucket were designed, based on the contractile-state [...] Read more.
With the aiming of solving problems with the existing ordinary excavator buckets used in the process of operations (such as heavy digging resistance, ease of adhesion, and others), seven types of bionic buckets and a prototype bucket were designed, based on the contractile-state curve of the earthworm head and the contour curve of the pangolin claw toe. The digging processes of the buckets were simulated using the discrete element method. The results show that, compared with the prototype buckets, all seven types of bionic buckets have significant drag reduction effects at the same digging depth, and the drag reduction effects increase with the decrease of digging speed. Among them, the composite bionic bucket-3 has the highest drag reduction rate, of 14.469% when the digging speed is 2 rad/s. At the same digging speed, different buckets disturb the soil particles to different degrees, and the bionic buckets disturb the soil more significantly compared with the prototype buckets. By conducting contact force field analysis for the buckets, it was shown that the bionic corrugated structure brings the bucket surface into incomplete contact with the soil particles, where the contact is on small areas or even on points, so that the relative velocity between the soil and the shovel body increases under the same driving force, which reduces the excavation resistance. This study provides a theoretical and design basis. Full article
Show Figures

Figure 1

15 pages, 4121 KB  
Article
Analysis of Influential Parameters in the Dynamic Loading and Stability of the Swing Drive in Hydraulic Excavators
by Vesna Jovanović, Dragoslav Janošević, Dragan Marinković, Nikola Petrović and Radomir Djokić
Machines 2024, 12(10), 737; https://doi.org/10.3390/machines12100737 - 20 Oct 2024
Cited by 5 | Viewed by 2323
Abstract
The proper design and configuration of the swing drive mechanism of a hydraulic excavator are crucial to improve energy consumption and efficiency and ensure operational stability. This paper analyzes the influence of the relationship between the parameters of a hydraulic motor and a [...] Read more.
The proper design and configuration of the swing drive mechanism of a hydraulic excavator are crucial to improve energy consumption and efficiency and ensure operational stability. This paper analyzes the influence of the relationship between the parameters of a hydraulic motor and a reducer, which form the integrated transmission of a swing drive, the dynamic characteristics of a hydraulic excavator on loading, and the dynamic stability of the drive. The analysis deals with an excavator model that has the same parameters of the kinematic chain members, the same parameters of the upper structure drive mechanisms, and two variants of the swing drive that, with different integrated transmission parameters, provide the upper structure with the identical number of revolutions and equal rotating moment. One swing drive variant possesses an integrated transmission with a hydraulic motor with a low specific flow and a reducer with a high transmission ratio, while the other drive variant has the opposite parameters. Understanding this relationship is essential for optimizing the design of excavators to achieve better performance and dynamic stability under varying operational conditions. As an example, this paper provides the analysis results regarding the influence of the relationship between the parameters of the integrated transmission hydraulic motor and reducer on the loading and dynamic stability of the swing drive in a tracked hydraulic excavator of 100,000 kg in mass and 4.4 m3 in loading bucket volume, as obtained from the developed dynamic mathematical models of the excavator using the MSC ADAMS program. The results indicate that the dynamic loads on the swing drive’s axial bearing are higher in the variant with a low-specific-flow motor and high transmission ratio reducer during the acceleration and deceleration phases. However, this configuration demonstrated better dynamic stability, with lower oscillation amplitudes and shorter damping times compared to the variant with a high-flow motor and low transmission ratio. Those findings provide valuable criteria for the optimal synthesis of swing drive mechanisms in large hydraulic excavators using multi-criteria optimization methods. Full article
Show Figures

Figure 1

26 pages, 44411 KB  
Article
Simulation of Coherent Excavator Operations in Earthmoving Tasks Based on Reinforcement Learning
by Yongyue Liu, Yaowu Wang and Zhenzong Zhou
Buildings 2024, 14(10), 3270; https://doi.org/10.3390/buildings14103270 - 15 Oct 2024
Cited by 2 | Viewed by 2662
Abstract
Earthwork operations are critical to construction projects, with their safety and efficiency influenced by factors such as operator skill and working hours. Pre-construction simulation of these operations is essential for optimizing outcomes, providing key training for operators and improving safety awareness and operational [...] Read more.
Earthwork operations are critical to construction projects, with their safety and efficiency influenced by factors such as operator skill and working hours. Pre-construction simulation of these operations is essential for optimizing outcomes, providing key training for operators and improving safety awareness and operational efficiency. This study introduces a hierarchical cumulative reward mechanism that decomposes complex operational behaviors into simple, fundamental actions. The mechanism prioritizes reward function design elements, including order, size, and form, thus simplifying excavator operation simulation using reinforcement learning (RL) and enhancing policy network reusability. A 3D model of a hydraulic excavator was constructed with six degrees of freedom—comprising the boom, arm, bucket, base, and left/right tracks. The Proximal Policy Optimization (PPO) algorithm was applied to train four basic behaviors: scraping, digging, throwing, and turning back. Motion simulation was successfully achieved using diggable terrain resources. Results demonstrate that the simulated excavator, powered by RL neural networks, can perform coordinated actions and maintain smooth operational performance. This research offers practical implications by rapidly illustrating the full operational process before construction, delivering immersive movies, and enhancing worker safety and operational efficiency. Full article
Show Figures

Figure 1

18 pages, 8240 KB  
Article
Efficiency of Maintenance Activities in Aggregate Quarries: A Case Study of Wear Parts on Loaders and Excavators
by Vlad Alexandru Florea and Mihaela Toderaș
Appl. Sci. 2024, 14(17), 7649; https://doi.org/10.3390/app14177649 - 29 Aug 2024
Cited by 2 | Viewed by 1373
Abstract
Technological equipment in quarries that extract and deliver aggregates for different uses operates in a predetermined flow depending on the type of rocks exploited and the dimensional characteristics imposed on the final products. In this context, the interruptions in operation required to replace [...] Read more.
Technological equipment in quarries that extract and deliver aggregates for different uses operates in a predetermined flow depending on the type of rocks exploited and the dimensional characteristics imposed on the final products. In this context, the interruptions in operation required to replace high-wear parts (such as the teeth of excavators and bucket loaders) must be limited as much as possible through technological solutions to increase their service life. The evolution of the wear of the teeth of the quarry equipment that come into direct contact with rocks was concretely established in the production process, in parallel with the wear values obtained by simulating the wear phenomenon in laboratory conditions, in order to validate the data collected during the operation of the machines. Preventive–repetitive maintenance within the activities of reconditioning the worn surfaces of the teeth, through the charging process by manual electric welding with covered electrodes, was applied directly to the machine, which led to the shortening of the interruptions in operation necessary to replace these spare parts. Full article
Show Figures

Figure 1

24 pages, 18097 KB  
Article
Spectral and Wavelet Analysis in the Assessment of the Impact of Corrosion on the Structural Integrity of Mining Equipment
by Sorin Mihai Radu, Florin Vîlceanu, Mihaela Toderas and Stela Dinescu
Appl. Sci. 2024, 14(16), 7385; https://doi.org/10.3390/app14167385 - 21 Aug 2024
Cited by 1 | Viewed by 1059
Abstract
Corrosion is a major problem in the mining industry, significantly affecting the durability and reliability of mining equipment. In order to better evaluate and understand these effects, in the first part of this study, the analysis by the finite element method of the [...] Read more.
Corrosion is a major problem in the mining industry, significantly affecting the durability and reliability of mining equipment. In order to better evaluate and understand these effects, in the first part of this study, the analysis by the finite element method of the metallic structure of the rotary arm of an ERc 1400-30/7 bucket excavator type, produced in Romania in 1985, is presented. This paper presents an analysis of the impact of corrosion on the structural integrity of mining equipment. The focus of the research is on the use of advanced spectral analysis methods and the implementation of wavelet analysis. These methods allow an increase in the degree of accuracy of the information and results obtained. The study also focused on the impact of corrosion on the natural frequencies and structural changes in mining equipment, which were evaluated based on advanced methods of structural analysis. The obtained results show that corrosion deeply affects the dynamic behaviour of the metallic structure, leading to significant changes in the dominant frequencies. It was found that the measured dominant frequencies show a tendency to increase with the increase of structural degradation, an observation that is consistent with the physical aspects of the phenomenon. Full article
(This article belongs to the Special Issue Recent Advances in Mining Technology and Geotechnical Engineering)
Show Figures

Figure 1

Back to TopTop