Abstract
As a representative of multi-functional engineering machinery, the excavator is irreplaceable in the field of engineering construction. To autonomously control the excavator bucket, it is essential to control the position of the bucket hydraulic cylinder. As a consequence of the problem of position tracking control spawned from external disturbance and other factors in the self-mining servo system of excavators, a strategy of sliding mode backstepping control based on the particle swarm optimization algorithm and neural network disturbance observer (PSO-NNDO-SMBC) was recommended accordingly. Meanwhile, the complex disturbance was estimated online and compensated for by the system control input by the universal approximation property of the neural network disturbance observer (NNDO). Afterwards, the uncertainty of control parameters was optimized by the particle swarm optimization algorithm (PSO) and was fed back to the controller parameter input end. Afterwards, a co-simulation model of MATLAB/Simulink (MATLAB2023b) and AMESim (Simcenter Amesim 2304) was established for simulation analysis, and a test bench was set up for comparison and verification. As proven by the experimental results, PSO-NNDO-SMBC possessed strong anti-interference ability. In contrast to the sliding mode backstepping control based on the particle swarm optimization algorithm (PSO-SMBC), the maximum displacement tracking error was lowered by 50.5%. Furthermore, in comparison with the Proportional-Integral-Derivative (PID), the maximum displacement tracking error was decreased by 75.2%, which tremendously optimized the control accuracy of excavator bucket displacement tracking.
1. Introduction
As one of the most common pieces of construction machinery in current engineering operations, excavators cover multiple industries, such as transportation, water conservancy, electric power construction sites, mining, and national defense [,]. In recent years, control systems and hydraulic components have been optimized continuously. Moreover, robot trajectory planning and automatic control technology are becoming increasingly cutting-edge. These improvements facilitate the intelligent and automatic operation of excavators. Nevertheless, in the motion process of the excavator electromechanical hydraulic servo system, numerous factors, such as highly nonlinear, parameter uncertainty and large external disturbance, pose great challenges to position tracking accuracy control []. Consequently, in the past decades, investigators have been exploring state-of-the-art control methods to elevate the control performance of the excavator hydraulic servo system.
The PID controller is common in practical engineering fields attributable to its simple structure, easy implementation, and convenient control parameter adjustment. As the electro-hydraulic servo system surges, it becomes steadily weighty to better its control performance []. The traditional PID controller not only fails to approach and compensate for the uncertainty of control parameters online, but it also cannot obtain satisfactory results in the case of large, nonlinear parameter uncertainty and unmodeled dynamics. To mitigate the influence of parameter uncertainty on the position tracking accuracy of the hydraulic system, scholars have conducted a multitude of studies and put forward a multitude of cutting-edge nonlinear control methods, such as neural network control [], backstepping control [], sliding mode control [], and adaptive robust control []. Through the implementation of these non-linear control methods, we can ultimately deal well with the uncertain nonlinear problem of the electro-hydraulic servo system under certain conditions.
To reinforce the robustness of the system to internal parameter changes, unmodeled items, and external disturbances, sliding mode control can be employed to control uncertain nonlinear systems. Since the sliding mode control law is discontinuous, it is actually a nonlinear control. Moreover, the structure of the system will change purposefully with the current state of the system, rather than invariably. More importantly, the state of the system will move in line with the set sliding mode trajectory, which is referred to as variable structure control []. Since the choice of sliding mode is autonomous in relation to the internal parameters and external perturbations of the system, sliding mode control has strong robustness in the face of parameter changes and external disturbances, with fast response speed, a simple algorithm, easy physical implementation, and the elimination of the necessity for online system identification. Consequently, it has garnered significant attention from domestic and international scholars. In practical engineering application, the disadvantages of the control algorithm are also exposed. The sliding mode surface is a state operating space designed by humans, usually a hyperplane or surface, defined by sliding mode variables equal to zero. When the system state trajectory reaches the sliding mode surface, it will repeatedly shuttle to both sides of the sliding mode surface. Aside from that, it is hard to move along the sliding mode surface to the equilibrium position, which makes it challenging to analyze the system stability and to meet the arrival conditions. Moreover, the control link causes buffeting problems []. To lessen the influence of unknown disturbance on the control performance of the hydraulic servo system, a sliding mode variable structure control grounded in space vector regulation technology was recommended in the literature []. As validated by the experimental results, the designed controller could not only minimize the influence of large system disturbance, but could also reinforce the control accuracy and response effect of the system. In the literature [], an adaptive sliding mode controller was designed for the electro-hydraulic servo system when the internal nonlinear parameters remain unascertained. A new Lyapunov function was designed on that account. Additionally, a convergent and stable adaptive control scheme was put forward, which could compensate for the uncertain nonlinear or uncertain parameters of the system, especially for the nonlinear uncertain parameters stemming from various original control quantities. Despite demonstrating robust resilience against the intricate disturbance arising from internal parameter variations and external disturbances, the performance of the aforementioned research findings are still constrained by certain conditions.
The backstepping method is not strict in relation to the matching constraints and nonlinear growth conditions of the system, which can ensure satisfactory transient performance and other characteristics, and can then be extensively employed in linear and some nonlinear control systems to ameliorate the quality of the control process. In the literature [], adaptive control was introduced on the basis of backstepping control. Moreover, the adaptive backstepping control strategy was applied to the control of particleboard sizing flow, which broke through the parameter constraints of the traditional backstepping method and dealt with the problem that the upper limit of uncertainty triggered by system uncertainty and external disturbance was challenging to be estimated. In the literature [], to optimize the tracking accuracy of hydraulic servo system, a novel adaptive backstepping controller with extended observer was suggested accordingly, which could estimate the unmeasured state of the system. As displayed in the literature [], an adaptive backstepping controller on the basis of a neural network was recommended for the modeling uncertainty and external disturbance of the hydraulic servo system. A radial basis function neural network was constructed to approximate the uncertainty of the system and make the controlled system stable. As exhibited in the literature [], a cooperative trajectory control method for multi-UAV formation was explored to maintain stability on the basis of the backstepping method, which enables all the controlled UAVs to reach the desired trajectory at a faster speed and with less control error. As illustrated in the literature [], a sliding mode controller was devised based upon the integral backstepping method to address the running trajectory tracking error spawned from an unknown disturbance on the actuator, which apparently mirrors the robustness of the system, trajectory tracking, and response speed of the actuator, etc. The backstepping method avoids the constraints of sliding mode control on the uncertainty of the system, but it has only been studied for the system after feedback linearization. Although it is challenging to determine the optimal parameters of the inverse step method, it can be adopted to search for parameters by adding optimization algorithms.
The disturbance observer uses the difference between the estimated output and the actual output to actualize the purpose of observing the equivalent disturbance. Researchers have tried to combine some control strategies with the disturbance observer to form a new disturbance observer, and apply it to the control of more complex systems. The neural network disturbance observer is one of multitudinous new disturbance observers. As described in the literature [], to optimize the position tracking accuracy of the electro-hydraulic position servo system, the disturbance observer and backstepping control were combined to compensate for the disturbance and strengthen the robustness of the system. As demonstrated in the literature [], a nonlinear disturbance observer was designed to estimate the internal or external disturbance of the system online, which ameliorated the stability and robustness of the system, but the parameter selection of the extended observer affected the control precision. As exhibited in the literature [], an extended disturbance observer based upon the radial basis function neural network was recommended to compensate for the unknown parameters and disturbances in the speed control loop. The effectiveness of the control scheme was proved by experiments. To lessen buffeting and maintain system stability, disturbance observers were extensively employed in electro-hydraulic servo systems [,].
As one of the nine representative algorithms in computational intelligence, particle swarm optimization is derived from complex adaptive systems. The particle swarm algorithm simulates the information-sharing mechanism in bird-foraging behavior, allowing each particle to continuously move towards a better position in the search space. This mechanism helps the algorithm search for the optimal solution on a global scale, avoiding premature convergence to local optima. To cope with the problem of local convergence of the algorithm, the literature [] has put forward a mutation mechanism. To put it another way, test particles were generated among numerous particles to maintain the diversity of the algorithm in the final search stage. As illustrated in the literature [], the particle swarm optimization algorithm and genetic algorithm were combined. In the initial optimization stage, the speedy convergence ability of the particle swarm optimization algorithm was utilized to obtain the stage optimal solution. Subsequently, the genetic algorithm with a global optimal search ability was employed to obtain the optimal solution. As exhibited in the literature [], it elevated the particle swarm optimization algorithm. During the entire iterative process, certain particles were endowed with robust global search capabilities, while others exhibited potent local search proficiency. As a consequence, this strategy not only conspicuously explored the possibility of local space optimal solutions in the early iteration period, but also exceedingly lowered the tendency of falling into local optimal solutions in the later iteration period. The research and application of particle swarm optimization continues to progress, progressively maturing to a sophisticated level [].
Based upon the idea of the optimization and disturbance compensation of the sliding mode backstepping control, a sliding mode backstepping controller, integrated with a particle swarm optimization algorithm and neural network disturbance observer, was recommended for the precise position control of the bucket of a hydraulic excavator. To begin with, the kinematics of the excavator bucket hydraulic system were analyzed and the mathematical model of the position control system was established. The uncertain nonlinearity and external load disturbance were considered. The sliding mode backstepping controller was designed. Additionally, the stability of the controller was verified by the Lyapunov theory to ensure the superior position tracking performance of the system. The parameter uncertainty in the control system was approximated online by particle swarm optimization. For nonlinear disturbances in weak vibration control systems, an online estimation of the bucket hydraulic cylinder position tracking control system with uncertain parameter variations and nonlinear disturbances was performed through a neural network disturbance observer. Aside from that, the estimated value was introduced into the controller to actualize feedforward compensation. At last, the superiority of the suggested control scheme was verified by simulation and experiment.
The main contributions of this research can be categorized into the following three aspects:
- The sliding mode backstepping control was applied to the nonlinear hydraulic excavator bucket position control system. What is more, the particle swarm optimization algorithm and neural network disturbance observer were introduced into the traditional sliding mode backstepping controller, thereby elevating the tracking accuracy and robustness of the bucket position control system and allowing for tracking of the output trajectory of the system;
- The particle swarm optimization algorithm was employed to approximate the uncertain parameters of the sliding mode backstepping controller online. Subsequently, the uncertain parameters of the controller were optimized and substituted into the input end;
- A neural network disturbance observer was first established to estimate the external load disturbance accurately. What is more, the disturbance information estimated by the system was subsequently feedforward compensated, which comprehensively and systematically coped with the problem of chattering in the traditional sliding mode backstepping control.
The rest of this paper is structured as follows. The first section introduces the kinematic model of the position control system. On the basis of the PSO-NNDO sliding mode backstepping control method, the design and stability analysis of the controller are introduced in Section 2. In Section 3, a simulation model established for the bucket position is introduced. Afterwards, the simulation control performance is compared in Section 4. Afterwards, Section 5 compares the control performance of the experiment. In Section 6, the full text is summarized.
2. Establishment of Kinematics Model of Position Control System
Taking the bucket hydraulic cylinder as an example, a kinematic model of the excavator position control system was established, which is simplified in Figure 1, from which we can learn that is the inlet pressure of the three-position, four-way servo valve. is the oil return pressure of the system (generally set to 0), denotes the pressure of the hydraulic cylinder without the rod chamber, and stands for the pressure of the hydraulic cylinder with the rod chamber and the flow in and out of the three-position, four-way reversing valve, respectively, and the external load borne by the hydraulic cylinder.

Figure 1.
Hydraulic principle diagram of valve-controlled asymmetric cylinder.
The following reasonable assumptions were made about the system before the analysis:
- (1)
- Assuming is a constant pressure source, oil is supplied to the system at a pressure of ;
- (2)
- The servo valve used in the system is an ideal symmetrical slide valve with a zero-covered window;
- (3)
- The throttle area of the servo valve has a linear correlation with the size of the throttle valve port.
Combined with the research in the literature [], the kinematics model of the electro-hydraulic servo system can be established as follows:
where m denotes the system load mass (kg); represents the hydraulic cylinder output displacement (m); refers to the output speed of the hydraulic cylinder (m/s); denotes the rodless working area of the hydraulic cylinder (m2); stands for the hydraulic cylinder which has a rod chamber working area (m2); refers to the hydraulic rodless cylinder chamber oil pressure (Pa); stands for the hydraulic cylinder rod chamber oil pressure (Pa); symbolizes the hydraulic cylinder rodless chamber initial volume (m3); represents the hydraulic cylinder rod chamber initial volume (m3); stands for the hydraulic cylinder rodless chamber inlet flow (m3/s); represents the hydraulic cylinder rod chamber oil delivery rate (m3/s); refers to the leakage coefficient of the actuator; represents the hydraulic oil elastic modulus; represents the external load (N); and G denotes the system load weight (N).
In accordance with the literature [], the dynamic formula of the servo valve can be approximated as follows:
where , , and are, respectively, the servo valve time constant, spool current gain, and control input. They are used to lessen the complexity of derivation and simplify the servo valve dynamic link, which is:
To combine the flow formulas of extended or retracted conditions into one formula, the variable is defined in line with which the value of the variable can be adjusted by the positive or negative input value, namely:
Combined with Formula (3) and (4), on the basis of the research in the literature [], the flow formula can be listed as follows:
where, denotes the spool displacement, symbolizes the flow coefficient, and, when expanded, it is:
where is the flow coefficient of the throttle hole of the servo valve; and refer to the gradient of the left and right ends of the orifice of the servo valve spool; and ρ symbolizes the hydraulic oil density. Since the three-position, four-way servo valve is a symmetrical slide valve, namely, , it is also a fixed value, which makes:
The correlation between the flow and the input can be derived as follows:
Define a new function
To simplify Formula (1) to facilitate the derivation of subsequent algorithms, the calculation is conducted in line with the following equations.
By differentiating Formula (10) and substituting Formulas (11) to (15) into Formula (1), the kinematic model can be simplified as:
where, represents the unknown disturbance of the system, where the unknown disturbance item of the system is bounded, and the upper limit stands for the known term, which satisfies , 0.
As the derivation indicates, the displacement of the hydraulic cylinders is influenced by the parameters of the motion model. In line with Formula (16) alone, it proves that input controls the changes of , controls the changes of , and controls the changes of . In such a case, Formula (16) can be regarded as a series integral system composed of three integrations from to . Hence, this paper starts with Formula (16) and combines the Lyapunov stability theory, and the PSO-NNDO sliding mode backstepping controller is studied.
3. Controller Based upon PSO-NNDO Sliding Mode Backstepping Control Method
In accordance with the stated formula of the excavator bucket hydraulic cylinder position tracking control system obtained above, its form is shown in Equation (16).
The system meets the following prerequisites, namely, the preset trajectory of the excavator bucket. To put it another way, the given position signal of the system and its order derivative both exist and are bounded.
Assumption 1.
If the input and its third derivative exist and are bounded for a given position within the controllable region Uc∈ Rn, and its third derivative exists and is bounded, then g3 ≠ 0 is satisfied.
Assumption 2.
The unknown external disturbance and its first derivative are bounded.
3.1. Design of Sliding Mode Backstepping Controller
The error values of the first given excavator bucket hydraulic cylinder position tracking control system are listed below:
wherein and are undetermined virtual controller variables.
First and foremost, the subsystems with the first two errors are given their virtual control variables.
As a result, the dynamic formula of the subsystem with the first two errors is:
Afterwards, the dynamic formula of the subsystem with the third error can be obtained in line with (21) as follows:
Lastly, the synovial surface is selected in the following form:
wherein refers to the design constant, and when exists, the system reaches the synovial surface.
As a consequence, the control law of the design controller is described as follows:
The equivalent controller is designed as follows:
The switching control is defined as follows:
where and are equivalent control and switching controls to compensate for the unknown parameter , which ensure the robustness of the excavator bucket hydraulic cylinder control system when confronted with external disturbances and uncertainties. For this reason, selecting a reasonable design constant value, can materialize the arrival condition of the sliding mode surface, namely .
3.2. Verify the Stability of Sliding Mode Backstepping Controller
The Laypunov function of the system was selected for this analysis, which has the following form:
Take the derivative for and combine Formulas (17)–(19), (22), and (27) to obtain:
By combining the above formula with Formulas (24)–(26) of the sliding mode backstepping control law, we obtain:
Select , and, then, the above formula can be described as:
Because 0, according to the above equation, we obtain As clearly revealed by the above formula, all signals in the closed-loop system converge to zero. As a consequence, the sliding mode backstepping controller can ensure the stable operation of the system.
3.3. RBF Neural Network
The RBF neural network and MNN began to emerge in the field of automatic control and pattern recognition. Taking the feedforward neural network as an example, their structures are depicted in Figure 2 and Figure 3, both of which are arranged hierarchically and in parallel. Aside from that, the input is transmitted from the input layer through the hidden layer to the output layer without feedback, which symbolizes the characteristic of the feedforward network.

Figure 2.
Multilayer feedforward neural network diagram.

Figure 3.
Radial basis function neural network diagram.
In general, the RBF neural network chooses the Gaussian function as the neuron excitation function of its hidden layer. The input parameter is , and the input parameter dimension is the L dimension. The number of hidden layer neurons is , and the output of the hidden layer is . The output of the neural network is as follows:
wherein and () is the output layer weight column vector.
represents the output of the j-th hidden layer neuron.
wherein: ; and is the central vector of the j-th hidden layer neuron excitation function, which has the same dimension as the input parameter. is the norm of vector , which is the distance between the two.
is a unique maximum value when exists. The larger the , the smaller the , until it reaches zero.
When ; is the width of the excitation function for the j-th hidden layer neuron, which is a scalar.
The RBF neural network can approach any nonlinear unknown function with arbitrary precision on account of its favorable approximation characteristics. As a result, it is exceedingly suitable for the design of the practical engineering control system that needs to approximate the uncertainty function.
3.4. NNDO Design
Grounded in the above design concept, taking into account the internal uncertainty parameters of the system and external load force disturbances, the third subsystem of the bucket hydraulic cylinder position tracking control system can be described as follows:
symbolizes the composite disturbance of the system, consisting of the following parts.
and stand for the internal uncertainty of the system, and symbolizes the external load force disturbance. So, the system state space formula can be defined as follows:
For system (38), the design NNDO estimates and compensates for the complex disturbance function of the system, which is simplified as .
First make some necessary assumptions.
Assumption 3: For all the expression for the optimal weight on a compact set is expressed as follows:
wherein represents the feasible domain of network weights.
wherein: is the design parameter.
The state deviation of the coefficient of the network input and its second derivative is , and then the output of the network is described as follows:
wherein , is an adjustable weight, and is a basis function vector.
A disturbance observer system was designed, the basic principle of which was to adjust the observation output by employing the observation error. The system form is presented as follows:
where , refers to the state of the above assistant design system (42), represents the design parameter, and symbolizes the output of the neural network, which is the output of the NNDO.
The disturbance observer error is defined as follows:
Combining (38)–(40), the error dynamics of the disturbance observer are derived as follows:
The error dynamics follow the above formula. When interfering with the observation error reaches , that is , the output on the basis of NDO can realize the purpose of approximating the composite disturbance term .
In line with the universal approximation theorem and Assumption 3, there is an optimal network weight that can accurately approximate the composite disturbance term with the observed output . This can be expressed as:
wherein represents the approximation error of neural networks, and is the upper bound of approximation error. It can be lowered by increasing the number of hidden layer nodes to actualize high approximation accuracy.
Combining Formula (45) with Formula (46), we derive:
The adjustable weight error of the network is defined as follows:
The Formula (48) is changed as follows:
3.5. NNDO Stability Analysis
Theorem 1 NNDO was first selected to estimate the complex disturbance. Subsequently, the network weight was bounded, and its adaptive law took accordingly. Afterwards, the observation error was uniformly and finally bounded.
The Lyapunov function was selected and described as follows:
Derive from the above equation and combine it with Equations (49) and (50) to derive:
By combining the adaptive law with adjustable parameters and Young’s inequality, it can be deduced as follows:
That is, when is satisfied, holds true, and if the weight is bounded, the disturbance observation error will ultimately be uniformly bounded.
3.6. Particle Swarm Optimization Algorithm Design
- Particle swarm optimization algorithm
The PSO algorithm starts by randomly initializing a set of particles (random solutions) within the solution space. Afterwards, the particles update themselves by tracking the individual extremum and global extremum . The optimal solution is found subsequent to several iterations.
Let be the d-dimensional position vector of the -th particle , and we calculate the current fitness value based on the pre-set fitness function , which is the superiority or inferiority of the particle position; represents the velocity vector of the i-th particle.
During each iteration, particles track two extreme values to update their velocity and position. One is the optimal solution found by the particle itself, which is the individual extremum . The other extremum is the global extremum , which is the optimal solution currently found by the entire population. The state update equation at time is updated as follows:
In the formula, is the inertia weight, and are acceleration constants; and are random numbers of . is the maximum inertia weight, with a value of 0.9; is the minimum inertia weight, with a value of 0.4; is the current iteration count; and is the maximum number of iterations. When the value is relatively small and is comparatively large, the algorithm has a strong search ability. After reaching a certain number of iterations, is taken as the smaller value to ensure that the search area is not scattered and to better find the optimal value. The value of decreases as the sine function increases, ensuring strong global optimization ability in the initial stage of the particle search. As the value of increases with the sine function, the value of decreases to ensure strong global optimization ability in the initial stage of the particle search;
- 2.
- Particle swarm optimization of controller parameter flow
The PSO algorithm is utilized to optimize the parameters ( of the servo valve sliding mode backstepping controller. Subsequently, ( is selected to form the particles for the PSO algorithm. What is more, the optimization objective of selecting the control parameters is to approach zero speed deviation. Figure 4 illustrates the process of optimizing the sliding mode backstepping parameters through the application of the particle swarm optimization algorithm.

Figure 4.
PSO optimization SMBC parameter flow chart.
The steps of the particle swarm optimization of the sliding mode backstepping parameters are listed below:
- (1)
- Initialize various parameters of PSO, set execution times as , learning factors as , and weight as , and particle space search range;
- (2)
- Initialize the position and initial velocity of the particle, calculate the fitness value of each particle (fitness function: ), and take ;
- (3)
- In accordance with , obtain the global optimal solution, namely ;
- (4)
- Update the velocity and position of the particle on the basis of formula (55) and (56); calculate the fitness of the new particle , which can be expressed as . In line with , the particle optimal solution of and is updated. If and are satisfied, exist the algorithm. otherwise jump to (3).
This paper takes into consideration the parameter uncertainty existing in the position control system of a single hydraulic cylinder of the excavator and the influence of external disturbance. Moreover, the sliding mode backstepping excavator bucket hydraulic cylinder controller is designed in accordance with NNDO, which is intended to materialize the system’s purposes of both accurate tracking and speedy control of the ideal position variable , as illustrated in Figure 5.

Figure 5.
Control system architecture diagram.
NNDO performs infinite approximation on composite disturbance and compensates for it at the control input end. The compensated control law, that is, the control system input , can be described as follows:
where refers to the the sliding mode backstepping control law. denotes the output equivalent control law of NNDO.
4. Establish a Simulation Model for Bucket Position
4.1. Preparation Before Setting
Before setting up a location simulation, we first needed to determine the relevant settings to ensure that the bucket position simulation could be successfully completed as follows:
- In line with Figure 1, the hydraulic system model of excavator bucket was built by AMESim software, the controller model was constructed by MATLAB (2023b) software, and the algorithm could be encapsulated by the S-function module;
- Simulation interface construction. As evidently demonstrated by the above findings, the hydraulic system fed back five signal variables to the controller, the controller output a control signal to the hydraulic system, and built a joint interface in line with the number of input and output signals.
4.2. AMESim-Simulink Simulation Model
The pre-set co-simulation interface and the constructed AMESim excavator bucket hydraulic model and MATLAB/Simulink controller model were connected to complete the final co-simulation model of the excavator bucket hydraulic cylinder position control system.
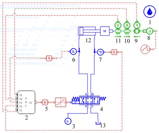
As shown in Figure 6, a preliminary model of the valve controlled asymmetric hydraulic cylinder system was constructed in AEMSim software, and a simulation interface was established. The displacement, velocity, load force, and pressure of the left and right chambers of the hydraulic cylinder were output as variables to MATLAB/Simulink. Meanwhile, the output signal of MATLAB/Simulink was used as the excitation signal for the servo valve to adjust its opening.

Figure 6.
AMESim simulation model. 1—Hydraulic oil; 2—Co-simulation interface; 3—Oil source; 4—Proportional valve; 5—Proportional amplifier 6—Rodless chamber pressure sensor; 7—Pressure sensor with rod chamber; 8—External load; 9—Force sensor; 10—Displacement sensor; 11—Speed sensor; 12—Hydraulic cylinder; 13—Oil tank.
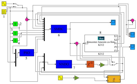
Subsequently, a control system model of PSO-NNDO-SMBC controller was developed in MATLAB/Simulink, as shown in Figure 7. It was integrated with the necessary oscilloscope modules to facilitate data storage in the workspace for subsequent plotting and analysis.

Figure 7.
Simulink simulation model. 1—Command shift; 2—Instruction displacement first-order derivative; 3—Instruction displacement second-order derivative; 4—Instruction displacement third-order derivative; 5—Particle swarm optimization algorithm; 6—sliding mode backstepping controller 2; 7—Neural network disturbance observer; 8—Co-simulation interface.
The simulation parameters configured in AEMSim and MATLAB/Simulink are shown in Table 1.

Table 1.
Main parameters of co-simulation.
5. Simulation Analysis
5.1. Identification of Mathematical Model of Hydraulic Cylinder Position Control System
The closed-loop identification method was adopted to identify the transfer function of the piston rod moving to 100 mm. Seeing that it was comparatively challenging to obtain the simulation data of input and output in the simulation software, the direct identification method could be employed to collect the input and output values of the identified object from 0 to 100 mm. What is more, when the input and output values of the identified object ranged from 110 mm to 10 mm, the collection time was 0.001 s.
Considering that the amplification factor of the proportional amplifier was 30, the mathematical model of the proportional amplifier could be directly obtained as described below:
In the formula, refers to the current (A); stands for the proportional amplification factor; and represents the input voltage (V).
- Identification of servo valve transfer function
The data of input current and spool displacement within the interval of 0 to 100 mm were collected. Afterwards, the collected data were imported into the Matlab system identification toolbox for identification. In accordance with the transfer function structure listed in the literature [], the transfer function type with denominator order 2 and molecular order 0 could be selected. Afterwards, the transfer function was obtained by running the toolbox.
- 2.
- Identification of servo spool displacement and hydraulic cylinder rod transfer function
The data of spool displacement and piston rod speed were collected within the interval of 0 to 100 mm. Furthermore, the collected data were imported into the Matlab system identification toolbox for identification. In line with the transfer function structure listed in the literature [] and the transfer function structure listed in the literature [], the transfer function type with denominator order 3 and molecular order 0 could be selected. Apart from that, the valve was obtained by running the toolbox core displacement and piston rod speed transfer function. Afterwards, the results were multiplied by the integral time domain function. In such a case, the spool displacement and piston rod displacement transfer function could be calculated in line with the formula as follows:
For the hydraulic cylinder retracting condition, the initial position of the hydraulic cylinder was set to 110 mm, while the command displacement was set to 10 mm. After that, the input and output values of the piston rod were collected within the interval from 110 mm to 10 mm. The identification method was the same as that of the piston rod extending condition. Under such a prerequisite, the transfer function of spool displacement and piston rod displacement could be calculated in line with the formula below:
5.2. Unknown Parameter Assignment Analysis
In accordance with the above mathematical modeling of the excavator bucket electro-hydraulic servo system and the establishment of the electro-hydraulic servo system for simulation analysis, the relevant parameters of the PSO-NNDO-SMBC controller are shown in Table 2.

Table 2.
Control parameters of PSO-NNDO-SMBC controller.
To verify the superiority of the PSO-NNDO-SMBC controller, the PSO-NNDO-SMBC controller was applied to the above electro-hydraulic servo system. The maximum number of iterations was 100. and had a value range of 1–1000. The iteration values of the particle swarm optimization algorithm are depicted in Figure 8. The optimized control parameters are illustrated in Table 3.

Figure 8.
Iterative curve of particle swarm optimization algorithm.

Table 3.
PSO-NNDO-SMBC controller-tuning parameters.
5.3. Simulation Comparative Analysis
To demonstrate the superiority of the control method put forth in this paper, two controllers and the controller suggested were selected for control performance simulation and comparison. The controllers are displayed below:
Controller 1: PID controller. The output of a PID controller can be expressed as follows: . Among the expressions,, and represent proportional coefficients, integral coefficients, and differential coefficients, respectively. A mathematical model for the system input and output of PID control parameters was established to tune the three parameters of the PID controller, and the Ziegler Nichols method was used to tune them to the optimal values of , , and .
Controller 2: This was the PSO-SMBC controller without the neural network disturbance observer. The control output of the sliding mode backstepping controller was , and its control parameters were the same as those of the controller put forward in this paper.
To quantitatively evaluate the control performance of the suggested control method, three statistical indicators were adopted to evaluate the performance, which were the maximum mean value of the tracking error and the standard deviation. These criteria are defined as follows:
The maximum absolute tracking error is described as follows:
The mean tracking error is described as:
The standard deviation of the tracking error is described as:
indicates the number of recorded signals.
In this paper, a neural network disturbance observer and particle swarm optimization algorithm were established to estimate the uncertainty of external disturbance and the internal parameter, respectively, online. Other than that, the influence of disturbance and parameter uncertainty on the control system was eliminated through disturbance compensation and adaptive law. To validate the authenticity of the simulation, nonlinear disturbance was introduced in the simulation process. To verify the performance of the sliding mode backstepping controller on the basis of the particle swarm optimization algorithm and the neural network disturbance observer in excavator bucket control, simulation tests were conducted from three aspects to evaluate the control performance of the proposed controller. The first aspect was from the step response, the second aspect was from the sine response, and the third aspect was from the oblique wave response.
First and foremost, step signal loading was performed and the step signal loading was set for two different operating conditions: the first was the loading condition with a step amplitude of 100 mm and the bucket hydraulic cylinder extended, and the second was the loading condition with a step amplitude of 10 mm and the bucket hydraulic cylinder retracted.
The response curves of the three control strategies are illustrated in Figure 9 and Figure 11. Furthermore, the tracking error curves of the three control strategies are depicted in Figure 10 and Figure 12. Table 4 lists the performance specifications of the three controllers. Apparently, these three controllers can ensure that the system can effectively respond to the target signal in the case of parameter uncertainty and external disturbance. In accordance with Figure 9 and Figure 11, the overshoot and the speed of arrival at the specified position of the PSO-NNDO-SMBC controller were significantly better than those of the PSO-SMBC and traditional PID controllers when the signal changes abruptly under the circumstances of external disturbance and parameter uncertainty. As apparently illustrated in Figure 10 and Figure 12 and Table 4, the response time of the PSO-NNDO-SMBC controller was lessened by around 40.3% compared with the PSO-SMBC controller. What is more, the response time of the PSO-NNDO-SMBC controller was lowered by around 50.7% compared with the traditional PID controller, with better response speed. The PSO-NNDO-SMBC controller had a smaller chattering degree, with a maximum step error reduction of about 38.2% compared to the PSO-SMBC controller, and a maximum step error reduction of about 54.4% compared to the traditional PID controller. Additionally, the PSO-NNDO-SMBC steady-state error was zero. In contrast, the PSO-NNDO-SMBC controller needed a shorter time to track a given position, and the system tended to be stable faster, and the chattering-induced phenomenon easily stemmed from synovial control was not generated during the tracking process, which had strong anti-interference ability and favorable closed-loop system dynamic characteristics, that is, the PSO-NNDO-SMBC controller could quickly, smoothly, and accurately track position signals.

Figure 9.
Extend step signal response curve.

Figure 10.
Extend step signal error curve.

Table 4.
Comparison of simulation results of step control signals.

Figure 11.
Retract step signal response curve.

Figure 12.
Retract step signal error curve.
Figure 13 shows the control input curves of three controllers when extending simulated step tracking signals. When operating under parameter uncertainty and external disturbances, the control input curves of the three controllers essentially overlap, keeping the system on a given output trajectory. However, when the control signal rises, both traditional PID controllers and PSO-SMBC controllers will experience fluctuations. Obviously, the PSO-NNDO-SMBC controller proposed in this article had smoother input signals and achieved good control performance.

Figure 13.
Control input of the three controllers for retract step signal.
The control performance indicators of the PID controller, PSO-SMBC controller, and PSO-NNDO-SMBC controller under a simulated step signal are illustrated in Table 4.
As suggested by comparing the performance indexes of the three controllers in Table 4, the average tracking error standard deviation and stability time of the PSO-NNDO-SMBC controller were lowered by 60.3%, 56.3%, 31.7%, 11.9%, and 50.7%, 40.3% compared with PID and PSO-SMBC controllers under simulated step signals. As evidently displayed by the results, the PSO-NNDO-SMBC controller was superior to the other two controllers in step signal output.
Aside from that, sinusoidal signal was loaded, and the target signal was set as a sinusoidal signal with an amplitude of 125MM and a frequency of 0.325 Hz. The displacement response curves of the three control strategies are depicted in Figure 14, and the displacement tracking error curves of the three control strategies are illustrated in Figure 15. Apparently, these three controllers could ensure that the system could track the target signal effectively in the case of parameter uncertainty and external disturbance. As clearly revealed in Figure 14 and Figure 15, the displacement tracking performance of the PSO-NNDO-SMBC controller was significantly better than that of the PSO-SMBC controller and the traditional PID controller under sinusoidal loading signals. Aside from that, the errors of conventional PID controllers and PSO-SMBC controllers increased at the peaks and troughs, attributable to external perturbations and parameter uncertainties. The displacement tracking error of the traditional PID controller was large, and the maximum displacement tracking error reached 3.25 mm. The maximum displacement tracking error of the PSO-SMBC controller reached 1.67 mm, the tracking error of the PSO-NNDO-SMBC controller was less than 0.45 mm, and the tracking effect of the PSO-NNDO-SMBC controller was better. In contrast to the traditional PID controller, the maximum tracking error of the PSO-NNDO-SMBC controller was lowered by around 86.1%, and the maximum tracking error of the PSO-SMBC controller was lessened by approximately 73.1%. In contrast, the tracking error of PSO-NNDO-SMBC controller was more stable, which suggests that particle swarm optimization and neural network disturbance observer ameliorate the tracking performance and robustness of the system.

Figure 14.
Simulation sinusoidal signal response curve.

Figure 15.
Simulation sinusoidal signal error curve.
Figure 16 shows the control input curves of three controllers under simulated sinusoidal tracking signals. When operating under parameter uncertainty and external disturbances, the control input curves of the three controllers essentially overlap, keeping the system on a given output trajectory. However, when the control signal rises or decays, both the traditional PID controllers and PSO-SMBC controllers will experience fluctuations. Obviously, the PSO-NNDO-SMBC controller proposed in this article had smoother input signals and achieved good control performance.

Figure 16.
Control input of the three controllers for simulation sinusoidal signal.
Finally, the tracking performance of PSO-NNDO-SMBC controller under simulated ramp signal was verified, and the ramp signal with the slope of the target signal was set to 0.01. The displacement response curves and error curves of the three kinds of control hydraulic cylinders are displayed in Figure 17 and Figure 18. The maximum tracking error under the PSO-NNDO-SMBC controller was controlled at 0.78 mm, and the response was fast. The maximum tracking error under the PSO-SMBC controller was 0.91 mm, and the response was slow. The maximum tracking error of the traditional PID controller was 2.06 mm, and the response was apparently lagging. In comparison with the traditional PID controller, the maximum displacement tracking error of PSO-NNDO-SMBC controller was lessened by around 62.1%, and the maximum displacement tracking error was lowered by approximately 14.2% compared with the PSO-SMBC controller. As demonstrated by the experimental results, compared with the traditional PID controller and PSO-SMBC controller, the steady-state error of PSO-NNDO-SMBC controller was more trivial and the tracking curve was smoother. Because the neural network observer could observe the disturbance and make feedforward compensation, the parameter uncertainty could be modified in real time by particle swarm optimization algorithm, which minimized the influence of uncertainty and disturbance on the control system of the bucket hydraulic cylinder.

Figure 17.
Simulation ramp signal response curve.

Figure 18.
Simulation ramp signal error curve.
Figure 19 shows the control input curves of three controllers during a simulated ramp signal. When operating under parameter uncertainty and external disturbances, the control input curves of the three controllers essentially overlap, keeping the system on a given output trajectory. However, when the control signal rises steadily, both traditional PID controllers and PSO-SMBC controllers will experience fluctuations. Obviously, the PSO-NNDO-SMBC controller proposed in this article had smoother input signals and achieved good control performance.

Figure 19.
Control input of the three controllers for simulation ramp signal.
Table 5 clearly displays the control performance indicators of the PID controller, PSO-SMBC controller, and PSO-NNDO-SMBC controller under the simulation.

Table 5.
Comparison of simulation control signal results.
As illustrated by comparing the performance indicators of the three controllers in Table 5, under the simulated sinusoidal signal, it can be observed that the maximum absolute tracking error, average tracking error, and tracking error standard deviation of the PSO-NNDO-SMBC controller were reduced by 86.1%, 73.1%, 84.2%, 58.6%, and 85.4%, 70.0% compared to the PID and PSO-SMBC controllers, respectively. Under the simulated ramp signal, it can be observed that the maximum absolute tracking error, average tracking error, and tracking error standard deviation of the PSO-NNDO-SMBC controller were reduced by 62.1%, 14.2%, 81.4%, 64.5%, and 84.9%, 46.7% compared to the PID and PSO-SMBC controllers, respectively. As demonstrated by the simulated results, the PSO-NNDO-SMBC controller was more superior than the other two controllers in the two target signal outputs.
As demonstrated by the research findings, the PSO-NNDO-SMBC controller has acceptable tracking performance and transient response performance, and the maximum tracking error of the system was controlled within 4%, which can meet the requirements of the control performance index during the excavation of the excavator bucket. Nonetheless, because the simulation adopted the theoretical values on numerous system parameters, it has a certain ideal, so it remains imperative to build a test bench for displacement loading experiments to verify the feasibility of the controller.
6. Test Analysis
To verify the real control performance of the designed PSO-NNDO-SMBC controller on the bucket of the hydraulic excavator, the bucket displacement tracking control experiment was carried out on the 2T hydraulic excavator test bed. The established 2T hydraulic excavator test bench is displayed in Figure 20. The test bench consisted of a displacement loading system, an oil source system, an electronic control system, and an upper computer testing and control system. The servo valve used in the excavator test bench was the DLKZOR-TEB-SN-NP-L73 servo valve from Atos Corporation (Sydney, NSW, Australia). The overflow valve was the DBEME10-30/315YG24Z4/A1/2 proportional overflow valve from Lixing (London, UK). The displacement sensor was the MPS-S-500mm-R-C external cable displacement sensor from Miran (Livingston, Scotland). The industrial computer was the standard industrial computer from Advantech (Taiwan, China), and the motion controller was the RC28-14 from Rexroth (Lohr am Main, Germany).

Figure 20.
2T hydraulic excavator test bench.
In this paper, motion RC28-14 was employed as the lower computer, and industrial computer equipped with MATLAB/Simulink was utilized as the upper computer. The control algorithm is depicted in Figure 20. The communication between MATLAB/Simulink and RC28-14 controller was realized through PeakCAN. The communication mode was CAN communication. MATLAB/Simulink was utilized to send valve CAN information to the RC28-14 controller to control valve action, while the RC28-14 controller was utilized to send sensor CAN information to MATLAB/Simulink to provide the necessary parameters of the control algorithm. It should be noted that the control sampling period lasted for 2 ms to complete the closed-loop tracking control of the actual loading displacement and target loading displacement of the excavator bucket cylinder
To verify the control effect of the PSO-NNDO-SMBC controller on the excavator bucket hydraulic cylinder, two experiments were carried out to verify the simulation results of the above software. To be more specific, the control strategy suggested in this paper was compared with the traditional PID controller and the PSO-SMBC controller adopting the Z-N method to optimize the parameters. In the first experiment, a sinusoidal signal with an amplitude of 180 mm and frequency of 0.175 Hz was employed as the target signal to verify the tracking performance of the three control strategies. In the second experiment, a ramp wave signal with a cycle of 10 s, an upper limit of 50 mm, and an upper limit of 180 mm was used as the target signal, so as to verify the tracking performance and transient response characteristics of the three control strategies on the target signal.
Above all, the displacement tracking performance of the PSO-NNDO-SMBC controller was verified. Subsequently, the target signal was set as a sinusoidal signal with an amplitude of 180 mm and a frequency of 0.175 Hz. The displacement response curves and error curves of the three kinds of control hydraulic cylinders are exhibited in Figure 21 and Figure 22. As exhibited by the curves in the above figures, the tracking curve of the PSO-NNDO-SMBC controller is close to the target curve. Moreover, the error margin of the peak and valley values is small. The maximum displacement tracking error under the PSO-NNDO-SMBC controller was controlled at about 2.01 mm, and there is no obvious response lead or lag phenomenon. The maximum displacement tracking error under the PSO-SMBC controller was about 3.24 mm, and the hysteresis was pronounced. The maximum displacement tracking error of the traditional PID controller was about 5.64 mm, and the hysteresis was remarkable. In comparison with the PSO-SMBC controller, the maximum displacement tracking error of the PSO-NNDO-SMBC controller was lessened by approximately 38.0%, while the maximum displacement tracking error of the PSO-NNDO-SMBC controller was lowered by around 64.4% in comparison with the traditional PID controller. As exhibited by the above analysis results, the PSO-NNDO-SMBC controller had more of an outstanding performance in adapting to parameter uncertainty and nonlinear external disturbance, thus ameliorating controller performance to suppress external disturbance.

Figure 21.
Sinusoidal signal response curve.

Figure 22.
Sinusoidal signal error curve.
At length, the tracking performance of the PSO-NNDO-SMBC controller under external disturbances was verified by setting the target signal period to 10 s, with an upper limit of 50MM and an upper limit of 180MM for the ramp signal. The displacement response curves and error curves of the three kinds of control hydraulic cylinders are exhibited in Figure 23 and Figure 24. As evidently displayed by the curves in the above figures, the tracking curve of the PSO-NNDO-SMBC controller was less affected by external disturbances. The disturbance tracking error under the PSO-NNDO-SMBC controller was controlled at 1.39 mm with a speedy response. The disturbance tracking error under the PSO-SMBC controller was 2.81 mm with a slow response. The disturbance tracking error of the traditional PID controller was 5.60 mm, and the response was remarkably lagging. In accordance with the experimental analysis, the PSO-NNDO-SMBC controller has a desirable dynamic quality, namely, the robustness of the system to the comprehensive disturbance is ameliorated. In such a case, it can quickly and accurately realize the signal tracking and complete the established tracking and control objectives of the system.

Figure 23.
Ramp signal response curve.

Figure 24.
Ramp signal error curve.
Table 6 clearly displays the control performance indicators of the PID controller, PSO-SMBC controller, and PSO-NNDO-SMBC controller in the experiment.

Table 6.
Comparison of experimental control signal results.
As illustrated by comparing the performance indicators of the three controllers in Table 6, under the experimental sinusoidal signal, it can be observed that the maximum absolute tracking error, average tracking error, and tracking error standard deviation of the PSO-NNDO-SMBC controller were reduced by 64.4%, 38.0%, 72.4%, 58.4%, and 74.6%, 55.0% compared to the PID and PSO-SMBC controllers, respectively. Under the experimental ramp signal, it can be observed that the maximum absolute tracking error, average tracking error, and tracking error standard deviation of the PSO-NNDO-SMBC controller were reduced by 75.2%, 50.5%, 71.6%, 54.3%, and 72.1%, 53.0% compared to the PID and PSO-SMBC controllers, respectively. As demonstrated by the experimental results, the PSO-NNDO-SMBC controller is superior to the other two controllers in the two target signal outputs.
7. Conclusions
A position control method of a sliding mode backstepping electro-hydraulic servo on the basis of a particle swarm optimization algorithm and neural network disturbance observer is recommended based upon the Lyapunov theory, so as to deal with the problems of nonlinear parameter uncertainty and weak vibration in the excavator bucket electro-hydraulic servo system. The sliding mode backstepping controller not only combines the particle swarm optimization algorithm and the neural network disturbance observer, but also copes with the unknown disturbance and weak vibration of the nonlinear parameter uncertainty in the system. The excavator bucket hydraulic cylinder system can track the given position accurately and smoothly, and can lessen the trajectory deviation resulting from the above problems. Nonetheless, the control method put forward in this paper will encounter a multitude of challenges when applied to practical engineering. Measures such as optimizing algorithm design to elevate the robustness and adaptability of controllers, strengthening system integration and compatibility testing, and establishing effective maintenance and update mechanisms can gradually overcome these challenges and facilitate the application of related technologies.
Through the co-simulation of MATLAB/Sumlink and AMESim, the simulation results demonstrate that the suggested control strategy has higher-than-expected trajectory tracking accuracy than the PSO-SMBC controller and traditional PID controller under the condition of parameter uncertainty and external unknown disturbance. In contrast to the PSO-SMBC controller, the response speed is elevated by 40.3%, and the error of displacement tracking control precision is lowered by 73.1%. In contrast to the traditional PID controller, the respond speed is augmented by 50.7%, and the error of displacement tracking control precision is lowered by 86.1%. From the analysis of simulation data, it can be shown that the recommended control strategy is superior to the PSO-SMBC controller and the traditional PID controller in both tracking performance and transient response performance under different operating conditions. Nonetheless, the simulation results obtained by adopting theoretical values on multitudinous system parameters have a certain ideal, and it remains essential to build a hydraulic excavator test bed for displacement-loading experiments to verify the feasibility of the controller.
Finally, the control strategy recommended in this paper was applied to the 2T hydraulic excavator test bench for experimental verification. As illustrated by the ramp and sinusoidal test results, the control strategy significantly elevates the tracking accuracy, response speed, tracking accuracy, and anti-interference performance of the electro-hydraulic servo system. In comparison with the PSO-SMBC controller, the error-of-displacement tracking control precision is lessened by 50.5%. In contrast to the traditional PID controller, the error of displacement tracking control precision is lowered by 75.2%. In line with the above experiments, we can conclude that the control method significantly augments the tracking accuracy and robustness when faced with disturbance of the excavator bucket electro-hydraulic servo system. Its tracking accuracy, transient response speed, and anti-interference ability can well meet the accuracy and transient response performance required by the excavator.
Author Contributions
Theoretical analysis: X.T. and K.L.; designing experiments and analyzing data: X.T. and J.Y.; conducting simulations: X.T. and Y.C.; writing the paper: X.T.; revising the paper: J.C. and H.Z. All authors have read and agreed to the published version of the manuscript.
Funding
This research was supported by the Youth Program of the National Natural Science Foundation of China (Grant No. 51805228), The Natural Science Foundation of the Jiangsu Higher Education Institutions of China (Grant No. 22KJB460021, 23KJA460006), the Changzhou Leading Innovative Talents Introduction and Cultivation Project (Grant No. CQ20210093, CQ20220089), and the Practice Innovation Program of Jiangsu Province (Grant No. SJCX23_1626).
Data Availability Statement
Data are contained within the article.
Conflicts of Interest
The authors declare no conflicts of interest.
Nomenclature
Inlet pressure | |
Return oil pressure | |
Hydraulic cylinder rodless chamber pressure | |
Hydraulic cylinder rod chamber pressure | |
Inlet flow | |
Outlet flow | |
External load force | |
m | System load quality |
Hydraulic cylinder output displacement | |
Hydraulic cylinder output speed | |
Hydraulic cylinder rodless chamber area | |
Hydraulic cylinder has rod chamber area | |
Initial volume of rodless chamber in hydraulic cylinder | |
Hydraulic cylinder with rod chamber initial volume | |
Leakage coefficient | |
Hydraulic oil elastic modulus | |
G | System load weight |
Servo valve time constant | |
Valve core current gain | |
Control in | |
Valve core displacement | |
Discharge Coefficient | |
Flow coefficient of servo valve throttle hole | |
Left gradient | |
Right gradient | |
Hydraulic oil density | |
Unknown disturbance in the system | |
Given position signal | |
Virtual controller variables 1 | |
Virtual controller variables 2 | |
The control coefficient of | |
The control coefficient of | |
Equivalent control | |
Switch control | |
Number of hidden neurons | |
Composite disturbance | |
Internal uncertainty | |
Feasible region of network weights | |
Design parameters | |
Adjustable weight | |
Basis function vector | |
Neural network output | |
Design parameters | |
Neural network approximation error | |
Upper bound of approximation error | |
Observation error | |
Individual extremum | |
Global extremum | |
Inertia weight | |
Acceleration constant | |
Acceleration constant | |
Random number | |
Maximum inertia weight | |
Minimum inertia weight | |
Current iteration count | |
Maximum Number Of Iterations | |
Execution frequency | |
Sliding Mode control law | |
NNDO output equivalent control law | |
Electric current | |
Proportional amplification factor | |
Input voltage | |
Position vector | |
Velocity vector | |
Scale factor | |
Integral coefficient | |
Differential coefficient | |
Number of signals | |
Maximum step error | |
Maximum absolute value error | |
Average value | |
Standard deviation | |
Steady-state error | |
Steady-state time |
References
- Groll, T.; Hemer, S.; Ropertz, T.; Berns, K. Autonomous trenching with hierarchically organized primitives. Autom. Constr. 2019, 98, 214–224. [Google Scholar] [CrossRef]
- Do, T.C.; Dang, T.D.; Dinh, T.Q.; Ahn, K.K. Developments in energy regeneration technologies for hydraulic excavators: A review. Renew. Sustain. Energy Rev. 2021, 145, 111076. [Google Scholar] [CrossRef]
- Zhang, L.; Zhao, J.; Long, P.; Wang, L.; Qian, L.; Lu, F.; Song, X.; Manocha, D. An autonomous excavator system for material loading tasks. Sci. Robot. 2021, 6, eabc3164. [Google Scholar] [CrossRef] [PubMed]
- Shuprajhaa, T.; Sujit, S.K.; Srinivasan, K. Reinforcement learning based adaptive PID controller design for control of linear/nonlinear unstable processes. Appl. Soft Comput. J. 2022, 128, 109450. [Google Scholar] [CrossRef]
- Al Aela, A.M.; Kenne, J.P.; Mintsa, H.A. Adaptive neural network and nonlinear electrohydraulic active suspension control system. J. Vib. Control. 2022, 28, 243–259. [Google Scholar] [CrossRef]
- Deng, W.; Yao, J.; Wang, Y.; Yang, X.; Chen, J. Output feedback backstepping control of hydraulic actuators with valve dynamics compensation. Mech. Syst. Signal Process. 2021, 158, 107769. [Google Scholar] [CrossRef]
- Wan, Z.; Fu, Y.; Liu, C.; Yue, L. Sliding Mode Control Based on High Gain Observer for Electro-Hydraulic Servo System. J. Electr. Comput. Eng. 2023, 2023, 7932117. [Google Scholar] [CrossRef]
- Nguyen, M.H.; Dao, H.V.; Ahn, K.K. Adaptive Robust Position Control of Electro-Hydraulic Servo Systems with Large Uncertainties and Disturbances. Appl. Sci. 2022, 12, 794. [Google Scholar] [CrossRef]
- Tang, R.; Zhang, Q. Dynamic Sliding Mode Control Scheme for Electro-Hydraulic Position Servo System. Procedia Eng. 2011, 24, 28–32. [Google Scholar] [CrossRef][Green Version]
- Wang, Y.; Zhao, J.; Zhang, H.; Wang, H. Robust output feedback control for electro-hydraulic servo system with error constraint based on high-order sliding mode observer. Trans. Inst. Meas. Control. 2023, 45, 1703–1712. [Google Scholar] [CrossRef]
- Liu, R.; Wang, Z.; Jia, P.; Yan, G.; Zhang, T.; Jia, C.; Chen, G. Research on Pressure Control of an Electro-Hydraulic Servo System Based on Sliding-Mode Variable-Structure Direct Torque Control. Processes 2022, 11, 92. [Google Scholar] [CrossRef]
- Guan, C.; Pan, S. Adaptive sliding mode control of electro-hydraulic system with nonlinear unknown parameters. Control. Eng. Pract. 2008, 16, 1275–1284. [Google Scholar] [CrossRef]
- Thien, T.D.; Xuan, B.D.; Ahn, K.K. Adaptive Backstepping Sliding Mode Control for Equilibrium Position Tracking of an Electrohydraulic Elastic Manipulator. IEEE Trans. Ind. Electron. 2020, 67, 3860–3869. [Google Scholar]
- Xie, H.; Tang, Y.; Shen, G.; Li, X.; Bai, D.; Sa, Y. Command filtered adaptive backstepping control for high-accuracy motion tracking of hydraulic systems with extended state observer. Proc. Inst. Mech. Eng. Part I J. Syst. Control. Eng. 2022, 236, 654–668. [Google Scholar] [CrossRef]
- Wan, Z.; Yue, L.; Fu, Y. Neural Network Based Adaptive Backstepping Control for Electro-Hydraulic Servo System Position Tracking. Int. J. Aerosp. Eng. 2022, 2022, 3069092. [Google Scholar] [CrossRef]
- Zhang, J.; Yan, J.; Zhang, P. Multi-UAV Formation Control Based on a Novel Back-Stepping Approach. IEEE Trans. Veh. Technol. 2020, 69, 2437–2448. [Google Scholar] [CrossRef]
- Dalwadi, N.; Deb, D.; Rath, J.J. Biplane Trajectory Tracking Using Hybrid Controller Based on Backstepping and Integral Terminal Sliding Mode Control. Drones 2022, 6, 58. [Google Scholar] [CrossRef]
- Fan, R.D.; Qian, L.F.; Chen, G.S.; Wei, Y.K. Disturbance Observer based Backstepping Control for Electro-hydraulic Position Servo System of the Projectile Coordination Arm. J. Phys. Conf. Ser. 2023, 2460, 012056. [Google Scholar] [CrossRef]
- Sa, Y.; Zhu, Z.; Tang, Y.; Li, X.; Shen, G. Adaptive dynamic surface control using nonlinear disturbance observers for position tracking of electro-hydraulic servo systems. Proc. Inst. Mech. Eng. Part I J. Syst. Control. Eng. 2022, 236, 634–653. [Google Scholar] [CrossRef]
- Li, M.; Shi, W.; Wei, J.; Fang, J.; Guo, K.; Zhang, Q. Parallel Velocity Control of an Electro-Hydraulic Actuator with Dual Disturbance Observers. IEEE Access 2019, 7, 56631–56641. [Google Scholar] [CrossRef]
- Yao, J.; Jiao, Z.; Ma, D. Extended-State-Observer-Based Output Feedback Nonlinear Robust Control of Hydraulic Systems with Backstepping. IEEE Trans. Ind. Electron. 2014, 61, 6285–6293. [Google Scholar] [CrossRef]
- Guo, Q.; Zhang, Y.; Celler, B.G.; Su, S.W. Backstepping Control of Electro-Hydraulic System Based on Extended-State-Observer With Plant Dynamics Largely Unknown. IEEE Trans. Ind. Electron. 2016, 63, 6909–6920. [Google Scholar] [CrossRef]
- Rashno, A.; Fadaei, S. Convolutional neural networks optimization using multi-objective particle swarm optimization algorithm. Inf. Sci. 2025, 689, 121443. [Google Scholar] [CrossRef]
- Zheng, W.M.; Liu, N.; Chai, Q.W.; Chu, S.C. A Compact Adaptive Particle Swarm Optimization Algorithm in the Application of the Mobile Sensor Localization. Wirel. Commun. Mob. Comput. 2021, 2021, 1676879. [Google Scholar] [CrossRef]
- Liu, X.; Zhang, P.; Fang, H.; Zhou, Y. Multi-Objective Reactive Power Optimization Based on Improved Particle Swarm Optimization with epsilon-Greedy Strategy and Pareto Archive Algorithm. IEEE Access 2021, 9, 65650–65659. [Google Scholar] [CrossRef]
- Ellahi, M.; Abbas, G.; Satrya, G.B.; Usman, M.R.; Gu, J. A Modified Hybrid Particle Swarm Optimization with Bat Algorithm Parameter Inspired Acceleration Coefficients for Solving Eco-Friendly and Economic Dispatch Problems. IEEE Access 2021, 9, 82169–82187. [Google Scholar] [CrossRef]
Disclaimer/Publisher’s Note: The statements, opinions and data contained in all publications are solely those of the individual author(s) and contributor(s) and not of MDPI and/or the editor(s). MDPI and/or the editor(s) disclaim responsibility for any injury to people or property resulting from any ideas, methods, instructions or products referred to in the content. |
© 2025 by the authors. Licensee MDPI, Basel, Switzerland. This article is an open access article distributed under the terms and conditions of the Creative Commons Attribution (CC BY) license (https://creativecommons.org/licenses/by/4.0/).