Sign in to use this feature.

Years

Between: -

Subjects

remove_circle_outline
remove_circle_outline
remove_circle_outline
remove_circle_outline
remove_circle_outline
remove_circle_outline
remove_circle_outline
remove_circle_outline
remove_circle_outline

Journals

Article Types

Countries / Regions

Search Results (81)

Search Parameters:
Keywords = electrodynamics properties

Order results
Result details
Results per page
Select all
Export citation of selected articles as:
19 pages, 4084 KB  
Article
Searching for Multimode Resonator Topologies with Adaptive Differential Evolution
by Vladimir Stanovov, Sergey Khodenkov, Ivan Rozhnov and Lev Kazakovtsev
Sensors 2025, 25(20), 6447; https://doi.org/10.3390/s25206447 - 18 Oct 2025
Viewed by 215
Abstract
Microwave devices based on microstrip resonators are widely used today in communication, radar, and navigation systems. The requirements to these devices may include specific frequency-selective properties, as well as size and production costs. The design of resonators and filters are mostly performed manually, [...] Read more.
Microwave devices based on microstrip resonators are widely used today in communication, radar, and navigation systems. The requirements to these devices may include specific frequency-selective properties, as well as size and production costs. The design of resonators and filters are mostly performed manually, as the process requires expert knowledge and computationally expensive modeling, so practitioners are usually limited to tuning a chosen example from a set of known, typical topologies. However, the set of possible topologies remains unexplored and may contain specific constructions, which have not been discovered yet. In this study we propose an approach to automatically search the space multimode resonator topologies using a zero-order optimization algorithm and numerous computational experiments. In particular, a family of symmetrical resonators constructed out of four rectangles is considered, and the parameters are tuned by the recently proposed L-SRTDE algorithm. We state the problem of building the topology of a microwave device conductor with specified frequency-selective characteristics as an optimization problem, and the minimized function (target function) in this problem is based on the evaluation of the deviation between the specified frequency-selective characteristics and their values obtained via electrodynamic modeling. The experiments with two target function formulations have shown that the proposed approach allows finding novel topologies and automatically tune them according to the required frequency-selective properties. It is shown that some of the topologies are different from the known ones but still demonstrate high-quality properties. Full article
(This article belongs to the Section Electronic Sensors)
Show Figures

Figure 1

25 pages, 2157 KB  
Article
Parametric Resonance via Neuronal Microtubules: Filtering Optical Signals by Tryptophan Qubits
by Akihiro Nishiyama, Shigenori Tanaka and Jack Adam Tuszynski
Quantum Rep. 2025, 7(3), 43; https://doi.org/10.3390/quantum7030043 - 17 Sep 2025
Viewed by 1265
Abstract
This paper aims to address the possibility of parametric resonance effects in microtubules via tryptophan qubits, using the Hamiltonian of the cavity quantum electrodynamics (QED) model involving photons in a waveguide and the surrounding environment. The time evolution equations for qubits and photons [...] Read more.
This paper aims to address the possibility of parametric resonance effects in microtubules via tryptophan qubits, using the Hamiltonian of the cavity quantum electrodynamics (QED) model involving photons in a waveguide and the surrounding environment. The time evolution equations for qubits and photons are derived using the input–output formulation. Input signals with a 560 nm wavelength are amplified by Rabi oscillations for tryptophan qubits in excited states. Here, the qubits organized in multiple layers are all in excited states. When an appropriate decay to the environment occurs as internal loss, which is prepared in multiple layers, we find binary patterns of the parametric amplification of input signals and the reduction of output signals. This property might help us to understand the information processing of optical signals by filtering them with the use of tryptophan residues in microtubules and diffused nonlocal processing spreading over the whole brain in the form of holograms. Full article
(This article belongs to the Topic Quantum Systems and Their Applications)
Show Figures

Figure 1

23 pages, 337 KB  
Article
A Spacetime Metric for the 4 + 1 Formalism
by Martin Land
Sci 2025, 7(3), 86; https://doi.org/10.3390/sci7030086 - 1 Jul 2025
Viewed by 538
Abstract
In his foundational work on classical and quantum electrodynamics, Stueckelberg introduced an external evolution parameter, τ, in order to overcome difficulties associated with the problem of time in relativity. Stueckelberg particle trajectories are described by the evolution of spacetime events under the [...] Read more.
In his foundational work on classical and quantum electrodynamics, Stueckelberg introduced an external evolution parameter, τ, in order to overcome difficulties associated with the problem of time in relativity. Stueckelberg particle trajectories are described by the evolution of spacetime events under the monotonic advance of τ, the basis for the Feynman–Stueckelberg interpretation of particle–antiparticle interactions. An event is a solution to τ-parameterized equations of motion, which, under simple conditions, including the elimination of pair processes, can be reparameterized by the proper time of motion. The 4+1 formalism in general relativity (GR) extends this framework to provide field equations for a τ-dependent local metric γμν(x,τ) induced by these Stueckelberg trajectories, leading to τ-parameterized geodesic equations in an evolving spacetime. As in standard GR, the linearized theory for weak fields leads to a wave equation for the local metric induced by a given matter source. While previous attempts to solve the wave equation have produced a metric with the expected features, the resulting geodesic equations for a test particle lead to unreasonable trajectories. In this paper, we discuss the difficulties associated with the wave equation and set up the more general ADM-like 4+1 evolution equations, providing an initial value problem for the metric induced by a given source. As in the familiar 3+1 formalism, the metric can be found as a perturbation to an exact solution for the metric induced by a known source. Here, we propose a metric, ansatz, with certain expected properties; obtain the source that induces this metric; and use them as the initial conditions in an initial value problem for a general metric posed as a perturbation to the ansatz. We show that the ansatz metric, its associated source, and the geodesic equations for a test particle behave as required for such a model, recovering Newtonian gravitation in the nonrelativistic limit. We then pose the initial value problem to obtain more general solutions as perturbations of the ansatz. Full article
20 pages, 311 KB  
Article
On Ulam–Hyers–Mittag-Leffler Stability of Fractional Integral Equations Containing Multiple Variable Delays
by Osman Tunç and Cemil Tunç
Mathematics 2025, 13(4), 606; https://doi.org/10.3390/math13040606 - 12 Feb 2025
Cited by 3 | Viewed by 1131
Abstract
In recent decades, many researchers have pointed out that derivatives and integrals of the non-integer order are well suited for describing various real-world materials, for example, polymers. It has also been shown that fractional-order mathematical models are more effective than integer-order mathematical models. [...] Read more.
In recent decades, many researchers have pointed out that derivatives and integrals of the non-integer order are well suited for describing various real-world materials, for example, polymers. It has also been shown that fractional-order mathematical models are more effective than integer-order mathematical models. Thereby, given these considerations, the investigation of qualitative properties, in particular, Ulam-type stabilities of fractional differential equations, fractional integral equations, etc., has now become a highly attractive subject for mathematicians, as this represents an important field of study due to their extensive applications in various branches of aerodynamics, biology, chemistry, the electrodynamics of complex media, polymer science, physics, rheology, and so on. Meanwhile, the qualitative concepts called Ulam–Hyers–Mittag-Leffler (U-H-M-L) stability and Ulam–Hyers–Mittag-Leffler–Rassias (U-H-M-L-R) stability are well-suited for describing the characteristics of fractional Ulam-type stabilities. The Banach contraction principle is a fundamental tool in nonlinear analysis, with numerous applications in operational equations, fractal theory, optimization theory, and various other fields. In this study, we consider a nonlinear fractional Volterra integral equation (FrVIE). The nonlinear terms in the FrVIE contain multiple variable delays. We prove the U-H-M-L stability and U-H-M-L-R stability of the FrVIE on a finite interval. Throughout this article, new sufficient conditions are obtained via six new results with regard to the U-H-M-L stability or the U-H-M-L-R stability of the FrVIE. The proofs depend on Banach’s fixed-point theorem, as well as the Chebyshev and Bielecki norms. In the particular case of the FrVIE, an example is delivered to illustrate U-H-M-L stability. Full article
(This article belongs to the Special Issue Advances in Mathematics: Equations, Algebra, and Discrete Mathematics)
17 pages, 3373 KB  
Review
Materials with Negative Permittivity or Negative Permeability—Review, Electrodynamic Modelling, and Applications
by Jerzy Krupka
Materials 2025, 18(2), 423; https://doi.org/10.3390/ma18020423 - 17 Jan 2025
Cited by 2 | Viewed by 3033
Abstract
A review of natural materials that exhibit negative permittivity or permeability, including gaseous plasma, metals, superconductors, and ferromagnetic materials, is presented. It is shown that samples made of such materials can store large amount of the electric (magnetic) energy and create plasmonic resonators [...] Read more.
A review of natural materials that exhibit negative permittivity or permeability, including gaseous plasma, metals, superconductors, and ferromagnetic materials, is presented. It is shown that samples made of such materials can store large amount of the electric (magnetic) energy and create plasmonic resonators for certain values of permittivity, permeability, and dimensions. The electric and the magnetic plasmon resonances in spherical samples made of such materials are analyzed using rigorous electrodynamic methods, and the results of the analysis are compared to experimental data and to results obtained with other methods. The results of free oscillation and Mie scattering theories are compared. Similarities and differences between permittivity and permeability tensors for magnetized plasma and magnetized ferromagnetic materials are underlined. Several physical phenomena are explained on the grounds of rigorous electrodynamic analysis and experiments. These phenomena include unequal electric and magnetic energies stored in plasmonic resonators, the small influence of dielectric losses on the Q-factors of magnetic plasmon resonances, the role of radiation and dissipation losses on the properties of plasmonic resonators, and the theoretical possibility of the existence of lightning plasma balls. Full article
(This article belongs to the Section Materials Physics)
Show Figures

Figure 1

18 pages, 2436 KB  
Article
Non-Contact Interaction Between Phorbol Myristate Acetate and Aqueous Alcohol Solutions Under Combined Magnetic Fields
by Vadim V. Novikov, Elena V. Yablokova, German O. Stepanov, Natalia N. Rodionova, Sergey A. Tarasov, Ekaterina V. Buravleva, Olga I. Yablonskaya and Vladimir L. Voeikov
Molecules 2024, 29(23), 5814; https://doi.org/10.3390/molecules29235814 - 9 Dec 2024
Cited by 2 | Viewed by 1255
Abstract
Previous research has demonstrated that a combined magnetic field (CMF) plays a critical role in modifying the properties of aqueous solutions, leading to an increase in the luminol-enhanced chemiluminescence of neutrophils. Using this model, the distant interaction between aqueous solutions was demonstrated, and [...] Read more.
Previous research has demonstrated that a combined magnetic field (CMF) plays a critical role in modifying the properties of aqueous solutions, leading to an increase in the luminol-enhanced chemiluminescence of neutrophils. Using this model, the distant interaction between aqueous solutions was demonstrated, and the role of a CMF in the regulation of this phenomenon was established. In the current study, highly diluted (HD) phorbol myristate acetate (PMA) solution (the donor) was incubated with aqueous ethanol (the acceptor), both in a CMF-generating device and under geomagnetic field (GMF), for 0, 20, and 60 min. After a 60 min incubation at a 0 cm distance with HD PMA under both GMF and CMF, acceptor samples added to neutrophils increased neutrophil chemiluminescence by approximately sevenfold. The ability of HD PMA, which had been incubated with an acceptor, to activate ROS production diminished within 60 min of observation. However, the HD PMA sample remained an effective donor for up to 6 days after preparation. At a 10 cm distance between the donor and acceptor, the activation of the acceptor did not occur. These findings provide new insights into the phenomenon of distant interaction of solutions, whose mechanisms are suggested to be related to the quantum electrodynamics of water molecular dynamic structures. Full article
(This article belongs to the Section Molecular Liquids)
Show Figures

Figure 1

20 pages, 2735 KB  
Article
Functional Nano-Metallic Coatings for Solar Cells: Their Theoretical Background and Modeling
by Witold Aleksander Jacak
Coatings 2024, 14(11), 1410; https://doi.org/10.3390/coatings14111410 - 6 Nov 2024
Viewed by 1108
Abstract
We have collected theoretical arguments supporting the functional role of nano-metallic coatings of solar cells, which enhance solar cell efficiency via by plasmon-strengthening the absorption of sun-light photons and reducing the binding energy of photoexcitons. The quantum character of the plasmonic effect related [...] Read more.
We have collected theoretical arguments supporting the functional role of nano-metallic coatings of solar cells, which enhance solar cell efficiency via by plasmon-strengthening the absorption of sun-light photons and reducing the binding energy of photoexcitons. The quantum character of the plasmonic effect related to the absorption of photons (called the optical plasmonic effect) is described in terms of the Fermi golden rule for the quantum transitions of semiconductor-band electrons induced by plasmons from a nano-metallic coating. The plasmonic effect related to the lowering of the exciton binding energy (called the electrical plasmonic effect) is of particular significance for metalized perovskite solar cells and is also characterized in quantum mechanics terms. The coupling between plasmons in nanoparticles from a coating with band electrons in a semiconductor substrate significantly modifies material properties (dielectric functions) both of the particles and the semiconductor, beyond the ability of the classical electrodynamics to describe. Full article
(This article belongs to the Special Issue Perovskite Films as Functional Coatings: Synthesis and Applications)
Show Figures

Figure 1

21 pages, 591 KB  
Article
Surrogate-Assisted Differential Evolution for the Design of Multimode Resonator Topology
by Vladimir Stanovov, Sergey Khodenkov, Sergey Gorbunov, Ivan Rozhnov and Lev Kazakovtsev
Sensors 2024, 24(15), 5057; https://doi.org/10.3390/s24155057 - 5 Aug 2024
Cited by 3 | Viewed by 1500
Abstract
The microstrip devices based on multimode resonators represent a class of electromagnetic microwave devices, promising use in tropospheric communication, radar, and navigation systems. The design of wideband bandpass filters, diplexers, and multiplexers with required frequency-selective properties, i.e., bandpass filters, is a complex problem, [...] Read more.
The microstrip devices based on multimode resonators represent a class of electromagnetic microwave devices, promising use in tropospheric communication, radar, and navigation systems. The design of wideband bandpass filters, diplexers, and multiplexers with required frequency-selective properties, i.e., bandpass filters, is a complex problem, as electrodynamic modeling is a time-consuming and computationally intensive process. Various planar microstrip resonator topologies can be developed, differing in their topology type, and the search for high-quality structures with unique frequency-selective properties is an important research direction. In this study, we propose an approach for performing an automated search for multimode resonators’ conductor topology parameters using a combination of evolutionary computation approach and surrogate modeling. In particular, a variant of differential evolution optimizer is applied, and the model of the target function landscape is built using Gaussian processes. At every iteration of the algorithm, the model is used to search for new high-quality solutions. In addition, a general approach for target function formulation is presented and applied in the proposed approach. The experiments with two microwave filters have demonstrated that the proposed algorithm is capable of solving the problem of tuning two types of topologies, namely three-mode resonators and six-mode resonators, to the required parameters, and the application of surrogated-assisted algorithm has significantly improved overall performance. Full article
Show Figures

Figure 1

15 pages, 4451 KB  
Article
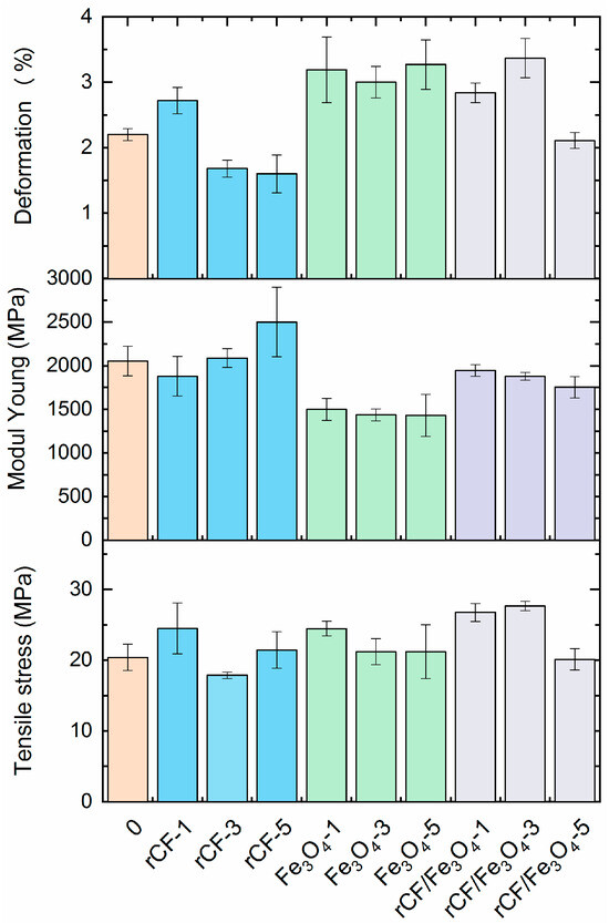
Electrophysical Characteristics of Acrylonitrile Butadiene Styrene Composites Filled with Magnetite and Carbon Fiber Fillers
by Elena A. Lebedeva, Elena V. Ivanova, Denis K. Trukhinov, Tatiana S. Istomina, Nikolay S. Knyazev, Alexander I. Malkin, Victor A. Chechetkin, Alexey N. Korotkov, Maria Balasoiu and Svetlana A. Astaf’eva
Polymers 2024, 16(15), 2153; https://doi.org/10.3390/polym16152153 - 29 Jul 2024
Cited by 2 | Viewed by 2157
Abstract
With the rapid development of wireless communication technologies and the miniaturization trend in the electronics industry, the reduction of electromagnetic interference has become an important issue. To solve this problem, a lot of attention has been focused on polymer composites with combined functional [...] Read more.
With the rapid development of wireless communication technologies and the miniaturization trend in the electronics industry, the reduction of electromagnetic interference has become an important issue. To solve this problem, a lot of attention has been focused on polymer composites with combined functional fillers. In this paper, we report a method for creating an acrylonitrile butadiene styrene (ABS) plastic composite with a low amount of conductive carbon and magnetic fillers preparation. Also, we investigate the mechanical, thermophysical, and electrodynamic characteristics of the resulting composites. Increasing the combined filler amount in the ABS composite from 1 to 5 wt % leads to a composite conductivity growth of almost 50 times. It is necessary to underline the temperature decrease of 5 wt % mass loss and, accordingly, the composite heat resistance reduction with an increase in the combined filler from 1 to 5 wt %, while the thermal conductivity remains almost constant. It was established that electrodynamic and physical–mechanical characteristics depend on the agglomeration of fillers. This work is expected to reveal the potential of combining commercially available fillers to construct effective materials with good electromagnetic interference (EMI) protection using mass production methods (extrusion and injection molding). Full article
(This article belongs to the Section Polymer Composites and Nanocomposites)
Show Figures

Figure 1

12 pages, 4726 KB  
Article
Experimental Investigation of Damping Properties of Selected Polymer Materials
by Lucjan Witek and Piotr Łabuński
Materials 2024, 17(12), 3021; https://doi.org/10.3390/ma17123021 - 20 Jun 2024
Cited by 3 | Viewed by 1632
Abstract
This paper presents the results of an experimental modal analysis of a beam covered by polymer materials used as a passive vibration isolation. The main aim of this study was to determine the damping properties of selected viscoelastic materials. In order to check [...] Read more.
This paper presents the results of an experimental modal analysis of a beam covered by polymer materials used as a passive vibration isolation. The main aim of this study was to determine the damping properties of selected viscoelastic materials. In order to check the damping properties of tested materials, an experimental modal analysis, with the use of an electrodynamic vibration system, was performed. In this study, four kinds of specimens were considered. In the first step of the work, the beam made out of aluminum alloy was investigated. Afterwards, a cantilever beam was covered with a layer of bitumen-based material acting as a damper. This method is commonly known as a free layer damping treatment (FLD). In order to increase the damping capabilities, the previous configuration was improved by fixing a thin aluminum layer directly to the viscoelastic core. Such a treatment is called constrained layer damping (CLD). Subsequently, another polymer (butyl rubber) in the CLD configuration was tested for its damping properties. As a result of the performed experimental modal analysis, the frequencies of resonant vibrations and their corresponding amplitudes were obtained. The experimental results were used to quantitatively evaluate the damping properties of tested materials. Full article
(This article belongs to the Section Mechanics of Materials)
Show Figures

Figure 1

33 pages, 681 KB  
Review
Mathieu–Hill Equation Stability Analysis for Trapped Ions: Anharmonic Corrections for Nonlinear Electrodynamic Traps
by Bogdan M. Mihalcea
Photonics 2024, 11(6), 551; https://doi.org/10.3390/photonics11060551 - 11 Jun 2024
Cited by 5 | Viewed by 3513
Abstract
The stability properties of the Hill equation are discussed, especially those of the Mathieu equation that characterize ion motion in electrodynamic traps. The solutions of the Mathieu-Hill equation for a trapped ion are characterized by employing the Floquet theory and Hill’s method solution, [...] Read more.
The stability properties of the Hill equation are discussed, especially those of the Mathieu equation that characterize ion motion in electrodynamic traps. The solutions of the Mathieu-Hill equation for a trapped ion are characterized by employing the Floquet theory and Hill’s method solution, which yields an infinite system of linear and homogeneous equations whose coefficients are recursively determined. Stability is discussed for parameters a and q that are real. Characteristic curves are introduced naturally by the Sturm–Liouville problem for the well-known even and odd Mathieu equations cem(z,q) and sem(z,q). In the case of a Paul trap, the stable solution corresponds to a superposition of harmonic motions. The maximum amplitude of stable oscillations for ideal conditions (taken into consideration) is derived. We illustrate the stability diagram for a combined (Paul and Penning) trap and represent the frontiers of the stability domains for both axial and radial motion, where the former is described by the canonical Mathieu equation. Anharmonic corrections for nonlinear Paul traps are discussed within the frame of perturbation theory, while the frontiers of the modified stability domains are determined as a function of the chosen perturbation parameter and we demonstrate they are shifted towards negative values of the a parameter. The applications of the results include but are not restricted to 2D and 3D ion traps used for different applications such as mass spectrometry (including nanoparticles), high resolution atomic spectroscopy and quantum engineering applications, among which we mention optical atomic clocks and quantum frequency metrology. Full article
(This article belongs to the Special Issue Advances in Quantum Technologies Based on Trapped Charged Particles)
Show Figures

Figure 1

10 pages, 1389 KB  
Article
An Alternative Approach to Determine the Dynamic Stiffness of Resilient Materials under Low Prestatic Load
by Jesús Carbajo, Pedro Poveda, Enrique Segovia, Andrés Prieto, Laura Río-Martín, José Daniel Pastor and Jaime Ramis
Appl. Sci. 2024, 14(11), 4925; https://doi.org/10.3390/app14114925 - 6 Jun 2024
Cited by 1 | Viewed by 2222
Abstract
Dynamic stiffness is a parameter of great importance for the assessment of the sound insulation properties of resilient materials commonly used under floating floors in dwellings. This work proposes a simplified approach that relies on an electro-mechanical circuit model for the determination of [...] Read more.
Dynamic stiffness is a parameter of great importance for the assessment of the sound insulation properties of resilient materials commonly used under floating floors in dwellings. This work proposes a simplified approach that relies on an electro-mechanical circuit model for the determination of this parameter using a two-degree-of-freedom system of masses and springs. Unlike the method described in the standard ISO 9052-1, the proposed approach uses a single electrodynamic actuator both as an impulser and vibration sensor, thus reducing the instrumental requirements and yielding a more stable arrangement. By measuring the input electrical impedance of the mass-loaded actuator when coupled to a slab–material system it was possible to retrieve the mechanical mobility function thereof and thus obtain the dynamic stiffness of the material. Several materials were tested following the proposed approach, with results showing good agreement when compared to those obtained following the standardized procedure. In general, the preliminary research encourages the use of the proposed approach for characterization purposes. Full article
Show Figures

Figure 1

13 pages, 6641 KB  
Article
Development of Biocompatible Electrospun PHBV-PLLA Polymeric Bilayer Composite Membranes for Skin Tissue Engineering Applications
by Muddasar Jamal, Faiza Sharif, Muhammad Shozab Mehdi, Muhammad Fakhar-e-Alam, Muhammad Asif, Waleed Mustafa, Mustehsan Bashir, Sikandar Rafiq, Mohamad Azmi Bustam, Saif-ur-Rehman, Kholood A. Dahlous, Mohamed F. Shibl and Noora H. Al-Qahtani
Molecules 2024, 29(9), 2049; https://doi.org/10.3390/molecules29092049 - 29 Apr 2024
Cited by 5 | Viewed by 2105
Abstract
Bilayer electrospun fibers aimed to be used for skin tissue engineering applications were fabricated for enhanced cell attachment and proliferation. Different ratios of PHBV-PLLA (70:30, 80:20, and 90:10 w/w) blends were electrospun on previously formed electrospun PHBV membranes to produce [...] Read more.
Bilayer electrospun fibers aimed to be used for skin tissue engineering applications were fabricated for enhanced cell attachment and proliferation. Different ratios of PHBV-PLLA (70:30, 80:20, and 90:10 w/w) blends were electrospun on previously formed electrospun PHBV membranes to produce their bilayers. The fabricated electrospun membranes were characterized with FTIR, which conformed to the characteristic peaks assigned for both PHBV and PLLA. The surface morphology was evaluated using SEM analysis that showed random fibers with porous morphology. The fiber diameter and pore size were measured in the range of 0.7 ± 0.1 µm and 1.9 ± 0.2 µm, respectively. The tensile properties of the bilayers were determined using an electrodynamic testing system. Bilayers had higher elongation at break (44.45%) compared to the monolayers (28.41%) and improved ultimate tensile strength (7.940 MPa) compared to the PHBV monolayer (2.450 MPa). In vitro cytotoxicity of each of the scaffolds was determined via culturing MC3T3 (pre-osteoblastic cell line) on the membranes. Proliferation was evaluated using the Alamar Blue assay on days 3, 7, and 14, respectively. SEM images of cells cultured on membranes were taken in addition to bright field imaging to visually show cell attachment. Fluorescent nuclear staining performed with DAPI was imaged with an inverted fluorescent microscope. The fabricated bilayer shows high mechanical strength as well as biocompatibility with good cell proliferation and cell attachment, showing potential for skin substitute applications. Full article
Show Figures

Figure 1

17 pages, 363 KB  
Review
Feynman Diagrams beyond Physics: From Biology to Economy
by Nicolò Cangiotti
Mathematics 2024, 12(9), 1295; https://doi.org/10.3390/math12091295 - 25 Apr 2024
Cited by 1 | Viewed by 3225
Abstract
Feynman diagrams represent one of the most powerful and fascinating tools developed in theoretical physics in the last century. Introduced within the framework of quantum electrodynamics as a suitable method for computing the amplitude of a physical process, they rapidly became a fundamental [...] Read more.
Feynman diagrams represent one of the most powerful and fascinating tools developed in theoretical physics in the last century. Introduced within the framework of quantum electrodynamics as a suitable method for computing the amplitude of a physical process, they rapidly became a fundamental mathematical object in quantum field theory. However, their abstract nature seems to suggest a wider usage, which actually exceeds the physical context. Indeed, as mathematical objects, they could simply be considered graphs that depict not only physical quantities but also biological or economic entities. We survey the analytical and algebraic properties of such diagrams to understand their utility in several areas of science, eventually providing some examples of recent applications. Full article
(This article belongs to the Special Issue Algebraic Structures and Graph Theory, 2nd Edition)
Show Figures

Figure 1

8 pages, 2356 KB  
Entry
Integrated Fabry–Perot Cavities: A Quantum Leap in Technology
by Philippe Velha
Encyclopedia 2024, 4(2), 622-629; https://doi.org/10.3390/encyclopedia4020039 - 22 Mar 2024
Viewed by 3295
Definition
Integrated Fabry–Perot cavities (IFPCs), often referred to as nanobeams due to their form factor and size, have profoundly modified the landscape of integrated photonics as a new building block for classical and quantum engineering. In this entry, the main properties of IFPCs will [...] Read more.
Integrated Fabry–Perot cavities (IFPCs), often referred to as nanobeams due to their form factor and size, have profoundly modified the landscape of integrated photonics as a new building block for classical and quantum engineering. In this entry, the main properties of IFPCs will be summarized from the classical and quantum point of view. The classical will provide some of the main results obtained in the last decade, whereas the quantum point of view will explore cavity quantum electrodynamics (CQED), which promises to revolutionize the future “quantum internet”. Full article
(This article belongs to the Section Physical Sciences)
Show Figures

Figure 1

Back to TopTop