Sign in to use this feature.

Years

Between: -

Subjects

remove_circle_outline
remove_circle_outline
remove_circle_outline
remove_circle_outline
remove_circle_outline

Journals

Article Types

Countries / Regions

Search Results (6)

Search Parameters:
Keywords = cascaded NPC/H-bridge inverter

Order results
Result details
Results per page
Select all
Export citation of selected articles as:
15 pages, 13208 KB  
Review
System Identification–Based Adaptive Real-Time Simulators for Power Electronic Converters—Application to Three-Phase and NPC Inverters
by Lahoucine Idkhajine, Mohamed Aarab and Eric Monmasson
Electronics 2023, 12(5), 1094; https://doi.org/10.3390/electronics12051094 - 22 Feb 2023
Cited by 2 | Viewed by 2246
Abstract
This paper deals with the real-time simulation of power electronic converters. It discusses a new approach for designing embedded real-time simulators (eRTSs) that approximate the static and dynamic behavior of a power converter at the switching scale. The main concept is to approximate [...] Read more.
This paper deals with the real-time simulation of power electronic converters. It discusses a new approach for designing embedded real-time simulators (eRTSs) that approximate the static and dynamic behavior of a power converter at the switching scale. The main concept is to approximate the voltage/current experimental characteristics of each switch using dedicated transfer functions obtained after a system identification process. The adaptive feature of such eRTS consists of developing varying and online reconfigurable coefficients transfer functions. The main potential of doing so is the possibility of reconfiguring the model according to the actual electrical/thermal environment where the power converter is used. Then, the latter is subdivided into independent switching cells, represented by dedicated RT models that are fully parallelized. Furthermore, using FPGA devices makes it possible to achieve very low latencies and, consequently, a short simulation time step. Previous work was published in this context, where this approach was deeply described and tested with half-bridge DC–DC, full-bridge DC–AC, and multi-level cascaded H-bridge (five-level and nine-level) power converters. This paper recalls the main basics and, more importantly, discusses additional case studies, namely a three-phase voltage source inverter, a half-bridge NPC (neutral-point clamped) inverter, and a three-phase NPC inverter. Full article
(This article belongs to the Section Power Electronics)
Show Figures

Figure 1

24 pages, 8238 KB  
Article
Mitigation of Circulating Bearing Current in Induction Motor Drive Using Modified ANN Based MRAS for Traction Application
by Usha Sengamalai, T. M. Thamizh Thentral, Palanisamy Ramasamy, Mohit Bajaj, Syed Sabir Hussain Bukhari, Ehab E. Elattar, Ahmed Althobaiti and Salah Kamel
Mathematics 2022, 10(8), 1220; https://doi.org/10.3390/math10081220 - 8 Apr 2022
Cited by 7 | Viewed by 2398
Abstract
Induction motors are popularly used in various applications because of the proposed modest construction, substantiated process, and limited size of specific power. The traditional AC traction drives are experimentally analyzed. There is a high circulating current due to the high Common-Mode Voltage (CMV). [...] Read more.
Induction motors are popularly used in various applications because of the proposed modest construction, substantiated process, and limited size of specific power. The traditional AC traction drives are experimentally analyzed. There is a high circulating current due to the high Common-Mode Voltage (CMV). The high Circulating Bearing Current (CBC) is a major problem in conventional two-level voltage source inverter fed parallel-connected sensor-based induction motors for traction applications. A sensorless method is well known for shrinking costs and enhancing the reliability of an induction motor drive. The modified artificial neural network-based model reference adaptive system is designed to realize speed estimation methods for the sensorless drive. Four dissimilar multilevel inverter network topologies are being implemented to reduce CBC in the proposed sensorless traction motor drives. The multilevel inverter types are T-bridge, Neutral Point Clamped Inverter (NPC), cascaded H-bridge, and modified reduced switch topologies. The four methods are compared, and the best method has been identified in terms of 80% less CMV compared to the conventional one. The modified cascaded H-bridge inverter reduces the CBC of the proposed artificial neural network-based parallel connected induction motor; it is 50% compared to the conventional method. The CBC of the modified method is analyzed and associated with the traditional method. Finally, the parallel-connected induction motor traction drive hardware is implemented, and the performance is analyzed. Full article
(This article belongs to the Special Issue Mathematics and Engineering II)
Show Figures

Figure 1

19 pages, 2585 KB  
Article
Capacitor Voltage Balancing of a Grid-Tied, Cascaded Multilevel Converter with Binary Asymmetric Voltage Levels Using an Optimal One-Step-Ahead Switching-State Combination Approach
by Manuel Kuder, Anton Kersten, Jose-Luis Marques-Lopez, Julian Estaller, Johannes Buberger, Florian Schwitzgebel, Torbjörn Thiringer, Anton Lesnicar, Rainer Marquardt, Thomas Weyh and Richard Eckerle
Energies 2022, 15(2), 575; https://doi.org/10.3390/en15020575 - 13 Jan 2022
Cited by 6 | Viewed by 2649
Abstract
This paper presents a novel capacitor voltage balancing control approach for cascaded multilevel inverters with an arbitrary number of series-connected H-Bridge modules (floating capacitor modules) with asymmetric voltages, tiered by a factor of two (binary asymmetric). Using a nearest-level reference waveform, the balancing [...] Read more.
This paper presents a novel capacitor voltage balancing control approach for cascaded multilevel inverters with an arbitrary number of series-connected H-Bridge modules (floating capacitor modules) with asymmetric voltages, tiered by a factor of two (binary asymmetric). Using a nearest-level reference waveform, the balancing approach uses a one-step-ahead approach to find the optimal switching-state combination among all redundant switching-state combinations to balance the capacitor voltages as quickly as possible. Moreover, using a Lyapunov function candidate and considering LaSalle’s invariance principle, it is shown that an offline calculated trajectory of optimal switching-state combinations for each discrete output voltage level can be used to operate (asymptotically stable) the inverter without measuring any of the capacitor voltages, achieving a novel sensorless control as well. To verify the stability of the one-step-ahead balancing approach and its sensorless variant, a demonstrator inverter with 33 levels is operated in grid-tied mode. For the chosen 33-level converter, the NPC main-stage and the individual H-bridge modules are operated with an individual switching frequency of about 1 kHz and 2 kHz, respectively. The sensorless approach slightly reduced the dynamic system response and, furthermore, the current THD for the chosen operating point was increased from 3.28 to 4.58 in comparison with that of using the capacitor voltage feedback. Full article
(This article belongs to the Special Issue Building Automation and Special Electrical Systems)
Show Figures

Figure 1

21 pages, 11904 KB  
Article
Realization of a Generalized Switched-Capacitor Multilevel Inverter Topology with Less Switch Requirement
by Anzar Ahmad, MU Anas, Adil Sarwar, Mohammad Zaid, Mohd Tariq, Javed Ahmad and Abdul R. Beig
Energies 2020, 13(7), 1556; https://doi.org/10.3390/en13071556 - 27 Mar 2020
Cited by 27 | Viewed by 3395
Abstract
Conventional multilevel inverter topologies like neutral point clamped (NPC), flying capacitor (FC), and cascade H bridge (CHB) are employed in the industry but require a large number of switches and passive and active components for the generation of a higher number of voltage [...] Read more.
Conventional multilevel inverter topologies like neutral point clamped (NPC), flying capacitor (FC), and cascade H bridge (CHB) are employed in the industry but require a large number of switches and passive and active components for the generation of a higher number of voltage levels. Consequently, the cost and complexity of the inverter increases. In this work, the basic unit of a switched capacitor topology was generalized utilizing a cascaded H-bridge structure for realizing a switched-capacitor multilevel inverter (SCMLI). The proposed generalized MLI can generate a significant number of output voltage levels with a lower number of components. The operation of symmetric and asymmetric configurations was shown with 13 and 31 level output voltage generation, respectively. Self-capacitor voltage balancing and boosting capability are the key features of the proposed SCMLI structure. The nearest level control modulation scheme was employed for controlling and regulating the output voltage. Based on the longest discharging time, the optimum value of capacitance was also calculated. A generalized formula for the generation of higher voltage levels was also derived. The proposed model was simulated in the MATLAB®/Simulink 2016a environment. Simulation results were validated with the hardware implementation. Full article
(This article belongs to the Section F: Electrical Engineering)
Show Figures

Figure 1

25 pages, 16117 KB  
Article
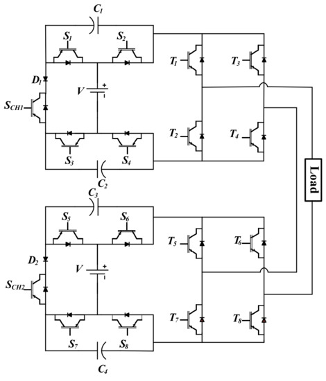
Improved Neutral-Point Voltage-Shifting Strategy for Power Balancing in Cascaded NPC/H-Bridge Inverter
by Jin-Wook Kang, Seung-Wook Hyun, Jae-Ok Ha and Chung-Yuen Won
Electronics 2018, 7(9), 167; https://doi.org/10.3390/electronics7090167 - 29 Aug 2018
Cited by 11 | Viewed by 5809
Abstract
This paper investigates the fault-tolerance control of a multilevel cascaded NPC/H-bridge (CNHB) inverter. The fault-tolerance control method has been widely used for multilevel inverters, such as the neutral-point voltage-shifting control, which can operate for a certain period of time by compensating for the [...] Read more.
This paper investigates the fault-tolerance control of a multilevel cascaded NPC/H-bridge (CNHB) inverter. The fault-tolerance control method has been widely used for multilevel inverters, such as the neutral-point voltage-shifting control, which can operate for a certain period of time by compensating for the phase voltage of a faulty stack even if one stack is broken. Even though the three-phase equilibrium is maintained in the case of failure by using the conventional neutral-point voltage-shifting control, an imbalance in the output power occurs between each stack, which causes problems for maintenance and lifetime. Therefore, this paper proposes a fault-tolerance control that can maintain three-phase equilibrium in a case of stack failures and minimize power imbalances between the stacks. The problem of the conventional neutral-point voltage-shifting control is presented based on the output power. In addition, the power imbalance is improved by performing selective neutral-point voltage-shifting control according to the reference voltage range. To verify the principle and feasibility of the proposed neutral-point voltage-shifting control method, a simulation and an experiment are implemented with the CNHB inverter. Full article
(This article belongs to the Special Issue Renewable Electric Energy Systems)
Show Figures

Figure 1

25 pages, 8782 KB  
Article
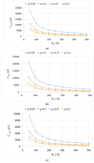
An Enhanced Control Scheme Based on New Adaptive Filters for Cascaded NPC/H-Bridge System
by Jin-Wook Kang, Hoon Lee, Seung-Wook Hyun, Jintae Kim and Chung-Yuen Won
Energies 2018, 11(5), 1034; https://doi.org/10.3390/en11051034 - 24 Apr 2018
Cited by 4 | Viewed by 4830
Abstract
This paper studies the voltage fluctuation of dc-link generated in a 13-level cascaded neutral point clamped (NPC)/h-bridge (CNHB) with single-phase active front end (AFE) at the input side of each cell. The voltage fluctuation may deteriorate the power factor (PF) and current harmonics [...] Read more.
This paper studies the voltage fluctuation of dc-link generated in a 13-level cascaded neutral point clamped (NPC)/h-bridge (CNHB) with single-phase active front end (AFE) at the input side of each cell. The voltage fluctuation may deteriorate the power factor (PF) and current harmonics in the system. In this paper, new adaptive filters are proposed to overcome the problem. The center frequency of the proposed filters can be automatically varied, which allows to eliminate the specific harmonics in the dc-link well rather than the conventional one. Therefore, it can reduce the fluctuation of dc-link and maintain high PF and low current harmonic distortion without additional circuits externally or the current harmonics injection technique. As a result, capacitance for the dc-link can be optimally designed, and even cost and volume of the system can be reduced. This paper analyzes reasons of increasing voltage fluctuation theoretically and the conventional filter and proposed two types of adaptive filters are compared. In addition, the optimal design method of the dc-link capacitor necessarily used in NPC/h-bridge is presented. To verify the principle and feasibility of the proposed control method, a simulation and experiment are implemented with the CNHB system. Full article
(This article belongs to the Special Issue Power Electronics 2018)
Show Figures

Figure 1

Back to TopTop