Next Article in Journal
Novel Modeling Methodology for Thermal Evaluation of an Electrically Assisted High-Speed Turbomachine
Previous Article in Journal
A Generic Approach for Safety Assessment of Medium-Risk Drones
 
 
Font Type:
Arial Georgia Verdana
Font Size:
Aa Aa Aa
Line Spacing:
Column Width:
Background:
Proceeding Paper

Experimental Evaluation of Mechanical Properties in Transmission Mechanisms of Electromechanical Actuators †

Department of Mechanical and Aerospace Engineering (DIMEAS), Politecnico di Torino, 10129 Turin, Italy
*
Author to whom correspondence should be addressed.
Presented at the 14th EASN International Conference on “Innovation in Aviation & Space towards sustainability today & tomorrow”, Thessaloniki, Greece, 8–11 October 2024.
Eng. Proc. 2025, 90(1), 51; https://doi.org/10.3390/engproc2025090051
Published: 14 March 2025

Abstract

The application of electromechanical actuators (EMAs) is experiencing significant growth across various industrial sectors, including the aerospace industry. This shift involves a transition from hydraulic to electric actuation, which promises to reduce the overall weight of aircraft while increasing system efficiency. However, the use of EMAs is currently limited to non-safety-critical functions due to the still limited understanding of their behavior. Accurate mathematical models are essential for analyzing their operation and interaction within complex systems. This study aims to present a methodology for simulating the behavior of motion transmission components under loads in static conditions. To achieve this, experimental data were collected from an existing test bench designed to enhance the elastoplastic effects within the motion transmission system. Preliminary analysis of these data enabled modifications to the model’s architecture to incorporate the compliance of the mechanical line. Subsequent fine-tuning of the parameters improved the correspondence with the real system’s response. The results indicate that the refined model could accurately simulate the behavior of electromechanical actuators under the specified conditions, providing a valuable tool for the design and optimization of these systems in industrial applications. Future work will focus on extending this methodology to dynamic conditions and validating the model against a wider range of operational scenarios.

1. Introduction

Recent trends in aerospace engineering demonstrate significant investment in the electrification of aircraft systems, as illustrated in Figure 1. This transition involves replacing traditional hydraulic actuators with electrical systems across various aircraft functions. Electric actuation systems have demonstrated several advantages over their hydraulic counterparts, including reduced weight, enhanced efficiency, and greater operational flexibility.
The potential benefits of this transition are substantial [1]. For instance, the complete electrification of actuation systems in the Airbus A300 series could achieve a weight reduction of approximately 500 kg. Furthermore, electric systems demonstrate superior efficiency compared to hydraulic systems, potentially reducing fuel consumption by up to 9% and decreasing take-off weight by 1% [2]. These improvements suggest significant potential for overall aircraft weight reduction and system efficiency enhancement.
However, the implementation of electromechanical actuators (EMAs) remains restricted to non-safety-critical functions due to a limited understanding of their operational behavior [3]. To address this limitation, model-based approaches offer a potential solution for testing and design validation. The methodology presented in this study aims to simulate actuator behavior with response times, intermediate between primary and secondary flight control systems. While modeling enables high-precision performance simulation, it necessitates rigorous verification to ensure an accurate representation of the actual system behavior.
Figure 1. The time evolution of the power rating of electric generators installed in currently operational aircraft [4].
Figure 1. The time evolution of the power rating of electric generators installed in currently operational aircraft [4].
Engproc 90 00051 g001
The use of such actuators is not only limited to fields where high power is required but also extends to sectors where considerable actuation precision is needed. For this reason, being able to determine the behavior of this type of actuator in the presence of realistic and thus compliant mechanical transmissions is of interest.
This study therefore aims to present a methodology for simulating the behavior of motion transmission components under loads in both static and dynamic conditions, with particular attention to the position reached by the end user, with the goal of accurately determining the performance of mechanical transmissions.

2. Materials and Methods

In order to develop and validate a model capable of simulating the behavior of a mechanical transmission, extensive use was made of a previously designed test bench [5] shown in Figure 2. This test bench is intended to simulate the operation of an EMA for aerospace applications, particularly for secondary flight controls like those used on flaps. The test bench primarily consists of Commercial Off-The-Shelf (COTS) components combined with internally produced elements.
The use of COTS components allows for significant cost and time reduction while maintaining a high level of fidelity to real-world aerospace EMA systems. Key COTS components include the following:
  • A Siemens (Munich, Gemany) SIMOTICS Permanent Magnet Synchronous Motor (PMSM) and its power inverter;
  • A Programmable Logic Controller (PLC) that manages the command time-history and functions as a data logger;
  • A high-resolution encoder to measure the position of the output shaft for closed-loop control.
These industrial-grade COTS components, while heavier than aerospace-specific hardware, share the same basic architecture and potential failure modes, making them suitable for collecting datasets for diagnostic and prognostic algorithms.
Meanwhile, the development of custom elements through additive manufacturing techniques, specifically Fused Deposition Modeling (FDM), has increased the flexibility of the assembly process. This approach enables rapid prototyping and iterative design improvements. Key custom-designed elements include the following:
  • A planetary gearbox produced using FDM technology, allowing for a high gear ratio with a small form factor [6];
  • A braking shaft responsible for generating the resisting torque.
The use of additive-manufactured elements also allows for the amplification of elastic effects in mechanical components without the need for large loads. This is particularly useful for simulating and studying the behavior of the system under various conditions, including potential failure modes.
The test bench features a unique dual torque path system:
  • A direct path through the FDM gearbox to the output shaft, where loads are applied to simulate loads on the gearbox itself;
  • A high-torque path from the motor to the braking shaft, bypassing the FDM gearbox, for simulating loads on the motor.
This design allows for the separate testing of motor and gearbox behaviors under various load conditions, despite the limitations of the FDM-produced gearbox in terms of torque capacity.
Overall, this test bench design offers a cost-effective and flexible solution for studying EMA behavior and developing prognostic and health management (PHM) systems for aerospace applications, while allowing for rapid prototyping and iterative improvements through the use of additive manufacturing techniques.
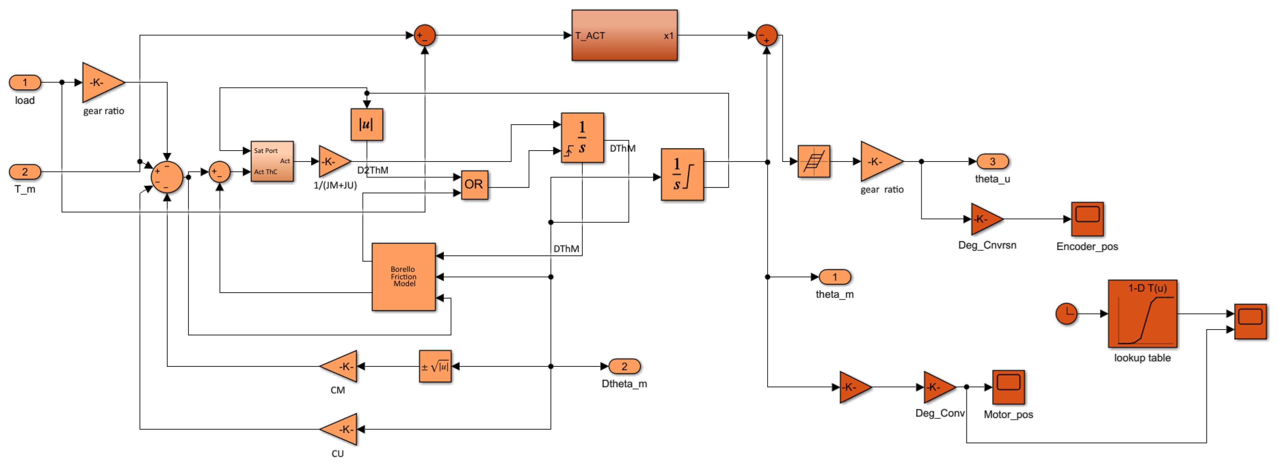
Proceeding with the description of the adopted numerical model shown in Figure 3, this work extends a previously implemented model that replicates test bench operational characteristics by maintaining consistency with the macroscopic architecture of the physical system.
In particular, the Command module generates position reference signals for the Control Electronics subsystem. This control unit processes the position error (between commanded and actual positions) and motor velocity to regulate the output current intensity. The generated control signal feeds into the Inverter Model subsystem, which, in conjunction with position feedback from the Resolver subsystem and electromagnetic calculations, generates appropriate phase voltages for motor operation. The Electromagnetic Model subsystem computes phase currents while accounting for motor-transmission dynamic effects. These dynamic characteristics are determined by the Motor-Transmission Dynamical Model subsystem, which integrates external resistance and driving forces to compute the motor–gearbox assembly’s position and angular velocity. Finally, the Signal Acquisition subsystem transforms the three-phase currents into direct and quadrature current components [7].
The experimental investigation was conducted in two distinct phases: steady-state system property characterization followed by dynamic response characterization and optimization.
The first test series compared transmission response characteristics before and after applying various loads levels to the gearbox output shaft, enabling the characterization of elastic behavior. The preliminary dataset enabled the implementation of elastoplastic behavior in the numerical test bench. The numerical representation was modified through the integration of an elastoplastic element subjected to the resultant torques derived from motor output and resistive loading conditions, enabling the simulation of the system response under transmission loads.
Subsequently, model parameters underwent fine-tuning procedures to enhance system response accuracy, with particular emphasis on dynamic conditions. Special attention was devoted to the optimization of gearbox damping coefficients. Given that these parameters are challenging to determine solely from material properties, an iterative optimization process was implemented, comparing the real system response with numerical model predictions to achieve parameter identification.

3. Results

Final positional data from motor and encoder measurements, along with corresponding test loads, were analyzed. The dataset was analyzed to produce load–angular position correlation curves, offering insights into transmission compliance. The gradient characteristics of these curves enabled a quantitative assessment of the transmission line’s compliance [8].
Torsional deformation in the mechanical transmission line was measured as the angular displacement between the input and output shafts as shown in Figure 4. The preliminary compliance of the transmission was calculated as 27.28 Nm/deg.
For the evaluation of the damping coefficient, a preliminary value, derived from previous experimental research, was incorporated into the model shown in Figure 5. This initial estimation provided a baseline magnitude for subsequent optimization through iterative refinement procedures to accurately characterize the complete transmission line dynamics.
A comprehensive comparative analysis between numerical model predictions and experimental measurements, illustrated in Figure 6, validates the effectiveness of the implemented modifications in reproducing the transmission system’s compliant behavior. The correlation between predicted and measured responses demonstrates the model’s capability to capture the essential characteristics of the mechanical transmission system under various loading conditions.
The experimental data, acquired through the encoder positioned downstream of the transmission assembly, exhibit some localized deviations from the numerical predictions. These variations can be attributed to two primary factors: the inherent high sensitivity of the measurement system and the necessity for human intervention during specific phases of the testing procedures. Despite these localized discrepancies, the overall response characteristics maintain remarkable consistency in terms of the trend behavior and magnitude order.
The observed deviations were particularly evident in regions of rapid load variation, where the high-resolution encoder captured subtle mechanical responses that may have been influenced by testing conditions. However, these minor variations did not significantly impact the model’s ability to predict the system’s fundamental behavior, as evidenced by the strong correlation in the general response patterns and the consistent reproduction of key mechanical characteristics.

4. Discussion

The iterative refinement methodology employed in this investigation emphasizes the critical role of empirical validation in optimizing complex mechanical systems. Systematic experimental testing and modeling techniques provided useful insights into transmission line behavior, particularly regarding compliance and damping characteristics under varying load conditions.
The optimization of these parameters validated the theoretical framework, demonstrating a significant correlation between computational predictions and experimental data. The implemented modifications enhanced the model’s predictive capabilities in reproducing test bench behavior under torques not directly applied to the motor output shaft, yielding more accurate transmission response characteristics and improved system fidelity.

Author Contributions

Conceptualization, M.B. and M.D.L.D.V.; methodology, M.B., E.B. and M.D.L.D.V.; validation, M.B.; resources, M.B. and E.B.; writing—original draft preparation, M.B. and E.B.; writing—review and editing, M.B., M.D.L.D.V. and E.B.; supervision, M.D.L.D.V. and P.M.; project administration, P.M. and M.D.L.D.V.; funding acquisition, P.M. and M.D.L.D.V. All authors have read and agreed to the published version of the manuscript.

Funding

This research received no external funding.

Institutional Review Board Statement

Not applicable.

Informed Consent Statement

Not applicable.

Data Availability Statement

Research data is available upon request.

Conflicts of Interest

The authors declare no conflicts of interest.

References

  1. Roth, M.E.; Taylor, L.M.; Hansen, I.G. Status of electrical actuator applications. In Proceedings of the 31st Intersociety Energy Conversion Engineering Conference, Washington, DC, USA, 11–16 August 1996; IEEE: Piscataway, NJ, USA, 1996; Volume 1, pp. 191–196. [Google Scholar]
  2. Li, J.; Yu, Z.; Huang, Y.; Li, Z. A review of electromechanical actuation system for more electric aircraft. In Proceedings of the 2016 IEEE International Conference on Aircraft Utility Systems (AUS), Beijing, China, 10–12 October 2016; IEEE: Piscataway, NJ, USA, 2016; pp. 490–497. [Google Scholar]
  3. Qiao, G.; Liu, G.; Shi, Z.; Wang, Y.; Ma, S.; Lim, T.C. A review of electromechanical actuators for More/All Electric aircraft systems. Proc. Inst. Mech. Eng. Part C J. Mech. Eng. Sci. 2018, 232, 4128–4151. [Google Scholar] [CrossRef]
  4. Tom, L.; Khowja, M.; Vakil, G.; Gerada, C. Commercial aircraft electrification—Current state and future scope. Energies 2021, 14, 8381. [Google Scholar] [CrossRef]
  5. Berri, P.C.; Dalla Vedova, M.D.; Maggiore, P. Design and development of an Electromechanical Actuator test bench for validation of health monitoring models. In Proceedings of the 31st European Safety and Reliability Conference (ESREL 2021), Angers, France, 19–23 September 2021; Research Publishing Services: Chennai, India, 2021; pp. 2473–2478. [Google Scholar]
  6. Berri, P.; Dalla Vedova, M.; Aimasso, A.; Ferro, C.; Maggiore, P.; Riva, G. 3D printing to support experimental activities: Lessons learned from rapid prototyping of an electromechanical actuator gearbox. Int. J. Mech. Control 2023, 24, 149–156. [Google Scholar]
  7. Berri, P.C.; Dalla Vedova, M.D.L.; Maggiore, P.; Scanavino, M. Permanent magnet synchronous motor (PMSM) for aerospace servomechanisms: Proposal of a lumped model for prognostics. In Proceedings of the 2018 2nd European Conference on Electrical Engineering and Computer Science (EECS), Bern, Switzerland, 20–22 December 2018; IEEE: Piscataway, NJ, USA, 2018; pp. 471–477. [Google Scholar]
  8. Popenda, A.; Lis, M.; Nowak, M.; Blecharz, K. Mathematical modelling of drive system with an elastic coupling based on formal analogy between the transmission shaft and the electric transmission line. Energies 2020, 13, 1181. [Google Scholar] [CrossRef]
Figure 2. Test bench diagram and picture.
Figure 2. Test bench diagram and picture.
Engproc 90 00051 g002
Figure 3. Numerical model overview.
Figure 3. Numerical model overview.
Engproc 90 00051 g003
Figure 4. Angular loss for various load levels.
Figure 4. Angular loss for various load levels.
Engproc 90 00051 g004
Figure 5. Improved mechanical transmission model.
Figure 5. Improved mechanical transmission model.
Engproc 90 00051 g005
Figure 6. Comparison between model’s dynamic response and experimental test results.
Figure 6. Comparison between model’s dynamic response and experimental test results.
Engproc 90 00051 g006
Disclaimer/Publisher’s Note: The statements, opinions and data contained in all publications are solely those of the individual author(s) and contributor(s) and not of MDPI and/or the editor(s). MDPI and/or the editor(s) disclaim responsibility for any injury to people or property resulting from any ideas, methods, instructions or products referred to in the content.

Share and Cite

MDPI and ACS Style

Bertone, M.; Briano, E.; Maggiore, P.; Dalla Vedova, M.D.L. Experimental Evaluation of Mechanical Properties in Transmission Mechanisms of Electromechanical Actuators. Eng. Proc. 2025, 90, 51. https://doi.org/10.3390/engproc2025090051

AMA Style

Bertone M, Briano E, Maggiore P, Dalla Vedova MDL. Experimental Evaluation of Mechanical Properties in Transmission Mechanisms of Electromechanical Actuators. Engineering Proceedings. 2025; 90(1):51. https://doi.org/10.3390/engproc2025090051

Chicago/Turabian Style

Bertone, Matteo, Edoardo Briano, Paolo Maggiore, and Matteo D. L. Dalla Vedova. 2025. "Experimental Evaluation of Mechanical Properties in Transmission Mechanisms of Electromechanical Actuators" Engineering Proceedings 90, no. 1: 51. https://doi.org/10.3390/engproc2025090051

APA Style

Bertone, M., Briano, E., Maggiore, P., & Dalla Vedova, M. D. L. (2025). Experimental Evaluation of Mechanical Properties in Transmission Mechanisms of Electromechanical Actuators. Engineering Proceedings, 90(1), 51. https://doi.org/10.3390/engproc2025090051

Article Metrics

Back to TopTop