A Review of Advances in Brushless Synchronous Motor Drive’s Control Techniques
Abstract
1. Introduction
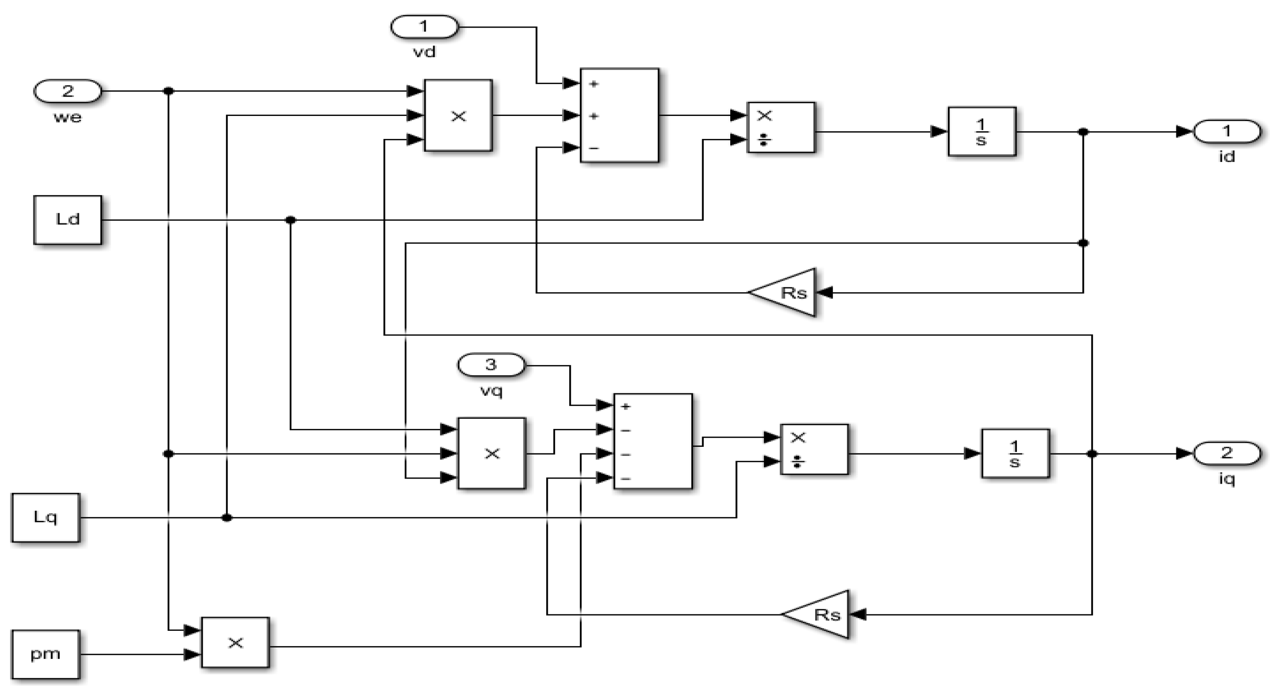
2. Dynamic Modelling Brushless Synchronous Motor Drive
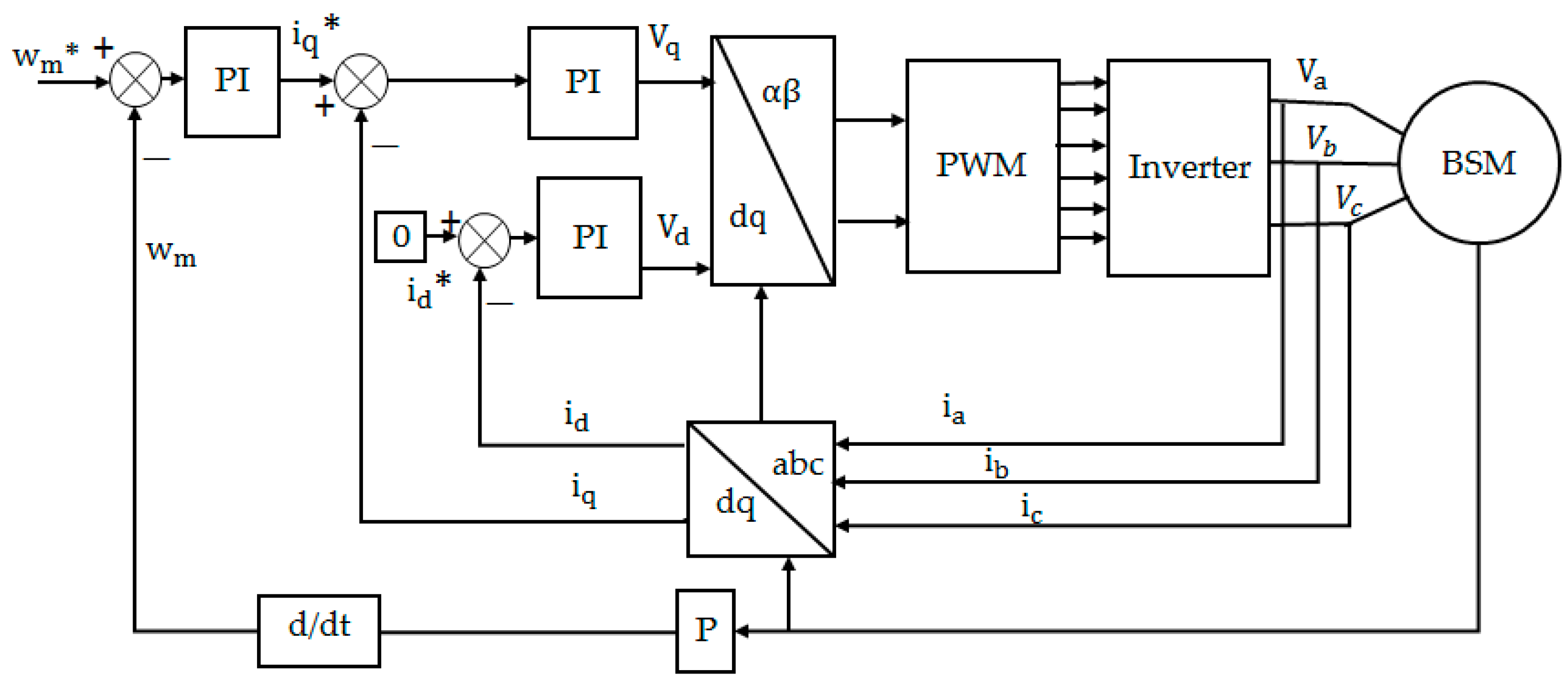
2.1. Field Oriented Control
2.2. Direct Torque Control
3. Latest Advances in Brushless Synchronous Motor Control Techniques
3.1. Model Predictive Control
3.2. Sliding Mode Control
3.3. Reinforcement Learning
3.4. Fuzzy Logic-Based Control
4. Simulation of Brushless Synchronous Motor
5. Results and Discussion
Applications of Various Control Methods
- PID control
- MPC
- SMC
- RL
- FLC
6. Conclusions
Funding
Conflicts of Interest
Nomenclature
| PI | Proportional Integral Control | Mechanical Speed | |
| PID | Proportional Integral Derivative Control | Electrical Speed | |
| BSM | Brushless Synchronous Motor | Number of Poles | |
| DC | Direct Current | Electromagnetic Torque | |
| AC | Alternating Current | J | Moment of Inertia |
| PMSM | Permanent Magnet Synchronous Motor | Load Torque | |
| SYRM | Synchronous Reluctance Motor | FOC | Field-Oriented Control |
| PMa-SynRM | Permanent Magnet Assisted Synchronous Reluctance Motor | DTC | Direct Torque Control |
| MTPA | Maximum Torque per Ampere | MPC | Model Predictive Control |
| Direct Axis Voltage | CCS-MPC | Continuous Control Set Model Predictive Control | |
| Quadrature Axis Voltage | FCS-MPC | Finite Control Set Model Predictive Control | |
| Direct axis current | SMC | Sliding Mode Control | |
| Quadrature axis current | TSF | Torque Sharing Function | |
| Direct Axis Inductance | PWM | Pulse Width Modulation | |
| Quadrature Axis Inductance | VSI | Voltage Source Inverter | |
| Flux Due To Permanent Magnets | Stator Resistance | ||
| FCL | Fuzzy Logic Control | RL | Reinforcement Learning |
References
- IEA. Global EV Outlook 2024; IEA: Paris, France, 2024; Available online: https://www.iea.org/reports/global-ev-outlook-2024 (accessed on 30 September 2024).
- Sayed, S.; Elmenshawy, M.; Elmenshawy, M.; Bader, Q.; Iqbal, A. Comparison of direct torque control and indirect field-oriented control for three-phase induction machine. In Renewable Power for Sustainable Growth, Proceedings of the International Conference on Renewal Power (ICRP 2020); Springer: Singapore, 2021. [Google Scholar]
- Baneira, F.; Doval-Gandoy, J.; Yepes, A.G.; López, Ó.; Pérez-Estévez, D. Control Strategy for Multiphase Drives with Minimum Losses in the Full Torque Operation Range Under Single Open-Phase Fault. IEEE Trans. Power Electron. 2017, 32, 6275–6285. [Google Scholar] [CrossRef]
- Sun, X.; Xiong, Y.; Yang, J.; Tian, X. Torque Ripple Reduction for a 12/8 Switched Reluctance Motor Based on a Novel Sliding Mode Control Strategy. IEEE Trans. Transp. Electrif. 2023, 9, 359–369. [Google Scholar] [CrossRef]
- Ismaeel, S.M.; Allam, S.M.; Rashad, E.M. Current Vector Control Techniques of Five-Phase Synchronous Reluctance Motor Drive Systems. In Proceedings of the 2019 21st International Middle East Power Systems Conference (MEPCON), Cairo, Egypt, 17–19 December 2019. [Google Scholar] [CrossRef]
- Arafat, A.K.M.; Choi, S. Active Current Harmonic Suppression for Torque Ripple Minimization at Open-Phase Faults in a Five-Phase PMa-SynRM. IEEE Trans. Ind. Electron. 2019, 66, 922–931. [Google Scholar] [CrossRef]
- Siadatan, A.; Goltieb, J.; Afjei, E. Comparison of power factor between permanent magnet assisted synchronous reluctance motor with neodymium-iron-boron and ferrite magnets. In Proceedings of the 2020 International Symposium on Power Electronics, Electrical Drives, Automation and Motion (SPEEDAM), Sorrento, Italy, 24–26 June 2020; pp. 144–150. [Google Scholar] [CrossRef]
- Abdel-Khalik, A.; Elserougi, A.; Ahmed, S.; Massoud, A. Vector Control Scheme of Five-Phase Induction Machines under Open-Circuit Phase Faults. J. Energy Power Eng. 2014, 8, 144–151. [Google Scholar] [CrossRef][Green Version]
- Shi, R.; Shi, R.; Shi, R.; Toliyat, H.A.; El-Antably, A. A DSP-based direct torque control of five-phase synchronous reluctance motor drive. In Proceedings of the APEC 2001. Sixteenth Annual IEEE Applied Power Electronics Conference and Exposition (Cat. No.01CH37181), Anaheim, CA, USA, 4–8 March 2001; Volume 2, pp. 1077–1082. [Google Scholar] [CrossRef]
- Guzmán, H.; Durán, M.J.; Barrero, F. A comprehensive fault analysis of a five-phase induction motor drive with an open phase. In Proceedings of the 2012 15th International Power Electronics and Motion Control Conference (EPE/PEMC), Novi Sad, Serbia, 4–6 September 2012; pp. LS5b.3-1–LS5b.3-6. [Google Scholar] [CrossRef]
- Liu, C.; Luo, Y. Overview of advanced control strategies for electric machines. Chin. J. Electr. Eng. 2017, 3, 53–61. [Google Scholar] [CrossRef]
- De Klerk, M.L.; Saha, A.K. A Comprehensive Review of Advanced Traction Motor Control Techniques Suitable for Electric Vehicle Applications. IEEE Access 2021, 9, 125080–125108. [Google Scholar] [CrossRef]
- Iturra, R.G.; Thiemann, P. Sensorless Field Oriented Control of PMSM using Direct Flux Control with improved measurement sequence. In Proceedings of the 2021 XVIII International Scientific Technical Conference Alternating Current Electric Drives (ACED), Ekaterinburg, Russia, 24–27 May 2021. [Google Scholar] [CrossRef]
- Bhattacharjee, S. Development and Implementation of Novel Intelligent Motor Control for Performance Enhancement of PMSM Drive in Electrified Vehicle Application. Master’s Thesis, University of Windsor (Canada), Windsor, ON, Canada, 2021. [Google Scholar]
- Najem, A.; Moutabir, A.; Rafik, M.; Ouchatti, A. Comparative Study of PMSM Control Using Reinforcement Learning and PID Control. In Proceedings of the 2023 3rd International Conference on Innovative Research in Applied Science, Engineering and Technology (IRASET), Mohammedia, Morocco, 18–19 May 2023; pp. 1–5. [Google Scholar] [CrossRef]
- Suman, K.; Suneeta, K.; Sasikala, M. Direct Torque Controlled induction motor drive with space vector modulation fed with three-level inverter. In Proceedings of the 2012 IEEE International Conference on Power Electronics, Drives and Energy Systems (PEDES), Bengaluru, India, 16–19 December 2012; pp. 1–6. [Google Scholar] [CrossRef]
- El Ouanjli, N.; Derouich, A.; El Ghzizal, A.; Motahhir, S.; Chebabhi, A.; El Mourabit, Y.; Taoussi, M. Modern improvement techniques of direct torque control for induction motor drives—A review. Prot. Control Mod. Power Syst. 2019, 4, 11. [Google Scholar] [CrossRef]
- Woldeyohannes, M. Analysis and Model of Sensor-Less Modified Direct Torque Control Surface Permanent Magnet Synchronous Machine for Electrical Submersible Pumping Applications. Ph.D. Thesis, University of South Florida, Tampa, FL, USA, 2023. [Google Scholar]
- Dharmasena, S.; Choi, S. Model predictive control of five-phase permanent magnet assisted synchronous reluctance motor. In Proceedings of the 2019 IEEE Applied Power Electronics Conference and Exposition (APEC), Anaheim, CA, USA, 17–21 March 2019; IEEE: Piscataway, NJ, USA, 2019. [Google Scholar]
- Pushparajesh, V.; Nandish, B.M.; Pushparajesh, V.; Nandish, B.M. Classical Direct Torque Control for Switched Reluctance Motor Drive. In New Trends in Electric Machines—Technology and Applications; IntechOpen: London, UK, 2022. [Google Scholar] [CrossRef]
- Dong, W. Artificial Intelligence and Machine Learning for Control and Operation of Electric Vehicles and Machine Drives. Ph.D. Thesis, The University of Alabama, Tuscaloosa, AL, USA, 2021. [Google Scholar]
- AngayarKanni, S.; Kumar, K.R.; Senthilnathan, A. Comprehensive Overview of Modern Controllers for Synchronous Reluctance Motor. J. Electr. Comput. Eng. 2023, 2023, 1345792. [Google Scholar] [CrossRef]
- Heidari, H.; Rassõlkin, A.; Kallaste, A.; Vaimann, T.; Andriushchenko, E.; Belahcen, A.; Lukichev, D.V. A Review of Synchronous Reluctance Motor-Drive Advancements. Sustainability 2021, 13, 729. [Google Scholar] [CrossRef]
- Zhu, Y.; Yao, M.; Sun, X. A Review on Predictive Control Technology for Switched Reluctance Motor System. World Electr. Veh. J. 2023, 14, 221. [Google Scholar] [CrossRef]
- Yang, Y.; Wen, H.; Fan, M.; He, L.; Xie, M.; Chen, R.; Norambuena, M.; Rodriguez, J. Multiple-voltage-vector model predictive control with reduced complexity for multilevel inverters. IEEE Trans. Transp. Electrif. 2020, 6, 105–117. [Google Scholar] [CrossRef]
- Yuan, X.; Zhang, S.; Zhang, C. Enhanced Robust Deadbeat Predictive Current Control for PMSM Drives. IEEE Access 2019, 7, 148218–148230. [Google Scholar] [CrossRef]
- Rubino, S.; Bojoi, R.; Odhano, S.A.; Zanchetta, P. Model predictive direct flux vector control of multi-three-phase induction motor drives. IEEE Trans. Ind. Appl. 2018, 54, 4394–4404. [Google Scholar] [CrossRef]
- Yin, K.; Gao, L.; Chen, R.; Feng, Z.; Liu, S. Adaptive Deadbeat Predictive Current Control for PMSM with Feed Forward Method. IEEE Access 2021, 9, 101300–101310. [Google Scholar] [CrossRef]
- Ton, T.D.; Hsieh, M.F. A deadbeat current and flux vector control for IPMSM drive with high dynamic performance. Appl. Sci. 2022, 12, 3789. [Google Scholar] [CrossRef]
- Yao, M.; Peng, J.; Sun, X.; Sun, Y. Fault-tolerant Model Predictive Current Control of Six-Phase Permanent Magnet Synchronous Motors with Pulse Width Modulation. J. Electr. Eng. Technol. 2023, 18, 1785–1797. [Google Scholar] [CrossRef]
- Zhang, X.; Bai, H.; Cheng, M. Improved model predictive current control with series structure for PMSM drives. IEEE Trans. Ind. Electron. 2021, 69, 12437–12446. [Google Scholar] [CrossRef]
- Farah, N.S.Y. Robust Predictive Control of Permanent Magnet Synchronous Machine Drives. Ph.D. Thesis, University of Technology Sydney (Australia), Ultimo, NSW, Australia, 2023. [Google Scholar]
- Hanke, S.; Wallscheid, O.; Böcker, J. Continuous-Control-Set Model Predictive Control with Integrated Modulator in Permanent Magnet Synchronous Motor Applications. In Proceedings of the 2019 IEEE International Electric Machines & Drives Conference (IEMDC), San Diego, CA, USA, 12–15 May 2019; pp. 2210–2216. [Google Scholar]
- Zhao, W.; Ye, J.; Yang, M. Continuous Control Set Predictive Control with Affine Registration Technique for Permanent Magnet Synchronous Motor Drive. Energies 2024, 17, 4706. [Google Scholar] [CrossRef]
- Kozubik, M.; Vaclavek, P. Speed Control of PMSM with Finite Control Set Model Predictive Control Using General-purpose Computing on GPU. In Proceedings of the IECON 2020 the 46th Annual Conference of the IEEE Industrial Electronics Society, Singapore, 18–21 October 2020; IEEE Press: Singapore, 2020; pp. 379–383. [Google Scholar] [CrossRef]
- Wang, W.; Lu, Z.; Hua, W.; Wang, Z.; Cheng, M. Simplified Model Predictive Current Control of Primary Permanent-Magnet Linear Motor Traction Systems for Subway Applications. Energies 2019, 12, 4144. [Google Scholar] [CrossRef]
- Wang, W.; Fan, Y.; Chen, S.; Zhang, Q. Finite control set model predictive current control of a five-phase PMSM with virtual voltage vectors and adaptive control set. CES Trans. Electr. Mach. Syst. 2018, 2, 136–141. [Google Scholar] [CrossRef]
- Peng, J.; Yao, M. Overview of Predictive Control Technology for Permanent Magnet Synchronous Motor Systems. Appl. Sci. 2023, 13, 6255. [Google Scholar] [CrossRef]
- Stumpf, P.; Tóth-Katona, T. Recent Achievements in the Control of Interior Permanent-Magnet Synchronous Machine Drives: A Comprehensive Overview of the State of the Art. Energies 2023, 16, 5103. [Google Scholar] [CrossRef]
- Mousavi, Y. Optimal and robust fault tolerant control of wind turbines working under sensor, actuator, and system faults. arXiv 2023, arXiv:2308.12550. [Google Scholar]
- Feng, L.; Sun, X.; Guo, D.; Yao, M.; Diao, K. Advanced Torque Sharing Function Strategy with Sliding Mode Control for Switched Reluctance Motors. IEEE Trans. Transp. Electrif. 2024, 10, 2302–2311. [Google Scholar] [CrossRef]
- Merabet, A. Cascade Second Order Sliding Mode Control for Permanent Magnet Synchronous Motor Drive. Electronics 2019, 8, 1508. [Google Scholar] [CrossRef]
- Karboua, D.; Belgacem, T.; Khan, Z.H.; Labiod, C.; Ibraheem, I.K. Toward an optimal twisting-sliding mode control of a three-phase PMSM for electric vehicles. Adv. Mech. Eng. 2023, 15, 1–14. [Google Scholar] [CrossRef]
- Zhao, J.; Hua, M.; Liu, T. Research on a Sliding Mode Vector Control System Based on Collaborative Optimization of an Axial Flux Permanent Magnet Synchronous Motor for an Electric Vehicle. Energies 2018, 11, 3116. [Google Scholar] [CrossRef]
- Alnami, H.; Pang, C.; Wang, Q. A Novel Sliding Mode Control Method of Interior-Mounted PMSM. In Proceedings of the 2021 IEEE Texas Power and Energy Conference (TPEC), College Station, TX, USA, 2–5 February 2021; pp. 1–6. [Google Scholar] [CrossRef]
- Gong, Z.; Ba, X.; Zhang, C.; Guo, Y. Robust Sliding Mode Control of the Permanent Magnet Synchronous Motor with an Improved Power Reaching Law. Energies 2022, 15, 1935. [Google Scholar] [CrossRef]
- Wang, Y.; Feng, Y.; Zhang, X.; Liang, J. A New Reaching Law for Antidisturbance Sliding-Mode Control of PMSM Speed Regulation System. IEEE Trans. Power Electron. 2020, 35, 4117–4126. [Google Scholar] [CrossRef]
- Ilioudis, V.C.; Margaris, N.I. Sensorless PMSM Speed Observer with Stator Resistance Estimation. IFAC Proc. Vol. 2009, 42, 362–367. [Google Scholar] [CrossRef]
- Tian, M.; Wang, K.; Lv, H.; Shi, W. Reinforcement learning control method of torque stability of three-phase permanent magnet synchronous motor. J. Phys. Conf. Ser. 2022, 2183, 012024. [Google Scholar] [CrossRef]
- Schenke, M.; Wallscheid, O. A Deep Q-Learning Direct Torque Controller for Permanent Magnet Synchronous Motors. IEEE Open J. Ind. Electron. Soc. 2021, 2, 388–400. [Google Scholar] [CrossRef]
- Haucke-Korber, B.; Schenke, M.; Wallscheid, O. Reinforcement Learning-Based Deep Q Direct Torque Control with Adaptable Switching Frequency Towards Six-Step Operation of Permanent Magnet Synchronous Motors. In Proceedings of the IKMT 2022; 13. GMM/ETG-Symposium, Linz, Austria, 14–15 September 2022; pp. 1–6. [Google Scholar]
- Yin, F.; Yuan, X.; Ma, Z.; Xu, X. Vector Control of PMSM Using TD3 Reinforcement Learning Algorithm. Algorithms 2023, 16, 404. [Google Scholar] [CrossRef]
- Nicola, M.; Nicola, C.-I.; Selișteanu, D. Improvement of PMSM Sensorless Control Based on Synergetic and Sliding Mode Controllers Using a Reinforcement Learning Deep Deterministic Policy Gradient Agent. Energies 2022, 15, 2208. [Google Scholar] [CrossRef]
- Mazaheri, N.; Santamargarita, D.; Bueno, E.; Pizarro, D.; Cobreces, S. A Deep Reinforcement Learning Approach to DC-DC Power Electronic Converter Control with Practical Considerations. Energies 2024, 17, 3578. [Google Scholar] [CrossRef]
- Nicola, M.; Nicola, C.-I. Improvement of Linear and Nonlinear Control for PMSM Using Computational Intelligence and Reinforcement Learning. Mathematics 2022, 10, 4667. [Google Scholar] [CrossRef]
- Wang, Y.; Fang, S.; Hu, J. Active Disturbance Rejection Control Based on Deep Reinforcement Learning of PMSM for More Electric Aircraft. IEEE Trans. Power Electron. 2023, 38, 406–416. [Google Scholar] [CrossRef]
- Schenke, M.; Kirchgässner, W.; Wallscheid, O. Controller design for electrical drives by deep reinforcement learning: A proof of concept. IEEE Trans. Ind. Inform. 2019, 16, 4650–4658. [Google Scholar] [CrossRef]
- Nicola, M.; Nicola, C.-I. Improvement of PMSM Control Using Reinforcement Learning Deep Deterministic Policy Gradient Agent. In Proceedings of the 2021 21st International Symposium on Power Electronics (Ee), Novi Sad, Serbia, 27–30 October 2021; pp. 1–6. [Google Scholar] [CrossRef]
- Jegan, J.; Karuppasamy, I. Simulation and Validation of Permanent Magnet Synchronous Motor Drives Using Reinforcement Learning. In Proceedings of the 2023 IEEE 8th International Conference for Convergence in Technology (I2CT), Lonavla, India, 7–9 April 2023; pp. 1–5. [Google Scholar] [CrossRef]
- Zhao, J.; Yang, C.; Gao, W.; Zhou, L. Reinforcement Learning and Optimal Control of PMSM Speed Servo System. IEEE Trans. Ind. Electron. 2023, 70, 8305–8313. [Google Scholar] [CrossRef]
- Jakobeit, D.; Schenke, M.; Wallscheid, O. Meta-Reinforcement-Learning-Based Current Control of Permanent Magnet Synchronous Motor Drives for a Wide Range of Power Classes. IEEE Trans. Power Electron. 2023, 38, 8062–8074. [Google Scholar] [CrossRef]
- Book, G.; Traue, A.; Balakrishna, P.; Brosch, A.; Schenke, M.; Hanke, S.; Kirchgassner, W.; Wallscheid, O. Transferring Online Reinforcement Learning for Electric Motor Control From Simulation to Real-World Experiments. IEEE Open J. Power Electron. 2021, 2, 187–201. [Google Scholar] [CrossRef]
- Sahridayan, P.T.M.; Gopal, R. Modeling and analysis of field-oriented control based permanent magnet synchronous motor drive system using fuzzy logic controller with speed response improvement. Int. J. Electr. Comput. Eng. IJECE 2022, 12, 6010–6021. [Google Scholar] [CrossRef]
- Wang, C.; Zhu, Z.Q. Fuzzy Logic Speed Control of Permanent Magnet Synchronous Machine and Feedback Voltage Ripple Reduction in Flux-Weakening Operation Region. IEEE Trans. Ind. Appl. 2020, 56, 1505–1517. [Google Scholar] [CrossRef]
- Ziane, D.; Zeghlache, S.; Benkhoris, M.F.; Djerioui, A. Robust Control Based on Adaptative Fuzzy Control of Double-Star Permanent Synchronous Motor Supplied by PWM Inverters for Electric Propulsion of Ships. Mathematics 2024, 12, 1451. [Google Scholar] [CrossRef]
- Sun, W.; Si, H.; Qiu, J.; Li, J. Research on Efficiency of Permanent-Magnet Synchronous Motor Based on Adaptive Algorithm of Fuzzy Control. Sustainability 2024, 16, 1253. [Google Scholar] [CrossRef]
- Kakouche, K.; Oubelaid, A.; Mezani, S.; Rekioua, D.; Rekioua, T. Different Control Techniques of Permanent Magnet Synchronous Motor with Fuzzy Logic for Electric Vehicles: Analysis, Modelling, and Comparison. Energies 2023, 16, 3116. [Google Scholar] [CrossRef]
- El-Sousy, F.F.M.; Amin, M.M.; Mohammed, O.A. Robust Optimal Control of High-Speed Permanent-Magnet Synchronous Motor Drives via Self-Constructing Fuzzy Wavelet Neural Network. IEEE Trans. Ind. Appl. 2021, 57, 999–1013. [Google Scholar] [CrossRef]
- Zhong, C.-Q.; Wang, L.; Xu, C.-F. Path Tracking of Permanent Magnet Synchronous Motor Using Fractional Order Fuzzy PID Controller. Symmetry 2021, 13, 1118. [Google Scholar] [CrossRef]
- Shanthi, R.; Kalyani, S.; Devie, P.M. Design and performance analysis of adaptive neuro-fuzzy controller for speed control of permanent magnet synchronous motor drive. Soft Comput. 2021, 25, 1519–1533. [Google Scholar] [CrossRef]
- Bouguenna, I.F.; Tahour, A.; Kennel, R.; Abdelrahem, M. Multiple-vector model predictive control with fuzzy logic for PMSM electric drive systems. Energies 2021, 14, 1727. [Google Scholar] [CrossRef]
- Kadnekar, V. Permanent Magnet Synchronous Motor Drive System Utilizing DQ Transformation. Master’s Thesis, California State University, Northridge, CA, USA, 2018. [Google Scholar]
- Ma’arif, A.; Suwarno, I.; Maghfiroh, H.; Rahmaniar, W.; Nuryono, A.A.; Raharja, N.M. Sliding Mode Control of Angular Speed DC Motor System with Parameter Uncertainty. In Proceedings of the 2022 IEEE International Conference on Communication, Networks and Satellite (COMNETSAT), Solo, Indonesia, 3–5 November 2022; IEEE: Piscataway, NJ, USA, 2022. [Google Scholar]
- Li, K.; Ding, J.; Sun, X.; Tian, X. Overview of Sliding Mode Control Technology for Permanent Magnet Synchronous Motor System. IEEE Access 2024, 12, 71685–71704. [Google Scholar] [CrossRef]
- Zaihidee, F.M.; Mekhilef, S.; Mubin, M. Fractional Order SMC for Speed Control of PMSM. In Proceedings of the 2018 International Electrical Engineering Congress (iEECON), Krabi, Thailand, 7–9 March 2018; pp. 1–4. [Google Scholar] [CrossRef]









| PMSM | SynRM | PMa-SynRM | |
|---|---|---|---|
| Power Factor | Slightly Higher | Moderate | Higher at MTPA Point |
| Average Torque | High | Higher | High |
| Torque Ripple | Lower | High | Slightly Lower |
| Peak Torque | High | High | Higher |
| Cost | Higher | Low | Moderate |
| Weight Density | Higher | Light | High |
Disclaimer/Publisher’s Note: The statements, opinions and data contained in all publications are solely those of the individual author(s) and contributor(s) and not of MDPI and/or the editor(s). MDPI and/or the editor(s) disclaim responsibility for any injury to people or property resulting from any ideas, methods, instructions or products referred to in the content. |
© 2025 by the authors. Licensee MDPI, Basel, Switzerland. This article is an open access article distributed under the terms and conditions of the Creative Commons Attribution (CC BY) license (https://creativecommons.org/licenses/by/4.0/).
Share and Cite
Mashiri, T.; Muteba, M. A Review of Advances in Brushless Synchronous Motor Drive’s Control Techniques. Eng 2025, 6, 8. https://doi.org/10.3390/eng6010008
Mashiri T, Muteba M. A Review of Advances in Brushless Synchronous Motor Drive’s Control Techniques. Eng. 2025; 6(1):8. https://doi.org/10.3390/eng6010008
Chicago/Turabian StyleMashiri, Tapiwa, and Mbika Muteba. 2025. "A Review of Advances in Brushless Synchronous Motor Drive’s Control Techniques" Eng 6, no. 1: 8. https://doi.org/10.3390/eng6010008
APA StyleMashiri, T., & Muteba, M. (2025). A Review of Advances in Brushless Synchronous Motor Drive’s Control Techniques. Eng, 6(1), 8. https://doi.org/10.3390/eng6010008

