Sulfide Stress Cracking of C-110 Steel in a Sour Environment
Abstract
1. Introduction
1.1. Overview
1.2. Factors Affecting SSC Corrosion Resistance
1.3. Mechanism of SSC Corrosion
2. Modeling SSC Corrosion
2.1. Model Formulation
2.2. Numerical Procedures
2.3. Validation of SSC model
3. Experimental Study
3.1. SSC Corrosion Evaluation Method
- Step 1.
- To test its fitness for the SSC experiment, the specimen was stretched three times to 80% of its elastic limit using the TST apparatus and examined for cracks and other mechanical defects.
- Step 2.
- The specimen was thoroughly (inside and outside surfaces) cleaned with methyl ethyl ketone and exposed to a sour environment in the SSC corrosion test setup for one week while being subjected to a stress level of 85% of its yield stress and inner part over-pressurization of 13.8 MPa.
- Step 3.
- The specimen was recovered from the SSC corrosion setup and strained to failure in the air using the TST apparatus to determine the mechanical properties of corroded specimen material.
3.2. TST Apparatus
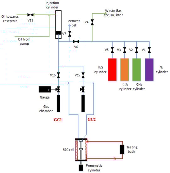
3.3. SSC Corrosion Test Setup
3.4. Corrosion Test Procedure
3.5. Test Matrix
3.6. TST Test Procedure
4. Experimental Results and Discussions
4.1. Mechanical Properties
4.2. Analysis of Crack and Scale Characteristics
5. Conclusions
- Variation in the PPR of CO2 affected the embrittlement of steel considerably when the PPR was between 1%–5% at H2S concentration of 280 ppm. When the PPR of CO2 was between 10 and 15 percent, the deterioration of mechanical properties by the CO2 content became saturated.
- The trend of hydrogen atom concentration with the PPR of CO2 predicted by the SSC model is consistent with those of measured UTS and PSF. The existence of CO2 decreases the pH of the surrounding solution and expedites the SSC process.
- In the absence of CO2, the pH of the corrosion environment is expected to be close to neutral, and only limited hydrogen ions present in the solution. As a result, experiments did not show noticeable embrittlement of specimens tested at low PPRs of CO2 in seven days of exposure.
- The SSC model predictions are mostly in agreement with existing and new measurements even though it provides a conservative forecast of failure.
Author Contributions
Funding
Institutional Review Board Statement
Informed Consent Statement
Data Availability Statement
Acknowledgments
Conflicts of Interest
Nomenclature
| a | Activity |
| The concentration of carbonic acid, mol/lit | |
| CH | Hydrogen concentration, ppm |
| Concentration of H2S (mol/kg) | |
| f | Fugacity |
| Hc | Critical hydrogen concentration (ppm) |
| HFe | Hydrogen concentration in steel (ppm) |
| Ka1 | Dissociation constant for acid, (mol/lit) |
| Ka2 | Dissociation constant for acid, (mol/lit) |
| KISSC | Critical Stress Intensity Factor |
| ksi | Kilo-pounds per square inch |
| Kw | Dissociation constant of water |
| MYS | Minimum yield strength (psi) |
| P | Pressure (bar) |
| Vapor pressure of water (bar) | |
| Pc | Critical Pressure (bar) |
| R | Universal gas constant (m3*bar/K/kgmol) |
| S | Salinity |
| T | Temperature (°K) |
| Tc | Critical temperature (°K) |
| V | Volume |
| x | Mole fraction in liquid phase |
| xc | Partial pressure ratio of CO2 in percent |
| y | Mole fraction ins gas phase |
| Z | Compressibility factor |
| Greek Letters | |
| µ | Chemical potential |
| Parameter for acentric factor | |
| λ | Empirical parameter for calculation of activity coefficient |
| ε | Empirical parameter for calculation of activity coefficient |
| ω | Acentric factor |
| Φ | Fugacity coefficient |
| ϒ | Activity coefficient |
| Subscript | |
| r | Reduced parameter |
| c | Critical |
| Superscript | |
| v | Vapor phase |
| l | Liquid phase |
| Acynoms | |
| API | American Petroleum Institute |
| ASTM | American Society for Testing and Materials |
| BSEE | Bureau of Safety and Environmental Enforcement |
| HRC | Rockwell Hardness |
| GC1 | Gas Chamber 1 |
| GC2 | Gas Chamber 2 |
| MRPPR | Maximum Reduction in Partial Pressure Ratio |
| MRUTS | Maximum Reduction in Ultimate Tensile Strength |
| NACE | National Association of Corrosion Engineers |
| PPR | Partial Pressure Ratio |
| SSC | Sulfide Stress Cracking |
| TST | Tensile Strength Testing |
| UTS | Ultimate Tensile Strength |
| YS | Yield Stress |
Appendix A. Solubility Model
Appendix B. pH Model
Appendix C. Hydrogen Permeation Model
References
- Valdes, A.; Case, R.; Ramirez, M.; Ruiz, A. The Effect of Small Amounts of H2S on CO2 Corrosion of a Carbon Steel. In Proceedings of the CORROSION 98, San Diego, CA, USA, 22–27 March 1998. NACE-98022. [Google Scholar]
- Brown, B.; Lee, K.; Nesic, S. Corrosion in Multiphase Flow Containing Small Amount of H2S. In Proceedings of the NACE International Corrosion Conference, San Diego, CA, USA, 16–20 March 2003; p. 3341. [Google Scholar]
- Lee, K.L.J. A Mechanistic Modeling of CO2 Corrosion of Mild Steel in the Presence of H2S. Ph.D. Thesis, Ohio University, Athens, OH, USA, 2004. [Google Scholar]
- Krishnan, K. Sulfide Stress Cracking (SSC) Resistance of AISI 420 Modified (13Cr) Martensitic Stainless Steel bar Stock. In Proceedings of the CORROSION 2017, New Orleans, LA, USA, 26–30 March 2017. NACE-2017-9645. [Google Scholar]
- Tang, H.; Cayard, M.S. Test Methods for Evaluation of Materials for Wet H2S Service. In Proceedings of the CORROSION 99, San Antonio, TX, USA, 25–30 April 1999. NACE-99421. [Google Scholar]
- Cernocky, E.; Aaron, V.; Paslay, P.; Wink, R. Combined Axial Tension/Compression and Internal Pressure Testing of Mini-Pipe Specimens in H2S Environment to Determine Three Dimensional (Triaxial) Stress States which Produce Crack Initiation Failure: Explanation of the New Test Fixture Mini-Pipe Specimen and Preliminary Test Results. In Proceedings of the SPE High Pressure/High-Temperature Sour Well Design Applied Technology Workshop, Woodlands, TX, USA, 17–19 May 2005. [Google Scholar]
- Kane, R.D.; Greer, J.B. Sulfide Stress Cracking of High-Strength Steels in Laboratory and Oilfield Environments. J. Pet. Technol. 1977, 29, 1483–1488. [Google Scholar] [CrossRef]
- Greer, J.B. Factors Affecting the Sulfide Stress Cracking Performance of High Strength Steels. Technical Report. Materials Performance (MP). Natl. Assoc. Corros. Eng. 1975, 14, 11–22. [Google Scholar]
- Liu, M.; Yang, C.D.; Cao, G.H.; Russell, A.M.; Liu, Y.H.; Dong, X.M.; Zhang, Z.H. Effect of microstructure and crystallography on sulfide stress cracking in API-5CT-C110 casing steel. Mater. Sci. Eng. A 2016, 671, 244–253. [Google Scholar] [CrossRef]
- Zhang, Z.H.; Liu, M.; Liu, Y.H.; Luo, M.; Zhang, C.X.; Wang, C.H.; Cao, G.H. A systematical analysis with respect to multiple hydrogen traps influencing sulfide stress cracking behavior of API-5CT-C110 casing steel. Mater. Sci. Eng. A 2018, 721, 81–88. [Google Scholar] [CrossRef]
- Morana, R.; Nice, P.I. Corrosion Assessment of High Strength Carbon Steel Grades P-110 Q-125 140 And 150 For H2S Containing Producing Well Environments. In Proceedings of the NACE International Corrosion Conference & Expo, Atlanta, GA, USA, 22–26 March 2009; p. 9093. [Google Scholar]
- Vera, J.R.; Case, R. The Relationship Between Hydrogen Permeation and Sulfide Stress Cracking Susceptibility of OCTG Materials at Different Temperatures and pH Values. In Proceedings of the Corrosion, New Orleans, LA, USA, 9–14 March 1997. [Google Scholar]
- Baldy, M.F. Sulfide Stress Cracking of Steels for API Grade N-80 Tubular products. Corrosion 1961, 17, 509–513. [Google Scholar] [CrossRef]
- Snape, E. Sulfide Stress Corrosion of Some Medium and Low Alloy Steels. Corrosion 1967, 23, 154–172. [Google Scholar] [CrossRef]
- Kane, R.D.; Cayard, M.S. Roles of H2S in the Behavior of Engineering Alloys: A Review of Literature and Experience. In Proceedings of the National Association of Corrosion Engineers Annual Conference, San Diego, CA, USA, 22–27 March 1998. NACE-98274. [Google Scholar]
- Kobayashi, K.; Ueda, M.; Nakamura, K.; Omura, T.T. Effect of Testing Temperature on SSC Properties of Low Alloy Steel. In Proceedings of the CORROSION, San Diego, CA, USA, 12–16 March 2006; p. 06127. [Google Scholar]
- Omura, T.; Kobayashi, T.; Ueda, M. SSC Resistance of High Strength Low Alloy Steel OCTG in High Pressure H2S Environments. In Proceedings of the NACE International Corrosion Conference and Expo, Atlanta, GA, USA, 22–26 March 2009. NACE-09102. [Google Scholar]
- Urband, P.; Bruce, E.; Morey, S. High Strength Sour Service C110 Casing. In Proceedings of the SPE/IADC drilling conference, Amsterdam, The Netherlands, 9–11 March 1999. SPE-52843-MS. [Google Scholar]
- Turconi, G.L.; Gluseppe, C.; Anelli, E.; Scoppio, L.; Perez, T.E.; Morales, C.; Echaniz, G. Improvement of Resistance to SSC Initiation and Propagation of High Strength OCTG Through Microstructure and Precipitation Control. In Proceedings of the Corrosion, Houston, TX, USA, 11–16 March 2001. NACE-01077. [Google Scholar]
- Koh, S.; Kim, J.; Yang, B.; Kim, K. Effect of Line Pipe Steel Microstructure on Susceptibility to Sulfide Stress Cracking. Corrosion 2004, 60, 244–253. [Google Scholar] [CrossRef]
- Kim, W.K.; Park, G.; Koh, S.U.; Jung, H.G.; Kim, K.Y. Determination of Critical Factors Affecting Hydrogen Induced Cracking and Type I Sulfide Stress Cracking of High Strength Linepipe Steel. In Proceedings of the Twentieth International Offshore and Polar Engineering Conference, Beijing, China, 20–25 June 2010. [Google Scholar]
- Kimura, M.; Kataoka, Y.; Nakano, Y. Sulfide Stress Corrosion Cracking Resistance of Low Cr Steel. In Proceedings of the Corrosion, Denver, CO, USA, 24–29 March 1996. NACE-96060. [Google Scholar]
- Ikeda, A.; Kaneko, T.; Ando, Y. On The Evaluation Method of Sulfide Stress Cracking Susceptibility of Carbon and Low Alloy Steels. Corros. Sci. 1987, 27, 1099–1115. [Google Scholar] [CrossRef]
- Waid, G.; Stiglitz, R. The Development of High Strength Casing Steels with Improved Hydrogen Sulfide Cracking Resistance for Sour Service. In Proceedings of the Offshore Technology Conference, Houston, TX, USA, 30 May–3 April 1979. OTC-3509-MS. [Google Scholar]
- Craig, B.; Brownlee, J.; Bruno, T. Sulfide Stress Cracking of Nickel Steels. Corrosion 1992, 48, 90–97. [Google Scholar] [CrossRef]
- Hashizume, S.; Inohara, Y. Effects of pH and PH2S on SSC Resistance of Martensitic Stainless Steels. In Proceedings of the Corrosion, Orlando, FL, USA, 26–31 March 2000; p. 0130. [Google Scholar]
- Ciaraldi, S.W. Some Factors that Affect the Sour-Service Performance of Carbon-Steel Oil-Country Tubulars. SPE Drill. Eng. 1986, 1, 233–241. [Google Scholar] [CrossRef]
- Szklarz, K.E. Sulfide Stress Cracking Resistance of Drilling Materials in a Simulated Underbalanced Drilling Environment. In Proceedings of the Corrosion, San Diego, CA, USA, 22–27 March 1998. NACE-98104. [Google Scholar]
- Masouri, D.; Zafari, M. Sulfide Stress Cracking of Stainless Steel 410 In Sour Crude Oil. In Proceedings of the Corrosion, New Orleans, LA, USA, 28 March–1 April 2004. NACE-04121. [Google Scholar]
- Zeng, D.; Chen, R.; Zhang, Z.; Shao, L.; Li, G.; Tian, G.; Shi, T. Research on Stress Corrosion Sensitivity of C-110 Casing in Wellbore Protection Fluid. Energy Procedia 2012, 16, 816–821. [Google Scholar] [CrossRef]
- Dvoracek, L. Sulfide Stress Corrosion Cracking of Steels. Corrosion 1970, 26, 177–188. [Google Scholar] [CrossRef]
- Crowder, B.; Buchanan, J.; Mishael, S.; Shockley, R. Sulfide Stress Cracking Susceptibility of Local Hard Areas in Carbon Steel Weld Heat Affected Zones. In Proceedings of the Corrosion, Houston, TX, USA, 13–17 March 2011. NACE-11105. [Google Scholar]
- Papavinasam, S. Corrosion Control in the Oil and Gas Industry; Elsevier: Amsterdam, The Netherlands, 2013; pp. 287–288, reprint. [Google Scholar]
- Chauveau, E.; Koschel, D.; Bouvier, N.; Mesquita, T.J. Influence of Metallurgy and Chemical Composition on the Sulphide Stress Cracking Resistance of Two Supermartensitics Stainless Steels. In Proceedings of the Corrosion, Salt Lake City, UT, USA, 11–15 March 2012. NACE-1284. [Google Scholar]
- Asahi, H.; Ueno, M.; Yonezawa, T. Prediction of Sulfide Stress Cracking in High-strength tubulars. Corrosion 1994, 50, 537–545. [Google Scholar] [CrossRef]
- Skogsberg, L. Fitness for Purpose Sulfide Stress Corrosion Testing for Alloys in Existing Wells in Deep Water Gulf of Mexico. In Proceedings of the CORROSION 2004, New Orleans, LA, USA, 28 March–1 April 2004. NACE-04148. [Google Scholar]
- Masouri, D.; Zafari, M. Sulfide Stress Cracking of Tubular Product-Case Histories. In Proceedings of the Corrosion, Houston, TX, USA, 3–7 April 2005. NACE-05460. [Google Scholar]
- Skogsberg, L.; Stockman, J.A.; Thompson, M.J. The Effect of Plastic Strain on Sulfide Stress Cracking. In Proceedings of the Corrosion, Houston, TX, USA, 11–16 March 2001. NACE-01073. [Google Scholar]
- Kermani, M.; MacCuish, R. Materials Assessment for Sour Service Applications. In Proceedings of the SPE Annual Technical Conference and Exhibition, New Orleans, LA, USA, 23–26 September 1990. SPE-20457-MS. [Google Scholar]
- Jankowski, A.F.; Chames, J.M.; Gardea, A.; Nishimoto, R.; Brannigan, E.M. The Softening Factor Cb of Commercial Titanium Alloy Wires; Report SAND2019-13934J; Sandia National Laboratory: Livermore, CA, USA, 2012. Available online: https://www.osti.gov/servlets/purl/1575255 (accessed on 6 June 2021).
- Luft, B.; Szklarz, K.E.; Nowinka, J.; Skrzypek, H. Evaluating the Fitness-for-Purpose of Coiled Tubing for Underbalanced Drilling of Sour Wells. In Proceedings of the CORROSION 2002, Denver, CO, USA, 7–11 April 2002. [Google Scholar]
- Contreras, A.; Salazar, M.; Albiter, A.; Galván, R.; Vega, O. Assessment of Stress Corrosion Cracking on Pipeline Steels Weldments Used in the Petroleum Industry by Slow Strain Rate Tests; InTech: London, UK, 2011. [Google Scholar] [CrossRef]
- Mishra, B. Corrosion Characterization of Advanced Steels for Use in the Oil & Gas Industry. Int. J. Metall. Eng. 2013, 2, 221–229. [Google Scholar] [CrossRef]
- Ouhiba, S. Hydrogen Induced Cracking and Sulfide Stress Cracking Evaluation of Low Alloy Casing Pipes. Master’s Thesis, University of Alberta, Edmonton, AB, Canada, 2017. [Google Scholar]
- Quej-Ake, L.M.; Rivera-Olvera, J.; Domínguez-Aguilar, Y.; Avelino-Jiménez, I.A.; Garibay-Febles, V.; Zapata-Peñasco, I. Analysis of the Physicochemical, Mechanical, and Electrochemical Parameters and Their Impact on the Internal and External SCC of Carbon Steel Pipelines. Materials 2020, 13, 5771. [Google Scholar] [CrossRef] [PubMed]
- Rudomilova, D.; Prošek, T.; Luckeneder, G. Techniques for investigation of hydrogen embrittlement of advanced high strength steels. Corros. Rev. 2018, 36, 413–434. [Google Scholar] [CrossRef]
- Bai, P.; Zhou, J.; Luo, B.; Zheng, S.; Wang, P.; Tian, Y. Hydrogen embrittlement of X80 pipeline steel in H2S environment: Effect of hydrogen charging time, hydrogen-trapped state and hydrogen charging–releasing–recharging cycles. Int. J. Miner. Metall. Mater. 2020, 27, 63. [Google Scholar] [CrossRef]
- Elgaddafi, R.; Ahmed, R.; Shah, S. The effect of fluid flow on CO2 corrosion of high-strength API carbon steels. J. Nat. Gas Sci. Eng. 2021, 86, 103739. [Google Scholar] [CrossRef]
- Zheiglei, L. Fracture. In Lecture notes MSE 2090 Introduction to Science and Engineering of Materials; University of Virginia: Charlottesville, VA, USA, 2010; pp. 2–10. [Google Scholar]
- Mouritz, A.P. Introduction to Aerospace Materials; Woodhead Publishing: Sawston, UK, 2012; Chapter 18; pp. 428–453. [Google Scholar] [CrossRef]
- Caroll, J. What is Henry’s Law? Chem. Eng. Prog. 1991, 86, 48–52. [Google Scholar]
- Duan, Z.; Sun, R.; Liu, R.; Zhu, C. Accurate Thermodynamic Model for the Calculation of H2S solubility in pure Water and Brines. Energy Fuels 2007, 21, 2056–2065. [Google Scholar] [CrossRef]
- Zirrahi, M.; Azin, R.; Hassanzadeh, H.; Moshfeghian, M. Mutual Solubility of CH4, CO2 and H2S and their Mixtures in Brine under Subsurface Disposal Conditions. Fluid Phase Equilibria 2012, 324, 80–93. [Google Scholar] [CrossRef]
- Tale, S. Sulfide Stress Cracking Behavior of Grade C-110 Steel Tubulars under High-Pressure Conditions. Master’s Thesis, The University of Oklahoma, Norman, OK, USA, 2014. [Google Scholar]
- Dickson, A.G.; Millero, F.J. A comparison of the equilibrium constants for the dissociation of carbonic acid in seawater media. Deep Sea Res. Part A Oceanogr. Res. Pap. 1987, 34, 1733–1743. [Google Scholar] [CrossRef]















| Test # | Test Duration (Days) | Test Label | Temp. (°C) | Total | Partial Pressure Ratio | ||
|---|---|---|---|---|---|---|---|
| Pressure, MPa | |||||||
| Inside | Outside | CH4 (%) | CO2 (%) | ||||
| Test 1 | 15 | Specimen 1 | 38 | 41.4 | 27.6 | 100 | 0 |
| Test 2 | 0 | Specimen 2 | 0 | 0 | 0 | 0 | 0 |
| Test 3 | 7 | Specimen 3, 6, 8, 10 | 38 | 41.4 | 27.6 | 89.97 | 10 |
| Test 4 | 7 | Specimen 4 | 38 | 41.4 | 27.6 | 99.97 | 0 |
| Test 5 | 7 | Specimen 5 | 38 | 41.4 | 27.6 | 94.97 | 5 |
| Test 6 | 7 | Specimen 7 | 38 | 41.4 | 27.6 | 84.97 | 15 |
| Test 7 | 7 | Specimen 9 | 38 | 41.4 | 27.6 | 97.47 | 2.5 |
Publisher’s Note: MDPI stays neutral with regard to jurisdictional claims in published maps and institutional affiliations. |
© 2021 by the authors. Licensee MDPI, Basel, Switzerland. This article is an open access article distributed under the terms and conditions of the Creative Commons Attribution (CC BY) license (https://creativecommons.org/licenses/by/4.0/).
Share and Cite
Tale, S.; Ahmed, R.; Elgaddafi, R.; Teodoriu, C. Sulfide Stress Cracking of C-110 Steel in a Sour Environment. Corros. Mater. Degrad. 2021, 2, 376-396. https://doi.org/10.3390/cmd2030020
Tale S, Ahmed R, Elgaddafi R, Teodoriu C. Sulfide Stress Cracking of C-110 Steel in a Sour Environment. Corrosion and Materials Degradation. 2021; 2(3):376-396. https://doi.org/10.3390/cmd2030020
Chicago/Turabian StyleTale, Sagar, Ramadan Ahmed, Rida Elgaddafi, and Catalin Teodoriu. 2021. "Sulfide Stress Cracking of C-110 Steel in a Sour Environment" Corrosion and Materials Degradation 2, no. 3: 376-396. https://doi.org/10.3390/cmd2030020
APA StyleTale, S., Ahmed, R., Elgaddafi, R., & Teodoriu, C. (2021). Sulfide Stress Cracking of C-110 Steel in a Sour Environment. Corrosion and Materials Degradation, 2(3), 376-396. https://doi.org/10.3390/cmd2030020

