Novel Fuzzy Controller for a Standalone Electric Vehicle Charging Station Supplied by Photovoltaic Energy
Abstract
:1. Introduction
2. Charging Station Description
3. Proposed Charging Station Modeling
3.1. The PV Array Model
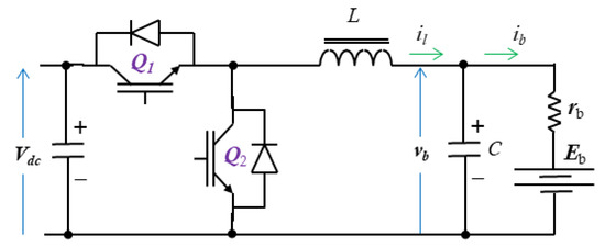
3.2. The Charging Converters Model
4. Control System Design
4.1. The MPPT Controller
- An initial value for the duty ratio is suggested and applied to the boost converter.
- Then, the current and voltage of the PV are sensed.
- The change in the PV power is calculated [29].
- The output of the controller is the boost converter duty ratio to obtain the MPPT state.
4.2. The EV Charger Controller
4.3. The Storage Battery Charger Controller
4.3.1. The Fuzzy PID Controller
4.3.2. The Fuzzification Process
4.3.3. The Fuzzy Rule Base
5. Simulation Results
6. Conclusions
Author Contributions
Funding
Institutional Review Board Statement
Informed Consent Statement
Data Availability Statement
Conflicts of Interest
References
- Sun, X.; Li, Z.; Wang, X.; Li, C. Technology Development of Electric Vehicles: A Review. Energies 2020, 13, 90. [Google Scholar] [CrossRef] [Green Version]
- Irle, R. Global EV Sales for the 1st Half of 2019. EV Volumes. 2019. Available online: http://www.ev-volumes.com/country/total-world-plug-in-vehicle-volumes/ (accessed on 20 November 2019).
- Chakraborty, S.; Vu, H.-N.; Hasan, M.M.; Tran, D.-D.; Baghdadi, M.E.; Hegazy, O. DC-DC Converter Topologies for Electric Vehicles, Plug-in Hybrid Electric Vehicles and Fast Charging Stations: State of the Art and Future Trends. Energies 2019, 12, 1569. [Google Scholar] [CrossRef] [Green Version]
- Fastned. Vehicles & Charging Tips. 2019. Available online: https://support.fastned.nl/hc/en-gb/sections/115000180588-Cars-charging-tips- (accessed on 6 September 2021).
- Minh, P.V.; Le Quang, S.; Pham, M.-H. Technical Economic Analysis of Photovoltaic-Powered Electric Vehicle Charging Stations under Different Solar Irradiation Conditions in Vietnam. Sustainability 2021, 13, 3528. [Google Scholar] [CrossRef]
- Liu, Y.; Dong, H.; Wang, S.; Lan, M.; Zeng, M.; Zhang, S.; Yang, M.; Yin, S. An Optimization Approach Considering User Utility for the PV-Storage Charging Station Planning Process. Processes 2020, 8, 83. [Google Scholar] [CrossRef] [Green Version]
- Francfort, J.; Salisbury, S.; Smart, J.; Garetson, T.; Karner, D. Considerations for Corridor and Community DC Fast Charging Complex System Design; Idaho National Lab (INL): Idaho Falls, ID, USA, 2017. [Google Scholar]
- Rafi, M.A.H.; Bauman, J. A Comprehensive Review of DC Fast Charging Stations with Energy Storage: Architectures, Power Converters, and Analysis. IEEE Trans. Transp. Electrif. 2021, 7, 345–368. [Google Scholar] [CrossRef]
- Nicholas, M.; Hall, D. Lessons Learned on Early Fast Electric Vehicle Charging Systems; The National Academies of Sciences, Engineering, and Medicine: Washington, DC, USA, 2018. [Google Scholar]
- Polimeni, S.; Nespoli, A.; Leva, S.; Valenti, G.; Manzolini, G. Implementation of Different PV Forecast Approaches in a MultiGood MicroGrid: Modeling and Experimental Results. Processes 2021, 9, 323. [Google Scholar] [CrossRef]
- Gao, Z.; Liu, X. An Overview on Fault Diagnosis, Prognosis and Resilient Control for Wind Turbine Systems. Processes 2021, 9, 300. [Google Scholar] [CrossRef]
- Kumar, V.; Teja, V.R.; Singh, M.; Mishra, S. PV Based Off-Grid Charging Station for Electric Vehicle. IFAC Pap. 2019, 52, 276–281. [Google Scholar] [CrossRef]
- Karmaker, A.K.; Hossain, M.A.; Manoj Kumar, N.; Jagadeesan, V.; Jayakumar, A.; Ray, B. Analysis of Using Biogas Resources for Electric Vehicle Charging in Bangladesh: A Techno-Economic-Environmental Perspective. Sustainability 2020, 12, 2579. [Google Scholar] [CrossRef] [Green Version]
- Monteiro, V.; Pinto, J.G.; Afonso, J.L. Experimental Validation of a Three-Port Integrated Topology to Interface Electric Vehicles and Renewables with the Electrical Grid. IEEE Trans. Ind. Inform. 2018, 14, 2364–2374. [Google Scholar] [CrossRef] [Green Version]
- Savio, D.A.; Juliet, V.A.; Chokkalingam, B.; Padmanaban, S.; Holm-Nielsen, J.B.; Blaabjerg, F. Photovoltaic Integrated Hybrid Microgrid Structured Electric Vehicle Charging Station and Its Energy Management Approach. Energies 2019, 12, 168. [Google Scholar] [CrossRef] [Green Version]
- Singh, S.A.; Carli, G.; Azeez, N.A.; Williamson, S.S. Modeling, Design, Control, and Implementation of a Modified Z-Source Integrated PV/Grid/EV DC Charger/Inverter. IEEE Trans. Ind. Electron. 2018, 65, 5213–5220. [Google Scholar] [CrossRef]
- Hernandez, J.C.; Sutil, F.S. Electric vehicle charging stations feeded by renewable: PV and train regenerative braking. IEEE Lat. Am. Trans. 2016, 14, 3262–3269. [Google Scholar] [CrossRef]
- Chaudhari, K.; Ukil, A.; Kumar, K.N.; Manandhar, U.; Kollimalla, S.K. Hybrid Optimization for Economic Deployment of ESS in PV-Integrated EV Charging Stations. IEEE Trans. Ind. Inform. 2018, 14, 106–116. [Google Scholar] [CrossRef]
- Ibrahim, H.; Sayed, K.; Kassem, A.; Mostafa, R. A new power management strategy for battery electric vehicles. IET Electr. Syst. Transp. 2018, 9, 65–74. [Google Scholar]
- Zhang, Y.P.; You, P.; Cai, L. Optimal Charging Scheduling by Pricing for EV Charging Station with Dual Charging Modes. IEEE Trans. Intell. Transp. Syst. 2019, 20, 3386–3396. [Google Scholar] [CrossRef]
- Mouli, C.G.R.; Schijffelen, J.; Heuvel, M.; Kardolus, M.; Bauer, P. A 10 kW Solar-Powered Bidirectional EV Charger Compatible with Chademo and COMBO. IEEE Trans. Power Electron. 2019, 34, 1082–1098. [Google Scholar] [CrossRef] [Green Version]
- Atawi, I.E.; Hendawi, E.; Zaid, S.A. Analysis and Design of a Standalone Electric Vehicle Charging Station Supplied by Photovoltaic Energy. Processes 2021, 9, 1246. [Google Scholar] [CrossRef]
- Kumar, R.A.; Daya, J.L.F. Novel Self-Tuning Fuzzy Based PID Controller for Speed Control of Induction Motor Drive. In Proceedings of the International Conference on Control Communication and Computing (ICCC), Thiruvananthapuram, India, 13–15 December 2013; pp. 62–67. [Google Scholar]
- Fini, A.M.O.; Gogani, M.B.; Pourgholi, M. Fuzzy Gain Scheduling of PID Controller Implemented on Real Time Level Control. In Proceedings of the 4th Iranian Joint Congress on Fuzzy and Intelligent Systems (CFIS), Zahedan, Iran, 9–11 September 2015. [Google Scholar]
- Mohamed, E.; El-Shimy, S.A. Zaid 2 Fuzzy PID Controller for Fast Direct Torque Control of Induction Motor Drives. JES J. Electr. Syst. 2016, 12, 687–700. [Google Scholar]
- Albalawi, H.; Zaid, S.A. Performance Improvement of a Grid-Tied Neutral-Point-Clamped 3-φ Transformerless Inverter Using Model Predictive Control. Processes 2019, 7, 856. [Google Scholar] [CrossRef] [Green Version]
- Husain, M.A.; Tariq, A.; Hameed, S.; Arif, M.S.B.; Jain, A. Comparative assessment of maximum power point tracking procedures for photovoltaic systems. Green Energy Environ. 2017, 2, 5–17. [Google Scholar] [CrossRef]
- Das, P. Maximum power tracking based open-circuit voltage method for PV system. Energy Procedia 2016, 90, 2–13. [Google Scholar] [CrossRef]
- Zaid, S.A.; Kassem, A.M. Review, analysis and improving the utilization factor of a PV-grid connected system via HERIC transformerless approach. Renew. Sustain. Energy Rev. 2017, 73, 1061–1069. [Google Scholar] [CrossRef]











| Δ kp | Δ kd | α | ||||||||||||||||||||
|---|---|---|---|---|---|---|---|---|---|---|---|---|---|---|---|---|---|---|---|---|---|---|
| Δen(i) | Δen(i) | Δen(i) | ||||||||||||||||||||
| NB | NM | NS | ZE | PS | PM | PB | NB | NM | NS | ZE | PS | PM | PB | NB | NM | NS | ZE | PS | PM | PB | ||
| en(i) | NB | B | B | B | B | B | S | B | B | B | B | B | B | B | S | S | S | S | S | S | S | S |
| NM | B | B | B | B | S | B | B | B | B | B | B | B | B | S | MS | MS | S | S | S | MS | MS | |
| NS | B | B | B | B | B | B | B | B | B | B | B | B | S | S | M | MS | MS | S | MS | MS | M | |
| ZE | B | B | B | B | B | B | B | S | S | S | B | S | S | S | B | M | MS | MS | MS | M | B | |
| PS | B | B | S | B | B | B | B | S | S | B | B | B | B | B | M | MS | MS | S | MS | MS | B | |
| PM | B | B | S | B | B | B | B | S | B | B | B | B | B | B | MS | MS | S | S | S | MS | MS | |
| PB | B | S | B | B | B | B | B | S | B | B | B | B | B | B | S | S | S | S | S | S | S | |
| Item | Parameter | Value |
|---|---|---|
| PV | Short circuit current | 8.82 A |
| Open circuit voltage | 19.2 V | |
| Power rating | 120 W | |
| ESS Battery | Rating (Lead-Acid) | 65 Ah, 12 V |
| Maximum charging current | 13 A | |
| EV Battery | Rating (Lithium-Ion) | 6.5 Ah, 3.7 V |
| Maximum charging/discharging current | 3 A | |
| Boost Converter | Input voltage | 20 V |
| Power rating | 120 W | |
| EV Charger | Input voltage | 20 V |
| Power rating | 120 W | |
| Bidirectional Converter | Input/output voltage | 25 V |
| Power rating | 120 W | |
| Lf | 560 µH | |
| Cf | 1000 µF | |
| Cdc | 2200 µF | |
| Switching frequency | 4 kHz |
| Parameter | Value | |||||
|---|---|---|---|---|---|---|
| Insolation (%) | 100 | 75 | 50 | 30 | 0 | |
| Efficiency (%) | 89.7 | 94.2 | 88.6 | 94 | 89.8 | |
| Fuzzy | Vdc Overshoot (%) | 10 | 1.6 | 1.6 | 1.6 | 2 |
| Vdc Settling time (s) | 0.06 | 0.04 | 0.06 | 0.042 | 0.045 | |
| PI | Vdc Overshoot (%) | 12 | 3 | 4.1 | 3 | 5 |
| Vdc Settling time (s) | 0.085 | 0.125 | 0.14 | 0.12 | 0.12 | |
Publisher’s Note: MDPI stays neutral with regard to jurisdictional claims in published maps and institutional affiliations. |
© 2021 by the authors. Licensee MDPI, Basel, Switzerland. This article is an open access article distributed under the terms and conditions of the Creative Commons Attribution (CC BY) license (https://creativecommons.org/licenses/by/4.0/).
Share and Cite
Zaid, S.A.; Albalawi, H.; Alatawi, K.S.; El-Rab, H.W.; El-Shimy, M.E.; Lakhouit, A.; Alhmiedat, T.A.; Kassem, A.M. Novel Fuzzy Controller for a Standalone Electric Vehicle Charging Station Supplied by Photovoltaic Energy. Appl. Syst. Innov. 2021, 4, 63. https://doi.org/10.3390/asi4030063
Zaid SA, Albalawi H, Alatawi KS, El-Rab HW, El-Shimy ME, Lakhouit A, Alhmiedat TA, Kassem AM. Novel Fuzzy Controller for a Standalone Electric Vehicle Charging Station Supplied by Photovoltaic Energy. Applied System Innovation. 2021; 4(3):63. https://doi.org/10.3390/asi4030063
Chicago/Turabian StyleZaid, Sherif A., Hani Albalawi, Khaled S. Alatawi, Hassan W. El-Rab, Mohamed E. El-Shimy, Abderrahim Lakhouit, Tareq A. Alhmiedat, and Ahmed M. Kassem. 2021. "Novel Fuzzy Controller for a Standalone Electric Vehicle Charging Station Supplied by Photovoltaic Energy" Applied System Innovation 4, no. 3: 63. https://doi.org/10.3390/asi4030063
APA StyleZaid, S. A., Albalawi, H., Alatawi, K. S., El-Rab, H. W., El-Shimy, M. E., Lakhouit, A., Alhmiedat, T. A., & Kassem, A. M. (2021). Novel Fuzzy Controller for a Standalone Electric Vehicle Charging Station Supplied by Photovoltaic Energy. Applied System Innovation, 4(3), 63. https://doi.org/10.3390/asi4030063

