Laser-Welded Corrugated-Core Sandwich Composition—Numerical Modelling Strategy for Structural Analysis
Abstract
:1. Introduction
2. Combined Sub-Modelling Approach
2.1. Two-Dimensional Structural Models
2.1.1. Frame Model for Panel-Level Bending and Weld-Region Analyses (2D-1)
2.1.2. Constrained Frame Model for Effect of DAL (2D-2)
2.1.3. Solid Element Model for Weld-Region Analyses (2D-3)
2.2. Three-Dimensional Structural Models
- 3D-1: Global model of a large-scale CCSSP structure, which is entirely made of EOSL (Figure 8a);
- 3D-2: Level 2 large sub-model with 3D shell, which uses deformation from 3D-1 as boundary conditions (Figure 8b);
- 3D-3a: Level 3 small sub-model with 3D shell, which uses deformation from 3D-2 as boundary conditions—various supporting scenarios are considered (Figure 8c);
- 3D-3b: Analogous to 3D-3a but with solid elements (Figure 8d).
2.2.1. Global Model with EOSL Orthotropic Panels (3D-1)
2.2.2. Large Sub-Model with 3D Shells (3D-2)
2.2.3. Small Sub-Model with 3D Shells (3D-3a)
2.2.4. Small Sub-Model with 3D Solids (3D-3b)
2.3. Models for Weld-Region-Equivalent Spring Stiffness
2.3.1. Rotational Stiffness about the Weld Line (WLRS)
2.3.2. Axial Stiffness of the Weld Line (WLAS)
2.3.3. Weld Shear Stiffness Perpendicular to the Weld Line (WLSS)
3. Numerical Results and Discussion
3.1. Global Deflection Predictions
3.2. Impact of Weld-Region Deformations on Weld Stress Predictions
3.3. Panel-Level Sectional Forces
3.4. Stress Predictions
3.4.1. Constituent Plates Stresses
Global Actions (Region i)
Region under DAL (Region ii)
Local Supports (Region iii)
3.4.2. Weld Stresses
Global Actions (Region i)
Region under DAL (Region ii)
Local Supports (Region iii)
4. Concluding Remarks
Author Contributions
Funding
Data Availability Statement
Acknowledgments
Conflicts of Interest
References
- Kujala, P.; Klanac, A. Steel sandwich panels in marine applications. Brodogradnja 2005, 56, 305–314. [Google Scholar]
- Wang, H.; Cheng, Y.S.; Liu, J.; Gan, L. The fluid-solid interaction dynamics between underwater explosion bubble and corrugated sandwich plate. Shock Vib. 2016, 2016, 6057437. [Google Scholar] [CrossRef]
- Rong, Y.; Liu, J.; Luo, W.; He, W. Effects of geometric configurations of corrugated cores on the local impact and planar compression of sandwich panels. Compos. Part B Eng. 2018, 152, 324–335. [Google Scholar] [CrossRef]
- Li, Y.; Zhang, L.; He, R.; Ma, Y.; Zhang, K.; Bai, X.; Xu, B.; Chen, Y. Integrated thermal protection system based on C/SiC composite corrugated core sandwich plane structure. Aerosp. Sci. Technol. 2019, 91, 607–616. [Google Scholar] [CrossRef]
- Vignjevic, R.; Campbell, J.; Hughes, K.; Orłowski, M.; Garcea, S.; Withers, P.; Reed, J. Soft body impact resistance of composite foam core sandwich panels with unidirectional corrugated and tubular reinforcements. Int. J. Impact Eng. 2019, 132, 103320. [Google Scholar] [CrossRef]
- Zhuang, W.; Yang, C.; Wu, Z. Modal and aeroelastic analysis of trapezoidal corrugated-core sandwich panels in supersonic flow. Int. J. Mech. Sci. 2019, 157–158, 267–281. [Google Scholar] [CrossRef]
- Bartolozzi, G.; Pierini, M.; Orrenius, U.; Baldanzini, N. An equivalent material formulation for sinusoidal corrugated cores of structural sandwich panels. Compos. Struct. 2013, 100, 173–185. [Google Scholar] [CrossRef]
- Lurie, S.A.; Solyaev, Y.O.; Volkov-Bogorodskiy, D.B.; Bouznik, V.M.; Koshurina, A.A. Design of the corrugated-core sandwich panel for the arctic rescue vehicle. Compos. Struct. 2017, 160, 1007–1019. [Google Scholar] [CrossRef]
- Hu, P.; Akhmet, G.; Wu, C.; Han, X.; Chao, Y.; Yu, Y.; Orazbayeva, A. Characterisation on the influence of curing history on the mechanical performance of adhesively bonded corrugated sandwich structures. Thin-Walled Struct. 2019, 142, 37–51. [Google Scholar] [CrossRef]
- Atashipour, S.R.; Al-Emrani, M. A realistic model for transverse shear stiffness prediction of composite corrugated-core sandwich elements. Int. J. Solids Struct. 2017, 129, 1–17. [Google Scholar] [CrossRef]
- McCracken, A.; Sadeghian, P. Corrugated cardboard core sandwich beams with bio-based flax fiber composite skins. J. Build. Eng. 2018, 20, 114–122. [Google Scholar] [CrossRef]
- Nilsson, P.; Al-Emrani, M.; Atashipour, S.R. Transverse shear stiffness of corrugated core steel sandwich panels with dual weld lines. Thin-Walled Struct. 2017, 117, 98–112. [Google Scholar] [CrossRef]
- Nilsson, P.; Al-Emrani, M.; Atashipour, S.R. Fatigue-strength assessment of laser welds in corrugated core steel sandwich panels. J. Constr. Steel Res. 2020, 164, 105797. [Google Scholar] [CrossRef]
- Faidzi, M.K.; Abdullah, S.; Abdullah, M.F.; Azman, A.H.; Singh, S.S.K.; Hui, D. Computational analysis on the different core configurations for metal sandwich panel under high velocity impact. Soft Comput. 2021, 25, 10561–10574. [Google Scholar] [CrossRef]
- Hammarberg, S.; Kajberg, J.; Lindkvist, G.; Jonsén, P. Homogenization, Modeling and Evaluation of Stiffness for Bidirectionally Corrugated Cores in Sandwich Panels; Lulea University of Technology: Luleå, Sweden, 2018. [Google Scholar]
- Romanoff, J. Optimization of web-core steel sandwich decks at concept design stage using envelope surface for stress assessment. Eng. Struct. 2014, 66, 1–9. [Google Scholar] [CrossRef]
- Biancolini, M.E. Evaluation of equivalent stiffness properties of corrugated board. Compos. Struct. 2005, 69, 322–328. [Google Scholar] [CrossRef]
- Kress, G.; Winkler, M. Corrugated laminate homogenization model. Compos. Struct. 2010, 92, 795–810. [Google Scholar] [CrossRef]
- Klostermann, O. Zum Tragverhalten von Lasergeschweis sten Stahlhohlplatten im Brückenbau; TU Dortmund: Dortmund, Germany, 2012. [Google Scholar]
- Romanoff, J.; Varsta, P. Bending response of web-core sandwich plates. Compos. Struct. 2007, 81, 292–302. [Google Scholar] [CrossRef]
- Karttunen, A.T.; Reddy, J.N.; Romanoff, J. Micropolar modeling approach for periodic sandwich beams. Compos. Struct. 2018, 185, 656–664. [Google Scholar] [CrossRef]
- Karttunen, A.T.; Reddy, J.N.; Romanoff, J. Two-scale micropolar plate model for web-core sandwich panels. Int. J. Solids Struct. 2019, 170, 82–94. [Google Scholar] [CrossRef]
- Romanoff, J.; Varsta, P.; Remes, H. Laser-welded web-core sandwich plates under patch loading. Mar. Struct. 2007, 20, 25–48. [Google Scholar] [CrossRef]
- Aygül, M.; Al-Emrani, M.; Urushadze, S. Modelling and fatigue life assessment of orthotropic bridge deck details using FEM. Int. J. Fatigue 2012, 40, 129–142. [Google Scholar] [CrossRef]
- Romanoff, J.; Remes, H.; Socha, G.; Jutila, M.; Varsta, P. The stiffness of laser stake welded T-joints in web-core sandwich structures. Thin-Walled Struct. 2007, 45, 453–462. [Google Scholar] [CrossRef]
- Nilsson, P.; Al-Emrani, M.; Atashipour, R. A numerical approach to the rotational stiffness of stake-welds. In Proceedings of the EUROSTEEL, Copenhagen, Denmark, 13–15 September 2017. [Google Scholar]
- Goncalves, B.R.; Romanoff, J. Size-dependent modelling of elastic sandwich beams with prismatic cores. Int. J. Solids Struct. 2017, 136–137, 28–37. [Google Scholar] [CrossRef]
- Karttunen, A.T.; Reddy, J.N.; Romanoff, J. Two-scale constitutive modeling of a lattice core sandwich beam. Compos. Part B Eng. 2019, 160, 66–75. [Google Scholar] [CrossRef]
- Romanoff, J. Interaction between laser-welded web-core sandwich deck plate and girder under bending loads. Thin-Walled Struct. 2011, 49, 772–781. [Google Scholar] [CrossRef]
- Libove, C.; Hubka, R. Elastic Constants for Corrugated-Core Sandwich Plates. NASA Technical Reports, Document ID: 19930082945. 1951. Available online: https://ntrs.nasa.gov/citations/19930082945 (accessed on 13 August 2023).
- Libove, C.; Batdorf, S.B. A General Small-Deflection Theory for Flat Sandwich Plates. NASA Technical Reports, Document ID: 19930091966. 1948. Available online: https://ntrs.nasa.gov/citations/19930091966 (accessed on 13 August 2023).
- EN 1991-2; Eurocode 1: Actions on Structures—Part 2: Traffic Loads on Bridges. European Committee for Standardization (CEN): Brussels, Belgium, 2010.
- Allen, H.G. Analysis and Design of Structural Sandwich Panels; Pergamon Press: Oxford, UK, 1969. [Google Scholar]
- O’Connor, D.J. Point concentrations in thick-faced sandwich beams. J. Eng. Mech. 1988, 114, 733–752. [Google Scholar] [CrossRef]
- Simulia. ABAQUS 6.13: User’s Manual. Providence, RI: Dassault Systems. 2013. Available online: http://130.149.89.49:2080/v6.13/index.html (accessed on 13 August 2023).
- Reddy, J.N. Mechanics of Laminated Composite Plates and Shells–Theory and Analysis, 2nd ed.; CRC Press: Boca Raton, FL, USA, 2004. [Google Scholar]
- Kok, A.W.M.; Blaauwendraad, J. Shape-orthotropic stressing–bending plate model. Eng. Struct. 2008, 30, 2884–2892. [Google Scholar] [CrossRef]






























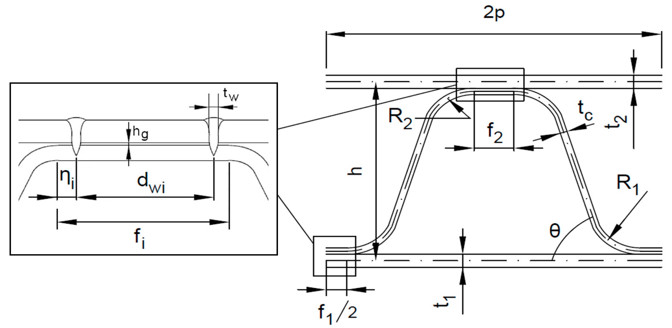
| t1 (mm) | tc (mm) | t2 (mm) | h (mm) | θ (°) | f1,2 (mm) | dw1,2 (mm) | 2p (mm) | R1,2 (mm) |
|---|---|---|---|---|---|---|---|---|
| 5 | 6 | 8 | 132 | 65 | 60 | 30 | 253 | 7.4 |
| Ex (N/m) | Ey (N/m) | Gxy (N/m) | Dx (Nm) | Dy (Nm) | Dxy (Nm) | DQx (Nm) | DQy (Nm) |
|---|---|---|---|---|---|---|---|
| 4.72 × 109 | 3.05 × 109 | 1.36 × 109 | 15.5 × 106 | 11.5 × 106 | 8.79 × 106 | 334 × 106 | 12.7 × 106 |
| L (m) | B (m) | l (m) | l0 (m) | lend (m) | dcant (m) | dMG (m) | hw,MG (mm) | tw,MG (mm) | tf,MG (mm) |
|---|---|---|---|---|---|---|---|---|---|
| 20.4 | 9.11 | 5.56 | 4.44 | 0.200 | 1.52 | 6.08 | 1000 | 8 | 20 |
| hw,TG (mm) | bf,TG (mm) | tw,TG (mm) | tf,TG (mm) | hw,EG (mm) | bf,EG (mm) | tw,EG (mm) | tf,EG (mm) | bf,MG (mm) | |
| 500 | 200 | 6 | 20 | 900 | 200 | 6 | 20 | 300 |
| kϕ1 | kϕ2 | kz1 | kz2 | ky1 | ky2 |
|---|---|---|---|---|---|
| (kNm/(rad∙m)) | (kNm/(rad∙m)) | (MN/m) | (MN/m) | (MN/m) | (MN/m) |
| 93.04 | 92.58 | 20.30 | 13.50 | 9.22 | 8.34 |
| kϕ1 | kϕ2 | kz1 | kz2 | ky1 | ky2 | |
|---|---|---|---|---|---|---|
| Setup | (kNm/rad) | (kNm/rad) | (106 N/m) | (106 N/m) | (106 N/m) | (106 N/m) |
| 1 | ∞ | ∞ | ∞ | ∞ | ∞ | ∞ |
| 2 | 0 | 0 | ∞ | ∞ | ∞ | ∞ |
| 3 | calc | calc | ∞ | ∞ | ∞ | ∞ |
| 4 | calc | calc | calc | calc | ∞ | ∞ |
| 5 | calc | calc | calc | calc | calc | calc |
| Weld 1-1 | Weld 1-2 | |||||
|---|---|---|---|---|---|---|
| k-Setup | Cell 1 | Cell 2 | Cell 3 | Cell 1 | Cell 2 | Cell 3 |
| 1 (rigid) | 323.3 | 279.5 | 156.7 | 385.9 | 597.7 | 155.9 |
| 2 (hinge) | −100.0 | −100.0 | −100.0 | −100.0 | −100.0 | −100.0 |
| 3 (kφ) | −0.7 | 1.4 | 7.5 | −3.5 | 59.3 | 7.2 |
| 4 (kφ, kz) | 0.0 | 2.0 | 7.5 | −2.5 | 57.0 | 7.2 |
| 5 (kφ, kz, ky) | −1.1 | −1.7 | −1.9 | −0.4 | −9.3 | −2.2 |
| Weld 2-1 | Weld 2-2 | |||||
| k-setup | Cell 1 | Cell 2 | Cell 3 | Cell 1 | Cell 2 | Cell 3 |
| 1 (rigid) | 549.1 | 333.3 | 328.6 | 215.4 | 215.4 | 324.4 |
| 2 (hinge) | −100.0 | −100.0 | −100.0 | −100.0 | −100.0 | −100.0 |
| 3 (kφ) | −5.4 | 0.9 | 13.1 | 5.4 | 5.4 | 12.0 |
| 4 (kφ, kz) | −1.3 | 1.7 | 13.1 | 4.2 | 4.2 | 12.0 |
| 5 (kφ, kz, ky) | −3.8 | −1.3 | −2.0 | −0.2 | −0.2 | −2.9 |
Disclaimer/Publisher’s Note: The statements, opinions and data contained in all publications are solely those of the individual author(s) and contributor(s) and not of MDPI and/or the editor(s). MDPI and/or the editor(s) disclaim responsibility for any injury to people or property resulting from any ideas, methods, instructions or products referred to in the content. |
© 2023 by the authors. Licensee MDPI, Basel, Switzerland. This article is an open access article distributed under the terms and conditions of the Creative Commons Attribution (CC BY) license (https://creativecommons.org/licenses/by/4.0/).
Share and Cite
Nilsson, P.; Atashipour, S.R.; Al-Emrani, M. Laser-Welded Corrugated-Core Sandwich Composition—Numerical Modelling Strategy for Structural Analysis. J. Compos. Sci. 2023, 7, 349. https://doi.org/10.3390/jcs7090349
Nilsson P, Atashipour SR, Al-Emrani M. Laser-Welded Corrugated-Core Sandwich Composition—Numerical Modelling Strategy for Structural Analysis. Journal of Composites Science. 2023; 7(9):349. https://doi.org/10.3390/jcs7090349
Chicago/Turabian StyleNilsson, Peter, Seyed Rasoul Atashipour, and Mohammad Al-Emrani. 2023. "Laser-Welded Corrugated-Core Sandwich Composition—Numerical Modelling Strategy for Structural Analysis" Journal of Composites Science 7, no. 9: 349. https://doi.org/10.3390/jcs7090349
APA StyleNilsson, P., Atashipour, S. R., & Al-Emrani, M. (2023). Laser-Welded Corrugated-Core Sandwich Composition—Numerical Modelling Strategy for Structural Analysis. Journal of Composites Science, 7(9), 349. https://doi.org/10.3390/jcs7090349

