Effect of Filler Morphology on the Electrical and Thermal Conductivity of PP/Carbon-Based Nanocomposites
Abstract
:1. Introduction
2. Materials and Methods
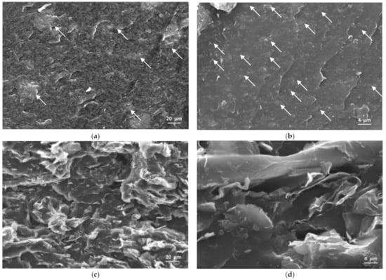
3. Results and Discussion
4. Conclusions
Author Contributions
Funding
Institutional Review Board Statement
Informed Consent Statement
Conflicts of Interest
References
- Anish, K.; Jawaid, M.; Parwaz, A.A.K.; Asiri, A.M. (Eds.) Electrically Conductive Polymer and Polymer Composites: From Synthesis to Biomedical Applications; Wiley-VCH Verlag GmbH & Co. KGaA: Weinheim, Germany, 2018. [Google Scholar]
- Tiwari, S.K.; Mishra, J.; Hatui, G.; Nayak, G.C. Conductive Polymer Composites Based on Carbon Nanomaterials. In Conducting Polymer Hybrids; Springer Series on Polymer and Composite Materials; Kumar, V., Kalia, S., Swart, H., Eds.; Springer: Cham, Switzerland, 2017. [Google Scholar]
- Wong, Y.W.; Lo, K.L.; Shin, F.G. Electrical and thermal properties of composite of liquid crystalline polymer filled with carbon black. J. Appl. Polym. Sci. 2001, 82, 1549–1555. [Google Scholar] [CrossRef]
- Che, J.; Wu, K.; Lin, Y.; Wang, K.; Fu, Q. Largely improved thermal conductivity of HDPE/expanded graphite/carbon nanotubes ternary composites via filler network-network synergy. Compos. Part A Appl. Sci. Manuf. 2017, 99, 32–40. [Google Scholar] [CrossRef]
- Wei, Z.; Dehghani, S.A.; Blackburn, R. Carbon based conductive polymer composites. J. Mater. Sci. 2007, 42, 3408–3418. [Google Scholar]
- de Souza Vieira, L.; dos Anjos, E.G.R.; Verginio, G.E.A.; Oyama, I.C.; Braga, N.F.; da Silva, T.F.; Montagna, L.S.; Rezende, M.C.; Passador, F.R. Carbon-based materials as antistatic agents for the production of antistatic packaging: A review. J. Mater. Sci. Mater. Electron. 2021, 32, 3929–3947. [Google Scholar] [CrossRef]
- Sparavigna, A.C. Engineered Polymers in Packaging: Some Solutions to Prevent Electrostatic Discharge. Int. J. Sci. 2019, 2, 116–123. [Google Scholar] [CrossRef] [Green Version]
- Fortunati, E.; D’Angelo, S.F.; Orlacchio, M.A.; Kenny, J.M.; Armentano, I. Carbon nanotubes and silver nanoparticles for multifunctional conductive biopolymer composites. Carbon 2011, 49, 2370–2379. [Google Scholar] [CrossRef]
- Pande, S.; Chaudhary, A.; Patel, D.; Singh, B.P.; Mathur, R.B. Mechanical and electrical properties of multiwall carbon nanotube/polycarbonate composites for electrostatic discharge and electromagnetic interference shielding applications. RSC Adv. 2014, 4, 13839–13849. [Google Scholar] [CrossRef] [Green Version]
- Monti, M.; Natali, M.; Petrucci, R.; Kenny, J.M.; Torre, L. Carbon Nanofibers for Strain and Impact Damage Sensing in Glass Fiber Reinforced Composites Based on an Unsaturated Polyester Resin. Polym. Compos. 2011, 32, 766–775. [Google Scholar] [CrossRef]
- Ma, L.-F.; Bao, R.-Y.; Dou, R.; Zheng, S.-D.; Liu, Z.-Y.; Zhang, R.-Y.; Yang, M.-B.; Wei, Y. Conductive thermoplastic vulcanizates (TPVs) based on polypropylene (PP)/ethylene-propylene-diene rubber (EPDM) blend: From strain sensor to highly stretchable conductor. Compos. Sci. Technol. 2016, 128, 176–184. [Google Scholar] [CrossRef]
- Abbasi, H.; Antunes, M.; Velasco, J.I. Recent advances in carbon-based polymer nanocomposites for electromagnetic interference shielding. Prog. Mater. Sci. 2019, 103, 319–373. [Google Scholar] [CrossRef]
- Abdel-Aal, N.; El-Tantawy, F.; Al-Hajry, A.; Bououdina, M. Epoxy resin/plasticized carbon black composites. Part I. Electrical and thermal properties and their applications. Polym. Compos. 2008, 29, 511–517. [Google Scholar] [CrossRef]
- King, J.A.; Morrison, F.A.; Keith, J.M.; Miller, M.G.; Smith, R.C.; Cruz, M.; Neuhalfen, A.M.; Barton, R.L. Electrical Conductivity and Rheology of Carbon-Filled Liquid Crystal Polymer Composites. J. Appl. Polym. Sci. 2006, 101, 2680–2688. [Google Scholar] [CrossRef]
- Probst, N.; Grivei, E. Structure and electrical properties of carbon black. Carbon 2002, 40, 201–205. [Google Scholar] [CrossRef]
- Available online: http://carbon-black.org/index.php/what-is-carbon-black (accessed on 20 December 2016).
- Gubbels, F.; Jerome, R.; Teyssie, P.; Vanlathem, E.; Deltour, R.; Calderone, A.; Parente, V.; Bredas, J.L. Selective Localization of Carbon Black in Immiscible Polymer Blends: A Useful Tool to Design Electrical Conductive Composites. Macromolecules 1994, 27, 1972–1974. [Google Scholar] [CrossRef]
- Liu, C.; Song, Y.; Xu, Z.; Zhao, J.; Rao, Z. Highly efficient thermal energy storage enabled by a hierarchical structured hypercrosslinked polymer/expanded graphite composite. Int. J. Heat Mass Transf. 2020, 148, 119068. [Google Scholar] [CrossRef]
- Dhakate, S.R.; Chauhan, N.; Sharma, S.; Tawale, J.; Singh, S.; Sahare, P.D.; Mathur, R.B. An approach to produce single and double layer graphene from re-exfoliation of expanded graphite. Carbon 2011, 49, 1946–1954. [Google Scholar] [CrossRef]
- Zaccone, M.; Armentano, I.; Torre, L.; Cesano, F.; Cravanzola, S.; Scarano, D.; Frache, A.; Monti, M. Morphology and electrical properties of injection-moulded PP carbon-based nanocomposites. AIP Conf. Proc. 2017, 1914, 140006. [Google Scholar]
- Sanjinés, R.; Abad, M.D.; Vâju, C.; Smajda, R.; Mionić, M.; Magrez, A. Electrical properties and applications of carbon based nanocomposite materials: An overview. Surf. Coat. Technol. 2011, 206, 727–733. [Google Scholar] [CrossRef]
- Carbon Nanotubes (CNT) Market by Type (Single, Multi Walled), Method (Chemical Vapor Deposition, Catalytic Chemical Vapor Deposition, High Pressure Carbon Monoxide), Application (Electronics, Chemical, Batteries, Energy, Medical—Global Forecast to 2026, in Carbon Nanotubes (CNT) Market Report. Available online: https://www.marketsandmarkets.com/ (accessed on 1 May 2021).
- Kalaitzidou, K.; Fukushima, H.; Drzal, L.T. A Route for Polymer Nanocomposites with Engineered Electrical Conductivity and Percolation Threshold. Materials 2010, 3, 1089. [Google Scholar] [CrossRef]
- Gulrez, S.K.H.; Mohsin, M.E.A.; Shaikh, H.; Anis, A.; Pulose, A.M.; Yadav, M.K.; Qua, E.H.P.; Al-Zaharani, S.M. A review on electrically conductive polypropylene and polyethylene. Polym. Compos. 2014, 35, 900–914. [Google Scholar] [CrossRef]
- Coleman, J.N.; Khan, U.; Blau, W.J.; Gun’ko, Y.K. Small but strong: A review of the mechanical properties of carbon nanotube–polymer composites. Carbon 2006, 44, 1624–1652. [Google Scholar] [CrossRef]
- Monti, M.; Natali, M.; Petrucci, R.; Puglia, D.; Terenzi, A.; Valentini, L.; Kenny, J.M. Composites Based on Nanocomposite Matrices. In Wiley Encyclopedia of Composites; John Wiley & Sons, Inc.: Hoboken, NJ, USA, 2011; pp. 1–18. [Google Scholar]
- Dehesa, A.A.; Luzi, F.; Puglia, D.; Lizundia, E.; Armentano, I.; Torre, L. Effect of SWCNT Content and Water Vapor Adsorption on the Electrical Properties of Cellulose Nanocrystal-Based Nanohybrids. J. Phys. Chem. C 2020, 124, 14901–14910. [Google Scholar] [CrossRef]
- Huang, J.C. Carbon black filled conducting polymers and polymer blends. Adv. Polym. Technol. 2002, 21, 299–313. [Google Scholar] [CrossRef]
- Barsoukov, E.; Macdonald, J.R. Impedance Spectroscopy Theory, Experiment and Applications; John Wiley and Sons: Hoboken, NJ, USA, 2005. [Google Scholar]
- Pötschke, P.; Dudkin, S.M.; Alig, I. Dielectric spectroscopy on melt processed polycarbonate—Multiwalled carbon nanotube composites. Polymer 2003, 44, 5023–5030. [Google Scholar] [CrossRef]
- Loh, K.J.; Lynch, J.P.; Shim, B.S.; Kotov, N.A. Tailoring piezoresistive sensitivity of multilayer carbon nanotube composite strain sensors. J. Intell. Mater. Syst. Struct. 2008, 19, 7747–7764. [Google Scholar] [CrossRef]
- Ameli, A.; Nofar, M.; Park, C.B.; Potschke, P.; Rizvi, G. Polypropylene/carbon nanotube nanomicrocellular structures with high dielectric permittivity, low dielectric loss, and low percolation threshold. Carbon 2014, 71, 206–217. [Google Scholar] [CrossRef]
- Monti, M.; Armentano, I.; Faiella, G.; Antonucci, V.; Kenny, J.M.; Torre, L.; Giordano, M. Toward the microstructure–properties relationship in MWCNT/epoxy composites: Percolation behaviour and dielectric spectroscopy. Compos. Sci. Technol. 2014, 96, 38–46. [Google Scholar] [CrossRef]
- Qu, M.; Terasa, M.-I.; Adelung, R.; Schubert, D.W. Structure changes of aligned carbon nanotubes in thermoplastics below percolation revealed by impedance spectroscopy. Appl. Nanosci. 2018, 8, 2071–2075. [Google Scholar] [CrossRef]
- Monti, M.; Zaccone, M.; Frache, A.; Torre, L.; Armentano, I. Dielectric Spectroscopy of PP/MWCNT Nanocomposites: Relationship with Crystalline Structure and Injection Molding Condition. Nanomaterials 2021, 11, 550. [Google Scholar] [CrossRef] [PubMed]
- Khan, T.; Irfan, M.S.; Ali, M.; Dong, Y.; Ramakrishna, S.; Umer, R. Insights to low electrical percolation thresholds of carbon-based polypropylene nanocomposites. Carbon 2021, 176, 602–631. [Google Scholar] [CrossRef]
- Clingerman, M.L.; Weber, E.H.; King, J.A.; Schulz, K.H. Development of an Additive Equation for Predicting the Electrical Conductivity of Carbon-Filled Composites. J. Appl. Polym. Sci. 2003, 88, 2280–2299. [Google Scholar] [CrossRef]
- Gokturk, H.S.; Fiske, T.J.; Kalyon, D.M. Effects of particle shape and size distributions on the electrical and magnetic properties of nickel/polyethylene composites. J. Appl. Polym. Sci. 1993, 50, 1891. [Google Scholar] [CrossRef]
- Yi, J.Y.; Choi, G.M. Percolation Behaviour of Conductor-Insulator Composites with Varying Aspect Ratio of Conductive Fiber. J. Electroceram. 1999, 3, 361. [Google Scholar] [CrossRef]
- Calvert, P. Nanotube composites: A recipe for strength. Nature 1999, 399, 210–211. [Google Scholar] [CrossRef]
- Cruz, H.; Son, Y. Effect of aspect ratio on electrical, rheological and glass transition properties of PC/MWCNT nanocomposites. J. Nanosci. Nanotechnol. 2018, 18, 943–950. [Google Scholar] [CrossRef]
- Alig, I.; Pötschke, P.; Lellinger, D.; Skipa, T.; Pegel, S.; Kasaliwal, G.R.; Villmow, T. Establishment, morphology and properties of carbon nanotube networks in polymer melts. Polymer 2012, 53, 4–28. [Google Scholar] [CrossRef]
- Lago, E.D.; Cagnin, E.; Boaretti, C.; Roso, M.; Lorenzetti, A.; Modesti, M. Influence of different carbon-based fillers on electrical and mechanical properties of a pc/abs blend. Polymers 2020, 12, 29. [Google Scholar] [CrossRef] [Green Version]
- Available online: http://www.carbonblack.jp/en/cb/tokusei.html (accessed on 10 October 2006).
- Lizundia, E.; Sarasua, J.R.; D’Angelo, F.; Orlacchio, A.; Martino, S.; Kenny, J.M.; Armentano, I. Biocompatible poly(l-lactide)/MWCNT nanocomposites: Morphological characterization, electrical properties, and stem cell interaction. Macromol. Biosci. 2012, 12, 870–881. [Google Scholar] [CrossRef]
- Yu, A.; Ramesh, P.; Sun, X.; Bekyarova, E.; Itkis, M.E.; Haddon, R.C. Enhanced thermal conductivity in a hybrid graphite nanoplatelet—carbon nanotube filler for epoxy. Composites 2008, 20, 4740–4744. [Google Scholar] [CrossRef]
- Gkourmpis, T. Carbon-based high aspect ratio polymer nanocomposites. In Nanoscience and Computational Chemistry: Research Progress Chapter; Mercader, A.G., Castro, E.A., Haghi, A.K., Eds.; Apple Academic Press, Inc.: Palm Bay, FL, USA, 2013. [Google Scholar] [CrossRef]
- Zhong, H.; Lukes, J.R. Interfacial thermal resistance between carbon nanotubes: Molecular dynamics simulations and analytical thermal modelling. Phys. Rev. B 2006, 74, 125403. [Google Scholar] [CrossRef] [Green Version]
- Vega, J.F.; Martınez-Salazar, J.; Trujillo, M.; Arnal, M.L.; Mueller, A.J.; Bredeau, S.; Dubois, P. Rheology, Processing, Tensile Properties, and Crystallization of Polyethylene/Carbon Nanotube Nanocomposites. Macromolecules 2009, 42, 4719–4727. [Google Scholar] [CrossRef]
- Zaccone, M. PP/MWCNT Injection-Moulded Components: An Analytical Study of Electrical Properties and Morphology. Ph.D. Thesis, Polythecnic of Turin, Turin, Italy, 2017. [Google Scholar]
- Abbasi, S.; Carreau, P.J.; Derdouri, A. Flow induced orientation of multiwalled carbon nanotubes in polycarbonate nanocomposites: Rheology, conductivity and mechanical properties. Polymer 2010, 51, 922–935. [Google Scholar] [CrossRef] [Green Version]
- Tchoudakov, R.; Breuer, O.; Narkis, M.; Siegmann, A. Conductivity/Morphology Relationships in Immiscible Polymer Blends: HIPS/SIS/Carbon Black. In Conductive Polymers and Plastics in Industrial Applications; Rupprecht, L., Ed.; Plastic Design Library, Elsevier: Amsterdam, The Netherlands, 1999; Volume 51. [Google Scholar]
- Qu, M.; Nilsson, F.; Qin, Y.; Yang, G.; Pan, Y.; Liu, X.; Rodriguez, G.H.; Chen, J.; Zhang, C.; Schubert, D.W. Electrical conductivity and mechanical properties of melt-spun ternary composites comprising PMMA, carbon fibers and carbon black. Compos. Sci. Technol. 2017, 150, 24–31. [Google Scholar] [CrossRef]







| Carbon-Based Additives | Main Properties and Contents |
|---|---|
| Multi-walled carbon nanotubes (MWCNT) Nanocyl™ NC7000 Nanocyl (Belgium) | Average diameter: 9.5 nm Average length: 1.5 µm Metal oxide: 10% Surface area (BET method): 250–300 m2/g Contents: 1–2–3–4–5–6–7 wt% |
| Carbon Black (CB-65) Ensaco® 250G Imerys (France) | Surface area (BET method): 65 m2/g Ash content: 0.01% Pour density: 170 kg/m3 Contents: 7.5–10–12.5–15–17.5–20–25 wt% |
| Carbon Black (CB-770) Ensaco® 350G Imerys (France) | Surface area (BET method): 770 m2/g Ash content: 0.03% Pour density: 135 kg/m3 Contents: 5–7.5–10–12.5 wt% |
| Expanded Graphite (EG) Timrex C-Therm™ 001 Imerys (France) | Ash content: <0.3% Scott (bulk) density: 0.15 (g/cm3) Contents: 5–10–15 wt% |
| Materials | Tensile Test | IZOD Notched Impact Test | ||||
|---|---|---|---|---|---|---|
| E (MPa) | σy (MPa) | εy (%) | σb (MPa) | εb (%) | Resilience (kJ/m2) | |
| Neat PP | 1230 ± 30 | 29.7 ± 0.3 | 9.5 ± 0.1 | 18 ± 2 | 500 ± 100 | 3.4 ± 0.5 |
| 1 wt% MWCNT | 1210 ± 70 | 29.9 ± 0.2 | 9.8 ± 0.1 | 18 ± 1 | 400 ± 100 | 3.5 ± 0.4 |
| 2 wt% MWCNT | 1220 ± 80 | 29.8 ± 0.2 | 9.9 ± 0.1 | 17 ± 2 | 400 ± 80 | 3.8 ± 0.2 |
| 3 wt% MWCNT | 1250 ±60 | 30.3 ± 0.4 | 10.3 ± 0.2 | 16 ± 2 | 390 ± 100 | 3.9 ± 0.4 |
| 4 wt% MWCNT | 1367 ± 24 | 30.7 ± 0.2 | 10.2 ± 0.1 | 17 ± 7 | 25 ± 6 | 3.7 ± 0.4 |
| 10 wt% EG | 1590 ± 40 | 24.4 ± 0.1 | 6.8 ± 0.1 | 21.5 ± 0.1 | 13.0 ± 0.5 | 2.7 ± 0.1 |
| 15 wt% EG | 1860 ± 60 | 24.6 ± 0.1 | 5.6 ± 0.1 | 22.4 ± 0.1 | 9.5 ± 0.2 | 3.4 ± 0.8 |
| 15 wt% CB-65 | 1480 ± 50 | 30.3 ± 0.2 | 7.7 ± 0.1 | 29.2 ± 0.3 | 9.8 ± 0.4 | 2.4 ± 0.3 |
| 17.5 wt% CB-65 | 1510 ± 50 | 29.7 ± 0.1 | 6.5 ± 0.1 | 29.5 ± 0.3 | 6.6 ± 0.2 | 2.5 ± 1.4 |
| 20 wt% CB-65 | 1540 ± 30 | 28.9 ± 0.6 | 5.3 ± 0.2 | 28.7 ± 0.5 | 5.3 ± 0.2 | 1.6 ± 0.1 |
| 25 wt% CB-65 | 1610 ± 60 | 29.0 ± 0.1 | 4.9 ± 0.1 | 29.0 ± 0.1 | 4.9 ± 0.1 | 1.3 ± 0.2 |
| 5 wt% CB-770 | 1360 ± 40 | 30.5 ± 0.3 | 9.0 ± 0.2 | 14 ± 5 | 300 ± 200 | 2.3 ± 0.4 |
| 7.5 wt% CB-770 | 1440 ± 24 | 30.7 ± 0.1 | 7.7 ± 0.1 | 28 ± 1 | 11 ± 1 | 1.5 ± 0.2 |
| 10 wt% CB-770 | 1540 ± 40 | 30.8 ± 0.1 | 6.8 ± 0.1 | 29.9 ± 0.4 | 8.2 ± 0.2 | 1.4 ± 0.2 |
Publisher’s Note: MDPI stays neutral with regard to jurisdictional claims in published maps and institutional affiliations. |
© 2021 by the authors. Licensee MDPI, Basel, Switzerland. This article is an open access article distributed under the terms and conditions of the Creative Commons Attribution (CC BY) license (https://creativecommons.org/licenses/by/4.0/).
Share and Cite
Zaccone, M.; Frache, A.; Torre, L.; Armentano, I.; Monti, M. Effect of Filler Morphology on the Electrical and Thermal Conductivity of PP/Carbon-Based Nanocomposites. J. Compos. Sci. 2021, 5, 196. https://doi.org/10.3390/jcs5080196
Zaccone M, Frache A, Torre L, Armentano I, Monti M. Effect of Filler Morphology on the Electrical and Thermal Conductivity of PP/Carbon-Based Nanocomposites. Journal of Composites Science. 2021; 5(8):196. https://doi.org/10.3390/jcs5080196
Chicago/Turabian StyleZaccone, Marta, Alberto Frache, Luigi Torre, Ilaria Armentano, and Marco Monti. 2021. "Effect of Filler Morphology on the Electrical and Thermal Conductivity of PP/Carbon-Based Nanocomposites" Journal of Composites Science 5, no. 8: 196. https://doi.org/10.3390/jcs5080196
APA StyleZaccone, M., Frache, A., Torre, L., Armentano, I., & Monti, M. (2021). Effect of Filler Morphology on the Electrical and Thermal Conductivity of PP/Carbon-Based Nanocomposites. Journal of Composites Science, 5(8), 196. https://doi.org/10.3390/jcs5080196

