Optimal Dispatch Strategy for a Distribution Network Containing High-Density Photovoltaic Power Generation and Energy Storage under Multiple Scenarios
Abstract
:1. Introduction
2. Materials and Methods
2.1. PV Output Modeling
2.2. Energy Storage Modeling
2.3. Distributed PVs and Energy Storage Connected to the Distribution Network Modeling
2.4. Clustering Algorithm
- Step 1: Select appropriate sample eigenvalues and normalize five statistical indicators, namely standard deviation, skewness coefficient, coefficient of variation, peaking coefficient, and total power, as the eigenvalues of the system. The formulas for the five indicators are as follows:
- Step 2: Normalization of the indicators is calculated as
- Step 3: A sample is chosen at random as the first center of mass, denoted C1.
- Step 4: The shortest distance D(x) between each sample and the center of mass C1 is computed, and the next center of mass is selected based on the result obtained from the probability p(x) that each sample is selected as the center of mass. The probability of being selected as a center of mass is calculated as
- Step 5: Repeat the previous step until K clustering centers are selected.
- Step 6: Based on the distance of each sample from each center of mass, assign each sample to its nearest center of mass to form the corresponding cluster.
- Step 7: Update the center of gravity of each cluster.
- Step 8: Repeatedly update each cluster with the center of mass until no change occurs.
2.5. Comprehensive Evaluation Methodology
2.5.1. Hierarchical Analysis Method
- Step 1: Establish the hierarchical structure of the system
- Step 2: Construction of judgment matrix
- Step 3: Consistency test
- Step 4: Determine the integrated weights
2.5.2. Entropy Weight Method
2.5.3. Comprehensive Weight Calculation
2.6. Improved Particle Swarm Optimization Algorithm
3. Results
3.1. Integrated Evaluation Decision-Making for Distribution Network Optimization
- Step 1: Determine the initial data matrix according to the relevant operation data of the distribution network;
- Step 2: Initialize the particle swarm, and set the number of particles and the maximum number of iterations;
- Step 3: Use the forward and backward generation method to calculate the current, and analyze the particle adaptation value to select the optimal solution;
- Step 4: Update the individual optimal value and the group optimal value;
- Step 5: Update the particle velocity and position, and iteratively carry out the last two calculations until the iteration stop condition is satisfied.
3.2. Application Example Optimization Results
4. Conclusions
- The original distribution network with high-density PVs, energy storage, and other distributed power supply modes was changed, and the coordinated optimization of PVs and energy storage could reduce the uncertainty brought about by distributed PV access. Through the protection of bus voltage stability at the same time, and distribution network loss optimization for multi-bus access to distributed PVs, energy use was more reasonable.
- Due to the uncertainty of PV output, grid scheduling is difficult, but different typical scenarios can be divided and then optimized, which is close to the actual operation. The division of scenarios has guiding significance for the subsequent optimization, and the use of big data generation and analysis can improve the accuracy of the calculations continuously.
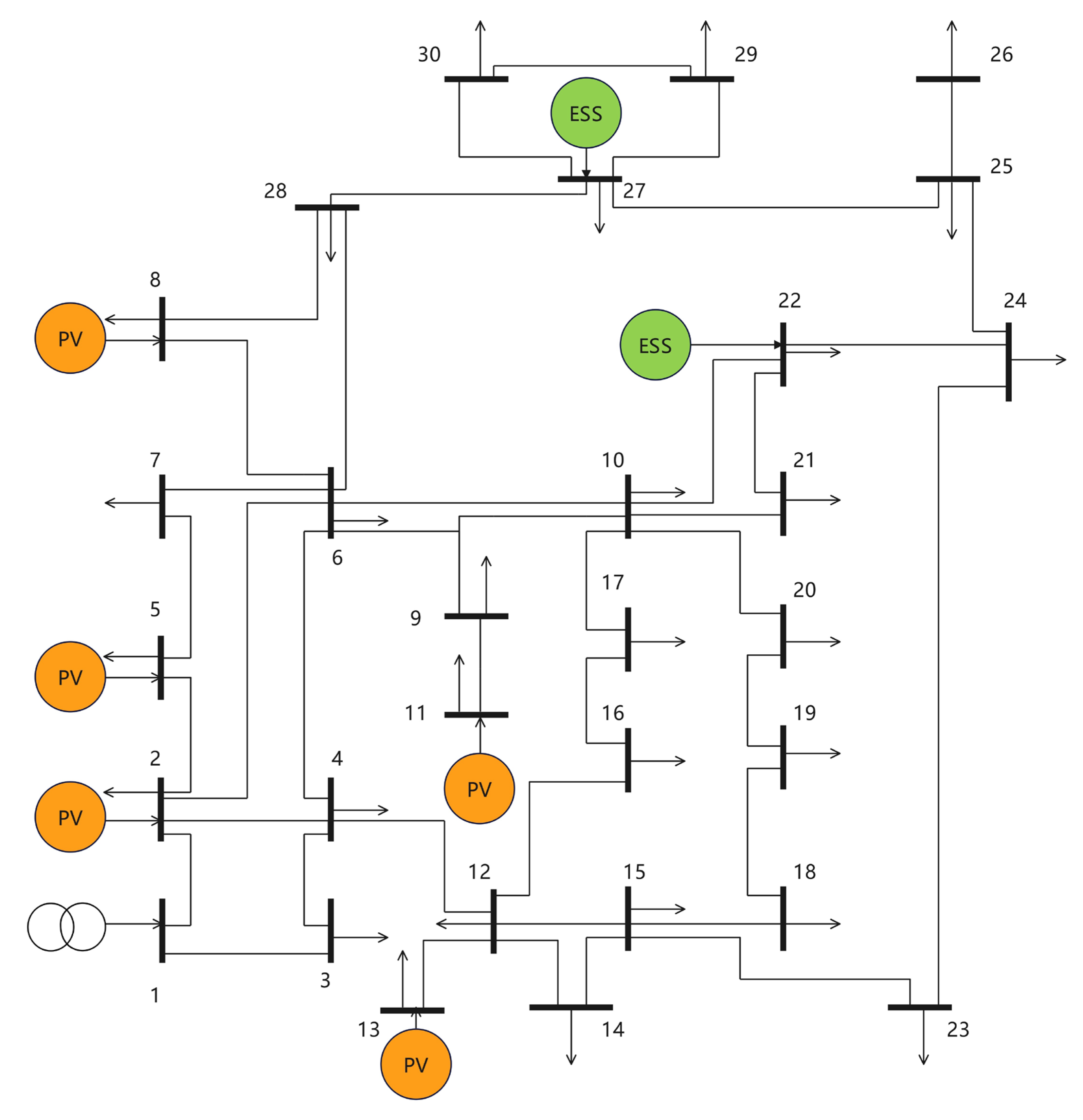
- The IEEE 30-bus model simulation was carried out after considering the cooperative optimal scheduling of photovoltaic storage. We found that the deviations of each bus’s voltage and the system’s network loss were within a reasonable range, which proves the reasonableness of the algorithm’s calculations. At the same time, this system can be further studied for optimization in dynamic operating situations.
- Distributed photovoltaic access to the distribution network will have different impacts. The variety of distributed power supply modes will make the power supply more secure, but at the same time, the uncertainty of PV output will negatively impact on the grid scheduling and power quality. Reasonable use of an energy storage system to configure the corresponding PV output can cut down the adverse effects, while the application of an energy storage system realizes the peak shaving and valley filling of the electricity load, and the coupling of multiple distributed power sources can also allow those play to each other’s advantage.
Author Contributions
Funding
Data Availability Statement
Acknowledgments
Conflicts of Interest
References
- Lamnatou, C.; Chemisana, D.; Cristofari, C. Smart grids and smart technologies in relation to photovoltaics storage systems, buildings and the environment. Renew. Energy 2022, 185, 1376–1391. [Google Scholar] [CrossRef]
- Meghraj, M.; Nitin, G.; Man, M.-G.; Ajay, K. A comprehensive review of grid-connected solar photovoltaic system: Architecture, control, and ancillary services. Renew. Energy Focus 2023, 45, 307–330. [Google Scholar]
- Nedelcu, L.-I.; Tanase, V.-M.; Rusu, E. An Evaluation of the Wind Energy along the Romanian Black Sea Coast. Inventions 2023, 8, 48. [Google Scholar] [CrossRef]
- Stokowiec, K.; Wciślik, S.; Kotrys-Działak, D. Innovative Modernization of Building Heating Systems: The Economy and Ecology of a Hybrid District-Heating Substation. Inventions 2023, 8, 43. [Google Scholar] [CrossRef]
- Kulikov, A.; Ilyushin, P.; Suslov, K.; Filippov, S. Organization of Control of the Generalized Power Quality Parameter Using Wald’s Sequential Analysis Procedure. Inventions 2023, 8, 17. [Google Scholar] [CrossRef]
- Alam, F.; Haider Zaidi, S.S.; Rehmat, A.; Mutarraf, M.U.; Nasir, M.; Guerrero, J.M. Robust Hierarchical Control Design for the Power Sharing in Hybrid Shipboard Microgrids. Inventions 2023, 8, 7. [Google Scholar] [CrossRef]
- Eghtedarpour, N.; Farjah, E. Control strategy for distributed integration of photovoltaic and energy storage systems in DC micro-grids. Renew. Energy 2012, 45, 96–110. [Google Scholar] [CrossRef]
- Rodríguez-Gallegos, C.-D.; Gandhi, O.; Yang, D.; Alvarez-Alvarado, M.S.; Zhang, W.; Reindl, T.; Panda, S.K. A Siting and Sizing Optimization Approach for PV–Battery–Diesel Hybrid Systems. IEEE Trans. Ind. Appl. 2018, 54, 2637–2645. [Google Scholar] [CrossRef]
- Giannelos, S.; Konstantelos, I.; Strbac, G. Investment Model for Cost-effective Integration of Solar PV Capacity under Uncertainty using a Portfolio of Energy Storage and Soft Open Points. In Proceedings of the 2019 IEEE Milan PowerTech, Milan, Italy, 23–27 June 2019; pp. 1–6. [Google Scholar]
- Konstantelos, I.; Giannelos, S.; Strbac, G. Strategic Valuation of Smart Grid Technology Options in Distribution Networks. IEEE Trans. Power Syst. 2017, 32, 1293–1303. [Google Scholar]
- Wu, D.; Tang, F.; Dragicevic, T.; Vasquez, J.-C.; Guerrero, J.-M. Autonomous Active Power Control for Islanded AC Microgrids With Photovoltaic Generation and Energy Storage System. IEEE Trans. Energy Convers. 2014, 29, 882–892. [Google Scholar] [CrossRef]
- Sechilariu, M.; Wang, B.; Locment, F. Building Integrated Photovoltaic System with Energy Storage and Smart Grid Communication. IEEE Trans. Ind. Electron. 2013, 60, 1607–1618. [Google Scholar] [CrossRef]
- Wang, T.; O’Neill, D.; Kamath, H. Dynamic Control and Optimization of Distributed Energy Resources in a Microgrid. IEEE Trans. Smart Grid 2015, 6, 2884–2894. [Google Scholar] [CrossRef]
- Verma, R.; Padhy, N.-P. Optimal Power Flow Based DR in Active Distribution Network with Reactive Power Control. IEEE Syst. J. 2022, 16, 3522–3530. [Google Scholar] [CrossRef]
- Zhang, L. Local and Remote Cooperative Control of Hybrid Distribution Transformers Integrating Photovoltaics in Active Distribution Networks. IEEE Trans. Sustain. Energy 2022, 13, 2012–2026. [Google Scholar] [CrossRef]
- Abdel-Mawgoud, H.; Ali, A.; Kamel, S.; Rahmann, C.; Abdel-Moamen, M.-A. A Modified Manta Ray Foraging Optimizer for Planning Inverter-Based Photovoltaic with Battery Energy Storage System and Wind Turbine in Distribution Networks. IEEE Access 2021, 9, 91062–91079. [Google Scholar] [CrossRef]
- Dall’Anese, E.; Dhople, S.-V.; Johnson, B.-B.; Giannakis, G.-B. Decentralized Optimal Dispatch of Photovoltaic Inverters in Residential Distribution Systems. IEEE Trans. Energy Convers. 2014, 29, 957–967. [Google Scholar] [CrossRef]
- Dall’Anese, E.; Dhople, S.-V.; Johnson, B.-B.; Giannakis, G.-B. Optimal Dispatch of Residential Photovoltaic Inverters Under Forecasting Uncertainties. IEEE J. Photovolt. 2015, 5, 350–359. [Google Scholar] [CrossRef]
- Li, X.; Wang, L.; Yan, N.; Ma, R. Cooperative Dispatch of Distributed Energy Storage in Distribution Network with PV Generation Systems. IEEE Trans. Appl. Supercond. 2021, 31, 1–4. [Google Scholar] [CrossRef]
- Azizivahed, A. Energy Management Strategy in Dynamic Distribution Network Reconfiguration Considering Renewable Energy Resources and Storage. IEEE Trans. Sustain. Energy 2020, 11, 662–673. [Google Scholar] [CrossRef]
- Li, X.; Ma, R.; Gan, W.; Yan, S. Optimal Dispatch for Battery Energy Storage Station in Distribution Network Considering Voltage Distribution Improvement and Peak Load Shifting. J. Mod. Power Syst. Clean Energy 2022, 10, 131–139. [Google Scholar] [CrossRef]
- Hinov, N.; Gilev, B. Intelligent Design of ZVS Single-Ended DC/AC Converter Based on Neural Network. Inventions 2023, 8, 41. [Google Scholar] [CrossRef]
- Li, X.; Wang, S. Energy management and operational control methods for grid battery energy storage systems. CSEE J. Power Energy Syst. 2021, 7, 1026–1040. [Google Scholar]
- Shen, X.; Shahidehpour, M.; Han, Y.; Zhu, S.; Zheng, J. Expansion Planning of Active Distribution Networks with Centralized and Distributed Energy Storage Systems. IEEE Trans. Sustain. Energy 2017, 8, 126–134. [Google Scholar] [CrossRef]
- Sugihara, H.; Yokoyama, K.; Saeki, O.; Tsuji, K.; Funaki, T. Economic and Efficient Voltage Management Using Customer-Owned Energy Storage Systems in a Distribution Network with High Penetration of Photovoltaic Systems. IEEE Trans. Power Syst. 2013, 28, 102–111. [Google Scholar] [CrossRef]
- Stecca, M.; Elizondo, L.-R.; Soeiro, T.-B.; Bauer, P.; Palensky, P. A Comprehensive Review of the Integration of Battery Energy Storage Systems into Distribution Networks. IEEE Open J. Ind. Electron. Soc. 2020, 1, 46–65. [Google Scholar] [CrossRef]
- Zhai, J.; Wu, X.; Zhu, S.; Yang, B.; Liu, H. Optimization of Integrated Energy System Considering Photovoltaic Uncertainty and Multi-Energy Network. IEEE Access. 2020, 8, 141558–141568. [Google Scholar] [CrossRef]
- Cai, H.; Xiang, J.; Wei, W. Decentralized Coordination Control of Multiple Photovoltaic Sources for DC Bus Voltage Regulating and Power Sharing. IEEE Trans. Ind. Electron. 2018, 65, 5601–5610. [Google Scholar] [CrossRef]
- Confrey, J.; Etemadi, A.-H.; Stuban, S.-M.; Eveleigh, T.-J. Energy Storage Systems Architecture Optimization for Grid Resilience with High Penetration of Distributed Photovoltaic Generation. IEEE Syst. J. 2020, 14, 1135–1146. [Google Scholar] [CrossRef]
- Niknam, T.; Zare, M.; Aghaei, J. Scenario-Based Multiobjective Volt/Var Control in Distribution Networks Including Renewable Energy Sources. IEEE Trans. Power Deliv. 2012, 27, 2004–2019. [Google Scholar] [CrossRef]
- Wu, H.; Liu, Z.; Chen, Y.; Xu, B.; Qi, X. Equivalent modeling method for regional decentralized photovoltaic clusters based on cluster analysis. CPSS Trans. Power Electron. Appl. 2018, 3, 146–153. [Google Scholar] [CrossRef]
- Li, P.-X.; Gu, W.; Wang, L.-F.; Xu, B.; Wu, M.; Shen, W.-X. Dynamic equivalent modeling of two-staged photovoltaic power station clusters based on dynamic affinity propagation clustering algorithm. Int. J. Electr. Power Energy Syst. 2018, 95, 463–475. [Google Scholar] [CrossRef]
- Chen, X.-H.; Li, S.-F.; Wang, F.-S.; Li, J.-P.; Tang, C.-H. Power estimation method of low-voltage distributed photovoltaic generation based on similarity aggregation. Energy Rep. 2021, 7, 1344–1351. [Google Scholar] [CrossRef]
- Bai, R.-X.; Shi, Y.-T.; Yue, M.; Du, X.-N. Hybrid model based on K-means++ algorithm, optimal similar day approach, and long short-term memory neural network for short-term photovoltaic power prediction. Glob. Energy Interconnect. 2023, 6, 184–196. [Google Scholar] [CrossRef]
- Fu, Y.; Li, W.; Xiong, N.; Fang, Y.; He, X.-M.; Wang, Z.-F. Influence of off-grid/grid-connected operation on stability of large-scale photovoltaic system. Energy Rep. 2023, 9, 904–910. [Google Scholar] [CrossRef]
- Eftekharnejad, S.; Heydt, G.-T.; Vittal, V. Optimal Generation Dispatch with High Penetration of Photovoltaic Generation. IEEE Trans. Sustain. Energy 2015, 6, 1013–1020. [Google Scholar] [CrossRef]
- Park, Y.-W.; Kim, T.-W.; Kim, C.-J. Compromised Vibration Isolator of Electric Power Generator Considering Self-Excitation and Basement Input. Inventions 2023, 8, 40. [Google Scholar] [CrossRef]
- Gao, Y. An Improved Hybrid Group Intelligent Algorithm Based on Artificial Bee Colony and Particle Swarm Optimization. In Proceedings of the 2018 International Conference on Virtual Reality and Intelligent Systems (ICVRIS), Hunan, China, 10–11 August 2018; pp. 160–163. [Google Scholar]
- Li, T.; Xiong, Q.; Ge, Q. Genetic and particle swarm hybrid QoS anycast routing algorithm. In Proceedings of the 2009 IEEE International Conference on Intelligent Computing and Intelligent Systems, Shanghai, China, 20–22 November 2009; pp. 313–317. [Google Scholar]
- Liu, H.; Ge, S.-Y. Reactive power optimization based on improved particle swarm optimization algorithm with boundary restriction. In Proceedings of the 2008 Third International Conference on Electric Utility Deregulation and Restructuring and Power Technologies, Nanjing, China, 6–9 April 2008; pp. 1365–1370. [Google Scholar]
- Dabhi, D.; Pandya, K. Uncertain Scenario Based MicroGrid Optimization via Hybrid Levy Particle Swarm Variable Neighborhood Search Optimization (HL_PS_VNSO). IEEE Access 2020, 8, 108782–108797. [Google Scholar] [CrossRef]
- Giannelos, S.; Borozan, S.; Strbac, G. A Backwards Induction Framework for Quantifying the Option Value of Smart Charging of Electric Vehicles and the Risk of Stranded Assets under Uncertainty. Energies 2022, 15, 3334. [Google Scholar] [CrossRef]
- Giannelos, S.; Borozan, S.; Aunedi, M.; Zhang, X.; Ameli, H.; Pudjianto, D.; Konstantelos, I.; Strbac, G. Modelling Smart Grid Technologies in Optimisation Problems for Electricity Grids. Energies 2023, 16, 5088. [Google Scholar] [CrossRef]
- Rostmnezhad, Z.; Dessaint, L. Power Management in Smart Buildings Using Reinforcement Learning. In Proceedings of the 2023 IEEE Power & Energy Society Innovative Smart Grid Technologies Conference (ISGT), Washington, DC, USA, 16–19 January 2023; pp. 1–5. [Google Scholar]
- Nema, S.; Mathur, A.; Prakash, V.; Pandžić, H. Optimal BESS Compensator Design for Fast Frequency Response. In Proceedings of the 2023 International Conference on Power, Instrumentation, Energy and Control (PIECON), Aligarh, India, 10–12 February 2023; pp. 1–5. [Google Scholar]











Disclaimer/Publisher’s Note: The statements, opinions and data contained in all publications are solely those of the individual author(s) and contributor(s) and not of MDPI and/or the editor(s). MDPI and/or the editor(s) disclaim responsibility for any injury to people or property resulting from any ideas, methods, instructions or products referred to in the content. |
© 2023 by the authors. Licensee MDPI, Basel, Switzerland. This article is an open access article distributed under the terms and conditions of the Creative Commons Attribution (CC BY) license (https://creativecommons.org/licenses/by/4.0/).
Share and Cite
Hou, L.; Chen, H.; Wang, J.; Qiao, S.; Xu, G.; Chen, H.; Liu, T. Optimal Dispatch Strategy for a Distribution Network Containing High-Density Photovoltaic Power Generation and Energy Storage under Multiple Scenarios. Inventions 2023, 8, 130. https://doi.org/10.3390/inventions8050130
Hou L, Chen H, Wang J, Qiao S, Xu G, Chen H, Liu T. Optimal Dispatch Strategy for a Distribution Network Containing High-Density Photovoltaic Power Generation and Energy Storage under Multiple Scenarios. Inventions. 2023; 8(5):130. https://doi.org/10.3390/inventions8050130
Chicago/Turabian StyleHou, Langbo, Heng Chen, Jinjun Wang, Shichao Qiao, Gang Xu, Honggang Chen, and Tao Liu. 2023. "Optimal Dispatch Strategy for a Distribution Network Containing High-Density Photovoltaic Power Generation and Energy Storage under Multiple Scenarios" Inventions 8, no. 5: 130. https://doi.org/10.3390/inventions8050130
APA StyleHou, L., Chen, H., Wang, J., Qiao, S., Xu, G., Chen, H., & Liu, T. (2023). Optimal Dispatch Strategy for a Distribution Network Containing High-Density Photovoltaic Power Generation and Energy Storage under Multiple Scenarios. Inventions, 8(5), 130. https://doi.org/10.3390/inventions8050130

