Production and Processing of the Radionuclide 76Br
Abstract
1. Introduction
1.1. Motivation
1.2. 76Br
1.3. Cross Section and Targetry
2. Materials and Methods
2.1. Target Material
2.2. Target Irradiation
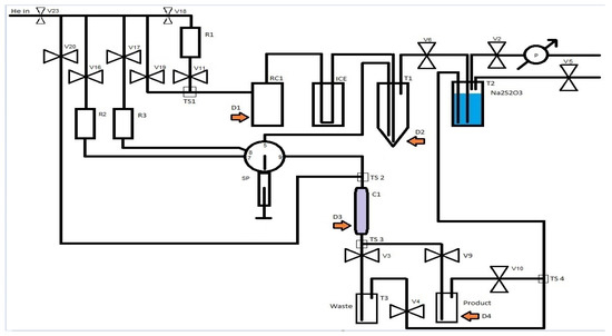
2.3. Target Processing
2.4. γ-Spectrometry
2.5. PET/CT
3. Results
3.1. Targetry
3.2. Target Irradiation
3.3. Target Processing
3.4. PET
4. Discussion and Conclusions
Author Contributions
Funding
Data Availability Statement
Acknowledgments
Conflicts of Interest
References
- Kulenkampff, J.; Gründig, M.; Zakhnini, A.; Lippmann-Pipke, J. Geoscientific process monitoring with positron emission tomography (GeoPET). Solid Earth 2016, 7, 1217–1231. [Google Scholar] [CrossRef]
- Kulenkampff, J.; Gründig, M.; Richter, M.; Enzmann, F. Evaluation of positron-emission-tomography for visualisation of migration processes in geomaterials. Phys. Chem. Earth 2008, 33, 937–942. [Google Scholar] [CrossRef]
- Pingel, J.; JKulenkampff, J.; Jara-Heredia, D.; Stoll, M.; Zhou, W.; Fischer, C.; Schäfer, T. In-situ flow visualization with Geo-Positron-Emission-Tomography in a granite fracture from Soultz-sous-Forêts, France. Geothermics 2023, 111, 102705. [Google Scholar] [CrossRef]
- Zahasky, C.; Benson, S.M. Micro-positron emission tomography for measuring sub-core scale single and multiphase transport parameters in porous media. Adv. Water Resour. 2018, 115, 1–16. [Google Scholar] [CrossRef]
- Bollermann, T.; Yuan, T.; Kulenkampff, J.; Stumpf, T.; Fischer, C. Pore network and solute flux pattern analysis towards improved predictability of diffusive transport in argillaceous host rocks. Chem. Geol. 2022, 606, 120997. [Google Scholar] [CrossRef]
- Khalili, A.; Basu, A.J.; Pietrzyk, U. Flow visualization in porous media via Positron Emission Tomography. Phys. Fluids 1998, 10, 1031–1033. [Google Scholar] [CrossRef]
- Kulenkampff, J.; Gründig, M.; Zakhnini, A.; Gerasch, R.; Lippmann-Pipke, J. Process tomography of diffusion, using PET, to evaluate anisotropy and heterogeneity. Clay Miner. 2015, 50, 369–375. [Google Scholar] [CrossRef]
- Schmidt, M.P.; Mamet, S.D.; Ferrieri, R.A.; Peak, D.; Siciliano, S.D. From the Outside in: An Overview of Positron Imaging of Plant and Soil Processes. Mol. Imaging 2020, 19, 1536012120966405. [Google Scholar] [CrossRef]
- Kulenkampff, J.; Stoll, M.; Gründig, M.; Mansel, A.; Lippmann-Pipke, J.; Kersten, M. Time-lapse 3D imaging by positron emission tomography of Cu mobilized in a soil column by the herbicide. MCPA. Sci. Rep. 2018, 8, 7091. [Google Scholar] [CrossRef] [PubMed]
- Tits, J.; Jakob, A.; Wieland, E.; Spieler, P. Diffusion of tritiated water and 22Na+ through non-degraded hardened cement pastes. J. Contam. Hydrol. 2003, 61, 45–62. [Google Scholar] [CrossRef]
- Wersin, P.; Soler, J.M.; Van Loon, L.R.; Eikenberg, J.; Baeyens, B.; Grolimund, D.; Gimmi, T.; Dewonck, S. Diffusion of HTO, Br−, I−, Cs+, 85Sr2+ and 60Co2+ in a clay formation: Results and modelling from an in situ experiment in Opalinus Clay. Appl. Geochem. 2008, 23, 678–691. [Google Scholar] [CrossRef]
- D’Alessandro, M.; Mousty, F.; Bidoglio, G.; Guimera, J.; Benet, I.; Sánchez-Vila, X.; Gutiérrez, M.G.; De Llano, A.Y. Field tracer experiment in a low permeability fractured medium: Results from El Berrocal site. J. Contam. Hydrol. 1997, 26, 189–201. [Google Scholar] [CrossRef]
- Hoehn, E.; Eikenberg, J.; Fierz, T.; Drost, W.; Reichlmayr, E. The Grimsel Migration Experiment: Field injection–withdrawal experiments in fractured rock with sorbing tracers. J. Contam. Hydrol. 1998, 34, 85–106. [Google Scholar] [CrossRef]
- Leitão, T.E.; Lobo-Ferreira, J.P.; Valocchi, A.J. Application of a reactive transport model for interpreting non-conservative tracer experiments: The Rio Maior case-study. J. Contam. Hydrol. 1996, 24, 167–181. [Google Scholar] [CrossRef]
- Hiemstra, T.; Van Riemsdijk, W.H. Fluoride Adsorption on Goethite in Relation to Different Types of Surface Sites. J. Colloid Interface Sci. 2000, 225, 94–104. [Google Scholar] [CrossRef] [PubMed]
- Meeussen, J.C.L.; Scheidegger, A.; Hiemstra, T.; van Riemsdijk, W.H.; Borkovec, M. Predicting Multicomponent Adsorption and Transport of Fluoride at Variable pH in a Goethite-Silica Sand System. Environ. Sci. Technol. 1996, 30, 481–488. [Google Scholar] [CrossRef]
- Berka, M.; Bányai, I. Surface Complexation Modeling of K+, NO3−, SO42−, Ca2+, F−, Co2+ and Cr3+ Ion Adsorption on Silica Gel. J. Colloid Interface Sci. 2001, 233, 131–135. [Google Scholar] [CrossRef]
- Weerasooriya, R.; Wickramarathne, H.U.S.; Dharmagunawardhane, H.A. Surface complexation modeling of fluoride adsorption onto kaolinite. Colloids Surf. A 1998, 144, 267–273. [Google Scholar] [CrossRef]
- Hoff, W.D.; Wilson, M.A.; Benton, D.M.; Hawkesworth, M.R.; Parker, D.J.; Flowles, P. The use of positron emission tomography to monitor unsaturated water flow within porous construction materials. J. Mater. Sci. 1996, 15, 1101–1104. [Google Scholar] [CrossRef]
- Zhang, L.Y.; Hou, X.L. Speciation analysis of 129I and its applications in environmental research. Radiochim. Acta 2013, 101, 525–540. [Google Scholar] [CrossRef]
- Ellison, P.A.; Olson, A.P.; Barnhart, T.E.; Hoffmann, S.L.V.; SW Reilly Makvandi, M.; Bartels, J.I.; Murali, D.; DeJesus, O.T.; Lapi, S.E.; Bednarz, B. Improved production of 76Br, 77Br and 80mBr via CoSe cyclotron targets and vertical dry distillation. Nucl. Med. Biol. 2019, 80–81, 32–36. [Google Scholar] [CrossRef]
- Wilbur, D.S.; Adam, M.J. Radiobromine and radioiodine for medical applications. Radiochim. Acta 2019, 9–11, 1033–1063. [Google Scholar] [CrossRef]
- Mixdorf, J.C.; Hoffman, S.L.V.; Aluicio-Sarduy, E.; Barnhart, T.E.; Engle, J.W.; Ellison, P.A. Copper-mediated radiobromination of (hetero)aryl boronic pinacol esters. J. Org. Chem. 2023, 88, 2089–2094. [Google Scholar] [CrossRef]
- NuDat 2.8 Database. Available online: https://www.nndc.bnl.gov/nudat3/nudat2.jsp (accessed on 6 February 2023).
- Hassan, H.E.; Qaim, S.M.; Shubin, Y.; Azzam, A.; Morsy, M.; Coenen, H.H. Experimental studies and nuclear model calculations on proton-induced reactions on natSe, 76Se and 77Se with particular reference to the production of the medically interesting radionuclides 76Br and 77Br. Appl. Radiat. Isot. 2004, 60, 899–909. [Google Scholar] [CrossRef]
- Paans, A.M.J.; Welleweerd, J.; Vaalburg, W.; Reiffers, S.; Woldring, M.G. Excitation functions for the production of bromine-75: A potential nuclide for the labelling of radiopharmaceuticals. Int. J. Appl. Radiat. Isot. 1980, 31, 267–273. [Google Scholar] [CrossRef]
- El-Azony, K.; Suzuki, K.; Fukumura, T.; Szélecsényi, F.; Kovács, Z. Excitation functions of proton induced reactions on natural selenium up to 62 MeV. Radiochim. Acta 2009, 97, 71–77. [Google Scholar] [CrossRef]
- Qaim, S.M.; Stöcklin, G.; Weinreich, R. Excitation functions for the formation of neutron deficient isotopes of bromine and krypton via high-energy deuteron induced reactions on bromine: Production of 77Br, 76Br and 79Kr. Int. J. Appl. Radiat. Isot. 1977, 28, 947–953. [Google Scholar] [CrossRef]
- Aslam, M.N.; Sudár, S.; Hussain, M.; Malik, A.A.; Qaim, S.M. Evaluation of excitation functions of proton, 3He- and α-particle induced reactions for production of the medically interesting positron-emitter bromine-76. Appl. Radiat. Isot. 2011, 69, 1490–1505. [Google Scholar] [CrossRef] [PubMed]
- Hollemann, A.F.; Wiberg, E. Lehrbuch der Anorganischen Chemie; de Gruyter: Berlin, Germany, 1985. [Google Scholar]
- Tolmachev, V.; Lövqvist, A.; Einarsson, L.; Schultz, J.; Lundqvist, H. Production of 76Br by a Low-energy Cyclotron. Appl. Radiat. Isot. 1998, 49, 1537–1540. [Google Scholar] [CrossRef]
- Tang, L. Radionuclide production and yields at Washington University School of Medicine. Q. J. Nucl. Med. Mol. Imaging 2008, 52, 121–133. [Google Scholar] [PubMed]
- Breunig, K.; Spahn, I.; Spellerberg, S.; Coenen, H.H. Production of no-carrier-added radiobromine: New nickel selenide target and optimized separation by dry distillation. Radiochim. Acta 2015, 103, 397–402. [Google Scholar] [CrossRef]
- Hassan, H.E.; El-Azony, K.M.; Azzam, A.; Qaim, S.M. Investigation of selenium compounds as targets for 76,77Br production using protons of energies up to 34 MeV. Radiochim. Acta 2017, 105, 841–850. [Google Scholar] [CrossRef]
- Thielemans, K.; Tsoumpas, C.; Mustafovic, S.; Beisel, T.; Aguiar, P.; Dikaios, N.; Jacobson, M.W. STIR: Software for tomographic image reconstruction release 2. Phys. Med. Biol. 2012, 57, 867–883. [Google Scholar] [CrossRef] [PubMed]
- XCOM: Photon Cross Section Database (Version 1.5). Available online: http://physics.nist.gov/xcom (accessed on 23 January 2023).








| End-Point Energy [keV] | Intensity [%] | Energy [keV] | Intensity [%] | ||
|---|---|---|---|---|---|
| β1 | 871 | 6.3 | γ1 | 559.09 | 74.0 |
| β2 | 990 | 5.2 | γ2 | 657.02 | 15.9 |
| β3 | 3382 | 25.8 | γ3 | 1216.10 | 8.8 |
| β4 | 3941 | 6.0 | γ4 | 1853.67 | 14.7 |
| γ5 | 2950.53 | 7.4 | |||
| γ6 | 2792.69 | 5.6 |
Disclaimer/Publisher’s Note: The statements, opinions and data contained in all publications are solely those of the individual author(s) and contributor(s) and not of MDPI and/or the editor(s). MDPI and/or the editor(s) disclaim responsibility for any injury to people or property resulting from any ideas, methods, instructions or products referred to in the content. |
© 2024 by the authors. Licensee MDPI, Basel, Switzerland. This article is an open access article distributed under the terms and conditions of the Creative Commons Attribution (CC BY) license (https://creativecommons.org/licenses/by/4.0/).
Share and Cite
Franke, K.; Schöngart, J.; Mansel, A. Production and Processing of the Radionuclide 76Br. Instruments 2024, 8, 22. https://doi.org/10.3390/instruments8010022
Franke K, Schöngart J, Mansel A. Production and Processing of the Radionuclide 76Br. Instruments. 2024; 8(1):22. https://doi.org/10.3390/instruments8010022
Chicago/Turabian StyleFranke, Karsten, Jann Schöngart, and Alexander Mansel. 2024. "Production and Processing of the Radionuclide 76Br" Instruments 8, no. 1: 22. https://doi.org/10.3390/instruments8010022
APA StyleFranke, K., Schöngart, J., & Mansel, A. (2024). Production and Processing of the Radionuclide 76Br. Instruments, 8(1), 22. https://doi.org/10.3390/instruments8010022

