Novel Bidirectional Isolated DC/DC Converter with High Gain Ratio and Wide Input Voltage for Electric Vehicle Storage Systems
Abstract
:1. Introduction
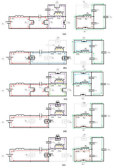
2. Circuit Architecture and Operation Principle
- (1)
- All internal resistance and parasitic effects were ignored.
- (2)
- The voltages of the capacitors and the currents of inductors increase and decrease linearly.
- (3)
- The capacitance values of C1, C2, C3, and C4 are infinite.
- (4)
- All magnetic components are operated in CCM.
- (5)
- The turns of N1 are less than those of N2, and N2/N1 are defined as N.
2.1. Step-Up Mode (Batteries Discharging Mode)
2.2. Step-Down Mode (Batteries Charging Mode)
3. Steady-State Analysis
- (1)
- All internal resistance and parasitic effects are ignored.
- (2)
- The currents of the inductors and voltages of the capacitors increase and decrease linearly.
- (3)
- N2/N1 are defined as N.
- (4)
- All magnetic components are operated in CCM.
- (5)
- The capacitance values of C1, C2, C3, and C4 are infinite.
3.1. Step-Up Mode (Batteries Discharging Mode)
3.2. Step-down Mode (Batteries Charging Mode)
3.3. Magnetic Component Design
4. Experimental Results
5. Conclusions
Author Contributions
Funding
Data Availability Statement
Conflicts of Interest
References
- Reilly, J.M.; Jacoby, H.D.; Prinn, R.G. Multi-gas contributors to global climate change. Mass. Inst. Technol. 2003, 10, 2–3. [Google Scholar]
- Available online: https://arstechnica.com/science/2020/12/battery-prices-have-fallen-88-percent-over-the-last-decade/ (accessed on 25 March 2021).
- Available online: https://www.electrical-energy-storage.events/en/news-press/news/articles?tx_news_pi1[news]=3203&cHash=079c662402bdfe836ee1d0305b02962aZ (accessed on 26 March 2021).
- Pradhan, R.; Subudhi, B. Double Integral Sliding Mode MPPT Control of a Photovoltaic System. IEEE Trans. Control Syst. Technol. 2016, 24, 285–292. [Google Scholar] [CrossRef]
- Messalti, S.; Harrag, A.G.; Loukriz, A.E. A new neural networks MPPT controller for PV systems. In Proceedings of the IREC2015 The Sixth International Renewable Energy Congress, Sousse, Tunisia, 24–26 March 2015; pp. 1–6. [Google Scholar]
- Raiker, G.A.; Loganathan, U.; Reddy, S. Current Control of Boost Converter for PV Interface with Momentum-Based Perturb and Observe MPPT. IEEE Trans. Ind. Appl. 2021, 57, 4071–4078. [Google Scholar] [CrossRef]
- Gang, L.H.L.; Jovanovic, M.M. Design-oriented analysis and performance evaluation of buck PFC front end. IEEE Trans. Power Electron. 2010, 25, 85–94. [Google Scholar]
- Amini, A.E.M.R.; Farzaneh-fard, H. Soft single switch resonant buck converter with inherent PFC feature. IET Power Electron. 2013, 6, 516–522. [Google Scholar]
- Ye, Z.; Sun, B. PFC efficency improvement and THD reduction at light loads with ZVS and valley switching. In Proceedings of the 2012 Twenty-Seventh Annual IEEE Applied Power Electronics Conference and Exposition (APEC), Orlando, FL, USA, 5–9 February 2012; pp. 802–806. [Google Scholar]
- Ai, J.; Lin, M.; Yin, M. A Family of High Step-Up Cascade DC–DC. IEEE Trans. Power Electron. 2020, 35, 4819–4834. [Google Scholar] [CrossRef]
- Cheng, H.; Chang, Y.; Yen, H.; Hua, C.; Su, P. An Interleaved Flyback-Typed LED Driver With ZVS and Energy Recovery of Leakage Inductance. IEEE Trans. Power Electron. 2019, 34, 4497–4508. [Google Scholar] [CrossRef]
- Wang, J.; Prodic, A.; Ng, W.T. Mixed-Signal-Controlled Flyback-TransformerBased Buck Converter With Improved DynamicPerformance and Transient Energy Recycling. IEEE Trans. Power Electron. 2013, 28, 970–983. [Google Scholar] [CrossRef]
- Hassan, W.; Soon, J.L.; Lu, D.D.; Xiao, W. A High Conversion Ratio and High-Efficiency Bidirectional DC–DC Converter With Reduced Voltage Stress. IEEE Trans. Power Electron. 2020, 35, 11828–11831. [Google Scholar] [CrossRef]
- Zhang, Y.; Liu, Q.; Li, J.; Sumner, M. A Common Ground Switched-Quasi-Z-Source Bidirectional DC–DC Converter With Wide-Voltage-Gain Range for EVs With Hybrid Energy Sources. IEEE Trans. Ind. Electron. 2018, 65, 5189–5191. [Google Scholar] [CrossRef]
- Gorji, S.A.; Sahebi2, H.G.; Ektesabi1, M.; Rad, A.B. Topologies and Control Schemes of Bidirectional DC–DC Power Converters: An Overview. IEEE Access 2019, 7, 118002–118003. [Google Scholar] [CrossRef]
- Ma, X.; Wang, P.; Bi, H.; Wang, Z. High-Efficiency Current-Fed Dual Active Bridge DC–DC Converter With ZVS Achievement Throughout Full Range of Load Using Optimized Switching Patterns. IEEE Access 2020, 8, 125549–125563. [Google Scholar] [CrossRef]
- Sha, D.; Wang, X.; Chen, D. High-Efficiency Current-Fed Dual Active Bridge DC–DC Converter With ZVS Achievement Throughout Full Range of Load Using Optimized Switching Patterns. IEEE Trans. Power Electron. 2018, 33, 1347–1357. [Google Scholar] [CrossRef]
- Zhu, L. A novel soft-commutating isolated boost full-bridge ZVS PWM dc-dc converter for bi-directional high power applications. In Proceedings of the IEEE Power Electronics Specialists Conf. (PESC’04), Aachen, Germany, 20–25 June 2004; pp. 2141–2146. [Google Scholar]
- Yaqoob, M.; Loo, K.; Lai, Y.M. Fully Soft-Switched Dual-Active-Bridge Series-Resonant Converter With Switched-Impedance-Based Power Control. IEEE Trans. Power Electron. 2018, 33, 9267–9281. [Google Scholar] [CrossRef]
- Tomar, P.S.; Srivastava, M.; Verma, A.K. An Improved Current-Fed Bidirectional DC–DC Converter for Reconfigurable Split Battery in EVs. IEEE Trans. Ind. Appl. 2020, 56, 6957–6966. [Google Scholar] [CrossRef]
- Liu, Y.; Chen, C.; Chen, K.; Syu, Y.; Dung, N.A. High-Frequency and High-Efficiency Isolated Two-Stage Bidirectional DC–DC Converter for Residential Energy Storage Systems. IEEE J. Emerg. Sel. Top. Power Electron. 2020, 8, 1994–2004. [Google Scholar] [CrossRef]
- Kim, N.; Jo, S.; Han, B.; Choi, H.; Kim, M. Highly Efficient Bidirectional Current-Fed Resonant Converter Over a Wide Voltage Gain Range. IEEE Trans. Ind. Electron. 2021, 68, 10913–10916. [Google Scholar] [CrossRef]
- Shreelakshmi, M.P.; Das, M.; Agarwal, V. Design and Development of a Novel High Voltage Gain, High-Efficiency Bidirectional DC–DC Converter for Storage Interface. IEEE Trans. Ind. Electron. 2019, 66, 4490–4501. [Google Scholar]
- Wu, Y.; Ke, Y. A Novel Bidirectional Isolated DC-DC Converter With High Voltage Gain and Wide Input Voltage. IEEE Trans. Power Electron. 2021, 36, 7973–7985. [Google Scholar] [CrossRef]
- Packnezhad, M.; Farzanehfard, H. Soft-Switching High Step-Up/Down Converter Using Coupled Inductors With Minimum Number of Components. IEEE Trans. Ind. Electron. 2021, 68, 7938–7945. [Google Scholar] [CrossRef]
- Santra, S.B.; Chatterjee, D.; Liang, T. High Gain and High-Efficiency Bidirectional DC–DC Converter With Current Sharing Characteristics Using Coupled Inductor. IEEE Trans. Power Electron. 2021, 36, 12819–12832. [Google Scholar] [CrossRef]
- Mohammadi, M.R.; Amoorezaei, A.; Khajehoddin, S.A.; Moez, K. A High Step-Up/Step-Down LVS-Parallel HVS-Series ZVS Bidirectional Converter With Coupled Inductors. IEEE Trans. Power Electron. 2022, 37, 1945–1961. [Google Scholar]






























| Parameter | Specification |
|---|---|
| High-side power PH | 1000 W |
| Low-side power PL | 1000 W |
| High-side voltage VH | 400 V |
| Low-side voltage VL | 24–58 V |
| Switching frequency fs | 40 kHz |
| Power switches S1, S2, and S3 | IRFP4568PbF |
| Power switch S4 | IRFP4768PbF |
| Power switches S5 and S6 | IXFH50N50P3 |
| Inductor L1 | 47 μH |
| Magnetizing inductance Lm1 | 190 μH |
| Leakage inductance Llk1 | 2.4 μH |
| Capacitor C1 | 100 μF |
| Capacitor C2 | 70 μF |
| Capacitor C3 and C4 | 220 μF |
| Turns ratio N | 2.2 |
| Converter in [20] | Converter in [21] | Converter in [23] | Converter in [24] | Converter in [25] | Converter in [26] | Converter in [27] | Proposed Converter | |
|---|---|---|---|---|---|---|---|---|
| Voltage gain in step-up mode | ||||||||
| Voltage gain in step-down mode | ||||||||
| Vin | 24–48 V | 35–50 V | 40 V | 24–55 V | 48 V | 48 V | 48 V | 24–58 V |
| Vo | 360 V | 400 V | 400 V | 400 V | 380 V | 384 V | 400 V | 400 V |
| Switches | 4 | 10 | 4 | 6 | 3 | 6 | 4 | 6 |
| Inductors | 1 | 2 | 0 | 1 | 0 | 0 | 0 | 1 |
| Coupled inductor | 1 | 1 | 1 | 1 | 1 | 1 | 2 | 1 |
| Capacitors | 6 | 3 | 2 | 3 | 1 | 4 | 3 | 4 |
| Diodes | 0 | 0 | 0 | 0 | 0 | 0 | 3 | 0 |
| Output power | 250 W | 1000 W | 300 W | 500 W | 300 W | 250 W | 400 W | 1000 W |
| Efficiency of step-up mode | 94% | 94% | 94% | 96% | 94% | 96% | 95% | 96% |
| Efficiency of step-down mode | 93% | 94% | 94% | 94% | 95% | 96% | 95% | 95% |
| PWM Control Signals | Normal | Complex | Normal | Normal | Normal | Normal | complex | Normal |
| Isolated | Yes | Yes | No | Yes | No | No | No | Yes |
Publisher’s Note: MDPI stays neutral with regard to jurisdictional claims in published maps and institutional affiliations. |
© 2022 by the authors. Licensee MDPI, Basel, Switzerland. This article is an open access article distributed under the terms and conditions of the Creative Commons Attribution (CC BY) license (https://creativecommons.org/licenses/by/4.0/).
Share and Cite
Wu, Y.-E.; Tai, C.-H. Novel Bidirectional Isolated DC/DC Converter with High Gain Ratio and Wide Input Voltage for Electric Vehicle Storage Systems. Batteries 2022, 8, 240. https://doi.org/10.3390/batteries8110240
Wu Y-E, Tai C-H. Novel Bidirectional Isolated DC/DC Converter with High Gain Ratio and Wide Input Voltage for Electric Vehicle Storage Systems. Batteries. 2022; 8(11):240. https://doi.org/10.3390/batteries8110240
Chicago/Turabian StyleWu, Yu-En, and Chen-Han Tai. 2022. "Novel Bidirectional Isolated DC/DC Converter with High Gain Ratio and Wide Input Voltage for Electric Vehicle Storage Systems" Batteries 8, no. 11: 240. https://doi.org/10.3390/batteries8110240
APA StyleWu, Y.-E., & Tai, C.-H. (2022). Novel Bidirectional Isolated DC/DC Converter with High Gain Ratio and Wide Input Voltage for Electric Vehicle Storage Systems. Batteries, 8(11), 240. https://doi.org/10.3390/batteries8110240

