Evaluation and Identification of Key Economic Bottlenecks for Cost-Effective Microbial Oil Production from Fruit and Vegetable Residues
Abstract
:1. Introduction
2. Materials and Methods
2.1. Raw Material
2.2. Microbial Oil Production
2.3. Analysis
2.3.1. Raw Material and Culture Medium Composition
2.3.2. Lipids and Fatty Acid Profile Determination
2.4. Techno-Economic Assessment
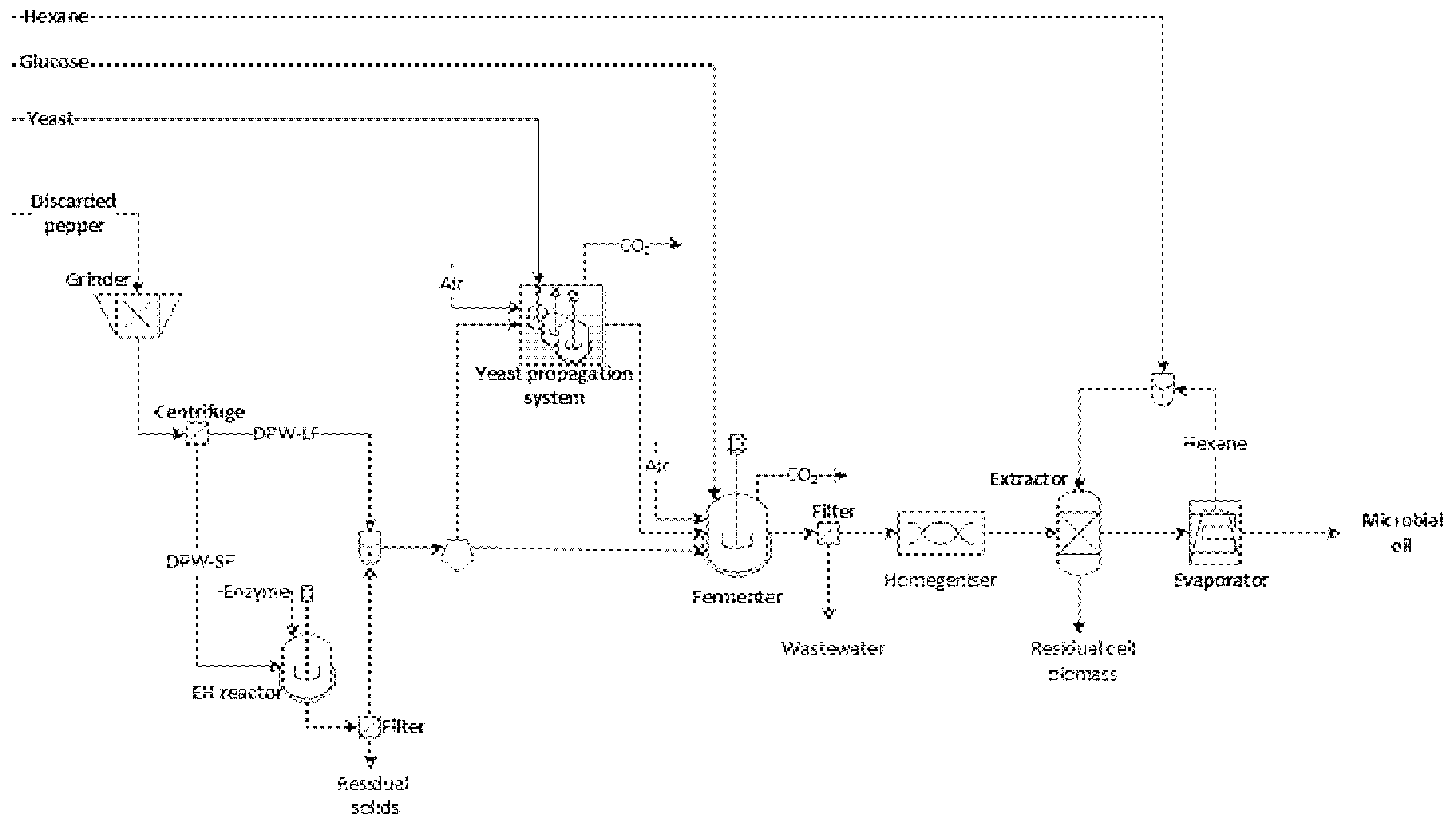
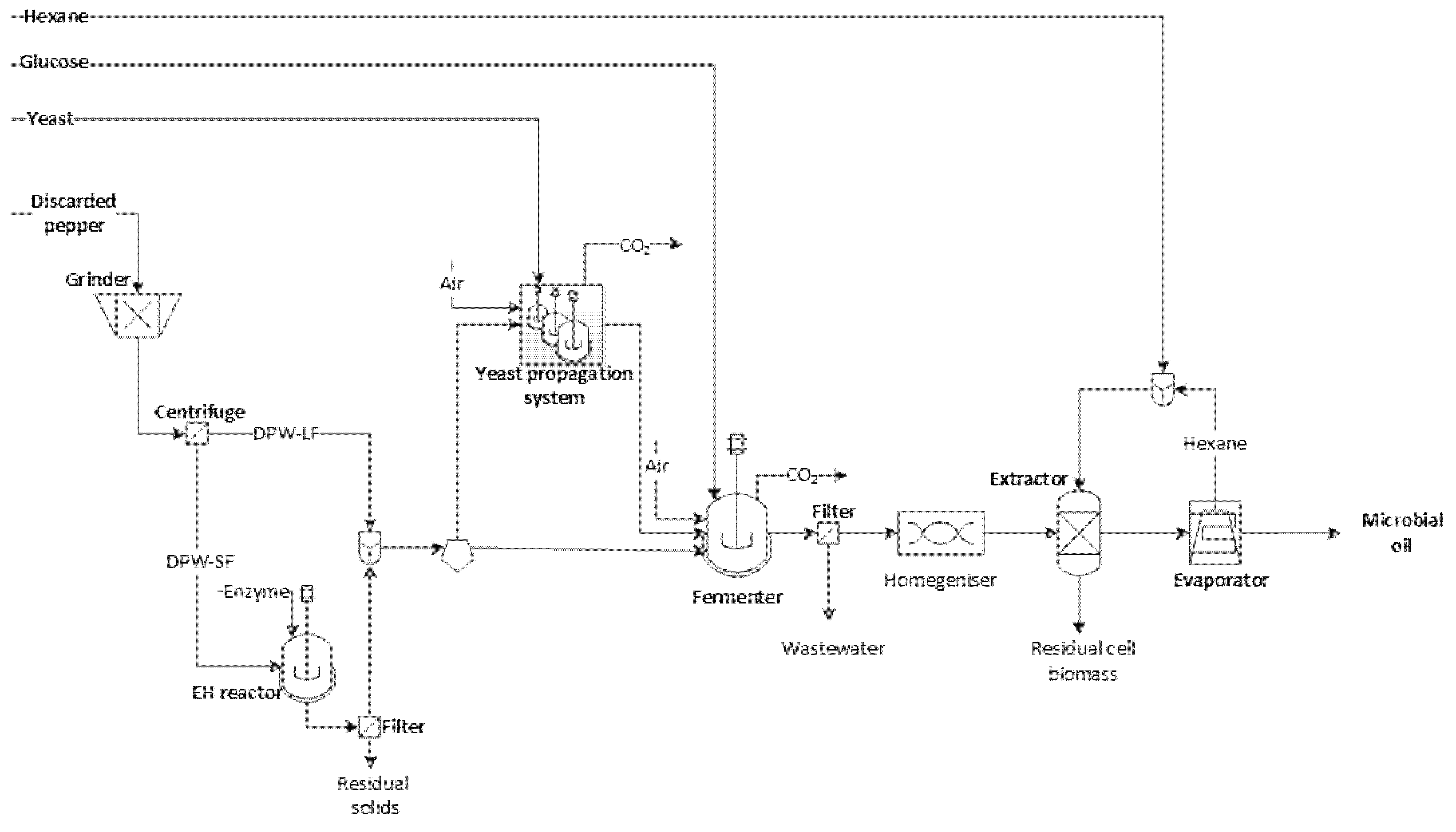
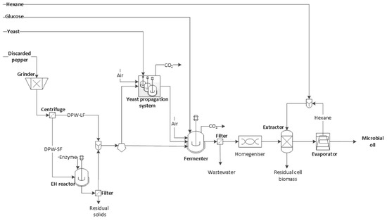
2.4.1. Process Description
2.4.2. Data Acquisition
3. Results and Discussion
3.1. Raw Material Composition
3.2. Microbial Oil Production
3.3. Techno-Economic Assessment Results
4. Conclusions
Author Contributions
Funding
Institutional Review Board Statement
Informed Consent Statement
Data Availability Statement
Acknowledgments
Conflicts of Interest
References
- Carrasco, J.E.; Monti, A.; Tayeb, J.; Kiel, J.; Gírio, F.; Matas, B.; Santos Jorge, R. This Strategic Research and Innovation Agenda SRIA 2020; EERA Bioenergy Joint Programme; JPI Cultural Heritage: Paris, France, 2020. [Google Scholar]
- Eurostat. Available online: https://ec.europa.eu/eurostat/data/database (accessed on 22 April 2022).
- García-Poveda, P.J. Estudio Comparativo de Variedades de Pimiento Tipo California Amarillo Cultivadas en Invernadero en la Provincia de Almería. Ph.D. Thesis, Universidad de Almería, Almería, Spain, 2020. [Google Scholar]
- Duque-Acevedo, M.; Belmonte-Ureña, L.J.; Plaza-Úbeda, J.A.; Camacho-Ferre, F. The management of agricultural waste biomass in the framework of circular economy and bioeconomy: An opportunity for greenhouse agriculture in southeast Spain. Agronomy 2020, 10, 489. [Google Scholar] [CrossRef] [Green Version]
- Reinoso Moreno, J.V.; Pinna-Hernández, G.; Fernández Fernández, M.D.; Sánchez Molina, J.A.; Rodríguez Díaz, F.; López Hernández, J.C.; Acién Fernández, F.G. Optimal processing of greenhouse crop residues to use as energy and CO2 sources. Ind. Crop. Prod. 2019, 137, 662–671. [Google Scholar] [CrossRef]
- Patel, A.; Antonopoulou, I.; Enman, J.; Rova, U.; Christakopoulos, P.; Matsakas, L. Lipids detection and quantification in oleaginous microorganisms: An overview of the current state of the art. BMC Chem. Eng. 2019, 1, 13. [Google Scholar] [CrossRef] [Green Version]
- Qin, L.; Liu, L.; Zeng, A.-P.; Wei, D. From low-cost substrates to single cell oils synthesized by oleaginous yeasts. Bioresour. Technol. 2017, 245, 1507–1519. [Google Scholar] [CrossRef] [PubMed]
- Rakicka, M.; Lazar, Z.; Dulermo, T.; Fickers, P.; Nicaud, J.M. Lipid production by the oleaginous yeast Yarrowia lipolytica using industrial by-products under different culture conditions. Biotechnol. Biofuels 2015, 8, 104. [Google Scholar] [CrossRef] [PubMed] [Green Version]
- Carota, E.; Petruccioli, M.; D’Annibale, A.; Gallo, A.M.; Crognale, S. Orange peel waste–based liquid medium for biodiesel production by oleaginous yeasts. Appl. Microbiol. Biotechnol. 2020, 104, 4617–4628. [Google Scholar] [CrossRef]
- Patel, A.; Karageorgou, D.; Rova, E.; Katapodis, P.; Rova, U.; Christakopoulos, P.; Matsakas, L. An Overview of potential oleaginous microorganisms and their role in biodiesel and Omega-3 fatty acid-based industries. Microorganisms 2020, 8, 434. [Google Scholar] [CrossRef] [Green Version]
- Chatterjee, S.; Mohan, S.V. Microbial lipid production by Cryptococcus curvatus from vegetable waste hydrolysate. Bioresour. Technol. 2018, 254, 284–289. [Google Scholar] [CrossRef]
- Cardona Alzate, C.A.; Moncada Botero, J.; Aristizábal-Marulanda, V. Biorefineries: Design and Analysis, 1st ed.; CRC Press: Boca Raton, FL, USA, 2018. [Google Scholar]
- Moreno, A.D.; Duque, A.; González, A.; Ballesteros, I.; Negro, M.J. Valorization of greenhouse horticulture waste from a biorefinery perspective. Foods 2021, 10, 814. [Google Scholar] [CrossRef]
- Sha, Q. A Comparative Study on Four Oleaginous Yeasts on their Lipid Accumulating Capacity. Master’s Thesis, Swedish University of Agricultural Sciences, Uppsala, Sweden, 2013. [Google Scholar]
- Van Wychen, A.; Ramirez, K.; Laurens, L.M.L. Determination of Total Lipids as Fatty Acid Methyl Esters (FAME) by In Situ Transesterification; NREL/TP-5100-60958; National Renewable Energy Laboratory: Golden, CO, USA, 2015. [Google Scholar]
- Negro, M.J.; Álvarez, C.; Doménech, P.; Iglesias, R.; Ballesteros, I. Sugars production from municipal forestry and greening wastes pretreated by an integrated steam explosion-based process. Energies 2020, 13, 4432. [Google Scholar] [CrossRef]
- Álvarez, C.; Sáez, F.; González, A.; Ballesteros, I.; Oliva, J.M.; Negro, M.J. Production of xylooligosaccharides and cellulosic ethanol from steam-exploded barley straw. Holzforschung 2019, 73, 35–44. [Google Scholar] [CrossRef]
- Kruger, J.S.; Cleveland, N.S.; Yeap, R.Y.; Dong, T.; Ramirez, K.J.; Nagle, N.J.; Lowell, A.C.; Beckham, G.T.; McMillan, J.D.; Biddy, M.J. Recovery of fuel-precursor lipids from oleaginous yeast. ACS Sustain. Chemi. Eng. 2018, 6, 2921–2931. [Google Scholar] [CrossRef]
- Wooley, R.J.; Putsche, V. Development of an ASPEN PLUS Physical Property Database for Biofuels Components; Technical Report NREL/TP 425 20685; National Renewable Energy Laboratory: Golden, CO, USA, 1996. [Google Scholar]
- Koutinas, A.A.; Chatzifragkou, A.; Kopsahelis, N.; Papanikolaou, S.; Kookos, I.K. Design and techno-economic evaluation of microbial oil production as a renewable resource for biodiesel and oleochemical production. Fuel 2014, 116, 566–577. [Google Scholar] [CrossRef]
- Popovic, M. Thermodynamic properties of microorganisms: Determination and analysis of enthalpy, entropy, and Gibbs free energy of biomass, cells and colonies of 32 microorganism species. Heliyon 2019, 5, e01950. [Google Scholar] [CrossRef] [PubMed] [Green Version]
- General Information on Corporate Income Tax. Available online: https://administracion.gob.es/pagHome/en/Tu-espacio-europeo/derechos-obligaciones/empresas/impuestos/sociedades/info-general.html (accessed on 19 May 2022).
- Reciclados Almerienses 2005. Tratamiento de Residuos Vegetales. Available online: https://recicladosalmerienses2005.com/residuos-vegetales/ (accessed on 19 May 2022).
- Joelsson, E.; Erdei, B.; Galbe, M.; Wallberg, O. Techno-economic evaluation of integrated first- and second-generation ethanol production from grain and straw. Biotechnol. Biofuels. 2016, 9, 1–16. [Google Scholar] [CrossRef] [Green Version]
- Consorcio de Aguas. Available online: https://oficinavirtual.consorciodeaguas.com/FacturaElectronica/AtencionCliente/tarifas.aspx (accessed on 19 May 2022).
- IndexBox. Glucose and Glucose Syrup—Market Analysis, Forecast, Size, Trends and Insights. Report ID: 4832692; IndexBox Inc.: Walnut, CA, USA, 2022. [Google Scholar]
- ICIS. Indicatives Chemical Prices A–Z; ICIS: Austin, TX, USA, 2021. [Google Scholar]
- Turton, R.B.; Bailie, R.C.; Whiting, W.B.; Shaeiwitz, J.A. Analysis, Synthesis, and Design of Chemical Processes, 4th ed.; Pearson Education International: Upper Saddle River, NJ, USA, 2013. [Google Scholar]
- EUROSTAT. Electricity Prices Components for Non-Household Consumers. Available online: https://appsso.eurostat.ec.europa.eu/nui/show.do?dataset=nrg_pc_205_c (accessed on 19 May 2022).
- INE. Salarios y Costes Laborales. Available online: https://www.ine.es/dyngs/INEbase/es/categoria.htm?c=Estadistica_P&cid=1254735976596 (accessed on 19 May 2022).
- Zhang, J.; Fang, X.; Zhu, X.-L.; Li, Y.; Xu, H.-P.; Zhao, B.-F.; Chen, L.; Zhang, X.-D. Microbial lipid production by the oleaginous yeast Cryptococcus curvatus O3 grown in fed-batch culture. Biomass Bioenerg. 2011, 35, 1906–1911. [Google Scholar] [CrossRef]
- Tomaszewska, L.; Rywińska, A.; Gładkowski, W. Production of erythritol and mannitol by Yarrowia lipolytica yeast in media containing glycerol. J. Ind. Microbiol. Biotechnol. 2012, 39, 1333–1343. [Google Scholar] [CrossRef] [Green Version]
- Di Fidio, N.; Liuzzi, F.; Mastrolitti, S.; Albergo, R.; De Bari, I. Single Cell oil production from undetoxified Arundo donax L. hydrolysate by Cutaneotrichosporon curvatus. J. Microbiol. Biotechnol. 2019, 29, 256–267. [Google Scholar] [CrossRef] [Green Version]
- Chen, X.; Li, Z.; Zhang, X.; Hu, F.; Ryu, D.D.; Bao, J. Screening of oleaginous yeast strains tolerant to lignocellulose degradation compounds. Appl. Biochem. Biotechnol. 2009, 159, 591–604. [Google Scholar] [CrossRef]
- Chang, Y.-H.; Chang, K.-S.; Lee, C.-F.; Hsu, C.-L.; Huang, C.-W.; Jang, H.-D. Microbial lipid production by oleaginous yeast Cryptococcus sp. in the batch cultures using corncob hydrolysate as carbon source. Biomass Bioenerg. 2015, 72, 95–103. [Google Scholar] [CrossRef]
- Kumar, R.; Dhanarajan, G.; Bhaumik, M.; Chopra, J.; Sen, R. Performance evaluation of a yeast biorefinery as a sustainable model for co-production of biomass, bioemulsifier, lipid, biodiesel and animal-feed components using inexpensive raw materials. Sust. Energ. Fuels 2017, 1, 923–931. [Google Scholar] [CrossRef]
- Demirbas, A. Biodiesel. A Realistic Fuel Alternative for Diesel Engines; Springer: London, UK, 2008. [Google Scholar]
- Ykema, A.; Verbree, E.C.; Kater, M.M.; Smit, H. Optimization of lipid production in the oleaginous yeast Apiotrichum curvatum in wheypermeate. Appl. Microbiol. Biotecnol. 1988, 29, 211–218. [Google Scholar] [CrossRef]
- Gong, Z.; Wang, X.; Yuan, W.; Wang, Y.; Zhou, W.; Wang, G.; Liu, Y. Fed-batch enzymatic hydrolysis of alkaline organosolv-pretreated corn stover facilitating high concentrations and yields of fermentable sugars for microbial lipid production. Biotechnol. Biofuels 2020, 13, 13. [Google Scholar] [CrossRef] [PubMed]
- Kopsahelis, N.; Dimou, C.; Papadaki, A.; Xenopoulos, E.; Kyraleou, M.; Kallithraka, S.; Kotseridis, Y.; Papanikolaou, S.; Koutinas, A.A. Refining of wine lees and cheese whey for the production of microbial oil, polyphenol-rich extracts and value-added co-products. J. Chem. Technol. Biotechnol. 2018, 93, 257–268. [Google Scholar] [CrossRef]
- Liang, Y.; Cui, Y.; Trushenski, J.; Blackburn, J.W. Converting crude glycerol derived from yellow grease to lipids through yeast fermentation. Bioresour. Technol. 2010, 101, 7581–7586. [Google Scholar] [CrossRef]
- Parsons, S.; Abeln, F.; McManus, M.C.; Chuck, C.J. Techno-economic analysis (TEA) of microbial oil production from waste resources as part of a biorefinery concept: Assessment at multiple scales under uncertainty. Chem. Technol. Biotechnol. 2019, 94, 701–711. [Google Scholar] [CrossRef]





| Process | Reaction |
|---|---|
| Microbial growth | C6 sugars + 4.3 O2 + 0.35 amino acid → yeast + 4.1 CO2 + 5.2 H2O |
| Microbial growth | C5 sugars + 3.3 O2 + 0.35 amino acid → yeast + 3.1 CO2 + 4.2 H2O |
| Microbial oil accumulation | 13.5 C6 sugars + O2 → C57H104O6 + 24 CO2 + 29 H2O |
| Microbial oil accumulation | 12.5 C6 sugars +2.5 O2 → C51H98O6 + 24 CO2 + 26 H2O |
| Microbial oil accumulation | 13.5 C6 sugars +2.5 O2 → C57H98O6 + 24 CO2 + 32 H2O |
| Microbial oil accumulation | 14 C6 sugars +2.5 O2 → C57H110O6 + 27 CO2 + 29 H2O |
| Compound | Value | Unit | Comment |
|---|---|---|---|
| DPW | −6.0 | €/t | [23] |
| Enzyme | 284.0 | €/t | [24] |
| Process Water | 1.3 | €/m3 | [25] |
| Glucose | 384.0 | €/t | [26] |
| Hexane | 491.5 | €/t | [27] |
| Cooling Water | 3.9 | €/m3 | [28] |
| Electricity price | 80.0 | €/MWh | [29] |
| Steam | 14.1 | €/GJ | [28] |
| Labor cost | 2874.0 | €/worker·month | [30] |
| Component | % (w/w) |
|---|---|
| Organic solvent-extract | 3.6 ± 0.1 |
| Aqueous extract: | 57.8 ± 1.2 |
|
|
|
|
|
|
|
|
|
|
|
|
|
|
| Glucan | 5.6 ± 0.12 |
| Xylan | 1.4 ± 0.1 |
| Galactan | 1.1 ± 0.0 |
| Arabinan | 0.7 ± 0.0 |
| Mannan | 2.2 ± 0.1 |
| Acetyl groups | 0.9 ± 0.2 |
| Acid-insoluble lignin | 17.1 ± 0.5 |
| Whole Ash | 5.5 ± 0.1 |
| DPW-LF Composition | Concentration, g/L | DPW-SF Composition | %, w/w |
|---|---|---|---|
| Glucose | 24.3 ± 0.8 | Organic solvent-extract | 10.8 ± 2.4 |
| Xylose | 0.4 ± 0.0 | Aqueous extract: | 23.0 ± 2.2 |
| Galactose | 0.4 ± 0.1 | Sugars | 7.3 ± 3.7 |
| Arabinose | 0.1 ±0.0 | Glucan | 21.3 ± 1.1 |
| Mannose | 0.4 ± 0.2 | Xylan | 2.3 ± 0.1 |
| Fructose | 35.7 ± 1.5 | Galactan | 2.7 ± 0.1 |
| Sucrose | 0.5 ± 0.2 | Arabinan | 0.7 ± 0.0 |
| Mannitol | 0.4 ± 0.0 | Mannan | 2.1 ± 0.2 |
| Total nitrogen | 1.7 ± 0.0 | Acetyl groups | 0.9 ± 0.2 |
| Acid-insoluble residue | 17.1 ± 0.5 | ||
| Whole Ash | 3.1 ± 0.0 | ||
| Total Nitrogen | 2.0 ± 0.3 |
| Lipid Content (%, w/w) | Lipid Production (g/L) | |
|---|---|---|
| Initial | 7.0 | 0.2 |
| Before the first glucose pulse | 8.6 | 3.3 |
| Before the second glucose pulse | 14.3 | 6.2 |
| Final | 32.6 | 16.8 |
| C16:0 | C16:1 | C18:0 | C18:1 | C18:2 | C18:3 | |
|---|---|---|---|---|---|---|
| Initial | 11.1 | 0.0 | 9.9 | 30.1 | 35.2 | 13.4 |
| Before the first glucose pulse | 15.2 | 0.0 | 6.7 | 50.2 | 21.7 | 6.1 |
| Before the second glucose pulse | 22.3 | 0.0 | 8.0 | 53.5 | 13.2 | 3.0 |
| Final | 27.4 | 1.3 | 5.1 | 50.7 | 13.3 | 2.2 |
| Yeast | Culture Mode | Carbon Source | Lipid (g/L) | Lipid (w/w) | Lipid Yield (g/g) | Reference |
|---|---|---|---|---|---|---|
| NRRLY-1511 | Batch (shake flasks) | Orange peel waste | 1.74 | 15 | 0.09 | [9] |
| ATCC 20509a | Fed-batch (Bioreactor) | Wheypermeate | 26.0 b | 35 | - | [38] |
| ATCC 20509 | Fed-batch (Bioreactor) | Corn stover enzymatic hydrolysates | 31.3 | 61.7 | 0.18 | [39] |
| ATCC 20509 | Fed-batch (Bioreactor) | Deproteinized cheese whey and wine lees hydrolysate | 33.1 | 49.6 | 0.18 | [40] |
| ATCC 20509 | Fed-batch (Bioreactor) | Crude glycerol | 31.2–32.9 c | 44.2–52.9 | 0.21–0.26c | [41] |
| CL6032 | Fed-batch (Bioreactor) | Discarded pepper | 16.8 | 32.6 | 0.12 | This work |
| Compound | Amount | Unit |
|---|---|---|
| DPW | 100,000 | t/year |
| Enzyme | 68 | t/year |
| Process Water | 9096 | m3/year |
| Glucose | 8496 | t/year |
| Hexane | 257 | t/year |
| Cooling Water | 220,250 | GJ/year |
| Steam | 3673 | GJ/year |
| Electricity | 44,063 | MWh/year |
| Microbial oil | 1153 | t/year |
| Cost | Unit | |
|---|---|---|
| Inputs | 2.1 | M€/year |
| Utilities | 4.4 | M€/year |
| Depreciation expense | 2.4 | M€/year |
| Labor cost | 1.8 | M€/year |
| Maintenance | 1.5 | M€/year |
| Administration and insurance | 0.3 | M€/year |
| Total operating cost | 12.6 | M€/year |
Publisher’s Note: MDPI stays neutral with regard to jurisdictional claims in published maps and institutional affiliations. |
© 2022 by the authors. Licensee MDPI, Basel, Switzerland. This article is an open access article distributed under the terms and conditions of the Creative Commons Attribution (CC BY) license (https://creativecommons.org/licenses/by/4.0/).
Share and Cite
Gallego-García, M.; Susmozas, A.; Moreno, A.D.; Negro, M.J. Evaluation and Identification of Key Economic Bottlenecks for Cost-Effective Microbial Oil Production from Fruit and Vegetable Residues. Fermentation 2022, 8, 334. https://doi.org/10.3390/fermentation8070334
Gallego-García M, Susmozas A, Moreno AD, Negro MJ. Evaluation and Identification of Key Economic Bottlenecks for Cost-Effective Microbial Oil Production from Fruit and Vegetable Residues. Fermentation. 2022; 8(7):334. https://doi.org/10.3390/fermentation8070334
Chicago/Turabian StyleGallego-García, María, Ana Susmozas, Antonio D. Moreno, and María José Negro. 2022. "Evaluation and Identification of Key Economic Bottlenecks for Cost-Effective Microbial Oil Production from Fruit and Vegetable Residues" Fermentation 8, no. 7: 334. https://doi.org/10.3390/fermentation8070334
APA StyleGallego-García, M., Susmozas, A., Moreno, A. D., & Negro, M. J. (2022). Evaluation and Identification of Key Economic Bottlenecks for Cost-Effective Microbial Oil Production from Fruit and Vegetable Residues. Fermentation, 8(7), 334. https://doi.org/10.3390/fermentation8070334

