On the Use of the Coaxial Cylinders Equivalence for the Measurement of Viscosity in Complex Non-Viscometric, Rotational Geometries
Abstract
1. Introduction
2. Theoretical Background
3. Materials and Methods
- (1)
- A Newtonian silicon oil (BDH1000, from Merck KGaA, Darmstadt, Germany) with a viscosity of about 1 Pa s (labeled SO);
- (2)
- A shear thinning, homogeneous aqueous solution of HydroxyEthyl Methyl Cellulose (TyloseMH600046P6, manufactured by SE Tylose GmbH, Wiesbaden, Germany). The concentration is 0.7% wt, which determines (see data of Figure 7) a Newtonian plateau viscosity of about 0.7 Pa·s (labeled HEMC);
- (3)
- Two commercial drilling fluids provided by Geolog Srl (Milan, Italy). They are a water-based (labeled WBM) and an oil-based (OBM) suspension containing sand particles of variable size up to about 1 mm and a volume fraction of about 10%. The suspending fluid contains several additives, including polymers, but their detailed formulation is not known for confidential reasons. Both suspensions show a strong shear thinning behavior over a wide range of shear rates and no hint of a low shear Newtonian plateau.
- (1)
- (2)
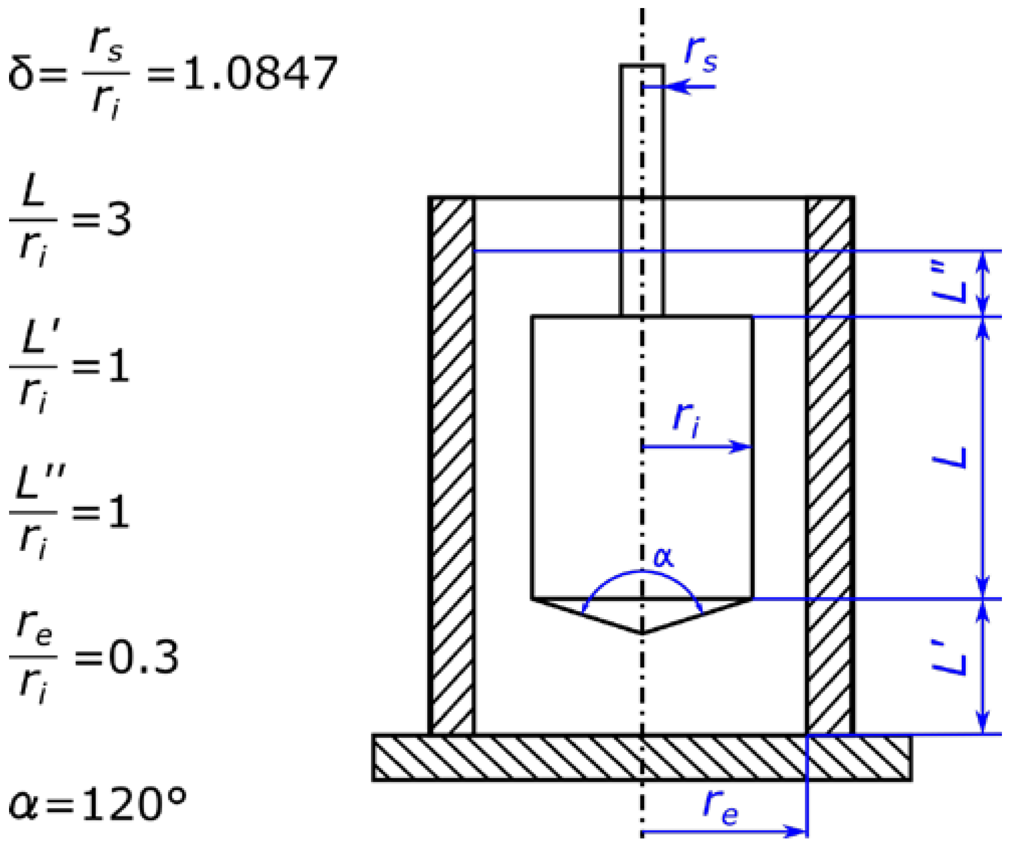
- A Double Helix (DX) rotor (Figure 2c) that uses the same cup of the NGC. The shape of the DH rotor introduces a continuous flow from the bottom to the top of the cell, thus opposing particle sedimentation;
- (3)
- A flat, square-shaped blade rotor (Building Material Cell, BMC, Figure 2c–e) fitted in a cylindrical cup larger than that used by the NGC and DH configurations. The cup includes an inner cage to prevent slippage of the fluid. It must be noticed that, according to the manufacturer, the tool can be used to measure suspensions having aggregates no larger than 5 mm. Other rotors are available for larger particle suspensions.
4. Experimental Results and Discussion
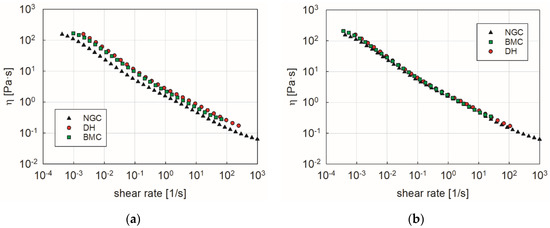
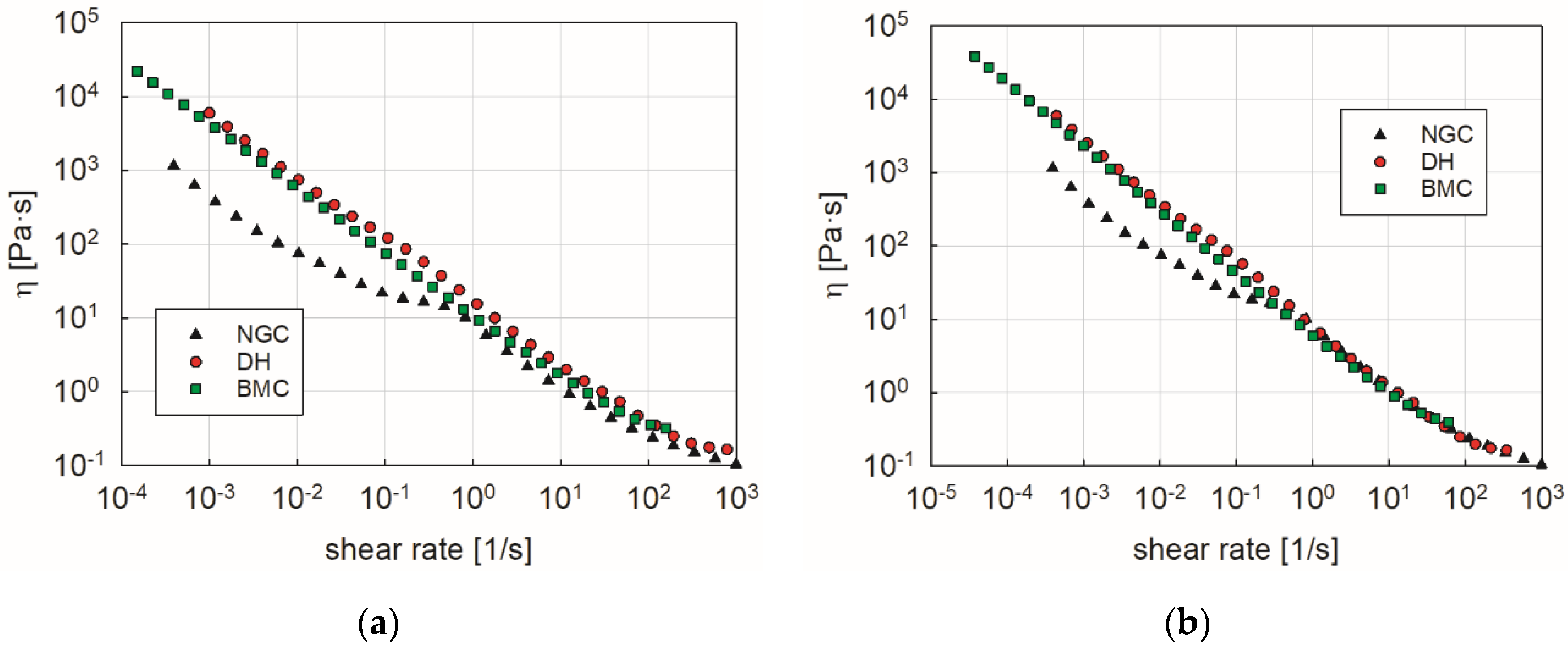
4.1. Calibration of Non-Conventional Geometries
4.2. Validation of the Couette Analogy Calibration Procedure
5. Conclusions
Author Contributions
Funding
Acknowledgments
Conflicts of Interest
References
- Roussel, N. Understanding the Rheology of Concrete; Elsevier Ltd.: Amsterdam, The Netherlands, 2011; ISBN 978-0-85709-028-7. [Google Scholar]
- Coussot, P. Mudflow Rheology and Dynamics; Balkema, A.A., Ed.; IAHR/AIRH Monograph Series; CRC Press: Boca Raton, FL, USA, 1997; ISBN 90-5410-693-X. [Google Scholar]
- Chien, S.-F. Settling velocity of irregularly shaped particles. Spe Drill. Completion 1994, 9, 281–289. [Google Scholar] [CrossRef]
- Hu, C.; De Larrard, F.; Sedran, T.; Boulay, C.; Bosc, F.; Deflorenne, F. Validation of BTRHEOM, the new rheometer for soft-to-fluid concrete. Mater. Struct. Mater. Constr. 1996, 29, 620–631. [Google Scholar] [CrossRef]
- Wallevik, J.E. Minimizing end-effects in the coaxial cylinders viscometer: Viscoplastic flow inside the ConTec BML Viscometer 3. J. Non-Newton. Fluid Mech. 2008, 155, 116–123. [Google Scholar] [CrossRef]
- Tattersall, G.H.; Banfill, P.F.G. Relationships between the British Standard Tests for Workability and the Two-Point Test. Mag. Concr. Res. 1977, 29, 156–158. [Google Scholar] [CrossRef]
- Beaupré, D.; Lacombe, P.; Khayat, K.H. Laboratory investigation of rheological properties and scaling resistance of air entrained self-consolidating concrete. Mater. Struct. Mater. Constr. 1999, 32, 235–240. [Google Scholar] [CrossRef]
- Koehler, E.P.; Fowler, D.W. Comparison of workability test methods for self-consolidating concrete. J. ASTM Int. 2010, 7, 1–19. [Google Scholar] [CrossRef]
- Aït-Kadi, A.; Marchal, P.; Choplin, L.; Chrissemant, A.-S.; Bousmina, M. Quantitative analysis of mixer-type rheometers using the couette analogy. Can. J. Chem. Eng. 2002, 80, 1166–1174. [Google Scholar] [CrossRef]
- Estellé, P.; Lanos, C.; Perrot, A.; Amziane, S. Processing the vane shear flow data from Couette analogy. Appl. Rheol. 2008, 18, 1–6. [Google Scholar] [CrossRef][Green Version]
- Lacoste, C.; Choplin, L.; Cassagnau, P.; Michel, A. Rheology innovation in the study of mixing conditions of polymer blends during chemical reaction. Appl. Rheol. 2005, 15, 314–325. [Google Scholar] [CrossRef]
- Paruta-Tuarez, E.; Marchal, P.; Choplin, L. Application of the systemic rheology to the in situ follow-up of viscosity evolution with reaction time in the synthesis of urethane prepolymers. Int. J. Adhes. Adhes. 2014, 50, 32–36. [Google Scholar] [CrossRef]
- Qin, Z.; Suckale, J. Flow-to-sliding transition in crystal-bearing magma. J. Geophys. Res. Solid Earth 2020, 125, e2019JB018549. [Google Scholar] [CrossRef]
- Anton Paar GmbH. Available online: http://www.anton-paar.com (accessed on 27 March 2020).
- Mezger, T.G. The Rheology Handbook: For Users of Rotational and Oscillatory Rheometers; Coatings Compendia; Vincentz Network: Hannover, Germany, 2006; ISBN 978-3-87870-174-3. [Google Scholar]
- ISO 3219:1995 Plastics—Polymers/Resins in the Liquid State or as Emulsions or Dispersions—Determination of Viscosity Using a Rotational Viscometer with Defined Shear State; ISO: Geneva, Switzerland, 1995; ISBN 978-0-12-409547-2.
- Grizzuti, N. Rheometry. In Reference Module in Chemistry, Molecular Sciences and Chemical Engineering; Elsevier: Amsterdam, The Netherlands, 2014; ISBN 978-0-12-409547-2. [Google Scholar]








| Geometry | re (mm) | ri (mm) | ri,eq (mm) | L (mm) |
|---|---|---|---|---|
| NGC | 14.46 | 13.33 | / | 39.98 |
| DH | 14.46 | 12.00 | 10.446 | 37.00 |
| BMC | 35.0 | 29.5 | 23.358 | 44.3 |
| Geometry | cSS (1/m3) | cSR (1/rad) | K (rad/m3) | ||
|---|---|---|---|---|---|
| - | Anton Paar | Couette Analogy | Anton Paar | Couette Analogy | - |
| NGC | 18,847 | - | 12.337 | - | - |
| DH | 90,700 | 39,420 | 9.5493 | 4.1834 | 9422.2 |
| BMC | 14,070 | 6584.8 | 9.5493 | 3.6061 | 1826.0 |
© 2020 by the authors. Licensee MDPI, Basel, Switzerland. This article is an open access article distributed under the terms and conditions of the Creative Commons Attribution (CC BY) license (http://creativecommons.org/licenses/by/4.0/).
Share and Cite
Parlato, R.M.; Russo, E.R.; Läuger, J.; Costanzo, S.; Vanzanella, V.; Grizzuti, N. On the Use of the Coaxial Cylinders Equivalence for the Measurement of Viscosity in Complex Non-Viscometric, Rotational Geometries. Fluids 2020, 5, 43. https://doi.org/10.3390/fluids5020043
Parlato RM, Russo ER, Läuger J, Costanzo S, Vanzanella V, Grizzuti N. On the Use of the Coaxial Cylinders Equivalence for the Measurement of Viscosity in Complex Non-Viscometric, Rotational Geometries. Fluids. 2020; 5(2):43. https://doi.org/10.3390/fluids5020043
Chicago/Turabian StyleParlato, Regina Miriam, Eliana R. Russo, Jörg Läuger, Salvatore Costanzo, Veronica Vanzanella, and Nino Grizzuti. 2020. "On the Use of the Coaxial Cylinders Equivalence for the Measurement of Viscosity in Complex Non-Viscometric, Rotational Geometries" Fluids 5, no. 2: 43. https://doi.org/10.3390/fluids5020043
APA StyleParlato, R. M., Russo, E. R., Läuger, J., Costanzo, S., Vanzanella, V., & Grizzuti, N. (2020). On the Use of the Coaxial Cylinders Equivalence for the Measurement of Viscosity in Complex Non-Viscometric, Rotational Geometries. Fluids, 5(2), 43. https://doi.org/10.3390/fluids5020043

