The Combined Effects of Precision-Controlled Temperature and Relative Humidity on Artificial Ripening and Quality of Date Fruit
Abstract
:1. Introduction
2. Materials and Methods
2.1. Plant Material and Sample Collection Site
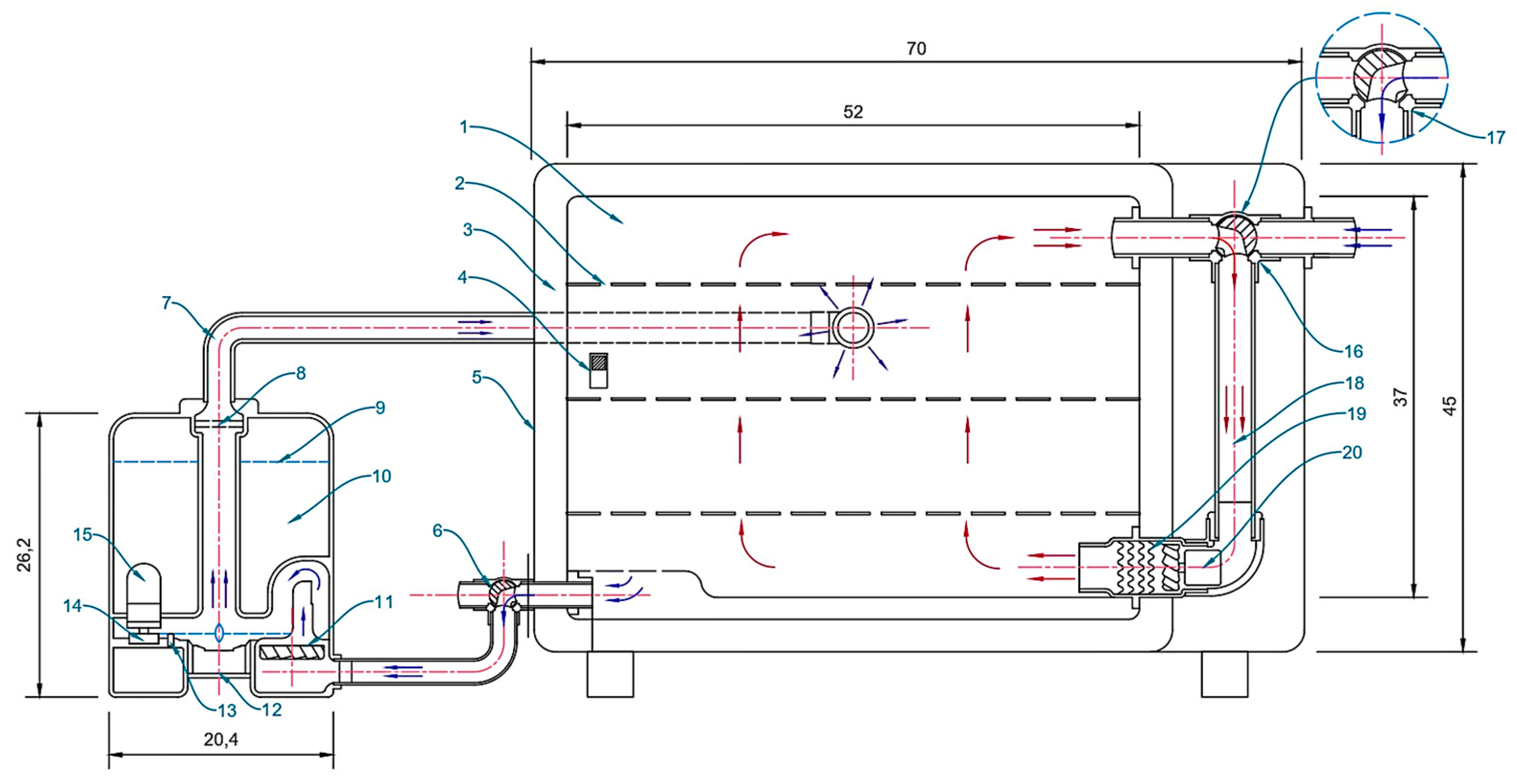
2.2. Construction of the Artificial Ripening System
2.3. Physicochemical Characteristics of Date Fruit
2.3.1. Fruit Weight and Size
2.3.2. Fruit Firmness
2.3.3. Fruit Color
2.3.4. Fruit Moisture Content
2.3.5. Fruit pH
2.3.6. Total Soluble Solids
2.3.7. Fruit Weight Loss
2.3.8. Sugar Content
2.4. Statistical Analysis
3. Results
3.1. Performance of the Developed Artificial Ripening Systems
3.2. Physicochemical Characteristics of Date Fruit
3.2.1. Fruit Weight and Size
3.2.2. Fruit Firmness
3.2.3. Fruit Color
3.2.4. Fruit Quality
3.2.5. Fruit Weight Loss
3.2.6. Fruit Shrinkage Ratio
3.3. Time Required for Artificial Ripening
4. Discussion
5. Conclusions
Author Contributions
Funding
Acknowledgments
Conflicts of Interest
References
- Jimnez, E.; Hodder, A.; Oihabi, A. FAO support to date palm development around the world: 70 years of activity. Emir. J. Food Agric. 2016, 28, 1–11. [Google Scholar] [CrossRef] [Green Version]
- Mougheith, M.G.; Hassaballa, I.A.; El-Ashrum, M.A. Comparative studies on fruit development, quality and bunch characteristics at harvest of some Egyptian date cultivars [Samany, Zaghloul, Hayany, Bent-Aisha and Sewi]. Ann. Agric. Sci. Moshtohor 1976, 5, 179–193. [Google Scholar]
- Al-Mazroui, H.; Zaid, A.; Bouhouche, N. Morphological abnormalities in tissue culture-derived date palm (Phoenix dactylifera L.). In Proceedings of the Acta Horticulturae, Santa Barbara, CA, USA, 31 August 2007; Volume 736, pp. 329–335. [Google Scholar] [CrossRef]
- El Hadrami, A.; Al-Khayri, J.M. Socioeconomic and traditional importance of date palm. Emir. J. Food Agric. 2012, 24, 371–385. [Google Scholar]
- Mohammed, M.E.A.; Alhajhoj, M.R.; Ali-Dinar, H.M.; Munir, M. Impact of a Novel Water-Saving Subsurface Irrigation System on Water Productivity, Photosynthetic Characteristics, Yield, and Fruit Quality of Date Palm under Arid Conditions. Agronomy 2020, 10, 1265. [Google Scholar] [CrossRef]
- Mohammed, M.; Riad, K.; Alqahtani, N. Efficient IoT-Based Control for a Smart Subsurface Irrigation System to Enhance Irrigation Management of Date Palm. Sensors 2021, 21, 3942. [Google Scholar] [CrossRef]
- Sarraf, M.; Jemni, M.; Kahramanoğlu, I.; Artés, F.; Shahkoomahally, S.; Namsi, A.; Ihtisham, M.; Brestic, M.; Mohammadi, M.; Rastogi, A. Commercial techniques for preserving date palm (Phoenix dactylifera) fruit quality and safety: A review. Saudi J. Biol. Sci. 2021, 28, 4408–4420. [Google Scholar] [CrossRef] [PubMed]
- Sawaya, W.N.; Safi, W.M.; Khalil, J.K.; Mashadi, A.S. Physical measurements, proximate analysis, and nutrient elements content of twenty five date cultivars grown in Saudi Arabia at the khalal (mature color) and tamar (rips) stages. In Proceedings of the First Symposium on Date Palm, Al Hofuf, Saudi Arabia, 23–25 March 1983; pp. 454–466. [Google Scholar]
- Bacha, M.A.; Shaheen, M.A.; Nasr, T.A. Changes in Physical and Chemical Characteristics of the Fruits of Four Date Palm Cultivars. Saudi Biol. 1987, 10, 285–294. [Google Scholar]
- Krueger, R.R. Date Palm (Phoenix dactylifera L.) Biology and Utilization. In The Date Palm Genome; Springer: Berlin/Heidelberg, Germany, 2021; Volume 1, pp. 3–28. [Google Scholar]
- Chao, C.T.; Krueger, R.R. The Date Palm (Phoenix dactylifera L.): Overview of Biology, Uses, and Cultivation. HortScience 2007, 42, 1077–1082. [Google Scholar] [CrossRef] [Green Version]
- Gamea, G.R.; Aboamera, M.A.; Mohmed, M.E.; Mohammed, M. Design and manufacturing of prototype for orange grading using phototransistor. Misr J. Agric. Eng. 2011, 28, 505–523. [Google Scholar] [CrossRef]
- Ahmed, A.W.K.; Ahmed, I.A.; Robinson, R.K. Chemical composition of date varieties as influenced by the stage of ripening. Food Chem. 1995, 54, 305–309. [Google Scholar] [CrossRef]
- Awad, M.A.; Al-Qurashi, A.D.; Mohamed, S.A. Biochemical Changes in Fruit of an Early and a Late Date Palm Cultivar During Development and Ripening. Int. J. Fruit Sci. 2011, 11, 167–183. [Google Scholar] [CrossRef]
- Rastegar, S.; Rahemi, M.; Baghizadeh, A.; Gholami, M. Enzyme activity and biochemical changes of three date palm cultivars with different softening pattern during ripening. Food Chem. 2012, 134, 1279–1286. [Google Scholar] [CrossRef]
- Eid, N.; Al-Awadi, B.; Vauzour, D.; Concha, M.J.O.; Spencer, J.P.E. Effect of Cultivar Type and Ripening on the Polyphenol Content of Date Palm Fruit. J. Agric. Food Chem. 2013, 61, 2453–2460. [Google Scholar] [CrossRef] [PubMed]
- Marondedze, C.; Gehring, C.; Thomas, L. Dynamic changes in the date palm fruit proteome during development and ripening. Hortic. Res. 2014, 1, 14039. [Google Scholar] [CrossRef] [Green Version]
- Zaid, A.; Wet, D. Climatic requirements of date palm. In Date Palm Cultivation; FAO Plant Production and Protection Paper; FAO: Rome, Italy, 2002; Volume 156, p. 292. [Google Scholar]
- Saleem, S.; Saddozai, A.; Asif, M.; Baloch, A. Impact of artificial ripening to improve quality and yield for the export of ‘dhakki’ dates. In Proceedings of the Acta Horticulturae, Lisbon, Portugal, 1 December 2010; Volume 882, pp. 1125–1134. [Google Scholar] [CrossRef]
- Al-Abbad, A.; Al-Jamal, M.; Al-Elaiw, Z.; Al-Shreed, F.; Belaifa, H. A study on the economic feasibility of date palm cultivation in the Al-Hassa Oasis of Saudi Arabia. J. Dev. Agric. Econ. 2011, 3, 463–468. [Google Scholar]
- Mohammed, M.E.A.; Eissa, A.H.A.; Aleid, S.M. Application of pulsed electric field for microorganisms inactivation in date palm fruits. J. Food Nutr. Res. 2016, 4, 646–652. [Google Scholar]
- Awad, M.A. Increasing the rate of ripening of date palm fruit (Phoenix dactylifera L.) cv. Helali by preharvest and postharvest treatments. Postharvest Biol. Technol. 2007, 43, 121–127. [Google Scholar] [CrossRef]
- Saleem, S.A.; Baloch, A.K.; Baloch, M.K.; Baloch, W.A.; Ghaffoor, A. Accelerated ripening of Dhakki dates by artificial means: Ripening by acetic acid and sodium chloride. J. Food Eng. 2005, 70, 61–66. [Google Scholar] [CrossRef]
- Navarro, S. Postharvest treatment of dates. Stewart Postharvest Rev. 2006, 2, 1–9. [Google Scholar] [CrossRef]
- Mohammed, M.E.; El-Shafie, H.A.; Alhajhoj, M.R. Design and efficacy evaluation of a modern automated controlled atmosphere system for pest management in stored dates. J. Stored Prod. Res. 2020, 89, 101719. [Google Scholar] [CrossRef]
- Mohammed, M.E.; Elshafie, H.; Sallam, A.A. A solar-powered heat system for management of almond moth, Cadra cautella (Lepidoptera: Pyralidae) in stored dates. Postharvest Biol. Technol. 2019, 154, 121–128. [Google Scholar] [CrossRef]
- Yektankhodaei, M.; Bagheri, A.; Mohamadpour, I.; Karami, Y. Artificial ripening of khuneizi date using physical and chemical methods. In Proceedings of the Acta Horticulturae, Santa Barbara, CA, USA, 31 August 2007; Volume 736, pp. 87–93. [Google Scholar] [CrossRef]
- Baloch, A.K.; Saleem, S.A.; Dar, N.G.; Baloch, W.A.; Baloch, M.K. Influence of microwave radiation on ripening of dhakki dates. J. Food Process. Preserv. 2003, 27, 181–193. [Google Scholar] [CrossRef]
- Haider, M.S.; Rauf, M.; Saleem, N.; Jamil, K.; Mukhtar, O. Studies on ripening of dates from rutab stage to ripe dehydrated dates. J. Biochem. Mol. Biol. 2012, 45, 31–34. [Google Scholar]
- Barreveld, W.H. Date Palm Products; FAO: Rome, Italy, 1993; ISBN 9251032513. [Google Scholar]
- Mohammed, M.E.; Alhajhoj, M.R. Importance and Applications of Ultrasonic Technology to Improve Food Quality. In Food Processing; Marc, R.A., Díaz, A.V., Izquierdo, G.D.P., Eds.; IntechOpen: Rijeka, Croatia, 2020. [Google Scholar]
- Mohammed, M.; El-Shafie, H.; Alqahtani, N. Design and Validation of Computerized Flight-Testing Systems with Controlled Atmosphere for Studying Flight Behavior of Red Palm Weevil, Rhynchophorus ferrugineus (Olivier). Sensors 2021, 21, 2112. [Google Scholar] [CrossRef]
- Mohammed, M.; Alqahtani, N.; El-Shafie, H. Development and Evaluation of an Ultrasonic Humidifier to Control Humidity in a Cold Storage Room for Postharvest Quality Management of Dates. Foods 2021, 10, 949. [Google Scholar] [CrossRef]
- Chemat, F.; Zill-E-Huma; Khan, M.K. Applications of ultrasound in food technology: Processing, preservation and extraction. Ultrason. Sonochem. 2011, 18, 813–835. [Google Scholar] [CrossRef] [PubMed]
- Lara, I.; García, P.; Vendrell, M. Post-harvest heat treatments modify cell wall composition of strawberry (Fragaria×ananassa Duch.) fruit. Sci. Hortic. 2006, 109, 48–53. [Google Scholar] [CrossRef]
- Zhang, C.-R.; Aldosari, S.A.; Vidyasagar, P.S.P.V.; Shukla, P.; Nair, M.G. Determination of the variability of sugars in date fruit varieties. J. Plant. Crop. 2015, 53–61. [Google Scholar]
- Barclay, T.; Ginic-Markovic, M.; Johnston, M.R.; Cooper, P.; Petrovsky, N. Observation of the keto tautomer of d-fructose in D2O using 1H NMR spectroscopy. Carbohydr. Res. 2012, 347, 136–141. [Google Scholar] [CrossRef] [PubMed] [Green Version]
- Gurst, J.E. NMR and the structure of D-glucose. J. Chem. Educ. 1991, 68, 1003–1004. [Google Scholar] [CrossRef]
- De Bruyn, A.; Van Loo, J. The identification by 1H- and 13C-n.m.r. spectroscopy of sucrose, 1-kestose, and neokestose in mixtures present in plant extracts. Carbohydr. Res. 1991, 211, 131–136. [Google Scholar] [CrossRef]
- Xiao, Y.-Y.; Chen, J.; Kuang, J.-F.; Shan, W.; Xie, H.; Jiang, Y.-M.; Lu, W.-J. Banana ethylene response factors are involved in fruit ripening through their interactions with ethylene biosynthesis genes. J. Exp. Bot. 2013, 64, 2499–2510. [Google Scholar] [CrossRef] [PubMed] [Green Version]
- Ba, L.-J.; Shan, W.; Kuang, J.-F.; Feng, B.-H.; Xiao, Y.-Y.; Lu, W.-J.; Chen, J.-Y. The Banana MaLBD (lateral organ boundaries domain) Transcription Factors Regulate EXPANSIN Expression and Are Involved in Fruit Ripening. Plant Mol. Biol. Rep. 2014, 32, 1103–1113. [Google Scholar] [CrossRef]
- Rafaeli, A.; Kostukovsky, M.; Carmeli, D. Successful disinfestations of sap-beetle contaminations from organically grown dates using heat treatment: A case study. Phytoparasitica 2006, 34, 204–212. [Google Scholar] [CrossRef]
- Hazbavi, I.; Khoshtaghaza, M.; Mostaan, A.; Banakar, A. Effect of postharvest hot-water and heat treatment on quality of date palm (cv. Stamaran). J. Saudi Soc. Agric. Sci. 2015, 14, 153–159. [Google Scholar] [CrossRef] [Green Version]
- Ben-Amor, R.; De Miguel-Gómez, M.D.; Martínez-Sánchez, A.; Aguayo, E. Effect of hot air on Deglet Noor palm quality parameters and on Ectomyelois ceratoniae. J. Stored Prod. Res. 2016, 68, 1–8. [Google Scholar] [CrossRef]
- Mohamed, M.A.; Mustapha, K. Study the effect of postharvest heat treatment on infestation rate of fruit date palm (Phoenix dactylifera L.) cultivars grown in Algeria. J. Nutr. Sci. Health Diet 2020, 1, 37–40. [Google Scholar] [CrossRef]
- Remberg, S.F.; Sønsteby, A.; Aaby, K.; Heide, O.M. Influence of Postflowering Temperature on Fruit Size and Chemical Composition of Glen Ample Raspberry (Rubus idaeusL.). J. Agric. Food Chem. 2010, 58, 9120–9128. [Google Scholar] [CrossRef] [PubMed]
- Ledesma, N.; Nakata, M.; Sugiyama, N. Effect of high temperature stress on the reproductive growth of strawberry cvs. ‘Nyoho’ and ‘Toyonoka’. Sci. Hortic. 2008, 116, 186–193. [Google Scholar] [CrossRef]
- Ahmad, S.; Thompson, A. Effect of modified atmosphere storage on the ripening and quality of ripe banana fruit. Acta Hortic. 2007, 273–278. [Google Scholar] [CrossRef]
- Buren, J.P. The chemistry of texture in fruits and vegetables. J. Texture Stud. 1979, 10, 1–23. [Google Scholar] [CrossRef]
- Ridley, B.L.; O’Neill, M.A.; Mohnen, D. Pectins: Structure, biosynthesis, and oligogalacturonide-related signaling. Phytochemistry 2001, 57, 929–967. [Google Scholar] [CrossRef]
- Berg, L.V.D. The Role of Humidity, Temperature, and Atmospheric Composition in Maintaining Vegetable Quality During Storage; ACS Publications: Washington, DC, USA, 1981; pp. 95–107. ISBN 1947-5918. [Google Scholar]
- Fayadh, J.; Al-Showiman, S. Chemical composition of date palm (Phoenix dactylifera L.). J. Chem. Soc. Pak 1990, 12, 84–103. [Google Scholar]
- Koshita, Y. Effect of temperature on fruit color development. In Abiotic Stress Biology in Horticultural Plants; Springer: Berlin/Heidelberg, Germany, 2015; pp. 47–58. ISBN 9784431552512. [Google Scholar]
- Al-Hooti, S.; Sidhu, J.S.; Al-Otaibi, J.; Al-Ameeri, H.; Qabazard, H. Processing of some important date cultivars grown in united arab emirates into chutney and date relish. J. Food Process. Preserv. 1997, 21, 55–68. [Google Scholar] [CrossRef]
- Ikeda, T.; Suzuki, N.; Nakayama, M.; Kawakami, Y. The Effects of High Temperature and Water Stress on Fruit Growth and Anthocyanin Content of Pot-grown Strawberry (Fragaria×ananassa Duch. cv. ‘Sachinoka’) Plants. Environ. Control. Biol. 2011, 49, 209–215. [Google Scholar] [CrossRef] [Green Version]
- Miura, H.; Yoshida, M.; Yamasaki, A. Effect of Temperature on the Size of Strawberry Fruit. J. Jpn. Soc. Hortic. Sci. 1994, 62, 769–774. [Google Scholar] [CrossRef] [Green Version]
- Wang, N.; Brennan, J. Changes in structure, density and porosity of potato during dehydration. J. Food Eng. 1995, 24, 61–76. [Google Scholar] [CrossRef]
- Hills, B.P.; Remigereau, B. NMR studies of changes in subcellular water compartmentation in parenchyma apple tissue during drying and freezing. Int. J. Food Sci. Technol. 1997, 32, 51–61. [Google Scholar] [CrossRef] [Green Version]
- Jewell, G.G. Fruits and Vegetables in Food Science and Technology; A Series of Monographs; Vaughn, J.G., Ed.; Routledge & CRC Press: Boca Raton, FL, USA, 1979. [Google Scholar]
- Aguilera, J.M.; Stanley, D.W. Microstructural Principles of Food Processing and Engineering, 2nd ed.; Aspen Publ. Inc.: Gaithersburg, MD, USA, 1999; pp. 325–372. [Google Scholar]
- Tscheuschner, H.D. Physical Properties of Plant and Animal Materials. Structure, Physical Characteristics and Mechanical Properties. 2. Aufl. 891 Seiten, zahlr. Abb. und Table Gordon and Breach Science Publishers, New York ua 1986. Preis: 140.—£ 1987. Mol. Nutr. 1987, 31, 702. [Google Scholar]
- Tu, K.; Nicolaï, B.; De Baerdemaeker, J. Effects of relative humidity on apple quality under simulated shelf temperature storage. Sci. Hortic. 2000, 85, 217–229. [Google Scholar] [CrossRef]
- Gutiérrez, M.; Lahoz, J.M.; Sola, M.; Pascual, L.; Vargas, A.M. Postharvest changes in total soluble solids and tissue pH of cherimoya fruit stored at chilling and non-chilling temperatures. J. Hortic. Sci. 1994, 69, 459–463. [Google Scholar] [CrossRef]
- Yang, X.; Pang, X.; Xu, L.; Fang, R.; Huang, X.; Guan, P.; Lu, W.; Zhang, Z. Accumulation of soluble sugars in peel at high temperature leads to stay-green ripe banana fruit. J. Exp. Bot. 2009, 60, 4051–4062. [Google Scholar] [CrossRef] [PubMed]
- Kliewer, W.M.; Lider, L.A. Effects of day temperature and light intensity on growth and composition of Vitis vinifera L. fruits. J. Am. Soc. Hortic. Sci. 1970, 95, 766–769. [Google Scholar]
- Lakso, A.N.; Kliewer, W.M. The Influence of Temperature on Malic Acid Metabolism in Grape Berries: I. Enzyme responses. Plant Physiol. 1975, 56, 370–372. [Google Scholar] [CrossRef] [Green Version]
- Huff, A. Sugar Regulation of Plastid Interconversions in Epicarp of Citrus Fruit. Plant Physiol. 1984, 76, 307–312. [Google Scholar] [CrossRef] [Green Version]
- Peleg, K. Produce Handling, Packaging and Distribution; AVI Publishing Company: Westport, Connecticut, 1985; ISBN 0870554662. [Google Scholar]
- Weichmann, J. Post Harvest Physiology of Vegetables; Marcel Bekker. Inc.: New York, NY, USA, 1987; p. 145. [Google Scholar]









| Ripening Methods | T | RH | Fruit Characteristics | |||||||
|---|---|---|---|---|---|---|---|---|---|---|
| °C | % | Fw (g) | Fl (mm) | Fd (mm) | Fv (mm³) | F (N mm−2) | L* | a* | b* | |
| Control | 7.30 ± 0.3 a | 34.19 ± 1.0 a | 19.70 ± 1.0 ab | 6.99 ± 0.7 a | 12.23 ± 0.9 hi | 12.23 ± 0.9 hi | 9.58 ± 1.5 c | 6.91 ± 1.7 e | ||
| ARF | 45 | 30 | 6.58 ± 0.9 ab | 30.88 ± 1.3 a | 19.58 ± 1.1 ab | 6.20 ± 0.7 a | 22.24 ± 4.6 bd | 42.33 ± 6.1 a | 13.51 ± 2.5 ac | 26.61 ± 2.8 ab |
| 35 | 6.42 ± 1.3 ab | 31.27 ± 2.8 a | 19.38 ± 1.4 b | 6.19 ± 1.1 a | 16.35 ± 1.5 eh | 40.32 ± 4.2 ac | 14.19 ± 3.3 ab | 25.06 ± 4.5 ac | ||
| 40 | 6.67 ± 1.2 ab | 32.03 ± 1.1 a | 20.24 ± 1.1 ab | 6.92 ± 0.9 a | 15.04 ± 1.1 gh | 41.03 ± 6.4 ab | 14.22 ± 2.9 ab | 23.88 ± 6.6 ad | ||
| 45 | 6.60 ± 1.1 ab | 31.21 ± 2.3 a | 20.26 ± 1.3 ab | 6.77 ± 1.3 a | 13.08 ± 3.2 gi | 38.61 ± 2.2 ad | 13.24 ± 2.1 ac | 18.71 ± 6.3 ae | ||
| 50 | 7.32 ± 0.5 a | 33.21 ± 1.7 a | 19.94 ± 0.8 ab | 6.93 ± 08 a | 12.42 ± 1.1 hi | 32.10 ± 4.5 df | 14.07 ± 3.0 ab | 17.68 ± 9.4 ae | ||
| 55 | 7.44 ± 0.6 a | 33.03 ± 2.4 a | 21.12 ± 1.4 ab | 7.76 ± 1.4 a | 9.16 ± 1.5 i | 33.27 ± 4.4 ce | 12.58 ± 2.8 ac | 13.43 ± 8.0 ce | ||
| 50 | 30 | 6.43 ± 1.1 ab | 32.96 ± 2.2 a | 20.90 ± 0.7 ab | 7.54 ± 0.8 a | 27.14 ± 1.5 ab | 35.66 ± 4.0 ae | 15.69 ± 1.5 a | 29.13 ± 7.5 a | |
| 35 | 6.83 ± 1.0 ab | 32.58 ± 3.7 a | 21.19 ± 1.0 ab | 7.74 ± 1.6 a | 20.27 ± 1.5 df | 35.13 ± 5.9 ae | 15.49 ± 2.2 a | 24.50 ± 6.3 ad | ||
| 40 | 6.63 ± 0.7 ab | 31.50 ± 1.3 a | 20.13 ± 0.4 ab | 6.70 ± 0.4 a | 17.99 ± 0.6 dg | 35.59 ± 2.5 ae | 14.88 ± 2.2 ab | 20.52 ± 9.6 ad | ||
| 45 | 7.02 ± 0.8 ab | 32.34 ± 2.0 a | 20.91 ± 0.8 ab | 7.41 ± 0.8 a | 13.73 ± 1.0 gi | 33.06 ± 4.3 cf | 15.09 ± 2.9 ab | 20.30 ± 8.8 ad | ||
| 50 | 7.32 ± 1.0 a | 33.39 ± 1.8 a | 21.52 ± 0.5 a | 8.10 ± 0.6 a | 12.75 ± 1.0 hi | 34.93 ± 5.2 ae | 12.78 ± 2.3 ac | 15.02 ± 8.1 be | ||
| 55 | 6.90 ± 0.7 ab | 33.71 ± 3.2 a | 21.52 ± 1.0 a | 8.22 ± 1.3 a | 11.44 ± 0.6 hi | 34.23 ± 4.0 be | 14.23 ± 3.3 ab | 20.40 ± 9.2 ac | ||
| 55 | 30 | 5.64 ± 07 c | 30.84 ± 2.7 a | 19.34 ± 1.1 b | 6.08 ± 1.0 a | 31.39 ± 1.0 a | 31.47 ± 3.1 df | 12.46 ± 2.9 ac | 11.88 ± 4.9 de | |
| 35 | 6.49 ± 1.0 ab | 32.28 ± 2.4 a | 20.49 ± 1.5 ab | 7.19 ± 1.5 a | 25.51 ± 1.0 bc | 32.76 ± 3.5 df | 12.56 ± 1.7 ac | 13.87 ± 8.6 be | ||
| 40 | 6.48 ± 0.8 ab | 31.99 ± 2.7 a | 20.20 ± 1.9 ab | 6.97 ± 1.9 a | 20.93 ± 0.6 ce | 32.13 ± 3.7 df | 12.66 ± 2.8 ac | 12.46 ± 7.9 ce | ||
| 45 | 7.24 ± 0.8 a | 33.97 ± 2.7 a | 21.07 ± 1.2 ab | 7.93 ± 1.3 a | 15.70 ± 1.0 fh | 31.38 ± 3.5 df | 12.54 ± 2.4 ac | 11.77 ± 3.3 de | ||
| 50 | 6.99 ± 1.1 ab | 32.74 ± 2.9 a | 21.07 ± 1.9 ab | 7.72 ± 2.1 a | 14.72 ± 1.0 gh | 25.59 ± 6.1 f | 12.46 ± 3.0 ac | 13.31 ± 6.0 ce | ||
| 55 | 7.17 ± 0.7 a | 33.53 ± 3.6 a | 20.57 ± 1.8 ab | 7.60 ± 2.1 a | 12.75 ± 1.0 hi | 29.88 ± 6.8 ef | 10.80 ± 3.0 bc | 11.99 ± 9.9 ce | ||
| Ripening Methods | T | RH | Fruit Characteristics | |||||
|---|---|---|---|---|---|---|---|---|
| °C | % | MC (%) | TSS (Brix) | pH | FC (%) | GC (%) | TS * (%) | |
| Control | 16.90 ± 0.7 hj | 70.67 ± 5.9 ab | 5.48 ± 0.03 ce | 26.30 ± 0.1 cd | 27.67 ± 0.2 bd | 53.97 ± 0.1 e | ||
| ARF | 45 | 30 | 15.50 ± 0.9 ij | 62.30 ± 0.9 e | 5.80 ± 0.14 ac | 24.30 ± 0.5 g | 24.87 ± 0.2 i | 49.17 ± 0.4 i |
| 35 | 18.53 ± 1.1 gh | 64.53 ± 1.5 de | 5.72 ± 0.26 bd | 25.43 ± 0.3 df | 24.93 ± 0.8 hi | 50.37 ± 0.9 hi | ||
| 40 | 22.47 ± 0.9 df | 65.20 ± 0.7 ce | 5.92 ± 0.20 ab | 25.47 ± 0.4 de | 25.93 ± 0.7 fi | 51.40 ± 0.5 gh | ||
| 45 | 25.20 ± 0.6 ac | 65.50 ± 0.7 be | 5.84 ± 0.16 ab | 25.83 ± 0.5 cd | 26.93 ± 0.2 df | 52.77 ± 0.3 eg | ||
| 50 | 26.20 ± 0.8 ab | 66.93 ± 0.9 ae | 6.07 ± 0.20 a | 26.07 ± 0.2 cd | 27.63 ± 0.2 bd | 53.70 ± 0.4 ef | ||
| 55 | 27.17 ± 0.5 a | 66.97 ± 2.0 ae | 6.01 ± 0.09 ab | 26.57 ± 0.8 bc | 27.70 ± 1.0 bd | 54.27 ± 1.9 de | ||
| 50 | 30 | 12.83 ± 0.3 kl | 64.23 ± 2.6 de | 5.33 ± 0.09 e | 24.37 ± 0.4 fg | 25.07 ± 0.4 gi | 49.43 ± 0.7 i | |
| 35 | 14.70 ± 0.8 jk | 65.03 ± 1.5 ce | 5.37 ± 0.01 e | 25.60 ± 0.4 ce | 26.20 ± 0.2 eh | 51.80 ± 0.5 fh | ||
| 40 | 16.93 ± 0.5 hj | 66.30 ± 0.2 be | 5.38 ± 0.04 e | 26.03 ± 0.2 cd | 27.07 ± 0.2 df | 53.10 ± 0.1 eg | ||
| 45 | 21.57 ± 1.7 ef | 67.70 ± 0.6 ad | 5.40 ± 0.09 de | 26.57 ± 0.2 bc | 28.10 ± 0.2 bd | 54.67 ± 0.4 ce | ||
| 50 | 23.37 ± 1.2 ce | 68.37 ± 0.8 ad | 5.47 ± 0.07 ce | 27.50 ± 0.4 ab | 28.43 ± 0.2 ac | 55.93 ± 0.5 bd | ||
| 55 | 24.47 ± 0.9 bd | 67.80 ± 0.4 ad | 5.41 ± 0.01 de | 27.53 ± 0.4 ab | 28.47 ± 0.1 ac | 56.00 ± 0.5 bd | ||
| 55 | 30 | 9.43 ± 0.2 m | 62.27 ± 0.1 e | 5.37 ± 0.01 e | 24.57 ± 0.3 eg | 25.50 ± 0.3 gi | 50.07 ± 0.3 hi | |
| 35 | 11.07 ± 0.6 lm | 64.13 ± 0.6 de | 5.37 ± 0.03 e | 25.30 ± 0.1 dg | 26.27 ± 0.7 eg | 51.57 ± 0.8 gh | ||
| 40 | 14.63 ± 0.6 jk | 66.57 ± 0.2 ae | 5.40 ± 0.02 de | 26.27 ± 0.2 cd | 27.33 ± 0.3 ce | 53.60 ± 0.4 ef | ||
| 45 | 17.40 ± 0.5 hi | 70.03 ± 0.2 ac | 5.39 ± 0.01 de | 27.80 ± 0.1 a | 28.77 ± 0.4 ab | 56.57 ± 0.5 ac | ||
| 50 | 20.83 ± 0.4 fg | 70.47 ± 0.4 ab | 5.39 ± 0.01 de | 28.30 ± 0.1 a | 29.50 ± 0.1 a | 57.80 ± 0.2 ab | ||
| 55 | 22.90 ± 0.4 ce | 71.50 ± 0.7 a | 5.40 ± 0.01 de | 28.50 ± 0.4 a | 29.47 ± 0.3 a | 57.97 ± 0.4 a | ||
Publisher’s Note: MDPI stays neutral with regard to jurisdictional claims in published maps and institutional affiliations. |
© 2021 by the authors. Licensee MDPI, Basel, Switzerland. This article is an open access article distributed under the terms and conditions of the Creative Commons Attribution (CC BY) license (https://creativecommons.org/licenses/by/4.0/).
Share and Cite
Mohammed, M.; Sallam, A.; Alqahtani, N.; Munir, M. The Combined Effects of Precision-Controlled Temperature and Relative Humidity on Artificial Ripening and Quality of Date Fruit. Foods 2021, 10, 2636. https://doi.org/10.3390/foods10112636
Mohammed M, Sallam A, Alqahtani N, Munir M. The Combined Effects of Precision-Controlled Temperature and Relative Humidity on Artificial Ripening and Quality of Date Fruit. Foods. 2021; 10(11):2636. https://doi.org/10.3390/foods10112636
Chicago/Turabian StyleMohammed, Maged, Abdelkader Sallam, Nashi Alqahtani, and Muhammad Munir. 2021. "The Combined Effects of Precision-Controlled Temperature and Relative Humidity on Artificial Ripening and Quality of Date Fruit" Foods 10, no. 11: 2636. https://doi.org/10.3390/foods10112636
APA StyleMohammed, M., Sallam, A., Alqahtani, N., & Munir, M. (2021). The Combined Effects of Precision-Controlled Temperature and Relative Humidity on Artificial Ripening and Quality of Date Fruit. Foods, 10(11), 2636. https://doi.org/10.3390/foods10112636

