Abstract
In order to establish a general design methodology for water-based electromagnetic metamaterial absorber microstructures, a topology optimization method for water-based metamaterial absorber microstructures design was proposed in this paper. According to Mie resonance and impedance matching theory, the realization mechanism and physical model of the broadband water-based metamaterial absorber were constructed. The highest average in-band absorption rate was taken as the design object; the topological optimization model for water-based metamaterial absorber design was established. A metamaterial absorber microstructure with 16 discretized water columns inside the unit cell was designed as an example. The obtained structure exhibited a very high average in band absorption rate in the specific frequency band. The proposed method was a collaborative optimization approach that employed a single type of design variable, namely water column height, to simultaneously adjust surface impedance matching and specific resonant modes. It provided a feasible method for achieving the highest average absorption rate within a specific band.
1. Introduction
Since the metamaterial absorber was first introduced, metamaterials have continued to develop in the field of wave absorption and showed great potential for application in electromagnetic (EM) shielding and stealth [1,2]. With the increasing prominence of the narrow working frequency band and high preparation cost of metallic metamaterials, all-dielectric metamaterials composed of high permittivity materials have gradually become an important branch of metamaterials. Among the all-dielectric materials, water, as a natural raw material, exhibited the advantages of high dielectric loss in the microwave frequency band, transparency, and natural fluidity [3,4,5]. Through reasonable configuration or array arrangement, it can achieve excellent EM characteristics. The water-based metamaterials have been an important part of all-dielectric metamaterials research. It provided a new implementation mechanism and the possibility for the EM response regulation of specific EM radiation, EM absorption, etc.
Researchers have made some progress in the structural design and practical application of liquid-based, especially water-based, metamaterials [6]. Yoo et al. achieved broadband absorption by arranging periodical water droplets on a 2D surface, which proved the feasibility of using water to prepare broadband metamaterial absorbers [7]. The introduction of 3D printing made the preparation of water-based metamaterial absorbers more convenient. Some complex container configurations, such as cross, conical, and composite-shaped microstructures, can be prepared and filled with water to achieve a water-based metamaterial absorber, which demonstrated superior broadband properties [8,9,10]. In addition to broadband absorption, scholars have achieved the combination of the absorbing properties of water-based metamaterials absorbers with other properties, such as transparency [11,12,13], frequency tunability [14,15,16,17], ultra-thin properties [18,19], the reduction in backscattering [20,21,22], functional switching [23,24,25], and so on. Its performance greatly enhanced the practical application value of the water-based metamaterials absorber. Despite the high absorption efficiency of the existing water-based metamaterials absorber, it is still necessary to explore whether it is still possible to further improve the in-band absorption rate of the water-based metamaterials absorber, without increasing the complexity of the combination of water and container materials [26,27,28].
In the design of metamaterial absorber microstructures, in order to obtain a wide bandwidth and a high absorption rate, the microstructure needs to exhibit impedance matching and Mie resonance characteristics for multiple frequencies of the incident waves. On the one hand, it is necessary to design the surface morphology of the metamaterial absorber to achieve impedance matching between the spatial incident wave and the metamaterial absorber microstructure, thereby reducing the reflection of the incident wave on the surface. On the other hand, the designed metamaterial absorber microstructure needs to exhibit resonant response with multiple modes in the limited design domain of the unit cell to enhance the dissipation of EM energy. The all-dielectric microstructures mainly need to meet the resonance requirements for low-order modes with long wavelengths; that is, it is necessary to ensure the existence of a regular and continuous all-dielectric area. In addition, it is necessary to consider the introduction of a surface design mechanism for multi-frequency impedance matching. To obtain a reasonable resonance area and surface morphology simultaneously in the design of the water-based unit cell is a problem that needs to be explored. It requires establishing the optimization process that simultaneously targets both the structure itself and its surface morphology.
Based on the analysis above, a topology optimization method for the water-based metamaterials absorber microstructure with broadband and efficient wave absorption characteristics was proposed. The realization mechanism and physical model of the water-based metamaterials absorber were constructed. The height of the water column in the discrete water-based unit cell is taken as the design variable; the topology optimization model for the broadband effective metamaterials absorber microstructure design was established. A low-cost water-based metamaterials absorber was equipped with 3D printing technology, and the experimental tests verified the feasibility of the proposed method. This design did not construct a complex combination structure with water and container materials within a unit cell, while attempting to further improve the in-band absorption rate of water-based metamaterial absorbers compared to the existing microstructures.
2. Topology Optimization Model
The discussed metamaterial absorber was an array composed of two-dimensional periodic arrangements of water-based unit cells. As shown in Figure 1, the height of the water column that constituted the unit cell microstructure was taken as the design object, and each water column height was binary encoded and represented by a one-dimensional vector X, X = (X1, …, Xn), Xn = (xn1, …, xni). Xn represented the binary sequence of the height of the nth water column in the unit cell. N was the number of water columns arranged periodically in the unit cell. The height of each water column was discretized into I height states. The water height Zn of the nth water column can be expressed as Zn = Xn · Y. Y = (y1, y2, …, yi)T was the weight vector, and each element represented the weight of the i-th position. The permittivity of the water satisfied the Debye formula [24]
where Twater was the temperature of the water. ε∞ (Twater) and ε0 (Twater) represented the optical dielectric constant and static dielectric constant, respectively. τ represented the rotational relaxation time. f was the operating frequency. To ensure the regularity and continuity of the water filling area, the water column was set to a minimum height Zα to face the low-frequency and low-order Mie resonance. At room temperature (approximately 20 °C), the permittivity of water is approximately 81, making it an ideal broadband lossy medium for metamaterial absorbers.
Figure 1.
The schematic diagram of the water column composition.
The height of the water-filled cavity determines both the resonant mode and loss characteristics. On the one hand, due to the fact that the unit cell resonance is based on Mie resonance, the resonant mode and frequency are determined by the size of the water cavity. Combining them to form a large water cavity to obtain low-order modes is beneficial for covering low resonant frequencies. To ensure that each individual column is connected to the other, each water column should be kept above the minimum water level. On the other hand, under the same surface impedance matching, the larger the water amount is, the greater the absorption is. The maximum water filling capacity in a water column was also set as a constraint in the design. On this basis, the height combination of water column arrays can be designed to achieve maximum absorption rate and minimize water filling. In the process of determining the height of the water column, it was necessary to limit the range of values for the height of the water column. Determining the height of the water column was to achieve the matching of surface impedance and spatial wave impedance during this process, simultaneously, the required resonance inside the cavity. The optimal combination of water column heights in the array can be obtained through optimization.
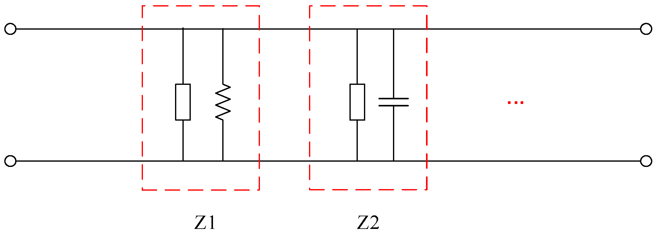
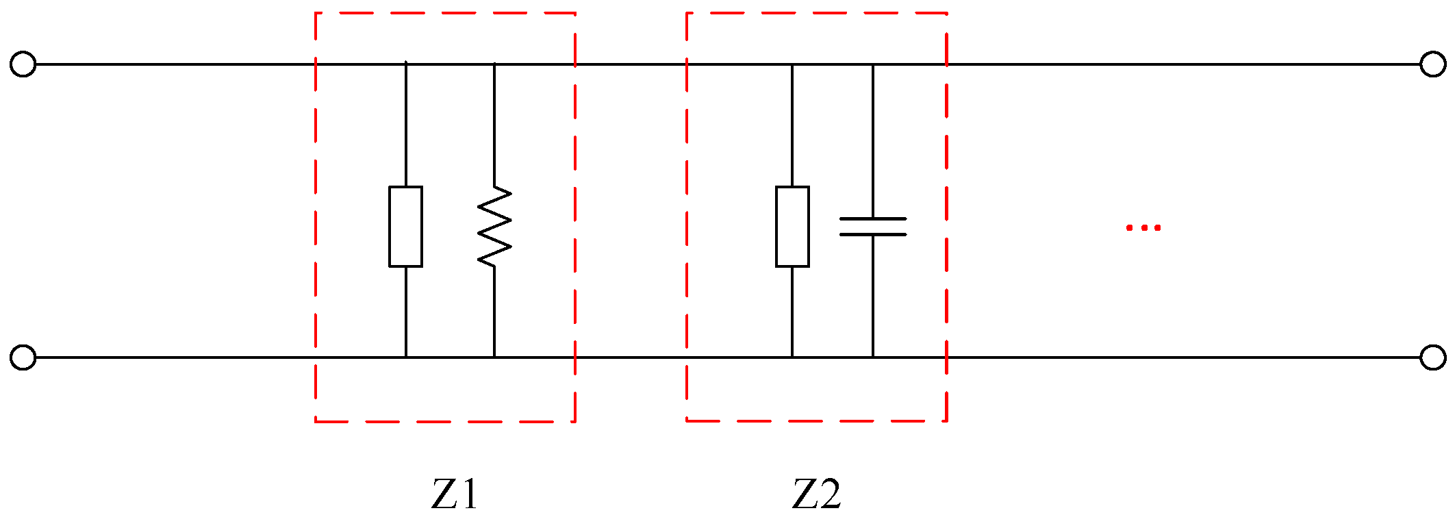
The size of the unit cell was much smaller than the working wavelength, so the unit cell can be considered as a circular scattering particle. Under the excitation with different frequencies, the unit cell generated Mie resonant and field distribution corresponding to each mode, which manifested as a combination of multiple magnetic dipoles in different modes. An equivalent circuit model, as shown in Figure 2, was introduced to analyze the mechanism of electromagnetic response of the designed unit cells. Under the external EM field excitation, a unit cell was regarded as a resonant circuit with multiple parallel branches. Two equivalent branches, Z2 and Z1, formed a resonance for a specific mode. Different combination branches similar to the Z2 and Z1 relationship can be generated for all the resonant modes. Equivalent resonance resulted in maximum impedance loss, thereby achieving a high absorption rate.
Figure 2.
Equivalent circuit diagram of the water-based metasurface.
The design objective was to obtain the highest average absorption rate in the target frequency band. fH and fL represented the upper and lower limits of the target frequency range. A(X; fp) represented the absorption at frequency fp. A minimum average absorption rate T was set as a threshold to judge the wave absorption. The optimization formula was
There would be many algorithms, including intelligent optimization algorithms, for solving the optimization problem. The classic genetic algorithm (GA) was selected to iteratively optimize the design variable X. In the optimization process, each bit in the design variable corresponded to a gene sequence position in GA. The weight was added to each Xi in the design variables, and the corresponding water column heights were converted by the design variables. The absorption of the unit cell corresponding to each design variable was calculated. The optimal solution from the first generation was extracted as the parents of the next generation. The population of the next generation can be obtained after crossover and mutation, and iterative optimization was continued. When the difference between the optimal results of five consecutive generations was unchanged, the optimization process ended, and the global optimal variable Xopt was obtained. The scale of design variables determined the degree of controllability of electromagnetic response. If the scale were too large, it would occupy more computing resources. It was necessary to minimize the size of the design variables as much as possible while meeting the absorption rate requirements. The optimization process was shown in Figure 3.
Figure 3.
Optimization flow chart of a water−based metamaterial absorber.
3. Design and Analysis
Based on the proposed topology optimization model, a water-based metamaterial absorber microstructure was designed as an example. The highest average in-band absorption rate in the range of 9 GHz-22 GHz was required. The metamaterial absorber was composed of filled water and the dielectric material containers. To avoid occupying too many computing resources, the design domain of the unit cell consisted of 4 × 4 rectangular water columns with the same side length (4 mm × 4 mm) but irrelevant heights. The design variable size was sufficient to meet the high absorption requirements within the required frequency band. At room temperature, the permittivity of the water εw was set as 81. The water column was shaped by the Polylactic Acid (PLA, permittivity εr = 2.7) container. Due to the dielectric properties of PLA, it would affect the spatial field distribution. The thickness of PLA containers would affect the electromagnetic response of water-based metamaterials. The permittivity of PLA was much smaller than that of water, so its effect was relatively lower. In the design, in order to reduce its impact on the electromagnetic response and stability of the MTM, the thickness of the PLA container was as thin as possible, and was also set as a specific value without affecting the mechanical properties of the container. The thickness of the container was set to 1 mm. The height of the water at the bottom was Zα = 1 mm. The length and width of the upper part of the container were 18 mm × 18 mm. The height of the upper part was 13 mm. The length and width of the lower part were 20 mm × 20 mm, and the height was 5 mm. There was a 1 mm thick copper ground layer at the bottom. The weight vector Y = (0.1,0.2, 0.4, 0.8, 1.6, 3.2)T. The height of each water column was determined by a 6-bit Boolean value and the corresponding weight. The minimum average absorption rate threshold T was 0.9. During the optimization process, the population size was set to 100. The crossover rate was 0.5, and the mutation rate was 0.04. The iteration would be stopped either when reaching the 100th generation or when the optimal solution remains unchanged for five consecutive generations. The vertically incident wave was perpendicular to the XY plane, i.e., along the –Z axis direction. The unit cell and the topologically optimized microstructure are shown in Figure 4a. The unit cell structure was 2D, periodically arranged to form a metamaterial absorber array. The simulated absorption rate of the optimized model is shown in Figure 4b. When the EM wave was vertically radiated to the water-based metamaterials absorber, the reflection coefficient S11 was generally lower than −10 dB, and the absorption rate of the EM wave was 97.4%, achieving the purpose of efficient wave absorption.
Figure 4.
(a) The designed unit cell of the water−based metamaterials absorber, (b) front view, and (c) its EM response characteristics.
In order to express that the high absorption rate obtained was not only achieved by filling the container with water for dissipation, the absorption rate of a size-optimized fully water-filled unit cell was analyzed for comparison (Figure 5). The red solid line, the blue dotted line, and the green dashed line represented the absorption of the topology optimized microstructure, the full water-filled microstructure, and the empty container, respectively. As a reference, all water column heights in the fully water-filled microstructure were set to be the same and were optimized. In the frequency band of 8 GHz-17 GHz, it was less than 80%. The average absorption rate in the whole frequency range was 69%, which was much lower than that of the topology-optimized metamaterial absorber. Within the specified design domain, the required broadband absorption cannot be achieved by simply introducing a water-based array. It was also indicated that the broadband high absorptivity of the designed metamaterials absorber was due to the resonance in the water, but not the inherent high water loss. The absorption rate of the empty container was also simulated and analyzed. The absorption rate was high only at a few individual frequency points. It was below 20% in the 8 GHz-18 GHz frequency band. This confirmed the role of the water-based particles in resonance. Based on the relationship between S11 and impedance, the equivalent impedance of the designed MA was calculated.
Figure 5.
(a) Fully water-filled unit cell (b) front view and (c) the simulation comparison diagram of wave absorption rate.
The effectiveness of the formula relies on the modeling of the relationship between structural parameters and electromagnetic responses. Different structure characteristics determine the response mode and resonance mode. Varying combinations of water column heights can effectively alter the local electromagnetic field distribution, and multi-order resonance produces a superposition effect within the frequency band of interest. In the parameters retrieving, the surface response can exhibit differences in S-parameters, and their phase interference and field coupling can extend the absorption bandwidth. As shown in Figure 6, the relative input impedance of the metasurface exhibited a real part close to 1 and an imaginary part near 0 at multiple specific resonant frequencies. This effective multi-frequency local impedance matching with free space formed a continuous absorption band.
Figure 6.
The normalized equivalent impedance of the water−based metamaterials absorber.
The experimental platform was established in a microwave anechoic chamber to measure the absorption rate of the specimen. Additive manufacturing technology was adopted in 3D printing to fabricate the specimen. The container material was PLA, with a wall thickness of 1 mm. It did not include connecting and assembling components. Micro-pores were left on the upper surface for water injection. The simulated unit cell represented an infinite periodic array. If a finite-size array were used instead of an infinite array, edge effects would occur. The edge effects would mitigate when the array scale was sufficiently large. The preparation cost of large arrays would correspondingly increase. The appropriate array size should be discussed while ensuring that the array characteristics are not substantially affected. After weighing, the size of the prepared array was set to 8 × 8. The specimen was placed horizontally in the center of the test bench. Two antennas connected with a vector network analyzer (VNA) to irradiate the specimen and measure the reflection coefficient S11. Due to the limitation of the maximum test frequency of the VNA, tests were only conducted in the 8 GHz-20 GHz frequency band. As shown in Figure 7c, in the range of 9 GHz-20 GHz, the average absorption rate of the metamaterial absorber was 95.22%, which was basically consistent with the simulation results. Within the testing frequency range, the fluctuations in the simulation and experimental test curves exhibited consistency. The test results verified the reliability of the simulation results within the testing frequency range. Based on the relationship between S11 and impedance, the equivalent impedance of the designed metamaterial absorber was calculated.

Figure 7.
(a) The fabricated Water-based metamaterial array specimen. (b) experimental platform and (c) the tested absorption rate curve in TE incident mode.
To study the working principle of the designed metamaterial absorber, the magnetic field distribution of this metamaterial absorber at the resonant frequency was simulated, and the results were plotted in Figure 8. For the absorption peak at 9.6 GHz, the magnetic field was mainly concentrated in the middle of the water structure, indicating that there was a strong magnetic resonance at this frequency. Similarly, at the absorption peak at 18.86 GHz, the magnetic field still showed strong magnetic resonance and was mainly distributed in the middle and upper layers of the water structure. It was the combined effect of these magnetic resonance rings that enabled the designed structure to achieve efficient absorption effects. In the absorption process dominated by magnetic resonance, the magnetic polarization rate α mm played a major role. Under the excitation of an external magnetic field Hi, the magnetic dipole moment can be generated. At the same time, due to the bi-anisotropic characteristics of the structure, the unit had an asymmetric current distribution in the XY plane. Under the excitation of incident waves, magnetoelectric coupling may be induced, and the cross-polarization rate αem ≠ 0 (orαme ≠ 0)
Figure 8.
Magnetic field distribution of two resonant frequency points. (a) at 9.6 GHz (b) at 18.86 GHz.
4. Discussion on the EM Response Characteristics
The absorption characteristics of the designed metamaterial absorber under the illumination of incident waves at different oblique incident angles φ in TE and TM polarization modes were analyzed (Figure 9). In the simulation, the metamaterial absorber exhibited high in-band absorption under both TE and TM polarization modes. Meanwhile, with the angle φ increasing, the absorption rate of the designed metamaterial absorber basically remained above 90% in the band of 9 GHz-22 GHz. The designed metamaterial absorber microstructure was insensitive to polarization mode and incident angle.
Figure 9.
Absorption characteristics at different polarization angles. (a) TE polarization. (b) TM polarization.
The absorption rate of the metamaterial absorber for the wave from different oblique incident angles () in TE and TM polarization modes was also analyzed. The tested results were shown in Figure 10. In the TE mode, the absorption rate was above 90% when θ was less than 50°, and it remained above 85% when θ = 60°. In the TM mode, the absorption rate can also reach more than 85% when θ is less than 60°.
Figure 10.
The absorption characteristics at different oblique incident angles for (a) TE polarization and (b) TM polarization.
The designed structure exhibits certain robustness against different polarization forms and incident wave angles, but the response curve still shows significant differences compared to the initial excitation form. The proposed design method aims to maximize the average absorption rate within the band. Within the frequency band of interest, the absorber generates multiple orders of Mie resonance that strictly target specific excitations and boundary forms. Under the change in excitation, the multi-stage resonance characteristics of the absorber also changed, and the superposition of multi-stage resonances also changed. The absorption curve exhibited different fluctuations.
In order to highlight the advantage of the metamaterial absorber designed in this paper in terms of efficient in-band absorption, a comparison of the absorption characteristics between the existing water-based metamaterial absorbers was made, which was summarized in Table 1. The average absorption rate of the metamaterial absorber designed in this paper reached 97.4% [25,26], which was the highest among all the existing water-based metamaterial absorbers.
Table 1.
Comparison of the Absorption Characteristics of Various Water-Based MA.
OFB: Operating frequency band; FBW: The fractional bandwidth (FBW = 2(fH − fL)/(fH + fL); AV: The average absorption capability of the absorber within the operating bandwidth, , where A(fi) represented the absorption rate of the absorber at the i-th frequency point, and n represented the total number of frequency points.
The proposed method was helpful for extending more diverse design methods for a water-based absorber structure. It was a collaborative optimization approach that employed a single type of design variable, namely water column height, to simultaneously adjust surface impedance matching and specific resonant modes. The proposed method was no longer limited to pursuing a wide bandwidth for absorption or maximum absorption rate within a narrow bandwidth under certain absorption threshold conditions, while aimed at achieving the desired maximum average absorption rate within a specific band.
5. Conclusions
A topological optimization method for effective broadband water-based metamaterials absorber design was proposed in this paper. The physical model of the broadband water-based metamaterials absorber and the topology optimization model for designing the microstructure of the metamaterials absorber were established. Based on the proposed method, a water-based metamaterial absorber with the maximum in-band absorption rate within the 9 GHz-22 GHz was designed. It showed a 97.4% in-band average absorption rate for a vertically incident wave. Compared with the existing water-based metamaterial absorbers, the metamaterial absorber designed in this paper further improved the in-band average absorption rate. It also exhibited insensitivity to the polarization mode and the incident angle of the incident wave.
Author Contributions
Conceptualization, P.S.; methodology, P.S. and X.L.; software, Y.Z.; validation, X.L. and Y.Z.; formal analysis, M.W.; investigation, X.L.; resources, H.Z.; data curation, M.W.; writing—original draft preparation, M.W.; writing—review and editing, P.S. and R.G.; visualization, M.W.; supervision, H.Z. and S.L.; project administration, H.Z. and S.L.; funding acquisition, H.Z. All authors have read and agreed to the published version of the manuscript.
Funding
This work was supported by the National Key Research and Development Program of China (Grant No. 2022YFB4301401).
Data Availability Statement
Data are contained within the article.
Conflicts of Interest
Competing Interests The authors declare that they have no known competing financial interests or personal relationships that could have appeared to influence the work reported in this paper.
References
- Landy, N.I.; Sajuyigbe, S.; Mock, J.J.; Smith, D.R.; Padilla, W.J. Perfect metamaterial absorber. Phys. Rev. Lett. 2008, 100, 207402. [Google Scholar] [CrossRef]
- Hao, Y.; Li, T.; Zhu, P.; Ma, F.; Wu, H.; Lei, C.; Liu, M.; Liang, T.; Yao, J. Optimal Design of a Lightweight Terahertz Absorber Featuring Ultra-Wideband Polarization-Insensitive Characteristics. Photonics 2025, 12, 787. [Google Scholar] [CrossRef]
- Andryieuski, A.; Kuznetsova, S.M.; Zhukovsky, S.V.; Kivshar, Y.S.; Lavrinenko, A.V. Water: Promising opportunities for tunable all-dielectric electromagnetic metamaterials. Sci. Rep. 2015, 5, 13535. [Google Scholar] [CrossRef]
- Zhang, H.; Ling, F.; Wang, H.; Zhang, Y.; Zhang, B. A water hybrid graphene metamaterial absorber with broadband absorption. Opt. Commun. 2020, 463, 125394. [Google Scholar] [CrossRef]
- Luo, H.; Cheng, Y.Z. Ultra-thin dual-band polarization-insensitive and wide-angle perfect metamaterial absorber based on a single circular sector resonator structure. J. Electron. Mater. 2018, 47, 323–328. [Google Scholar] [CrossRef]
- Yoo, Y.J.; Kim, H.S.; Kwon, Y.; Choi, H.J. Metamaterial absorber for electromagnetic waves in periodic water droplets. Sci. Rep. 2015, 5, 14018. [Google Scholar] [CrossRef]
- Zhang, X.F.; Zhang, D.J.; Fu, Y.J.; Li, S.H.; Lei, Y.; Chen, K.J. 3-D printed swastika-shaped ultrabroadband water-based microwave absorber. Electron. Mater. Lett. 2020, 19, 821–825. [Google Scholar] [CrossRef]
- Phan, H.L.; Le, D.T.; Bui, X.K.; Vu, D.L.; Nguyen, H.Q.; Duong, N.H.; Nguyen, T.M.; Nguyen, T.Q.H.; Kim, J.-M. High efficiency and ultra-wideband water-based microwave absorber using 3D printing. Opt. Commun. 2024, 556, 130297. [Google Scholar] [CrossRef]
- Xue, H.C.; Liu, L.L.; Cong, H.; Fu, Z.P.; Zhu, Z.T.; Shen, D.; Li, Z. Low-profile reconfigurable saline water-based ultrawideband metamaterial absorber. J. Phys. D Appl. Phys. 2024, 57, 145102. [Google Scholar] [CrossRef]
- Li, L.T.; Wen, J.D.; Wang, Y.C.; Jin, Y.; Wen, Y.Z.; Wen, J.B.; Sun, J.B.; Zhao, Q.; Li, B.; Zhou, J. A transparent broadband all-dielectric water-based metamaterial absorber based on laser cutting. Phys. Scr. 2023, 98, 055516. [Google Scholar] [CrossRef]
- Zhang, Y.Q.; Dong, H.X.; Mou, N.L.; Li, H.N.; Yao, X.; Zhang, L. Tunable and transparent broadband metamaterial absorber with water-based substrate for optical window applications. Nanoscale 2021, 13, 7831–7837. [Google Scholar] [CrossRef]
- Shen, Y.; Zhang, J.Q.; Pang, Y.Q.; Wang, J.F.; Hua, M.; Qu, S.B. Transparent broadband metamaterial absorber enhanced by water-substrate incorporation. Opt. Express 2018, 26, 15665–15674. [Google Scholar] [CrossRef]
- Yao, B.Y.; Qu, Z.; Duan, J.P.; Li, W.; Kang, J.F.; Zhang, B.Z. A transparent water-based metamaterial broadband absorber with a tunable absorption band. Phys. Scr. 2022, 98, 015507. [Google Scholar] [CrossRef]
- Qi, C.; Wu, X.W.; Ma, Y.P.; Ji, X.B. Transparent and tunable water-based metamaterial absorber with low infrared emissivity. Appl. Phys. Lett. 2023, 123, 071702. [Google Scholar] [CrossRef]
- Chen, T.; Shen, Z.; Liu, H. Ultra-thin water-based metasurface with dual-broadband perfect absorption. J. Opt. 2024, 26, 045104. [Google Scholar] [CrossRef]
- Xia, S.X.; Zhang, D.; Zhai, X.; Wang, L.L.; Wen, S.C. Phase-controlled topological plasmons in 1D graphene nanoribbon array. Appl. Phys. Lett. 2023, 123, 101102. [Google Scholar] [CrossRef]
- Zhang, B.H.; Xia, S.X.; Xu, W.; Zhuo, X.; Li, H.J.; Wang, L.L. Dynamic reversal of Fano response of metagratings by rotation of linear polarization. Phys. Rev. B 2024, 110, 035415. [Google Scholar] [CrossRef]
- Serita, K.; Murakami, H.; Kawayama, I.; Tonouchi, M. A Terahertz-Microfluidic Chip with a Few Arrays of Asymmetric Meta-Atoms for the Ultra-Trace Sensing of Solutions. Photonics 2019, 6, 12. [Google Scholar] [CrossRef]
- Li, S.R.; Ding, F.; Yang, Y.J.; Cheng, H.Y.; Fu, Y.; Yang, H.L. Reconfigurable water-based metamaterial with hybrid mechanism for backward-scattering reduction. J. Phys. D 2024, 126, 5315115. [Google Scholar] [CrossRef]
- Zhang, Y.Q.; Dong, H.X.; Mou, N.L.; Li, H.N.; Yao, X.; Zhang, L. Ultra broadband electromagnetic wave absorbing and scattering properties of flexible sandwich cylindrical water-based metamaterials. Results Phys. 2022, 38, 105587. [Google Scholar] [CrossRef]
- Su, J.X.; Li, Y.J.; Di, M.J.; Yu, H.; Guo, Q.X.; Li, Z.R. A 3-D-printed ultrawideband and ultralow-scattering water-based metasurface. IEEE Trans. Antennas Propag. 2023, 71, 2885–2890. [Google Scholar] [CrossRef]
- Thi, Q.H.N.; Huu, L.P.; Thi, M.N.; Ngoc, H.N.; Dac, T.L.; Xuan, K.B.; Dinh, L.V.; Jung-Mu, K. Switchable bi-functional water-based metasurface for high efficiency and wideband polarization conversion and absorption. Opt. Mater. 2024, 177, 115682. [Google Scholar]
- Jing, H.H.; Gao, Y.L.; Kang, J.F.; Zhao, L.; Chen, L.Y.; Duan, J.P.; Qu, Z.; Wang, J.J.; Zhang, B.Z. Bifunctional integrated metamaterial of water-based broadband absorption and polarization conversion. Opt. Laser Technol. 2024, 71, 2885–2890. [Google Scholar] [CrossRef]
- Chen, Y.; Shen, Z.Y.; Yang, H.L.; Zhang, Q.H. Ultrabroadband absorbers and bi-functional sensors for water-based metamaterials. IEEE Sens. J. 2024, 24, 22307–22316. [Google Scholar] [CrossRef]
- Ellison, W.J. Permittivity of pure water, at standard atmospheric pressure, over the frequency range 0–25 Thz and the temperature range 0–100 °C. J. Phys. Chem. Ref. Data 2007, 36, 1–18. [Google Scholar] [CrossRef]
- Zhao, J.M.; Wei, S.; Wang, C.; Chen, K.; Zhu, B.; Jiang, T.; Feng, Y. Broadband microwave absorption utilizing water-based metamaterial structures. Opt. Express. 2018, 26, 8522. [Google Scholar] [CrossRef]
- Luo, X.; Cao, B.; Zhang, J.; Shen, Z. Water-resonator-based metasurface: An ultrabroadband and near-unity absorption. Plasmonics 2025, 20, 353. [Google Scholar] [CrossRef]
- Viktar, S.A.; Igar, A.F.; Younes, R.; Sergei, A.T. Determining polarizability tensors for an arbitrary small electromagnetic scatterer. Photonics Nanostruct. 2014, 12, 298–304. [Google Scholar]
- Huang, S.; Wu, Z.W.; Huang, T.X.; Pu, Y.L.; Wen, Z.J.; Wang, J.X. Low-Profile Water-Based Ultrabroadband 3-D Printed Metamaterial Absorber. IEEE Antennas Wirel. Propag. Lett. 2025, 24, 2939–2943. [Google Scholar] [CrossRef]
- Wang, X.P.; Kong, X.K.; Kong, L.Q.; Zhang, X.Y.; Zhou, S.C.; Lei, X. Bifunctional Water-Based Frequency-Selective Absorber Regulated by Gravity Field. IEEE Antennas Wirel. Propag. Lett. 2024, 23, 713–717. [Google Scholar] [CrossRef]
Disclaimer/Publisher’s Note: The statements, opinions and data contained in all publications are solely those of the individual author(s) and contributor(s) and not of MDPI and/or the editor(s). MDPI and/or the editor(s) disclaim responsibility for any injury to people or property resulting from any ideas, methods, instructions or products referred to in the content. |
© 2025 by the authors. Licensee MDPI, Basel, Switzerland. This article is an open access article distributed under the terms and conditions of the Creative Commons Attribution (CC BY) license (https://creativecommons.org/licenses/by/4.0/).










