Demonstration of an In-Flight Entertainment System Using Power-over-Fiber
Abstract
1. Introduction
2. Methods and Materials
2.1. Optical Links and Energy Converter Circuits for Use in PoF-IFE
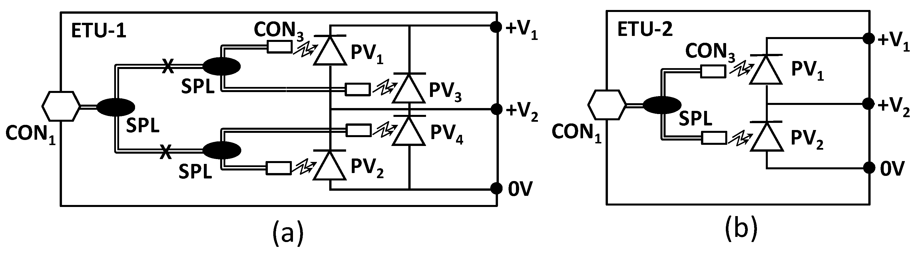
2.2. Design of PoF Systems and Circuits for IFE and the Specifications of Devices
3. Results
4. Discussion
5. Conclusions
Supplementary Materials
Author Contributions
Funding
Institutional Review Board Statement
Informed Consent Statement
Data Availability Statement
Acknowledgments
Conflicts of Interest
References
- Careless, J. Trends and Advances in Embedded Avionics Systems: An ATR Roundtable. Aerospace TechReview. 2022. Available online: https://aerospacetechreview.com/trends-and-advances-in-embedded-avionics-systems-an-atr-roundtable/ (accessed on 6 May 2024).
- Engineering ToolBox. 2001. Available online: https://www.engineeringtoolbox.com/density-solids-d_1265.html (accessed on 6 May 2024).
- Saadaoui, H.; Bacou, A.; Rebiere, Y.; Fracasso, B.; Morvan, M. Broadband optical network design for the future aircraft cabin. Opt. Contin. 2022, 1, 719–737. [Google Scholar] [CrossRef]
- Bellamy, W., III. On-Demand Cabins: The New In-Flight Entertainment, Avionics Today. 2015. Available online: https://interactive.aviationtoday.com/on-demand-cabins-the-new-in-flight-entertainment/ (accessed on 6 May 2024).
- Koon, J. How Fiber Optics Will Propel Future Avionics, Avionics Today. 2020. Available online: http://interactive.aviationtoday.com/how-fiber-optics-will-propel-future-avionics/ (accessed on 6 May 2024).
- Tameh, T.A.; Sawan, M.; Kashyap, R. Optical sensors for fly-by-light flight control systems. In Proceedings of the 2016 IEEE Avionics and Vehicle Fiber-Optics and Photonics Conference (AVFOP), Long Beach, CA, USA, 31 October–3 November 2016; pp. 295–296. [Google Scholar] [CrossRef]
- Algora, C.; García, I.; Delgado, M.; Peña, R.; Vázquez, C.; Hinojosa, M.; Rey-Stolle, I. Beaming power: Photovoltaic laser power converters for power-by-light. Joule 2022, 6, 340–368. [Google Scholar] [CrossRef]
- Mohammadnia, A.; Ziapour, B.M.; Ghaebi, H.; Khooban, M.H. Feasibility assessment of next-generation drones powering by laser-based wireless power transfer. Opt. Laser Technol. 2021, 143, 107283. [Google Scholar] [CrossRef]
- Natsuki, S.; Kobatake, T.; Masson, D.; Fafard, S.; Matsuura, M. Optically Powered and Controlled Drones Using Optical Fibers for Airborne Base Stations. Photonics 2022, 9, 882. [Google Scholar] [CrossRef]
- Rosolem, J.B. Power-over-fiber applications for telecommunications and for electric utilities. In Optical Fiber and Wireless Communications; IntechOpen: London, UK, 2017. [Google Scholar] [CrossRef]
- Matsuura, M. Recent Advancement in Power-over-Fiber Technologies. Photonics 2021, 8, 335. [Google Scholar] [CrossRef]
- Sherman, B.D.; Mendez, A.J.; Morookian, J.M. Efficiency of a 5V/5-mW power by light power supply for avionics applications. In Fiber Optic Systems for Mobile Platforms IV, Proceedings of the SPIE Microelectronic Interconnect and Integrated Processing Symposium, San Jose, CA, USA, 1 February 1991; Proc. SPIE 1369; SPIE: Bellingham, WA, USA, 1991. [Google Scholar] [CrossRef]
- Spillman, W.B.; Crowne, D.H.; Woodward, D.W. Optically powered and interrogated rotary position sensor for aircraft engine control applications. Opt. Lasers Eng. 1992, 16, 105–118. [Google Scholar] [CrossRef]
- CORDIS. Final Report Summary—ASHLEY—Avionics Systems Hosted on a Distributed Modular Electronics Large Scale dEmonstrator for Multiple tYpe of Aircraft; Community Research and Development Information Service (CORDIS): 2017. Available online: https://cordis.europa.eu/project/id/605442/reporting/it (accessed on 16 May 2024).
- Rosolem, J.B.; Nogueira Júnior, J.R.; Bassan, F.R.; Furoni, C.C.; dos Santos, A.B.; Wollinger, L.M.; Nagano, P.J.; de Oliveira, M.P.; Nerosky, L.A.R.; Fioretto, J.J. Power-over-Fiber Applied for In-Flight Entertainment System. In Proceedings of the 6th Optical Wireless and Fiber Power Transmission Conference (OWPT2024), Online, 23–26 April 2024. [Google Scholar]
- Jin, M.J.; Kim, J.K. Customer adoption factors for in-flight entertainment and connectivity. Res. Transp. Bus. Manag. 2022, 43, 100759. [Google Scholar] [CrossRef]
- Preston, A. The Incredible Evolution of In-Flight Entertainment. Key.Aero. 2023. Available online: https://www.key.aero/article/incredible-evolution-flight-entertainment (accessed on 16 May 2024).
- Mann, G.; Jurke, M.; Zoheidi, M.; Eberstein, M.; Krüger, J. Influence of core diameter and coating material on nanosecond laser-induced damage threshold of optical multimode fibers. J. Optoelectron. Adv. Mater. 2010, 12, 711–714. [Google Scholar] [CrossRef]
- Seo, K.; Nishimura, N.; Shiino, M.; Yugushi, R.; Sasaki, H. Evaluation of high-power endurance in optical fiber links. Furukawa Rev. 2003, 24, 17–22. [Google Scholar]
- Fafard, S.; Masson, D.P. Perspective on photovoltaic optical power converters. J. Appl. Phys. 2021, 130, 160901. [Google Scholar] [CrossRef]
- Fafard, S.; Masson, D.; Werthen, J.G.; Liu, J.; Wu, T.C.; Hundsberger, C.; Schwarzfischer, M.; Steinle, G.; Gaertner, C.; Piemonte, C.; et al. High-Efficiency Photovoltaic Power Converters and Application to Optical Power Transmission. In Proceedings of the 26th Microoptics Conference (MOC), Hamamatsu, Japan, 26–29 September 2021; pp. 1–2. [Google Scholar] [CrossRef]
- Phillips. PD7012/37—Philips Portable DVD Player. Available online: https://www.documents.philips.com/assets/20231202/651d40d8ab804c29b6a4b0cc01139fe4.pdf (accessed on 6 May 2024).
- Primeda-Telecom. JL-1V1A—Video/Audio/Data over Fiber Media Converters. Available online: http://www.primeda-telecom.com/product_view_746.html (accessed on 6 May 2024).
- Broadcom. AFBR-POC406L—Optical Power Converter 6VDC, ST Port. Available online: https://www.broadcom.com/products/fiber-optic-modules-components/industrial/optical-power-components/optical-power-converters/afbr-poc406l (accessed on 6 May 2024).
- Broadcom. AFBR-POC306A1—Optical Power Converter 3W, ST Port. Available online: https://www.broadcom.com/products/fiber-optic-modules-components/industrial/optical-power-components/optical-power-converters/afbr-poc306a1 (accessed on 6 May 2024).
- MH GoPower. YCH-H003—A Novel Electrical Power Delivery Technology/YCH Series MIH Photovoltaic Power Converter. Available online: http://www.mhgopower.com/laser_pof_YCHPPC.html (accessed on 6 May 2024).
- Thorlabs. FG105LCA-CUSTOM—0.22 NA Silica Core, Glass Clad Multimode Optical Fiber, Step Index. Available online: https://www.thorlabs.com/newgrouppage9.cfm?objectgroup_id=6838&pn=FG105LCA (accessed on 6 May 2024).
- Thorlabs. Step-Index Multimode Fiber Optic Patch Cables: SMA to SMA. Available online: https://www.thorlabs.com/newgrouppage9.cfm?objectgroup_id=351 (accessed on 6 May 2024).
- Thorlabs. TM105SS1B—Fiber Optic Couplers for Optogenetics. Available online: https://www.thorlabs.com/newgrouppage9.cfm?objectgroup_id=7800&pn=TM200SS1B (accessed on 6 May 2024).
- Skyera. TY-808+/-03NM-15.0W-25C-105-0.22NA-15W—808 nm 105 µm Multi-function Laser Diode Module. Available online: http://www.skyeralaser.com/products_show.asp?s_id=361 (accessed on 6 May 2024).
- Broadcom. Optical Power Components Optimizing Optical Power Converter Output, Application Note. Available online: https://docs.broadcom.com/doc/AFBR-POCxxxL-AN (accessed on 6 May 2024).
- Fafard, S.; Proulx, F.; York, M.C.; Richard, L.S.; Provost, P.O.; Arès, R.; Aimez, V.; Masson, D.P. High-photovoltage GaAs vertical epitaxial monolithic heterostructures with 20 thin p/n junctions and a conversion efficiency of 60%. Appl. Phys. Lett. 2016, 109, 131107. [Google Scholar] [CrossRef]
- AeroExpo. Plugin Displays. Available online: https://pdf.aeroexpo.online/pdf/rosen-aviation/catalog-2011/173330-721.html#open6118 (accessed on 6 May 2024).











| Parameter | ETU-1 | ETU-2 | ||
|---|---|---|---|---|
| PV Type | Si (975 nm) | GaAs (808 nm) | Si (975 nm) | GaAs (808 nm) |
| Load Consumption (W) | 2.2 | 2.2 | 2.2 | 2.2 |
| PV efficiency (%) | 26.8 | 50 | 26.8 | 50 |
| PPV (W) | 8.2 | 4.4 | 8.2 | 4.4 |
| PV quantity | 4 | 4 | 2 | 2 |
| Power by PV | 2.05 | 1.1 | 4.1 | 2.2 |
| αFiber (dB/km) | 1.6 | 2.0 | 1.6 | 2.0 |
| αConn (dB) | 1.0 | 1.0 | 1.0 | 1.0 |
| αSpl (dB) | 2.4 | 2.4 | 1.2 | 1.2 |
| PHPOS (W) | 18.3 | 9.8 | 13.3 | 7.4 |
| Parameter | ETU-1 | ETU-2 | ||
|---|---|---|---|---|
| PV Type | Si (975 nm) | GaAs (808 nm) | Si (975 nm) | GaAs (808 nm) |
| Load Consumption (W) | 4.7 | 4.7 | 4.7 | 4.7 |
| PV efficiency (%) | 26.8 | 50 | 26.8 | 50 |
| PPV (W) | 17.5 | 9.4 | 17.5 | 9.4 |
| PV quantity | 4 | 4 | 2 | 2 |
| Power by PV | 4.3 | 2.3 | 8.7 | 4.7 |
| αFiber (dB/km) | 1.6 | 2.0 | 1.6 | 2.0 |
| αConn (dB) | 1.0 | 1.0 | 1.0 | 1.0 |
| αSpl (dB) | 2.4 | 2.4 | 1.2 | 1.2 |
| PHPOS (W) | 39.0 | 20.9 | 29.7 | 15.9 |
Disclaimer/Publisher’s Note: The statements, opinions and data contained in all publications are solely those of the individual author(s) and contributor(s) and not of MDPI and/or the editor(s). MDPI and/or the editor(s) disclaim responsibility for any injury to people or property resulting from any ideas, methods, instructions or products referred to in the content. |
© 2024 by the authors. Licensee MDPI, Basel, Switzerland. This article is an open access article distributed under the terms and conditions of the Creative Commons Attribution (CC BY) license (https://creativecommons.org/licenses/by/4.0/).
Share and Cite
Rosolem, J.B.; Bassan, F.R.; de Oliveira, M.P.; dos Santos, A.B.; Wollinger, L.M. Demonstration of an In-Flight Entertainment System Using Power-over-Fiber. Photonics 2024, 11, 627. https://doi.org/10.3390/photonics11070627
Rosolem JB, Bassan FR, de Oliveira MP, dos Santos AB, Wollinger LM. Demonstration of an In-Flight Entertainment System Using Power-over-Fiber. Photonics. 2024; 11(7):627. https://doi.org/10.3390/photonics11070627
Chicago/Turabian StyleRosolem, Joao B., Fabio R. Bassan, Marcelo P. de Oliveira, Alexandre B. dos Santos, and Leonardo M. Wollinger. 2024. "Demonstration of an In-Flight Entertainment System Using Power-over-Fiber" Photonics 11, no. 7: 627. https://doi.org/10.3390/photonics11070627
APA StyleRosolem, J. B., Bassan, F. R., de Oliveira, M. P., dos Santos, A. B., & Wollinger, L. M. (2024). Demonstration of an In-Flight Entertainment System Using Power-over-Fiber. Photonics, 11(7), 627. https://doi.org/10.3390/photonics11070627

