Model Predictive Control of Common Ground PV Multilevel Inverter with Sliding Mode Observer for Capacitor Voltage Estimation
Abstract
1. Introduction
- A predictive control strategy based on CCF-MPC is proposed, acting on both the output current and the capacitor voltages of a single-phase five-level inverter.
- A sliding mode observer (SMO) is developed to estimate the capacitor voltages, enabling the complete removal of physical voltage sensors from the system.
- The SMO is integrated into the MPC algorithm, providing accurate voltage estimation and eliminating the need for DC capacitor voltage sensors.
- An incremental conductance (INC) maximum power point tracking (MPPT) strategy is incorporated into the CCF-MPC framework.
- A comparison between the proposed CCF-MPC and the classical FCS-MPC is carried out, highlighting the benefits of the proposed approach when applied to the CG inverter.
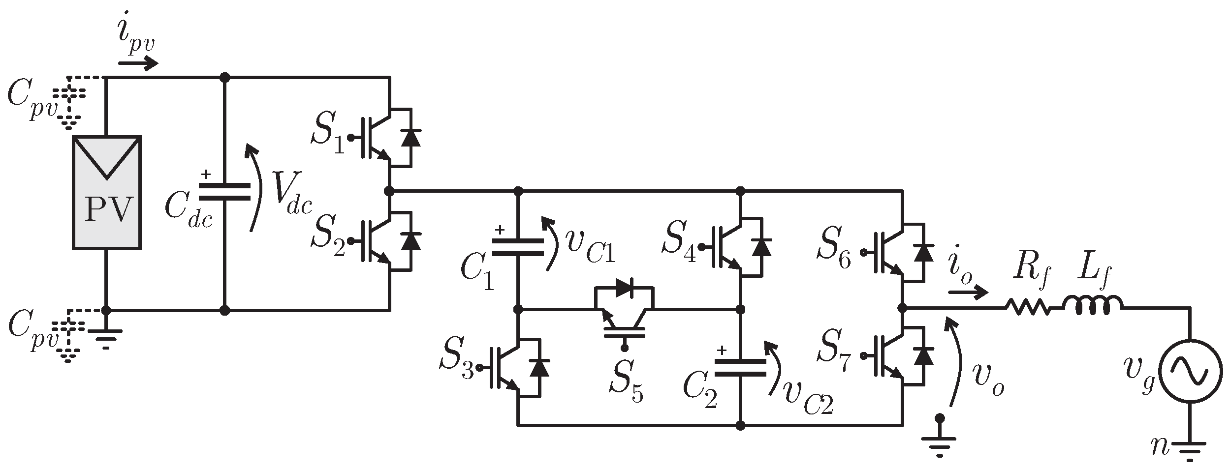
2. Description of the Common Ground Inverter Topology
Topology Modeling
3. Description of the MPC Strategies
3.1. Conventional FCS-MPC
3.2. Proposed CCF-MPC Strategy
4. Sliding Mode Observer—SMO
- Formulation of the state-space model for the system;
- Verification of the observability of the system;
- Definition of the sliding surface;
- Design of the observer model;
- Verification of the stability of the observer.
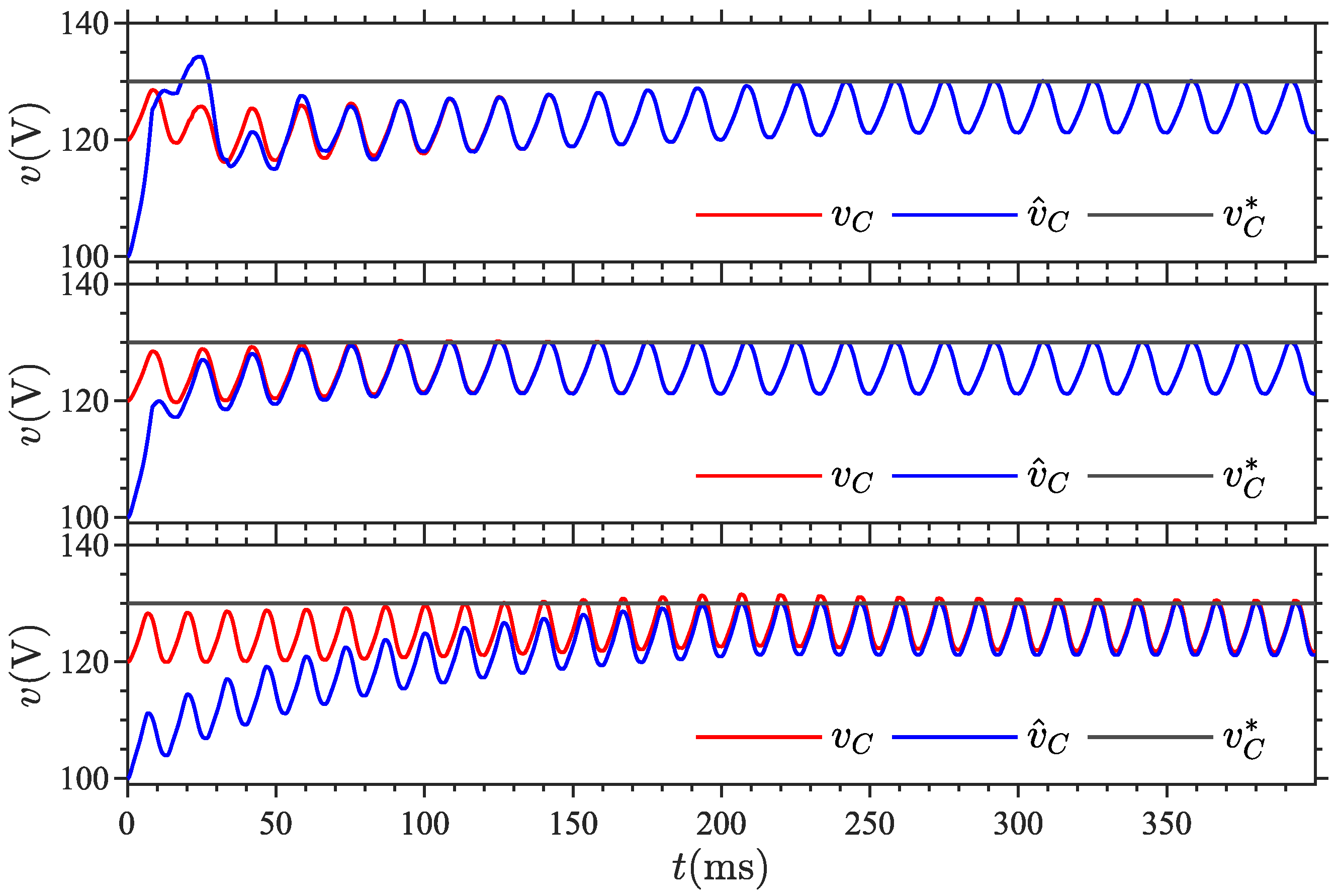
Stability Analysis with Nonzero Initial Conditions
5. Incremental Conductance-Based Maximum Power Point Tracking Strategy
- If , the reference voltage should be increased.
- If , should be decreased.
- If , the condition is satisfied, indicating that the system is operating at the MPP.
- If , the operating point is to the left of the MPP, and should be increased.
- If , the operating point is to the right of the MPP, and should be decreased.
6. Results and Discussion
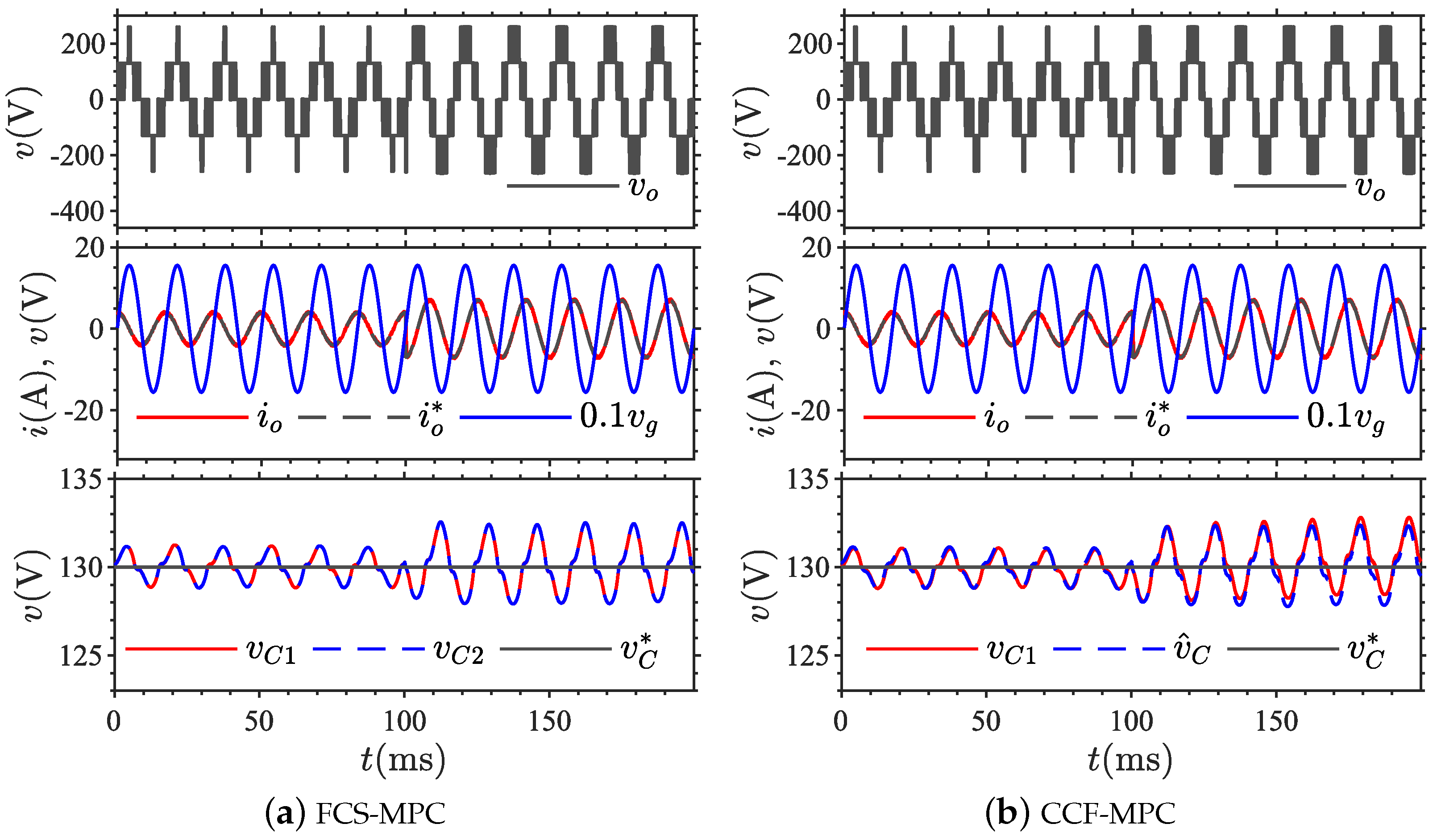
6.1. Simulation Results
6.2. Power Quality Simulation Results
6.3. Experimental Results
6.4. Benchmark with Recent Sensorless MPC Approaches
- Targeted sensors: Grid-voltage sensors are the most common target in two-level LCL inverters and rectifiers [56,57,58,59,60]. Load-current sensors are eliminated in certain PMSM drive strategies [53,54], while internal capacitor–voltage sensors are addressed uniquely in this work, relevant for PV-based multilevel topologies.
- Computational burden reporting: Only a few studies provide explicit data—e.g., Sarajian (2025) reports a 12% reduction, and Gu (2025) uses simplified vector selection. Most sensorless MPC works emphasize robustness and stability without CPU timing. Our work is distinctive in providing measured execution times (in s) and explicitly analyzing complexity reduction through the design of the control algorithm.
7. Conclusions
Author Contributions
Funding
Data Availability Statement
Conflicts of Interest
Abbreviations
| CCF-MPC | Cascaded Cost Function Model Predictive Control |
| CG | Common Grounded |
| DC | Direct Current |
| FCS-MPC | Finite Control Set Model Predictive Control |
| H-NPC | H-bridge Neutral-Point Clamped |
| MPC | Model Predictive Control |
| MPP | Maximum Power Point |
| MPPT | Maximum Power Point Tracking |
| P&O | Perturb and Observe |
| PI | Proportional Integral |
| PR | Proportional Resonant |
| PV | Photovoltaic |
| SMO | Sliding Mode Observer |
References
- Xiao, H. Overview of transformerless photovoltaic grid-connected inverters. IEEE Trans. Power Electron. 2020, 36, 533–548. [Google Scholar] [CrossRef]
- González, R.; Gubía, E.; López, J.; Marroyo, L. Transformerless single-phase multilevel-based photovoltaic inverter. IEEE Trans. Ind. Electron. 2008, 55, 2694–2702. [Google Scholar] [CrossRef]
- IEC62109-2; Safety for Power Converters for Use in Photovoltaic Power Systems—Part 2: Particular Requirements for Inverters. International Standard: Geneva, Switzerland, 2011; ISBN 9782889124916. Available online: https://webstore.iec.ch/en/publication/6471 (accessed on 7 September 2025).
- Kadam, A.; Shukla, A. A multilevel transformerless inverter employing ground connection between PV negative terminal and grid neutral point. IEEE Trans. Ind. Electron. 2017, 64, 8897–8907. [Google Scholar] [CrossRef]
- Grigoletto, F.B. Five-Level Transformerless Inverter for Single-Phase Solar Photovoltaic Applications. IEEE J. Emerg. Sel. Top. Power Electron. 2020, 8, 3411–3422. [Google Scholar] [CrossRef]
- Ardashir, J.F.; Ghassemi, M.; Rozmeh, B.; Blaabjerg, F.; Peyghami, S. A Five-Level Transformer-Less Grid-Tied Inverter Structure with Capacitive Voltage Divider Concept with Leakage Current Elimination. IEEE Trans. Ind. Appl. 2023, 59, 6025–6036. [Google Scholar] [CrossRef]
- Grigoletto, F.B. Multilevel Common-Ground Transformerless Inverter for Photovoltaic Applications. IEEE J. Emerg. Sel. Top. Power Electron. 2021, 9, 831–842. [Google Scholar] [CrossRef]
- Un, E.; Hava, A.M. A Near-State PWM Method with Reduced Switching Losses and Reduced Common-Mode Voltage for Three-Phase Voltage Source Inverters. IEEE Trans. Ind. Appl. 2009, 45, 782–793. [Google Scholar] [CrossRef]
- Wu, X.; Tan, G.; Ye, Z.; Liu, Y.; Xu, S. Optimized Common-Mode Voltage Reduction PWM for Three-Phase Voltage-Source Inverters. IEEE Trans. Power Electron. 2016, 31, 2959–2969. [Google Scholar] [CrossRef]
- Yu, B.; Song, W.; Guo, Y. A Simplified and Generalized SVPWM Scheme for Two-Level Multiphase Inverters with Common-Mode Voltage Reduction. IEEE Trans. Ind. Electron. 2022, 69, 1378–1388. [Google Scholar] [CrossRef]
- Heo, G.; Park, Y.; Lee, J.; Ju, S. Vector-Splitting Method to Reduce Common-Mode Voltages in Two-Level Inverters for Grid Connection. IEEE Trans. Ind. Electron. 2021, 68, 11044–11052. [Google Scholar] [CrossRef]
- Kouro, S.; Perez, M.A.; Rodriguez, J.; Llor, A.M.; Young, H.A. Model predictive control: MPC’s role in the evolution of power electronics. IEEE Ind. Electron. Mag. 2015, 9, 8–21. [Google Scholar] [CrossRef]
- Kwak, S.; Mun, S.K. Model Predictive Control Methods to Reduce Common-Mode Voltage for Three-Phase Voltage Source Inverters. IEEE Trans. Power Electron. 2015, 30, 5019–5035. [Google Scholar] [CrossRef]
- Yu, B.; Song, W.; Guo, Y.; Li, J.; Saeed, M.S.R. Virtual Voltage Vector-Based Model Predictive Current Control for Five-Phase VSIs with Common-Mode Voltage Reduction. IEEE Trans. Transp. Electrif. 2021, 7, 706–717. [Google Scholar] [CrossRef]
- Karasala, C.; Panindra, K.V.; Kumar, A.P.; Ganjikunta, S.K. Model Predictive Control of PVGCI for Reducing Common Mode Voltage and Switching Frequency. IEEE J. Emerg. Sel. Top. Power Electron. 2023, 11, 3064–3075. [Google Scholar] [CrossRef]
- Liu, C.; Du, C.; Xing, X.; Jiang, Y.; Zhang, R.; Li, X.; Zhang, C. Leakage Current Suppression of Transformerless 5L-ANPC Inverter with Lower Ripple Model Predictive Control. IEEE Trans. Ind. Appl. 2022, 58, 6297–6309. [Google Scholar] [CrossRef]
- Liu, T.; Chen, A.; Qin, C.; Chen, J.; Li, X. Double Vector Model Predictive Control to Reduce Common-Mode Voltage Without Weighting Factors for Three-Level Inverters. IEEE Trans. Ind. Electron. 2020, 67, 8980–8990. [Google Scholar] [CrossRef]
- Guo, L.; Jin, N.; Gan, C.; Luo, K. Hybrid Voltage Vector Preselection-Based Model Predictive Control for Two-Level Voltage Source Inverters to Reduce the Common-Mode Voltage. IEEE Trans. Ind. Electron. 2020, 67, 4680–4691. [Google Scholar] [CrossRef]
- Lee, J.H.; Lee, J.S.; Moon, H.C.; Lee, K.B. An Improved Finite-Set Model Predictive Control Based on Discrete Space Vector Modulation Methods for Grid-Connected Three-Level Voltage Source Inverter. IEEE J. Emerg. Sel. Top. Power Electron. 2018, 6, 1744–1760. [Google Scholar] [CrossRef]
- Guo, L.; Zhang, X.; Yang, S.; Xie, Z.; Cao, R. A Model Predictive Control-Based Common-Mode Voltage Suppression Strategy for Voltage-Source Inverter. IEEE Trans. Ind. Electron. 2016, 63, 6115–6125. [Google Scholar] [CrossRef]
- Aly, M.; Carnielutti, F.; Norambuena, M.; Yaramasu, V.; Kouro, S.; Rodriguez, J. Model Predictive Control Method for Flying Capacitor Five-Level Commonly-Grounded Photovoltaic Inverter. In Proceedings of the 2021 IEEE 12th Energy Conversion Congress & Exposition-Asia (ECCE-Asia), Singapore, 24–27 May 2021; IEEE: Singapore, 2021; pp. 1003–1008. [Google Scholar]
- Aly, M.; Carnielutti, F.d.M.; Grigoletto, F.B.; Silveira, K.d.O.; Norambuena, M.; Kouro, S.; Rodriguez, J. Predictive Control of Common-Ground Five-Level PV Inverter Without Weighting Factors and Reduced Computational Burden. IEEE J. Emerg. Sel. Top. Power Electron. 2023, 11, 4772–4783. [Google Scholar] [CrossRef]
- Chatterjee, A.; Mohanty, K.; Kommukuri, V.S.; Thakre, K. Design and experimental investigation of digital model predictive current controller for single phase grid integrated photovoltaic systems. Renew. Energy 2017, 108, 438–448. [Google Scholar] [CrossRef]
- Rojas, C.A.; Aguirre, M.; Kouro, S.; Geyer, T.; Gutierrez, E. Leakage Current Mitigation in Photovoltaic String Inverter Using Predictive Control with Fixed Average Switching Frequency. IEEE Trans. Ind. Electron. 2017, 64, 9344–9354. [Google Scholar] [CrossRef]
- Aly, M.; Ahmed, E.M.; Shoyama, M. An improved model predictive controller for highly reliable grid connected photovoltaic multilevel inverters. In Proceedings of the 2017 IEEE International Telecommunications Energy Conference (INTELEC), Gold Coast, QLD, Australia, 22–26 October 2017; pp. 450–455. [Google Scholar]
- Bighash, E.Z.; Sadeghzadeh, S.M.; Ebrahimzadeh, E.; Yang, Y.; Blaabjerg, F. A novel model predictive control for single-phase grid-connected photovoltaic inverters. In Proceedings of the 2017 IEEE Energy Conversion Congress and Exposition (ECCE), Piscataway, NJ, USA, 1–5 October 2017; pp. 461–467. [Google Scholar]
- Babqi, A.J.; Yi, Z.; Shi, D.; Zhao, X. Model Predictive Control of H5 Inverter for Transformerless PV Systems with Maximum Power Point Tracking and Leakage Current Reduction. In Proceedings of the IECON 2018—44th Annual Conference of the IEEE Industrial Electronics Society, Washington, DC, USA, 21–23 October 2018; pp. 1860–1865. [Google Scholar] [CrossRef]
- Ding, H.; Li, M.; Wang, W. Leakage Current Suppression Method Based on Optimal Switching Sequence Model Predictive Control for Flying Capacitor Three-Level Inverter. In Proceedings of the 2023 IEEE International Conference on Predictive Control of Electrical Drives and Power Electronics (PRECEDE), Wuhan, China, 16–19 June 2023; pp. 1–6. [Google Scholar] [CrossRef]
- Jiang, L.; Chen, Y.; Xiong, J.; Zhao, P. An Auxiliary Power Supply Based Nine Switch Photovoltaic Grid-Tied (AP-H9) Inverter Using Model-Free Predictive Control. In Proceedings of the 2022 5th International Conference on Power and Energy Applications (ICPEA), Guangzhou, China, 18–20 November 2022; pp. 92–97. [Google Scholar] [CrossRef]
- Motwani, J.K.; Routray, A.; Chaudhari, N.K.; Kumar Singh, R.; Mahanty, R. Optimized Predictive Control of Hybrid Multilevel PV Inverter with Reduced Leakage Current. In Proceedings of the 2020 IEEE Energy Conversion Congress and Exposition (ECCE), Detroit, MI, USA, 11–15 October 2020; pp. 328–333. [Google Scholar] [CrossRef]
- B, U.K.R.; Narasimharaju, B.; Babu, S.M. Model Predictive Algorithm for a New High Gain Transformer-Less Inverters with Leakage Current Elimination. In Proceedings of the 2021 International Conference on Communication, Control and Information Sciences (ICCISc), Idukki, India, 16–18 June 2021; Volume 1, pp. 1–4. [Google Scholar] [CrossRef]
- Haskara, I.; Ozguner, U.; Utkin, V. On variable structure observers. In Proceedings of the 1996 IEEE International Workshop on Variable Structure Systems. -VSS’96-, Online, 5–6 December 1996; pp. 193–198. [Google Scholar] [CrossRef]
- Drakunov, S.; Utkin, V. Sliding mode observers. Tutorial. In Proceedings of the 1995 34th IEEE Conference on Decision and Control, Online, 13–15 December 1995; Volume 4, pp. 3376–3378. [Google Scholar] [CrossRef]
- Djemai, M.; Boukhobza, T.; Barbot, J.; Thomas, J.; Poullain, S. Rotor speed and flux nonlinear observer for speed sensorless induction motors. In Proceedings of the 1998 IEEE International Conference on Control Applications (Cat. No. 98CH36104), Online, 4 September 1998; Volume 2, pp. 848–852. [Google Scholar] [CrossRef]
- Nurettin, A.; İnanç, N. High-Performance Induction Motor Speed Control Using a Robust Hybrid Controller with a Supertwisting Sliding Mode Load Disturbance Observer. IEEE Trans. Ind. Electron. 2023, 70, 7743–7752. [Google Scholar] [CrossRef]
- Almaleki, M.; Wheeler, P.; Clare, J. Sliding Mode Observation of capacitor voltage in multilevel power converters. In Proceedings of the 5th IET International Conference on Power Electronics, Machines and Drives (PEMD 2010), Brighton, UK, 19–21 April 2010; pp. 1–6. [Google Scholar] [CrossRef][Green Version]
- da Silva, G.S.; Vieira, R.P.; Rech, C. Modified sliding-mode observer of capacitor voltages in Modular Multilevel Converter. In Proceedings of the 2015 IEEE 13th Brazilian Power Electronics Conference and 1st Southern Power Electronics Conference (COBEP/SPEC), Fortaleza, Brazil, 29 November–2 December 2015; pp. 1–6. [Google Scholar] [CrossRef]
- Chakraborty, R.; Samantaray, J.; Dey, A.; Chakrabarty, S. Capacitor Voltage Estimation of MMC Using a Discrete-Time Sliding Mode Observer Based on Discrete Model Approach. IEEE Trans. Ind. Appl. 2022, 58, 494–504. [Google Scholar] [CrossRef]
- Yang, H.; Zhang, Y.; Liang, J.; Gao, J.; Walker, P.D.; Zhang, N. Sliding-Mode Observer Based Voltage-Sensorless Model Predictive Power Control of PWM Rectifier Under Unbalanced Grid Conditions. IEEE Trans. Ind. Electron. 2018, 65, 5550–5560. [Google Scholar] [CrossRef]
- Perruquetti, W.; Barbot, J.P. Sliding Mode Control in Engineering; CRC Press: Boca Raton, FL, USA, 2002. [Google Scholar]
- Guo, L.; Li, Y.; Jin, N.; Dou, Z.; Wu, J. Sliding mode observer-based AC voltage sensorless model predictive control for grid-connected inverters. IET Power Electron. 2020, 13, 2077–2085. [Google Scholar] [CrossRef]
- de Oliveira Silveira, K.; Grigoletto, F.B.; Carnielutti, F.; Aly, M.; Norambuena, M.; Rodriguez, J. Model Predictive Control for Common Grounded Photovoltaic Multilevel Inverter. In Proceedings of the 2022 14th Seminar on Power Electronics and Control (SEPOC), Santa Maria, Brazil, 12–15 November 2022; pp. 1–6. [Google Scholar] [CrossRef]
- Kouro, S.; Cortés, P.; Vargas, R.; Ammann, U.; Rodríguez, J. Model predictive control—A simple and powerful method to control power converters. IEEE Trans. Ind. Electron. 2008, 56, 1826–1838. [Google Scholar] [CrossRef]
- Aly, M.; Carnielutti, F.; Rodriguez, J.; Norambuena, M.; Kouro, S.; Rathore, A.K. Finite Control Set Model Predictive Control Without Weighting Factors for Common Grounded Five-Level PV Inverter. In Proceedings of the 2021 IEEE 30th International Symposium on Industrial Electronics (ISIE), Kyoto, Japan, 20–23 June 2021; IEEE: Kyoto, Japan, 2021; pp. 1–6. [Google Scholar]
- Shtessel, Y.; Edwards, C.; Fridman, L.; Levant, A. Sliding Mode Control and Observation; Springer: New York, NY, USA, 2014; Volume 10. [Google Scholar]
- Vidyasagar, M. Nonlinear Systems Analysis; Prentice Hall: Hoboken, NJ, USA, 2002. [Google Scholar]
- Sera, D.; Mathe, L.; Kerekes, T.; Spataru, S.V.; Teodorescu, R. On the Perturb-and-Observe and Incremental Conductance MPPT Methods for PV Systems. IEEE J. Photovoltaics 2013, 3, 1070–1078. [Google Scholar] [CrossRef]
- Femia, N.; Petrone, G.; Spagnuolo, G.; Vitelli, M. Optimization of perturb and observe maximum power point tracking method. IEEE Trans. Power Electron. 2005, 20, 963–973. [Google Scholar] [CrossRef]
- Tse, K.; Ho, M.; Chung, H.H.; Hui, S. A novel maximum power point tracker for PV panels using switching frequency modulation. IEEE Trans. Power Electron. 2002, 17, 980–989. [Google Scholar] [CrossRef]
- Kjær, S.B. Evaluation of the “Hill Climbing” and the “Incremental Conductance” Maximum Power Point Trackers for Photovoltaic Power Systems. IEEE Trans. Energy Convers. 2012, 27, 922–929. [Google Scholar] [CrossRef]
- Wasynezuk, O. Dynamic Behavior of a Class of Photovoltaic Power Systems. IEEE Trans. Power Appar. Syst. 1983, PAS-102, 3031–3037. [Google Scholar] [CrossRef]
- Huynh, D.C.; Dunnigan, M.W. Development and Comparison of an Improved Incremental Conductance Algorithm for Tracking the MPP of a Solar PV Panel. IEEE Trans. Sustain. Energy 2016, 7, 1421–1429. [Google Scholar] [CrossRef]
- Mo, R.; Yang, Y.; Chen, R.; Ni, K.; Ji, A.; Lim, C.S.; Zhang, X.; Fang, G.; Zeng, W.; Rodriguez, J. A Computationally Efficient Current-Sensorless Three-Vector Modulated Model Predictive Control with Neutral-Point Voltage Balancing for T-type Inverters. IEEE Trans. Power Electron. 2025, 40, 123–135. [Google Scholar] [CrossRef]
- Sarajian, A.; Guan, Q.; Harbi, I.; Haghgooei, P.; Khaburi, D.A.; Kennel, R.; Wheeler, P.; Rodriguez, J. Efficient Current-Sensorless Model Predictive Control for Matrix Converter-Fed PMSM Drives. IEEE Trans. Ind. Electron. 2025, 1–12. [Google Scholar] [CrossRef]
- Gu, M.; Yang, Y.; Xiao, Y.; Fan, M.; Wang, Y.; Wen, H.; Lim, C.S.; Yang, H.; Rodriguez, J. Sensorless FCS-MPCC PMSM Drives With Improved Sliding Mode Observer and Low-Complexity Discrete Vector Selection: An Assessment. IEEE Trans. Ind. Electron. 2025, 72, 4567–4578. [Google Scholar] [CrossRef]
- Nam, N.N.; Nguyen, N.D.; Yoon, C.; Lee, Y.I. Disturbance Observer-Based Robust Model Predictive Control for a Voltage-Sensorless Grid-Connected Inverter with an LCL Filter. IEEE Trans. Ind. Electron. 2021, 68, 4373–4384. [Google Scholar] [CrossRef]
- Nam, N.N.; Nguyen, N.D.; Lee, Y.I. Model Predictive Control for a Voltage-Sensorless Grid-Connected Inverter with LCL Filter Using Lumped Disturbance Observer. IEEE Trans. Power Electron. 2023, 38, 8123–8135. [Google Scholar] [CrossRef]
- Sharida, A.; Bayhan, S.; Abu-Rub, H.; Fesli, U. Voltage-Sensorless Open-Switch Fault-Tolerant Control of Three-Phase T-Type Rectifier. IEEE Trans. Power Electron. 2023, 38, 6721–6733. [Google Scholar] [CrossRef]
- He, Y.; Li, P. Sensorless Control of Packed-U-Cells in Distorted Grid. In Proceedings of the 2021 3rd International Conference on Smart Power & Internet Energy Systems (SPIES), Shanghai, China, 25–28 September 2021; pp. 447–452. [Google Scholar] [CrossRef]
- Wang, H.; Wang, X.; Zhang, Y.; Han, S.; Xiao, X. SMO-ESO-Based Voltage Sensorless Model Predictive Control for PWM Rectifier. In Proceedings of the 2022 4th International Conference on Smart Power & Internet Energy Systems (SPIES), Beijing, China, 9–12 December 2022; pp. 1046–1051. [Google Scholar] [CrossRef]



















| State | Gate Signals | Capacitor Current | Output Voltage | |||||||
|---|---|---|---|---|---|---|---|---|---|---|
| vj | ||||||||||
| v1 | 1 | 0 | 1 | 1 | 0 | 1 | 0 | 0 | 0 | |
| v2 | 1 | 0 | 0 | 0 | 1 | 1 | 0 | 0 | 0 | |
| v3 | 1 | 0 | 1 | 1 | 0 | 0 | 1 | |||
| v4 | 1 | 0 | 0 | 0 | 1 | 0 | 1 | 0 | ||
| v5 | 0 | 1 | 1 | 1 | 0 | 1 | 0 | 0 | 0 | 0 |
| v6 | 0 | 1 | 0 | 0 | 1 | 1 | 0 | 0 | 0 | 0 |
| v7 | 0 | 1 | 1 | 1 | 0 | 0 | 1 | |||
| v8 | 0 | 1 | 0 | 0 | 1 | 0 | 1 | |||
| Parameter | Value |
|---|---|
| Power | 1 kW |
| Input dc-voltage () | 260–280 V |
| Capacitor voltage reference () | 130 V |
| Capacitance ( and ) | 3 mF |
| Grid Frequency | 60 Hz |
| Grid peak voltage | 155 V |
| Grid filter inductance () | 9 mH |
| Grid filter resistance () | 700 m |
| Power Switches | IKW40N60D |
| Sampling Time | 40 s |
| Features | FCS-MPC | CCF-MPC |
|---|---|---|
| Weighing Factor design | Yes | No |
| Computation Burden | 3.28 s | 2.52 s |
| TH | % | % |
| Capacitor voltage error | % | % |
| Reference | Topology/Application | Sensors Eliminated | Observer/Strategy | Computational Notes |
|---|---|---|---|---|
| This work (CCF–MPC + SMO) | CG PV multilevel inverter (single-phase) | Capacitor voltages () | Sliding-Mode Observer | 2.52 s per cycle (vs. 3.28 s for FCS–MPC); reduced set of redundant vectors; no weighting factors |
| Mo et al. (2025) [53] | T-type three-level inverter | Current sensors | Two-stage selection (three-vector MPC) | Reduced prediction set; explicit aim of computational efficiency |
| Sarajian et al. (2025) [54] | Matrix converter-fed PMSM drive | Load current sensors | Luenberger observer | ∼12% lower overhead vs. conventional schemes |
| Gu et al. (2025) [55] | PMSM drives | Position/ EMF sensors | SMO + simplified vector selection | Low-complexity discrete vector selection; qualitative reduction of computational burden |
| Nam et al. (2021) [56] | VSI with LCL filter | Grid-voltage sensors | Disturbance observer | No CPU time reported; stability and robustness focus |
| Nam et al. (2023) [57] | Grid-connected inverter | Grid-voltage sensors | Observer-based | Complexity not reported; disturbance rejection focus |
| Sharida et al. (2023) [58] | T-type rectifier | Grid-voltage sensors | Full-state observer + RLS | Qualitative: low computational burden; adds open-switch fault tolerance |
| He et al. (2021) [59] | Packed-U-Cell inverter (PUC) | Grid-voltage sensor | Input observer + RLS | HIL validation; complexity not quantified |
| Wang et al. (2022) [60] | PWM rectifier | DC bus voltage sensor | SMO + ESO observer | Robust estimation under sensor faults; complexity not quantified |
Disclaimer/Publisher’s Note: The statements, opinions and data contained in all publications are solely those of the individual author(s) and contributor(s) and not of MDPI and/or the editor(s). MDPI and/or the editor(s) disclaim responsibility for any injury to people or property resulting from any ideas, methods, instructions or products referred to in the content. |
© 2025 by the authors. Licensee MDPI, Basel, Switzerland. This article is an open access article distributed under the terms and conditions of the Creative Commons Attribution (CC BY) license (https://creativecommons.org/licenses/by/4.0/).
Share and Cite
Silveira, K.; Grigoletto, F.B.; Carnielutti, F.; Aly, M.; Norambuena, M.; Rodriguez, J. Model Predictive Control of Common Ground PV Multilevel Inverter with Sliding Mode Observer for Capacitor Voltage Estimation. Processes 2025, 13, 2961. https://doi.org/10.3390/pr13092961
Silveira K, Grigoletto FB, Carnielutti F, Aly M, Norambuena M, Rodriguez J. Model Predictive Control of Common Ground PV Multilevel Inverter with Sliding Mode Observer for Capacitor Voltage Estimation. Processes. 2025; 13(9):2961. https://doi.org/10.3390/pr13092961
Chicago/Turabian StyleSilveira, Kelwin, Felipe B. Grigoletto, Fernanda Carnielutti, Mokhtar Aly, Margarita Norambuena, and José Rodriguez. 2025. "Model Predictive Control of Common Ground PV Multilevel Inverter with Sliding Mode Observer for Capacitor Voltage Estimation" Processes 13, no. 9: 2961. https://doi.org/10.3390/pr13092961
APA StyleSilveira, K., Grigoletto, F. B., Carnielutti, F., Aly, M., Norambuena, M., & Rodriguez, J. (2025). Model Predictive Control of Common Ground PV Multilevel Inverter with Sliding Mode Observer for Capacitor Voltage Estimation. Processes, 13(9), 2961. https://doi.org/10.3390/pr13092961

