Design and Application of Wireless Wall Thickness Monitoring System for Ground Testing Process
Abstract
1. Introduction
2. System Composition and Technical Principles
2.1. System Principle Analysis
2.2. Analysis of Wireless Communication Technology
3. System Design
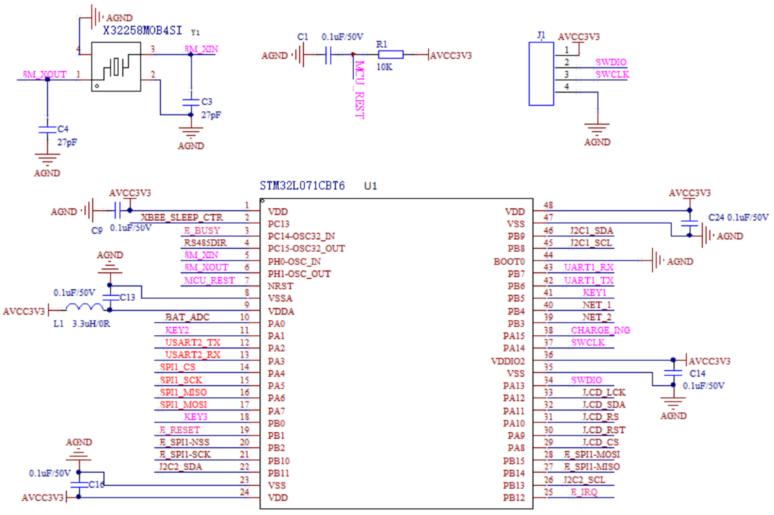
3.1. Hardware Design
3.2. Software Design
3.2.1. Communication Process of the Self-Organizing Network
3.2.2. Web-Based Management System
4. System Applications
4.1. Experimental Plan Design
4.2. Experimental Results and Analysis
4.2.1. Stability Testing
4.2.2. Receiving Distance Test
4.2.3. Testing of Data Processing Algorithms
4.2.4. System Power Consumption Test
5. Conclusions
- (1)
- This article proposes a wireless wall thickness monitoring system based on wireless sensor networks, which can collect real-time wall thickness data of pipelines and remotely transmit it to the monitoring center, achieving online and non-contact monitoring methods. Compared with traditional manual measurements or wired monitoring methods, this system not only improves monitoring efficiency, but also effectively reduces maintenance costs and operational risks, and improves the reliability of the entire ground testing process.
- (2)
- The system has undergone data stability testing and receiving distance testing. The test results show that the wireless wall thickness monitoring system has the advantages of high real-time performance, high accuracy, and remote monitoring, and can adapt to the wall thickness monitoring requirements under the testing platform conditions. When facing complex working conditions and interference factors (load pressure changes, vibrations, etc.), the fluctuation range of the data received by the sensor is extremely small. The maximum transmission distance in accessible open areas is about 120 m.
- (3)
- By introducing data processing algorithms, the accuracy and analysis efficiency of power consumption testing data have been significantly improved. The filtering algorithm successfully eliminates noise and outliers in the data, making the power consumption curve smoother. Dynamic power consumption testing shows that as the system load increases, power consumption significantly increases, especially under medium load (5 W) and heavy load (8 W) conditions. The peak power consumption test showed the instantaneous maximum power consumption level (10 W) of the system under high load tasks, providing an important reference for system design and optimization.
Author Contributions
Funding
Data Availability Statement
Conflicts of Interest
References
- Xu, J.; Li, S.; Chen, S. Analysis of Reasons and Mechanisms for Pipeline Leakage in Surface Process Testing of Shale Gas in Southern Sichuan. Drill. Prod. Technol. 2021, 44, 83–87. [Google Scholar]
- Liu, T.; Wei, X.; Qi, H.; Feng, D.; Sun, Q. Analysis of Airflow Pulsation and Typical Bend Vibration in Deep Water Testing Ground Process Pipeline: A Case Study of Well M in the South China Sea. Pet. Geol. Eng. 2023, 37, 121–126. [Google Scholar]
- Tu, A.; Wang, S.; Xie, K. Research on Optimization of Ground Testing Process for Shale Gas Multi well Platform. Drill. Prod. Technol. 2021, 44, 73–76. [Google Scholar]
- Chen, H.; Huang, C.; Zhang, Y. Application of Ultra High Pressure Oil and Gas Well Surface Testing Technology in Shixin 58 Well. Nat. Gas Technol. Econ. 2020, 14, 64–68. [Google Scholar]
- Santoso, B.; Sari, M.W. Developing parking queue monitoring system using Wireless Sensor Network and RFID technology. J. Phys. Conf. Ser. 2021, 1823, 012056. [Google Scholar] [CrossRef]
- Stavrov, V.; Chakarov, D.; Shulev, A.; Tsveov, M. Mechatronic scanning system with integrated micro electro mechanical system position sensors. J. Theor. Appl. Mech. 2016, 46, 37–50. [Google Scholar] [CrossRef]
- Yang, R.; Wang, X.; Guo, C.; Zhang, P. Design and Application of Environment Monitoring System Based on ZigBee Wireless Sensor Network. Electron. Devices 2017, 40, 760–765. [Google Scholar]
- Feng, L.; Chen, W. Application of EMAT based online wall thickness monitoring system on offshore platforms. Chem. Eng. Des. Commun. 2022, 48, 17–18+31. [Google Scholar]
- Xu, Y. Vibration detection of mechanical spindle bearings based on ZigBee wireless communication technology. Mach. Electron. 2023, 41, 70–74+80. [Google Scholar]
- Wu, H.; Wang, Y.; Yu, Q. Design and Implementation of PLC Control System Based on ZigBee Wireless Communication Technology. Energy Environ. Prot. 2022, 44, 270–275+290. [Google Scholar]
- Zeng, Z.; Dong, B.; Lv, E.; Xia, J.; Wu, P.; Shen, H. Design and experiment of wireless multi-point and multi-source remote monitoring system for pigsty environment. Trans. Chin. Soc. Agric. Mach. 2020, 51, 332–340+349. [Google Scholar]
- Dong, Z.; Zhang, J.; Zhou, X.; Luo, W.; Jiang, R.; Guo, G. Design and Testing of Stress Strain Monitoring System for Soil loosening Device Based on Wireless Communication Technology. Xinjiang Agric. Sci. 2024, 61, 1029–1040. [Google Scholar]
- Wu, Y.; Li, Z.; Pang, Z.; Ni, Q.; Mao, K.; Chen, D. Web based 3D wellbore geometry model and information visualization method. Sci. Technol. Eng. 2024, 24, 4070–4083. [Google Scholar]
- Zhang, X.; Chen, Q.; Li, R. Research on Mobile Web based 3D Underground Pipeline System Integrating LBS. Manuf. Autom. 2022, 44, 16–20+68. [Google Scholar]
- Zhao, Y.; Zhou, Y.; Wan, J.; Li, J.; Guo, D. Simulation study on ultrasonic detection of internal defects in cementing cement sheath. Pet. Mach. 2024, 52, 28–36. [Google Scholar]
- Liu, H.; Lin, M.; Zheng, L.; Yu, Z. Hardware Design of High Throughput and Low Latency MAC Protocol Based on IR-UWB. Appl. Electron. Tech. 2024, 50, 44–50. [Google Scholar]
- Zhang, T.; Mao, J.; Wang, Y. A TDMA based multi-channel MAC protocol. Comput. Digit. Eng. 2018, 46, 2506–2511. [Google Scholar]
- Li, J.; Ding, X.; Chen, G.; Sun, Y.; Jiang, N. Leaf image denoising method based on improved Gaussian filtering algorithm. J. South. Agric. 2019, 50, 1385–1391. [Google Scholar]
- Liu, J.; Deng, W.; Wang, Z.; Long, W.; Zhou, S. Design of Industrial Control HMI System Based on STM32. Instrum. Tech. Sens. 2024, 4, 64–70. [Google Scholar]
- IEEE Std 802.15.4-2024; IEEE Standard for Low-Rate Wireless Networks. IEEE: Piscataway, NJ, USA, 2024. [CrossRef]
- Samijayani, O.N.; Sabrina, A.; Thamrin, R.Z.; Astharini, D.; Syahriar, A. Performance of Interconnected Hybrid ZigBee-Optic for Extended Wireless Sensor Networks. J. ICT Res. Appl. 2024, 18, 69–80. [Google Scholar] [CrossRef]














Disclaimer/Publisher’s Note: The statements, opinions and data contained in all publications are solely those of the individual author(s) and contributor(s) and not of MDPI and/or the editor(s). MDPI and/or the editor(s) disclaim responsibility for any injury to people or property resulting from any ideas, methods, instructions or products referred to in the content. |
© 2024 by the authors. Licensee MDPI, Basel, Switzerland. This article is an open access article distributed under the terms and conditions of the Creative Commons Attribution (CC BY) license (https://creativecommons.org/licenses/by/4.0/).
Share and Cite
He, Y.; Chen, Y.; Wei, J.; Li, Z.; Guo, X.; Xie, R.; Li, R.; Liu, J.; Tan, Z.; Zhang, K. Design and Application of Wireless Wall Thickness Monitoring System for Ground Testing Process. Processes 2025, 13, 63. https://doi.org/10.3390/pr13010063
He Y, Chen Y, Wei J, Li Z, Guo X, Xie R, Li R, Liu J, Tan Z, Zhang K. Design and Application of Wireless Wall Thickness Monitoring System for Ground Testing Process. Processes. 2025; 13(1):63. https://doi.org/10.3390/pr13010063
Chicago/Turabian StyleHe, Yufa, Yu Chen, Jianfei Wei, Zhong Li, Xingwang Guo, Renjun Xie, Ruiling Li, Jian Liu, Zhenxing Tan, and Kexin Zhang. 2025. "Design and Application of Wireless Wall Thickness Monitoring System for Ground Testing Process" Processes 13, no. 1: 63. https://doi.org/10.3390/pr13010063
APA StyleHe, Y., Chen, Y., Wei, J., Li, Z., Guo, X., Xie, R., Li, R., Liu, J., Tan, Z., & Zhang, K. (2025). Design and Application of Wireless Wall Thickness Monitoring System for Ground Testing Process. Processes, 13(1), 63. https://doi.org/10.3390/pr13010063
