Fuzzy Resilient Control of DC Microgrids with Constant Power Loads Based on Markov Jump Models
Abstract
1. Introduction
- (i)
- A continuous-time Markov jump DC microgrid fuzzy system is established, which accounts for both the abrupt parameter changes and the nonlinear dynamics of multiple CPLs. The resultant hybrid system shows more engineering backgrounds and thus improves the model fitness.
- (ii)
- By fully using the information of fuzzy rules, system modes, and random controller gain perturbations, exponential stability conditions are derived for the Markov jump DC microgrid with CPLs. The relationship between system stability and the affecting factors is thus presented clearly for the designers.
- (iii)
- A fuzzy resilient control algorithm is developed by transforming the non-convex stability analysis conditions into traceable ones. Afterward, the resultant mode-dependent fuzzy resilient control law not only handles the nonlinearity of the DC microgrid but also maintains robustness against the random gain perturbations.
2. Problem Formulation and Preliminaries
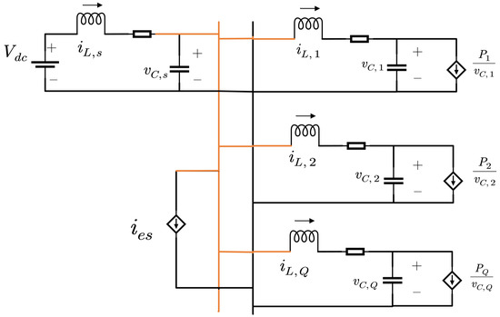
2.1. Typical Architecture of DC MG
2.2. Markov Jump Models for CPLs and DC Subsystem
2.3. Overall Markov Jump DC Microgrid
2.4. Fuzzy Modeling of the Markov Jump DC Microgrid
3. Closed-Loop System Design
3.1. Fuzzy Resilient Controller Design
3.2. Closed-Loop System Modeling
4. Stability Analysis Conditions
5. Controller Design Method
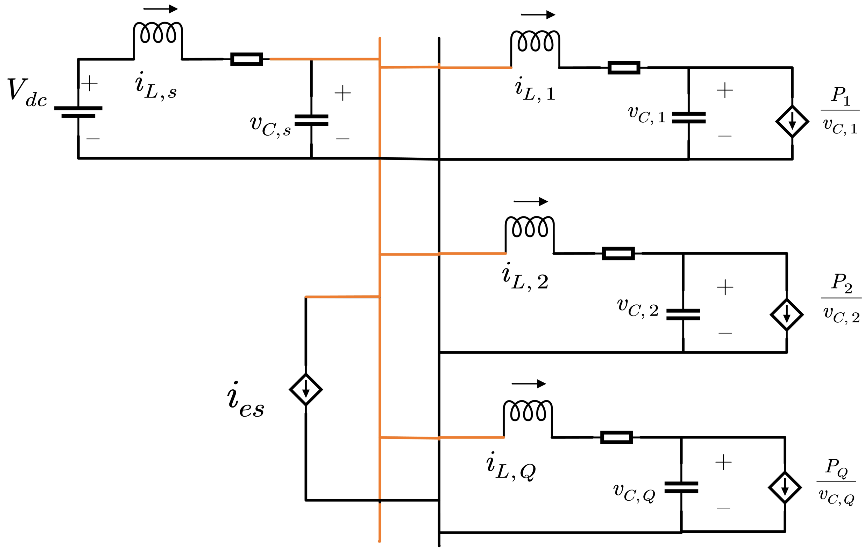
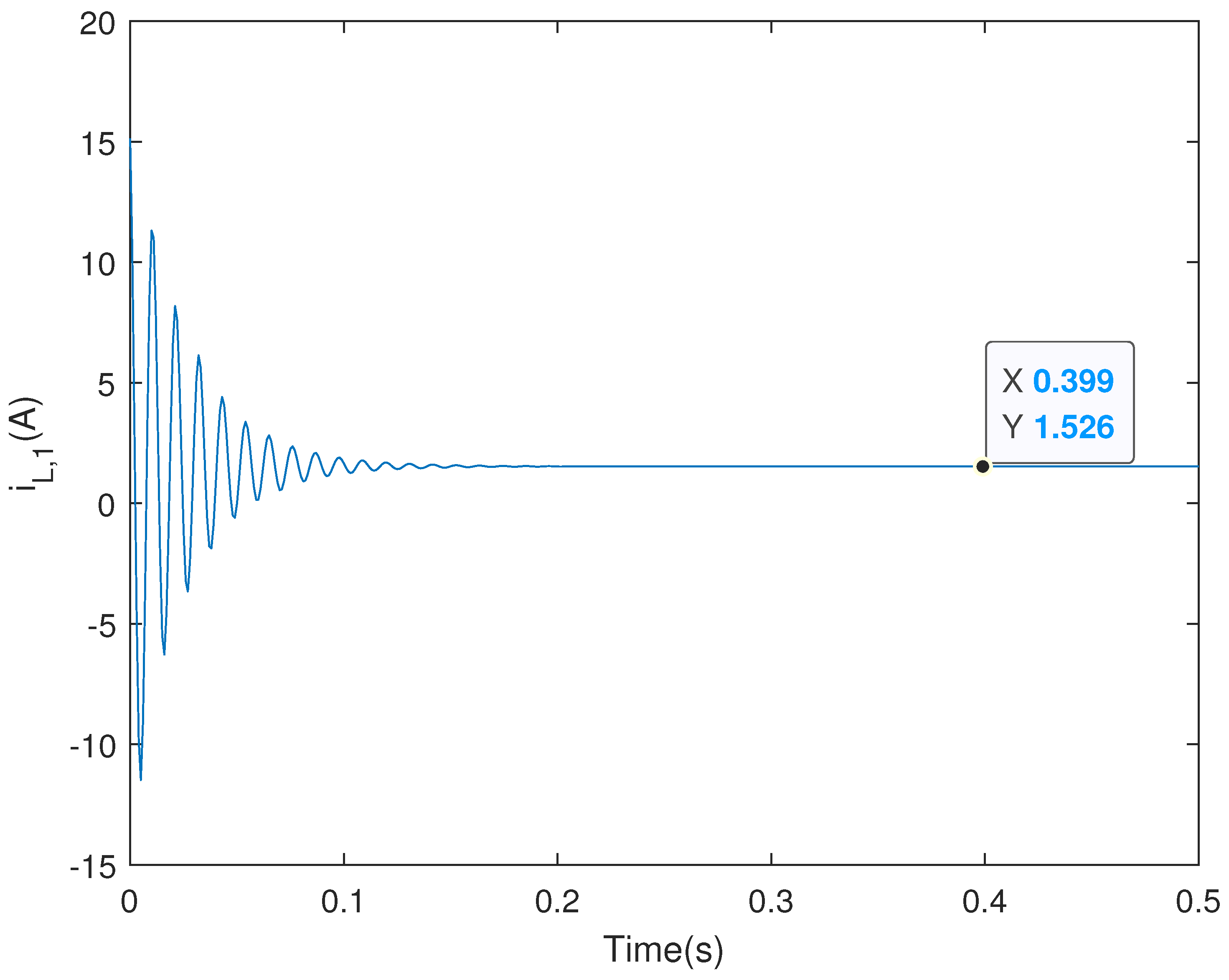
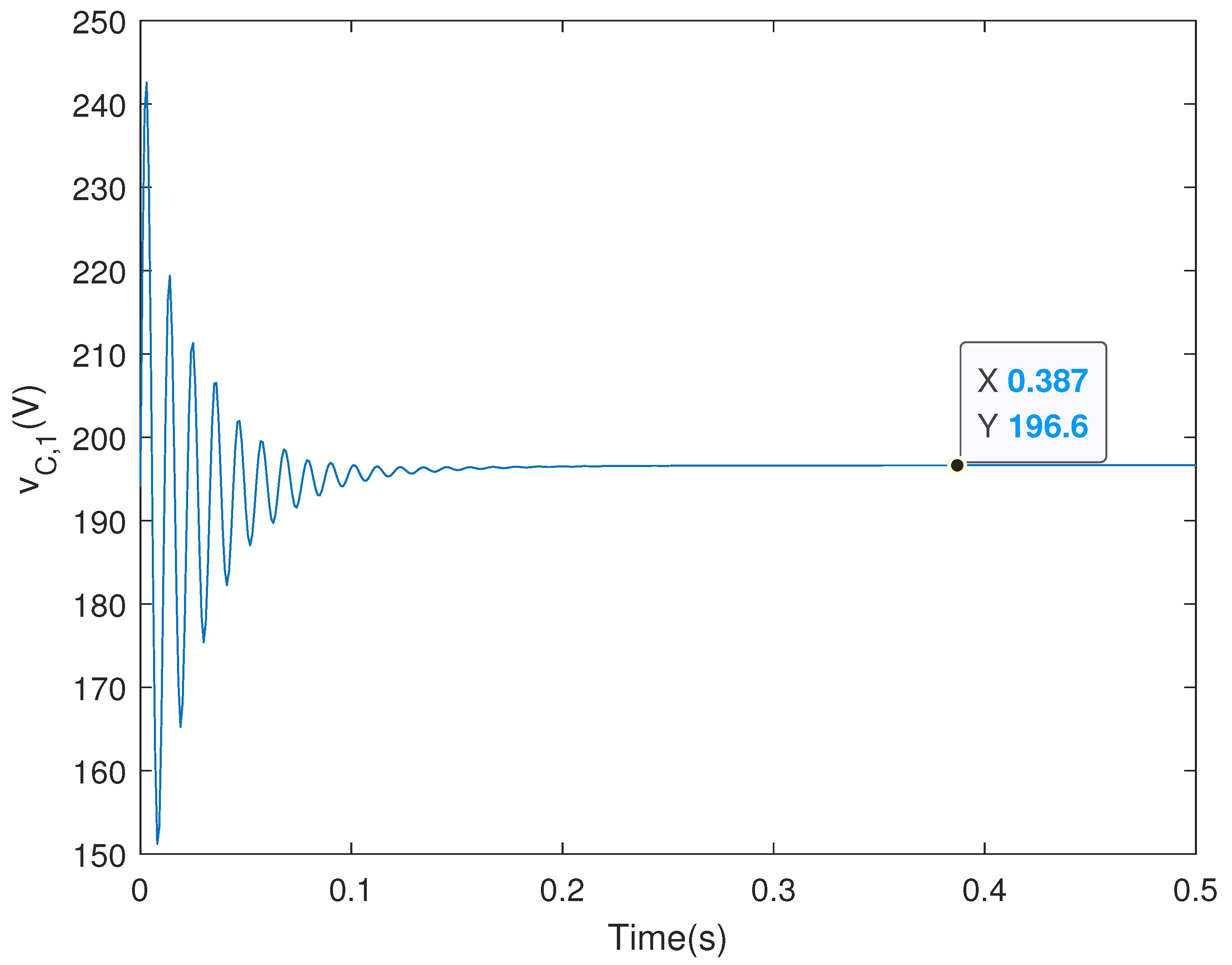
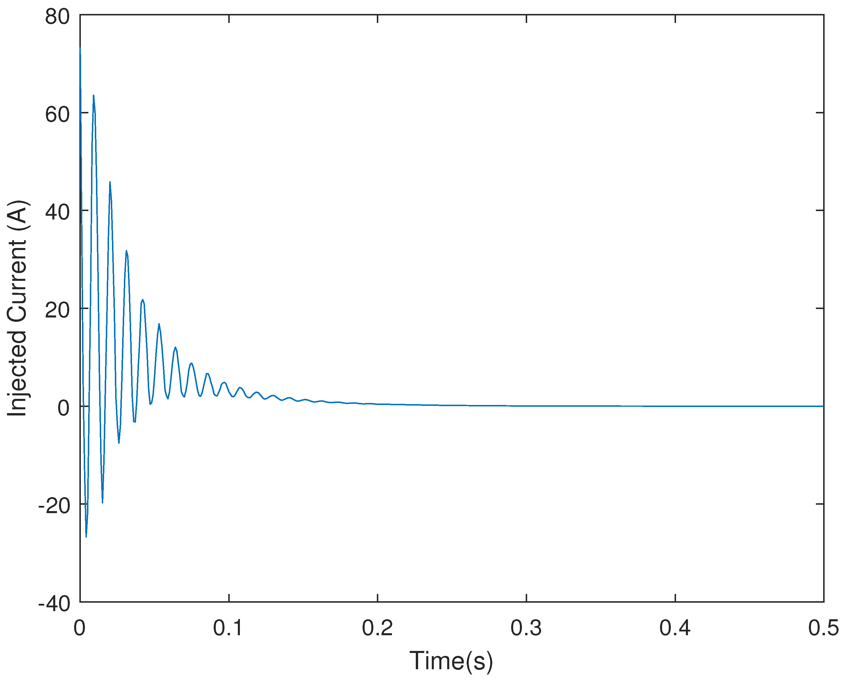
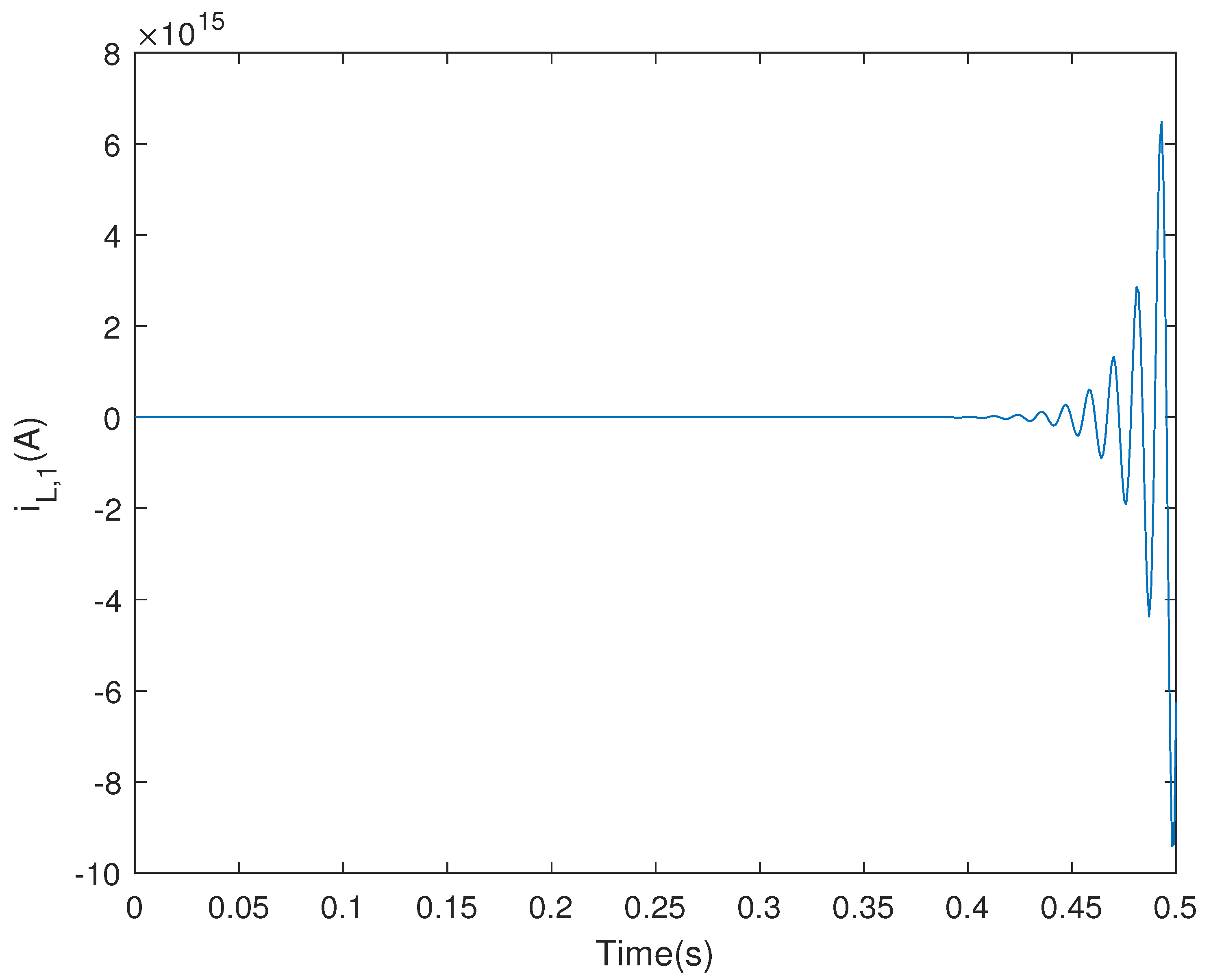
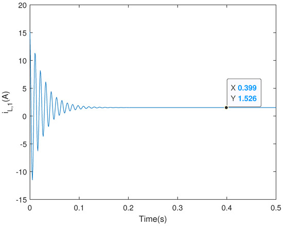
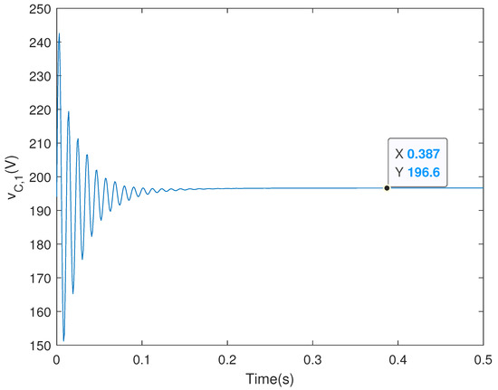
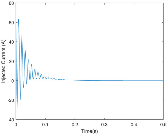
6. Simulation Example
7. Conclusions
Author Contributions
Funding
Data Availability Statement
Conflicts of Interest
References
- Dragičević, T. Dynamic stabilization of DC microgrids with predictive control of point-of-load converters. IEEE Trans. Power Electron. 2018, 33, 10872–10884. [Google Scholar] [CrossRef]
- Dehghani, M.; Khooban, M.H.; Niknam, T.; Rafiei, S.M.R. Time-varying sliding mode control strategy for multibus low-voltage microgrids with parallel connected renewable power sources in islanding mode. J. Energy Eng. 2016, 142, 05016002. [Google Scholar] [CrossRef]
- Liu, J.; Zhang, W.; Rizzoni, G. Robust stability analysis of DC microgrids with constant power loads. IEEE Trans. Power Syst. 2017, 33, 851–860. [Google Scholar] [CrossRef]
- Su, M.; Liu, Z.; Sun, Y.; Han, H.; Hou, X. Stability analysis and stabilization methods of DC microgrid with multiple parallel-connected DC–DC converters loaded by CPLs. IEEE Trans. Smart Grid 2016, 9, 132–142. [Google Scholar] [CrossRef]
- Cao, B.; Dong, W.; Lv, Z.; Gu, Y.; Singh, S.; Kumar, P. Hybrid microgrid many-objective sizing optimization with fuzzy decision. IEEE Trans. Fuzzy Syst. 2020, 28, 2702–2710. [Google Scholar] [CrossRef]
- Meng, Q.; Jin, X.; Luo, F.; Wang, Z.; Hussain, S. Distributionally Robust Scheduling for Benefit Allocation in Regional Integrated Energy System with Multiple Stakeholders. J. Mod. Power Syst. Clean Energy 2024, 1–12. [Google Scholar] [CrossRef]
- Shirkhani, M.; Tavoosi, J.; Danyali, S.; Sarvenoee, A.K.; Abdali, A.; Mohammadzadeh, A.; Zhang, C. A review on microgrid decentralized energy/voltage control structures and methods. Energy Rep. 2023, 10, 368–380. [Google Scholar] [CrossRef]
- Zhou, Y.; Zhai, Q.; Xu, Z.; Wu, L.; Guan, X. Multi-stage adaptive stochastic-robust scheduling method with affine decision policies for hydrogen-based multi-energy microgrid. IEEE Trans. Smart Grid 2024, 15, 2738–2750. [Google Scholar] [CrossRef]
- Ju, Y.; Liu, W.; Zhang, Z.; Zhang, R. Distributed three-phase power flow for AC/DC hybrid networked microgrids considering converter limiting constraints. IEEE Trans. Smart Grid 2022, 13, 1691–1708. [Google Scholar] [CrossRef]
- Dragičević, T. Model predictive control of power converters for robust and fast operation of AC microgrids. IEEE Trans. Power Electron. 2017, 33, 6304–6317. [Google Scholar] [CrossRef]
- Zehra, S.S.; Rahman, A.U.; Armghan, H.; Ahmad, I.; Ammara, U. Artificial intelligence-based nonlinear control of renewable energies and storage system in a DC microgrid. ISA Trans. 2022, 121, 217–231. [Google Scholar] [CrossRef]
- Fan, S.; Wu, F.; Liu, H. Unified closed-loop control and parameters design of buck–boost current-fed isolated DC–DC converter with constant power load. IEEE J. Emerg. Sel. Top. Power Electron. 2021, 10, 4207–4217. [Google Scholar] [CrossRef]
- Xu, Q.; Vafamand, N.; Chen, L.; Dragičević, T.; Xie, L.; Blaabjerg, F. Review on advanced control technologies for bidirectional DC/DC converters in DC microgrids. IEEE J. Emerg. Sel. Top. Power Electron. 2020, 9, 1205–1221. [Google Scholar] [CrossRef]
- Herrera, L.; Zhang, W.; Wang, J. Stability analysis and controller design of DC microgrids with constant power loads. IEEE Trans. Smart Grid 2017, 8, 881–888. [Google Scholar]
- Magne, P.; Nahid-Mobarakeh, B.; Pierfederici, S. General active global stabilization of multiloads DC-power networks. IEEE Trans. Power Electron. 2011, 27, 1788–1798. [Google Scholar] [CrossRef]
- Xu, Q.; Zhang, C.; Wen, C.; Wang, P. A novel composite nonlinear controller for stabilization of constant power load in DC microgrid. IEEE Trans. Smart Grid 2019, 10, 752–761. [Google Scholar] [CrossRef]
- Cao, B.; Zhao, J.; Lv, Z.; Gu, Y.; Yang, P.; Halgamuge, S.K. Multiobjective evolution of fuzzy rough neural network via distributed parallelism for stock prediction. IEEE Trans. Fuzzy Syst. 2020, 28, 939–952. [Google Scholar] [CrossRef]
- Takagi, T.; Sugeno, M. Fuzzy identification of systems and its applications to modeling and control. IEEE Trans. Syst. Man Cybern. 1985, SMC-15, 116–132. [Google Scholar] [CrossRef]
- Chen, H.; Zong, G.; Zhao, X.; Gao, F.; Shi, K. Secure filter design of fuzzy switched CPSs with mismatched modes and application: A multidomain event-triggered strategy. IEEE Trans. Ind. Inform. 2023, 108, 1319–1338. [Google Scholar] [CrossRef]
- Vafamand, N.; Khooban, M.H.; Dragičević, T.; Blaabjerg, F.; Boudjadar, J. Robust non-fragile fuzzy control of uncertain DC microgrids feeding constant power loads. IEEE Trans. Power Electron. 2019, 34, 11300–11308. [Google Scholar] [CrossRef]
- Li, F.; Li, K.; Peng, C.; Gao, L. Dynamic event-triggered fuzzy non-fragile control of DC microgrids. ISA Trans. 2023, 142, 83–97. [Google Scholar] [CrossRef]
- Azmi, H.; Yazdizadeh, A. Robust adaptive fault detection and diagnosis observer design for a class of nonlinear systems with uncertainty and unknown time-varying internal delay. ISA Trans. 2022, 131, 31–42. [Google Scholar] [CrossRef]
- Costa, O.L.V.; Fragoso, M.D.; Marques, R.P. Discrete-Time Markov Jump Linear Systems; Springer Science and Business Media: Berlin/Heidelberg, Germany, 2006. [Google Scholar]
- Wu, Z.G.; Dong, S.; Shi, P.; Su, H.; Huang, T. Reliable filtering of nonlinear Markovian jump systems: The continuous-time case. IEEE Trans. Syst. Man Cybern. -Syst. 2019, 49, 386–394. [Google Scholar] [CrossRef]
- Xue, M.; Yan, H.; Zhang, H.; Sun, J.; Lam, H.K. Hidden-Markov-model-based asynchronous H∞ tracking control of fuzzy Markov jump systems. IEEE Trans. Fuzzy Syst. 2020, 29, 1081–1092. [Google Scholar] [CrossRef]
- Chen, H.; Zong, G.; Gao, F.; Shi, Y. Probabilistic event-triggered policy for extended dissipative finite-time control of MJSs under cyber-attacks and actuator failures. IEEE Trans. Autom. Control. 2023, 68, 7803–7810. [Google Scholar] [CrossRef]
- Shen, H.; Wang, T.; Chen, M.; Lu, J. Non-fragile mixed H2/l2-l∞ state estimation for repeated scalar nonlinear systems with Markov jumping parameters and redundant channels. Nonlinear Dyn. 2018, 91, 641–654. [Google Scholar] [CrossRef]
- Kaviarasan, B.; Kwon, O.M.; Jin Park, M.; Sakthivel, R. Mode-dependent intermediate variable-based fault estimation for Markovian jump systems with multiple faults. Int. J. Robust Nonlinear Control 2021, 31, 2960–2975. [Google Scholar] [CrossRef]
- Chen, H.; Gao, F.; Zong, G. Finite-time dissipative fuzzy state estimation for jump systems with mixed cyber attacks: A probabilistic event-triggered approach. IEEE Trans. Cybern 2023, 53, 3493–3505. [Google Scholar] [CrossRef]
- Song, J.; Mingotti, A.; Zhang, J.; Peretto, L.; Wen, H. Fast iterative-interpolated DFT phasor estimator considering out-of-band interference. IEEE Trans. Instrum. Meas. 2022, 71, 1–14. [Google Scholar] [CrossRef]
- Wang, C.; Wang, Y.; Wang, K.; Dong, Y.; Yang, Y. An Improved Hybrid Algorithm Based on Biogeography/Complex and Metropolis for Many-Objective Optimization. Math. Probl. Eng. 2017, 2017, 2462891. [Google Scholar] [CrossRef]
- Zhu, C.; Zhang, Y.; Wang, M.; Deng, J.; Cai, Y.; Wei, W.; Guo, M. Optimization, validation and analyses of a hybrid PV-battery-diesel power system using enhanced electromagnetic field optimization algorithm and ε-constraint. Energy Rep. 2024, 11, 5335–5349. [Google Scholar] [CrossRef]
- Liu, Y.; Liu, X.; Li, X.; Yuan, H. Analytical model and safe-operation-area analysis of bridge-leg crosstalk of GaN E-HEMT considering correlation effect of multi-parameters. IEEE Trans. Power Electron. 2024, 39, 8146–8161. [Google Scholar] [CrossRef]
- Boukerdja, M.; Chouder, A.; Hassaine, L.; Bouamama, B.O.; Issa, W.; Louassaa, K. H∞ based control of a DC/DC buck converter feeding a constant power load in uncertain DC microgrid system. ISA Trans. 2020, 105, 278–295. [Google Scholar] [CrossRef]
- Tian, Y.; Yan, H.; Zhang, H.; Zhan, X.; Peng, Y. Resilient static output feedback control of linear semi-Markov jump systems with incomplete semi-Markov kernel. IEEE Trans. Autom. Control. 2020, 66, 4274–4281. [Google Scholar] [CrossRef]
- Zeng, P.; Deng, F.; Liu, X.; Gao, X. Event-triggered resilient L∞ control for Markov jump systems subject to denial-of-service jamming attacks. IEEE Trans. Cybern 2021, 52, 10240–10252. [Google Scholar] [CrossRef]
- Li, F.; Xu, S.; Zhang, B. Resilient asynchronous H∞ control for discrete-time Markov jump singularly perturbed systems based on hidden Markov model. IEEE Trans. Syst. Man Cybern. -Syst. 2018, 50, 2860–2869. [Google Scholar] [CrossRef]
- He, S.; Ai, Q.; Ren, C.; Dong, J.; Liu, F. Finite-time resilient controller design of a class of uncertain nonlinear systems with time-delays under asynchronous switching. IEEE Trans. Syst. Man Cybern. -Syst. 2019, 49, 281–286. [Google Scholar] [CrossRef]
- Chen, H.; Gao, F. Finite-time stabilization with extended dissipativity via a mixed control strategy for MJSs with hierarchical sensor failures. Nonlinear Dyn. 2022, 108, 1319–1338. [Google Scholar] [CrossRef]
- Mardani, M.M.; Vafamand, N.; Khooban, M.H.; Dragičević, T.; Blaabjerg, F. Design of quadratic D-stable fuzzy controller for DC microgrids with multiple CPLs. IEEE Trans. Power Electron. 2018, 66, 4805–4812. [Google Scholar] [CrossRef]
- Zou, L.; Wang, Z.; Han, Q.L.; Zhou, D. Ultimate boundedness control for networked systems with try-once-discard protocol and uniform quantization effects. IEEE Trans. Autom. Control. 2017, 62, 6582–6588. [Google Scholar] [CrossRef]
- Boyd, S.; Ghaoui, L.; Feron, E.; Balakrishnan, V. Linear Matrix Inequalities in System and Control Theory; SIAM: Philadelphia, PA, USA, 1994. [Google Scholar]
- Chen, H.; Zong, G.; Liu, X.; Zhao, X.; Niu, B.; Gao, F. A sub-domain-awareness adaptive probabilistic event-triggered policy for attack-compensated output control of Markov jump CPSs with dynamically matching modes. IEEE Trans. Autom. Sci. Eng. 2024, 21, 4419–4431. [Google Scholar] [CrossRef]
- Murugesan, S.; Ishizaki, T.; Liu, Y.C. Resilient annular finite-time synchronization for master-slave systems under scaling attacks. IET Control Theory A 2023, 17, 2458–2473. [Google Scholar] [CrossRef]
- Tian, Y.; Zhang, H.; Liu, Y.; Zhao, N.; Mathiyalagan, K. Event-triggered adaptive secure tracking control for nonlinear cyber-physical systems against unknown deception attacks. Math. Comput. Simulat. 2024, 221, 79–93. [Google Scholar] [CrossRef]











| [14] | [20,21] | Ours | |
|---|---|---|---|
| Modelling of abrupt changes | No | No | Yes |
| Handling of CPL nonlinearity | Quadratic bounded | T-S fuzzy | T-S fuzzy |
| Using resilient control | No | Yes | Yes |
| Type of gain uncertainty | None | Deterministic | Random |
| Using mode-dependent control | None | None | Yes |
| 1.1 | 1.0 | ||
| 39 mH | 38 mH | ||
| 500 F | 503 F | ||
| 300 W | 302 W | ||
| 1.1 | 1.15 | ||
| 39 mH | 40 mH | ||
| 500 F | 498 F | ||
| 200 V | 130.4 V | ||
| 196.64 V |
Disclaimer/Publisher’s Note: The statements, opinions and data contained in all publications are solely those of the individual author(s) and contributor(s) and not of MDPI and/or the editor(s). MDPI and/or the editor(s) disclaim responsibility for any injury to people or property resulting from any ideas, methods, instructions or products referred to in the content. |
© 2024 by the authors. Licensee MDPI, Basel, Switzerland. This article is an open access article distributed under the terms and conditions of the Creative Commons Attribution (CC BY) license (https://creativecommons.org/licenses/by/4.0/).
Share and Cite
Hu, W.; Shen, Y.; Yang, F.; Chang, Z.; Zhao, S. Fuzzy Resilient Control of DC Microgrids with Constant Power Loads Based on Markov Jump Models. Mathematics 2024, 12, 2656. https://doi.org/10.3390/math12172656
Hu W, Shen Y, Yang F, Chang Z, Zhao S. Fuzzy Resilient Control of DC Microgrids with Constant Power Loads Based on Markov Jump Models. Mathematics. 2024; 12(17):2656. https://doi.org/10.3390/math12172656
Chicago/Turabian StyleHu, Wei, Yu Shen, Fan Yang, Zhen Chang, and Shanglin Zhao. 2024. "Fuzzy Resilient Control of DC Microgrids with Constant Power Loads Based on Markov Jump Models" Mathematics 12, no. 17: 2656. https://doi.org/10.3390/math12172656
APA StyleHu, W., Shen, Y., Yang, F., Chang, Z., & Zhao, S. (2024). Fuzzy Resilient Control of DC Microgrids with Constant Power Loads Based on Markov Jump Models. Mathematics, 12(17), 2656. https://doi.org/10.3390/math12172656
