Heterogeneous Blockchain-Based Secure Framework for UAV Data
Abstract
1. Introduction
1.1. Major Contribution
- Blockchain-based secure UAV communication technique is proposed in the current study.
- Environment, weather, and geographical elements are taken for risk evaluation of VC-based UAV devices.
- Network protocols, the confidentiality of communications, and appropriate preventative strategies are considered in the proposed technique for ensuring security.
- The pentatope ECC (PECC) technique is used for securing data at cloud storage.
- The proposed technique is validated based on comparative analysis with state-of-the-art techniques in terms of operational cost (2.95 units), scalability (14.98 units), reliability (96.07%), and stability (82.26%)
Paper Organization
2. Literature Review
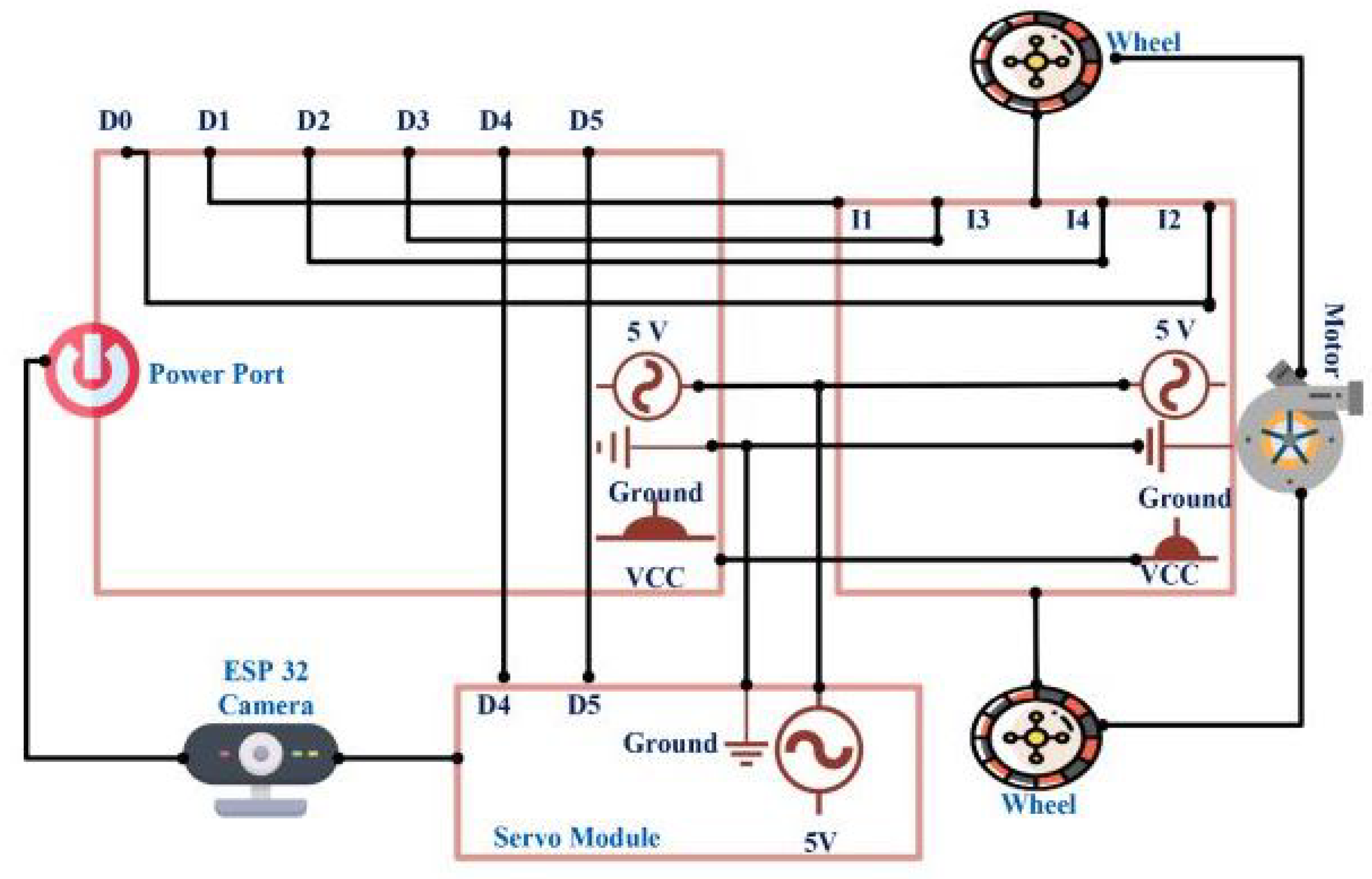
3. Proposed Model
3.1. BCN-Based UAV Data Maintenance
- Integration of the Metamask software: It involved integrating the Metamask code into the drone’s operating system so that it can interact with the Ethereum network and perform transactions.
- Connection of the drone to the Ethereum network: The drone was connected to the Ethereum network via a gateway to interact with dApps and perform transactions.
- Interaction with dApps: Once the drone was connected to the Ethereum network, it interacted with decentralized applications (dApps) by sending transactions to them and receiving data from them.
- Manage private keys: The drone securely stored its private keys, which are used to sign transactions and control access to its Ethereum account.
| Algorithm 1 Block transaction procedure |
|
3.2. Using BCN for Intelligent Vehicle Monitoring
3.2.1. Monitoring Module
| Algorithm 2 Monitoring Component |
|
3.2.2. Voice Assist Subsystem
| Algorithm 3 Voice Assistant Component |
|
3.2.3. Data Storage Using BCN
4. Experimental Implementation
4.1. Simulation Environment
4.2. Evaluation of Results
4.3. Reliability Analysis
4.4. Stability Analysis
5. Conclusions
Author Contributions
Funding
Data Availability Statement
Conflicts of Interest
Abbreviations
| UAV | Unmanned Aerial Vehicle |
| IoT | Internet of Things |
| BCN | Blockchain Technology |
| VC | Virtual Circuits |
| SHA | Secure Hash Algorithm |
| LTE | Long Term Evolution |
| AUE | Aerial User Equipment |
| ECC | Elliptical Curve Cryptography |
| PECC | Pentatope Elliptic Curve Cryptography |
| SHA | Secure Hash Algorithm |
References
- Nassi, B.; Bitton, R.; Masuoka, R.; Shabtai, A.; Elovici, Y. SoK: Security and privacy in the age of commercial drones. In Proceedings of the 2021 IEEE Symposium on Security and Privacy (SP), Online, 24–27 May 2021; pp. 1434–1451. [Google Scholar]
- Abkenar, F.S.; Ramezani, P.; Iranmanesh, S.; Murali, S.; Chulerttiyawong, D.; Wan, X.; Jamalipour, A.; Raad, R. A Survey on Mobility of Edge Computing Networks in IoT: State-of-the-Art, Architectures, and Challenges. IEEE Commun. Surv. Tutor. 2022, 24, 2329–2365. [Google Scholar] [CrossRef]
- Mozaffari, M.; Saad, W.; Bennis, M.; Nam, Y.H.; Debbah, M. A Tutorial on UAVs for Wireless Networks: Applications, Challenges, and Open Problems. IEEE Commun. Surv. Tutor. 2019, 21, 2334–2360. [Google Scholar] [CrossRef]
- Bhattacharya, P.; Tanwar, S.; Bodkhe, U.; Kumar, A.; Kumar, N. EVBlocks: A blockchain-based secure energy trading scheme for electric vehicles underlying 5G-V2X ecosystems. Wirel. Pers. Commun. 2022, 127, 1943–1983. [Google Scholar] [CrossRef]
- Mohsan, S.A.H.; Khan, M.A.; Noor, F.; Ullah, I.; Alsharif, M.H. Towards the unmanned aerial vehicles (UAVs): A comprehensive review. Drones 2022, 6, 147. [Google Scholar] [CrossRef]
- Salameh, A.I.; El Tarhuni, M. From 5G to 6G—Challenges, Technologies, and Applications. Future Internet 2022, 14, 117. [Google Scholar] [CrossRef]
- Ji, Y.; Tang, H.; Sun, W. Coseismic Gravity Gradient Changes in a Spherical Symmetric Earth Model: Application to the 2011 Tohoku-Oki Earthquake. J. Geophys. Res. Solid Earth 2022, 127, e2021JB023560. [Google Scholar] [CrossRef]
- Ueyama, Y.; Sago, T.; Kurihara, T.; Harada, M. An Inexpensive Autonomous Mobile Robot for Undergraduate Education: Integration of Arduino and Hokuyo Laser Range Finders. IEEE Access 2022, 10, 79029–79040. [Google Scholar] [CrossRef]
- Aloqaily, M.; Hussain, R.; Khalaf, D.; Hani, D.; Oracevic, A. On the Role of Futuristic Technologies in Securing UAV-Supported Autonomous Vehicles. IEEE Consum. Electron. Mag. 2022, 11, 93–105. [Google Scholar] [CrossRef]
- Diaz Linares, I.; Pardo, A.; Patch, E.; Dehghantanha, A.; Choo, K.K.R. IoT Privacy, Security and Forensics Challenges: An Unmanned Aerial Vehicle (UAV) Case Study. In Handbook of Big Data Analytics and Forensics; Springer: Berlin/Heidelberg, Germany, 2022; pp. 7–39. [Google Scholar]
- Elnabty, I.A.; Fahmy, Y.; Kafafy, M. A survey on UAV placement optimization for UAV-assisted communication in 5G and beyond networks. Phys. Commun. 2022, 51, 101564. [Google Scholar] [CrossRef]
- Fotouhi, A.; Qiang, H.; Ding, M.; Hassan, M.; Giordano, L.G.; Garcia-Rodriguez, A.; Yuan, J. Survey on UAV cellular communications: Practical aspects, standardization advancements, regulation, and security challenges. IEEE Commun. Surv. Tutor. 2019, 21, 3417–3442. [Google Scholar] [CrossRef]
- Akhloufi, M.A.; Couturier, A.; Castro, N.A. Unmanned aerial vehicles for wildland fires: Sensing, perception, cooperation and assistance. Drones 2021, 5, 15. [Google Scholar] [CrossRef]
- Lee, W.; Lee, J.Y.; Joo, H.; Kim, H. An MPTCP-Based Transmission Scheme for Improving the Control Stability of Unmanned Aerial Vehicles. Sensors 2021, 21, 2791. [Google Scholar] [CrossRef] [PubMed]
- Wu, Q.; Xu, J.; Zeng, Y.; Ng, D.W.K.; Al-Dhahir, N.; Schober, R.; Swindlehurst, A.L. A comprehensive overview on 5G-and-beyond networks with UAVs: From communications to sensing and intelligence. IEEE J. Sel. Areas Commun. 2021, 39, 2912–2945. [Google Scholar] [CrossRef]
- Li, G.; Ren, X.; Wu, J.; Ji, W.; Yu, H.; Cao, J.; Wang, R. Blockchain-based mobile edge computing system. Inf. Sci. 2021, 561, 70–80. [Google Scholar] [CrossRef]
- Karnik, N.; Bora, U.; Bhadri, K.; Kadambi, P.; Dhatrak, P. A comprehensive study on current and future trends towards the characteristics and enablers of industry 4.0. J. Ind. Inf. Integr. 2022, 27, 100294. [Google Scholar] [CrossRef]
- Wu, C.; Xiong, J.; Xiong, H.; Zhao, Y.; Yi, W. A Review on Recent Progress of Smart Contract in Blockchain. IEEE Access 2022, 10, 50839–50863. [Google Scholar] [CrossRef]
- Muravskyi, V.; Zadorozhnyi, Z.M.; Lytvynenko, V.; Yurchenko, O.; Koshchynets, M. Comprehensive use of 6G cellular technology accounting activity costs and cyber security. Indep. J. Manag. Prod. 2022, 13, s107–s122. [Google Scholar] [CrossRef]
- Rehman Javed, A.; Jalil, Z.; Atif Moqurrab, S.; Abbas, S.; Liu, X. Ensemble adaboost classifier for accurate and fast detection of botnet attacks in connected vehicles. Trans. Emerg. Telecommun. Technol. 2022, 33, e4088. [Google Scholar] [CrossRef]
- Majeed, S.; Sohail, A.; Qureshi, K.N.; Iqbal, S.; Javed, I.T.; Crespi, N.; Nagmeldin, W.; Abdelmaboud, A. Coverage Area Decision Model by Using Unmanned Aerial Vehicles Base Stations for Ad Hoc Networks. Sensors 2022, 22, 6130. [Google Scholar] [CrossRef]
- Salah, K.; Nizamuddin, N.; Jayaraman, R.; Omar, M. Blockchain-Based Soybean Traceability in Agricultural Supply Chain. IEEE Access 2019, 7, 73295–73305. [Google Scholar] [CrossRef]
- Hasan, H.R.; Salah, K. Proof of Delivery of Digital Assets Using Blockchain and Smart Contracts. IEEE Access 2018, 6, 65439–65448. [Google Scholar] [CrossRef]
- Deepa, N.; Pham, Q.V.; Nguyen, D.C.; Bhattacharya, S.; Prabadevi, B.; Gadekallu, T.R.; Maddikunta, P.K.R.; Fang, F.; Pathirana, P.N. A survey on blockchain for big data: Approaches, opportunities, and future directions. arXiv 2022, arXiv:2009.00858. [Google Scholar] [CrossRef]
- Chen, Y.; Feng, W.; Zheng, G. Optimum placement of UAV as relays. IEEE Commun. Lett. 2017, 22, 248–251. [Google Scholar] [CrossRef]
- Fatima, N.; Saxena, P.; Gupta, M. Integration of multi access edge computing with unmanned aerial vehicles: Current techniques, open issues and research directions. Phys. Commun. 2022, 52, 101641. [Google Scholar] [CrossRef]
- Alsamhi, S.H.; Shvetsov, A.V.; Shvetsova, S.V.; Hawbani, A.; Guizan, M.; Alhartomi, M.A.; Ma, O. Blockchain-empowered security and energy efficiency of drone swarm consensus for environment exploration. IEEE Trans. Green Commun. Netw. 2022, 7, 328–338. [Google Scholar] [CrossRef]
- Khan, A.A.; Laghari, A.A.; Gadekallu, T.R.; Shaikh, Z.A.; Javed, A.R.; Rashid, M.; Estrela, V.V.; Mikhaylov, A. A drone-based data management and optimization using metaheuristic algorithms and blockchain smart contracts in a secure fog environment. Comput. Electr. Eng. 2022, 102, 108234. [Google Scholar] [CrossRef]
- Islam, A.; Al Amin, A.; Shin, S.Y. FBI: A federated learning-based blockchain-embedded data accumulation scheme using drones for Internet of Things. IEEE Wirel. Commun. Lett. 2022, 11, 972–976. [Google Scholar] [CrossRef]
- Singh, M.; Aujla, G.S.; Bali, R.S.; Batth, R.S.; Singh, A.; Vashisht, S.; Jindal, A. CovaDel: A blockchain-enabled secure and QoS-aware drone delivery framework for COVID-like pandemics. Computing 2022, 104, 1589–1613. [Google Scholar] [CrossRef]
- Gupta, M.; Varma, S. Optimal placement of UAVs of an aerial mesh network in an emergency situation. J. Ambient. Intell. Humaniz. Comput. 2021, 12, 343–358. [Google Scholar] [CrossRef]
- Ch, R.; Srivastava, G.; Gadekallu, T.R.; Maddikunta, P.K.R.; Bhattacharya, S. Security and privacy of UAV data using blockchain technology. J. Inf. Secur. Appl. 2020, 55, 102670. [Google Scholar] [CrossRef]
- Benaya, A.; Ismail, M.H.; Ibrahim, A.S.; Salem, A.A. Physical Layer Security Enhancement via Intelligent Omni-Surfaces and UAV-Friendly Jamming. IEEE Access 2023, 11, 2531–2544. [Google Scholar] [CrossRef]
- Xu, R.; Zeng, Q.; Zhu, L.; Chi, H.; Du, X.; Guizani, M. Privacy leakage in smart homes and its mitigation: IFTTT as a case study. IEEE Access 2019, 7, 63457–63471. [Google Scholar] [CrossRef]
- Choi, N.; Kim, H. A Blockchain-based user authentication model using MetaMask. J. Internet Comput. Serv. 2019, 20, 119–127. [Google Scholar]
- Almadhoun, R.; Kadadha, M.; Alhemeiri, M.; Alshehhi, M.; Salah, K. A user authentication scheme of IoT devices using blockchain-enabled fog nodes. In Proceedings of the 2018 IEEE/ACS 15th international conference on computer systems and applications (AICCSA), Aqaba, Jordan, 28 October–1 November 2018; pp. 1–8. [Google Scholar]
- Erola, A.; Agrafiotis, I.; Nurse, J.R.; Axon, L.; Goldsmith, M.; Creese, S. A system to calculate cyber-value-at-risk. Comput. Secur. 2022, 113, 102545. [Google Scholar] [CrossRef]









| Reference | UAV Category | Major Domain | BCN Used | Cryptographic Technique | Use Case | Cloud |
|---|---|---|---|---|---|---|
| [23] | Drone | Authentication | N | NA | NA | N |
| [1] | UAV | Authentication | Y | ECC | NA | N |
| [3] | Drone | Authentication | N | NA | NA | N |
| [25] | UAV | Authentication/ Confidentiality | N | NA | NA | N |
| [12] | Drone | Authentication/ Confidentiality | N | NA | NA | N |
| [26] | IoT Devices | Authentication | N | NA | NA | N |
| [27] | Drone-based | Privacy | Y | NA | Y | Y |
| [28] | Drone-based | Authentication/ Confidentiality | Y | Metaheuristic Technique | NA | Y |
| [29] | Drone-based | Authentication/ Confidentiality | Y | Fedrated Learning-based Technique | NA | Y |
| [30] | Drone | Authentication/ Confidentiality | Y | NA | COVID-19-based delivery | Y |
| This Paper | UAV/IoT/Drone | Authentication/ Confidentiality/ Integrity | Y | PECC | Smart vehicular | Y |
| Functions | BCN Platform | BCN Platform | Without BCN Platform | Without BCN Platform |
|---|---|---|---|---|
| Latency Time (in Sec) | Processing Time (in Sec) | Latency Time (in Sec) | Processing Time (in Sec) | |
| Left () | 5.26 | 38 | 2.15 | 16.25 |
| Right() | 4.26 | 6.05 | 3.25 | 7.01 |
| Straight() | 5.21 | 28.15 | 2.48 | 12.25 |
Disclaimer/Publisher’s Note: The statements, opinions and data contained in all publications are solely those of the individual author(s) and contributor(s) and not of MDPI and/or the editor(s). MDPI and/or the editor(s) disclaim responsibility for any injury to people or property resulting from any ideas, methods, instructions or products referred to in the content. |
© 2023 by the authors. Licensee MDPI, Basel, Switzerland. This article is an open access article distributed under the terms and conditions of the Creative Commons Attribution (CC BY) license (https://creativecommons.org/licenses/by/4.0/).
Share and Cite
Aljumah, A.; Ahanger, T.A.; Ullah, I. Heterogeneous Blockchain-Based Secure Framework for UAV Data. Mathematics 2023, 11, 1348. https://doi.org/10.3390/math11061348
Aljumah A, Ahanger TA, Ullah I. Heterogeneous Blockchain-Based Secure Framework for UAV Data. Mathematics. 2023; 11(6):1348. https://doi.org/10.3390/math11061348
Chicago/Turabian StyleAljumah, Abdullah, Tariq Ahamed Ahanger, and Imdad Ullah. 2023. "Heterogeneous Blockchain-Based Secure Framework for UAV Data" Mathematics 11, no. 6: 1348. https://doi.org/10.3390/math11061348
APA StyleAljumah, A., Ahanger, T. A., & Ullah, I. (2023). Heterogeneous Blockchain-Based Secure Framework for UAV Data. Mathematics, 11(6), 1348. https://doi.org/10.3390/math11061348

