You are currently viewing a new version of our website. To view the old version click .
Mathematics
  • Review
  • Open Access

6 February 2023

A Review of Optimization for System Reliability of Microgrid

,
,
,
,
,
,
and
1
School of Economics and Management, Beijing Information Science & Technology University, Beijing 100192, China
2
School of Economics and Management, Beijing University of Technology, Beijing 100124, China
3
Academy of Mathematics and Systems Science, Chinese Academy of Sciences, Beijing 100190, China
*
Author to whom correspondence should be addressed.
This article belongs to the Special Issue Statistical Machine Learning with Applications

Abstract

Clean and renewable energy is the only way to achieve sustainable energy development, with considerable social and economic benefits. As a key technology for clean and renewable energy, it is very important to research the reliability optimization of microgrids. This paper reviews the research progress in microgrid reliability optimization. This paper first classifies and summarizes the existing research on microgrid control strategies and reliability assessment. Then, the system reliability optimization framework is summarized in terms of both microgrid systems and optimization objectives. Next, we summarize the most commonly used optimization algorithms for microgrid reliability for different microgrid systems. Finally, we provide a bibliometric analysis of the literature on the reliability research of microgrids. In addition, we propose some research challenges in the future for the reliability of microgrids.

1. Introduction

In order to comprehensively utilize renewable energy combined with non-renewable energy, the distributed generation technology (DGT) is proposed and developed [1]. Different from the traditional centralized large-scale power generation system based on non-renewable energy resources, DGT is applied based on the geographical distribution characteristics of renewable energy. In particular, compared with the traditional centralized power supply, distributed generation (DG), is often referred to as making full use of all kinds of scattered, easily accessible energies, including both renewable energy and non-renewable energy. With the DGT system, energy is distributed close to the consumer using a compact, modular, decentralized form of cutting-edge information control technology. Because of these characteristics, favorable conditions have been created to use renewable energy sources [2,3]. Herein, DGT has become an important tool of energy supply and an increasingly important role in the process of replacing non-renewable energy sources [4].
In order to give full scope to the advantages of renewable energy sources and DGT, the Consortium for Electric Reliability Technology Solutions (CERTS) proposed a grid structure, i.e., microgrid (MG), which aims to improve the efficiency of the energy supply system through new transmission modes and management technologies [5]. Generally, MG is defined as a hybrid energy supply system which consists of some DGs, energy storage units, loads, as well as monitoring and protection devices [6,7,8]. It is a self-contained autonomous system that connects to the external grid as a single controlled unit and is capable of self-control, protection, and management while meeting customers’ demands for power quality and supply security. It can be grid-connected or islanded. In recent years, Mao et al. [9] reviewed MG research and offered the central energy interconnection system (EIS) projects and their classification. A cooling/heating/electricity/gas multi-energy carrier, as well as micro sources, loads, energy storage, and accompanying control, monitoring, and protection devices and energy management systems, are all part of an integrated energy system placed near the client. It is a single, controlled micro-energy system that allows a region’s endogenous/network/load/storage optimization [10,11,12,13].
The micro energy grid technology will be more widely used in the future with its continuous development and strong support from the government [14]. However, a successful application of MG usually means stable and reliable. Since MG consists of many components with a complex structure and multiple energy resources, the system reliability of MG is a very worthy topic [15]. The reliability optimization calculation can be used to develop a reasonable system design or operation strategy to improve the efficiency and economy of the system. Therefore, many studies about reliability modeling and optimization of MGs have been done [16,17,18].
However, there is not already a complete analysis of MG reliability optimization methodologies and techniques. Therefore, in order to help designers and researchers address these challenges and make potential recommendations for MG design and practical applications, this paper provides a survey of studies on MG reliability optimization in four areas: (1) MG control strategy and reliability assessment; (2) optimization framework; (3) optimization algorithm; and (4) bibliometric analysis of the literature. There are several contributions of this work.
The rest of this paper is arranged as follows. Section 2 summarizes the research progress on control strategies and reliability assessment related to MGs. Section 3 studies the optimization framework of MG reliability in terms of optimization system and optimization objectives. Section 4 examines several major algorithms. Section 5 provides the literature bibliometric analysis for previous studies on the optimization of MG reliability. Section 6 gives the conclusion of the paper.

2. MG Control Strategy and Reliability Assessment

2.1. MG Characteristics

A MG system is a regulated power supply system that connects loads, DG, energy storage devices and power electronic converters through the grid. The MG differs from the traditional grid structure in that it is an independent and autonomous system. MGs are connected to the external grid as a single control unit, capable of self-control, protection and management, while meeting customer requirements for power quality and security of supply [19,20]. It can be grid-connected or islanded. In practice, a MG is an area where DG and loads are connected in some way to form a small distribution network, and the management system is managed and controlled [21,22,23]. In this case, when the network structure or load capacity in the MG changes, according to the information collected by the management system, the regulation and control of the DG can be realized, thus ensuring the reliability, flexibility and stability of the distribution network power supply. In addition, renewable energy can be used in the MG to reduce the backup capacity of the grid to a certain extent, so it has better economic benefits compared with the traditional grid [24,25]. When a fault or security incident occurs in the grid, it only affects the MG where it is located, with minimal impact on the larger grid, which effectively ensures the reliability of the power supply. The characteristics of MGs are mainly reflected in two aspects:
(1)
Flexible MG operation
MGs are commonly operated in grid-connected mode and islanded mode [26,27,28]. When the MG is operated in grid-connected mode, the power flows in both directions. When the MG is operated in islanded mode, the separation from the grid by isolation switches can avoid problems such as voltage dips, frequency drift or other man-made faults. By adopting advanced control strategies, MGs can ensure high power quality supply and seamless transition between islanded and grid-connected modes, and reduce or avoid the impact on critical loads when the grid system fails [29,30]. Thus, MGs not only enable bidirectional power flow, but also operate independently with protection of the supply reliability of critical loads.
(2)
MGs can be connected to the grid on a large scale
When DG is connected to the grid in a grid-connected operation, the phases cannot be strictly synchronized, therefore causing large loop current and voltage fluctuation problems. To avoid this problem, researchers introduce various advanced intelligent control techniques, such as energy storage technology, PQ control and droop control [31,32]. It not only minimizes the adverse effects of DG on the operation of the public grid, but also makes it possible for users to connect a large number of DGs in parallel. When the MG is operated in islanding mode, the DG in the network is managed and controlled by control methods to maintain voltage and frequency stability, and to achieve continuous power supply to critical loads. After the large grid is cleared of faults, the MG changes from islanding mode to grid-connected mode again to provide power for customers together with the public grid.

2.2. MG Control Strategy

The control strategy of MG is a key part to ensure the normal operation of MG. A mature control strategy can improve the reliability, flexibility and stability of the MG [33,34,35]. Since most of the power sources inside the MG are renewable energy sources, the uncontrollability and small capacity of the power sources make the traditional large motor control methods unsuitable for this purpose. The power sources are mostly connected to the MG system through power electronics units, which also puts more precise requirements on the control of the MG for the power electronics units. Therefore, in order to ensure the reliability of the MG system, all MG characteristics require the design of a control strategy for the MG. Next, the three commonly used MG control strategies are introduced.
(1)
Master–slave control strategy
The master–slave control consists of a master controller and a slave controller, as shown in Figure 1. The master controller maintains the stable operation of the system, which usually acts on the micro sources with adjustable power, and the slave controller guarantees the output power of the micro sources [36]. When the MG is switched from grid-connected to islanded operation, the communication system is used to notify the master controller to switch from PQ control to V/f control or droop control, which guarantees the voltage and frequency stability of the system operation. However, when the master controller communication fails, the whole MG system fails to supply continuous power to the load. When the slave controller fails, the system operates at reduced capacity, but it can still maintain power for important loads. To minimize the loss of energy from the MG, Pasha et al. [37] determined the optimal operation mode of the DG by adding a new set of constraints to the planning problem, in addition to the siting problem of DG in the master-slave controlled MG planning. To solve the problem of pollution caused by generation, Habibnia et al. [38] proposed a centralized control method based on a master–slave approach to save energy and improve the reliability of MGs.
Figure 1. Master–slave control structure of MG.
(2)
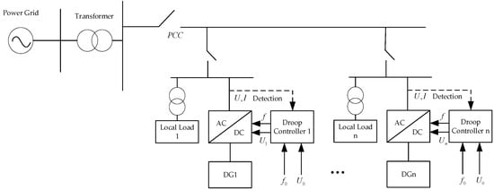
Peer-to-peer control strategy
The peer-to-peer control is no master–slave relationship between micro sources, and the structure is shown in Figure 2. Plug-and-play functionality can be achieved without the need for communication devices [36]. In the peer-to-peer control structure, the droop control strategy is generally used to realize the calculation between active-frequency and reactive-voltage, so that the power can be reasonably distributed and the system can operate properly. When the MG is in grid-connected or islanded operation without changing the micro sources converter control method, it will not affect the stability of system operation voltage and frequency, and ensures the reliability of the MG system [39,40]. Wang et al. [41] proposed a multi-layer multi-intelligent architecture to achieve peer-to-peer control of networked MGs, and verified the effectiveness and superiority of the method through experiments.
Figure 2. Peer-to-peer control structure of MG.
(3)
Hierarchical control strategy
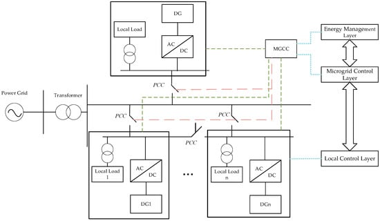
The hierarchical control strategy is the most commonly used control architecture currently, as shown in Figure 3. Generally, the system is divided into three layers from the control point of view. The first layer is the local control layer, which is mainly the local control of power sources and loads according to their own control characteristics and operation modes. It ensures the maximum power generation of renewable energy and maintains the stable operation of voltage and frequency in the system. The second layer is the MG control layer, which coordinates the power dispatch between MG and distribution network or MG and MG. The third layer is the energy management layer, which is mainly based on the principles of safety, economy, stability and reliability, and the algorithm is used to reasonably and optimally allocate the power output of each DG. The operating cost of the system is optimized to achieve economic and stable operation of the MG [42]. Wang et al. [43] added a study on reliability and operational efficiency for the existing hierarchical control strategy to improve the reliability of MGs in the long term. Power fluctuations and bus faults can prevent the MG system from operating properly. Zhao et al. [44] proposed a coordinated control strategy that includes five levels, which improves the reliability and effectiveness of the MG during operation.
Figure 3. Hierarchical control structure of MG.

2.3. MG Reliability Assessment

Reliability assessment is the ability of a component or system to continuously perform its function under specified time intervals and conditions. At present, there is a wide range of application areas regarding reliability assessment research [45,46,47,48,49,50,51,52,53]. As for the study of reliability assessment in MG, MG reliability assessment is an essential stage in the planning and construction of MG, which can be divided into islanded MG and grid-connected MG according to the operation mode of MG.

2.3.1. Reliability Assessment of Islanded MGs

The islanded MG has the feature of independent operation by relying on the micro sources, which has a wide development prospect. In particular, for some remote areas, it is difficult to guarantee the power supply for local users due to the geographical conditions and the difficulty of transmission construction. The islanded MG can make full use of environmental resources such as landscape energy and geothermal energy in remote areas to solve the transmission cost and ensure the power supply for local users. At present, some researchers have done a lot of works considering the islanding mode of MGs when the distribution network fails. Zhong et al. [54] studied the reliability of MGs as a whole, considering the operational failure rate and repair rate of power electronics units. For a more accurate assessment of reliability, Xu et al. [55] considered the protection of MGs by using a short-term outage model to evaluate the impact of protection systems and operating conditions on MG reliability metrics. Youssef [56] proposed a Markov-based algorithm and a first-order approximation method that was used to evaluate the impact of protection design and preventive maintenance of protection devices on MG reliability. Existing work has done a lot of reliability studies about MGs combined with conventional generation or with renewable energy sources. Kennedy et al. [57] modeled historical data on component failure, component repair, and renewable energy by Monte Carlo simulation (MCS). Ansari et al. [58] combined MCS with an analytical approach to evaluate the reliability of customer loads in islanded MGs. The method considers the changing timing of renewable energy sources and the priority order of loads.

2.3.2. Reliability Assessment of Grid-connected MGs

The grid-connected MG mainly has two operation modes: grid-connected and islanded. When the grid fails, the MG will switch from grid-connected operation mode to islanded operation mode and it will automatically switch back to grid-connected operation mode when the grid returns to normal. Therefore, the reliability assessment of islanded MG is the basis of the reliability assessment of grid-connected MG. At present, researchers have done a lot of research about grid-connected MGs and renewable energy systems [59,60]. The combination of MG and renewable energy contributes to sustainable energy development [61]. Barani et al. [62] assessed the impact of ICT integration into the system and the impact of non-dispatchable renewable energy by examining the reliability of grid-connected MGs. Zhou et al. [63] established the load demand response model for the degree of load satisfaction of new energy sources in MGs to improve the reliability index of grid-connected MGs in different lighting conditions.

2.3.3. Reliability Assessment Indicators

Reliability analysis plays a fundamental role in the study of MGs, and common reliability metrics include system average interruption frequency index (SAIFI), customer average interruption frequency index (CAIFI), system average interruption duration (SAIDI), customer average interruption duration (CAIDI), average supply availability index (ASAI), expected electricity not supply (EENS), etc. [64].
(1)
SAIFI
SAIFI indicates the average number of outages per customer in a unit of time, which can be expressed as
S A I F I = i λ i N i i N i
where N i is the number of users at load point i and λ i is the fault outage rate of load point i .
(2)
CAIFI
CAIFI represents the average number of power outages per customer in a year, as shown in Equation (2).
C A I F I = i λ i N i j E F F N j
where E F F is the set of load points where the outage occurred.
(3)
SAIDI
SAIDI is the average duration of all outage events for each customer over the course of a year, which can be shown as Equation (3).
S A I D I = i N i U i i N i
In Equation (3), U i is the equivalent average outage time at load point i .
(4)
CAIDI
CAIDI is the average duration of power outages per customer over the course of a year, as shown in Equation (4).
C A I D I = i N i U i i λ i N i
(5)
ASAI
ASAI represents the total time a customer receives a continuous supply of electricity in a year divided by the total number of hours in the year, which can be expressed as
A S A I = 8760 i N i i U i N i 8760 i N i
(6)
EENS
EENS indicates the total outage of the load in the system, which can be expressed as
E E N S = L a i U i
where L a i is the average load connected at outage load point i , which equals the product of the annual peak load at load point i and the load factor.
Researchers have done a lot of work on the existing indicators for MG reliability assessment. Luo et al. [65] proposed the following new indicators for MG reliability assessment: PCC equivalent outage indicator, intermittent DG reliability indicator, islanding operation reliability indicator, and benefit indicator, and gave specific calculation methods. Bie et al. [66] used the number of energy storage discharges and the average depth of discharge as energy storage indicators to quantitatively assess the impact of coordinated load and storage optimization on reliability.
For the characteristics of the islanded MG, Sun et al. [67] considered the relationship between the composite stochastic load model and the power supply model in the reliability analysis, and proposed a measure that can reflect the system adequacy and dynamic characteristics in the islanded mode. Wang et al. [68] proposed two new reliability indicators, the first average continuous duty cycle and the operational stability rate of the islanded MG, and evaluated the reliability of the MG using these two new reliability indicators. Wang et al. [69] proposed a series of reliability and economic evaluation indicators, including reliability parameters for isolated MGs, customer-based reliability indexes for MGs, economic indexes for MGs, indexes for DG and load characteristics, which were simulated using the MCS method to provide scientific and comparable information for the design and operation of MGs. Guo et al. [70] defined a new set of reliability indicators to illustrate the impact of frequency control failures on the reliability of isolated MGs, including the generalized system average interruption frequency index (GSAIFI), the generalized system average interruption duration index (GSAIDI), the generalized expectation of energy not supply (GEENS), and the generalized average service availability index (GASAI).

2.3.4. Reliability Assessment Methods

The reliability assessment methods for MGs can be divided into two types, the analytical method and the simulation method, which are listed below.
Analytical Method
The analytical method is an algorithm based on the Markov model to solve the system reliability index accurately [71]. The main analytical methods include failure mode and effect analysis (FMEA), minimum path method, etc.
(1)
Failure mode and effect analysis
The main objective of the failure mode and effects analysis method is the identification of failure modes to analyze the causes and effects of various component failure modes so that measures can be taken to prevent or reduce the possibility of high-risk failures [72,73,74]. Akula et al. [75] used the FMEA method for risk assessment of MG systems to determine the effects of various failure modes on their performance. Hecht et al. [76] applied the FMEA method to the micro control system. Ge et al. [77] performed reliability assessment of the developed two-layer optimization model by FMEA method to quantify the effect of configuration on the economy of MG system reliability.
(2)
Minimum path method
The minimum path is the set of direct arcs or indirect arcs connecting any two nodes that becomes a path between these two nodes. This method is a fast assessment method based on the principle of minimum path. Wu et al. [78] studied the entire distribution system topology in combination with DG islanding operation and used the minimum path method to assess the reliability of distribution networks containing DGs. Shen et al. [79] used a radial distribution network as a model, which proposed a reliability assessment algorithm based on the minimum path breadth optimization search.
Simulation Method
Simulation method is a computational method based on statistical theory and probability theory. The main simulation methods include the MCS method and the sequential Monte Carlo (SMC) method.
(1)
MCS method
MCS is frequently used for long-term reliability assessment of MGs since this allows the sample space size to be set very large to take into account the majority of operating scenarios. Liang et al. [80] studied the stochastic characteristics of renewable energy generation and developed a reliability model considering reserve equipment and proposed a reliability assessment method based on MCS. Dong et al. [81] used MCS to calculate the reliability index of the wind-time-fuel energy storage system with corresponding reliability constraints, and analyzed the optimal combination of wind turbine installation capacity and energy storage system capacity based on the optimization results. Lu et al. [82] considered the stochastic characteristics of MG power generation and used MCS to model the power output of different types of MG power sources with the lowest integrated economic cost as the optimization objective in order to establish an optimization mathematical model.
(2)
SMC method
SMC generates high-dimensional random samples through a sequential approach, a feature that makes it more suitable for dealing with computational problems in real-time systems. Guo et al. [83] proposed a cyber-physical evaluation model in order to quantify the reliability of isolated MGs using SMC. Araújo et al. [84] used SMC to select the system scenarios that lead to uncertainty, as follows: DG unavailability, load forecasting errors, load fluctuations and intermittence of renewable energy resources. Saleem et al. [85] used SMC to simulate the system, and reliability assessment of isolated MGs operating with renewable energy sources. Farzin et al. [86] evaluated the reliability of MMGs using SMC and showed that the reliability of coordinated MMG systems was improved, and that the decentralized approach was more suitable for large MMG.

3. Optimization Framework

3.1. MG System

MGs include grid-connected MGs and isolated MGs. Grid-connected MGs have two typical modes of operation, namely grid-connected and islanded. Grid-connected MG exchange power with the main grid when operating in grid-connected mode. They can also be shifted to the islanded mode when used in remote areas or emergencies to guarantee local grid services [87]. While isolated MGs are only usable in islanded mode, they are better suited for isolated locations without grid coverage. It can lower the price of power supply in remote areas and increase the effectiveness of using local renewable energy sources.
In general, there are five different types of MG systems: the microgrid cluster (MGC) system, the islanded MG, multi-microgrid (MMG) system, the smart microgrid (SMG) system, and the hybrid microgrid (HMG) system. Their characteristics and related studies are summarized in Table 1.
Table 1. Features of different MG systems and related studies.

3.1.1. MGC System

Tian et al. [88] defined MGC as cluster systems in which multiple MGs are connected together to achieve specific functions and control objectives. Huang et al. [89] considered that the main difference between MGC and MMG is cluster control, so MGC is defined as a complex grid with cluster control, consisting of two or more sub-MGs that can operate independently or work together to achieve certain objectives.
When multiple geographically close MGs are connected together to form an MGC operation through medium voltage AC lines, the reliability of the MGC and the community’s immunity to interference can be significantly enhanced and the cost will be reduced [90]. In order to improve the economic efficiency and reliability of MGC and reduce the operation risk, Zhang et al. [91] proposed a two-layer optimized operation strategy for MGC. Dinkhah et al. [92] proposed a novel control strategy combining both droop control and virtual inertia control, which relies on online measurements and can be adapted to different situations. Wu et al. [93] proposed a hierarchical cooperative control strategy for alternating current (AC) MGCs to achieve multiple control objectives simultaneously at the MGC system level, including minimizing operating costs, minimizing voltage fluctuations, and reducing frequency fluctuations. Shen et al. [94] proposed an MGC optimal operation model with coordinated reliability and economy, and solved it using Particle Swarm optimization (PSO). Specifically, the optimal reliability objective is to minimize the outage loss due to the expected power shortage of the MGC, and the optimal economic objective is to minimize the total investment and operation cost.

3.1.2. Islanded MG

In general, the MG runs in parallel with the grid. In case of system failure, the MG is separated from the grid and enters the islanded mode, which requires the internal micro power supply to provide stable power for the system to ensure the customer’s load demand.
Xie et al. [95] used fault tree analysis to develop a reliability model for unplanned islanded operation of MG and used the Monte Carlo method to calculate the failure rate of islanded operation of MG for a fixed period of time to assess the continuous power supply capability of MG under extreme operating conditions. In order to evaluate the short-term reliability of isolated MGs, Li et al. [96] proposed a fault tree model with significant loads, but they neglected to take the effect of uncertainties such as wind and light on system reliability into account. Peng et al. [97] proposed a short-term reliability assessment method for islanded MGs with time-varying universal generation function (TVUGF) considering a single fault state of the system. Yang et al. [98] proposed a framework for real-time collaborative scheduling and used consistency theory to solve the real-time scheduling problem in islanded MGs. Zhou et al. [99] proposed an adaptive distributed economic control for islanded MGs considering line losses to deal with power constraints and capacity limitations of storage. Huo et al. [100] combined comprehensive reliability assessment and opportunity constrained convex optimization to optimize the scale of energy storage in isolated MGs to improve system reliability and economy.

3.1.3. MMG System

It has been suggested that if multiple low-voltage MGs, distributed power sources, and medium-voltage controllable loads are connected to a single medium-voltage grid, it is referred to as an MMG [101,102]. MMG is a complex system consisting of individual MGs. Compared with individual MGs, MMG has obvious features, and the interconnection of MGs not only helps to absorb excess power, but also can support each other as backup power sources [103,104], which greatly improves the reliability and economy of the overall power supply system.
For MMG, the optimal scheduling and coordinated control among MGs is a critical and complex issue that can directly affect the reliability of MMG. The research on MMG mainly focuses on the control structure and coordinated and optimized operation. Zhi et al. [105] provided a detailed overview of the literature on MMG models and coordinated control strategies, and suggested key technologies for the future development and research of MMGs, and then gathered on the planning, optimal energy scheduling and control of MMGs [106,107,108]. Xu et al. [109] applied multi-agent technology to MMG, using a multi agent system to control the power balance within each micro network, and involved MMG as a whole in the operation of the upper layer network. Using the multi-agent consensus algorithm, Zhai et al. [110] proposed a real-time cooperative power scheduling framework and algorithm to solve the real-time power scheduling problem of islanded MMGs, reduce the total regulation cost, and improve the system reliability.

3.1.4. SMG System

SMG is a new type of grid composed of distributed power generation technology, which is a power distribution system composed of distributed power sources, energy storage units, energy conversion devices, as well as load and protection devices through power electronics. Saleh et al. [111] defined SMG as a modern grid, which uses communication and information technology to intelligently make automated decisions to improve the reliability, productivity, economy, sustainability and power distribution resilience of the grid. Energy balancing in SMG plays a crucial role to improve reliability and ensure continuous energy supply. Albogamy et al. [112] established a dynamic energy pricing mechanism to ensure the reliability of SMG and automated energy balance to overcome the supply and demand gap. Hasankhani et al. [113] proposed a stochastic energy management algorithm in order to solve the problem of SMG participation in the electricity market, which not only minimizes the total cost but also finds the optimal size of different components.
Machine learning and artificial intelligence play a key role in the field of SMG communications. These techniques are mainly used for resource allocation, scheduling design, control devices, and integrated communication [114,115,116]. Huang et al. [117] reviewed the problem of SMG power dispatching from a deep learning perspective. Medhat et al. [114] proposed a Q-learning-based resource allocation scheme aimed at reducing latency and improving fairness. Shabani et al. [115] proposed blocking scheme to overcome the coordination problem using the communication infrastructure of modern smart grid. Prakash et al. [118] developed a communication architecture for SMG, focusing on the selection of communication technologies suitable for smart grid data transmission.

3.1.5. HMG System

Wind, solar, diesel generators and battery storage are combined to form the HMG. The intermittency of renewable energy sources and depletion of natural resources drive the need for HMG, which have greater advantages over single MGs [119], combining the advantages of AC and DC MGs, reducing the disadvantages of overall deficiencies and improving system reliability. It has better performance in reducing the grid conversion level, maintaining load access, and maintaining stable grid operation [120,121].
Marqusee et al. [122] examine the impacts for MGs in Maryland, New Mexico and California, and show that HMG are more resilient and cost effective compared to diesel-only systems, and HMG can provide higher system reliability with lower life-cycle costs when islanded. Azeem et al. [123] discussed the security and reliability of HMGs, integration of AC-DC MGs, optimization of load management in different scenarios, renewable energy uncertainty, and cost control methods, and this paper can be used as a baseline for HMGs in comparative analysis, development of new technologies, future research.

3.2. Optimization Objectives

In general, there are some optimization objectives: economic performance, energy management and environmental protection. Their contributions and related studies are summarized in Table 2.
Table 2. Contribution of different optimization objectives and related studies.

3.2.1. Economic Performance

He et al. [124] and Tang et al. [125] optimized the installed capacity with the objective of maximizing revenue on power generation considering the multiple uncertainties of new energy output. Sarfi et al. [126] proposed a novel multi-objective optimal scheduling framework for economical and reliable operation of MG, which minimizes not only generation costs, but also reliability costs. By analyzing the cost and reliability, Nasser et al. [127] proposed an economical and reliable MG optimization design method to determine the optimal combination of generation capacity of multiple energy carriers in MG. Yang et al. [128] developed an economic dispatch model for MG to minimize the cost of power generation and environmental management considering the highest grid-connected revenue. González et al. [129] optimized a grid-connected HMG system based on minimizing the life-cycle costs of PV, wind and biomass energy with the following objective function:
N P V = C i n v e s t m e n t + N P V O & M + N P V b i o f u e l + N P V r e p t N P V e l e c t r i c i t y N P V e n d l i f e
where N P V is the Net Present Value, C i n v e s t m e n t is the initial investment cost, including PV panels, wind turbines, and biomass gasifier, N P V b i o f u e l is the cost of operation and maintenance, N P V b i o f u e l refers to the cost of biomass fuel acquisition, N P V r e p t is the current cost of equipment replacement, N P V e l e c t r i c i t y is the benefits of electricity sales, and N P V e n d l i f e indicates the present value of revenue earned from the equipment sale at the end of the lifetime of system.

3.2.2. Energy Management

Energy is a crucial material guarantee for national livelihood, as well as for the survival and development of human society. In recent years, global warming and the increasing demand for clean energy have made the redistribution of traditional energy sources urgent. Today, with the rapid development of power grids, MGs are more capable of integrating resources, forming a transmission method that is both efficient and environmentally friendly, more reasonable in terms of resource allocation, and can fully realize autonomous power supply.
Ganesan et al. [130] proposed a powerful energy management solution for MGs to promote optimal and economic control of the energy flow across the MG. In addition, relevant research has proposed optimal scheduling for demand-side energy management [131,132,133]. To overcome the intermittent nature of renewable energy sources, Mohamed et al. [134] developed and implemented a real-time three-level control algorithm for DC-MGs, which virtually aggregates neighboring MGs into clusters. Karimi et al. [135] considered the dependence on the grid and the cost of the MMG, and established the energy management system as a multi-objective optimization problem, proposing an independent metric as a function of the flexible load, thus reducing the energy and operational costs of injecting MMG from the grid. Liu et al. [136] proposed a robust energy management algorithm to address the problem of MMG participation in the electricity market. Nayak et al. [137] proposed a new energy management algorithm to solve the problem of MG participation in the electricity market with the objective of minimizing the total cost. Xiao et al. [138] proposed a multi-stage energy management system for DC-MG operation to ensure system reliability, control accuracy, power quality and response speed. Yan et al. [139] proposed an energy optimization method for MGs that reconciles reliability and economy, weighing outage losses and investment and operation costs to obtain the optimal operating capacity and power supply strategy for MGs.

3.2.3. Environmental Protection

In order to fully take advantage of the environmental benefits of DG and energy storage devices and achieve the goal of energy savings and emission reduction, MG, as a crucial component of SMG, enables efficient and flexible use of these technologies [140]. Ishraque et al. [141] proposed an economic dispatch balancing approach based on environmental constraints, working to find a better compromise between generation costs and emissions pollution. Shahab et al. [142] calculated the optimal capacity ratio of DG in MG by analyzing the emission reduction objective function of MG in order to reduce the waste of resources and regain the energy saving and emission reduction benefits of MG. Tang et al. [143] established a model with the lowest CO2 emissions as the objective to solve the optimal configuration of the installed capacity of new energy sources, and the CO2 emissions of wind turbines and PV panels were calculated as follows:
C W = N 1 C W S + C W Y + C W H + C W C C P V = N 2 C P V S + C P V Y + C P V H + C P V C
where C W is the CO2 emissions from wind turbines, N 1 is the number of wind turbines required, C P V is the CO2 emission from PV panels, N 2 is the number of PV panels per unit, and C W S and C P V S are the CO2 emissions generated during the manufacturing process of individual wind turbines and PV panels per unit area, respectively. C W Y and C P V Y are the CO2 emissions generated during the transportation of individual wind turbines and PV panels per unit area, respectively. C W H and C P V H are the CO2 emissions from the recycling process of individual wind turbines and PV panels per unit area, respectively. C W C and C P V C are the CO2 emissions from wind farms and photovoltaic (PV) power plants during the construction process, environmental damage and later restoration process.

3.2.4. Multi-Objective Optimization

In general, multi-objective optimization can optimize the reliability of MGs more accurately than single-objective optimization, and can achieve better economic and environmental benefits. Multi-objective optimization usually involves economic, environmental, energy and system reliability aspects.
Suman et al. [144] optimized the design of HMGs to meet load requirements while minimizing overall cost, fuel consumption and CO2 emissions. Yang et al. [145] developed a multi-objective optimal dispatch model considering the operational performance of an isolated MG. The generation cost, environmental management cost and power supply reliability of MGs were also considered. With the lowest economic cost and the lowest environmental impact as the optimization objectives, Dong et al. [146] developed an economic cost model for MG in two operation modes to analyze the charging and discharging strategies of energy storage devices. By taking into account economic, reliable, and energy use indicators, Zhu et al. [147] proposed a multi-objective optimization approach. The three optimization goals are to reduce the likelihood of a power supply failure, the cost of energy, and the likelihood of energy dumping. The proposed scale optimization problem is resolved by the multi-objective gray wolf optimization algorithm. Ren et al. [148] developed a model to optimize the annual operating costs, annual CO2 emissions, and reliability of PV for residential electric systems. Hong et al. [149] determined the optimal capacity of the energy storage system in an islanded MG. A multi-objective planning formulation was developed to optimize four objective functions: minimum energy storage capacity, minimum dump load, minimum swing frequency, and minimum customer average interruption duration index (CAIDI). The Pareto optimal solution is investigated, and the problem’s optimality is assessed.

4. Optimization Algorithms

4.1. Algorithms of MGC

Generally, many algorithms are widely used in MGCs [90,91,150,151]. For example, Yilin et al. [151] proposed the finite-time consensus algorithm which can converge in limited time or iteration steps, with good robustness, and can adapt to various uncertain perturbations. The artificial bee colony (ABC) algorithm can obtain quality solutions in less time compared to the genetic algorithm, the random forest algorithm [152], and the ant colony optimization with tabu search; however, there are still shortcomings in solving the search equation, which is good at exploration but not at development. Researchers have conducted many improvement studies based on the ABC algorithm [153,154,155,156]. Zhang et al. [91] proposed an improved artificial bee colony algorithm (IBAC), which combines the crossover operator of genetic algorithm to solve the immaturity problem of BAC algorithm and improve the optimization performance of the algorithm. The traditional bat algorithm has obvious advantages in optimization speed which has more robust plasticity than other algorithms, but a too fast convergence speed often leads to difficulties in selecting the best data clusters for incomplete traversal. Zhou et al. [150] proposed an improved bat algorithm that can effectively jump out of the local optimization dilemma based on the very fast computing speed. Miao et. al. [90] proposed a decentralized algorithm with the same performance as the optimal centralized controller for the self-organization of MG cluster and the power exchange between MG. We introduce the algorithm in detail as follows:
(1)
Generation cost as a function of power exchange
When the available power supply is equal to the power demand within the MG, the power balance is formulated in Equation (9) as
G ¯ R + G ¯ C + η S O C C S / T 1 = L + P e x
where G ¯ R represents the forecasted hourly renewable generation. G ¯ C represents the forecasted hourly conventional generator. C S represents the capacity of energy storage, S O C represents the state-of-charge, η η 1 represents the charging or discharging efficiency, L represents the overall load to be served, and P e x represents the power exchange to the cluster.
(2)
Decentralized algorithm for optimal power exchange
To minimize the total generation cost, it can be shown as Equation (10).
min i = 1 N C i P e x , i
where P e x , i represents the power exchange of MG i to the cluster, and C i ( ) represents the cost function of MG i .
(3)
Decentralized algorithm for MGC
By incorporating the decentralized solution to the optimal power exchange problem, the total algorithm for self-organization of MG cluster is summarized in the decentralized control algorithm. The flow chart for the optimization algorithm in this study is shown in Figure 4.
Figure 4. The flow chart of the decentralized control algorithm.

4.2. Algorithms of MMG

The multi-agent consensus algorithm is one of the main algorithms in MMG. Zhai et al. [110] proposed this algorithm to effectively solve the real-time power scheduling problem of island MMG. Due to the distributed implementation, robustness and scalability, the multi-agent consensus algorithm has been widely used in many coordination problems [157,158,159,160]. The advantage of this algorithm is that it can obtain the desired convergence value with less transmission information and shorter optimization time. Xin et al. [160] proposed a reliability evaluation algorithm based on the parallel computing algorithm of a MMG for the operation characteristics of the MMG. The algorithm can conspicuously improve the computing speed of the reliability evaluation algorithm for MMG, the algorithm application from which can be shown as follows:
(1)
Sampling output of solar panels
Then, the model of light intensity variable is gained. The relationship between PV power output and light intensity is shown as follows:
T c = T a + I t N O T 20 0.8  
I = I t I s c + K i T c 25
V = V o c K v T c
F F = V m p I m p / V o c I s c
p p v I = N F F V I
where T a denotes the ambient temperature; T c is the battery temperature; I t and I s c denote, respectively, the sampling value of the light intensity at time t and the short-circuit current for PV panels; K i is the temperature coefficient of the PV panel; K v is the voltage temperature coefficient of the battery; V o c and V m p are the open circuit voltage of PV panels and the maximum power running point voltage of the PV panel, respectively; and I m p indicates the maximum power operating point current for the PV panel.
(2)
Sampling output of wind turbine
General speaking, the Weibull distribution described the randomness of the wind speed. The equation can be given as follows:
f v = k / c v / c k 1 exp v / c k
where k is the shape coefficient and c is the scale coefficient.
(3)
Reliability assessment algorithm of MMGs
The flow diagram of reliability assessment algorithm which can be seen in Figure 5.
Figure 5. The flow chart of the reliability assessment algorithm.

4.3. Algorithms of SMG

Many researchers use the PSO algorithm on SMG [161,162,163,164,165,166]. The PSO algorithm is a stochastic global optimization method based on the origin of the biological world of the population intelligence family. The algorithm is simple and efficient in solving engineering optimization problems and has a strong global optimization ability. The algorithm was developed by Kennedy and Eberhart in 1995 [167]. Elamine et al. [161] proposed a hybrid algorithm of PSO and BP, which switches between the process of PSO searching for global optimization and the process of BP searching for local optimization. Since the advantage of BP algorithm is to achieve faster convergence near local optimization, but the search speed is very slow in global optimization. The hybrid algorithm of PSO and BP compensates the deficiency of BP algorithm. This algorithm can accurately predict the wind speed in the typical case of deregulated power market, as follows:
(1)
The objective of the optimal control for MG
When demand is greater than the expected energy and the available power, we make optimization decisions based on the electricity price determined by the main power MG, the cost of diesel and the maximum energy of the generators, which can be formulated as follows:
Min   F c o u t = i = 1 n C p g i k + X m k p r k
where C p g i k is the cost function of unit i in period k ; X m k indicates the power injected by the main grid i in period k ; p g i k are, respectively, the power of the diesel generator i , p r k denotes the electricity price for the period k .
(2)
Hybrid PSO-BP algorithm for wind speed prediction
The flow chart of the hybrid PSO-BP algorithm can be seen in Figure 6.
Figure 6. The flow chart of the hybrid PSO-BP algorithm.

4.4. Algorithms of HMG

Researchers used different algorithms in HMGs [147,168,169,170]. For example, Cao et al. [168] proposed an improved two-archive many-objective evolutionary algorithm based on fuzzy decision to solve the sizing optimization problem for HMG systems. The conventional evolutionary algorithm can solve the objectives simultaneously, but it has a small application range and may obtain good results only for certain types of optimization problems. Therefore, this algorithm can be applied to solve MG sizing optimization problems with more objectives and constraints. Zhu et al. [147] introduced Halton sequence and social incentive strategy, and proposed an improved multi-objective gray wolf optimization algorithm which has a strong global optimization capability and better convergence and robustness. Sarkar et al. [169] proposed a hybrid algorithm based on the water cycle and moth flame algorithm to solve the problem of optimal relay coordination in MG. The algorithm has fewer control parameters, fewer iterations, a shorter calculation time and a faster convergence speed. The genetic algorithm is commonly used for the optimization of HMGs, which have strong convergence accuracy and the ability to provide optimal performance [171,172,173]. Zhao et al. [170] used the genetic algorithm to solve the unit size optimization problem of HMG, as follows:
(1)
Optimization goal
The overall life-cycle cost of the system can be given as follows:
C = I C + M C + F C + V C R V
where I C indicates the initial investment cost, M C indicate the M&O cost, V C indicates the replacement costs, F C is fuel consumption, and R V is residual value.
Considering the expected price of electricity produced by the MG and the time-value increase in cost, the present value is shown as follows:
c 0 = C E t o t 1 n 1 + i 0 1 + i j
(2)
Multi-objective optimization
In order to better carry out the multi-objective optimization, c s t indicates the energy generation cost and Q s t indicates the pollutant emission. By taking c s t and Q s t as the reference basis for normalization, the single-objective optimization is as follows:
min f = μ 1 c 0 c s t + μ 2 1 λ r e + μ 3 Q d e Q s t  
(3)
Optimization process
For this system, a genetic algorithm is used to solve the unit-sizing optimization problem for the hybrid MG system, i.e., to choose the optimal power ratings for the BS, WT, PV, and DE units and select the BS energy capacity. The flow chart of the optimization process can be seen in Figure 7.
Figure 7. The flow chart of the optimization process.

5. Bibliometric Analysis of Literature

The study of MG reliability has been a hot topic. This paper summarizes the MG reliability-related literature published in SCI-indexed journals from 1 January 2016 to 20 June 2022 by using CiteSpace. The keywords used to search for papers were “operational reliability” and “microgrid”. We used the first author’s institution and country as the representative institution and country of the paper. The statistics of publications are shown below.

5.1. Methods and Data

5.1.1. Methods

For the purpose of the analysis, the Java program CiteSpace, developed in 2006, was used, which is a powerful tool for document analysis and bibliometric visualization [174]. The benefit of the software is that it implements text mining, network pruning, grouping and naming, and burst detection, while also offering an intuitive and unmistakable representation of the knowledge structure of the literature.

5.1.2. Data

The Web of Science (WOS) was used to gather bibliographic data on MG dependability across a six-year period (2016–2022). In total, 1103 records are available in WOS (excluding reviews).

5.2. Results

The number of articles related to MG reliability and the total number of citations for each year were summarized by using CiteSpace, as shown in Figure 8.
Figure 8. Annual distribution and total number of citations of articles (2016–2022).
Since 2016, there have been 1103 papers published related to MG reliability. From 2016 to 2021, the number of articles presented a large growth, from 109 to 192. The number of citations shows that the influence of journals has increased significantly, and scholars are paying more attention to the research on MG reliability. The fastest growth was in 2017, when the journal publication growth rate reached 55.05%. Among them, the most cited article is “DC MG Technology: System Architectures, AC Grid Interfaces, Grounding Schemes, Power Quality, Communication Networks, Applications, and Standardization Aspects”, with a total of 269 citations.

5.2.1. Country and Publisher

We summarized and analyzed the countries and publishers that published papers related to MG reliability using CiteSpace, as shown in Figure 9, Figure 10 and Figure 11.
Figure 9. Dendrogram of publishing country.
Figure 10. Dendrogram of publishers.
Figure 11. Association diagram of publishers. (Timespan: 2016–2022; slice length = 1; g-index = 25; LRF = 3; LBY = 5; e = 1; n = 249; E = 159).
As shown in Figure 9, the countries with the largest number of publications related to MG reliability are as follows: 303 in China, 200 in the United States, 144 in Iran, 135 in India, 60 in Denmark, 51 in Australia, 46 in South Korea, 44 in Saudi Arabia, 43 in Canada, and 34 in England. Of these, China has the most publications, with a 51.5% increase over the US, demonstrating that China lays the greatest importance on the reliability of MGs.
As shown in Figure 10, the institutions with the largest numbers of publications related to MG reliability are Aalborg University (53), Indian Institute of Technology (41), North China Electric Power University (35), Egyptian Knowledge Bank (31), Islamic Azad University (31), National Institute of Technology (30), United States Department of Energy (24), State Grid Corporation of China (19), Nanyang Technological University, Xi’an Jiao Tong University and the National Institute of Education (17 each). Among these institutions, three are from China, two are from the United States, two are from Singapore, one is from Iran, one is from India, and one is from Egypt. We can also see that developing countries are more interested in research on MG reliability than developed countries. In combination with Figure 11, the reliability studies of most institutions are isolated and not closely related, which will become an important direction for future improvement.

5.2.2. Author

To further analyze the research related to MG reliability, we used CiteSpace to statistically analyze the authors who published research on MG reliability, and summarized several authors with high influence in this field, as shown in Figure 12.
Figure 12. Co-citation network of authors (timespan: 2016–2022; slice length = 1; g-index = 25; LRF = 3; LBY = 5; e = 1; n = 277; E = 288).
As shown in Figure 12, the number of co-occurrence nodes is 277, the number of connections is 288, and the network density is 0.0075. Guerrero, J.M. is cited 19 times, followed by Blaabjerg, F., who is cited 18 times; furthermore, Wang, P. is cited 12 times, and Bansal, R.C. is cited 10 times.
Among them, Guerrero, J.M. has been the most influential in the field of MG reliability research, who mainly studies MG frameworks in applications and closed ecological systems; the second is Blaabjerg, F., who focuses on the power electronics and its applications. Wang, P.’s most influential work is on a nonlinear controller for stabilization of constant power load in DC MG. Bansal, R.C. is more focused on the application of MG reliability in the power system. The studies of these authors represent the mainstream trend in MG reliability research.

5.2.3. Thematic Trends

We used CiteSpace to statistically measure thematic trends for 7 years. The thematic trends were evaluated by keyword burstiness (measured by the frequency change of the keywords) as shown in Table 3. “Strength”, based on a statistical formula, was used to measure the burstiness of keywords.
Table 3. Analysis of thematic trends over seven years.
As shown in Table 3, these night lines show the thematic trends for each of the seven years. Specifically, the red line denotes that the keyword appears more frequently in that year, while the blue line indicates the opposite situation. From 2016 to 2017, smart grid, hierarchical control, reliability evaluation and load management were hot keywords. This is reflective of an early trend in MG reliability research. This period of research is mainly related to droop control. From 2017 to 2019, genetic algorithm, power grid and power sharing were hot keywords. To meet the demand for fast and economic dispatch of MGs, under the conditions of low voltage, small PV, small wind power and energy storage, the efficient operation of MG in power system became a very important research object. From 2019 to 2022, combined heat and cost become hot keywords. With the wide use of renewable energy, the demand of MGs for fast economic dispatch has become a key factor in the application of power systems. The results reflect the gradual maturation of MG reliability optimization research.

6. Conclusions

This paper attempts to review and summarize the developments in the reliability optimization of MGs. Reliability optimization of MG is the main theme of this paper. This review paper presents the feature as follows:
  • This paper summarized the MG control strategies and reliability assessment based on existing articles. Firstly, the characteristics of MG are analyzed, and then MG control strategies are classified and analyzed in detail. Finally, the MG reliability assessment is analyzed from four aspects: islanded MG, grid-connected MG, reliability assessment indicators and reliability assessment methods.
  • This paper summarized the optimization framework of system reliability, which includes MG systems and optimization objectives.
  • The most commonly used optimization algorithms of MG reliability for different MG systems are introduced after summarizing the optimization framework.
  • This paper provided a bibliometric analysis of the literature on the reliability research of MG. The results show that more and more attention has been paid to the research of MG reliability in recent years. Compared with developed countries, developing countries are more interested in the research of MG reliability.
In this work, however, some parts of MG reliability optimization need further development. First, the optimization model proposed for MG reliability has not been well applied in engineering construction, which needs more research work. Second, the energy supply cost needs to be further considered with the development of the reliability technical level of MG. Third, the system of MG is gradually complicated, and the optimization method of MG reliability needs to be updated and improved. It can be seen that more research needs to be done on the reliability optimization of MG.

Author Contributions

Conceptualization, B.L. and K.G.; methodology, H.L., R.D., X.W., J.L, S.F. and K.G.; software, B.L. and Y.R.; validation, B.L., H.L., R.D., X.W. and J.L.; formal analysis, K.G.; investigation, B.L. and Y.R.; resources, B.L. and K.G.; data curation, B.L.; writing—original draft preparation, B.L., Y.R., H.L., R.D., X.W., J.L., S.F. and K.G.; writing—review and editing, B.L., Y.R., H.L., R.D., X.W., J.L. and K.G.; visualization, Y.R., H.L., R.D., X.W., J.L. and S.F.; supervision, B.L. and K.G.; project administration, K.G; funding acquisition, B.L. and K.G. All authors have read and agreed to the published version of the manuscript.

Funding

This work was funded in part by the National Natural Science Foundation of China under Grant 72001027, 72071005 and 72001078, the Beijing Municipal Commission of Education under Grant KM202111232007, and the China Postdoctoral Science Foundation under Grant 2021M693331.

Institutional Review Board Statement

Not applicable.

Data Availability Statement

Not applicable.

Conflicts of Interest

The authors declare no conflict of interest.

Acronyms and Abbreviations

The following abbreviations are used in this manuscript:
DGTDistributed generation technology
CERTSConsortium for electric reliability technology solutions
EISEnergy interconnection system
PVPhotovoltaic
MGMicrogrid
MGCMicrogrid cluster
ACAlternating current
DCDirect current
MMGMulti-microgrid
HMGHybrid microgrid
SMGSmart microgrid
PSOParticle swarm optimization
CAIDICustomer average interruption duration index
SAIFISystem average interruption frequency index
CAIFICustomer average interruption frequency index
SAIDISystem average interruption duration
CAIDICustomer average interruption duration
ASAIAverage supply availability index
EENSExpected electricity not supply
GSAIFIGeneralized system average interruption frequency index
GSAIDIGeneralized system average interruption duration index
GEENSGeneralized expectation of energy not supply
GASAIGeneralized average service availability index
FMEAFailure mode and effect analysis
TVUGFTime-varying universal generation function
MCSMonte Carlo simulation
SMCSequential Monte Carlo
BACArtificial bee colony
IBACImproved artificial bee colony

References

  1. Zuo, S.; Zhang, X.Y. Advances on distributed generation technology. Energy Procedia 2012, 17, 32–38. [Google Scholar]
  2. Saad Al-Sumaiti, A.; Kavousi-Fard, A.; Salama, M.; Pourbehzadi, M.; Reddy, S.; Rasheed, M.B. Economic assessment of distributed generation technologies: A feasibility study and comparison with the literature. Energies 2020, 13, 2764. [Google Scholar] [CrossRef]
  3. Vasiliev, M.; Nur-E-Alam, M.; Alameh, K. Recent developments in solar energy-harvesting technologies for building integration and distributed energy generation. Energies 2019, 12, 1080. [Google Scholar] [CrossRef]
  4. Dulău, L.I.; Abrudean, M.; Bică, D. Distributed generation technologies and optimization. Procedia Technol 2014, 12, 687–692. [Google Scholar] [CrossRef]
  5. Lasseter, R.; Akhil, A.; Marnay, C.; Stephens, J.; Dagle, J.; Guttromsom, R.; Meliopoulous, A.S.; Yinger, R.; Eto, J. Integration of Distributed Energy Resources: The Certs Microgrid Concept; Lawrence Berkeley National Laboratory: Berkeley, CA, USA, 2002. [Google Scholar]
  6. Alsaidan, I.; Alanazi, A.; Gao, W.; Wu, H.; Khodaei, A. State-of-the-art in microgrid-integrated distributed energy storage sizing. Energies 2017, 10, 1421. [Google Scholar] [CrossRef]
  7. Villalón, A.; Rivera, M.; Salgueiro, Y.; Muñoz, J.; Dragičević, T.; Blaabjerg, F. Predictive control for microgrid applications: A review study. Energies 2020, 13, 2454. [Google Scholar] [CrossRef]
  8. Fan, L.; Zhang, J.; He, Y.; Liu, Y.; Hu, T.; Zhang, H. Optimal scheduling of microgrid based on deep deterministic policy gradient and transfer learning. Energies 2021, 14, 584. [Google Scholar] [CrossRef]
  9. Mao, M.; Ding, Y.; Wang, Y.; Chang, L. Microgrid—An “organic cell” for future energy interconnection system. Autom. Electr. Power Syst. 2017, 41, 1–11. [Google Scholar]
  10. Yca, C.; Yk, B.; Yun, Z.C. A review of lithium-ion battery safety concerns: The issues, strategies, and testing standards—ScienceDirect. J. Energy Chem. 2021, 59, 83–99. [Google Scholar]
  11. Gao, K.; Wang, T.; Han, C.; Xie, J.; Ma, Y.; Peng, R. A review of optimization of microgrid operation. Energies 2021, 14, 2842. [Google Scholar] [CrossRef]
  12. Xu, F.; Gao, K.; Xiao, B.; Liu, J.; Wu, Z. Risk assessment for the integrated energy system using a hesitant fuzzy multi-criteria decision-making framework. Energy Rep. 2022, 8, 7892–7907. [Google Scholar] [CrossRef]
  13. Huang, Q.; Yang, L.; Zhou, C.; Luo, L.; Wang, P. Pricing and energy management of EV charging station with distributed renewable energy and storage. Energy Rep. 2023, 9, 289–295. [Google Scholar] [CrossRef]
  14. Wei, P.; Chen, W. Microgrid in China: A review in the perspective of application. Energy Procedia 2019, 158, 6601–6606. [Google Scholar] [CrossRef]
  15. Uski, S.; Rinne, E.; Sarsama, J. Microgrid as a cost-effective alternative to rural network underground cabling for adequate reliability. Energies 2018, 11, 1978. [Google Scholar] [CrossRef]
  16. Yadav, G.; Joshi, D.; Gopinath, L.; Soni, M.K. Reliability and availability optimization of smart microgrid using specific configuration of renewable resources and considering subcomponent faults. Energies 2022, 15, 5994. [Google Scholar] [CrossRef]
  17. Cheng, J.; Duan, D.; Cheng, X.; Yang, L.; Cui, S. Probabilistic microgrid energy management with interval predictions. Energies 2020, 13, 3116. [Google Scholar] [CrossRef]
  18. Cai, C.; Liu, H.; Dai, W.; Deng, Z.; Zhang, J.; Deng, L. Dynamic equivalent modeling of a grid-tied microgrid based on characteristic model and measurement data. Energies 2017, 10, 1951. [Google Scholar] [CrossRef]
  19. Srivastava, A.; Mohanty, R.; Ghazvini, M.A.; Steen, D.; Carlson, O. A review on challenges and solutions in microgrid protection. In Proceedings of the 2021 IEEE Madrid PowerTech, Madrid, Spain, 28 June–2 July 2021. [Google Scholar]
  20. Brearley, B.J.; Prabu, R.R. A review on issues and approaches for microgrid protection. Renew. Sust. Energy Rev. 2017, 67, 988–997. [Google Scholar] [CrossRef]
  21. Farsangi, A.S.; Hadayeghparast, S.; Mehdinejad, M.; Shayanfar, H. A novel stochastic energy management of a microgrid with various types of distributed energy resources in presence of demand response programs. Energy 2018, 160, 257–274. [Google Scholar] [CrossRef]
  22. Huang, J.; Jiang, C.; Xu, R. A review on distributed energy resources and microgrid. Renew. Sustain. Energy Rev. 2008, 12, 2472–2483. [Google Scholar]
  23. Justo, J.J.; Mwasilu, F.; Lee, J.; Jung, J.W. AC-microgrids versus DC-microgrids with distributed energy resources: A review. Renew. Sustain. Energy Rev. 2013, 24, 387–405. [Google Scholar] [CrossRef]
  24. Jung, J.; Villaran, M. Optimal planning and design of hybrid renewable energy systems for microgrids. Renew. Sustain. Energy Rev. 2017, 75, 180–191. [Google Scholar] [CrossRef]
  25. Wang, R.; Hsu, S.-C.; Zheng, S.; Chen, J.H.; Li, X.I. Renewable energy microgrids: Economic evaluation and decision making for government policies to contribute to affordable and clean energy. Appl. Energy 2020, 274, 115287. [Google Scholar] [CrossRef]
  26. Mehrizi-Sani, A.; Iravani, R. Potential-function based control of a microgrid in islanded and grid-connected modes. IEEE Trans. Power Syst. 2010, 25, 1883–1891. [Google Scholar] [CrossRef]
  27. Das, D.; Gurrala, G.; Shenoy, U.J. Transition between grid-connected mode and islanded mode in VSI-fed microgrids. Sādhanā 2017, 42, 1239–1250. [Google Scholar] [CrossRef]
  28. Balaguer, I.J.; Lei, Q.; Yang, S.; Supatti, U.; Peng, F.Z. Control for grid-connected and intentional islanding operations of distributed power generation. IEEE Trans. Ind. Electron. 2011, 58, 147–157. [Google Scholar] [CrossRef]
  29. Wang, S.; Qi, Y.; Fu, Z. Reliability evaluation of distribution system considering microgrid power control mode. Autom. Electr. Power Syst. 2012, 36, 48–53. [Google Scholar]
  30. Huang, W.; Sun, X.; Wu, Z.; Zhang, J. A review on microgrid technology containing distributed generation system. Power Syst. Techol. 2009, 33, 14–18. [Google Scholar]
  31. Cai, G.; Kong, L.; Pan, C. System modeling of wind-PV-ES hybrid power system and its control strategy for grid-connected. Trans. China Electr. Technol. Soc. 2013, 28, 196–204. [Google Scholar]
  32. Logenthiran, I.; Naayagi, R.T.; Woo, W.L.; Phan, V.T.; Abidi, K. Intelligent control system for microgrids using multiagent system. IEEE J. Emerg. Sel. Top. Power Electron. 2015, 3, 1036–1045. [Google Scholar] [CrossRef]
  33. Alfergani, A.; Alfaitori, K.A.; Khalil, A.; Buaossa, N. Control strategies in AC microgrid: A brief review. In Proceedings of the 2018 9th International Renewable Energy Congress (IREC), Hammamet, Tunisia, 20–22 March 2018. [Google Scholar]
  34. Zhang, Z.; Chen, W.; Zhang, Z. A new seamless transfer control strategy of the microgrid. Sci. World J. 2014, 2014, 391945. [Google Scholar] [CrossRef] [PubMed]
  35. Liao, W.; Xiao, L.; Zhang, F.; Chen, M.; Lin, S. Research on control strategy of a multi-energy ship microgrid using diesel–battery rotation. Energy Rep. 2022, 8, 13948–13958. [Google Scholar] [CrossRef]
  36. Liu, R.; Li, X.; Cao, Q.; Zhou, J. Stable operation control technology of microgrid with multiple distributed power sources. Electr. Eng. 2022, 12, 96–99. [Google Scholar]
  37. Pasha, A.M.; Zeineldin, H.H.; El-Saadany, E.F.; Alkaabi, S.S. Optimal allocation of distributed generation for planning master–slave controlled microgrids. IET Gener. Transm. Distrib. 2019, 13, 3704–3712. [Google Scholar] [CrossRef]
  38. Habibnia, S.; Mahdavi, M.S.; Gharehpetian, G.B.; Ahmadiahangar, R.; Vinnikov, D. A new master-slave based centralized control method for an AC microgrid with multiple distributed energy resources. In Proceedings of the 2022 IEEE 13th International Symposium on Power Electronics for Distributed Generation Systems (PEDG), Kiel, Germany, 26–29 June 2022. [Google Scholar]
  39. Almasalma, H.; Engels, J.; Deconinck, G. Peer-to-peer control of microgrids. In Proceedings of the IEEE Benelux PELS/PES/IAS Young Researchers Symposium, Eindhoven, The Netherlands, 12–13 May 2016. [Google Scholar]
  40. Guo, L.; Wang, C.; Guo, L.; Cao, J. Dynamical characteristic of microgrid with peer to peer control. In Proceedings of the 2008 China International Conference on Electricity Distribution, Guangzhou, China, 10–13 December 2008. [Google Scholar]
  41. Wang, Y.; Nguyen, T.L.; Xu, Y.; Tran, Q.T.; Caire, R. Peer-to-peer control for networked microgrids: Multi-layer and multi-agent architecture design. IEEE Trans. Smart Grid 2020, 11, 4688–4699. [Google Scholar] [CrossRef]
  42. Abhishek, A.; Ranjan, A.; Devassy, S.; Verma, B.K.; Ram, S.K.; Dhakar, A.K. Review of hierarchical control strategies for DC microgrid. IET Renew. Power Gener. 2020, 14, 1631–1640. [Google Scholar] [CrossRef]
  43. Wang, Y.; Liu, D.; Chen, Z.; Liu, P. A hierarchical control strategy of microgrids toward reliability enhancement. In Proceedings of the 2018 International Conference on Smart Grid (icSmartGrid), Nagasaki, Japan, 4–6 December 2018. [Google Scholar]
  44. Zhao, Z.; Hu, J.; Liu, J. Hierarchical coordinated control of multi bus-based DC microgrid considering fault occurred in buses. In Proceedings of the 2016 China International Conference on Electricity Distribution (CICED), Xi’an, China, 10–13 August 2016. [Google Scholar]
  45. Bai, G.; Chi, Y.; Gao, K.; Peng, R. Reliability evaluation of multi-state systems with common bus performance sharing considering performance excess. IEEE Access 2021, 10, 19174–19185. [Google Scholar] [CrossRef]
  46. Gao, K.; Yan, X.; Peng, R.; Xing, L. Economic design of a linear consecutively connected system considering cost and signal loss. IEEE Trans. Syst. Man Cybern. 2021, 51, 5116–5128. [Google Scholar] [CrossRef]
  47. Gao, K.; Peng, R.; Qu, L.; Xing, L.; Wang, S.; Wu, D. Linear system design with application in wireless sensor networks. J. Ind. Inf. Integr. 2022, 27, 100279. [Google Scholar] [CrossRef]
  48. Huang, S.; Lei, B.; Gao, K.; Wu, Z.; Wang, Z. Multi-state system reliability evaluation and component allocation optimization under multi-level performance sharing. IEEE Access 2021, 9, 88820–88834. [Google Scholar] [CrossRef]
  49. Zhang, Z.; Yang, L. State-based opportunistic maintenance with multifunctional maintenance windows. IEEE Trans. Reliab. 2020, 70, 1481–1494. [Google Scholar] [CrossRef]
  50. Gao, K.; Yan, X.; Liu, X.-D.; Peng, R. Object defence of a single object with preventive strike of random effect. Reliab. Eng. Syst. Saf. 2019, 186, 209–219. [Google Scholar] [CrossRef]
  51. Gao, K.; Peng, R.; Qu, L.; Wu, S. Jointly optimizing lot sizing and maintenance policy for a production system with two failure modes. Reliab. Eng. Syst. Saf. 2020, 202, 106996. [Google Scholar] [CrossRef]
  52. Qu, L.; Liao, J.; Gao, K.; Yang, L. Joint optimization of production lot sizing and preventive maintenance threshold based on nonlinear degradation. Appl. Sci. 2022, 12, 8638. [Google Scholar] [CrossRef]
  53. Peng, R.; Wu, D.; Gao, K. Reliability of a dual linear consecutive system with three failure modes. In Proceedings of the International Conference of Celebrating Professor Jinhua Cao’s 80th Birthday, Singapore, 16 October 2019. [Google Scholar]
  54. Zhong, W.; Wang, L.; Liu, Z.; Hou, S. Reliability evaluation and improvement of islanded microgrid considering operation failures of power electronic equipment. J. Mod. Power Syst. Clean Energy 2020, 8, 111–123. [Google Scholar] [CrossRef]
  55. Xu, X.; Mitra, J.; Wang, T.; Mu, L. Evaluation of operational reliability of a microgrid using a short-term outage model. IEEE Trans. Power Syst. 2014, 29, 2238–2247. [Google Scholar] [CrossRef]
  56. Youssef, K.H. Microgrid reliability considering directional protection failure and optimal load shedding. IEEE Trans. Smart Grid 2021, 13, 877–887. [Google Scholar] [CrossRef]
  57. Kennedy, S.; Marden, M.M. Reliability of islanded microgrids with stochastic generation and prioritized load. In Proceedings of the 2009 IEEE Bucharest Power Tech, Bucharest, Romania, 28 June–2 July 2009. [Google Scholar]
  58. Ansari, O.A.; Safari, N.; Chung, C.Y. Reliability assessment of microgrid with renewable generation and prioritized loads. In Proceedings of the 2016 IEEE Green Energy and Systems Conference, Long Beach, CA, USA, 6–7 November 2016. [Google Scholar]
  59. Al-Shehri, M.A.; Guo, Y.; Lei, G. A systematic review of reliability studies of grid-connected renewable energy microgrids. In Proceedings of the International Conference on Electrical, Communication, and Computer Engineering (ICECCE), Istanbul, Turkey, 12–13 June 2020. [Google Scholar]
  60. Adefarati, T.; Obikoya, G.D. Techno-economic evaluation of a grid-connected microgrid system. Int. J. Green Energy 2019, 16, 1497–1517. [Google Scholar] [CrossRef]
  61. El-Hendawi, M.; Gabbar, H.; El-Saady, G.; Ibrahim, E.N. Control and EMS of a grid-connected microgrid with economical analysis. Energies 2018, 11, 129. [Google Scholar] [CrossRef]
  62. Barani, M.; Vadlamudi, V.V.; Heegaard, P.E. Reliability analysis of cyber-physical microgrids: Study of grid-connected microgrids with communication-based control systems. IET Gener. Transm. Distrib. 2020, 15, 645–663. [Google Scholar] [CrossRef]
  63. Zhou, P.; Chen, Z.; Yang, H.; Wen, L.; Liu, Y.; Hu, B.; Ma, Y.; Xia, Y.; Xiao, R.; Li, B. Reliability evaluation of grid-connected micro-grid considering demand response. In Proceedings of the 2016 International Conference on Probabilistic Methods Applied to Power Systems (PMAPS), Beijing, China, 16–20 October 2016. [Google Scholar]
  64. Warren, C.A. Overview of 1366-2001 the full use guide on electric power distribution reliability indices. In Proceedings of the IEEE Power Engineering Society Summer Meeting, Chicago, IL, USA, 21–25 July 2002. [Google Scholar]
  65. Luo, Y.; Wang, G.; Wang, L. Reliability evaluation indices for microgrid. Autom. Electr. Power Syst. 2013, 37, 9–14. [Google Scholar]
  66. Bie, Z.; Li, Q.; Xie, H. Reliability assessment of microgrid with coordinated optimization of load and energy storage devices. Trans. China Electr. Technol. Soc. 2014, 29, 64–73. [Google Scholar]
  67. Sun, Y.; Math, B.; Graham, A. Reliability analysis of islanded distribution systems with distributed energy resources. Power Syst. Technol. 2008, 32, 77–81. [Google Scholar]
  68. Wang, Y.; Wan, L.; Hu, B.; Xie, K.; Xiang, B. Isolated island operating characteristics based analysis on reliability of microgrid. Power Syst. Technol. 2014, 38, 2379–2385. [Google Scholar]
  69. Wang, S.; Li, Z.; Wu, L.; Shahidehpour, M.; Li, Z. New metrics for assessing the reliability and economics of microgrids in distribution system. IEEE Trans. Power Syst. 2013, 28, 2852–2861. [Google Scholar] [CrossRef]
  70. Guo, J.; Zhao, T.; Liu, W.; Zhang, J. Reliability modeling and assessment of isolated microgrid considering influences of frequency control. IEEE Access 2019, 7, 50362–50371. [Google Scholar] [CrossRef]
  71. Gao, K.; Wang, W.; Liu, X. Residual life prediction of the elderly based on stochastic filtering model. Syst. Eng. Theor. Prac. 2016, 36, 2924–2932. [Google Scholar]
  72. Yang, L.; Chen, Y.; Qiu, Q.; Wang, J. Risk control of mission-critical systems: Abort decision-makings integrating health and age conditions. IEEE Trans. Ind. Inform. 2022, 18, 6887–6894. [Google Scholar] [CrossRef]
  73. Qiu, Q.; Maillart, L.M.; Prokopyev, O.A.; Cui, L. Optimal condition-based mission abort decisions. IEEE Trans. Reliab. 2022, 5, 1–18. [Google Scholar] [CrossRef]
  74. Zhao, X.; Chai, X.; Sun, J.; Qiu, Q. Joint optimization of mission abort and protective device selection policies for multistate systems. Risk Anal. 2022, 42, 2823–2834. [Google Scholar] [CrossRef] [PubMed]
  75. Akula, S.K.; Salehfar, H. Risk-based classical failure mode and effect analysis (FMEA) of microgrid cyber-physical energy systems. In Proceedings of the 2021 North American Power Symposium (NAPS), College Station, TX, USA, 14–16 November 2021. [Google Scholar]
  76. Hecht, M. Use of SysML to generate failure modes and effects analyses for microgrid control systems. Insight 2020, 23, 21–31. [Google Scholar] [CrossRef]
  77. Ge, S.; Li, J.; Liu, H.; Sun, H.; Wang, Y. Research on operation–planning double-layer optimization design method for multi-energy microgrid considering reliability. Appl. Sci. 2018, 8, 2062. [Google Scholar] [CrossRef]
  78. Wu, T.; Liu, D.; Wang, B.; Dong, F. Analysis method of the minimal path method reliability for contribution networks with distributed generation. South. Power. Syst. Technol. 2012, 6, 46–50. [Google Scholar]
  79. Shen, H.; Fu, G. Improved minimal path algorithm for reliability evaluation of distribution system. Elec. Power 2010, 43, 20–22. [Google Scholar]
  80. Liang, H.; Cheng, L.; Liu, S. Monte Carlo simulation based reliability evaluation of distribution system containing microgrids. Power Syst. Technol. 2011, 35, 76–81. [Google Scholar]
  81. Dong, K.; Jiang, F.; Huang, Z.; Zhong, H. Planning method of wind-diesel-storage system using cost-benefit analysis. J. CSU-EPSA 2010, 22, 67–72. [Google Scholar]
  82. Lu, Y.; Lu, J.; Shi, S.; Yang, R. Optimal siting and sizing of distributed generation planning in microgrid by considering stochastic characteristic. J. CSU-EPSA 2013, 25, 108–114. [Google Scholar]
  83. Guo, J.; Liu, W.; Syed, F.R.; Zhang, J. Reliability assessment of a cyber physical microgrid system in island mode. CSEE J. Power Energy 2019, 5, 46–55. [Google Scholar] [CrossRef]
  84. Araújo, J.R.; Silva, E.N.; Rodrigues, A.B.; Silva, M.G. Assessment of the impact of MG control strategies in the power distribution reliability indices. J. Control. Autom. Electr. Syst. 2017, 28, 271–283. [Google Scholar] [CrossRef]
  85. Saleem, A.F.; Almuhaini, M. Reliability assessment of an isolated hybrid microgrid using Markov modeling and Monte Carlo simulation. Eng. Rev. 2020, 41, 62–73. [Google Scholar] [CrossRef]
  86. Farzin, H.; Fotuhi-Firuzabad, M.; Moeini-Aghtaie, M. Role of outage management strategy in reliability performance of multi-microgrid distribution systems. IEEE Trans. Power Syst. 2017, 33, 2359–2369. [Google Scholar] [CrossRef]
  87. Katiraei, F.; Iravani, M.R.; Lehn, P.W. Micro-grid autonomous operation during and subsequent to islanding process. IEEE Trans. Power Deliv. 2005, 20, 248–257. [Google Scholar] [CrossRef]
  88. Tian, P.; Xiao, X.; Ding, R.; Huang, X. A capacity configuring method of composite energy storage system in autonomous MMG. Autom. Electr. Power Syst. 2013, 37, 168–173. [Google Scholar]
  89. Huang, X.Q.; Shen, Y.; Zeng, F.Y.; Chen, C.Q.; Cao, Y.J. Reliability evaluation of MG cluster based on Monte-Carlo hierarchical dynamic reliability model. In Proceedings of the 10th International Conference on Advances in Power System Control, Operation & Management (APSCOM 2015), Hong Kong, China, 8–12 November 2015. [Google Scholar]
  90. Miao, H.; Giesselmann, M. Reliability-constrained self-organization and energy management towards a resilient microgrid cluster. In Proceedings of the 2015 IEEE Power & Energy Society Innovative Smart Grid Technologies Conference (ISGT), Washington, DC, USA, 18–20 February 2015. [Google Scholar]
  91. Zhang, Z.; Wang, Z.; Wang, H.; Zhang, H.; Yang, W.; Cao, R. Research on bi-level optimized operation strategy of microgrid cluster based on IABC algorithm. IEEE Access 2021, 9, 15520–15529. [Google Scholar] [CrossRef]
  92. Dinkhah, S.; Cuellar, J.S.; Khanbaghi, M. Optimal power and frequency control of microgrid cluster with mixed loads. IEEE Open Access J. Power Energy 2022, 9, 143–150. [Google Scholar] [CrossRef]
  93. Wu, X.; Xu, Y.; He, J.; Wang, X.; Vasquez, J.C.; Guerrero, J.M. Pinning-based hierarchical and distributed cooperative control for AC microgrid clusters. IEEE Trans. Power Electron. 2020, 35, 9865–9885. [Google Scholar] [CrossRef]
  94. Shen, Y. Research on Reliability Assessment of Micro-Network Clusters Considering Scheduling Policy Optimization; Hunan University: Changsha, China, 2016. [Google Scholar]
  95. Xie, X.; Yuan, Y.; Zou, W.; Li, Z. Reliability assessment of microgrid power supply under unplanned islanding. Autom. Electr. Power Syst. 2012, 36, 6. [Google Scholar]
  96. Li, Z.; Yuan, Y.; Li, F. Evaluating the reliability of islanded microgrid in an emergency mode. In Proceedings of the 45th International Universities Power Engineering Conference UPEC2010, Cardiff, UK, 31 August–3 September 2010. [Google Scholar]
  97. Peng, H.; Cao, Y.; Huang, X.; Yang, X.; Liu, L. Reliability evaluation of microgrid in islanded operation mode based on TVUGF. Autom. Electr. Power Syst. 2015, 39, 28–35. [Google Scholar]
  98. Yang, J. Real-time cooperative power allocation for islanded microgrid clusters based on consistency algorithm. Autom. Electr. Power Syst. 2017, 41, 8–15. [Google Scholar]
  99. Zhou, X.; Ai, Q.; Wang, H. Adaptive marginal costs-based distributed economic control of microgrid clusters considering line loss. Energies 2017, 10, 2071. [Google Scholar] [CrossRef]
  100. Huo, D.; Santos, M.; Sarantakos, I.; Resch, M.; Wade, N.; Greenwood, D. A reliability-aware chance-constrained battery sizing method for island microgrid. Energy 2022, 251, 123978. [Google Scholar] [CrossRef]
  101. Vasiljevska, J.; Lopes, J.P.; Matos, M.A. Evaluating the impacts of the multi-microgrid concept using multicriteria decision aid. Electr. Power Syst. Res. 2012, 91, 44–51. [Google Scholar] [CrossRef]
  102. Korres, G.N.; Hatziargyriou, N.D.; Katsikas, P.J. State estimation in multi-microgrids. Eur Trans. Electr Power. 2011, 21, 1178–1199. [Google Scholar] [CrossRef]
  103. John, T.; Lam, S.P. Voltage and frequency control during microgrid islanding in a multi-area multi-microgrid. IET Gener. Transm. Dis. 2017, 11, 1502–1512. [Google Scholar] [CrossRef]
  104. Farrokhabadi, M.; Canizares, C.A.; Bhattacharya, K. Frequency control in isolated/islanded microgrids through voltage regulation. IEEE Trans. Smart Grid. 2015, 8, 1185–1194. [Google Scholar] [CrossRef]
  105. Zhi, N.; Xiao, X.; Tian, P. Research and prospect of multi-microgrid control strategies. Electr Power. Autom. Eq. 2016, 36, 107–115. [Google Scholar]
  106. Farzin, H.; Fotuhi-Firuzabad, M.; Moeini-Aghtaie, M. Developing a hierarchical scheme for outage management in multi-microgrids. In Proceedings of the 2015 IEEE Eindhoven PowerTech, Eindhoven, The Netherlands, 29 June–2 July 2015. [Google Scholar]
  107. Nikmehr, N.; Najafi-Ravadanegh, S. Probabilistic optimal power dispatch in multi-microgrids using heuristic algorithms. In Proceedings of the 2014 Smart Grid Conference (SGC), Tehran, Iran, 9–10 December 2014. [Google Scholar]
  108. Nunna, H.K.; Doolla, S. Demand response in smart distribution system with multiple microgrids. IEEE Trans. Smart Grid. 2012, 3, 1641–1649. [Google Scholar] [CrossRef]
  109. Xu, Y.; Ai, Q. Optimal operation of multi-microgrid aggregation based on landscape theory. Power Syst. Prot. Contr. 2015, 43, 50–56. [Google Scholar]
  110. Zhai, X.; Wang, N. Multi-agent consensus algorithm-based optimal power dispatch for islanded multi-microgrids. Processes 2019, 7, 679. [Google Scholar]
  111. Saleh, M.; Esa, Y.; Hariri, M.E.; Mohamed, A. Impact of information and communication technology limitations on microgrid operation. Energies 2019, 12, 2926. [Google Scholar] [CrossRef]
  112. Albogamy, F.R.; Zakria, M.; Khan, T.A.; Murawwat, S.; Hafeez, G. An optimal adaptive control strategy for energy balancing in smart MG using dynamic pricing. IEEE Access 2022, 10, 37396–37411. [Google Scholar] [CrossRef]
  113. Hasankhani, A.; Hakimi, S.M. Stochastic energy management of smart microgrid with intermittent renewable energy resources in electricity market. Energy 2021, 219, 119668. [Google Scholar] [CrossRef]
  114. Medhat, E.; Melike, E.-K.; Burak, K. Low-latency communications for community resilience microgrids: A reinforcement learning approach. IEEE Trans. Smart Grid. 2019, 11, 1091–1099. [Google Scholar]
  115. Shabani, A.; Mazlumi, K. Evaluation of a communication-assisted overcurrent protection scheme for photovoltaic based DC microgrid. IEEE Trans. Smart Grid. 2019, 11, 429–439. [Google Scholar] [CrossRef]
  116. Zhou, Q.; Shahidehpour, M.; Alabdulwahab, A.; Abusorrah, A. Flexible division and unification control strategies for resilience enhancement in networked microgrids. IEEE Trans. Power Syst. 2019, 35, 474–486. [Google Scholar] [CrossRef]
  117. Huang, G.; Wu, F.; Guo, C. Smart grid dispatch powered by deep learning: A survey. Front. Inf. Techol. Electron. Eng. 2022, 23, 763–777. [Google Scholar] [CrossRef]
  118. Prakash, V.C.; Sivraj, P.; Sasi, K.K. Communication network of wide area measurement system for real-time data collection on smart micro grid. In Artificial Intelligence and Evolutionary Computations in Engineering Systems; Springer: New Delhi, India, 2016. [Google Scholar]
  119. Mahmoodi, M.; Shamsi, P.; Fahimi, B. Economic dispatch of a hybrid microgrid with distributed energy storage. IEEE Trans. Smart Grid. 2015, 6, 2607–2614. [Google Scholar] [CrossRef]
  120. Qiu, H.; Gu, W.; You, F. Bilayer distributed optimization for robust microgrid dispatch with coupled individual-collective profits. IEEE Trans. Sustain. Energy 2021, 12, 1525–1538. [Google Scholar] [CrossRef]
  121. Sadighmanesh, A.; Sabahi, M.; Zavvari, M. Probabilistic dispatch in hybrid-microgrid system with considering energy arbitrage. J. Renew. Sustain. Energy 2019, 11, 025904. [Google Scholar] [CrossRef]
  122. Marqusee, J.; Becker, W.; Ericson, S. Resilience and economics of microgrids with PV, battery storage, and networked diesel generators. Adv. Appl. Energy 2021, 3, 100049. [Google Scholar] [CrossRef]
  123. Azeem, O.; Ali, M.; Abbas, G.; Uzair, M.; Qahmash, A.; Algarni, A.; Hussain, M.R. A comprehensive review on integration challenges, optimization techniques and control strategies of hybrid AC/DC microgrid. Appl. Sci. 2021, 11, 6242. [Google Scholar] [CrossRef]
  124. He, X.; Chen, Z.; Liu, X.; Zhang, T.; Chen, L. Voltage control strategy for medium voltage distribution network with distributed photovoltaic power generation. Electr. Meas. Instrum. 2022, 59, 142–148. [Google Scholar]
  125. Tang, H.; Yang, G.; Wang, P.; Li, R.; Zhang, L.; Wang, J. Capacity optimization of scenic storage complementary power generation system based on improved PSO. Electr. Meas. Instrum. 2017, 54, 50–55. [Google Scholar]
  126. Sarfi, V.; Livani, H. An Economic-reliability security-constrained optimal dispatch for microgrids. IEEE Trans. Power Syst. 2018, 33, 6777–6786. [Google Scholar] [CrossRef]
  127. Nasser, A.; Reji, P. Optimal planning approach for a cost effective and reliable microgrid. In Proceedings of the 2016 International Conference on Cogeneration, Small Power Plants and District Energy (ICUE), Bangkok, Thailand, 14–16 September 2016. [Google Scholar]
  128. Yang, J.; Wang, L.; Hu, P.; Zhang, Y.; Wang, X. Economic dispatching of CCHP microgrid considering grid-connected revenue. In Proceedings of the 2019 4th International Conference on Intelligent Green Building and Smart Grid (IGBSG), Hubei, China, 6–9 September 2019. [Google Scholar]
  129. González, A.; Riba, J.R.; Rius, A. Optimal sizing of a hybrid grid-connected photovoltaic–wind–biomass power system. Sustainability 2015, 7, 12787–12806. [Google Scholar] [CrossRef]
  130. Ganesan, S.; Padmanaban, S.; Varadarajan, R.; Subramaniam, U.; Mihet-Popa, L. Study and analysis of an intelligent microgrid energy management solution with distributed energy sources. Energies 2017, 10, 1419. [Google Scholar] [CrossRef]
  131. Salinas, S.; Li, M.; Li, P.; Fu, Y. Dynamic energy management for the smart grid with distributed energy resources. IEEE Trans. Smart Grid. 2013, 4, 2139–2151. [Google Scholar] [CrossRef]
  132. Tushar, W.; Chai, B.; Yuen, C.; Smith, D.B.; Wood, K.L.; Yang, Z.; Poor, H.V. Three-party energy management with distributed energy resources in smart grid. IEEE Trans. Ind. Electron. 2014, 62, 2487–2498. [Google Scholar] [CrossRef]
  133. Wu, Y.; Lau, V.K.; Tsang, D.H.; Qian, L.P.; Meng, L. Optimal energy scheduling for residential smart grid with centralized renewable energy source. IEEE Syst. J. 2017, 8, 562–576. [Google Scholar] [CrossRef]
  134. Mohamed, A.A.; Elsayed, A.T.; Youssef, T.A.; Mohammed, O.A. Hierarchical control for DC microgrid clusters with high penetration of distributed energy resources. Electr. Power Syst. Res. 2017, 148, 210–219. [Google Scholar] [CrossRef]
  135. Karimi, H.; Jadid, S. Optimal energy management for multi-microgrid considering demand response programs: A stochastic multi-objective framework. Energy 2020, 195, 116992. [Google Scholar] [CrossRef]
  136. Liu, Y.; Li, Y.; Gooi, H.B.; Jian, Y.; Xin, H.; Jiang, X.; Pan, J. Distributed robust energy management of a multi-microgrid system in the real-time energy market. IEEE Trans. Sustain. Energy 2017, 10, 396–406. [Google Scholar] [CrossRef]
  137. Nayak, C.K.; Kasturi, K.; Nayak, M.R. Economical management of microgrid for optimal participation in electricity market. J. Energy Storage 2019, 21, 657–664. [Google Scholar] [CrossRef]
  138. Xiao, J.; Wang, P.; Setyawan, L.; Xu, Q. Multi-level energy management system for real-time scheduling of DC microgrids with multiple slack terminals. IEEE Trans. Energy Convers. 2015, 31, 392–400. [Google Scholar] [CrossRef]
  139. Yan, D.; Wei, G.; Hu, Y.; Zhang, X. Energy optimization of microgrid with reliability and economy. Autom. Electr. Power Syst. 2012, 36, 18–23. [Google Scholar]
  140. Li, Z.; Yuan, Y. Smart Microgrid: A novel organization form of smart distribution grid in the future. Autom. Electr. Power Syst. 2009, 33, 42–48. [Google Scholar]
  141. Ishraque, M.F.; Shezan, S.A.; Rashid, M.M. Techno-economic and power system optimization of a renewable rich islanded microgrid considering different dispatch strategies. IEEE Access 2021, 9, 77325–77340. [Google Scholar] [CrossRef]
  142. Shahab, M.; Wang, S.; Junejo, A.K. Improved control strategy for three-phase microgrid management with electric vehicles using multi objective optimization algorithm. Energies 2021, 14, 1146. [Google Scholar] [CrossRef]
  143. Tang, H.; Yang, G.; Wang, P.; Li, Q.; Zhang, L.; Liu, S.; Qin, J. Capacity optimal configuration of wind/PV hybrid power system based on carbon dioxide emission. Electr. Power. Constr. 2017, 38, 108–114. [Google Scholar]
  144. Suman, G.K.; Yadav, S.; Roy, O.P. HOMER based optimal sizing of a PV/diesel/battery hybrid system for a laboratory facility. In Proceedings of the 2020 3rd International Conference on Energy, Power and Environment: Towards Clean Energy Technologies, Shillong, India, 5–7 March 2021. [Google Scholar]
  145. Yang, M.; Sun, L.; Wang, J. Multi-objective optimization scheduling considering the operation performance of Islanded Microgrid. IEEE Access 2020, 8, 83405–83413. [Google Scholar] [CrossRef]
  146. Dong, J.; Xu, X.; Dong, M. Optimal economic operation of microgrids based on multi-agent system. E. China Electr. Power 2012, 40, 6. [Google Scholar]
  147. Zhu, W.; Guo, J.; Zhao, G. Multi-objective sizing optimization of hybrid renewable energy microgrid in a stand-alone marine context. Electronics 2021, 10, 174. [Google Scholar] [CrossRef]
  148. Ren, H.; Wu, Q.; Gao, W.; Zhou, W. Optimal operation of a grid-connected hybrid PV/fuel cell/battery energy system for residential applications. Energy 2016, 113, 702–712. [Google Scholar] [CrossRef]
  149. Hong, Y.Y.; Lai, Y.Z.; Chang, Y.R.; Lee, Y.D.; Lin, C.H. Optimizing energy storage capacity in islanded microgrids using immunity-based multi-objective planning. Energies 2018, 11, 585. [Google Scholar] [CrossRef]
  150. Zhou, W.; Wu, Y.; Zhao, Y.; Xu, J. Research on multi-energy complementary microgrid scheduling strategy based on improved bat algorithm. Energy Rep. 2022, 8, 1258–1272. [Google Scholar] [CrossRef]
  151. Yilin, L.I.; Dong, P. A distributed control based on finite-time consensus algorithm for the cluster of DC microgrids. In Proceedings of the 2018 International Conference on Power System Technology (POWERCON), Guangzhou, China, 6–8 November 2018. [Google Scholar]
  152. Wu, Z.; Zhang, N.; Gao, K.; Peng, R. Flight trip fuel volume prediction based on random forest with adjustment to risk preference. Acta Aeronaut. ET. Astronaut. Sin. 2022, 43, 292–301. [Google Scholar]
  153. Zhu, G.; Kwong, S. Gbest-guided artificial bee colony algorithm for numerical function optimization. Appl. Math. Comput. 2010, 217, 3166–3173. [Google Scholar] [CrossRef]
  154. Kuo, M.T. Application of the artificial bee colony algorithm to scheduling strategies for energy-storage systems of a microgrid with self-healing functions. IEEE Trans. Ind. Appl. 2021, 57, 2156–2167. [Google Scholar] [CrossRef]
  155. Jouda, M.S.; Kahraman, N. Improved optimal control of transient power sharing in MG using H-infinity controller with artificial bee colony algorithm. Energies 2022, 15, 1043. [Google Scholar] [CrossRef]
  156. Kuo, M.T. Application of the artificial bee colony algorithm to unit commitments for energy storage systems of a microgrid with master-slave control. In Proceedings of the 2020 IEEE/IAS 56th Industrial and Commercial Power Systems Technical Conference (I&CPS), Las Vegas, NV, USA, 29 June–28 July 2020. [Google Scholar]
  157. Chen, B.; Zhang, X.; Zhang, B. Multi-microgrids system reliability assessment algorithm considering energy dispatch strategy among microgrids. Energy Procedia 2018, 145, 15–19. [Google Scholar] [CrossRef]
  158. Zhang, X.; Chen, B.; Cheng, Y.; Sun, S.; Wang, S. A multi-microgrids system model considering stochastic correlations among microgrids. Energy Procedia 2018, 145, 3–8. [Google Scholar] [CrossRef]
  159. Zhang, X.; Chen, B.; Wang, F.; Wang, X.; Cheng, Y.; Li, G. Multi-microgrids system reliability assessment considering difference characteristics and inter-connection ability among microgrids. J. Electr. Eng. Technol. 2019, 14, 1957–1962. [Google Scholar] [CrossRef]
  160. Xin, S.; Yan, C.; Zhang, X.; Wang, C. A novel multi-microgrids system reliability assessment algorithm using parallel computing. In Proceedings of the 2017 IEEE Conference on Energy Internet and Energy System Integration (EI2), Beijing, China, 26–28 November 2017. [Google Scholar]
  161. Elamine, D.O.; Jaouad, B. Multi-agent architecture for smart micro-grid optimal control using a hybrid BP-PSO algorithm for wind power prediction. In Proceedings of the 2014 Second World Conference on Complex Systems (WCCS), Agadir, Morocco, 10–12 November 2014. [Google Scholar]
  162. Zulueta, A.; Azurmendi, I.; Rey, N.; Zulueta, E.; Fernandez-Gamiz, U. Particle swarm optimization algorithm for dynamic synchronization of smart grid. Energy Source Part A 2022, 44, 3940–3959. [Google Scholar] [CrossRef]
  163. Singh, N.; Elamvazuthi, I.; Nallagownden, P.; Ramasamy, G.; Jangra, A. Routing based multi-agent system for network reliability in the smart microgrid. Sensors 2020, 20, 2992. [Google Scholar] [CrossRef]
  164. Khaledian, A.; Ahmadian, A.; Aliakbar-Golkar, M. Optimal droop gains assignment for real-time energy management in an islanding microgrid: A two-layer techno-economic approach. IET Gener. Transm. Dis. 2017, 11, 2292–2304. [Google Scholar] [CrossRef]
  165. Penangsang, O. Economic dispatch of multi-microgrid systems with renewable energy sources using particle swarm optimization. In Proceedings of the 2016 International Seminar on Intelligent Technology and Its Applications, Lombok, Indonesia, 28–30 July 2016. [Google Scholar]
  166. Nikmehr, N.; Najafi-Ravadanegh, S. Reliability evaluation in multi-microgrids under probabilistic optimum operation using heuristic algorithm. In Proceedings of the 2015 Smart Grid Conference (SGC), Tehran, Iran, 22–23 December 2015. [Google Scholar]
  167. Kennedy, J.; Eberhart, R. Particle swarm optimization. Proceedings of ICNN’95—International Conference on Neural Networks, Perth, Australia, 27 November–1 December 1995. [Google Scholar]
  168. Cao, B.; Dong, W.; Lv, Z.; Gu, Y.; Singh, S.; Kumar, P. Hybrid microgrid many-objective sizing optimization with fuzzy decision. IEEE Trans. Fuzzy Syst. 2020, 28, 2702–2710. [Google Scholar] [CrossRef]
  169. Sarkar, D.; Kudkelwar, S. Optimal over current relay coordination in microgrid using a novel hybrid water cycle-moth flame algorithm. Int. J. Syst Assur. Eng. 2021, 12, 553–564. [Google Scholar] [CrossRef]
  170. Zhao, B.; Zhang, X.; Li, P.; Wang, K.; Xue, M.; Wang, C. Optimal sizing, operating strategy and operational experience of a stand-alone microgrid on Dongfushan Island. Appl. Energy 2014, 113, 1656–1666. [Google Scholar] [CrossRef]
  171. Goldberg, D.E. Genetic algorithms in search, optimization. In Proceedings of the The 3rd International Conference on Genetic Algorithms, San Francisco, CA, USA, 1 June 1989. [Google Scholar]
  172. Islam, M.R.; Uddin, M.M.; Hassen Bablo, M.F.; Uddin, M.A. Optimization of a RE-based microgrid using genetic algorithm in the perspective of bangladesh. In Proceedings of the 2021 6th International Conference on Communication and Electronics Systems (ICCES), Coimbatre, India, 8–10 July 2021. [Google Scholar]
  173. Yang, M.; Li, D.; Liu, Y.; Li, Z. Optimization of sitting and sizing of microgrid in distributed generation considering reliability costs. In Proceedings of the 2020 IEEE International Conference on Information Technology, Big Data and Artificial Intelligence (ICIBA), Chongqing, China, 6–8 November 2020. [Google Scholar]
  174. Chen, C. CiteSpace II: Detecting and visualizing emerging trends. J. Am. Soc. Inf. Sci. 2006, 57, 359–377. [Google Scholar] [CrossRef]
Disclaimer/Publisher’s Note: The statements, opinions and data contained in all publications are solely those of the individual author(s) and contributor(s) and not of MDPI and/or the editor(s). MDPI and/or the editor(s) disclaim responsibility for any injury to people or property resulting from any ideas, methods, instructions or products referred to in the content.

Article Metrics

Citations

Article Access Statistics

Multiple requests from the same IP address are counted as one view.