A Hybrid Marine Predator Sine Cosine Algorithm for Parameter Selection of Hybrid Active Power Filter
Abstract
1. Introduction
1.1. Meta-Heuristic Optimization Techniques for Real Applications
- The structure of the algorithms is very easy and adaptive; hence it can be molded according to the problem.
- The derivative-free structure of these algorithms makes them applicable on discrete functions and even those that are not differentiable.
- Ease of hybridization; due to the simple structure, further experiments are possible for determining more accurate results and better convergence.
- An optimization routine has been proposed and developed for parameter estimation of HAPF.
- A hybrid algorithm based on the implementation of the sine cosine equations of the SCA algorithm has been incorporated in the second phase of MPA. Evaluation of the performance of the proposed change has been conducted with the help of different test cases.
- The evaluation of the filter performance has been performed with the help of harmonic pollution, fitness function values, and objective function values of an optimization run.
1.2. Paper Structure
2. Hybrid Active Power Filter
- ✧
- Series Active Power Filter with Shunt Power Filter;
- ✧
- Shunt Active Power Filter and Shunt Power Filter Configuration;
- ✧
- Active Power Filter in series with Shunt Power Filter.
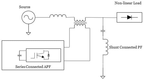
2.1. Series APF and Shunt PF
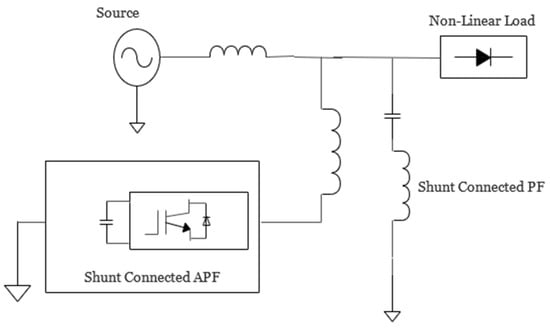
2.2. Shunt APF and Shunt PF
2.3. APF in Series with Shunt PF
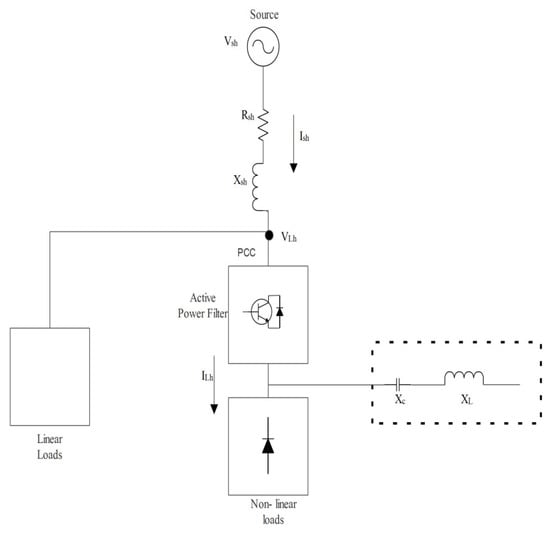
3. Problem Formulation
3.1. Circuit Analysis
3.2. Fitness Function for Filter Design
4. Development of MPA-SCA
4.1. Marine Predators Algorithm
- (i)
- Brownian Motion
- (ii)
- Lévy Flight
4.2. Sine Cosine Algorithm
4.3. Proposed Hybrid MPA-SCA
- During phase 2 of algorithm, there is a high probability of stagnation in the local minima due to the fact that the exploration phase is not finished in order to reach the intermediate stage; the same is true of the exploitation phase, also at the intermediate stage. Hence, the simple rule update may yield some infeasible solutions in this case that may result in local minima stagnation.
- Hence, a modified update rule is proposed for prey that is based on the sine cosine adaptation of the algorithm. A probability factor is defined as sine and cosine values inspired from the position update of the SCA algorithm. Further, the representative expression for this adaption may be given as:
| Algorithm 1 Pseudo code: Proposed MPA-SCA Algorithms | |
| Step 1. | Initialize search agents (Prey) populations i = 1..., n |
| Step 2. | While Termination Criterion Does not meet (Calculate the fitness and different matrices described in expressions (34) and (35) |
| Step 3. | If Iter < Max_Iter/3 |
| Update prey based on Equation (36) | |
| Step 4. | Else if Max_Iter/3 < Iter < 2 ∗ Max_Iter/3 |
| For the updation of the populations into two folds (i = 1..., n) | |
| Update prey based on Equation (45) | |
| Step 5. | Else if Iter > 2 ∗ Max_Iter/3 |
| Update prey based on Equation (38) | |
| End (if) | |
| Accomplish memory saving and Elite update | |
| Applying FADs’ effect and update | |
| End while | |
5. Analysis of Experimental Results
- Mean value of HP obtained from Optimization run;
- Standard Deviation value of HP obtained from Optimization run;
- Maximum value or worst value of HP obtained from Optimization run;
- Minimum value of best value of HP obtained from Optimization run.
- As far as the standard deviation values for Topology (1–4) obtained for series structure are observed, it can be concluded that these values are minimum for the proposed MPA-SCA. It is also worth mentioning here that other attributes are also quite comparable with standard algorithms. Hence, low values of obtained standard deviation indicate the superiority of the algorithm over other opponents. A similar trend is also observed in the parallel topology structure, where the standard deviation values are optimal for the proposed algorithm. The significant values are indicated in boldface.
- It is important to mention here that some algorithms perform pessimistically when dealing with this optimization problem, such as, for instance, for series structure (MVO for Topology-2, WOA, MVO, HHO, and ECGOA for Topology-3, SCA, GWO, WOA, MVO, CSA, FPA, HHO, CMPA, ECGOA, and AWOA provides high standard deviation values for HP. These values indicate that algorithms are not compatible with the optimization problem and can also provide some ambiguous results in some cases. Similarly, for parallel topology, GWO, HHO, and ECGOA provide pessimistic results for Topology-3, and WOA, CSA, and HHO provide a high value of standard deviation while solving the optimization for parallel Topology-4.
5.1. Boxplot Analysis
- The algorithm yields positive results and that are too in narrow range.
- The algorithm exhibits very competitive performance when compared with other opponents.
5.2. Execution Time Analysis
5.3. Fitness Function Value Analysis
5.4. Total Harmonic Distortion Analysis
- It is observed that THD values of voltage are quite a bit higher for series Topology-3 and 4 and corresponding values of current THDs are also comparatively high. Since these values are less than threshold value 5. It can be said that further improvement is possible.
- For parallel topology, THD values of voltage and currents are high for Topology-3 and 4. It is also worth mentioning here that these values come in the acceptable range, as per reference [60].
- Here, the THD has been computed in the presence of [5,7,11,13] harmonic contamination. This composition has been taken for creating a real-life scenario in industrial processes. However, the acceptable THD values show that the proposed modification and implementation of the filter is successful for all evaluated cases.
6. Conclusions
- A proposal of a hybrid algorithm is put forward in the manuscript. Two strong metaheuristics, MPA and SCA, are fused with each other to utilize the inherent properties of each one in a hybrid structure.
- Further, the application of the proposed MPA-SCA has been explored in the application of designing hybrid filters of series and parallel topologies. While observing the response of the proposed framework, it is concluded that the parameter estimation process of the proposed metaheuristic is strong and robust.
- The harmonic pollution obtained from the process also shows a constant growth and is stable compared to other algorithms. Finally, the statistical significance, along with data distribution analysis, show that the proposed modifications are profound for the parameter estimation process of the filter.
Author Contributions
Funding
Data Availability Statement
Conflicts of Interest
References
- Kavitha, V.; Subramanian, K. Investigation of Power Quality Issues and Its Solution for Distributed Power System. In Proceedings of the 2017 International Conference on Circuit, Power and Computing Technologies (ICCPCT), Kollam, India, 20–21 April 2017; pp. 112–117. [Google Scholar] [CrossRef]
- Singh, S.; Letha, L.L. Various custom power devices for power quality improvement: A review. In Proceedings of the 2018 International Conference on Power Energy, Environment and Intelligent Control (PEEIC), Greater Noida, India, 13–14 April 2018; pp. 689–695. [Google Scholar] [CrossRef]
- Singh, B.; Al-Haddad, K.; Chandra, A. A Review of Active Filters for Power Quality Improvement. IEEE Trans. Ind. Electron. 1999, 46, 960–971. [Google Scholar] [CrossRef]
- Das, S.R.; Prakash Ray, K.; Mohanty, A. Enhancement of Power Quality Disturbances using Hybrid Power Filters. In Proceedings of the IEEE International Conference on circuits Power and Computing Technologies [ICCPCT], Kollam, India, 20–21 April 2017; pp. 1–6. [Google Scholar] [CrossRef]
- Kedra, B. Comparison of an Active and Hybrid Power Filter Devices. In Proceedings of the 2014 16th International Conference on Harmonics and Quality of Power (ICHQP), Bucharest, Romania, 25–28 May 2014; pp. 556–560. [Google Scholar] [CrossRef]
- Rahmani, S.; Hamadi, A.B.; Al-Haddad, K. A Comprehensive Analysis of Hybrid Active Power Filter for Power Quality Enhancement. In Proceedings of the IECON 2012 38th Annual Conference on IEEE Industrial Electronics Society, Montreal, QC, Canada, 25–28 October 2012; pp. 6258–6267. [Google Scholar] [CrossRef]
- Daftary, D.; Shah, M.T. Design and Analysis of Hybrid Active Power Filter for Current Harmonics Mitigation. In Proceedings of the 2019 IEEE 16th India Council International Conference (INDICON), Rajkot, India, 13–15 December 2019. [Google Scholar] [CrossRef]
- Hua, C.C.; Chuang, C.W. Design and Implementation of a Hybrid Series Active Power Filter. In Proceedings of the 2005 International Conference on Power Electronics and Drives Systems, Kuala Lumpur, Malaysia, 28 November–1 December 2005; pp. 1322–1326. [Google Scholar] [CrossRef]
- Vijeta, V.; Barathe Dhamse, S.S. Design and Simulation Study of Hybrid Filter for Power Quality Improvement. In Proceedings of the 2018 Second International Conference on Green Computing and Internet of Things (ICGCIoT), Bangalore, India, 16–18 August 2018; pp. 315–319. [Google Scholar] [CrossRef]
- Litrán, S.P.; Salmerón, P.; Herrera, R.S. Hybrid active power filter: Design criteria. Renew. Energy Power Qual. J. 2011, 1, 69–74. [Google Scholar] [CrossRef]
- Zhao, W.; Luo, A.; Deng, X.; Zhou, K.; Wu, I. Parameter Design for Improving Injection Type Hybrid Active Power Filter Performance in High Power Grid. In Proceedings of the 2009 IEEE 6th International Power Electronics and Motion Control Conference, Wuhan, China, 17–20 May 2009; pp. 1148–1154. [Google Scholar] [CrossRef]
- Dehini, R.; Sefiane, S. Power quality and cost improvement by passive power filters synthesis using ant colony algorithm. J. Theor. Appl. Inf. Technol. 2011, 23, 70–79. [Google Scholar]
- Jian, W.; Li, X.; Dianguo, X.; Duan, G. Parameter Design and Multiobjective Optimization of Shunt Active Filter Switching Harmonic Filter Based on Genetic Algorithm. In Proceedings of the 2011 International Conference on Electronics, Communications and Control (ICECC), Ningbo, China, 9–11 September 2011. [Google Scholar] [CrossRef]
- Tiwari, A.K.; Dubey, S.P. Ant Colony Optimization Based Hybrid Active Power Filter for Harmonic Compensation. In Proceedings of the International Conference on Electrical, Electronics, and Optimization Techniques (ICEEOT), Chennai, India, 3–5 March 2016; pp. 777–782. [Google Scholar] [CrossRef]
- Biswas, P.P.; Suganthan, P.N.; Gehan Amaratunga, A.J. Minimizing harmonic distortion in power system with optimal design of hybrid active power filter using L-SHADE algorithm. Appl. Soft Comput. 2017, 61, 486–496. [Google Scholar] [CrossRef]
- Cui, Z.; Li, C.; Dai, W.; Zhang, L.; Wu, Y. A hierarchical teaching-learning-based optimization algorithm for optimal design of hybrid active power filter. IEEE Access 2020, 8, 143530–143544. [Google Scholar] [CrossRef]
- Sharanya, M.; Basavaraja, B.; Sasikala, M. Power Quality Improvement using a Combination of Hybrid Active Power Filter and Thyristorised Controlled Reactor. In Proceedings of the International Conference on Energy, Communication, Data Analytics and Soft Computing (ICECDS), Chennai, India, 1–2 August 2017; pp. 1364–1369. [Google Scholar] [CrossRef]
- Kumar, A.; Bhole, A.A. Design of Hybrid Filter for Elimination of Current Harmonics. In Proceedings of the Second International Conference On Recent Trends in Electronics Information & Communication Technology (RTEICT), Bangalore, India, 19–20 May 2017; pp. 1334–1337. [Google Scholar] [CrossRef]
- Cleary, B.; Medina-Rios, A.; Cruz-Hernéndez, O. Hybrid Active Power Filter Based on the IRP Theory for Harmonic Current Mitigation. In Proceedings of the International Autumn Meeting on Power, Electronics and Computing (ROPEC), Ixtapa, Mexico, 9–11 November 2016; pp. 1–5. [Google Scholar] [CrossRef]
- Saxena, A. An efficient harmonic estimator design based on Augmented Crow Search algorithm in noisy environment. Expert Syst. Appl. 2022, 194, 116470. [Google Scholar] [CrossRef]
- Zan, J. Research on robot path perception and optimization technology based on whale optimization algorithm. J. Comput. Cogn. Eng. 2022, 1, 201–208. [Google Scholar] [CrossRef]
- Jain, K.; Saxena, A. Simulation on supplier side bidding strategy at day-ahead electricity market using ant lion optimizer. J. Comput. Cogn. Eng. 2022. [Google Scholar] [CrossRef]
- Kundu, T.; Garg, H. A hybrid ITLHHO algorithm for numerical and engineering optimization problems. Int. J. Intell. Syst. 2022, 37, 3900–3980. [Google Scholar] [CrossRef]
- Kundu, T.; Garg, H. LSMA-TLBO: A hybrid SMA-TLBO algorithm with lévy flight based mutation for numerical optimization and engineering design problems. Adv. Eng. Softw. 2022, 172, 103185. [Google Scholar] [CrossRef]
- Devarapalli, R.; Rao, B.V.; Al-Durra, A. Optimal parameter assessment of solar photovoltaic module equivalent circuit using a novel enhanced hybrid GWO-SCA algorithm. Energy Rep. 2022, 8, 12282–12301. [Google Scholar] [CrossRef]
- Basak, S.; Bhattacharyya, B.; Dey, B. Combined economic emission dispatch on dynamic systems using hybrid CSA-JAYA Algorithm. Int. J. Syst. Assur. Eng. Manag. 2022, 13, 2269–2290. [Google Scholar] [CrossRef]
- Seyyedabbasi, A. WOASCALF: A new hybrid whale optimization algorithm based on sine cosine algorithm and levy flight to solve global optimization problems. Adv. Eng. Softw. 2022, 173, 103272. [Google Scholar] [CrossRef]
- Eslami, M.; Neshat, M.; Khalid, S.A. A novel hybrid sine cosine algorithm and pattern search for optimal coordination of power system damping controllers. Sustainability 2022, 14, 541. [Google Scholar] [CrossRef]
- Abdel-Mawgoud, H.; Fathy, A.; Kamel, S. An effective hybrid approach based on arithmetic optimization algorithm and sine cosine algorithm for integrating battery energy storage system into distribution networks. J. Energy Storage 2022, 49, 104154. [Google Scholar] [CrossRef]
- Vandrasi, R.K.; Sravana Kumar, B.; Devarapalli, R. Solar photo voltaic module parameter extraction using a novel Hybrid Chimp-Sine Cosine Algorithm. Energy Sources Part A Recovery Util. Environ. Eff. 2022, 1–20. [Google Scholar] [CrossRef]
- Ahmadianfar, I.; Heidari, A.A.; Noshadian, S.; Chen, H.; Gandomi, A.H. INFO: An efficient optimization algorithm based on weighted mean of vectors. Expert Syst. Appl. 2022, 195, 116516. [Google Scholar] [CrossRef]
- Oyelade, O.N.; Ezugwu, A.E.S.; Mohamed, T.I.; Abualigah, L. Ebola optimization search algorithm: A new nature-inspired metaheuristic optimization algorithm. IEEE Access 2022, 10, 16150–16177. [Google Scholar] [CrossRef]
- Wang, L.; Cao, Q.; Zhang, Z.; Mirjalili, S.; Zhao, W. Artificial rabbits optimization: A new bio-inspired meta-heuristic algorithm for solving engineering optimization problems. Eng. Appl. Artif. Intell. 2022, 114, 105082. [Google Scholar] [CrossRef]
- Goodarzimehr, V.; Shojaee, S.; Hamzehei-Javaran, S.; Talatahari, S. Special relativity search: A novel metaheuristic method based on special relativity physics. Knowl.-Based Syst. 2022, 257, 109484. [Google Scholar] [CrossRef]
- Kaveh, A.; Hosseini, S.M.; Zaerreza, A. A physics-based metaheuristic algorithm based on doppler effect phenomenon and mean euclidian distance threshold. Period. Polytech. Civ. Eng. 2022, 66, 820–842. [Google Scholar] [CrossRef]
- Hashim, F.A.; Hussien, A.G. Snake Optimizer: A novel meta-heuristic optimization algorithm. Knowl.-Based Syst. 2022, 242, 108320. [Google Scholar] [CrossRef]
- Saxena, A.; Alshamrani, A.M.; Alrasheedi, A.F.; Alnowibet, K.A.; Mohamed, A.W. A hybrid approach based on principal component analysis for power quality event classification using support vector machines. Mathematics 2022, 10, 2780. [Google Scholar] [CrossRef]
- Trojovský, P.; Dehghani, M. Pelican optimization algorithm: A novel nature-inspired algorithm for engineering applications. Sensors 2022, 22, 855. [Google Scholar] [CrossRef] [PubMed]
- Aziz, R.M.; Mahto, R.; Goel, K.; Das, A.; Kumar, P.; Saxena, A. Modified genetic algorithm with deep learning for fraud transactions of ethereum smart contract. Appl. Sci. 2023, 13, 697. [Google Scholar] [CrossRef]
- Chang, Y.P.; Wu, C.J. Optimal multi-objective planning of large-scale passive harmonic filters using hybrid differential evolution method considering parameter and loading uncertainty. IEEE Trans. Power Deliv. 2005, 20, 408–416. [Google Scholar] [CrossRef]
- Zobaa, A.F. Mixed-integer distributed ant colony multi-objective optimization of single-tuned passive harmonic filter parameters. IEEE Access 2019, 7, 44862–44870. [Google Scholar] [CrossRef]
- Mohammadi, M. Bacterial foraging optimization and adaptive version for economically optimum sitting, sizing and harmonic tuning orders setting of LC harmonic passive power filters in radial distribution systems with linear and nonlinear loads. Appl. Soft Comput. 2015, 29, 345–356. [Google Scholar] [CrossRef]
- Aleem, S.H.A.; Zobaa, A.F.; Balci, M.E.; Ismael, S.M. Harmonic overloading minimization of frequency-dependent components in harmonics polluted distribution systems using Harris Hawks optimization algorithm. IEEE Access 2019, 7, 100824–100837. [Google Scholar] [CrossRef]
- Zobaa, A.F. Optimal multi-objective design of hybrid active power filters considering a distorted environment. IEEE Trans. Ind. Electron. 2013, 61, 107–114. [Google Scholar] [CrossRef]
- Graovac, D.; Vladimir, K.; Alfred, R. Power quality compensation using universal power quality conditioning system. IEEE Power Eng. Rev. 2000, 20, 58–60. [Google Scholar] [CrossRef]
- Wu, J.; Wang, H.; Li, N.; Yao, P.; Huang, Y.; Su, Z.; Yu, Y. Distributed trajectory optimization for multiple solar-powered UAVs target tracking in urban environment by Adaptive Grasshopper Optimization Algorithm. Aerosp. Sci. Technol. 2017, 70, 497–510. [Google Scholar] [CrossRef]
- Faramarzi, A.; Heidarinejad, M.; Mirjalili, S.; Gandomi, A.H. Marine predator’s algorithm: A nature-inspired metaheuristic. Expert Syst. Appl. 2020, 152, 1–27. [Google Scholar] [CrossRef]
- Mirjalili, S. SCA: A sine cosine algorithm for solving optimization problems. Knowl.-Based Syst. 2016, 96, 120–133. [Google Scholar] [CrossRef]
- Mirjalili, S.; Mirjalili, S.M.; Lewis, A. Grey wolf optimizer. Adv. Eng. Softw. 2014, 69, 46–61. [Google Scholar] [CrossRef]
- Alrasheedi, A.F.; Alnowibet, K.A.; Saxena, A.; Sallam, K.M.; Mohamed, A.W. Chaos embed marine predator (CMPA) algorithm for feature selection. Mathematics 2022, 10, 1411. [Google Scholar] [CrossRef]
- Mirjalili, S.; Lewis, A. The whale optimization algorithm. Adv. Eng. Softw. 2016, 95, 51–67. [Google Scholar] [CrossRef]
- Alnowibet, K.A.; Shekhawat, S.; Saxena, A.; Sallam, K.M.; Mohamed, A.W. Development and applications of augmented whale optimization algorithm. Mathematics 2022, 10, 2076. [Google Scholar] [CrossRef]
- Heidari, A.A.; Mirjalili, S.; Faris, H.; Aljarah, I.; Mafarja, M.; Chen, H. Harris Hawks optimization: Algorithm and applications. Future Gener. Comput. Syst. 2019, 97, 849–872. [Google Scholar] [CrossRef]
- Askarzadeh, A. A novel metaheuristic method for solving constrained engineering optimization problems: Crow search algorithm. Comput. Struct. 2016, 169, 1–12. [Google Scholar] [CrossRef]
- Saxena, A.; Kumar, R. Chaotic variants of grasshopper optimization algorithm and their application to protein structure prediction. In Applied Nature-Inspired Computing: Algorithms and Case Studies; Springer: Singapore, 2020; pp. 151–175. [Google Scholar] [CrossRef]
- Yang, X.S. Flower pollination algorithm for global optimization. In International Conference on Unconventional Computing and Natural Computation; Springer: Berlin/Heidelberg, Germany, 2012; pp. 240–249. [Google Scholar] [CrossRef]
- Mirjalili, S.; Mirjalili, S.M.; Hatamlou, A. Multi-verse optimizer: A nature-inspired algorithm for global optimization. Neural Comput. Appl. 2016, 27, 495–513. [Google Scholar] [CrossRef]
- Grabovac, D.; Katic, V.; Rufer, A. Power quality problems compensation with universal power quality conditioning system. IEEE Trans. Power Deliv. 2007, 22, 968–976. [Google Scholar] [CrossRef]
- Mahela, O.P.; Shaik, A.G. Topological aspects of power quality improvement techniques: A comprehensive overview. Renew. Sustain. Energy Rev. 2016, 58, 1129–1142. [Google Scholar] [CrossRef]
- IEEE Standards Association. 519-2014-IEEE Recommended Practices and Requirements for Harmonic Control in Electric Power Systems; IEEE: New York, NY, USA, 2014. [Google Scholar] [CrossRef]













| Name of Algorithm | Major Characteristics of the Algorithm | Category |
|---|---|---|
| Grey Wolf Optimization [49] | Based on the hunting of the grey wolf | Nature Inspired Algorithm (Behavior) |
| Sine Cosine Algorithm [48] | Based on trigonometric rules of position update | Swarm Intelligence-Based Algorithm inspired by mathematical functions |
| Chaotic Marine Predator Algorithm (CMPA) [50] | Based on the behavior of the food searching strategy of marine predators | Nature Inspired Algorithm (Behavior) |
| Whale Optimization Algorithm and its advanced version (Augmented Whale Optimization Algorithm (AWOA)) [51,52] | Hunting strategy of whales through bubble netting | Nature Inspired Algorithm (Behavior) |
| Harris Hawk Optimization Algorithm [53] | Attacking strategy on rabbit | Nature Inspired Algorithm (Behavior) |
| Crow Search Algorithm [54] | Behavior of crow and position update on the basis of the sharp memory of the crows | Nature Inspired Algorithm (Behavior) |
| Enhanced Chaotic Grasshopper Optimization Algorithm [55] | Based on the life cycle and movement strategy of grasshoppers | Nature Inspired Algorithm (Behavior) |
| Marine Predators Algorithm [47] | Based on the hunting of marine predators | Nature Inspired Algorithm |
| Flower Pollination Algorithm [56] | Based on the pollination | Nature Inspired Algorithm (Process) |
| Multi Verse Optimizer [57] | Based on the physical laws of multi verse | Physics |
| Topology-1 (Series) | Topology-2 (Series) | ||||||||
|---|---|---|---|---|---|---|---|---|---|
| Algorithm | HP-Statistical Attributes | Algorithm | HP-Statistical Attributes | ||||||
| Max | Min | Mean | SD | Max | Min | Mean | SD | ||
| MPA-SCA | 0.235824 | 0.235824 | 0.235824 | 1.43 × 10−10 | MPA-SCA | 2.752029 | 2.752029 | 2.752029 | 4.27 × 10−9 |
| MPA | 0.235824 | 0.235824 | 0.235824 | 1.83 × 10−10 | MPA | 2.752029 | 2.752029 | 2.752029 | 8.31 × 10−9 |
| SCA | 1.44814 | 0.235049 | 0.44804 | 0.454965 | SCA | 2.970749 | 2.705925 | 2.744592 | 0.044462 |
| GWO | 0.492863 | 0.235761 | 0.244709 | 0.046871 | GWO | 2.758108 | 2.737616 | 2.750605 | 0.004665 |
| WOA | 0.457229 | 0.235761 | 0.283102 | 0.059442 | WOA | 2.791659 | 2.728764 | 2.763505 | 0.014736 |
| MVO | 0.493802 | 0.235761 | 0.330901 | 0.125682 | MVO | 13.44247 | 2.743669 | 3.156759 | 1.944584 |
| CSA | 0.493003 | 0.235812 | 0.407311 | 0.123236 | CSA | 2.952725 | 2.720597 | 2.871241 | 0.10131 |
| FPA | 0.235939 | 0.235776 | 0.235832 | 3.71 × 10−5 | FPA | 2.752787 | 2.751169 | 2.75196 | 3.59 × 10−4 |
| HHO | 0.801755 | 0.235947 | 0.400669 | 0.137242 | HHO | 2.978814 | 2.700313 | 2.871331 | 0.098372 |
| CMPA | 0.55539 | 0.248702 | 0.35613 | 0.075584 | CMPA | 2.989874 | 2.672063 | 2.77443 | 0.077334 |
| ECGOA | 0.893207 | 0.248887 | 0.54476 | 0.17253 | ECGOA | 3.175558 | 2.740154 | 2.957158 | 0.085101 |
| AWOA | 0.493 | 0.23578 | 0.392561 | 0.125776 | AWOA | 2.952504 | 2.697139 | 2.872817 | 0.100804 |
| Topology-3 (Series) | Topology-4 (Series) | ||||||||
| Algorithm | HP-Statistical Attributes | Algorithm | HP-Statistical Attributes | ||||||
| Max | Min | Mean | SD | Max | Min | Mean | SD | ||
| MPA-SCA | 5.671945 | 5.671945 | 5.671945 | 1.04 × 10−9 | MPA-SCA | 6.339927 | 6.339927 | 6.339927 | 3.29 × 10−10 |
| MPA | 5.671945 | 5.671945 | 5.671945 | 1.76 × 10−9 | MPA | 6.339927 | 6.339927 | 6.339927 | 4.18 × 10−10 |
| SCA | 5.905161 | 5.672844 | 5.704757 | 0.047126 | SCA | 347.0379 | 6.340298 | 19.98467 | 62.95686 |
| GWO | 17.12968 | 5.66159 | 6.130355 | 2.079862 | GWO | 35.94208 | 1.934139 | 10.05672 | 9.321973 |
| WOA | 80.8472 | 4.160479 | 10.6829 | 15.31928 | WOA | 39.8214 | 3.989967 | 13.81374 | 9.676749 |
| MVO | 33.15487 | 3.338734 | 9.65829 | 6.478725 | MVO | 351.0236 | 4.612612 | 25.65877 | 62.25545 |
| CSA | 5.88795 | 5.751216 | 5.88339 | 0.024964 | CSA | 33.66454 | 6.33993 | 11.81966 | 8.529696 |
| FPA | 5.887968 | 5.671899 | 5.687382 | 5.45 × 10−2 | FPA | 30.42419 | 6.326296 | 7.234712 | 4.38 |
| HHO | 71.96283 | 5.672535 | 12.17002 | 15.35204 | HHO | 1555.804 | 6.351692 | 67.16096 | 281.8028 |
| CMPA | 6.115478 | 5.762231 | 5.950431 | 0.086461 | CMPA | 48.26047 | 6.437116 | 9.105037 | 9.147228 |
| ECGOA | 31.96992 | 5.963248 | 11.83319 | 8.181191 | ECGOA | 50.68444 | 6.153766 | 13.20195 | 9.400668 |
| AWOA | 5.887949 | 5.887947 | 5.887948 | 4.63 × 10−7 | AWOA | 39.90043 | 4.197232 | 12.26866 | 9.577424 |
| Topology-1 (Parallel) | Topology-2 (Parallel) | ||||||||
|---|---|---|---|---|---|---|---|---|---|
| Algorithm | HP-Statistical Attributes | Algorithm | HP-Statistical Attributes | ||||||
| Max | Min | Mean | SD | Max | Min | Mean | SD | ||
| MPA-SCA | 0.227358 | 0.227358 | 0.227358 | 2.71 × 10−10 | MPA-SCA | 2.754218 | 2.754218 | 2.754218 | 3.16 × 10−9 |
| MPA | 0.227358 | 0.227358 | 0.227358 | 2.88 × 10−10 | MPA | 2.754218 | 2.754218 | 2.754218 | 4.55 × 10−9 |
| SCA | 1.540463 | 0.226645 | 0.561062 | 0.550442 | SCA | 2.852008 | 2.694887 | 2.760584 | 0.036992 |
| GWO | 0.458854 | 0.227309 | 0.235344 | 0.042215 | GWO | 23.22957 | 2.744314 | 3.436385 | 3.738339 |
| WOA | 1.538521 | 0.22731 | 0.305256 | 0.239995 | WOA | 2.827789 | 2.712834 | 2.763879 | 0.02347 |
| MVO | 0.45924 | 0.227338 | 0.304952 | 0.110742 | MVO | 2.94992 | 2.74116 | 2.799505 | 0.082647 |
| CSA | 0.45881 | 0.227343 | 0.382775 | 0.109506 | CSA | 2.949172 | 2.731838 | 2.888504 | 0.090862 |
| FPA | 0.22763 | 0.22732 | 0.227376 | 6.30 × 10−5 | FPA | 2.756777 | 2.753395 | 2.754264 | 5.76 × 10−4 |
| HHO | 0.986941 | 0.227813 | 0.411603 | 0.150028 | HHO | 3.00042 | 2.689728 | 2.86761 | 0.10087 |
| CMPA | 0.633684 | 0.228126 | 0.329684 | 0.102188 | CMPA | 2.997078 | 2.684481 | 2.773105 | 0.073081 |
| ECGOA | 0.785555 | 0.233648 | 0.46482 | 0.115018 | ECGOA | 3.262607 | 2.762591 | 2.970238 | 0.125936 |
| AWOA | 0.458804 | 0.227332 | 0.404935 | 0.099306 | AWOA | 2.949219 | 2.710616 | 2.880074 | 0.094219 |
| Topology-3 (Parallel) | Topology-4 (Parallel) | ||||||||
| Algorithm | HP-Statistical Attributes | Algorithm | HP-Statistical Attributes | ||||||
| Max | Min | Mean | SD | Max | Min | Mean | SD | ||
| MPA-SCA | 5.680787 | 5.680787 | 5.680787 | 8.33 × 10−10 | MPA-SCA | 6.491804 | 6.491804 | 6.491804 | 1.70 × 10−9 |
| MPA | 5.680787 | 5.680787 | 5.680787 | 1.18 × 10−9 | MPA | 6.951745 | 6.491804 | 6.881109 | 1.91 × 10−9 |
| SCA | 18.75719 | 5.67968 | 6.139192 | 2.383221 | SCA | 27.84881 | 6.496107 | 8.047248 | 5.139513 |
| GWO | 75.03596 | 3.179032 | 9.035578 | 13.67917 | GWO | 30.01716 | 3.180714 | 7.99458 | 5.090187 |
| WOA | 20.50213 | 3.948563 | 6.541731 | 3.219661 | WOA | 118.6962 | 3.380581 | 13.27721 | 20.54415 |
| MVO | 22.83762 | 3.932113 | 7.665998 | 3.904528 | MVO | 30.5377 | 6.145469 | 10.48941 | 5.77847 |
| CSA | 5.906084 | 5.680802 | 5.887405 | 0.057728 | CSA | 81.42312 | 3.830066 | 13.52468 | 14.94403 |
| FPA | 5.9061 | 5.680749 | 5.704009 | 6.85 × 10−2 | FPA | 9.496073 | 5.172203 | 6.654876 | 6.19 × 10−1 |
| HHO | 40.19606 | 4.177925 | 8.15946 | 7.418736 | HHO | 97.94805 | 3.023637 | 13.24849 | 17.41042 |
| CMPA | 6.113927 | 5.754902 | 5.961314 | 0.10126 | CMPA | 18.15076 | 1.005695 | 7.413693 | 3.031412 |
| ECGOA | 39.81213 | 4.31944 | 12.06873 | 9.537644 | ECGOA | 28.14325 | 3.145787 | 10.11361 | 4.744195 |
| AWOA | 5.906083 | 5.680789 | 5.898572 | 4.11 × 10−2 | AWOA | 24.45016 | 1.620379 | 8.214011 | 4.259875 |
| Name of Test | Calculated Parameter | Details |
|---|---|---|
| Wilcoxon Rank sum Test | p-Values and H- Values |
|
|
| Topology | Topology-1 (Series) | Topology-2 (Series) | Topology-3 (Series) | Topology-4 (Series) | ||||
|---|---|---|---|---|---|---|---|---|
| Parameter | p-Value | H-Value | p-Value | H-Value | p-Value | H-Value | p-Value | H-Value |
| SCA | 1.72 × 10−12 | 1 | 6.46 × 10−12 | 1.00 | 3.02 × 10−11 | 1 | 3.01 × 10−11 | 1 |
| GWO | 1.72 × 10−12 | 1 | 6.46 × 10−12 | 1.00 | 3.02 × 10−11 | 1 | 2.52 × 10−11 | 1 |
| WOA | 1.72 × 10−12 | 1 | 6.46 × 10−12 | 1.00 | 2.98 × 10−11 | 1 | 1.44 × 10−11 | 1 |
| MVO | 1.72 × 10−12 | 1 | 6.46 × 10−12 | 1.00 | 2.40 × 10−11 | 1 | 7.88 × 10−12 | 1 |
| CSA | 1.72 × 10−12 | 1 | 6.46 × 10−12 | 1.00 | 3.02 × 10−11 | 1 | 2.52 × 10−11 | 1 |
| FPA | 1.72 × 10−12 | 1 | 6.46 × 10−12 | 1.00 | 3.02 × 10−11 | 1 | 3.02 × 10−11 | 1 |
| HHO | 1.72 × 10−12 | 1 | 6.46 × 10−12 | 1.00 | 2.95 × 10−11 | 1 | 9.40 × 10−12 | 1 |
| CMPA | 1.72 × 10−12 | 1 | 6.46 × 10−12 | 1.00 | 3.02 × 10−11 | 1 | 3.02 × 10−11 | 1 |
| ECGOA | 1.72 × 10−12 | 1 | 6.46 × 10−12 | 1.00 | 2.26 × 10−11 | 1 | 1.21 × 10−12 | 1 |
| AWOA | 1.72 × 10−12 | 1 | 6.46 × 10−12 | 1.00 | 3.02 × 10−11 | 1 | 1.44 × 10−11 | 1 |
| MPA | 1 | 0 | 0.807846738 | 0 | 0.153667235 | 0 | 0.8766349 | 0 |
| Topology | Topology-1 (Parallel) | Topology-2 (Parallel) | Topology-3 (Parallel) | Topology-4 (Parallel) | ||||
| Parameter | p-Value | H-Value | p-Value | H-Value | p-Value | H-Value | p-Value | H-Value |
| SCA | 1.55 × 10−11 | 1 | 2.25 × 10−11 | 1 | 3.02 × 10−11 | 1 | 3.01 × 10−11 | 1 |
| GWO | 1.55 × 10−11 | 1 | 2.25 × 10−11 | 1 | 3.01 × 10−11 | 1 | 2.95 × 10−11 | 1 |
| WOA | 1.55 × 10−11 | 1 | 2.25 × 10−11 | 1 | 3.01 × 10−11 | 1 | 6.48 × 10−12 | 1 |
| MVO | 1.55 × 10−11 | 1 | 2.25 × 10−11 | 1 | 2.80 × 10−11 | 1 | 2.37 × 10−12 | 1 |
| CSA | 1.55 × 10−11 | 1 | 2.25 × 10−11 | 1 | 3.02 × 10−11 | 1 | 3.16 × 10−12 | 1 |
| FPA | 1.55 × 10−11 | 1 | 2.25 × 10−11 | 1 | 3.02 × 10−11 | 1 | 3.01 × 10−11 | 1 |
| HHO | 1.55 × 10−11 | 1 | 2.25 × 10−11 | 1 | 2.95 × 10−11 | 1 | 4.11 × 10−12 | 1 |
| CMPA | 1.55 × 10−11 | 1 | 2.25 × 10−11 | 1 | 3.02 × 10−11 | 1 | 2.92 × 10−11 | 1 |
| ECGOA | 1.55 × 10−11 | 1 | 2.25 × 10−11 | 1 | 5.22 × 10−12 | 1 | 1.21 × 10−12 | 1 |
| AWOA | 1.55 × 10−11 | 1 | 2.25 × 10−11 | 1 | 3.02 × 10−11 | 1 | 1.27 × 10−11 | 1 |
| MPA | 0.178795323 | 0 | 0.527602679 | 0 | 0.096262831 | 0 | 0.559230536 | 0 |
| Series | Parameters | MPA-SCA | MPA | SCA | GWO | WOA | MVO | CSA | FPA | HHO | CMPA | ECGOA | AWOA |
|---|---|---|---|---|---|---|---|---|---|---|---|---|---|
| Topology-1 | Max | −9.67504 | −9.67504 | −8.16102 | −9.32006 | −9.36947 | −9.31952 | −9.32079 | −9.67498 | −8.89561 | −9.199 | −8.77154 | −9.32079 |
| Min | −9.67504 | −9.67504 | −9.67158 | −9.67498 | −9.67497 | −9.6749 | −9.67504 | −9.67504 | −9.675 | −9.65748 | −9.64865 | −9.67504 | |
| Mean | −9.67504 | −9.67504 | −9.38097 | −9.66256 | −9.60957 | −9.54405 | −9.43878 | −9.67503 | −9.44708 | −9.41425 | −9.22929 | −9.45405 | |
| SD | 3.29 × 10−16 | 3.30 × 10−16 | 0.555189 | 0.06469 | 0.082034 | 0.17304 | 0.169725 | 1.37 × 10−5 | 0.189851 | 0.123635 | 0.236657 | 0.171987 | |
| Topology-2 | Max | −6.78502 | −6.78502 | −6.21413 | −6.23222 | −6.23221 | 100 | −6.46302 | −6.78499 | −6.42416 | −6.34147 | −5.74773 | −6.46302 |
| Min | −6.78502 | −6.78502 | −6.77016 | −6.7849 | −6.78501 | −6.785 | −6.78502 | −6.78502 | −6.78462 | −6.734 | −6.76511 | −6.78502 | |
| Mean | −6.78502 | −6.78502 | −6.4368 | −6.76611 | −6.75875 | −3.14964 | −6.58266 | −6.78501 | −6.5785 | −6.5598 | −6.33637 | −6.5731 | |
| SD | 1.18 × 10−15 | 5.05 × 10−15 | 0.252263 | 0.100836 | 0.100855 | 19.48234 | 0.156784 | 6.68 × 10−6 | 0.151291 | 0.11008 | 0.219109 | 0.152814 | |
| Topology-3 | Max | −2.08504 | −2.08504 | −1.69757 | 100 | 100 | 100 | −1.7655 | −1.76547 | 100 | −1.30849 | 100 | −1.7655 |
| Min | −2.08504 | −2.08504 | −2.07437 | −2.08404 | −2.08426 | −2.08427 | −1.92316 | −2.08456 | −2.08388 | −1.75493 | −1.50652 | −1.7655 | |
| Mean | −2.08504 | −2.08504 | −1.97135 | 4.839298 | 15.09655 | 42.30153 | −1.77076 | −2.06077 | 18.56314 | −1.53463 | 46.7119 | −1.7655 | |
| SD | 2.01 × 10−9 | 5.80 × 10−9 | 0.085572 | 25.86796 | 38.61987 | 51.31849 | 0.028785 | 0.080298 | 41.41502 | 0.0997 | 50.70806 | 8.94 × 10−7 | |
| Topology-4 | Max | −1.10197 | −1.10197 | 1 | 1 | 1 | 1 | 1 | 1 | 1 | 1 | 1 | 1 |
| Min | −1.10197 | −1.10197 | −1.08501 | −1.10147 | −1.10021 | −1.10044 | −1.10196 | −1.07419 | −1.08285 | −0.87559 | 1 | −1.10195 | |
| Mean | −1.10197 | −1.10197 | −0.80406 | −0.24807 | 0.273946 | 0.542432 | −0.14476 | −0.76916 | 0.524989 | 0.072894 | 1 | 0.299951 | |
| SD | 1.87 × 10−9 | 9.83 × 10−10 | 0.614464 | 1.036617 | 0.984738 | 0.859799 | 1.032489 | 0.419199 | 0.811663 | 0.468885 | 0 | 0.968612 |
| Series | ITHD (%) | VTHD (%) | Parallel | ITHD (%) | VTHD (%) |
|---|---|---|---|---|---|
| Toplogy-1 | 0.12497 | 0.19999 | Toplogy-1 | 0.12044 | 0.19284 |
| Topology-2 | 2.67705 | 0.54400 | Topology-2 | 2.70840 | 0.50027 |
| Topology-3 | 4.60850 | 3.30646 | Topology-3 | 4.615498 | 3.31187624 |
| Topology-4 | 4.9987 | 3.89803 | Topology-4 | 4.9869 | 4.1404734 |
Disclaimer/Publisher’s Note: The statements, opinions and data contained in all publications are solely those of the individual author(s) and contributor(s) and not of MDPI and/or the editor(s). MDPI and/or the editor(s) disclaim responsibility for any injury to people or property resulting from any ideas, methods, instructions or products referred to in the content. |
© 2023 by the authors. Licensee MDPI, Basel, Switzerland. This article is an open access article distributed under the terms and conditions of the Creative Commons Attribution (CC BY) license (https://creativecommons.org/licenses/by/4.0/).
Share and Cite
Ali, S.; Bhargava, A.; Saxena, A.; Kumar, P. A Hybrid Marine Predator Sine Cosine Algorithm for Parameter Selection of Hybrid Active Power Filter. Mathematics 2023, 11, 598. https://doi.org/10.3390/math11030598
Ali S, Bhargava A, Saxena A, Kumar P. A Hybrid Marine Predator Sine Cosine Algorithm for Parameter Selection of Hybrid Active Power Filter. Mathematics. 2023; 11(3):598. https://doi.org/10.3390/math11030598
Chicago/Turabian StyleAli, Shoyab, Annapurna Bhargava, Akash Saxena, and Pavan Kumar. 2023. "A Hybrid Marine Predator Sine Cosine Algorithm for Parameter Selection of Hybrid Active Power Filter" Mathematics 11, no. 3: 598. https://doi.org/10.3390/math11030598
APA StyleAli, S., Bhargava, A., Saxena, A., & Kumar, P. (2023). A Hybrid Marine Predator Sine Cosine Algorithm for Parameter Selection of Hybrid Active Power Filter. Mathematics, 11(3), 598. https://doi.org/10.3390/math11030598

