Novel Composite Speed Control of Permanent Magnet Synchronous Motor Using Integral Sliding Mode Approach
Abstract
:1. Introduction
- To reduce the steady-state error and improve the robustness of the speed controller, a novel estimator based on a nonlinear ESO is designed to estimate the lumped disturbance, including load torque and parameter changes, in real time, and is used for the feed-forward compensation;
- A novel integral sliding surface that is more sensitive to input error is designed to improve response speed and robustness. Moreover, an STA is used as a high-order reaching law to suppress chattering;
- The simulation and experimental results show that the proposed novel ST-ISMC is better at controlling than the PI controller and traditional ST-ISMC in scenarios where load and speed change frequently.
2. Mathematical Model of PMSM
- The three-phase winding of the motor is completely symmetrical, the air gap is uniform and the output is a standard three-phase wave current.
- The stator and rotor cores are coaxial and smooth.
- The saturation of the magnetic circuit, the influences of the magnetic hysteresis losses and the eddy currents are ignored.
3. Controller Design
3.1. Design of Traditional Integral Sliding Mode Controller
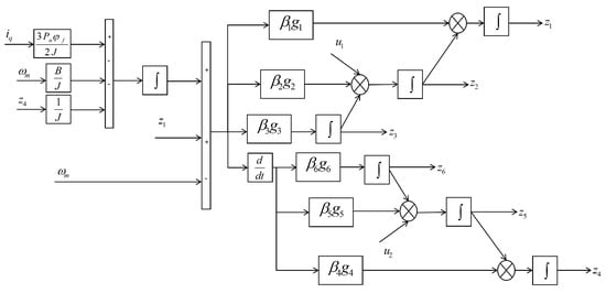
3.2. Design of Disturbance Estimator Based on ESO
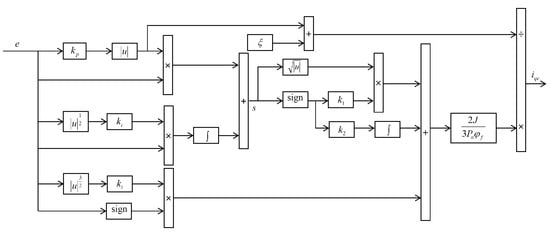
3.3. Design of a Novel Integral Sliding Mode Controller
3.4. Stability Analysis for Novel ST-ISMC
4. Simulation and Experiment
4.1. Simulation Results
4.2. Experimental Results
5. Conclusions
Author Contributions
Funding
Data Availability Statement
Conflicts of Interest
References
- Ullah, K.; Guzinski, J.; Mirza, A.F. Critical Review on Robust Speed Control Techniques for Permanent Magnet Synchronous Motor (PMSM) Speed Regulation. Energies 2022, 15, 1235. [Google Scholar] [CrossRef]
- Sun, M.; Xu, Y.; Han, K. Structure and Optimization Design of Cup Winding Permanent Magnet Synchronous Machine in Flywheel Energy Storage System. IEEE Trans. Magn. 2023, 59, 8100805. [Google Scholar] [CrossRef]
- Chen, H.; Wang, X.; Benbouzid, M.; Charpentier, J.-F.; Ait-Ahmed, N.; Han, J. Improved Fractional-Order PID Controller of a PMSM-Based Wave Compensation System for Offshore Ship Cranes. J. Mar. Sci. Eng. 2022, 10, 1238. [Google Scholar] [CrossRef]
- Mohanraj, D.; Gopalakrishnan, J.; Chokkalingam, B.; Mihet-Popa, L. Critical Aspects of Electric Motor Drive Controllers and Mitigation of Torque Ripple—Review. IEEE Access 2022, 10, 73635–73674. [Google Scholar] [CrossRef]
- Wang, Z.; Chen, J.; Cheng, M.; Chau, K.T. Field-Oriented Control and Direct Torque Control for Paralleled VSIs Fed PMSM Drives With Variable Switching Frequencies. IEEE Trans. Power Electron. 2016, 31, 2417–2428. [Google Scholar] [CrossRef]
- Tang, X.; Zhang, Z.; Liu, X.; Liu, C.; Jiang, M.; Song, Y. A Novel Field-Oriented Control Algorithm for Permanent Magnet Synchronous Motors in 60° Coordinate Systems. Actuators 2023, 12, 92. [Google Scholar] [CrossRef]
- Huo, J.; Ding, D.; Ren, Z.; Wang, G.; Zhao, N.; Zhu, L.; Xu, D. A Novel Flux-weakening Control Method with Quadrature Voltage Constrain for Electrolytic Capacitorless PMSM Drives. CES Trans. Electr. Mach. Syst. 2022, 6, 279–287. [Google Scholar] [CrossRef]
- Petkar, S.G.; Thippiripati, V.K. A Novel Duty-Controlled DTC of a Surface PMSM Drive With Reduced Torque and Flux Ripples. IEEE Trans. Ind. Electron. 2023, 10, 3373–3383. [Google Scholar] [CrossRef]
- Nasr, A.; Gu, C.; Wang, X.; Buticchi, G.; Bozhko, S.; Gerada, C. Torque-Performance Improvement for Direct Torque-Controlled PMSM Drives Based on Duty-Ratio Regulation. IEEE Trans. Power Electron. 2022, 37, 749–760. [Google Scholar] [CrossRef]
- Bobin, V.J.; MarsalineBeno, M. Performance Analysis of Optimization Based FOC and DTC Methods for Three Phase Induction Motor. Intell. Autom. Soft Comput. 2023, 35, 2493–2511. [Google Scholar] [CrossRef]
- Zheng, S.; Tang, X.; Song, B.; Lu, S.; Ye, B. Stable Adaptive PI Control for Permanent Magnet Synchronous Motor Drive Based on Improved JITL Technique. ISA Trans. 2013, 52, 539–549. [Google Scholar] [CrossRef] [PubMed]
- Wei, Z.; Zhao, M.; Liu, X.; Lu, M. A Novel Variable-Proportion Desaturation PI Control for Speed Regulation in Sensorless PMSM Drive System. Appl. Sci. 2022, 12, 9234. [Google Scholar] [CrossRef]
- Wang, W.; Tan, F.; Wu, J.; Ge, H.; Wei, H.; Zhang, Y. Adaptive Integral Backstepping Controller for PMSM with AWPSO Parameters Optimization. Energies 2019, 12, 2596. [Google Scholar] [CrossRef]
- Choi, H.H.; Vu, N.T.-T.; Jung, J.-W. Digital Implementation of an Adaptive Speed Regulator for a PMSM. IEEE Trans. Power Electron. 2011, 26, 3–8. [Google Scholar] [CrossRef]
- Jin, Z.; Sun, X.; Lei, G.; Guo, Y.; Zhu, J. Sliding mode direct torque control of SPMSMs based on a hybrid wolf optimization algorithm. IEEE Trans. Ind. Electron. 2022, 69, 4534–4544. [Google Scholar] [CrossRef]
- Sun, X.; Zhang, Y.; Cai, Y.; Tian, X. Compensated deadbeat predictive current control considering disturbance and VSI nonlinearity for in-wheel PMSMs. IEEE/ASME Trans. Mechatronics 2022, 27, 3536–3547. [Google Scholar] [CrossRef]
- Song, W.; Saeed, M.S.R.; Yu, B.; Li, J.; Guo, Y. Model Predictive Current Control With Reduced Complexity for Five-Phase Three-Level NPC Voltage-Source Inverters. IEEE Trans. Transp. Electrif. 2022, 8, 1906–1917. [Google Scholar] [CrossRef]
- Zaihidee, F.M.; Mekhilef, S.; Mubin, M. Robust Speed Control of PMSM Using Sliding Mode Control (SMC)—A Review. Energies 2019, 12, 1669. [Google Scholar] [CrossRef]
- Xu, B.; Zhang, L.; Ji, W. Improved Non-Singular Fast Terminal Sliding Mode Control With Disturbance Observer for PMSM Drives. IEEE Trans. Transp. Electrif. 2021, 7, 2753–2762. [Google Scholar] [CrossRef]
- Dai, C.; Guo, T.; Yang, J.; Li, S. A Disturbance Observer-Based Current-Constrained Controller for Speed Regulation of PMSM Systems Subject to Unmatched Disturbances. IEEE Trans. Ind. Electron. 2021, 68, 767–775. [Google Scholar] [CrossRef]
- Ding, S.; Hou, Q.; Wang, H. Disturbance-Observer-Based Second-Order Sliding Mode Controller for Speed Control of PMSM Drives. IEEE Trans. Energy Convers. 2023, 38, 100–110. [Google Scholar] [CrossRef]
- Zhao, Y.; Liu, X.; Zhang, Q. Predictive speed-control algorithm based on a novel extended-state observer for PMSM drives. Appl. Sci. 2019, 38, 2575. [Google Scholar] [CrossRef]
- Liu, Y.C.; Laghrouche, S.; Depernet, D.; N’Diaye, A.; Djerdir, A.; Cirrincione, M. Super-twisting sliding-mode observer-based model reference adaptive speed control for PMSM drives. J. Frankl. Inst. 2023, 360, 985–1004. [Google Scholar] [CrossRef]
- Nurettin, A.; İnanç, N. High-Performance Induction Motor Speed Control Using a Robust Hybrid Controller With a Supertwisting Sliding Mode Load Disturbance Observer. IEEE Trans. Ind. Electron. 2022, 70, 7743–7752. [Google Scholar] [CrossRef]
- Qian, J.; Ji, C.; Pan, N.; Wu, J. Improved Sliding Mode Control for Permanent Magnet Synchronous Motor Speed Regulation System. Appl. Sci. 2018, 8, 2491. [Google Scholar] [CrossRef]
- Boiko, I.; Fridman, L. Analysis of chattering in continuous sliding-mode controllers. IEEE Trans. Autom. Control 2005, 50, 1442–1446. [Google Scholar] [CrossRef]
- Moreno, J.A.; Osorio, M. Strict Lyapunov Functions for the Super-Twisting Algorithm. IEEE Trans. Autom. Control 2012, 57, 1035–1040. [Google Scholar] [CrossRef]
- Xia, J.; Ouyang, H. Chattering Free Sliding Mode Controller Design for Underactuated Tower Cranes with Uncertain Disturbance. IEEE Trans. Ind. Electron. 2023. accepted. [Google Scholar] [CrossRef]
- Wan, H.; Qi, X.; Li, J. Linear Matrix Inequality Based Stability Analysis of Linear/Nonlinear Switching Active Disturbance Rejection Control System. J. Shanghai Jiaotong Univ. 2022, 56, 1491. [Google Scholar]
- Chen, W.; Yang, J.; Guo, L.; Li, S. Disturbance-Observer-Based Control and Related Methods—An Overview. IEEE Trans. Ind. Electron. 2016, 63, 1083–1095. [Google Scholar] [CrossRef]
- Zhang, G.; Wang, G.; Yuan, B.; Liu, R.; Xu, D. Active Disturbance Rejection Control Strategy for Signal Injection-Based Sensorless IPMSM Drives. IEEE Trans. Transp. Electrif. 2018, 4, 330–339. [Google Scholar] [CrossRef]












| Parameter | Value | Unit |
|---|---|---|
| Rated power | [] | |
| Rated line voltage | 48 | [V] |
| Rated line current | [A] | |
| Rated speed | 3000 | [r/min] |
| Rated torque | [N·m] | |
| Rotor inertia | [kg·m] | |
| Winding resistance | [] | |
| Winding inductance | [mH] | |
| Rotor flux linkage | [Wb] |
| Controller | ||||
|---|---|---|---|---|
| PI controller | 1 | 50 | * | * |
| ST-ISMC | 5000 | |||
| Novel ST-ISMC | 5000 |
| Controller | PI Controller | ST-ISMC | Novel ST-ISMC |
|---|---|---|---|
| Settling time at initial speed (s) | |||
| Overshoot at initial speed (r/min) | 108 | 95 | 86 |
| Maximum speed drop at initial speed (r/min) | 60 | 62 | 41 |
| Settling time when load changes (s) | |||
| Overshoot when load changes (r/min) | 7 | 7 | 17 |
| Maximum speed drop when load changes (r/min) | 31 | 31 | 43 |
| Settling time when speed changes (s) | |||
| Overshoot when speed changes (r/min) | 35 | 33 | 32 |
| Maximum speed drop when speed changes (r/min) | 36 | 48 | 21 |
| Controller | ||||
|---|---|---|---|---|
| PI controller | * | * | ||
| ST-ISMC | 5000 | |||
| Novel ST-ISMC | 5000 |
| Controller | PI Controller | ST-ISMC | Novel ST-ISMC |
|---|---|---|---|
| Settling time at initial speed (s) | |||
| Overshoot at initial speed (r/min) | 42 | 3 | 64 |
| Maximum speed drop at initial speed (r/min) | 0 | 13 | 1 |
| Settling time when load changes (s) | |||
| Overshoot when load changes (r/min) | 0 | 0 | 1 |
| Maximum speed drop when load changes (r/min) | 191 | 59 | 29 |
| Settling time when speed changes (s) | |||
| Overshoot when speed changes (r/min) | 0 | 0 | 2 |
| Maximum speed drop when speed changes (r/min) | 3 | 58 | 2 |
Disclaimer/Publisher’s Note: The statements, opinions and data contained in all publications are solely those of the individual author(s) and contributor(s) and not of MDPI and/or the editor(s). MDPI and/or the editor(s) disclaim responsibility for any injury to people or property resulting from any ideas, methods, instructions or products referred to in the content. |
© 2023 by the authors. Licensee MDPI, Basel, Switzerland. This article is an open access article distributed under the terms and conditions of the Creative Commons Attribution (CC BY) license (https://creativecommons.org/licenses/by/4.0/).
Share and Cite
Miao, X.; Yao, W.; Ouyang, H.; Zhu, Z. Novel Composite Speed Control of Permanent Magnet Synchronous Motor Using Integral Sliding Mode Approach. Mathematics 2023, 11, 4666. https://doi.org/10.3390/math11224666
Miao X, Yao W, Ouyang H, Zhu Z. Novel Composite Speed Control of Permanent Magnet Synchronous Motor Using Integral Sliding Mode Approach. Mathematics. 2023; 11(22):4666. https://doi.org/10.3390/math11224666
Chicago/Turabian StyleMiao, Xiaodong, Wenzheng Yao, Huimin Ouyang, and Zichong Zhu. 2023. "Novel Composite Speed Control of Permanent Magnet Synchronous Motor Using Integral Sliding Mode Approach" Mathematics 11, no. 22: 4666. https://doi.org/10.3390/math11224666
APA StyleMiao, X., Yao, W., Ouyang, H., & Zhu, Z. (2023). Novel Composite Speed Control of Permanent Magnet Synchronous Motor Using Integral Sliding Mode Approach. Mathematics, 11(22), 4666. https://doi.org/10.3390/math11224666

