Next Article in Journal
Smart Insole-Based Plantar Pressure Analysis for Healthy and Diabetic Feet Classification: Statistical vs. Machine Learning Approaches
Next Article in Special Issue
The Low-Cost Mechanism of a Defined Path Guide Slot-Based Passive Solar Tracker Intended for Developing Countries
Previous Article in Journal
A Framework for Distributed Orchestration of Cyber-Physical Systems: An Energy Trading Case Study
Previous Article in Special Issue
Improving Diabetes Education and Metabolic Control in Children Using Social Robots: A Randomized Trial
 
 
Font Type:
Arial Georgia Verdana
Font Size:
Aa Aa Aa
Line Spacing:
Column Width:
Background:
Article

IoT-Enhanced Decision Support System for Real-Time Greenhouse Microclimate Monitoring and Control

by
Dragoș-Ioan Săcăleanu
1,*,
Mihai-Gabriel Matache
2,
Ștefan-George Roșu
1,
Bogdan-Cristian Florea
1,
Irina-Petra Manciu
1 and
Lucian-Andrei Perișoară
1
1
Faculty of Electronics, Telecommunication and Information Technology, National University of Science and Technology Politehnica Bucharest, 060042 Bucharest, Romania
2
Testing Department, The National Institute of Research—Development for Machines and Installations Designed for Agriculture and Food Industry, 013813 Bucharest, Romania
*
Author to whom correspondence should be addressed.
Technologies 2024, 12(11), 230; https://doi.org/10.3390/technologies12110230
Submission received: 7 October 2024 / Revised: 30 October 2024 / Accepted: 31 October 2024 / Published: 14 November 2024
(This article belongs to the Special Issue Advanced Autonomous Systems and Artificial Intelligence Stage)

Abstract

Greenhouses have taken on a fundamental role in agriculture. The Internet of Things (IoT) is a key concept used in greenhouse-based precision agriculture (PA) to enhance vegetable quality and quantity while improving resource efficiency. Integrating wireless sensor networks (WSNs) into greenhouses to monitor environmental parameters represents a critical first step in developing a complete IoT solution. For further optimization of the results, including actuator nodes to control the microclimate is necessary. The greenhouse must also be remotely monitored and controlled via an internet-based platform. This paper proposes an IoT-based architecture as a decision support system for farmers. A web platform has been developed to acquire data from custom-developed wireless sensor nodes and send commands to custom-developed wireless actuator nodes in a greenhouse environment. The wireless sensor and actuator nodes (WSANs) utilize LoRaWAN, one of the most prominent Low-Power Wide-Area Network (LPWAN) technologies, known for its long data transmission range. A real-time end-to-end deployment of a remotely managed WSAN was conducted. The power consumption of the wireless sensor nodes and the recharge efficiency of installed solar panels were analyzed under worst-case scenarios with continuously active nodes and minimal intervals between data transmissions. Datasets were acquired from multiple sensor nodes over a month, demonstrating the system’s functionality and feasibility.

1. Introduction

Agriculture has been one of the primary domains targeted by sensing technology since its inception. The reliable and continuous observation of environmental and plant-related data is essential to producing results that can positively impact crop quality. The IoT, big data, cloud computing, and advanced analytics, as key elements of the Industry 4.0 paradigm (with Agriculture 4.0 as a subset), empower precision agriculture (PA) to leverage the collection, processing, and analysis of data. These technologies are integrated into management systems, enabling informed decision making for optimized farming outcomes [1,2]. The decision support systems (DSSs) concept applied in agriculture (Agri-DSSs) have advanced with the integration of sensor networks and artificial intelligence (AI) technologies, enabling process automation [3]. These systems compile intricate agricultural data to achieve a unified objective: enhancing the quantity and quality of agricultural production. To deliver optimal solutions, specific components of Agri-DSSs must be tailored to environmental characteristics.
Since the 1990s, the demand for Agri-DSSs has significantly increased globally for various reasons [4]. Until recently, DSSs’ focus was mainly on data analysis in that it was a next-process step after the initial data acquisition step. The output was missing real-time changing capabilities and was not instantly applied to enhance farm operations. The automatic control of environmental parameters was lacking due to the disproportionate development of electronic, communication, and information processing components. However, designing the right IoT architecture for a farm requires the careful consideration of factors such as sensing elements, communication protocols, the farm’s data processing capacity, and time performance. A systematic architecture design approach is needed to meet the specific functional and quality requirements of a farm [5,6].
In 1994, PA was defined as a management strategy that uses information technology to improve agricultural quality and production [7]. As part of the transition to a new level of PA, and as an effective management approach for increasing agricultural yield via the more efficient utilization of resources, DSSs help farmers make well-informed decisions about their crops. With recent advancements, IoT-based architectures are increasingly being used in decision support systems for farmers. These architectures typically include several common elements, such as a WSN for data collection, IoT devices (smart sensors, actuators, and controllers), and user interfaces (such as mobile apps or web portals with information and recommendations). For more accurate results and timely responses, information can be processed with decision support algorithms and models [8].
With limited resources, small farmers are more prone to being affected by the ever-changing environmental conditions that severely impact agriculture. The challenges and opportunities offered to small-scale farmers by the latest technological advancements are reviewed in [9]. The need for affordable technological solutions to support them in enhancing productivity and sustainability now represents a primary direction of the research into monitoring and controlling solutions for greenhouses [10].
Greenhouses represent the ideal environment for modeling and testing PA solutions. Greenhouse technologies have been transformed from niche systems for specialty crops into the cornerstone of intensive agriculture. On the technology side, the expansion is driven by the need to meet rising consumer demands for consistently high-quality products available year-round. The impact of environmental factors and field management practices on the quality of harvested products is often underestimated, and decision support systems are in high demand once their importance is acknowledged. Sensing, monitoring, and controlling commonly imply a network of various sensors and actuators in devices that influence environmental parameters for improved output. The best candidates for those tasks are WSNs and the extended concept of Wireless Sensor and Actuator Networks (WSANs), which have the characteristics of low energy consumption, a low cost, and deployment versatility.

2. Related Work

In the 2000s, the principles of wireless technology applied to monitoring and control—networks of wireless sensors and actuators—were extensively described by works such as [11,12,13,14,15,16,17,18]. The characteristics of wireless communication positioned it to be a technology well suited for application in greenhouse environmental management.
Wireless technologies are already used as a common infrastructure for communication patterns in diverse scenarios [19]. A WSN solution for PA in an orchard is presented in Ref. [20]. The characteristics that WSNs must fulfill to be applicable in agriculture were also analyzed. The applications of WSNs in open-space agriculture are for both process monitoring and control. Influencing the growing environment is, in this case, more difficult due to the significant number of parameters in this context. In Ref. [21], typical applications of the IoT for agriculture were analyzed, with the problems encountered both from the implementation and development perspectives finally being highlighted. Examples of the hardware, sensors, and platforms used for the IoT in agriculture are described in Ref. [22]. The paper presents a broad view of WSNs in agriculture, focusing on the potential of IoT technologies, and emphasizing their increasing adoption and value for farmers. Additionally, the paper highlights the importance of standardizing IoT core technologies to ensure seamless operation across various platforms and operating systems. In Ref. [23], the authors provide a comprehensive review of emerging technologies for IoT-based smart agriculture, including wireless technologies, unmanned aerial vehicles, open-source IoT platforms, Software Defined Networking and Network Function Virtualization technologies, cloud/fog computing, and middleware platforms, while Ref. [24] presents a specific example of an in-field data acquisition sensor prototype.
To ensure the best possible plant evolution in greenhouses, solutions for parameter monitoring such as temperature, humidity, light intensity, soil moisture, and composition were designed using traditional methods before wireless technology was available. Initially, greenhouse operators relied on manual monitoring methods, which involved physically checking environmental parameters and using analog instruments like thermometers and soil moisture probes [25,26]. With the advancement of automation, analog control systems employing mechanical or pneumatic devices were introduced to regulate environmental conditions. In early greenhouses, automation featured wired sensor networks for real-time monitoring and control, transmitting data to a central control unit. During this period, greenhouse operators frequently used data logging techniques to track environmental data over time. This process involved using either simple handheld loggers or more advanced systems connected to computers, which collected and stored sensor measurements at regular intervals for later analysis. While these traditional methods required more manual effort and were less efficient than modern wireless monitoring systems, they laid the groundwork for greenhouse management practices and were essential for optimizing plant growth prior to the wireless technology era [27].
When addressing smaller-sized surfaces, greenhouse farming can be seen as a comprehensive system strategy for optimizing the production of agricultural crops in a controlled environment. In this context, greenhouses are often considered an ideal environment for pioneering the implementation of new agricultural technologies. Ref. [28] provides an in-depth review of wireless sensor networks for greenhouses, starting from the layout of crops, technologies used for sensor communication (such as ZigBee, GPRS, LoRa, Wi-Fi, and Bluetooth), and transmission techniques. Ref. [29] reviews the greenhouse environment from design to monitoring and control. Ref. [30] proposed a mobile and dynamic monitoring system based on autonomous quadruped vehicles connected with wireless sensors for a flower-cultivation greenhouse. The mobility of the system’s elements facilitates monitoring capabilities without any control features being implemented.
The authors in Ref. [31] presented a real-time end-to-end deployment of a LoRaWAN-based sensor network in a greenhouse. They found that temperature and humidity had a larger impact on the sensor readings inside the greenhouse than initially expected. Their paper demonstrates the feasibility of leveraging LoRaWAN technology for PA applications in greenhouse environments, highlighting the importance of proper sensor enclosure design to obtain reliable data.
In Ref. [32], a low-power wireless sensor network was designed using commercial components and free or open-source software libraries, based on LoRaWAN protocol, with a focus on low-cost IoT applications for greenhouse monitoring. The whole system was implemented to demonstrate the feasibility of building a modular system with low-cost off-the-shelf components, including sensors, but with no actuation functions.
Another application of low-power communication technology for intelligent agricultural greenhouses is described in Ref. [33], where a wireless network detection and control system uses NB-IoT technology to facilitate remote monitoring and control of greenhouse conditions. In Ref. [34], the authors built a WSN employing low-cost, low-power sensor nodes that use solar power to operate independently. The sensor nodes were designed for low energy consumption, enabling them to be powered by small solar units. Additionally, a greenhouse controller was developed to interface with the WSN and provide IoT connectivity. The authors from Ref. [35] presented four types of sensing nodes: two powered by batteries and two more complex nodes that relied on renewable technology, designed for scenarios where monitoring is necessary during the daytime. Several power options were analyzed considering that the communication protocol used, namely Wi-Fi, has a high energy-demanding rate. Many IoT-based greenhouse solutions primarily involve the monitoring aspect [36,37,38,39,40]. Solutions also include a control part that usually uses low-cost and low-reliability relays [41,42], and it has only been implemented in experimental scenarios, with no plans for development into a commercial product.
This paper presents an IoT-based Agri-DSS utilizing a wireless sensor network designed to monitor and control environmental parameters in a greenhouse. This is used for an end-to-end application that includes various types of devices for a remote monitoring and controlling solution, providing flexibility in terms of the number of devices, types of sensors, communication protocols, and number of users. For testing, the environmental parameters of interest for greenhouse management, such as air temperature and humidity, air pressure, light intensity, UVA, UVB, CO2, soil temperature, soil humidity at different depths, and soil tension, are monitored. Additionally, soil moisture is regulated through irrigation, and air temperature and humidity are controlled through airflow.
The system’s architectural design, along with a description and the testing of its components, is provided. This is followed by an evaluation of the system’s performance and the results obtained from its implementation in a greenhouse environment.

3. System Design and Implementation

The system developed and utilized in this paper is flexible, making it suitable for different greenhouse scenarios. The hardware used in this system includes wireless sensor nodes (WSns), wireless actuator nodes (WAns), and a gateway. In a general scenario (see Figure 1), the data flow begins with the WSn. The acquired parameters are then transmitted via a LoRa radio to a gateway, which sends the data over Wi-Fi to a web platform over the internet. There, the data are processed, displayed, and stored. Based on this, the user can send commands from the web platform through the gateway to the WAn. The system uses the LoRaWAN network architecture with a star topology both for sensors and actuator nodes, where the gateway exchanges messages between the nodes and the central network server.
Depending on the amount of area that needs to be monitored and on the systems that need to be controlled, the number of sensor or actuator nodes is scalable as the solution can be implemented from small-scale to large-scale greenhouses. Furthermore, multiple greenhouses in a certain area can be monitored and controlled due to the data communication range. The WSn and WAn architectures were developed to be compatible with the Arduino MKR developing boards family. For the presented scenario, the Arduino MKR WAN 1310 developing board was used with LoRa communication, but a series of other communication protocol options can be implemented, like Wi-Fi (Arduino MKR1000 WIFI), GSM (Arduino MKR GSM 1400), SigFox (Arduino MKR FOX 1200), or NarrowBand (Arduino MKR NB 1500).

3.1. Wireless Sensor Node

3.1.1. WSn Design

Wireless sensor nodes are responsible for acquiring data from sensors, processing them, and transmitting the information to the gateway. The proposed block diagram of the node, shown in Figure 2, highlights the various types of sensors that could be utilized, including analog sensors, I2C sensors, and one-wire sensors.
A flexible node interface was developed to support a variety of attached sensors and communication protocols. The central component of the node is the microcontroller-based development board from the Arduino MKR family. The advantages of using this off-the-shelf core include the low-power SAMD21 Cortex®-M0 + 32 bit ARM MCU, integration with a variety of wireless communication protocols used for WSN, the integration of the ATECC508 security chip, and support for power supply from Li-ion or Li-Po rechargeable batteries and an integrated recharge circuit. Additional advantages include management of the power consumption, personalized shield with environmental sensors, and a microSD card slot (Arduino MKR ENV Shield). For this experiment, the Arduino MKR WAN 1310 equipped with the Murata CMWX1ZZABZ LoRa® module was selected to utilize LoRaWAN communication.

3.1.2. WSn Development

Based on the parameters of interest tested in this paper, a set of sensors compatible with the WSn block diagram was selected. Table 1 presents the acquired parameters and the sensors used. The Arduino MKR ENV Shield was attached to the Arduino MKR WAN 1310 board. Each parameter was represented using two bytes, resulting in a total of 28 bytes, considering the battery voltage in addition to the 13 acquired parameters.
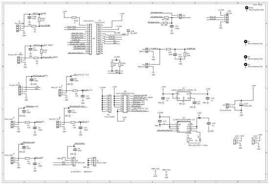
For sensor connection and signal conditioning, an electrical schematic of the interface was designed and is shown in Figure 3.
The signal conditioning interface was designed as a two-layer PCB with dimensions of 85 × 66.5 mm. Figure 4 shows the top layer of the PBC (a), the PCB bottom layer (b), and the 3D model of the interface (c). The interface was equipped with a two-row, 14-pin header connector for the Arduino MKR developing board; eight wire-to-board terminal blocks for sensors; a two-row, four-position header connector for the CO2 sensor; one-wire to-board terminal block for USART communication; and three wire-to-board terminal blocks for power supply (one for the rechargeable battery, one for the Arduino developing board, and one for the solar panel). To improve power efficiency, each sensor can be connected to the 3.3 V power supply directly or through a digital switch by using a jumper. The battery voltage level is acquired through an analog pin, passed previously through a ½ voltage divider. An additional 2.5 V power supply was included for two sensors with these requirements. The interface is compatible with analog sensors, I2C sensors, and one-wire sensors.
Figure 5 shows the manufactured signal conditioning interface with all the connected devices. Two Li-ion 18650 rechargeable batteries of 5000 mAh were used for power supply, and an 11 × 13.5 cm photovoltaic panel of 2 W was used for battery charging.
A custom covered case was developed using a 3D printer to protect the circuits (see Figure 6). The cover is provided with fixing pads for the interface, a custom pad for the SHT31 sensor, a special designed opening for the CO2 sensor, a slit for the light, and UVA and UVB sensors.
Figure 7 shows the final version of the wireless sensor node.
The WSn had a basic data processing software routine. After the initial setup for the microcontroller, transceiver, and individual sensors, the node acquired data from the sensors, processed them, stored them on the microSD card, and sent them to the gateway. Finally, the sensor’s power was shut down, and the transceiver and the microcontroller entered sleep mode. The sleep time could be adjusted considering the application, but due to the LoRaWAN protocol, at least 2 min must past between two consecutive transmissions. When waking up, the WSn continued acquiring a new set of data.

3.1.3. WSn Laboratory Tests

The WSn was tested and evaluated in the laboratory to assess its functionality and viability time. Current consumption was measured to implement suitable power management solutions. The drain current from the rechargeable batteries was monitored during both data processing and the node’s deep sleep mode.
Figure 8 depicts the waveform of the current consumption during o loop acquisition, with node data acquisition, transmission, and the deep sleep mode. During data acquisition, higher power consumption was recorded when collecting data from the CO2 sensor. Data acquisition takes approximately 6 s, while the data transmission time varies depending on the parameters set for the LoRa protocol. The goal was to ensure reliable data reception at the gateway while considering range and power consumption.
Current consumption tests were conducted by changing LoRa parameters, including the Spread Factor (7–12), Power Level (0–20), Coding Rate (5–8), and Bandwidth (500–7.8 kHz). Figure 9 presents the results obtained by keeping three out of four parameters constant to ensure data transmission at the greatest distance while varying the fourth parameter. When the Power Level was changing, the average current consumption was measured. For the other parameters, focus was placed on tracking the data transmission time, with the average current consumption remaining constant.
To evaluate the node’s battery life, the charge (i.e., current consumption in time mAh) was automatically measured using an oscilloscope with capabilities of integrating the current waveform during the studied event. Figure 10 shows the current consumption in transmission (red graph), when all parameters are set to transmit data at the longest distance. Thus, the 28 bytes are transmitted in 35.80 s with an average consumption of 152.5 mA.
In this case, the current consumption was the highest, and the duration of data transmission was very long. If it were to transmit data continuously, for a total battery capacity of 10 Ah (2 × 5000 mAh), the battery life would be up to 2 h.
For the application described in this paper, data acquisition is suited for longer time intervals (at least 10 min), when the node enters into a deep sleep state, consuming an average current of about 3 mA (see Figure 11). In this case, a lifespan of over 100 days can be achieved, not including battery charging from photovoltaic panels.
The acquisition, storage, and transmission of data were also verified. Figure 12 depicts the raw data acquired and stored in a file on the node’s memory card.

3.2. Wireless Actuator Node

3.2.1. WAn Design

The wireless actuator nodes control the activation and deactiviation of the control equipment for the microclimatic factors in a greenhouse based on commands received from users through the web platform via the gateway. Figure 13 presents the proposed block diagram for the wireless actuator node.
Common equipment in a greenhouse is powered by 24 Vac (e.g., solenoid valves for irrigation) and 230 Vac (e.g., fans and motors to control air temperature and humidity, CO2, and light intensity). The WAn was developed by considering eight channels to control 24 Vac, max. 0.5 A devices and two channels to control 230 Vac, max. 4 A devices. Based on the greenhouse scenario, multiple nodes can be implemented. The Arduino MKR WAN 1310 was also used for the WAn with a 5 Vdc power supply.

3.2.2. WAn Development

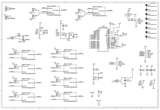
The electrical schematic of the WAn is presented in Figure 14.
The designed WAn signal conditioning interface has a two-layer PCB with dimensions of 217 × 131 mm. Figure 15 presents the PCB top layer (a) and the 3D model of the interface (b).
Size and power consumption were not requirements for the WAn since these nodes are installed in fixed points in the greenhouse and are permanently connected to the power supply and main grid. The CPC1966Y IXYS Solid State Relay (SSR) is used for the 24 Vac channels, while the PF240D25 SSR is used for the 230 Vac channels. We chose SSRs because they have more advantages compared to mechanical relays despite the high cost. Due to the humid environment in the greenhouse, the absence of moving parts and contacts in SSRs extends the lifetime of the node. Also, the voltage zero-crossing turn-on capability of SSR reduces the generated switching noise of AC loads by minimizing the generation of transients.
For each SSR, a 47 nF and 100 Ω RC snubber was added to assure protection for inductive loads. Metal Oxide Varistors (MOVs) suppress high-voltage transients and offer protection against cable disconnection while under an inductive load. A 1 A fuse was introduced for the 24 Vac channels, and a 5 A fuse was added for the 230 Vac channels for protection. Indicator LEDs were installed for each channel. The final assembled PCB is presented in Figure 16.
A residual current circuit breaker with overcurrent protection (RCBO) ensures protection of the main supply and safeguards users against residual fault currents in the humid environment. A classical transformer was used for the 24 Vac power supply, and an AC-DC converter was used for the 5 Vcc power supply. All of these were encapsulated in a nearby IP65 electrical panel box. The setup for the WAn is presented in Figure 17.
The WAn was programmed to send an uplink packet to the gateway every 2 min, the minimum LoRaWAN communication interval. If a command from the web platform is received by the gateway, it is sent to the WAn. The WAn then extracts the information and sets each channel accordingly for a certain period. The data packet includes four bytes: the first byte is for the 24 Vac channels’ activation (1 bit for each channel), the second byte is for the 230 Vac channels’ activations (2 bits used for the two channels), and the last two bytes are for the activation time. A bit set to 0 means the channel is turned off, and a bit set to 1 means the channel is turned on. The node is always in the listening state with no sleep periods.

3.2.3. WAn Laboratory Tests

The WAn was tested in the laboratory regarding the functionality of the 24 Vac and 230 Vac outputs using a TA042 100:1 differential voltage probe and a TA167 current probe. For the 24 Vac channels, a 12 Ω/2.2 mH RL load (see Figure 18a) and a 45 Ω resistive load (see Figure 18b) were tested. The tests confirmed the correct operation of the SSRs for both loads triggered by the signal received from the microcontroller; there were no generated switching noises or high-voltage transients observed.
A 40 W incandescent light bulb was used as a test load for the 230 Vac channels. For higher power loads, SSRs can be used to drive a high-current contactor. Figure 19 plots the current (green) and voltage (blue) waveforms triggered by the digital command (pink) from the microcontroller. The large initial value of the current is due to the light bulb.

3.3. LoRaWAN Gateway

3.3.1. Gateway Design

The gateway is responsible for collecting data from wireless sensor nodes and transmitting them to the web platform. Additionally, it receives commands from the web platform to operate the microclimate control equipment within the greenhouse and transmits them to the wireless actuator nodes. The data transmission range of the LoRaWAN communication protocol allows the gateway to be located at significant distances, ranging from hundreds of meters to even kilometers from the greenhouse. The proposed block diagram of the gateway is presented in Figure 20.

3.3.2. Gateway Development

The gateway was based on the Raspberry Pi 3 B+ developing board with the LoRaWAN concentrator RAK2245 Pi Hat Edition. This transceiver used the Semtech SX1301 base band processor for LoRa, emulating 49 LoRa demodulators with 10 parallel demodulation paths, supporting eight uplink channels and one down-link channel. The RAK2245 board was also equipped with a GPS module.
The gateway was embedded in a case equipped with a fan to maintain the optimal temperature for its operation. Figure 21 shows the assembled gateway with the box cover removed. A double 5 V power supply with USB Type A connectors was used for powering the Raspberry board and the fan.
The gateway had to be configured and registered on the ChirpStack platform to work with LoRaWAN (see Figure 22). To connect to the internet, the Wi-Fi interface for Raspberry Pi 3 B+ had to be configured. Additionally, on the ChirpStark platform, server address for data storage and the web platform was configured.

3.3.3. Gateway Laboratory Tests

To test the gateway and its connection with the WSn and WAn, three Arduino MKR WAN 1310 boards were integrated in the system, on the ChirpStark platform, using their Extended Unique Identifiers (EUIs): two as WSns and one as a WAn (see Figure 23). Data communication with these nodes was verified. Figure 23 also shows the test for the frames transmitted and the frames received by the gateway.

3.4. Web Platform

The role of the web platform was to acquire data from the WSn through the gateway; process, store, and display it to the user; and transmit user commands to the WAn, also via the gateway. This web platform was developed using PHP language and the Laravel framework integrated with a MySQL/MariaDB relational database. The application was developed using the MVC (Model–View–Controller) principle, which allows for the separation of the application logic (Controller) from the data (Model) and from the user interface (View). The platform allows users to create accounts and assign roles, such as user and administrator. The administrator manages the sensor and the actuator nodes with the ability to add, edit, or delete nodes and associate them with application users. The associated nodes can then be managed by users, who can remotely monitor and control greenhouse parameters. The database structure was designed to support these functionalities, ensuring communication between the gateway and the web server.
Communication was carried out as a string of bytes (28 bytes), allowing the web application to receive data from the registered nodes through an API interface. The API stores the IP address of the node from which the information is received and updates it every time it changes so that bidirectional communication is possible. The raw data extracted from the byte string are processed so that the actual value of the measured parameter is calculated and stored for each sensor attached to the node. The calculation formula and parameter identification in the byte string are defined in the node configuration page. The byte values are extracted from the byte string and substituted into the stored formula, with the calculation being performed dynamically based on the received values. For example, in Figure 24, byte 3 (B3) and byte 4 (B4) are used for the light intensity parameter. In this way, new sensors can be added to a node, as well as the definition of action that will be transmitted to the actuator nodes.
The data could be displayed by selecting any parameter from any node and the interest period. The platform offers the possibility to export the data in .png or .cvs formats.

4. System Test and Evaluation

4.1. Tested Scenario

To evaluate the functionality and effectiveness of the IoT-based decision support system for greenhouse microclimate management, a structured experimental scheme was implemented. The greenhouse was divided into three distinct zones, with each being assigned one WSn and using a WAn for the entire greenhouse. The placement and operation of these nodes were carefully designed to maintain optimal environmental conditions. This configuration enabled real-time data collection on parameters such as air and soil temperature, air humidity, and soil moisture. The data were transmitted via a LoRaWAN gateway to a web platform, where it was processed and displayed, allowing users to monitor conditions and activate irrigation or ventilation as needed. The experimental scheme flowchart is presented in Figure 25.
To test the system in real conditions, a greenhouse from the National Institute of Research—Development for Machines and Installations Designed for Agriculture and Food Industry—INMA Bucharest was used. The gateway was installed in a building approximately 100 m away, with one concrete wall between it and the WSn and WAn.
At the top of Figure 26, the greenhouse and the location of the gateway installation are shown using Google Maps. At the bottom, a screenshot from the Chipstark platform is displayed with details for the gateway (the blue pin represents the gateway).
Although the solution is suited for much larger-scale greenhouses, for functional testing, a scenario with three WSns and one WAn was considered for the chosen greenhouse. An example of a WSn and the WAn installation are presented in Figure 27.
The greenhouse was divided into three areas to enable targeted monitoring and control, as shown in Figure 28. Each area was monitored by a WSn, and an independent dripping irrigation system, controlled by a vane connected to the Wan, was assigned to each area. Additionally, a fan was connected to the WAn.

4.2. Data Acquisition and Control

In the web platform, four Arduino MKR developing boards were assigned to the user: three represent the core of the three WSns, and one is the core for the WAn (Figure 29).
The user had the possibility to select a node and to see the data acquired (selected dates with blue in Figure 30), considering the interest parameters and period (see Figure 30).
For the commands, each channel could be modified through a dedicated page for the WAn using on/off buttons. Figure 31 presents an example where channel 1 and channel 4 of the 24 Vac outputs and channel 1 of the 230 Vac were activated for mkrwan1310_4 WAn. Additionally, a switch button was added for further developments of the system, where plans include integrating an autonomous activation system based on the microclimatic parameters acquired by the WSn.
From the ChirpStark platform, the data packet sent from the WSn or the command sent to Wan can be viewed. Figure 32 shows a screenshot of the data from a WSn. Each parameter is coded on 2 bytes, and the web platform processes these data into values based on characteristic equations. For example, in the shown case, the first two bytes represent the voltage of the rechargeable battery. The value 0x025A represents the number 602 in decimals and, with a ½ voltage divider for the voltage, a 10-bit ADC resolution, and a 3.3 V reference voltage, results in approximately 3.88 V for the supply. Figure 32 shows the LoRa parameters, like the Bandwidth (125 kHz), Spread Factor (12), and Coding Rate (4/5). Together with a maximum Power Level (20), they were selected to ensure the maximum range was achieved for data communication.

4.3. Results

To test the system in maximum data acquisition conditions, the minimum acquisition interval of two and a half minutes was programmed for the WSn. Under normal conditions, the environmental parameters from a greenhouse do not have very high dynamics, so the acquisition interval can be increased. The user can display the parameters of interest and, based on these, make decisions about which microclimate parameters need to be adjusted.
To demonstrate how the data were displayed on the web platform, a few parameters were extracted. The first example can be seen in the web platform screenshot in Figure 33, where the light intensity and soil temperature are shown. As daylight increases, the air temperature rises quickly, while the soil temperature follows with a delay due to the soil’s higher specific heat capacity and slower heat absorption. Similarly, at night, the air cools faster, but the soil retains heat longer, causing a delay in cooling.
Figure 34 provides another example of data acquisition, demonstrating the activation of one channel of the WAn. The soil temperature and soil humidity at two depths are displayed, with increased soil humidity values appearing after the activation of irrigation.
Another test was performed to verify the viability of the node’s lifespan. The node was programmed for the worst case scenario, with no sleep time and data acquisition at the minimum interval. Additionally, the LoRa transceiver was set up with parameters that ensured the longest range and maximum energy consumption: a Spread Factor of 12, a Power Level of 20, a 4/5 Coding Rate, and a 125 kHz bandwidth. The battery voltage acquisition for two nodes is displayed in Figure 35. The light intensity was also introduced to highlight the correlation between daylight and the battery charging period. At the beginning of the chart, a continuous drain of energy can be observed. For about a week, the photovoltaic panel was disconnected to see WSn lifetime without charging. After the panel was reconnected, daily recharges were observed. On the days with less sunlight, the power drain was higher. Over a period of about a month, it can be seen that the photovoltaic panel efficiently charges the batteries during the day, even though the WSn is located in the greenhouse. The graph is exported directly from the web platform as an additional option for the user.
The data could also be exported in a .cvs file. Figure 36 shows the temperature values acquired by the three WSns, plotted from an exported .csv file. Although the values of the parameter are slightly different due to the different positions occupied in the greenhouse, the evolution of the values follows the same path. Over 5 days, at a 2.5 min interval, more than 2800 samples are acquired by a single WSn.

5. Conclusions

In recent years, digitalization has become a key focus in agriculture, particularly in the implementation of decision support systems, farm management, PA, and other related functions. The goal is to increase production efficiency, reduce losses, improve profitability, and promote sustainability. IoT plays an important role in decision-making processes, especially in agriculture crop monitoring and controlling systems.
This paper presents a demonstrator model of an IoT system with a wireless sensor network, designed for monitoring and controlling the microclimate within a greenhouse. The system allows for the automation of processes such as irrigation, ventilation, temperature and humidity control, and shading. The system is flexible and can be used to monitor and control a wide range of parameters depending on the specific needs of the greenhouse. Each sensor and/or actuator node can function independently, contributing to the automation of processes in vegetable greenhouses. Furthermore, the monitoring platform supports the integration of other types of sensor nodes that operate using the LoRaWAN protocol, and the system can also be utilized as a data display service.
For each independent part of the system, multiple tests were performed. For the WSn, tests focused on evaluating functionality and long-term viability. The node’s lifespan was analyzed by measuring current consumption under different data transmission parameters. The acquisition, storage, and transmission of data were also tested. For the WAn, functionality was tested with 24 Vac and 230 Vac outputs with different loads. The gateway was tested for connectivity with both the WSn and WAn as well as the exchange of messages between them. The web platform was tested for data acquisition, storage and display, and command transmission. Finally, the entire system was tested in a real in-field scenario of a greenhouse.
The generated impact is both economic and social. Economically, the system reduces input costs, such as electricity, water for irrigation, and fertilizers, while increasing productivity by controlling the interest parameters in real time. Socially, the impact is represented by the streamlining of vegetable crop maintenance operations in greenhouses by shifting the role of the human operator from executing the functions to monitoring them.
Current and future work involves fully automating the greenhouse and enabling the system to make its own decisions based on machine learning algorithms applied on the acquired data. Additionally, the goal is to develop the system into a commercial solution through technology transfer to an economic operator.

Author Contributions

Conceptualization, D.-I.S., M.-G.M., Ș.-G.R., B.-C.F. and I.-P.M.; methodology, D.-I.S. and M.-G.M.; software, D.-I.S. and B.-C.F.; validation, D.-I.S., M.-G.M. and I.-P.M.; formal analysis, D.-I.S. and M.-G.M.; investigation, D.-I.S., M.-G.M., Ș.-G.R., B.-C.F. and I.-P.M.; resources, D.-I.S. and I.-P.M.; data curation, D.-I.S.; writing—original draft preparation, D.-I.S. and I.-P.M.; writing—review and editing, M.-G.M. and L.-A.P.; visualization, D.-I.S. and L.-A.P.; supervision, D.-I.S., M.-G.M. and L.-A.P.; project administration, D.-I.S.; funding acquisition, D.-I.S. All authors have read and agreed to the published version of the manuscript.

Funding

This work was supported by a grant from the National Program for Research of the National Association of Technical Universities—GNAC ARUT 2023, contract no. 180/4 December 2023.

Data Availability Statement

Dataset available on request from the authors.

Conflicts of Interest

The authors declare no conflicts of interest.

References

  1. Oztemel, E.; Gursev, S. Literature Review of Industry 4.0 and Related Technologies. J. Intell. Manuf. 2020, 31, 127–182. [Google Scholar] [CrossRef]
  2. Majid, M.; Habib, S.; Javed, A.R.; Rizwan, M.; Srivastava, G.; Gadekallu, T.R.; Lin, J.C.-W. Applications of Wireless Sensor Networks and Internet of Things Frameworks in the Industry Revolution 4.0: A Systematic Literature Review. Sensors 2022, 22, 2087. [Google Scholar] [CrossRef] [PubMed]
  3. Zhai, Z.; Martínez, J.F.; Beltran, V.; Martínez, N.L. Decision Support Systems for Agriculture 4.0: Survey and Challenges. Comput. Electron. Agric. 2020, 170, 105256. [Google Scholar] [CrossRef]
  4. Ara, I.; Turner, L.; Harrison, M.T.; Monjardino, M.; deVoil, P.; Rodriguez, D. Application, Adoption and Opportunities for Improving Decision Support Systems in Irrigated Agriculture: A Review. Agric. Water Manag. 2021, 257, 107161. [Google Scholar] [CrossRef]
  5. Köksal, Ö.; Tekinerdogan, B. Architecture Design Approach for IoT-Based Farm Management Information Systems. Precis. Agric. 2019, 20, 926–958. [Google Scholar] [CrossRef]
  6. Mishra, A.; Alzoubi, Y.I.; Gavrilovic, N. Quality Attributes of Software Architecture in IoT-Based Agricultural Systems. Smart Agric. Technol. 2024, 8, 100523. [Google Scholar] [CrossRef]
  7. Blackmore, S. Precision Farming: An Introduction. Outlook Agric. 1994, 23, 275–280. [Google Scholar] [CrossRef]
  8. Verdouw, C.; Sundmaeker, H.; Tekinerdogan, B.; Conzon, D.; Montanaro, T. Architecture Framework of IoT-Based Food and Farm Systems: A Multiple Case Study. Comput. Electron. Agric. 2019, 165, 104939. [Google Scholar] [CrossRef]
  9. Dhillon, R.; Moncur, Q. Small-Scale Farming: A Review of Challenges and Potential Opportunities Offered by Technological Advancements. Sustainability 2023, 15, 15478. [Google Scholar] [CrossRef]
  10. Ding, J.; Chandra, R. Towards Low Cost Soil Sensing Using Wi-Fi. In Proceedings of the 25th Annual International Conference on Mobile Computing and Networking, Los Cabos, Mexico, 21–25 October 2019; Association for Computing Machinery: New York, NY, USA, 2019; pp. 1–16. [Google Scholar]
  11. Heinzelman, W.R.; Kulik, J.; Balakrishnan, H. Adaptive Protocols for Information Dissemination in Wireless Sensor Networks. In Proceedings of the 5th Annual ACM/IEEE International Conference on Mobile Computing and Networking, Seattle, WA, USA, 15–20 August 1999; ACM: Seattle, WA, USA, 1999; pp. 174–185. [Google Scholar]
  12. Shen, C.-C.; Srisathapornphat, C.; Jaikaeo, C. Sensor Information Networking Architecture and Applications. IEEE Pers. Commun. 2001, 8, 52–59. [Google Scholar] [CrossRef]
  13. Akyildiz, I.F.; Su, W.; Sankarasubramaniam, Y.; Cayirci, E. A Survey on Sensor Networks. IEEE Commun. Mag. 2002, 40, 102–114. [Google Scholar] [CrossRef]
  14. Akyildiz, I.F.; Kasimoglu, I.H. Wireless Sensor and Actor Networks: Research Challenges. Ad Hoc Netw. 2004, 2, 351–367. [Google Scholar] [CrossRef]
  15. Deshpande, A.; Guestrin, C.; Hellerstein, J.M.; Madden, S.R.; Hong, W. Model-Driven Data Acquisition in Sensor Networks. In Proceedings of the Thirtieth International Conference on Very Large Data Bases, VLDB Endowment, Toronto, OT, Canada, 31 August–3 September 2004; Volume 30, pp. 588–599. [Google Scholar]
  16. Rezgui, A.; Eltoweissy, M. Service-Oriented Sensor–Actuator Networks: Promises, Challenges, and the Road Ahead. Comput. Commun. 2007, 30, 2627–2648. [Google Scholar] [CrossRef]
  17. Xia, F.; Tian, Y.-C.; Li, Y.; Sung, Y. Wireless Sensor/Actuator Network Design for Mobile Control Applications. Sensors 2007, 7, 2157–2173. [Google Scholar] [CrossRef]
  18. Yick, J.; Mukherjee, B.; Ghosal, D. Wireless Sensor Network Survey. Comput. Netw. 2008, 52, 2292–2330. [Google Scholar] [CrossRef]
  19. Singh, R.; Aernouts, M.; De Meyer, M.; Weyn, M.; Berkvens, R. Leveraging LoRaWAN Technology for Precision Agriculture in Greenhouses. Sensors 2020, 20, 1827. [Google Scholar] [CrossRef]
  20. Tagarakis, A.C.; Kateris, D.; Berruto, R.; Bochtis, D. Low-Cost Wireless Sensing System for Precision Agriculture Applications in Orchards. Appl. Sci. 2021, 11, 5858. [Google Scholar] [CrossRef]
  21. Xu, J.; Gu, B.; Tian, G. Review of Agricultural IoT Technology. Artif. Intell. Agric. 2022, 6, 10–22. [Google Scholar] [CrossRef]
  22. Tzounis, A.; Katsoulas, N.; Bartzanas, T.; Kittas, C. Internet of Things in Agriculture, Recent Advances and Future Challenges. Biosyst. Eng. 2017, 164, 31–48. [Google Scholar] [CrossRef]
  23. Friha, O.; Ferrag, M.A.; Shu, L.; Maglaras, L.; Wang, X. Internet of Things for the Future of Smart Agriculture: A Comprehensive Survey of Emerging Technologies. IEEE/CAA J. Autom. Sin. 2021, 8, 718–752. [Google Scholar] [CrossRef]
  24. Săcăleanu, D.-I.; Manciu, I.-P.; Roşu, Ş.-G.; Perişoară, L.-A.; Tannouche, A.; Cretu, L.-E.S. GSM Wireless Sensor Node Prototype for Infield Environmental Parameters Acquisition. In Proceedings of the 2023 15th International Conference on Electronics, Computers and Artificial Intelligence (ECAI), Bucharest, Romania, 29–30 June 2023; pp. 1–6. [Google Scholar]
  25. Bakker, J.C. Greenhouse ClimateControl: Constraints and Limitattions. Acta Hortic. 1995, 399, 25–36. [Google Scholar] [CrossRef]
  26. Hanan, J.J. Greenhouses: Advanced Technology for Protected Horticulture, 1st ed.; Hanan, J.J., Ed.; CRC Press: Boca Raton, FL, USA, 2017; ISBN 9780203719824. [Google Scholar]
  27. Stanghellini, C.; Kempkes, F.L.K.; Knies, P. Enhancing Environmental Quality in Agricultural Systems. Acta Hortic. 2003, 609, 277–283. [Google Scholar] [CrossRef]
  28. Kochhar, A.; Kumar, N. Wireless Sensor Networks for Greenhouses: An End-to-End Review. Comput. Electron. Agric. 2019, 163, 104877. [Google Scholar] [CrossRef]
  29. Badji, A.; Benseddik, A.; Bensaha, H.; Boukhelifa, A.; Hasrane, I. Design, Technology, and Management of Greenhouse: A Review. J. Clean. Prod. 2022, 373, 133753. [Google Scholar] [CrossRef]
  30. Rosero-Montalvo, P.D.; Erazo-Chamorro, V.C.; López-Batista, V.F.; Moreno-García, M.N.; Peluffo-Ordóñez, D.H. Environment Monitoring of Rose Crops Greenhouse Based on Autonomous Vehicles with a WSN and Data Analysis. Sensors 2020, 20, 5905. [Google Scholar] [CrossRef]
  31. Kumar, A.; Singh, V.; Kumar, S.; Jaiswal, S.P.; Bhadoria, V.S. IoT Enabled System to Monitor and Control Greenhouse. Mater. Today Proc. 2022, 49, 3137–3141. [Google Scholar] [CrossRef]
  32. Placidi, P.; Morbidelli, R.; Fortunati, D.; Papini, N.; Gobbi, F.; Scorzoni, A. Monitoring Soil and Ambient Parameters in the IoT Precision Agriculture Scenario: An Original Modeling Approach Dedicated to Low-Cost Soil Water Content Sensors. Sensors 2021, 21, 5110. [Google Scholar] [CrossRef]
  33. Ye, H.; Yang, Y.; Zhu, L. A Wireless Network Detection and Control System for Intelligent Agricultural Greenhouses Based on NB-IOT Technology. J. Phys. Conf. Ser. 2021, 1738, 012058. [Google Scholar] [CrossRef]
  34. Van, T.L.; Thi, P.N.; Minh, P.V.; Thi, L.D.; Cong, H.L.; Phuong, T.N.T. Design and Implementation of a Wireless Sensor Network for Smart Greenhouse Controller. CommIT (Commun. Inf. Technol.) J. 2022, 16, 1–8. [Google Scholar] [CrossRef]
  35. Hotei, Ş.-A.; Marghescu, C.I.; Negroiu, R.C.; Drumea, A. Towards Sustainable Subsistence Agriculture in Romania with Low-Cost IoT Modules and Solutions—Proof of Concept. Inmateh 2023, 71, 647–656. [Google Scholar] [CrossRef]
  36. Codeluppi, G.; Cilfone, A.; Davoli, L.; Ferrari, G. LoRaFarM: A LoRaWAN-Based Smart Farming Modular IoT Architecture. Sensors 2020, 20, 2028. [Google Scholar] [CrossRef] [PubMed]
  37. Erazo-Rodas, M.; Sandoval-Moreno, M.; Muñoz-Romero, S.; Huerta, M.; Rivas-Lalaleo, D.; Naranjo, C.; Rojo-Álvarez, J.L. Multiparametric Monitoring in Equatorian Tomato Greenhouses (I): Wireless Sensor Network Benchmarking. Sensors 2018, 18, 2555. [Google Scholar] [CrossRef] [PubMed]
  38. Rezvani, S.M.-E.; Abyaneh, H.Z.; Shamshiri, R.R.; Balasundram, S.K.; Dworak, V.; Goodarzi, M.; Sultan, M.; Mahns, B. IoT-Based Sensor Data Fusion for Determining Optimality Degrees of Microclimate Parameters in Commercial Greenhouse Production of Tomato. Sensors 2020, 20, 6474. [Google Scholar] [CrossRef]
  39. Singh, R.K.; Rahmani, M.H.; Weyn, M.; Berkvens, R. Joint Communication and Sensing: A Proof of Concept and Datasets for Greenhouse Monitoring Using LoRaWAN. Sensors 2022, 22, 1326. [Google Scholar] [CrossRef]
  40. Sofwan, A.; Sumardi, S.; Ahmada, A.I.; Ibrahim, I.; Budiraharjo, K.; Karno, K. Smart Greetthings: Smart Greenhouse Based on Internet of Things for Environmental Engineering. In Proceedings of the 2020 International Conference on Smart Technology and Applications (ICoSTA), Surabaya, Indonesia, 20 February 2020; pp. 1–5. [Google Scholar] [CrossRef]
  41. Tatas, K.; Al-Zoubi, A.; Christofides, N.; Zannettis, C.; Chrysostomou, M.; Panteli, S.; Antoniou, A. Reliable IoT-Based Monitoring and Control of Hydroponic Systems. Technologies 2022, 10, 26. [Google Scholar] [CrossRef]
  42. Kirci, P.; Ozturk, E.; Celik, Y. A Novel Approach for Monitoring of Smart Greenhouse and Flowerpot Parameters and Detection of Plant Growth with Sensors. Agriculture 2022, 12, 1705. [Google Scholar] [CrossRef]
Figure 1. The architecture of the proposed Agri-DSS.
Figure 1. The architecture of the proposed Agri-DSS.
Technologies 12 00230 g001
Figure 2. Wireless sensor node block diagram.
Figure 2. Wireless sensor node block diagram.
Technologies 12 00230 g002
Figure 3. WSn electrical schematic.
Figure 3. WSn electrical schematic.
Technologies 12 00230 g003
Figure 4. PCB of wireless sensor node signal conditioning interface: (a) top layer; (b) bottom layer; and (c) 3D model.
Figure 4. PCB of wireless sensor node signal conditioning interface: (a) top layer; (b) bottom layer; and (c) 3D model.
Technologies 12 00230 g004
Figure 5. The wireless sensor node with attached components.
Figure 5. The wireless sensor node with attached components.
Technologies 12 00230 g005
Figure 6. Wireless sensor node case 3D model and cover.
Figure 6. Wireless sensor node case 3D model and cover.
Technologies 12 00230 g006
Figure 7. The final wireless sensor node installed in the greenhouse.
Figure 7. The final wireless sensor node installed in the greenhouse.
Technologies 12 00230 g007
Figure 8. The current drain waveform during an acquisition loop.
Figure 8. The current drain waveform during an acquisition loop.
Technologies 12 00230 g008
Figure 9. Tests conducted for different values of LoRa parameters: (a) medium current consumption regarding Power Level; (b) transmission time regarding Spread Factor; (c) transmission time regarding Coding Rate; (d) transmission time regarding Bandwidth.
Figure 9. Tests conducted for different values of LoRa parameters: (a) medium current consumption regarding Power Level; (b) transmission time regarding Spread Factor; (c) transmission time regarding Coding Rate; (d) transmission time regarding Bandwidth.
Technologies 12 00230 g009
Figure 10. The charge during transmission with all LoRa parameters set to a maximum range.
Figure 10. The charge during transmission with all LoRa parameters set to a maximum range.
Technologies 12 00230 g010
Figure 11. Node’s current consumption in deep sleep mode.
Figure 11. Node’s current consumption in deep sleep mode.
Technologies 12 00230 g011
Figure 12. The raw data stored on the node’s microSD card.
Figure 12. The raw data stored on the node’s microSD card.
Technologies 12 00230 g012
Figure 13. Wireless actuator node block diagram.
Figure 13. Wireless actuator node block diagram.
Technologies 12 00230 g013
Figure 14. WAn electrical schematic.
Figure 14. WAn electrical schematic.
Technologies 12 00230 g014
Figure 15. PCB of wireless actuator node: (a) top layer; (b) 3D model.
Figure 15. PCB of wireless actuator node: (a) top layer; (b) 3D model.
Technologies 12 00230 g015
Figure 16. The wireless actuator node with all attached components.
Figure 16. The wireless actuator node with all attached components.
Technologies 12 00230 g016
Figure 17. The wireless actuator node (a) and the power supply’s transformers (b).
Figure 17. The wireless actuator node (a) and the power supply’s transformers (b).
Technologies 12 00230 g017
Figure 18. 24 Vac channel testing (a) with a 12 Ω/2.2 mH RL load and (b) with a 45 Ω load.
Figure 18. 24 Vac channel testing (a) with a 12 Ω/2.2 mH RL load and (b) with a 45 Ω load.
Technologies 12 00230 g018
Figure 19. Testing 230 Vac channels with a 40 W incandescent light bulb as the load.
Figure 19. Testing 230 Vac channels with a 40 W incandescent light bulb as the load.
Technologies 12 00230 g019
Figure 20. The gateway block diagram.
Figure 20. The gateway block diagram.
Technologies 12 00230 g020
Figure 21. The final version of the gateway.
Figure 21. The final version of the gateway.
Technologies 12 00230 g021
Figure 22. The gateway registered to the ChirpStark platform.
Figure 22. The gateway registered to the ChirpStark platform.
Technologies 12 00230 g022
Figure 23. Nodes assigned and communication frames on the ChirpStark platform.
Figure 23. Nodes assigned and communication frames on the ChirpStark platform.
Technologies 12 00230 g023
Figure 24. New parameters assigned to the node from the web platform.
Figure 24. New parameters assigned to the node from the web platform.
Technologies 12 00230 g024
Figure 25. Experimental scheme flowchart for greenhouse microclimate management.
Figure 25. Experimental scheme flowchart for greenhouse microclimate management.
Technologies 12 00230 g025
Figure 26. Positioning of greenhouse and gateway details.
Figure 26. Positioning of greenhouse and gateway details.
Technologies 12 00230 g026
Figure 27. WSn (a) and WAn (b) in greenhouse.
Figure 27. WSn (a) and WAn (b) in greenhouse.
Technologies 12 00230 g027
Figure 28. Scenario with three independent monitoring and irrigation areas in greenhouse.
Figure 28. Scenario with three independent monitoring and irrigation areas in greenhouse.
Technologies 12 00230 g028
Figure 29. The nodes used in the described scenario (WSn: mkrwan1310_1, mkrwan1310_2, and mkrwan1310_3; WAn: mkrwan1310_4).
Figure 29. The nodes used in the described scenario (WSn: mkrwan1310_1, mkrwan1310_2, and mkrwan1310_3; WAn: mkrwan1310_4).
Technologies 12 00230 g029
Figure 30. The selection of interest parameters and period for a WSn.
Figure 30. The selection of interest parameters and period for a WSn.
Technologies 12 00230 g030
Figure 31. WAn channel activation from the web platform.
Figure 31. WAn channel activation from the web platform.
Technologies 12 00230 g031
Figure 32. The WSn data packet received by the gateway.
Figure 32. The WSn data packet received by the gateway.
Technologies 12 00230 g032
Figure 33. Web platform screenshot with WSn data on light intensity and soil temperature.
Figure 33. Web platform screenshot with WSn data on light intensity and soil temperature.
Technologies 12 00230 g033
Figure 34. Web platform screenshot with soil temperature and humidity at two depths.
Figure 34. Web platform screenshot with soil temperature and humidity at two depths.
Technologies 12 00230 g034
Figure 35. Battery voltage monitoring for nodes 1 and 2, corelated with light intensity.
Figure 35. Battery voltage monitoring for nodes 1 and 2, corelated with light intensity.
Technologies 12 00230 g035
Figure 36. Air temperature values from three nodes over five days.
Figure 36. Air temperature values from three nodes over five days.
Technologies 12 00230 g036
Table 1. The wireless sensor node’s acquired parameters and sensors.
Table 1. The wireless sensor node’s acquired parameters and sensors.
NoParameterSensorTypeConnector
1Light IntensityVISHAY TEMT6000AnalogArduino MKR ENV shield;
two-row, 14-position header
2Air PressureST LPS22HBSPI
3Node TemperatureST HTS221
4Node Humidity
5UVAVISHAY VEML6075I2C
6UVB
7Air TemperatureSensirion SHT31I2C4-terminal wire-to-board connector
8Air Humidity
9Soil TemperatureDS18B20One wire3-terminal wire-to-board connector
10CO2Sensirion SCD41I2Ctwo-row, 4-position header
11Soil TensionWatermark SensorAnalog2-terminal wire-to-board connector
12Soil Humidity depth1Capacitive Sensor3-terminal wire-to-board connector
13Soil Humidity depth2
Disclaimer/Publisher’s Note: The statements, opinions and data contained in all publications are solely those of the individual author(s) and contributor(s) and not of MDPI and/or the editor(s). MDPI and/or the editor(s) disclaim responsibility for any injury to people or property resulting from any ideas, methods, instructions or products referred to in the content.

Share and Cite

MDPI and ACS Style

Săcăleanu, D.-I.; Matache, M.-G.; Roșu, Ș.-G.; Florea, B.-C.; Manciu, I.-P.; Perișoară, L.-A. IoT-Enhanced Decision Support System for Real-Time Greenhouse Microclimate Monitoring and Control. Technologies 2024, 12, 230. https://doi.org/10.3390/technologies12110230

AMA Style

Săcăleanu D-I, Matache M-G, Roșu Ș-G, Florea B-C, Manciu I-P, Perișoară L-A. IoT-Enhanced Decision Support System for Real-Time Greenhouse Microclimate Monitoring and Control. Technologies. 2024; 12(11):230. https://doi.org/10.3390/technologies12110230

Chicago/Turabian Style

Săcăleanu, Dragoș-Ioan, Mihai-Gabriel Matache, Ștefan-George Roșu, Bogdan-Cristian Florea, Irina-Petra Manciu, and Lucian-Andrei Perișoară. 2024. "IoT-Enhanced Decision Support System for Real-Time Greenhouse Microclimate Monitoring and Control" Technologies 12, no. 11: 230. https://doi.org/10.3390/technologies12110230

APA Style

Săcăleanu, D.-I., Matache, M.-G., Roșu, Ș.-G., Florea, B.-C., Manciu, I.-P., & Perișoară, L.-A. (2024). IoT-Enhanced Decision Support System for Real-Time Greenhouse Microclimate Monitoring and Control. Technologies, 12(11), 230. https://doi.org/10.3390/technologies12110230

Note that from the first issue of 2016, this journal uses article numbers instead of page numbers. See further details here.

Article Metrics

Back to TopTop