A Comparison of Reliability and Resource Utilization of Radiation Fault Tolerance Mechanisms in Spaceborne Electronic Systems
Abstract
1. Introduction
2. Background
2.1. Trends in Using Commercial Off-the-Shelf Components in Space Electronic Systems

2.2. Single Event Upset (SEU)

2.3. Reliability and Resource Utilization of Fault Tolerance Mechanisms in Electronic Systems
- Hardware Redundancy: This approach adds extra hardware with the same functionality to detect or mitigate faults in hardware. A primary example is triple modular redundancy (TMR), a form of static parallel redundancy. In TMR, multiple identical hardware modules produce outputs that are sent to a “major voter”, which masks faults through majority voting. Although hardware redundancy improves system reliability, it requires significant resources;
- Software Redundancy: This technique mitigates software faults by using multiple independently developed software versions designed not to fail simultaneously under the same input. It can be implemented by running multiple versions concurrently using additional hardware or by sequentially running them using time redundancy;
- Information Redundancy: This approach protects data by adding extra bits to the original data. Common techniques include error detection and error correction coding, which ensure data integrity in memory and communication channels;
- Time Redundancy: This method detects transient faults by repeating or rerunning the same task. It leverages the fact that hardware faults are often transient, making it less likely for the same fault to recur upon re-execution. Although time redundancy can be implemented with fewer resources, it may degrade system performance;
- Hybrid redundancy is a technique that tolerates faults by combining various fault tolerance mechanisms. It takes advantage of the fact that each fault tolerance mechanism exhibits strengths in different fault models. Since multiple fault tolerance mechanisms are employed, it consumes more resources while providing a higher level of fault tolerance. Hybrid redundancy is a technique that tolerates faults by combining various fault tolerance mechanisms. It takes advantage of the fact that each fault tolerance mechanism exhibits strengths in different fault models. Since multiple fault tolerance mechanisms are employed, it consumes more resources while providing a higher level of fault tolerance.
- Power: The amount of power consumed while the circuit is operating;
- Delay: The time from when a signal is input until the circuit produces an output;
- Area: The physical space on the chip used to implement the circuit.
2.4. Comparative Studies on Fault Tolerance Mechanisms
| Reference No. | HW Redundancy | Information Redundancy | Time Redundancy | Measured Metrics | Target Circuit | Method |
|---|---|---|---|---|---|---|
| [40] | O | X | O | Reliability | - | Mathematical analysis |
| [11] | O | O | X | Reliability, Power, Area | Reed Solomon Decoder | FPGA fault injection |
| [41] | O | O | O | Delay | Simulation program | Processor-based simulation |
| [42] | O | X | X | Power, Delay, Area | - | RTL analysis |
| [43] | X | O | X | Power, Delay, Area | - | FPGA synthesis |
| [44] | O | O | O | Reliability, Area | 36-bit adder; simple FSM; simple combinational circuit | FPGA fault injection |
| [Paper] | O | O | O | Reliability, Area, Delay, Power | AES 128 | RTL simulation and fault injection |
3. Methodology for Comparative Analysis of FTM Performance
3.1. Fault Tolerance Mechanism (FTM)
3.1.1. TMR (Triple Modular Redundancy)

3.1.2. DMR+ (Dual Modular Redundancy+)

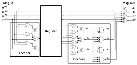
3.1.3. Hamming Code

3.1.4. Additional Fault Tolerance Mechanisms for Comparison
- DMR (Dual Modular Redundancy): Uses two identical modules and a comparator to detect faults; however, it cannot correct errors;
- QMR (Quintuple Modular Redundancy): Uses five identical modules and majority voting for fault detection and correction, providing better fault masking than TMR but at the cost of significantly higher resource usage;
- Parity Check Code: Adds a single parity bit to a data block, ensuring either even or odd parity. It can detect any single-bit error but cannot correct it and cannot detect or correct multi-bit errors;
- Two-Dimensional-Parity Check Code: Extends the 1D-parity method by adding both row and column parity bits. It can detect and correct all single-bit errors and detect (but not correct) double-bit or triple-bit errors.
3.2. Reliability and Resource Utilization Analysis of Fault Tolerance Mechanisms
3.2.1. Reliability of Fault Tolerance Mechanisms
- (i)
- Fault Model
- Single-Bit Faults: Stuck-at 0, Stuck-at 1, Bit Flip Flop
- Multi-Bit Faults: Stuck-at 00, Stuck-at 01, Stuck-at 10, Stuck-at 11, 2 Bit Flip Flop
- (ii)
- Test Environment
- (iii)
- Statistical Fault Injection Process
- Fault-Tolerant Circuit Design: Implement fault-tolerant versions of the AES-128 security circuit by protecting the 32-bit registers in the Key Expansion module using the following mechanisms: DMR, DMR+, TMR, QMR, Parity Code, 2D-Parity Code, and Hamming Code;
- Fault Injection Simulation: Use the Verilog Fault Injector (VFI) tool to conduct fault injection simulations on both the fault-tolerant and baseline circuits. Fault locations are randomly selected across the fault space, and the test is repeated according to the calculated number of iterations;
- Success/Failure Determination: After each simulation, determine whether the circuit successfully tolerated the fault. If the circuit still produces the correct output despite the injected fault, it is considered a “success”; otherwise, it is a “failure”;
- Calculation: The (Architectural Vulnerability Factor) is the ratio of failed cases to the total number of injected faults, as shown in Equation (2).
3.2.2. Resource Utilization of Fault Tolerance Mechanisms
- (i)
- Resource Measurement Environment

- (ii)
- Resource Analysis Process
- Circuit Synthesis: Use Xilinx VIVADO Design Suite to synthesize the eight different circuits;
- Power Measurement: Use the Report Power feature to sum dynamic and static power, representing total power utilization;
- Delay Measurement: Use Timing Analysis to derive the circuit’s maximum data path delay;
- Area Measurement: Use Report Utilization to record the number of flip-flops, LUTs, and BRAMs. These values are summed to represent the circuit’s area usage;
- Calculation: Compute using Equation (3) [36]
4. Case Study
4.1. Target System: Advanced Encryption Standard (AES-128)

4.2. Fault Tolerance Mechanism–Applied Target Circuit
4.3. Efficiency Analysis Results
4.3.1. Reliability Analysis of Fault Tolerance Mechanisms
4.3.2. Resource Utilization Analysis of Fault Tolerance Mechanisms
4.3.3. Comparative Analysis of Reliability and Resource Utilization
5. Conclusions
Author Contributions
Funding
Data Availability Statement
Conflicts of Interest
Abbreviations
| Abbreviation | Full Name | Description |
| AES | Advanced Encryption Standard | A symmetric key encryption standard (AES-128 used) |
| AAM | Advanced Air Mobility | Next-generation air mobility systems |
| AVF | Architectural Vulnerability Factor | A reliability metric for structural vulnerability assessment |
| BRAM | Block RAM | Block memory in FPGA |
| COTS | Commercial Off-The-Shelf | Commercially available electronic components |
| DMR | Dual Modular Redundancy | Fault-tolerant mechanism with dual module redundancy (error detection) |
| DMR+ | Enhanced Dual Modular Redundancy | Improved dual modular redundancy (error detection and correction) |
| ECC | Error Correction Code | A technique for detecting and correcting errors in data |
| ESC | Electronic Speed Control | Electronic system for motor speed control |
| FPGA | Field Programmable Gate Array | A reconfigurable semiconductor device |
| FSM | Finite State Machine | A computational model with finite states |
| FTM | Fault Tolerance Mechanism | Techniques for ensuring system fault tolerance |
| FF | Flip-Flop | A basic digital memory element in sequential circuits |
| HW | Hardware | Physical electronic components |
| LEO | Low Earth Orbit | Orbit region for satellites (typically < 2000 km altitude) |
| LUT | Look-Up Table | A digital logic component used in FPGA |
| NASA | National Aeronautics and Space Administration | The U.S. space agency |
| NIST | National Institute of Standards and Technology | A U.S. federal agency for technology and standardization |
| PDAP | Power-Delay-Area Product | A metric evaluating resource efficiency in electronic designs |
| QMR | Quintuple Modular Redundancy | Fault-tolerant mechanism with five redundant modules (error masking) |
| RTL | Register Transfer Level | A digital circuit design abstraction level |
| SEU | Single Event Upset | A radiation-induced bit flip in memory |
| SER | Soft Error Rate | The rate of radiation-induced transient errors in electronics |
| SRAM | Static Random Access Memory | A type of volatile memory with faster access times |
| TC | Telecommand | Remote command transmission for satellite control |
| TMR | Triple Modular Redundancy | A fault-tolerant mechanism using three redundant modules (error masking) |
| UAM | Urban Air Mobility | Air transportation in urban environments |
| VFI | Verilog Fault Injector | A tool for fault injection testing in Verilog-based simulations |
Appendix A
| FTM | Source | Sum of Squares | Degrees of Freedom | Mean Square | F-Value | p-Value |
|---|---|---|---|---|---|---|
| BF_Baseline | AVF | 0.0035 | 4 | 8.6743 × 10−4 | 1.7931 | 0.1317 |
| Residual | 0.0943 | 195 | 4.8375 × 10−4 | – | – | |
| Total | 0.0978 | 199 | – | – | – | |
| BF_DMR | AVF | 0.0042 | 4 | 0.0011 | 2.6235 | 0.0361 |
| Residual | 0.0785 | 195 | 4.0252 × 10−4 | – | – | |
| Total | 0.0827 | 199 | – | – | – | |
| BF_DMRplus | AVF | 0.0037 | 4 | 9.3453 × 10−4 | 2.2260 | 0.0676 |
| Residual | 0.0819 | 195 | 4.1983 × 10−4 | – | – | |
| Total | 0.0856 | 199 | – | – | – | |
| BF_Hamming | AVF | 9.3872 × 10−4 | 4 | 2.3468 × 10−4 | 0.5635 | 0.6895 |
| Residual | 0.0812 | 195 | 4.1650 × 10−4 | – | – | |
| Total | 0.0822 | 199 | – | – | – | |
| BF_HammingTMR | AVF | 0.0011 | 4 | 2.8195 × 10−4 | 1.3475 | 0.2538 |
| Residual | 0.0408 | 195 | 2.0923 × 10−4 | – | – | |
| Total | 0.0419 | 199 | – | – | – | |
| BF_Parity1D | AVF | 0.0047 | 4 | 0.0012 | 2.0845 | 0.0843 |
| Residual | 0.1101 | 195 | 5.6443 × 10−4 | – | – | |
| Total | 0.1148 | 199 | – | – | – | |
| BF_Parity2D | AVF | 0.0023 | 4 | 5.8132 × 10−4 | 1.4311 | 0.2251 |
| Residual | 0.0792 | 195 | 4.0622 × 10−4 | – | – | |
| Total | 0.0815 | 199 | – | – | – | |
| BF_QMR | AVF | 3.9548 × 10−4 | 4 | 9.8870 × 10−5 | 0.2422 | 0.9141 |
| Residual | 0.0796 | 195 | 4.0827 × 10−4 | – | – | |
| Total | 0.0800 | 199 | – | – | – | |
| BF_TMR | AVF | 0.0027 | 4 | 6.6887 × 10−4 | 1.8429 | 0.1222 |
| Residual | 0.0708 | 195 | 3.6294 × 10−4 | – | – | |
| Total | 0.0734 | 199 | – | – | – |
References
- Golkar, A.; Salado, A. Definition of New Space—Expert Survey Results and Key Technology Trends. IEEE J. Miniaturization Air Space Syst. 2021, 2, 2–9. [Google Scholar] [CrossRef]
- George, A.D.; Wilson, C.M. Onboard Processing with Hybrid and Reconfigurable Computing on Small Satellites. Proc. IEEE 2018, 106, 458–470. [Google Scholar] [CrossRef]
- Shaker, M.N.; Hussien, A.; Alkady, G.I.; Amer, H.H.; Adly, I. FPGA-Based Reliable Fault Secure Design for Protection against Single and Multiple Soft Errors. Electronics 2020, 9, 12. [Google Scholar] [CrossRef]
- Lovelly, T.M.; George, A.D. Comparative Analysis of Present and Future Space-Grade Processors with Device Metrics. J. Aerosp. Inf. Syst. 2017, 14, 184–197. [Google Scholar] [CrossRef]
- Belous, A.; Saladukha, V.; Shvedau, S. Space Microelectronics Volume 2: Integrated Circuit Design for Space Applications; Artech House: Houston, TX, USA, 2017; Volume 2. [Google Scholar]
- Wirthlin, M. High-Reliability FPGA-Based Systems: Space, High-Energy Physics, and Beyond. Proc. IEEE 2015, 103, 379–389. [Google Scholar] [CrossRef]
- Jacobs, A.; Cieslewski, G.; George, A.D.; Gordon-Ross, A.; Lam, H. Reconfigurable Fault Tolerance: A Comprehensive Framework for Reliable and Adaptive FPGA-Based Space Computing. ACM Trans. Reconfigurable Technol. Syst. 2012, 5, 1–30. [Google Scholar] [CrossRef]
- van Harten, L.D.; Mousavi, M.; Jordans, R.; Pourshaghaghi, H.R. Determining the necessity of fault tolerance techniques in FPGA devices for space missions. Microprocess. Microsyst. 2018, 63, 1–10. [Google Scholar] [CrossRef]
- Perez-Celis, J.A.; Ferrer-Pérez, J.A.; Santillán-Gutierrez, S.D.; de la Rosa Nieves, S. Simulation of Fault-Tolerant Space Systems Based on COTS Devices With GPSS. IEEE Syst. J. 2016, 10, 53–58. [Google Scholar] [CrossRef]
- Smith, F. Overhead and performance comparison of SET fault tolerant circuits used in flash-based FPGAs. Int. J. Electr. Electron. Eng. Telecommun. 2021, 10, 76–82. [Google Scholar] [CrossRef]
- Gao, Z.; Shi, J.; Liu, Q.; Ullah, A.; Reviriego, P. Reliability Evaluation and Fault Tolerance Design for FPGA Implemented Reed Solomon (RS) Erasure Decoders. IEEE Trans. Very Large Scale Integr. VLSI Syst. 2023, 31, 142–146. [Google Scholar] [CrossRef]
- Ismail, M.M.C.; Halim, I.S.A.; Hassan, S.L.M.; Rahim, A.A.A.; Abdullah, N.E. Fault Tolerant Design Comparison Study of TMR and 5MR. In Proceedings of the 2021 IEEE Symposium on Industrial Electronics & Applications (ISIEA), Langkawi Island, Malaysia, 10–11 July 2021; pp. 1–6. [Google Scholar] [CrossRef]
- Farman, S.K.A.; Duggineni, C.; Khasim, K.N.V.; Valiveti, H.B. Optimization of Energy and Area of a Randshift: Fault-Tolerant Technique using FPGA design flow. In Proceedings of the 2021 6th International Conference on Inventive Computation Technologies (ICICT), Coimbatore, India, 20–22 January 2021; pp. 404–409. [Google Scholar] [CrossRef]
- Denis, G.; Alary, D.; Pasco, X.; Pisot, N.; Texier, D.; Toulza, S. From new space to big space: How commercial space dream is becoming a reality. Acta Astronaut. 2020, 166, 431–443. [Google Scholar] [CrossRef]
- Sweeting, M.N. Modern Small Satellites-Changing the Economics of Space. Proc. IEEE 2018, 106, 343–361. [Google Scholar] [CrossRef]
- Union of Concerned Scientists (UCS) Satellite Database. Available online: https://www.ucsusa.org/resources/satellite-database (accessed on 16 February 2025).
- Tang, H.H.K.; Rodbell, K.P. Single-Event Upsets in Microelectronics: Fundamental Physics and Issues. MRS Bull. 2003, 28, 111–116. [Google Scholar] [CrossRef]
- Leach, R. Spacecraft system failures and anomalies attributed to the natural space environment. In Space Programs and Technologies Conference; American Institute of Aeronautics and Astronautics: Huntsville, AL, USA, 1995. [Google Scholar] [CrossRef]
- Jacklin, S.A. Small-Satellite Mission Failure Rates. NASA/TM-2018-220034; 2019. Available online: https://ntrs.nasa.gov/citations/20190002705 (accessed on 6 February 2025).
- Daneshvar, H.; Milan, K.G.; Sadr, A.; Sedighy, S.H.; Malekie, S.; Mosayebi, A. Multilayer radiation shield for satellite electronic components protection. Sci. Rep. 2021, 11, 20657. [Google Scholar] [CrossRef]
- Koren, I.; Krishna, C.M. Fault-Tolerant Systems; Morgan Kaufmann: Burlington, MA, USA, 2020. [Google Scholar]
- Dodd, P.E.; Massengill, L.W. Basic mechanisms and modeling of single-event upset in digital microelectronics. IEEE Trans. Nucl. Sci. 2003, 50, 583–602. [Google Scholar] [CrossRef]
- Hentschke, R.; Marques, F.; Lima, F.; Carro, L.; Susin, A.; Reis, R. Analyzing area and performance penalty of protecting different digital modules with Hamming code and triple modular redundancy. In Proceedings of the 15th Symposium on Integrated Circuits and Systems Design, Porto Alegre, Brazil, 14 September 2002; pp. 95–100. [Google Scholar] [CrossRef]
- Siewiorek, D.P.; Swarz, R.S. Reliable Computer Systems: Design and Evaluation, 3rd ed.; A K Peters/CRC Press: New York, NY, USA, 1998. [Google Scholar] [CrossRef]
- Kameli, M.; Pissoort, D.; Claeys, T. Analyzing Bit Error Propagation in Multilayer Communication Networks: Codebook Method to Combine TMR and Hamming. In Proceedings of the 2024 International Symposium on Electromagnetic Compatibility–EMC Europe, Brugge, Belgium, 2–5 September 2024; pp. 739–744. [Google Scholar] [CrossRef]
- Khalil, K.; Eldash, O.; Kumar, A.; Bayoumi, M. Machine Learning-Based Approach for Hardware Faults Prediction. IEEE Trans. Circuits Syst. Regul. Pap. 2020, 67, 3880–3892. [Google Scholar] [CrossRef]
- Zhu, Y.; Reddi, V.J. Cognitive computing safety: The new horizon for reliability. IEEE Micro. 2017, 37, 15–21. [Google Scholar] [CrossRef]
- Assiri, B.; Sheneamer, A. Fault tolerance in distributed systems using deep learning approaches. PLoS ONE 2025, 20, e0310657. [Google Scholar] [CrossRef]
- Mukherjee, S.S.; Weaver, C.T.; Emer, J.; Reinhardt, S.K.; Austin, T. Measuring architectural vulnerability factors. IEEE Micro. 2003, 23, 70–75. [Google Scholar] [CrossRef]
- Kim, S.-H.; Lee, J.-A.; Kim, D. Design methodology adopting normalized power-delay-and-area product (N-PDAP) for digital-circuit optimization. Curr. Appl. Phys. 2004, 4, 87–90. [Google Scholar] [CrossRef]
- Singh, K.; Tiwari, S.C.; Gupta, M. A Modified Implementation of Tristate Inverter Based Static Master-Slave Flip-Flop with Improved Power-Delay-Area Product. Sci. World J. 2014, 2014, 453675. [Google Scholar] [CrossRef] [PubMed]
- Pei, Z.; Liu, H.H.; Mayahinia, M.; Tahoori, M.B.; Catthoor, F.; Tőkei, Z.; Abdi, D.B.; Myers, J.; Pan, C. Ultra-Scaled E-Tree-Based SRAM Design and Optimization with Interconnect Focus. IEEE Trans. Circuits Syst. Regul. Pap. 2024, 71, 4597–4610. [Google Scholar] [CrossRef]
- Shang, L.; Naeemi, A.; Pan, C. Towards Area Efficient Logic Circuit: Exploring Potential of Reconfigurable Gate by Generic Exact Synthesis. IEEE Open J. Comput. Soc. 2023, 4, 50–61. [Google Scholar] [CrossRef]
- Liu, H.H.; Gilardi, C.; Salahuddin, S.M.; Pei, Z.; Schuddinck, P.; Xiang, Y.; Weckx, P.; Hellings, G.; Bardon, M.G.; Ryckaert, J.; et al. Future Design Direction for SRAM Data Array: Hierarchical Subarray with Active Interconnect. IEEE Trans. Circuits Syst. Regul. Pap. 2024, 71, 6495–6506. [Google Scholar] [CrossRef]
- Li, C.; Sun, C.; Yang, J.; Ni, K.; Gong, X.; Zhuo, C.; Yin, X. Multibit Content Addressable Memory Design and Optimization Based on 3-D nand-Compatible IGZO Flash. IEEE Trans. Very Large Scale Integr. VLSI Syst. 2024, 32, 1380–1388. [Google Scholar] [CrossRef]
- Van Toan, N.; Lee, J.-G. FPGA-Based Multi-Level Approximate Multipliers for High-Performance Error-Resilient Applications. IEEE Access 2020, 8, 25481–25497. [Google Scholar] [CrossRef]
- Zhang, M.; Nishizawa, S.; Kimura, S. Area Efficient Approximate 4–2 Compressor and Probability-Based Error Adjustment for Approximate Multiplier. IEEE Trans. Circuits Syst. II Express Briefs 2023, 70, 1714–1718. [Google Scholar] [CrossRef]
- Paul, B.; Nath, A.; Krishnaswamy, S.; Pidanic, J.; Nemec, Z.; Trivedi, G. Tensor Based Multivariate Polynomial Modulo Multiplier for Cryptographic Applications. IEEE Trans. Comput. 2023, 72, 1581–1594. [Google Scholar] [CrossRef]
- Balasubramanian, P.; Maskell, D.L. FAC: A Fault-Tolerant Design Approach Based on Approximate Computing. Electronics 2023, 12, 18. [Google Scholar] [CrossRef]
- Neves, F.G.R.; Saotome, O. Comparison between Redundancy Techniques for Real Time Applications. In Proceedings of the Fifth International Conference on Information Technology: New Generations (itng 2008), Las Vegas, NV, USA, 7–9 April 2008; pp. 1299–1300. [Google Scholar] [CrossRef]
- Abhyankar, A. Performance/Cost Analysis of Software Implemented Hardware Fault Tolerance Techniques. 2010. Available online: https://minds.wisconsin.edu/handle/1793/45562 (accessed on 20 September 2024).
- Balasubramanian, P.; Mastorakis, N.E. Power, Delay and Area Comparisons of Majority Voters relevant to TMR Architectures. arXiv 2016, arXiv:1603.07964. [Google Scholar] [CrossRef]
- Chennakesavulu, M.; Prasad, T.J.; Sumalatha, V. Improved Performance of Error Controlling Codes Using Pass Transistor Logic. Circuits Syst. Signal Process. 2018, 37, 1145–1161. [Google Scholar] [CrossRef]
- Morgan, K.S.; McMurtrey, D.L.; Pratt, B.H.; Wirthlin, M.J. A Comparison of TMR With Alternative Fault-Tolerant Design Techniques for FPGAs. IEEE Trans. Nucl. Sci. 2007, 54, 2065–2072. [Google Scholar] [CrossRef]
- Knudsen, J.E.; Clark, L.T. An Area and Power Efficient Radiation Hardened by Design Flip-Flop. IEEE Trans. Nucl. Sci. 2006, 53, 3392–3399. [Google Scholar] [CrossRef]
- Reviriego, P.; Demirci, M.; Tabero, J.; Regadío, A.; Maestro, J.A. DMR+: An efficient alternative to TMR to protect registers in Xilinx FPGAs. Microelectron. Reliab. 2016, 63, 314–318. [Google Scholar] [CrossRef]
- Di Natale, G.; Gizopoulos, D.; Di Carlo, S.; Bosio, A.; Canal, R. Cross-Layer Reliability of Computing Systems. IET-the Institution of Engineering and Technology. 2020. Available online: https://iris.polito.it/handle/11583/2854763 (accessed on 5 February 2025).
- Neale, A.; Sachdev, M. Neutron radiation induced soft error rates for an adjacent-ECC protected SRAM in 28 nm CMOS. IEEE Trans. Nucl. Sci. 2016, 63, 1912–1917. [Google Scholar] [CrossRef]
- Madasu, V.; Kumres, L. Enhancing Efficiency and Effectiveness: An Innovative Design for Multipliers on FPGA. In Proceedings of the 2024 IEEE International Students’ Conference on Electrical, Electronics and Computer Science (SCEECS), Bhopal, India, 24–25 February 2024; pp. 1–6. [Google Scholar] [CrossRef]
- Yao, S.; Zhang, L. Hardware-Efficient FPGA-Based Approximate Multipliers for Error-Tolerant Computing. In Proceedings of the 2022 International Conference on Field-Programmable Technology (ICFPT), Hong Kong, China, 5–9 December 2022; pp. 1–8. [Google Scholar] [CrossRef]
- Franceschi, M.; Camus, V.; Ibrahim, A.; Enz, C.; Valle, M. Approximate FPGA Implementation of CORDIC for Tactile Data Processing Using Speculative Adders. In Proceedings of the 2017 New Generation of CAS (NGCAS), Genova, Italy, 6–9 September 2017; pp. 41–44. [Google Scholar] [CrossRef]
- AES (Advanced Encryption Standard). Available online: https://connectivity.esa.int/projects/aes-advanced-encryption-standard (accessed on 6 February 2025).
- Tăbăcaru, B.-A. On Fault-Effect Analysis at the Virtual-Prototype Abstraction Level. Ph.D. Thesis, Technische Universität München, Munich, Germany, 2020. Available online: https://mediatum.ub.tum.de/1471529 (accessed on 6 February 2025).






| Metric | Ref. | Target System | Method |
|---|---|---|---|
| EDAP | [32] | SRAM Cache System | Designed the circuit layout and analyzed simulation results using Cadence Spectre tool. |
| [33] | Reconfigurable Logic Circuit | Simulated 300 randomly sampled function pairs and analyzed the results. | |
| [34] | SRAM Array | Applied IGZO transistor model and 45 nm predictive technology MOSFET model for simulation. | |
| [35] | Content Addressable Memory | SPICE simulation was performed (applying the IGZO transistor model and the 45 nm predictive technology MOSFET model), followed by result analysis | |
| PDAP | [36] | Multiplier | The Verilog code was synthesized using Xilinx ISE, and the synthesis results were analyzed. |
| [37] | Multiplier | The Verilog code was synthesized using Synopsys Design Compiler, and the results were analyzed | |
| [38] | Multiplier | Calculations were performed using the report output from Xilinx VIVADO as the synthesis result | |
| [39] | Adder | Synthesis was carried out using Synopsys Design Compiler, followed by analysis of power, delay, and area using the tool’s analysis features, then calculated |
| Redundancy Type | Target Circuit | Number of Fault Injection Locations (ea) | Total Fault Space (ea) | Number of Test Iterations (ea) |
|---|---|---|---|---|
| - | Baseline | 2440 | 1,244,400,000 | 9604 |
| Hardware Redundancy | DMR | 2760 | 1,407,600,000 | 9604 |
| DMR+ | 3160 | 1,611,600,000 | 9604 | |
| TMR | 2800 | 1,428,000,000 | 9604 | |
| QMR | 3080 | 1,570,800,000 | 9604 | |
| Information Redundancy | 1D-Parity | 2720 | 1,387,200,000 | 9604 |
| 2D-Parity | 2760 | 1,407,600,000 | 9604 | |
| Hamming | 2720 | 1,387,200,000 | 9604 | |
| Hybrid Redundancy | Hamming and TMR | 3040 | 1,550,400,000 | 9604 |
| Redundancy Type | Target Circuit | AVF per Fault Model (%) | Reliability ) (%) | Rank | ||
|---|---|---|---|---|---|---|
| Stuck-at 0 | Stuck-at 1 | Bit-Flip | ||||
| - | Baseline | 34.59 | 36.46 | 68.17 | 53.59 | 9 |
| Hardware Redundancy | DMR | 31.68 | 35.30 | 67.56 | 55.15 | 8 |
| DMR+ | 12.41 | 16.98 | 28.46 | 79.56 | 6 | |
| TMR | 4.88 | 118.90 | 23.69 | 81.81 | 5 | |
| QMR | 4.51 | 12.45 | 17.59 | 85.92 | 3 | |
| Information Redundancy | 1D-Parity | 32.34 | 32.92 | 64.43 | 56.77 | 7 |
| 2D-Parity | 0.00 | 15.71 | 17.04 | 83.69 | 4 | |
| Hamming | 10.59 | 11.58 | 21.04 | 88.85 | 2 | |
| Hybrid Redundancy | Hamming and TMR | 3.20 | 3.33 | 6.01 | 95.82 | 1 |
| Redundancy Type | Target Circuit | AVF per Fault Model (%) | (%) | Rank | ||||
|---|---|---|---|---|---|---|---|---|
| Stuck-at 00 | Stuck-at 01 | Stuck-at 10 | Stuck-at 11 | Bit-Flip | ||||
| - | Baseline | 69.06 | 66.64 | 67.38 | 67.26 | 67.22 | 32.49 | 9 |
| Hardware Redundancy | DMR | 68.45 | 68.01 | 66.35 | 65.79 | 64.59 | 33.36 | 7 |
| DMR+ | 33.93 | 30.26 | 30.26 | 32.22 | 34.15 | 67.84 | 6 | |
| TMR | 9.23 | 29.17 | 28.41 | 42.72 | 35.28 | 71.04 | 4 | |
| QMR | 14.25 | 22.47 | 21.44 | 26.69 | 24.48 | 78.13 | 2 | |
| Information Redundancy | 1D-Parity | 63.31 | 59.19 | 62.09 | 61.48 | 64.19 | 37.95 | 7 |
| 2D-Parity | 25.38 | 26.71 | 27.31 | 29.69 | 40.41 | 70.10 | 5 | |
| Hamming | 24.67 | 9.94 | 9.67 | 22.27 | 61.76 | 74.34 | 3 | |
| Hybrid Redundancy | Hamming and TMR | 7.95 | 5.08 | 4.98 | 8.48 | 33.96 | 87.91 | 1 |
| Redundancy Type | Target Circuit | AVF per Fault Model (%) | Reliability ) (%) | Rank | ||
|---|---|---|---|---|---|---|
| Stuck-at 0 | Stuck-at 1 | Bit-Flip | ||||
| - | Baseline | 33.19 | 34.52 | 67.97 | 54.77 | 4 |
| Hardware Redundancy | DMR+ | 13.30 | 23.95 | 32.88 | 76.62 | 3 |
| TMR | 4.30 | 24.03 | 28.83 | 80.95 | 2 | |
| Information Redundancy | Hamming | 8.08 | 8.80 | 16.81 | 88.77 | 1 |
| Redundancy Type | Target Circuit | AVF per Fault Model (%) | (%) | Rank | ||||
|---|---|---|---|---|---|---|---|---|
| Stuck-at 00 | Stuck-at 01 | Stuck-at 10 | Stuck-at 11 | Bit-Flip | ||||
| - | Baseline | 70.42 | 64.74 | 65.96 | 69.41 | 68.91 | 32.11 | 4 |
| Hardware Redundancy | DMR+ | 34.85 | 30.99 | 31.11 | 34.21 | 35.66 | 66.64 | 3 |
| TMR | 9.80 | 29.08 | 28.92 | 47.37 | 36.01 | 69.76 | 2 | |
| Information Redundancy | Hamming | 25.38 | 9.82 | 9.84 | 26.10 | 62.27 | 73.32 | 1 |
| Redundancy Type | Target Circuit | Power (W) | Dealy ×10−3 (μs) | Area (ea) | PDAP | Rank (1/PDAP) | |||
|---|---|---|---|---|---|---|---|---|---|
| LUT | FF | BRAM | SUM | ||||||
| - | Baseline | 0.51 | 5.50 | 4368 | 4480 | 70 | 8918 | 25.01 | - |
| Hardware Redundancy | DMR | 0.51 | 5.93 | 4704 | 4480 | 70 | 9254 | 27.99 | 1 |
| DMR+ | 0.59 | 6.02 | 5806 | 6400 | 70 | 12,276 | 43.60 | 4 | |
| TMR | 0.57 | 5.54 | 5329 | 7040 | 70 | 12,439 | 39.28 | 3 | |
| QMR | 0.73 | 6.42 | 6428 | 9600 | 70 | 16,098 | 75.44 | 6 | |
| Information Redundancy | 1D-Parity | 0.52 | 6.15 | 4704 | 4480 | 70 | 9254 | 29.59 | 2 |
| 2D-Parity | 0.70 | 6.69 | 7007 | 4900 | 70 | 11,977 | 56.09 | 5 | |
| Hamming | 1.02 | 9.07 | 7778 | 4480 | 70 | 12,328 | 114.05 | 7 | |
| Hybrid Redundancy | Hamming and TMR | 0.97 | 9.00 | 11,821 | 7760 | 70 | 19,651 | 171.98 | 8 |
| Synthesis Option | Target Circuit | Power (W) | Dealy ×10−3 (μs) | Area (ea) | PDAP | |||
|---|---|---|---|---|---|---|---|---|
| LUT | FF | BRAM | SUM | |||||
| Default | Baseline | 0.51 | 5.77 | 4704 | 4480 | 70 | 9254 | 27.42 |
| TMR | 0.64 | 6.52 | 8207 | 7040 | 70 | 15,317 | 63.94 | |
| Hamming | 0.79 | 7.51 | 7440 | 4720 | 70 | 12,230 | 72.14 | |
| Flow_AreaOptimized_high | Baseline | 0.51 | 5.57 | 4640 | 4480 | 70 | 9190 | 26.26 |
| TMR | 0.63 | 6.17 | 8140 | 7040 | 70 | 15,250 | 59.66 | |
| Hamming | 0.78 | 7.99 | 7300 | 4720 | 70 | 12,090 | 75.48 | |
| Flow_PerfOptimized_high | Baseline | 0.51 | 5.70 | 4768 | 4480 | 70 | 9318 | 27.27 |
| TMR | 0.64 | 6.67 | 8266 | 7040 | 70 | 15,376 | 65.52 | |
| Hamming | 0.78 | 7.60 | 7540 | 4720 | 70 | 12,330 | 73.47 | |
| Flow_alternateRoutability | Baseline | 0.53 | 5.97 | 5220 | 4420 | 70 | 9710 | 30.60 |
| TMR | 0.64 | 6.07 | 8713 | 6980 | 70 | 15,763 | 61.33 | |
| Hamming | 0.80 | 7.22 | 7724 | 4660 | 70 | 12,454 | 71.55 | |
| Redundancy Type | Target Circuit | Reliability (AVF Improvement) | Resource Utilization (∣PDAP Increase∣) |
|---|---|---|---|
| - | Baseline | - | - |
| Hardware Redundancy | DMR | 3.36 | 11.88 |
| DMR+ | 55.96 | 74.30 | |
| TMR | 60.80 | 57.03 | |
| QMR | 69.65 | 201.60 | |
| Information Redundancy | 1D-Parity | 6.84 | 18.31 |
| 2D-Parity | 64.85 | 124.22 | |
| Hamming | 75.97 | 355.93 | |
| Hybrid Redundancy | Hamming and TMR | 91.00 | 587.64 |
Disclaimer/Publisher’s Note: The statements, opinions and data contained in all publications are solely those of the individual author(s) and contributor(s) and not of MDPI and/or the editor(s). MDPI and/or the editor(s) disclaim responsibility for any injury to people or property resulting from any ideas, methods, instructions or products referred to in the content. |
© 2025 by the authors. Licensee MDPI, Basel, Switzerland. This article is an open access article distributed under the terms and conditions of the Creative Commons Attribution (CC BY) license (https://creativecommons.org/licenses/by/4.0/).
Share and Cite
Kim, C.; Lee, D.; Na, J. A Comparison of Reliability and Resource Utilization of Radiation Fault Tolerance Mechanisms in Spaceborne Electronic Systems. Aerospace 2025, 12, 152. https://doi.org/10.3390/aerospace12020152
Kim C, Lee D, Na J. A Comparison of Reliability and Resource Utilization of Radiation Fault Tolerance Mechanisms in Spaceborne Electronic Systems. Aerospace. 2025; 12(2):152. https://doi.org/10.3390/aerospace12020152
Chicago/Turabian StyleKim, Changhyeon, Dongmin Lee, and Jongwhoa Na. 2025. "A Comparison of Reliability and Resource Utilization of Radiation Fault Tolerance Mechanisms in Spaceborne Electronic Systems" Aerospace 12, no. 2: 152. https://doi.org/10.3390/aerospace12020152
APA StyleKim, C., Lee, D., & Na, J. (2025). A Comparison of Reliability and Resource Utilization of Radiation Fault Tolerance Mechanisms in Spaceborne Electronic Systems. Aerospace, 12(2), 152. https://doi.org/10.3390/aerospace12020152

