Next Article in Journal
Multi-Objective 3D Airspace Sectorization Problem Using NSGA-II with Prior Knowledge and External Archive
Previous Article in Journal
A Novel Optimization Strategy for Reducing the Initial Error of a Quasi-Steady Algorithm for Conjugate Heat Transfer
 
 
Font Type:
Arial Georgia Verdana
Font Size:
Aa Aa Aa
Line Spacing:
Column Width:
Background:
Article

The Experimental Investigation of a 98% Hydrogen Peroxide Monopropellant Thruster Comprising the Metal-Foam-Supported Manganese Oxide Catalyst

Lukasiewicz Research Network - Institute of Aviation, Al. Krakowska 110/114, 02-256 Warsaw, Poland
*
Author to whom correspondence should be addressed.
Aerospace 2023, 10(3), 215; https://doi.org/10.3390/aerospace10030215
Submission received: 31 January 2023 / Revised: 22 February 2023 / Accepted: 23 February 2023 / Published: 24 February 2023
(This article belongs to the Section Astronautics & Space Science)

Abstract

The article presents alternative metal-supported catalysts for decomposition of the highest-class hydrogen peroxide: 98%+ (Type 98 HP, according to MIL-PRF-16005F). The aim of this study was the experimental investigation of an alternative solution for decomposition of 98%+ hydrogen peroxide, strictly for chemical propulsion. High-porosity open cell metal foams have been identified as structures with great potential. Low density, good mechanical and thermal properties, availability of various materials and alloys as well as new technologies of manufacturing, make metal foam a potential solution for many different propellants, not only hydrogen peroxide. Open cell NiCrAl foam has been processed to prepare several catalysts, with different content and dispersion of the active phase. Cleaning and drying were performed to prepare carriers for further processing: wet impregnation, slow drying, and calcination. Simple drop tests with 98% hydrogen peroxide have been conducted to estimate activity level of catalysts, in a simplified scale: low, medium, high. Then, real-environment tests have been performed in a catalyst bed. Temperature, pressure along the bed and propellant mass flow rate were measured while testing. The analysis of the test results provided a general conclusion that metal foam supported manganese oxide catalyst is a promising solution for hydrogen peroxide propulsion.

1. Introduction

Hydrogen peroxide of the highest class, known as HTP (high-test peroxide), is one of the most promising high performance, storable rocket propellants, alternative for hydrazine and its derivatives [1,2]. Since technology readiness levels for components, subsystems, and propulsion systems, operating with hydrogen peroxide (especially Type 98), are low, the question of critical technologies for thrusters is still open. This makes an opportunity to develop reliable critical components.
The unique critical technology for all types of rocket engines, using hydrogen peroxide as monopropellant or oxidizer, is the catalyst. Catalysts for decomposition of rocket monopropellants usually work under hard environmental conditions. Multiple thermal cycles, temperature exceeding 900 ÷ 1000 °C, thermal shocks from cold condition to the maximum temperature, and the multiphase flow stay in contrast with general requirements for catalysts: high activity (including active material and surface area) and long lifetime. The results of research, presented in the previous work [3,4], have proved that high-surface γ-alumina-supported manganese oxide catalysts are very active with respect to the decomposition of 98%+ hydrogen peroxide. On the other hand, they are susceptible to cracking due to thermal shocks. This phenomenon was also confirmed by Passini et al. [5]. Pre-heating of a catalyst bed up to approx. 250–300 °C may reduce or even eliminate the structural failure of a ceramic-based catalyst with 98% HTP. Our own experiments have shown that 5% Pt on γ-Al2O3 twice survived 10 min steady tests of decomposition of 98% HTP with the catalyst bed pre-heated to 300 °C. No significant damage of the catalyst was noticed. Nevertheless, limited cold start ability is a standard requirement for thrusters of Reaction Control Systems (RCS) [6].
Authors have already identified a single carrier, which is able to survive multiple thermal shocks. This α-Al2O3, doped with 13% of SiO2, was able to survive over 30 thermal shocks from ambient temperature to the adiabatic temperature of decomposition of 98% hydrogen peroxide. This carrier, offered by Alfa Aesar, is manufactured in the shape of 3/16-inch (approx. 4.8 mm) spheres. However, test results and discussion, presented in [7] unveiled numerous disadvantages, such as: low performance (due to low surface area of the carrier–approx. 0.008 m2/g) and relatively large size of spheres. The last feature makes this carrier inapplicable to small catalyst beds. Moreover, flow channeling is significant, since the nominal size of the channel exceeds 1.5 mm. The non-uniform flow introduces significant pressure instabilities to the decomposition process. The only method to decrease the size of pellets is to crush and sieve 3/16-inch spheres. Multiple crush trials, performed to obtain smaller particles of the carrier, have proved that the efficiency of this process, aiming at the selection of desired size range, is very low. Moreover, crushed particles appeared to be fragile and susceptible to further cracking (more than the originally manufactured carrier).
Recent issues with ceramic packed catalyst beds induced the initiation of investigation, aiming at the identification of alternative carriers for HTP decomposition catalysts. Metal structures were expected to provide sufficient mechanical strength and resistance to thermal shocks. The certain solution—metal wire mesh, packed in a pile—gives relatively low surface area. Open-pore metal foam is an interesting solution, since it can be manufactured in a desired monolithic structure. Whenever required, metal foams may be cut into slices of a preferred thickness or pellets for packed beds. A variety of structures, mean pore sizes and porosities are available. Metal foams provide uniform flow field because of an even structure and uniform pore sizes.
The aim of the presented research is to assess the applicability of a catalyst, composed of an open pore metal foam, coated with manganese oxides, to the new generation of hydrogen peroxide thrusters. The new generation is considered in terms of the application of certain innovations. These are: monolith structure of the catalyst bed and the usage of the highest-class hydrogen peroxide (98–99% by weight, high purity according to MIL-PRF-16005F). An open-pore metal foam may serve as a perfect support for catalysts because of its mechanical properties and specific structure. A sponge-type metal foam creates advantageous flow patterns for propellant, compared to straight-channeled monoliths. A portion of liquid propellant flows through a pore (not touching the catalyst and not decomposing) and axial momentum forces it to hit the catalyst in the subsequent layer of the foam.
This combination of innovations has not been identified in the literature. Metal foam supported iridium catalyst, for the replacement of Shell 405, was described by Schmidt [8]. Monolith ceramic structures for 87.5% HTP have been proposed by Essa et al. [9]. Amrousse et al. [10] performed tests in a batch reactor with FeCrAl (iron-chromium-aluminum) foam supported platinum and manganese oxide catalysts and 30% hydrogen peroxide. The literature also describes a variety of applications of porous metal structures as catalyst supports for propulsions and chemical industry. Iaroshenko and Dedic [11] used porous nickel tablets to manufacture K-87 catalyst, impregnated with potassium permanganate. This catalyst was dedicated to decomposing hydrogen peroxide up to 95.5%. However, tablets were applied in similarity to pellets-for packed catalyst beds. Many other works present metal foam supported catalysts for chemical and environmental processes, including steam methane reforming [12], catalytic combustion of methane [13] and Fischer–Tropsch synthesis [14]. Platinum on FeCrAlY foam, for selective oxidation of CO in hydrogen, has been described by Sirijaruphan et.al. [15]. Nickel foam has been used by Jo et al. [16] to manufacture Pt/Al2O3 catalyst for combustion of hydrogen. Kolaczkowski et al. [17] presented the wide area of the usage of metal foams, made of various materials. A pseudo platinum foam (by means of electro-deposition of Pt on nickel foam) for electro oxidation of methanol was described by Wang et al. [18]. Test results, presented by Gancarczyk et al. [19], have shown that the heat and mass transfer intensity for metal foam catalysts is much more intense than for monoliths and similar to the packed beds. McKechnie et al. [20] proposed an iridium layer on rhenium coated RVC foam for decomposition/ignition of high-energy green monopropellants. Palmer [21] prepared and characterized nickel foam supported manganese oxide catalysts and tested them with 87.5% hydrogen peroxide.

2. Materials and Methods

2.1. Catalyst Preparation

The open-pore metal foam, made of NiCrAl (alloy of nickel, chromium, and aluminum), has been procured from Alantum GmbH, Germany. The lowest porosity and mean pore size, offered by Alantum (85% and 0.45 mm, respectively), has been selected. The supplier has cut the 10 mm thick plate into disks of 26 mm in diameter.
Prior to the catalyst preparation, the pre-treatment of metal foam disks was applied. It consisted of degreasing with acetone, drying and calcination at 500 °C for 1 h.
The standard method of wet impregnation in permanganate (both sodium and potassium) solution was applied. Solubility of sodium and potassium permanganates in distilled water at 20 °C are 900 g/L and 65 g/L, respectively [22]. The catalyst preparation has been divided into three parts: (1) single process treatment with NaMnO4, (2) multiple process treatment with NaMnO4 and (3) treatment with KMnO4. The first part has been taken to assess (by visual observation of the dried precursor) the reasonable maximum percentage of sodium permanganate water solution, still not affecting the clogging of open pores. Effectively, four different samples comprising four different water solutions of NaMnO4 were prepared in parallel: 5%, 10%, 15% and 20% wt., called: P1S1, P1S2, P1S3 and P1S4, respectively (see Figure 1). All samples have been treated with the same procedure. The impregnation was carried out for 2 h at 20 °C, starting from a 10 min period under reduced pressure (approx. 0.15 bara), to outgas the impregnated foam. The impregnation process continued under atmospheric conditions.
The drying process at the normal pressure lasted for 4 h and consisted of 4 different temperature levels set up: 80 °C, 120 °C, 150 °C, 190 °C, 1 h each. Eventually, the dried precursor (see Figure 2) was subjected to the heat treatment.
Calcination in the atmosphere of air was performed at 600 °C for 2 h, with the heating rate of 20 °C/min. Manganese oxides were formed in the effect of the decomposition of sodium (or potassium in a certain case) permanganate. The visual observation of all samples (before and after calcination) has unveiled that in the case of P1S3 and P1S4 samples (15% and 20% solutions, respectively) the additional deposition of manganese oxides crystals has formed on the outer surface of the metal foam disks (see Figure 3, samples P1S3 and P1S4).
After the calcination, the excessive deposition of manganese oxides from catalyst samples no P1S3 and P1S4 was removed mechanically. Additionally, all samples were subjected to washing by multiple immersion in water bath and finally dried. This activity aimed at the removal of the excessive active phase from the catalyst, which, expectedly, would be washed out during the normal operation of the catalyst bed.
The second part of the catalyst preparation process aimed at the verification of the multi-step catalyst preparation (by triple impregnation-drying-calcination process) and confirmation of repeatability, with respect to the previous case. The main criterion, specified to assess the repeatability, was the active phase content of two representative samples, prepared with the same procedure. In the framework of this step, two samples, called P2S1 and P2S2, have been prepared. Water solutions: 5% and 10% of NaMnO4, respectively have been prepared. The first impregnation–drying–calcination process applied the same procedure as P1 samples. Active phase contents, calculated after this point, were later compared with P1S1 and P1S2, as all parameter and conditions of the process were comparable. The second process applied calcination in 700 °C and the third in 800 °C.
The third part of the catalyst preparation assumed the use of potassium permanganate water solution to compare the results with sodium permanganate. A single process with 5% water solution of KMnO4 has been performed, using two disks of metal foam, following the standard preparation procedure.

2.2. Propellant

The highest class, ultra-pure 98% hydrogen peroxide was used for all tests with metal foam supported catalysts. The propellant is being produced daily at Lukasiewicz—Institute of Aviation. The in situ production covers the own demand for this propellant. The patented technology for concentration and purification of available peroxide solutions by vacuum distillation has been commercially rolled out. It enables us to obtain HTP of very high purity, up to 99.9%. The product is consistent with MIL-PRF16005F standard (see Table 1).

2.3. Methodology for Testing

A major part of test campaign was followed by simple drop tests to qualitatively assess the activity of catalysts. Both peroxide droplets on metal foam catalysts and catalysts on peroxide samples were dropped. Results of this step have been regarded significant in terms of decisions on further testing in the catalyst bed configuration.
The thruster has been designed for chamber pressure 10 bar and the nominal mass flow rate equal to 15 g/s. The catalyst bed length and diameter were: 50 mm and 26 mm, respectively. These dimensions result in the nominal aspect ratio equal to 1.9. The nominal bed loading equals to 28 kg/s/m2. A swirl injector, providing 120-degree full-cone spray, which splashes propellant to the catalyst front surface, was applied. The functional length of the catalyst chamber was limited to 42 mm in the current configuration (the aspect ratio reduced to 1.6). The catalyst bed was configured of four metal foam-based disks (ordered according to the direction of the flow as follows: P1S4, P1S3, P1S2, P1S1) and a single stainless steel/alumina/platinum wire mesh screen, located downstream of the bed (see Figure 4). The aim of the test campaign was to assess the general performance of the catalyst bed, configured from metal foam supported catalysts, as: starting characteristics, time to reach steady state conditions and performance loss with time. The standard inspection after testing, consisting of the visual assessment of the structural conditions and mass loss, was also included.
From the scientific and utilitarian point of view, valuable test results include specific impulse, efficiency of characteristic velocity, chamber pressure and its roughness, thrust and its roughness and starting characteristics. To obtain these results, by direct measurement or calculation, the following parameters were measured:
  • Pressure and temperature at: catalyst bed upstream (injection zone), catalyst bed downstream, expansion chamber;
  • Propellant mass flow rate;
  • Axial thrust.
Temperature was measured using K-type thermocouples. Their measurement range covers 0 ÷ 1000 °C with accuracy of ±0.4% FS for the range 376 ÷ 1000 °C. Keller PA-21PY with the range 0 ÷ 20 bar and accuracy ±0.25% FS were applied to measure the pressure. A turbine flow meter, provided by Titan Enterprises (model NT924 with the range 0 ÷ 15 dm3/min and accuracy ±1% FS), integrated with the propellant feed system, was used to measure the HTP volume flow rate. The mass flow rate was later calculated using the propellant density, corrected with its real concentration and temperature. National Instruments PXIe, connected to PC computer served for control and data acquisition. The sampling rate, applied to the test campaign, equaled 10,000 per second. The above-mentioned equipment, including the thruster-like catalyst bed, has been assembled and tested at the internal special facility (see Figure 5).

3. Results

3.1. Catalyst Characterization

Each catalyst was characterized by its mass at every step of the preparation process. Results, presented in Figure 6a) confirm, that the mass change at subsequent steps was proportional to the concentration of permanganate solution. In the case of multi-step process (see Figure 6b), the active phase content increased quasi-linearly for subsequent calcinations.
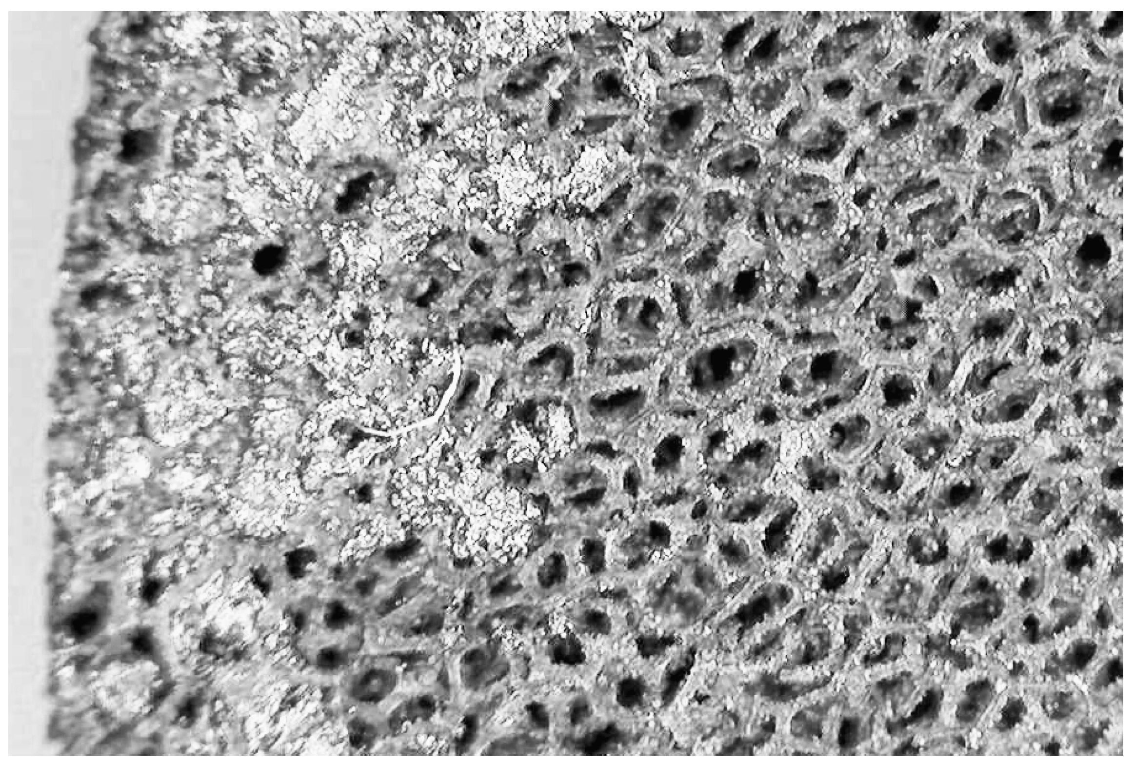
The assessment of the active phase dispersion on metal foam surface, by visual observation under microscope, was performed. Comparing three digital images of three different foam samples, presented in Figure 7, one can notice that in the case of 20% sodium permanganate solution, a serious clogging of open pores occurred (Figure 7c).
Analyzing the image of the catalyst sample, prepared by the triple processing of 5% sodium permanganate solution (see Figure 8), one can notice a structure of thickened struts, with developed surface (with respect to the carrier or catalyst prepared with a single process), created by manganese oxides deposition. No clogging of open pores occurred.
Images of catalysts obtained by processing KMnO4 (see Figure 9) differ from these cases, in which NaMnO4 was used. Deposition of permanganate on the metal foam surface after drying and its products of decomposition after calcination are clearly visible. Distribution of the active material was irregular, including multiple clogging of open pores.
More insightful methods, such as the assessment of the active-phase dispersion on sections, SEM imaging, chemical composition, BET surface, are not presented in this manuscript.

3.2. Drop Tests and Propellant Flow through the Catalyst Bed

Simple drop tests confirmed the high activity of catalyst samples with respect to hydrogen peroxide. The reaction of decomposition was very intensive. Droplets of propellant, falling into the catalyst surface, immediately decomposed in quasi-explosive manner. The decomposition occurred on outer surfaces of disks—no penetration of metal foam catalyst by propellant was noticed. Catalysts, dropped to the propellant samples (0.5 cm3 in quartz vessels for a single test) were instantly picked up for approximately 0.5–0.7 m by the decomposition gas pressure, rising and expanding under disks. No residual liquid was present in vessels after drops—complete HTP decomposition occurred immediately.
The main part of the experimental campaign consisted of hot fire-tests of the catalyst bed, comprising metal foam supported manganese oxide catalysts. It has been conducted by means of short pulses as well as long, steady-state, runs. Representative examples of test results, namely pressure and temperature profiles, measured at certain points, are presented in Figure 10 and Figure 11. Figure 10a contains results of a pulse-mode operation, for both cold start and preheated (up to approx. 300 °C) bed condition. Figure 10b presents pressure and temperature profiles inside the catalyst bed for two subsequent cold starts, at the full propellant flow. In these two test cases, the steady state operation was reached during 15 s propellant flows.
Apart for the number of pulses and short constant firings, long steady-state runs have been performed. Figure 11 presents pressure and temperature profiles from steady-state tests lasting from 2 to 6 min.
The test setup, applied to perform the current experimental campaign, has been extensively used with other HTP decomposition catalysts. In particular, it serves for quantitative assessment of different promising candidates. Starting characteristics, stability during steady-state operation, cold and pre-heated starts and structural condition of catalysts are the subject of the assessment. Figure 12 presents a sample comparison of pressure profiles collected with three different catalysts, namely: Pellet 1 (5% Pt on 14 mesh alumina pellet), Pellet 2 (manganese oxide supported on 4.8 mm spherical alumina/silica) and metal foam (representing the subject of this paper). Similar inlet and starting conditions have been applied in all test cases.

4. Discussion

The detail mass analysis has shown that the metal foam supported manganese oxide catalyst preparation characterizes with the acceptable repeatability. For 5% sodium permanganate solution, 3.43% of the catalyst mass increase has been noted in two subsequent processes. For 10% solution, 6.46% and 6.76% catalyst mass increase has been observed. One of the major issues, concerning the concentration of permanganate solution, was the impact of the excessive amount of permanganate (crystalized during the precursor drying process) and later—manganese oxide (created by the heat treatment of the precursor) on the macro-pore penetrability by the propellant. Special attention should be drawn to the open pore clogging, due to the crystallization of the excessive amount of permanganate salt on the metal foam surface in a single process. Due to the clogging, propellant would need to pass through the remaining open pores, increasing local velocity and, thus, the catalyst loading. Based on the visual observation of each catalyst sample it was concluded that approx. 10% sodium permanganate water solution was the maximum allowable concentration, not affecting the open pore clogging. On the other hand, the triple process involving low (5% in this case) permanganate solution concentration, enabled higher active phase loading, resulting in the decrease of the mean pore size (see Figure 8) without any noticeable clogging. It is wort to mention that the application of 5% KMnO4 solution resulted in the serious clogging of open pores and the excessive agglomeration of the active material on side surfaces of a cylindrical carrier. This phenomenon is regarded to be affected by the migration of the solution during the drying process.
Drop tests, performed for the qualitative pre-selection of catalysts for further usage in a catalyst bed, have not discriminate any sample. Therefore, the final selection of catalysts included all single-process samples. Even though the open pore clogging occurred in samples P1S3 and P1S4, a decision to apply these samples in the thruster-like catalyst bed have been made.
A slight difference in starting characteristics between cold and pre-heated catalyst bed has been noticed. Each cold start characterized with lower dynamics (by means of the pressure rise) and significantly higher-pressure roughness than a pre-heated start (see Figure 10a). This observation remains consistent with the general knowledge on catalysis. However, even cold-started, the catalyst bed was able to reach the near steady-state chamber pressure within 2 s. Further 2 s pulses remained comparable by means of dynamics of the chamber pressure.
Repeatability of the bed and chamber pressure remained within 2% of difference from test to test, for the same operating and starting conditions. Pressure roughness, defined by 3σ of the mean pressure, remained below 3%. The efficiency of characteristic velocity (µC*), calculated for steady state operation, exceeded 96%. No change in the catalyst bed operating conditions and propulsive performance has been noticed within the overall test campaign, comprising 22 hot fire-tests, which lasted 1400 s in total. The overall consumption of 98% hydrogen peroxide by the catalyst bed exceeded 18.2 kg. The catalyst capacity, defined as the mass of propellant divided by mass of the catalyst, was equal to 0.76 kgHTP/gcatalyst.
When compared with other certain catalysts, by means of the starting characteristics, metal-foam-supported manganese oxide performed as well as a commercially available alumina-supported platinum, specially designed for hydrogen peroxide propulsion (see Figure 12). The difference in the propellant inlet pressure (10%—approx. 2 bar) had minor impact on the catalyst bed operation. The metal foam catalyst also provided significantly shorter response time than the in situ prepared alumina/silica-supported manganese oxide, loaded to the catalyst bed in the form of 4.8 mm spheres. This advantage is considered as an effect of the uniform structure of the foam, preventing the flow channeling.

5. Conclusions

The article presented a literature survey, confirming the originality of the proposed catalyst concept for its application to the highest-grade hydrogen peroxide rocket and space propulsion. The preparation procedure for metal foam supported manganese oxide catalysts has been provided. The test setup, the experimental methodology and the logic have been explained.
The characterization technique, applied to the catalyst, appeared to be sufficient for the assessment of the maximum concentration of the impregnation solution, in terms of the open pore clogging. According to the results, obtained by this method, 10% sodium permanganate water solution has been identified as the maximum for a single process with the given metal foam. The triple process, involving 5% solution, provided a significant increase in the active phase weight content, with no clogging of the open pores. Potassium permanganate has been identified as inapplicable in terms of the proposed preparation process for the metal-foam-supported catalyst.
Drop-testing appeared to be an insufficient method for the pre-selection of catalysts for the hot fire-test campaign. High activity affected the immediate, quasi-explosive decomposition of the propellant on the surface of the cylindrical-in-shape catalyst, preventing from its access to the inside. The volumetric penetration of the catalyst was possible only by the forced flow in a thruster-like catalyst bed.
The hot fire-test campaign of the NiCrAl/MnxOy catalyst provided valuable data to assess its applicability to the propulsion, utilizing 98% hydrogen peroxide. Starting characteristics, either from cold or pre-heated bed, have been experimentally verified. Both the pulse-mode and steady-state operation have been examined. The catalyst bed performance, represented by the efficiency of characteristic velocity, exceeded 96%. Considering the significant heat loss through the casing and the nozzle wall, one can conclude that the full propellant decomposition must have been reached.
Even though the metal foam characterizes with relatively low surface area (<< 1 m2/g), which stays at least two rows of magnitude lower than γ-alumina, and the fact that manganese oxide is similar by activity (with regard to hydrogen peroxide) to platinum, the NiCrAl/MnxOy catalyst appeared to perform similarly to Pt/γ-Al2O3. This similarity is noticeable not only in starting characteristics, but also in the catalyst lifetime. Since the microstructure of the reference foam indicated advantageous conditions for the permanent bonding of the active phase, this catalyst provides sufficient propellant capacity to be applied in rocket and space propulsion. Another significant advantage stays behind the density of the NiCrAl foam. Even though it is metal, density of the structure is comparable to, or even lower by a bulk of ceramic microporous pellet. Finally, the catalyst comprising manganese oxide appears to be more cost-effective than the one containing platinum.

Author Contributions

Conceptualization, P.S.; methodology, P.S. and Z.G.; software, Z.G.; validation, Z.G.; formal analysis, P.S.; investigation, P.S. and Z.G.; resources, P.S.; data curation, Z.G.; writing—original draft preparation, P.S. and Z.G.; writing—review and editing, P.S.; visualization, Z.G.; supervision, Z.G.; project administration, P.S.; funding acquisition, P.S. All authors have read and agreed to the published version of the manuscript.

Funding

This research was funded by Lukasiewicz Research Network - Institute of Aviation, within subvention provided by the Ministry of Education and Science from 2019 to 2022.

Data Availability Statement

Not applicable.

Acknowledgments

We would like to thank to Alantum GmbH from Germany for assistance in the initial selection of materials for the research. We would also like to express gratitude to the editors of Aerospace and the re-viewers for their support in processing this article.

Conflicts of Interest

The authors declare no conflict of interest.

References

  1. Rarata, G.; Surmacz, P. The Safe Preparation of HTP and Concentrated H2O2 Samples. Trans. Inst. Aviat. 2011, 217, 116–124. [Google Scholar]
  2. Nosseir, A.E.S.; Cervone, A.; Pasini, A. Review of State-of-the-Art Green Monopropellants: For Propulsion Systems Analysts and Designers. Aerospace 2021, 8, 20. [Google Scholar] [CrossRef]
  3. Surmacz, P. Influence of Various Types of Al2O3/MnxOy Catalysts on Performance of a 100 mm Chamber for Decomposition of 98 %+ Hydrogen Peroxide. Trans. Inst. Aviat. 2015, 240, 58–68. [Google Scholar] [CrossRef]
  4. Surmacz, P. Green Rocket Propulsion Research and Development at the Institute of Aviation: Problems and Perspectives. J. Kones 2016, 23, 337–344. [Google Scholar] [CrossRef]
  5. Pasini, A.; Torre, L.; Romeo, L.; Cervone, A.; d’Agostino, L. Testing and Characterization of a Hydrogen Peroxide Monopropellant Thruster. J. Propuls. Power 2008, 24, 507–515. [Google Scholar] [CrossRef]
  6. Gatto, C.; Nakazono, B. Life Test Results of a MONARC 5 1 lbf Monopropellant Thruster with Heraeus Catalyst. In Proceedings of the 50th AIAA/ASME/SAE/ASEE Joint Propulsion Conference, Cleveland, OH, USA, 28–30 July 2014. [Google Scholar] [CrossRef]
  7. Surmacz, P.; Kostecki, M.; Gut, Z.; Olszyna, A. Aluminum Oxide–Supported Manganese Oxide Catalyst for a 98% Hydrogen Peroxide Thruster. J. Propuls. Power 2019, 35, 614–623. [Google Scholar] [CrossRef]
  8. Schmidt, E.W. Monolithic Catalyst Beds for Hydrazine Reactors; NASA Ames Research Center: Moffet Field, CA, USA, 1973.
  9. Essa, K.; Hassanin, H.; Attallah, M.M.; Adkins, N.J.; Musker, A.J.; Roberts, G.T.; Tenev, N.; Smith, M. Development and testing of an additively manufactured monolithic catalyst bed for HTP thruster applications. Appl. Catal. A Gen. 2017, 542, 125–135. [Google Scholar] [CrossRef]
  10. Amrousse, R.; Augustin, C.; Farfat, K.; Batonneau, Y.; Kappenstein, C.J. Catalytic Decomposition of H2O2 Using FeCrAl Metallic Foam−Based Catalysts. Int. J. Energetic Mater. Chem. Propuls. 2011, 10, 337–349. [Google Scholar] [CrossRef]
  11. Iarochenko, N.; Dedic, V. Hydrogen Peroxide and Monopropellant Catalysts and Catalyst Beds Experience from More Than Thirty Eears of Exploitation. In Proceedings of the 1st International Conference on Green Propellants for Space Propulsion, Noordwijk, The Netherlands, 20–22 June 2001. [Google Scholar]
  12. Kim, K.S.; Kang, T.H.; Kong, M.S.; Park, M.H.; Yun, J.Y.; Lee, K.A. Fabrication of Ni-Cr-Al Metal Foam-Supported Catalysts for the Steam Methane Reforming (SMR), and its Mechanical Stability and Hydrogen Yield Efficiency. J. Kor. Powd. Metal. Inst. 2021, 28, 201–207. [Google Scholar] [CrossRef]
  13. Yang, H.; Li, J.; Yu, H.; Peng, F.; Wang, H. Metal-Foam-Supported Pd/Al2O3 Catalysts for Catalytic Combustion of Methane: Effect of Interaction between Support and Catalyst. Intern. J. Chem. React. Eng. 2015, 13, 83–93. [Google Scholar] [CrossRef]
  14. Park, J.C.; Roh, N.S.; Chun, D.H.; Jung, H.; Yang, J. Cobalt catalyst coated metallic foam and heat-exchanger type reactor for Fischer–Tropsch synthesis. Fuel Proc. Techn. 2014, 119, 60–66. [Google Scholar] [CrossRef]
  15. Sirijaruphan, A.; Goodwin, J.G., Jr.; Rice, R.W.; Wei, D.; Butcher, K.R.; Roberts, G.W.; Spivey, J.J. Metal foam supported Pt catalysts for the selective oxidation of CO in hydrogen. Appl. Catal. A Gen. 2005, 281, 1–9. [Google Scholar] [CrossRef]
  16. Jo, S.; Jin, J.; Kwon, S. The preparation of a metal foam support of Pt/Al2O3 for combustion of hydrogen. Catal. Today 2010, 155, 45–50. [Google Scholar] [CrossRef]
  17. Kolaczkowski, S.T.; Awdry, S.; Smith, T.; Thomas, D.; Torkuhl, L.; Kolvenbach, R. Potential for metal foams to act as structured catalyst supports in fixed-bed reactors. Catal. Today 2016, 273, 221–233. [Google Scholar] [CrossRef]
  18. Wang, H.; Zhang, L.; Shen, H.; Liu, L.; Li, L. Electrochemical Fabrication of Pseudo Platinum Foam and its Application in Methanol Electrooxidation. Int. J. Electrochem. Sci. 2017, 12, 11528–11539. [Google Scholar] [CrossRef]
  19. Gancarczyk, A.; Sindera, K.; Iwaniszyn, M.; Piątek, M.; Macek, W.; Jodłowski, P.J.; Wroński, S.; Sitarz, M.; Łojewska, J.; Kołodziej, A. Metal Foams as Novel Catalyst Support in Environmental Processes. Catalysts 2019, 9, 587. [Google Scholar] [CrossRef]
  20. McKechnie, T.; Shchetkovskiy, A. Development of Metallic Foams Monolithic Catalysts for Green Monopropellants Propulsion. In Proceedings of the Space Propulsion Conference, Rome, Italy, 2–6 May 2016. [Google Scholar]
  21. Palmer, M.J. Experimental Evaluation of Hydrogen Peroxide Catalysts for Monopropellant Attitude Control Thrusters. Ph.D. Thesis, University of Southampton, Southampton, UK, September 2014. [Google Scholar]
  22. Petri, B.G.; Thomson, N.R.; Urynowicz, M.A. Fundamentals of ISCO Using Permanganate. In Situ Chemical Oxidation for Groundwater Remediation; Springer: New York, NY, USA, 2011; pp. 89–138. [Google Scholar] [CrossRef]
Figure 1. Impregnated catalyst precursors (from left to right: P1S1, P1S2, P1S3, P1S4).
Figure 1. Impregnated catalyst precursors (from left to right: P1S1, P1S2, P1S3, P1S4).
Aerospace 10 00215 g001
Figure 2. Dried catalyst precursors (from left to right: P1S1, P1S2, P1S3, P1S4).
Figure 2. Dried catalyst precursors (from left to right: P1S1, P1S2, P1S3, P1S4).
Aerospace 10 00215 g002
Figure 3. Calcined catalyst (from left to right: P1S1, P1S2, P1S3, P1S4).
Figure 3. Calcined catalyst (from left to right: P1S1, P1S2, P1S3, P1S4).
Aerospace 10 00215 g003
Figure 4. The thruster-like test setup configuration.
Figure 4. The thruster-like test setup configuration.
Aerospace 10 00215 g004
Figure 5. Thruster-like test setup assembled on the test stand.
Figure 5. Thruster-like test setup assembled on the test stand.
Aerospace 10 00215 g005
Figure 6. Mass and active phase content of catalysts at different stages of preparation: (a) single process with various solutions of NaMnO4; (b) triple process with 5% and 10% solutions of NaMnO4 (steps: 1—degreased and dried carrier, 2, 4, 6—impregnated and dried precursor, 3, 5, 7—calcined catalyst).
Figure 6. Mass and active phase content of catalysts at different stages of preparation: (a) single process with various solutions of NaMnO4; (b) triple process with 5% and 10% solutions of NaMnO4 (steps: 1—degreased and dried carrier, 2, 4, 6—impregnated and dried precursor, 3, 5, 7—calcined catalyst).
Aerospace 10 00215 g006
Figure 7. Catalysts photographed under 50 times magnification: (a) carrier; (b) sample P1S1—5% solution; (c) sample P1S4—20% solution.
Figure 7. Catalysts photographed under 50 times magnification: (a) carrier; (b) sample P1S1—5% solution; (c) sample P1S4—20% solution.
Aerospace 10 00215 g007
Figure 8. Multiple cycle preparation process with 5% sodium permanganate solution (sample P2S1—triple process with 5% solution of NaMnO4).
Figure 8. Multiple cycle preparation process with 5% sodium permanganate solution (sample P2S1—triple process with 5% solution of NaMnO4).
Aerospace 10 00215 g008
Figure 9. Impregnation with 5% water solution of potassium permanganate (sample P3S1).
Figure 9. Impregnation with 5% water solution of potassium permanganate (sample P3S1).
Aerospace 10 00215 g009
Figure 10. Starting characteristics (pressure and temperature profiles) of the catalyst bed comprising metal foam catalyst: (a) comparison of unheated and pre-heated catalyst in a pulse mode; (b) comparison of two subsequent cold starts in 15 s constant firings.
Figure 10. Starting characteristics (pressure and temperature profiles) of the catalyst bed comprising metal foam catalyst: (a) comparison of unheated and pre-heated catalyst in a pulse mode; (b) comparison of two subsequent cold starts in 15 s constant firings.
Aerospace 10 00215 g010
Figure 11. Steady-state characteristics of the catalyst bed: (a) 2 min and 3 min tests; (b) 5 min and 6 min tests.
Figure 11. Steady-state characteristics of the catalyst bed: (a) 2 min and 3 min tests; (b) 5 min and 6 min tests.
Aerospace 10 00215 g011
Figure 12. Comparison of results collected during experimental campaigns with three different catalysts.
Figure 12. Comparison of results collected during experimental campaigns with three different catalysts.
Aerospace 10 00215 g012
Table 1. Quality data of HTP prepared by IoA on the background of MIL-PRF16005F standard.
Table 1. Quality data of HTP prepared by IoA on the background of MIL-PRF16005F standard.
ContentUnitMIL-PRFHTP by IoA
NH4+mg/kg3 max0.542
Snmg/L0.35 max0.027
Crmg/L1–4 max0 *
Femg/L0.3 max0.001
Cumg/L0.03 max0.003
Asmg/L0.3 max0.001
Znmg/L0.3 max0.007
*—sodium stannate is normally added to HTP in order to stabilize it for transportation
Disclaimer/Publisher’s Note: The statements, opinions and data contained in all publications are solely those of the individual author(s) and contributor(s) and not of MDPI and/or the editor(s). MDPI and/or the editor(s) disclaim responsibility for any injury to people or property resulting from any ideas, methods, instructions or products referred to in the content.

Share and Cite

MDPI and ACS Style

Surmacz, P.; Gut, Z. The Experimental Investigation of a 98% Hydrogen Peroxide Monopropellant Thruster Comprising the Metal-Foam-Supported Manganese Oxide Catalyst. Aerospace 2023, 10, 215. https://doi.org/10.3390/aerospace10030215

AMA Style

Surmacz P, Gut Z. The Experimental Investigation of a 98% Hydrogen Peroxide Monopropellant Thruster Comprising the Metal-Foam-Supported Manganese Oxide Catalyst. Aerospace. 2023; 10(3):215. https://doi.org/10.3390/aerospace10030215

Chicago/Turabian Style

Surmacz, Pawel, and Zbigniew Gut. 2023. "The Experimental Investigation of a 98% Hydrogen Peroxide Monopropellant Thruster Comprising the Metal-Foam-Supported Manganese Oxide Catalyst" Aerospace 10, no. 3: 215. https://doi.org/10.3390/aerospace10030215

APA Style

Surmacz, P., & Gut, Z. (2023). The Experimental Investigation of a 98% Hydrogen Peroxide Monopropellant Thruster Comprising the Metal-Foam-Supported Manganese Oxide Catalyst. Aerospace, 10(3), 215. https://doi.org/10.3390/aerospace10030215

Note that from the first issue of 2016, this journal uses article numbers instead of page numbers. See further details here.

Article Metrics

Back to TopTop