Online Control of Lemna minor L. Phytoremediation: Using pH to Minimize the Nitrogen Outlet Concentration
Abstract
:1. Introduction
2. Materials and Methods
2.1. Methods and Planning
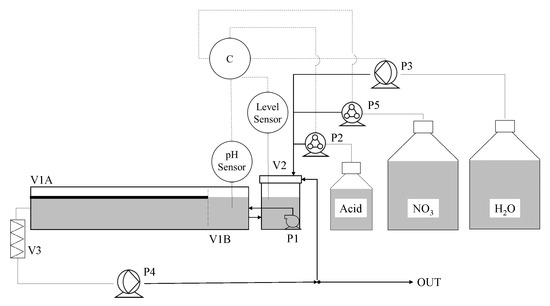
2.2. Apparatus and Analytical Methods
3. Results
3.1. Determination of Nitrate-Proton Ratio and Biomass Quantification in Batch-Operated System
3.2. Automated System for Nitrogen Effluent Minimisation in Semi-Continuous Operation
3.3. Implementing the Control System for Continuous Nitrate Removal
4. Discussion
4.1. Biomass Quantification Using Acid Dosing Compared to a Visual-Based Quantification and a Representative Mat Density Quantification
4.2. Selection of to Operate at Critically Low Nitrate Concentrations
4.3. The Trade off between High Nitrate Removal and Growing Speed in an Automated Nitrogen Removal System
4.4. Dosing-Based Biomass Quantification Measuring Nitrogen Removal
5. Conclusions
Author Contributions
Funding
Institutional Review Board Statement
Informed Consent Statement
Data Availability Statement
Conflicts of Interest
Abbreviations and Symbols
| CW | Constructed Wetland |
| MWSP | Macrophyte-based wastewater stabilisation pond |
| RGR | relative growth rate (d) |
| nitrogen to proton ratio (mol N·mol ) | |
| ΔpH | absolute pH change |
| ΔpHavg | running average of pH change based on ten values |
| ΔpH/ΔpHavg | ratio of absolute pH change and average pH change |
| ratio of pH-uptake reduction (pH units · pH units) |
References
- Chaturvedi, G.; Chakraborty, M.; Ardeep. Impacts of agricultural pollutants on water resources and their management. In Advances in Environmental Pollution Management: Wastewater Impacts and Treatment Technologies; Agro Environ Media: Haridwar (Kankhal), Uttarakhand, India, 2020; pp. 29–41. [Google Scholar]
- Kanter, D.; Chodos, O.; Nordland, O. Gaps and opportunities in nitrogen pollution policies around the world. Nat. Sustain. 2020, 3, 956–963. [Google Scholar] [CrossRef]
- Speijers, G.; Fawell, J. Nitrate and Nitrite in Drinking-Water: Background Document for Development of WHO Guidelines for Drinking-Water Quality; Technical Report; World Health Organisation: Geneva, Switzerland, 2011. [Google Scholar]
- Brix, H.; Schierup, H. The Use of Aquatic Macrophytes in Water-Pollution Control. Ambio 1989, 18, 100–107. [Google Scholar]
- Helmer, R.; Hespanhol, I. Water Pollution Control: A Guide to the Use of Water Quality Management Principles; Thomson Professional: Webster, NY, USA; E and FN Spon: Washington, DC, USA, 1997; pp. 43–70. [Google Scholar]
- Li, M.; Wu, Y.J.; Yu, Z.L.; Sheng, G.P.; Yu, H.Q. Enhanced nitrogen and phosphorus removal from eutrophic lake water by Ipomoea aquatica with low-energy ion implantation. Water Res. 2009, 43, 1247–1256. [Google Scholar] [CrossRef] [PubMed]
- Li, X.N.; Song, H.L.; Li, W.; Lu, X.W.; Nishimura, O. An integrated ecological floating-bed employing plant, freshwater clam and biofilm carrier for purification of eutrophic water. Ecol. Eng. 2010, 36, 382–390. [Google Scholar] [CrossRef]
- Lilley, I.; Pybus, P.; Power, S. Operating Manual for Biological Nutrient Removal Wastewater Treatment Works; Technical Report; Water Research Commission: Gezina, South Africa, 1997. [Google Scholar]
- Wang, C.Y.; Sample, D.J.; Day, S.D.; Grizzard, T.J. Floating treatment wetland nutrient removal through vegetation harvest and observations from a field study. Ecol. Eng. 2015, 78, 15–26. [Google Scholar] [CrossRef]
- Pescod, M. Wastewater Treatment and Use in Agriculture—FAO Irrigation and Drainage Paper 47; Technical Report; Food and Agricultural Organisation of the United Nations: Rome, Italy, 1992. [Google Scholar]
- Ayyasamy, P.; Rajakumar, S.; Sathishkumar, M.; Swaminathan, K.; Shanthi, K.; Lakshmanaperumalsamy, P.; Lee, S. Nitrate removal from synthetic medium and groundwater with aquatic macrophytes. Desalination 2009, 242, 286–296. [Google Scholar] [CrossRef]
- Rezania, S.; Md Din, M.F.; Mat Taib, S.; Dahalan, F.; Songip, A.; Singh, L.; Kamyab, H. The Efficient Role of Aquatic Plant (Water Hyacinth) in Treating Domestic Wastewater in Continuous System. Int. J. Phytoremediation 2016, 18, 679–685. [Google Scholar] [CrossRef] [Green Version]
- Fang, Y.; Yang, X.; Chang, H.; Pu, P.; Ding, X.; Rengel, Z. Phytoremediation of Nitrogen-Polluted Water Using Water Hyacinth. J. Plant Nutr. 2007, 30, 1753–1765. [Google Scholar] [CrossRef]
- Körner, S.; Vermaat, J. The relative importance of Lemna gibba L., bacteria and algae for the nitrogen and phosphorus removal in duckweed-covered domestic wastewater. Water Res. 1998, 32, 3651–3661. [Google Scholar] [CrossRef]
- Blazey, E.B.; McClure, J.W. The distribution and taxonomic significance of lignin in the Lemnaceae. Am. J. Bot. 1968, 55, 1240–1245. [Google Scholar] [CrossRef]
- Alaerts, G.; Mahbubar, R.; Kelderman, P. Performance analysis of a full-scale duckweed-covered sewage lagoon. Water Res. 1996, 30, 843–852. [Google Scholar] [CrossRef]
- Su, F.; Li, Z.; Xu, L.; Chen, G.; Zhuang, S.; Wang, Z. Removal of Total Nitrogen and Phosphorus Using Single or Combinations of Aquatic Plants. Int. J. Environ. Res. Public Health 2019, 16, 4663. [Google Scholar] [CrossRef] [PubMed] [Green Version]
- Benjawan, L.; Lee, S.H.; Koottatep, T. Nitrogen Removal in Duckweed-Based Ponds with Effluent Recirculation. Witthaysan Kasetsat 2008, 42, 767–775. [Google Scholar]
- Lasfar, S.; Monette, F.; Millette, L.; Azzouz, A. Intrinsic growth rate: A new approach to evaluate the effects of temperature, photoperiod and phosphorus—Nitrogen concentrations on duckweed growth under controlled eutrophication. Water Res. 2006, 41, 2333–2340. [Google Scholar] [CrossRef]
- Bian, J.; Berninger, J.; Fulton, B.; Brooks, B. Nutrient stoichiometry and concentrations influence silver toxicity in the aquatic macrophyte Lemna gibba. Sci. Total Env. 2012, 449, 229–236. [Google Scholar] [CrossRef]
- Mkandawire, M.; Lyubun, Y.; Kosterin, P.; Dudel, E. Toxicity of arsenic species to Lemna gibba L. and the influence of phosphate on arsenic bioavailability. Environ. Toxicol. 2004, 19, 26–34. [Google Scholar] [CrossRef]
- Mkandawire, M.; Dudel, E. Assignment of Lemna gibba L. (duckweed) bioassay for in-situ ecotoxicity assessment. Aquat. Ecol. 2005, 39, 151–165. [Google Scholar] [CrossRef]
- Alford, J.S. Bioprocess control: Advances and challenges. In Papers form Chemical Process Control VII; Elsevier: Amsterdam, The Netherlands, 2006; Volume 30, pp. 1464–1475. [Google Scholar]
- Lourenco, N.; Lopes, J.; Almeida, C.; Sarraguça, M.; Pinheiro, H. Bioreactor monitoring with spectroscopy and chemometrics: A review. Anal. Bioanal. Chem. 2012, 404, 1211–1237. [Google Scholar] [CrossRef]
- Collos, Y.; Harrison, P.J. Acclimation and toxicity of high ammonium concentrations to unicellular algae. Mar. Pollut. Bull. 2014, 80, 8–23. [Google Scholar] [CrossRef]
- Mcginn, P.; Macquarrie, S.; Choi, J.; Tartakovsky, B. Maximizing the productivity of the microalgae Scenedesmus AMDD cultivated in a continuous photobioreactor using an online flow rate control. Bioprocess Biosyst. Eng. 2017, 40, 63–71. [Google Scholar] [CrossRef]
- Franca, R.; Carvalho, V.; Fradinho, J.; Reis, M.; Lourenco, N. Raman Spectrometry as a Tool for an Online Control of a Phototrophic Biological Nutrient Removal Process. Appl. Sci. 2021, 11, 6600. [Google Scholar] [CrossRef]
- Cedergreen, N.; Madsen, T. Nitrogen uptake by the floating macrophyte. Lemn. Minor. New Phytol. 2002, 155, 285–292. [Google Scholar] [CrossRef]
- Tischner, R.; Kaiser, W. Nitrate Assimilation in Plants. In Biology of the Nitrogen Cycle; Elsevier: Amsterdam, The Netherlands, 2007; Volume 12, pp. 283–301. [Google Scholar]
- Tischner, R. Nitrate uptake and reduction in higher and lower plants. Plant Cell Environ. 2000, 23, 1005–1024. [Google Scholar] [CrossRef]
- Dijkshoorn, W. Metabolic regulation of the alkaline effect of nitrate utilization in plants. Nature 1962, 194, 165–167. [Google Scholar] [CrossRef]
- Hageman, R. Ammonium Versus Nitrate Nutrition of Higher Plants. In Nitrogen in Crop Production; John Wiley and Sons, Ltd.: Hoboken, NJ, USA, 1984; Chapter 4; pp. 67–85. [Google Scholar]
- Hoagland, D.R.; Arnon, D.I. The Water-Culture Method for Growing Plants without Soil; California Agricultural Experiment Station, Circular: Berkeley, CA, USA, 1938; pp. 29–32. [Google Scholar]
- MacQueen, J. Some methods for classification and analysis of multivariate observations. In Proceedings of the Fifth Berkeley Symposium on Mathematics, Statistics and Probability; University of California Press: Berkeley, CA, USA, 1967; Volume 1, pp. 281–297. [Google Scholar]
- Van Rooyen, I.L.; Nicol, W. Optimal hydroponic growth of Brassica oleracea at low nitrogen concentrations using a novel pH-based control strategy. Sci. Total Env. 2021, 775, 145875. [Google Scholar] [CrossRef]
- Landesman, L.; Parker, N.; Fedler, C.; Konikoff, M. Modeling duckweed growth in wastewater treatment systems. Livest. Res. Rural Dev. 2005, 17, 1–8. [Google Scholar]
- Appenroth, K.; Sree, K.; Bog, M.; Ecker, J.; Seeliger, C.; Böhm, V.; Lorkowski, S.; Sommer, K.; Vetter, W.; Tolzin-Banasch, K.; et al. Nutritional Value of the Duckweed Species of the Genus Wolffia (Lemnaceae) as Human Food. Front. Chem. 2018, 1982, 483. [Google Scholar] [CrossRef] [Green Version]
- Appenroth, K.J.; Borisjuk, N.; Eric, L. Telling Duckweed Apart: Genotyping Technologies for the Lemnaceae. Chin. J. Appl. Environ. 2013, 19, 1–10. [Google Scholar]
- Mclay, C. The effect of pH on the population growth of three species of duckweed: Spirodela oligorrhiza, Lemna minor and Wolffia arrhiza. Freshw. Biol. 1976, 6, 125–136. [Google Scholar] [CrossRef]
- Appenroth, K.J.; Augsten, H.; Mohr, H. Photophysiology of turion germination in Spirodela Polyrhiza (L.) Schleiden. X.: Role Nitrate Phytochrome-Mediated Response. Plant Cell Environ. 1992, 15, 743–748. [Google Scholar] [CrossRef]
- Haynes, R. Active ion uptake and maintenance of cation-anion balance: A critical examination of their role in regulating rhizosphere pH. Plant Soil. 1990, 126, 247–264. [Google Scholar] [CrossRef]









| Initial (g) | Final (g) | RGR (d) | |
|---|---|---|---|
| Run 1 | 11.65 | 65.97 | 0.11 |
| Run 2 | 26.90 | 119.5 | 0.112 |
| Run 3 | 57.24 | 177.9 | 0.125 |
Publisher’s Note: MDPI stays neutral with regard to jurisdictional claims in published maps and institutional affiliations. |
© 2022 by the authors. Licensee MDPI, Basel, Switzerland. This article is an open access article distributed under the terms and conditions of the Creative Commons Attribution (CC BY) license (https://creativecommons.org/licenses/by/4.0/).
Share and Cite
Sigcau, K.; van Rooyen, I.L.; Hoek, Z.; Brink, H.G.; Nicol, W. Online Control of Lemna minor L. Phytoremediation: Using pH to Minimize the Nitrogen Outlet Concentration. Plants 2022, 11, 1456. https://doi.org/10.3390/plants11111456
Sigcau K, van Rooyen IL, Hoek Z, Brink HG, Nicol W. Online Control of Lemna minor L. Phytoremediation: Using pH to Minimize the Nitrogen Outlet Concentration. Plants. 2022; 11(11):1456. https://doi.org/10.3390/plants11111456
Chicago/Turabian StyleSigcau, Kwanele, Ignatius Leopoldus van Rooyen, Zian Hoek, Hendrik Gideon Brink, and Willie Nicol. 2022. "Online Control of Lemna minor L. Phytoremediation: Using pH to Minimize the Nitrogen Outlet Concentration" Plants 11, no. 11: 1456. https://doi.org/10.3390/plants11111456
APA StyleSigcau, K., van Rooyen, I. L., Hoek, Z., Brink, H. G., & Nicol, W. (2022). Online Control of Lemna minor L. Phytoremediation: Using pH to Minimize the Nitrogen Outlet Concentration. Plants, 11(11), 1456. https://doi.org/10.3390/plants11111456

