Method for Cartographic Symbols Creation in Connection with Map Series Digitization
Abstract
:1. Introduction
- Enrichment of the brand key with new elements or attributes from other databases,
- Unification of the brand key across all scales,
- Bringing the brand key closer to the form of other brand keys for better usability of the transmitted data,
- Brand key to an automated mapping process adapting and avoiding the need for manual adjustments (resizing or color).
- To promote and support the delivery of European public services by fostering cross-border and cross-sectoral interoperability;
- To guide public administrations in their work to provide European public services to businesses and citizens;
- To complement and tie together the various National Interoperability Frameworks (NIFs) at the European level. Interoperability of data, services, and technologies is enabled by international technical norms and standards (ISO, OGC, etc.). The initiators of these activities are the INSPIRE directive, Euro-Geographics, etc.
2. Related Works
3. Materials and Methods
- Analysis of cartographic symbols in map series in CR and related EU states in order to design a uniform symbol set.
- Proposal of a suitable method for the description of cartographic symbols.
3.1. Analysis of Cartographic Symbols in Map Series in CR and Selected EU States in Order to Design a Uniform Symbol Set
3.1.1. The Process of Accepting New Symbols
3.1.2. Factors Influencing the Comparison of Symbols
3.2. Method for Description of Cartographic Symbols
- Depiction for any scales (proportional change of symbol geometric proportions).
- Possibility to modify symbols according to requirements.
- Possibility to combine symbols.
- Application independence.
- Optimization of symbols location to map face in case of possible symbols overlap.
- Creation of a mathematical model of cartographic symbols based on graphic variables.
- Proposal of a formal language for graphics description (syntax).
- Choice of a scripting language to symbols depictions for variable scale maps.
- Proposal of an algorithm and the realization of the process in a suitable application (e.g., ArcGIS, QGIS).
3.2.1. Mathematical Model
- S is collection of cartographic symbols. The collection means that symbols may repeat in the set. This enables the creation of composed (also hierarchical) cartographic symbols and their repeated use, for example, basic symbol pattern placing on a linear element.
- P is the set of symbol fixed points in a map space with coordinates x, y, (z),
- G is a set of geometrical and descriptive elements with attributes of which a symbol is composed (symbol graphical variables); the set is influenced by standardization and valid legislation. They can be standard or created for a given purpose. They depend on a geographical object o ∈ O that is represented by the given symbol.
- M is map scale—it also influences symbol representation on a map. It influences the size of the symbol that is to be displayed.
- O is the set of geographic objects on a map, which are represented by the symbol (symbol semantics).
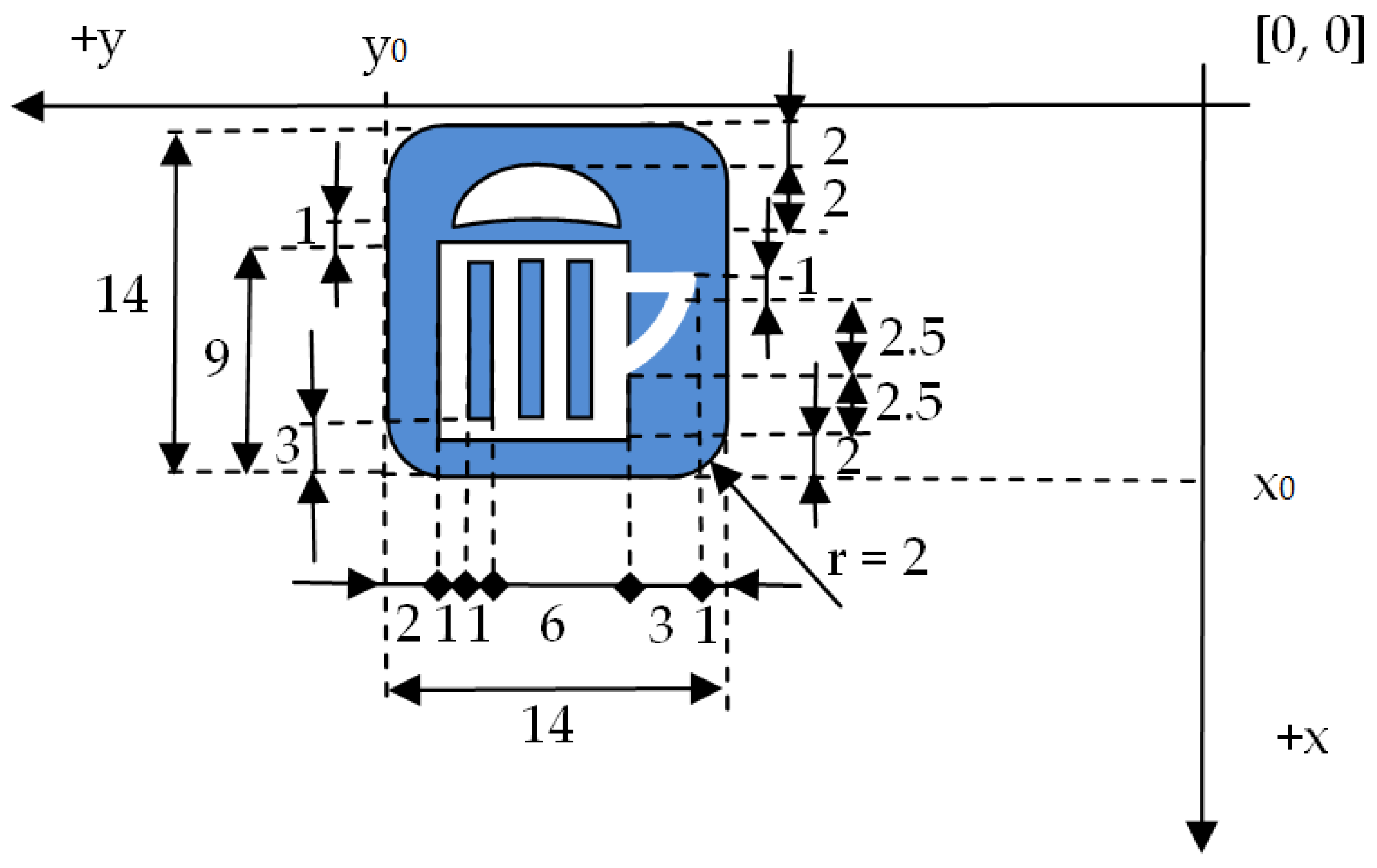
3.2.2. Proposal of a Formal Language for Symbol Graphic Description (Syntax)
- Global symbol parameters (valid for the whole map sheet or slice):
- symbol ID,
- x, y, (z), coordinates of symbol fixed point,
- M—map scale-value M = 0 means that the symbol will not be drawing in a given scale.
- Local symbol parameters:
- (a)
- Commands for geometric elements drawing (drawing of points, lines, arcs, circles, or polygons. Coordinates relative in relation with symbol fixed point).
- L = line x1, y1, x2, y2
- A = arc—add parameters
- R = ring xs, ys, r (circle with center and radius)
- P = polygon xi, yi (vertexes on polygon boundary)
- (b)
- Commands for geometry design—color, type, and weight of the line (drawing attributes).
- C = color <color ID> (color code, same as filling color code)
- F = color <color ID for filling>—last defined entity (circle or polygon) will be filled with given color. Colors (C, F) will be from color table chosen. F = N means without filling
- Y = type <type line number>
- W = weight <weight line number>
- T = text <font number>—other attributes (C, Y, W) will be adopted from geometry definition
- H = hypertext—link to another object (file) in case of dynamic visualization (animation) or symbol with multimedia components.
- Separators of commands are semicolons ‘;’ (alternative TAB or space).
- Decimal points will be represented by dots ‘.’.
- (line structure for 1 cartographic symbol):
- <ID, commands sequence, EOL (End of Line)>.
4. Experimental Results
- Processing of analysis of used cartographic symbols in map works of neighboring states with relation to the Czech Republic and the EU.
- Design of new cartographic symbols.
- Design and implementation of an algorithm for drawing the cartographic symbols based on the formal description.
4.1. Analysis of Used Cartographic Symbols in Map Works of Neighboring States with Relation to the Czech Republic and the EU
- 1.
- Quantitative, where the number of identical symbols was determined absolutely—see Table 2 and relatively—see Table 3. Table 2 shows how many identical symbols the individual combinations of the six states have (character “X” means coincidence), Table 3 shows the number of identical symbols found when comparing all pairs of selected states. The most important symbols are the symbols that are the same in all countries (Table 2), these can be used without major changes. However, even symbols identical in a smaller number of states are usable for the resulting set of symbols. It is from them that the characteristics of the new symbols can be derived, which are then easier for a larger number of users to accept. The second comparison (Table 3) evaluates the consistency only between individual pairs of states, regardless of the others. The number in the cell means, how many symbols are in the pair of countries identical or similar. Table 4 shows the colors for road symbols on maps in selected countries and on different scales. The character “X” means, that roads on a map of the given scale are missing. Detailed analysis results are available in [32].
- 2.
- Qualitative, where the features were compared in terms of graphic variables (shape, color, types of lines) or uniqueness. Different symbol shapes for the same object (gas station, hospital, and greenhouse) in individual countries and map series are in Table 5. Table 6 shows symbols that only appear on several maps (cadastral boundary—CR BM, weather station—CR MTM, underground metro station—CR MTM, product pipeline pumping station—CR MTM, stop station—AUT, and well—AUT). In these cases, the unification of symbols was proposed.
4.2. Design of New Cartographic Symbols
4.3. Implementation of an Algorithm for Drawing the Cartographic Symbols Based on Formal Description
5. Discussion
- All work procedures will be the same if possible.
- All processes will be as simple as possible.
- Data flows between subsystems will be in machine-readable format.
- Phenomena from legislation and standardization will be clearly implemented in the application software.
- The information infrastructure, that is., HW and SW, will be the same at all levels of organizational units.
- Analysis of the current state of map production in selected EU countries in order to unify the procedures for the creation, interpretation, and publication of map works at the national and international level.
- Unify the map key of the analyzed digital maps and design a method for the simple description of cartographic symbols.
- Analyzes map works not only at the national but also at the international level.
- It seeks to unify the map key in an international context.
- Suggests a simple description of cartographic symbols, independent of application and national language.
6. Conclusions and Future Work
Author Contributions
Funding
Institutional Review Board Statement
Informed Consent Statement
Data Availability Statement
Acknowledgments
Conflicts of Interest
References
- Výzkum a Vývoj Programového Aparátu Pro Generalizaci Státního Mapového Díla. (Research and Development of Software for State Map Series Generalization). Applicant: Czech Office of Surveying and Cadaster with the Support of Technology Agency of the Czech Republic. 2018. Available online: https://www.tacr.cz/dokums_raw/beta2/projekt_TACR_Beta2_v1.pdf (accessed on 10 November 2021).
- Bartoněk, D.; Ježek, J.; Vacková, E. Design of the line symbols on the map of cycling paths by gis support. Adv. Sci. Lett. 2015, 21, 3515–3520. [Google Scholar] [CrossRef]
- Borisov, M.; Trifkovic, M.; Nestorovic, Z.; Marinkovic, G.; Pejicic, G. Creating the digital key of topographic-cartographic symbols in ArcGIS and web map server environments. Tech. Technol. Educ. Manag.-TTEM 2012, 7, 1575–1579. Available online: https://www.researchgate.net/publication/291927178_Creating_the_digital_key_of_topographic-cartographic_symbols_in_arcGIS_and_web_map_server_environments (accessed on 10 November 2021).
- Lai, P.-C.; Gar-On Yeh, A. Assessing the Effectiveness of Dynamic Symbols in Cartographic Communication. Cartogr. J. 2004, 41, 229–244. [Google Scholar] [CrossRef]
- Mihalynuk, M.G.; Mallory, S.M.S.; Grant, B. Geological symbol set for Manifolds Geographic Information System. Comput. Geosci. 2006, 32, 1228–1233. [Google Scholar] [CrossRef]
- ELF-The European Location Framework Project–One Source for Reference Geo-Information for Europe. 25 January 2013. Available online: www.elfproject.eu (accessed on 10 November 2021).
- Kent, A.J.; Vujakovic, P. Cartographic Language: Towards a New Paradigm for Understanding Stylistic Diversity in Topographic Maps. Cartogr. J. 2011, 48, 21–40. [Google Scholar] [CrossRef]
- Tanimura, S.; Kuroiwa, C.; Mizota, T. Proportional Symbol Mapping in R. J. Stat. Softw. 2006, 15, 1–7. Available online: https://www.researchgate.net/publication/26469358_Proportional_Symbol_Mapping_in_R (accessed on 10 November 2021). [CrossRef] [Green Version]
- Yue, S.; Yang, J.; Chen, M.; Lu, G.; Zhu, A.-X.; Wen, Y. A function-based linear map symbol building and rendering method using shader language. Int. J. Geogr. Inf. Sci. 2016, 30, 143–167. [Google Scholar] [CrossRef]
- Bertin, J. Semiology of Graphics: Diagrams Networks Maps; University of Wisconsin: Madison, WI, USA, 1983; p. 415. ISBN 0299090604. [Google Scholar]
- Chen, Q.; Liu, G.; Ma, X.; Li, X.; He, Z. Fractal generator for efficient production of random planar patterns and symbols in digital mapping. Comput. Geosci. 2017, 105, 91–102. [Google Scholar] [CrossRef]
- Comenetz, J. Cognitive Geometry for Cartography. Cartogr. J. 2002, 39, 65–75. [Google Scholar] [CrossRef]
- Nass, A.; van Gasselt, S.; Jaumann, R.; Asche, H. Implementation of cartographic symbols for planetary mapping in geographic information systems. Planet. Space Sci. 2011, 59, 1255–1264. [Google Scholar] [CrossRef]
- Schnabel, O.; Hurni, L. Primitive-based Construction Theory for Diagrams in Thematic Maps. Cartogr. J. 2009, 46, 136–145. [Google Scholar] [CrossRef]
- Wilkinson, L. The Grammar of Graphics; Springer: New York, NY, USA, 1999. [Google Scholar]
- Dykes, J.; Wood, J.; Slingsby, A. Rethinking Map Legends with Visualization. IEEE Trans. Vis. Comput. Graph. 2010, 16, 890–899. [Google Scholar] [CrossRef] [PubMed] [Green Version]
- Frank, A.U.; Timpf, S. Multiple representations for cartographic objects in a multiscale tree-an intelligent graphical zoom. Comput. Graph. 1994, 18, 823–829. Available online: https://www.researchgate.net/publication/223762201_Multiple_representations_for_cartographic_objects_in_a_multi-scale_tree-An_intelligent_graphical_zoom (accessed on 10 November 2021). [CrossRef]
- Gustavsson, M.; Kolstrup, E.; Seijmonsbergen, A.C. A new symbol-and-gis based detailed geomorphological mapping system: Renewal of a scientific discipline for understanding Landscape development. Geomorphology 2006, 77, 90–111. Available online: https://apps.webofknowledge.com/full_record.do?product=WOS&search_mode=GeneralSearch&qid=31&SID=D3QdFBtcg1xe9BXeXga&page=1&doc=1 (accessed on 10 November 2021). [CrossRef] [Green Version]
- Horbinski, T.; Cybulski, P.; Medynska-Gulij, B. Graphic Design and Button Placement for Mobile Map Applications. Cartogr. J. 2020, 57, 196–208. [Google Scholar] [CrossRef]
- Karam, R.; Favetta, F.; Kilany, R.; Laurini, R. Cartographic integration on mobile devices from several providers’ LBS by means of map symbol ontology. In Proceedings of the WEBMGS 2010 1st International Workshop on Pervasive Web Mapping, Geoprocessing and Services, Como, Italy, 27 August 2010; pp. 38–44. Available online: https://www.isprs.org/PROCEED INGS/XXXVIII/4-W13/ID_30.pdf (accessed on 10 November 2021).
- Miklin, J.; Dušek, R. Proposal for the hierarchical classification of thematic cartography methods and its application to evaluation of Czech and Slovak national atlases. Inf. Vis. 2019, 18, 211–229. [Google Scholar] [CrossRef]
- Rocca, L.; Jenny, B.; PUPPO, E. A continuous scale-space method for the automated placement of spot heights on maps. Comput. Geosci. 2017, 109, 216–227. [Google Scholar] [CrossRef]
- Samsonov, T.; Koshel, S.; Walther, D.; Jenny, B. Automated placement of supplementary contour lines. Int. J. Geogr. Inf. Sci. 2019, 33, 2072–2093. [Google Scholar] [CrossRef]
- Kunigami, G.; de Rezende, P.J.; de Souza, C.C.; Yunes, T. Optimizing the Layout of Proportional Symbol Maps. Comput. Sci. Appl.-ICCSA 2011, 6784, 1–16. Available online: https://www.researchgate.net/publication/221435569_Optimizing_the_Layout_of_Proportional_Symbol_Maps (accessed on 10 November 2021).
- Mei, Y.; Li, L. Cartographic symbol library considering symbol relations based on anti-aliasing graphic library. In Proceedings of the Geoinformatics 2007: Cartographic Theory and Models, Nanjing, China, 25–27 May 2007; Available online: https://www.spiedigitallibrary.org/conference-proceedings-of-spie/6751/1/Cartographic-symbol-library-considering-symbol-relations-based-on-anti-aliasing/10.1117/12.759674.short?SSO=1 (accessed on 10 November 2021). [CrossRef]
- She, J.; Li, C.; Li, J.; Wei, Q. An efficient method for rendering linear symbols on 3D terrain using a shader language. Int. J. Geogr. Inf. Sci. 2018, 32, 476–497. [Google Scholar] [CrossRef]
- Stachoň, Z.; Šašinka, Č.; Čeněk, J.; Angsüsser, S.; Kubícek, P.; Sterba, Z.; Biliková, M. Effect of Size, Shape and Map Background in Cartographic Visualization: Experimental Study on Czech and Chinese Populations. Isprs Int. J. Geo-Inf. 2018, 7, 427. Available online: https://apps.webofknowledge.com/full_record.do?product=WOS&search_mode=GeneralSearch&qid=46&SID=D3QdFBtcg1xe9BXeXga&page=1&doc=1 (accessed on 10 November 2021). [CrossRef] [Green Version]
- Yu, C.; Ren, F.; Du, Q.; Zhao, Z.; Nie, K. Web map-based POI visualization for spatial decision support. Cartogr. Geogr. Inf. Sci. 2013, 40, 172–182. [Google Scholar] [CrossRef]
- Cascading Style Sheets for Maps–CartoCSS. Available online: https://carto.com/developers/styling/cartocss/ (accessed on 10 November 2021).
- OGC (Open GeoSpatial Consortium) Symbology Encoding. Available online: https://www.ogc.org/standards/se (accessed on 10 November 2021).
- Andělová, P. Educational Database of Cartographic Symbols. 2014. Available online: geo.niwi.cz (accessed on 10 November 2021).
- Andělová, P. Tvorba a účelové využívání kartografických znakových sad (Creation and purpose usage of set of the cartographic symbols). Ph.D. Thesis, Brno University of Technology, Faculty of Civil Engineering, Institute of Geodesy, Brno, Czeh Republic, 2020; 142p. (In Czech). [Google Scholar]
- Vúgtk. Terminologický Slovník Zeměměřictví a Katastru Nemovitostí (Terminological Dictionary of Land Surveying and Real Estate Cadaster). Available online: http://www.vugtk.cz/slovnik/index.php (accessed on 10 July 2014). (In Czech).
- Pravda, J. Metódy mapového vyjadrovania: Klasifikacia a ukážky. In Geographia Slovaca 21, 2006; Slovenská akademie vied, Geodetický ústav Bratislava: Bratislava, Slovakia, 2006; 127p. [Google Scholar]
- Maule, L. Mapové znaky (Cartographic symbols). In Kartografické listy 10/2002; Geographical Institute of Slovak Academy of Sciences: Bratislava, Slovakia, 2002; pp. 36–43. (In Czech) [Google Scholar]
- Hojovec, V. Kartografie. 1. Vyd; Geodetický a kartografický podnik v Praze: Prague, Czech Republic, 1987. (In Czech) [Google Scholar]
- Voženílek, V. Aplikovaná Kartografie I (Applied Cartography I)–Thematic Maps. 1. Issue; Palacký University in Olomouc: Olomouc, Czech Republic, 1999; 170p. (In Czech) [Google Scholar]
- Klíč smluvených značek (Key of agreed symbols). Base Map of ČSSR 1:50,000. Base Map of ČSSR 1:200,000; Czech Office of Surveying and Cadaster: Prague, Czech Republic, 1971; 6p.
- Čúzk. Geoportál ČÚZK. Base Map of the CR 1:50,000. Available online: http://geoportal.cuzk.cz/(S(cbucs0554zl0mx45omvd4snp))/Dokumenty/znacky50.pdf (accessed on 10 November 2021).
- Federal Office of Metrology and Surveying (BEV). Zeichenchlüssel für die Österreichische Karte 1:50 000 UTM Dargestellt im Maßstab 1:25,000; Federal Office of Metrology and Surveying (BEV): Vienna, Austria, 2008.
- Zeichenerklärung DTK50; Landesamt für Vermessung und Geoinformation, Bayern (Bundesrepublik Deutschland): München, Germany, 2011; Standard of Germany.
- Objaśnienia Znaków i Skrótów; (Explanations of Symbols and Abbreviations) 1:50,000. Główny Urząd Geodezji i Kartografii: Warszawa, Poland, 2011; Standard of Poland.
- Ministry of Defence CR. Topo 4–5 Mapové Značky pro Zpracování Topografických Map Měřítek (Map Symbols for Processing of Topographic Maps) 1:25,000, 1:50,000, 1:100,000; Ministry of Defence CR: Prague, Czech Republic, 2008.
- Projects of Institute of Geodesy, Faculty of Civil Engineering, Brno University of Technology. Available online: http://geodesy.fce.vutbr.cz/vyuka/ukazky-studentskych-praci/2017-cykloturisticky-gis-moravskych-vinarskych-stezek/ (accessed on 10 November 2021).
- Lafreniere, M.; Pazner, M.; Mateo, J. Iconizing the GIS image. In Proceedings of the GIS/LIS ’96-Annual Conference and Exposition Proceedings, Denver, CO, USA, 19–21 November 1996; pp. 591–606. [Google Scholar]
- Bartoněk, D.; Opatřilová, I. The Management of Global Navigation Satellite Systems Measurement via Geographic Information Systems. Adv. Sci. Lett. 2015, 21, 57–61. [Google Scholar] [CrossRef]
- Bartoněk, D.; Dermeková, S. The Use of Decision Theory in the Business Geography. Adv. Sci. Lett. 2015, 21, 88–92. [Google Scholar] [CrossRef]
- Bartoněk, D.; Bureš, J.; Opatřilová, I. Optimization of Pre-Processing of Extensive Projects in Geographic Information Systems. Adv. Sci. Lett. 2014, 20, 2026–2029. [Google Scholar] [CrossRef]
- Konečný, M. Dynamic Geo-Visualization in Crisis Management. Issue 1; Masaryk University: Brno, Czech Republic, 2011; 380p, ISBN 9788021058583. (In Czech) [Google Scholar]









| CZE—BM | CZE—MTM | AUT | DEU | POL | SVK |
|---|---|---|---|---|---|
| 1:10,000 | X | X | 1:10,000 | 1:10,000 | 1:10,000 |
| 1:25,000 | 1:25,000 | 1:25,000 | 1:25,000 | 1:25,000 | 1:25,000 |
| 1:50,000 | 1:50,000 | 1:50,000 | 1: 50,000 | 1:50,000 | 1: 50,000 |
| 1:100,000 | 1:100,000 | X | 1:100,000 | 1:100,000 | 1:100,000 |
| 1:200,000 | 1:250,000 | 1:250,000 | 1:250,000 | X | 1:250,000 |
| Number of Countries | Number of Identical Symbols | CZE—BM | CZE—MTM | AUT | DEU | POL | SVK |
|---|---|---|---|---|---|---|---|
| 6 countries | 13 | X | X | X | X | X | X |
| 13 | X | X | X | X | X | ||
| 5 countries | 4 | X | X | X | X | X | |
| 1 | X | X | X | X | X | ||
| 4 countries | 10 | X | X | X | X | ||
| 9 | X | X | X | X | X | ||
| 7 | X | X | X | X | |||
| 3 | X | X | X | X | |||
| 3 | X | X | X | X | |||
| 3 | X | X | X | X | |||
| 3 | X | X | X | X | |||
| 3 country | 18 | X | X | X | |||
| 7 | X | X | X | ||||
| 5 | X | X | X | ||||
| 5 | X | X | X | ||||
| 4 | X | X | X | ||||
| 4 | X | X | X | ||||
| 3 | X | X | X | ||||
| 2 | X | X | X | ||||
| 1 | X | X | X | ||||
| 1 | X | X | X | ||||
| 2 country | 76 | X | X | ||||
| 37 | X | X | |||||
| 15 | X | X | |||||
| 13 | X | X | |||||
| 11 | X | X | |||||
| 8 | X | X | |||||
| 7 | X | X | |||||
| 5 | X | X | |||||
| 4 | X | X | |||||
| 4 | X | X | |||||
| 3 | X | X | |||||
| 2 | X | X | |||||
| 1 | X | X |
| CZE—MTM | DEU | POL | AUT | SVK | |
|---|---|---|---|---|---|
| CZE—BM | 77 | 90 | 64 | 79 | 32 |
| CZE—MTM | 77 | 80 | 159 | 21 | |
| BAV | 72 | 61 | 24 | ||
| POL | 60 | 26 | |||
| AUT | 17 |
| CZE—BM | CZE—MTM | AUT | DEU | POL | SVK | |
|---|---|---|---|---|---|---|
| 1:10,000 | ![]() | X | X | ![]() | ![]() | ![]() |
| 1:25,000 | ![]() | ![]() | ![]() | ![]() | ![]() | ![]() |
| 1:50,000 | ![]() | ![]() | ![]() | ![]() | ![]() | ![]() |
| 1:100,000 | ![]() | ![]() | X | ![]() | ![]() | ![]() |
| 1:200,000 (1:250,000) | ![]() | ![]() | ![]() | ![]() | X | ![]() |
| Gas Station | Hospital | Green House | |||||
|---|---|---|---|---|---|---|---|
| CR-MTM | POL | DEU | AUT | CR-ZM | CR-MTM | BAV | POL |
![]() | ![]() | ![]() | ![]() | ![]() | ![]() | ![]() | ![]() |
| Cadastral Boundary | Weather Station | Underground Metro Section | Product Pipeline Pumping Station | Stop Station | Well |
|---|---|---|---|---|---|
| CR—BM | CR—MTM | CR—MTM | CR—MTM | AUT | AUT |
![]() | ![]() | ![]() | ![]() | ![]() | ![]() |
| C | M | Y | K | |||
|---|---|---|---|---|---|---|
| Green | ![]() | 6 | 0 | 22 | 0 | Filling areas of hop gardens, vineyards, orchards, parks, gardens, cemeteries, recreational buildings, open-air museum, ZOO |
| Yellow | ![]() | 0 | 0 | 85 | 0 | Road filling II. and III. class |
| Light yellow | ![]() | 0 | 0 | 20 | 0 | Permanent grassland–meadow, pasture |
| Purple | ![]() | 0 | 70 | 0 | 0 | Administrative boundaries |
| Factory Chimney | Poppet-Head in Operating | Monument, Memorial, Headstone | Fountain, Spa Spring | Lonely Rock, Lonely Boulder | Group of Boulders |
|---|---|---|---|---|---|
![]() | ![]() | ![]() | ![]() | ![]() | ![]() |
| Church | Fuel Station | Bunker, Blockhouse | |||||
|---|---|---|---|---|---|---|---|
| original symbol | ![]() | ![]() | ![]() | ||||
| new symbol | with tower | without tower | synagogue | LPG or CNG | other | heavy object | other |
![]() | ![]() | ![]() | ![]() | ![]() | ![]() | ![]() | |
| Cooling Tower | Cylindrical Tank, Reservoir | Silo | Museum | Theatre |
|---|---|---|---|---|
![]() | ![]() | ![]() | ![]() | ![]() |
| Railway Stop | Park or CemeteryPath | Tunnel of the I. Class Road | Tunnel of the II. Class Road | |
|---|---|---|---|---|
| Original symbol | ![]() | ![]() | ![]() | ![]() |
| New symbol | ![]() | ![]() | ![]() | ![]() |
| Heliport | Rest Area | Municipal Authority |
|---|---|---|
![]() | ![]() | ![]() |
| Silo | Cooling Tower | Bridge | Aqueduct | |
|---|---|---|---|---|
| Working proposals | ![]() | ![]() | ![]() | ![]() |
| Final proposals | ![]() | ![]() | ![]() | ![]() |
Publisher’s Note: MDPI stays neutral with regard to jurisdictional claims in published maps and institutional affiliations. |
© 2022 by the authors. Licensee MDPI, Basel, Switzerland. This article is an open access article distributed under the terms and conditions of the Creative Commons Attribution (CC BY) license (https://creativecommons.org/licenses/by/4.0/).
Share and Cite
Bartoněk, D.; Andělová, P. Method for Cartographic Symbols Creation in Connection with Map Series Digitization. ISPRS Int. J. Geo-Inf. 2022, 11, 105. https://doi.org/10.3390/ijgi11020105
Bartoněk D, Andělová P. Method for Cartographic Symbols Creation in Connection with Map Series Digitization. ISPRS International Journal of Geo-Information. 2022; 11(2):105. https://doi.org/10.3390/ijgi11020105
Chicago/Turabian StyleBartoněk, Dalibor, and Pavla Andělová. 2022. "Method for Cartographic Symbols Creation in Connection with Map Series Digitization" ISPRS International Journal of Geo-Information 11, no. 2: 105. https://doi.org/10.3390/ijgi11020105
APA StyleBartoněk, D., & Andělová, P. (2022). Method for Cartographic Symbols Creation in Connection with Map Series Digitization. ISPRS International Journal of Geo-Information, 11(2), 105. https://doi.org/10.3390/ijgi11020105





















































































