Next Article in Journal
Double-Layer Microstrip Band Stop Filters Etching Periodic Ring Electromagnetic Band Gap Structures
Next Article in Special Issue
NDE Terahertz Wave Techniques for Measurement of Defect Detection on Composite Panels of Honeycomb Sandwiches
Previous Article in Journal / Special Issue
Terahertz Displacement Sensing Based on Interface States of Hetero-Structures
 
 
Font Type:
Arial Georgia Verdana
Font Size:
Aa Aa Aa
Line Spacing:
Column Width:
Background:
Article

A 350-GHz Coupled Stack Oscillator with −0.8 dBm Output Power in 65-nm Bulk CMOS Process

School of Electrical Engineering, Chungbuk National University, Cheongju 28644, Korea
*
Author to whom correspondence should be addressed.
Electronics 2020, 9(8), 1214; https://doi.org/10.3390/electronics9081214
Submission received: 15 July 2020 / Revised: 27 July 2020 / Accepted: 27 July 2020 / Published: 28 July 2020
(This article belongs to the Special Issue Terahertz Technology and Its Applications)

Abstract

This paper presents a push-push coupled stack oscillator that achieves a high output power level at terahertz (THz) wave frequency. The proposed stack oscillator core adopts a frequency selective negative resistance topology to improve negative transconductance at the fundamental frequency and a transformer connected between gate and drain terminals of cross pair transistors to minimize the power loss at the second harmonic frequency. Next, the phases and the oscillation frequencies between the oscillator cores are locked by employing an inductor of frequency selective negative resistance topology. The proposed topology was implemented in a 65-nm bulk CMOS technology. The highest measured output power is −0.8 dBm at 353.2 GHz while dissipating 205 mW from a 2.8 V supply voltage.

1. Introduction

The terahertz (THz) frequency range, which is from 300 GHz to 3 THz, has recently gained much attention from researchers due to its wide range of applications such as high-speed communication, imaging security system, and spectroscopy [1,2]. In these applications, a high power and high frequency signal source is one of the most important components to create a system with superior quality. Among the technologies for designing a signal source, CMOS technology stands out as a reliable selection to build a high-quality signal source because of its low production cost and compact size. However, CMOS signal sources present some difficulties such as low maximum oscillation frequency (fmax) and low output power at the THz frequency range.
Though a fundamental frequency oscillator is widely adopted for generating an output signal having oscillation frequency smaller than fmax [3,4,5,6,7], but a fundamental frequency oscillator cannot generate a high frequency output signal that has oscillation frequency greater than fmax. Therefore, a harmonic frequency oscillator is a viable solution to overcome the low fmax of CMOS technology and to generate a high frequency output signal that has oscillation frequency greater than fmax. Nevertheless, only a limited output power extracted from a single oscillator core is a problem of harmonic frequency oscillator at this high frequency range [8,9].
This paper proposes a THz frequency CMOS coupled stack oscillator with a good output power level. The oscillator core uses a frequency selective negative resistance (FSNR) tank to increase the negative transconductance and the transformer-based topology to minimize the loss of the second harmonic power. The push-push topology is employed to generate a high oscillation frequency over fmax and multiple coupled oscillator cores to obtain a high output power. The proposed oscillator, implemented in a 65 nm bulk CMOS process, generates a maximum output power of −0.8 dBm at 350 GHz. In Section 2, the proposed signal source’s structure is analyzed. Section 3 presents the measurement setups and measurement results of the proposed oscillator. Finally, Section 4 summarize the findings in this paper.

2. The Proposed Signal Source

Figure 1a shows a schematic of a conventional cross coupled oscillator (XCO). At the THz frequency, a conventional XCO suffers from low negative transconductance at the fundamental frequency and high loss at the second harmonic frequency because of the direct connection of a low gate impedance of transistors M1 and M2 to the second harmonic output path. In Figure 1b, a conventional stack oscillator with FSNR tank, implemented by transistors M3, M4, and inductor L2, is connected in parallel with the cross-coupled pair M1 and M2 to boost the total negative transconductance at the fundamental frequency, so a higher output power can be generated [2]. A novel stack oscillator, shown in Figure 1c, is proposed to minimize the loss at the second harmonic frequency of the conventional stack oscillator by connecting a transformer between gate and drain terminals of cross-coupled pair.
Figure 2 shows circuit simulation results for a negative transconductance at 180 GHz fundamental frequency of the conventional XCO, the conventional stack oscillator, and the proposed stack oscillator. All topologies have the same of transistor size W/L of 12 μm/60 nm, and the same voltage across the drain and source terminals of each transistor of 1V. The conventional XCO generates only 2 mS negative transconductance, and conventional stack oscillator generates 11.9 mS negative transconductance due to the extra negative transconductance added by FSNR tank. The negative transconductance of the proposed stack oscillator increases from 5.8 mS to 11.6 mS with a coupling factor k increases from 0.2 to 0.9.
The effectiveness of the transformer in the proposed stack oscillator in reducing the loss of the second harmonic output power is simulated and shown in Figure 3. In this simulation, we assume that both the conventional stack oscillator and the proposed stack oscillator generate 0 dBm power at the second harmonic frequency inside the oscillator tank. The gate impedance looking from the drain terminals of transistors in the proposed stack oscillator is increased with a decrease of the coupling factor k and increased from 3.5 Ω at k = 0.9 up to 39.7 Ω at k = 0.2 compared with that of the conventional stack oscillator. Therefore, the second harmonic output power of the proposed stack oscillator is improved from 0.4 dB at k = 0.9 up to 4.6 dB at k = 0.2 compared with that of the conventional stack oscillator.
A combination of the FSNR tank and the transformer connected between gate and drain terminals of the cross-coupled pair in the proposed stack oscillator boosts the second harmonic output power. Figure 4 shows that the second harmonic output power of the proposed stack oscillator is higher than that of the conventional stack oscillator when k > 0.5. Since the minimum space between two metals at a top metal layer of the design process is 2 μm, a simulation result from the high frequency structure simulator (HFSS) that is one of ANSYS products [10] shows that a coplanar transformer has a maximum coupling factor k of 0.65. At k = 0.65, the output power of the proposed stack oscillator is higher than the output power of the conventional stack oscillator 1.7 dB, and the output power of the conventional XCO 14.6 dB.
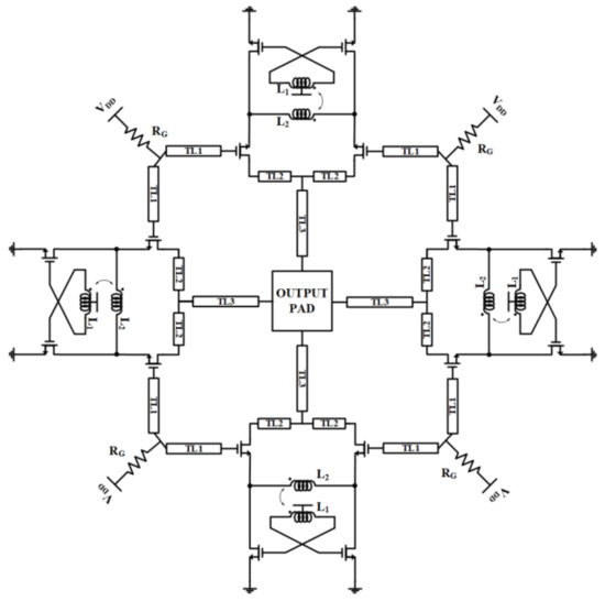
To further improve the second harmonic output power, we propose a coupled stack oscillator, shown in Figure 5, with oscillator cores are the presented stack oscillators. To lock phase differences and oscillation frequencies between oscillator cores, the inductor L3 of the proposed stack oscillator is split into two inductors with the same inductance value of L3/2. These inductors are implemented as transmission lines TL1. One transmission line TL1 is connected to a gate of a FSNR transistor of the previous oscillator core, and another transmission line TL1 is connected to a gate of a FSNR transistor of the next oscillator core. A resistor RG is connected between two transmission lines TL1 to provide a gate bias voltage path for transistors M3 and M4, and to guarantee a differential operation between the adjacent oscillator cores. Transmission lines TL2 that are implemented at the drain terminals of transistors M3 and M4 allow a larger voltage swing at the fundamental frequency signal, so a higher output power can be obtained. Transmission lines TL3 combine the output power which is generated from each oscillator cores to an output port and perform output impedance matching at the second harmonic frequency.

3. Measurement Results

The proposed oscillator was fabricated in a 65 nm bulk CMOS process. Figure 6 shows a chip micrograph of the proposed stack coupled oscillator with a total implementation area of 549 × 468 μm2. The output spectrum of the proposed oscillator was measured based on the spectrum measurement setup using an R&S FSW26 signal and spectrum analyzer, as shown in Figure 7a. A GGB DC Probe was connected to the power pads of the fabricated chip. The GGB DC probe with a GPPG pin configuration provided two paths to supply two different DC voltage levels that are a supply voltage VDD and a gate bias voltage VG to operate the fabricated circuit. The output pads were connected to a GGB model 500 B probe with GSG pin configuration to extract the output power. After that, the output power was conducted to a Farran WR-2 harmonic mixer. The Farran WR-2 down-conversion is a harmonic mixer with interface WR2 has a function of down-converting the frequency of the input signal by mixing input signal with a local oscillator (LO) signal. At the harmonic mixer, the output signal from the proposed stacked coupled oscillator was down-converted by mixing it with a LO signal generated from an R&S FSW26 signal and spectrum analyzer. The down-converted output signal from the harmonic mixer was received and the oscillation frequency was automatically calculated by the R&S FSW26 signal and spectrum analyzer. Figure 8a shows the measured oscillation frequency of 350 GHz. Figure 8b shows an oscillation frequency range of the proposed oscillator with a change of the supply voltage VDD from 2 V to 2.8 V and the gate bias voltage VG from 1 V to 1.4 V. As shown in Figure 8b, the oscillation frequency of the proposed oscillator increases with an increase of the supply voltage VDD and decrease with an increase of the gate bias voltage VG. The proposed oscillator has a minimum oscillation frequency of 345 GHz at VDD = 2 V and VG = 1.4 V and a maximum oscillation frequency of 353.2 GHz at VDD = 2.8 V and VG = 1 V.
Figure 7b shows a power measurement setup of the proposed stack coupled oscillator. The output power of the proposed coupled stack oscillator was measured by a PM5 power meter. The output pad was connected to a GGB model 500 B probe, a waveguide bend WR3, a waveguide tapper WR3.4-WR10, and a waveguide WR10 with insertion losses of 4 dB, 1 dB, 0.4 dB, and 0.3 dB, respectively. As shown in Figure 8c, the highest measured output power of the proposed coupled stack oscillator is 0.832 mW or −0.8 dBm at a supply voltage VDD of 2.8 V and a gate bias voltage VG of 1 V while the proposed stack coupled oscillator consumes 205 mW of DC power. Figure 8d shows an output power range of the proposed coupled oscillator. As shown in Figure 8d, the output power of the proposed coupled oscillator increases with an increase of the supply voltage VDD and decreases with an increase of the gate bias voltage VG. From overall oscillation frequency and output power measurement results, the proposed stacked coupled oscillator obtains a high frequency of 353.2 GHz with a high output power of −0.8 dBm at the same condition that is a high supply voltage VDD of 2.8 V and a low gate bias voltage VG of 1 V.
Table 1 shows a comparison of the performance of the proposed oscillator with the state-of-the-art THz oscillators. Oscillators in [11,12,13] generate output signals at the fourth harmonic frequency, while the work in [14] generates an output signal at the second harmonic frequency with an unstack core oscillator structure. Similar to [14], this work also generates an output signal at the second harmonic frequency but with a stack core oscillator structure. Both a spectrum analyzer and a power meter can measure output power of the proposed oscillator, but the power measurement accuracy of each measurement device is different. Spectrum analyzer can accurately measure frequency spectrum but cannot accurately measure output power generated from oscillators. The reason of low accuracy of power measurement of a spectrum analyzer is that there is a harmonic mixer with a high loss of approximately 50 dBm in the spectrum measurement setup. This decreases power sensitivity of spectrum analyzer. In contrast, a power meter cannot measure frequency but can accurately measure output power generated from oscillators. The reason of high accuracy of power measurement of a power meter is that loss from measurement devices in the power measurement setup is low around several dBm. Therefore, power meter can show an accurate power measurement when calibration function is correctly applied. Because of these reasons, the output power of the proposed oscillator is −0.8 dBm. Among the state-of-the-art THz oscillators operating from 300 GHz to around 400 GHz, the proposed oscillator shows the highest output power of −0.8 dBm and the smallest implementation area of 0.25 mm2 while it has a high DC-to-RF efficiency of 0.41% at a high oscillation frequency of 350 GHz.

4. Conclusions

This paper introduced a high-power THz CMOS signal source. The proposed signal source can generate a high output power level of −0.8 dBm at the THz frequency by employing an FSNR topology to increase the negative transconductance at the fundamental frequency and proposing a transformer which is connected between gate and drain terminals of cross-coupled pair to minimize the power loss at the second harmonic frequency. A coupled topology with the proposed coupled structure was also adopted to further increase the output power. Based on the verified measurement results, the proposed signal source is recommended operating with a supply voltage range from 2 V to 2.8 V.

Author Contributions

Conceptualization, T.D.N. and J.-P.H.; methodology, T.D.N. and J.-P.H.; circuit analysis, T.D.N. and J.-P.H.; investigation, T.D.N. and J.-P.H.; writing—original draft preparation, T.D.N.; writing—review and editing, T.D.N. and J.-P.H. All authors have read and agreed to the published version of the manuscript.

Funding

This work was supported by the Korea Institute for Advancement of Technology (KIAT) grant funded by the Korea Government (MOTIE) (N0001883, The Competency Development Program for Industry Specialist). This work was also supported by Basic Science Research Program through the National Research Foundation of Korea (NRF) funded by the Ministry of Education (NRF-2018R1D1A1B07042607).

Conflicts of Interest

The authors declare no conflict of interest. The funders had no role in the design of the study; in the collection, analyses, or interpretation of data; in the writing of the manuscript, or in the decision to publish the results.

References

  1. Koo, H.; Kim, C.-Y.; Hong, S. Design and analysis of 239 GHz CMOS push-push transformer-based VCO with high efficiency and wide tuning range. IEEE Trans. Circuits Syst. I Regul. Pap. 2015, 62, 1883–1893. [Google Scholar] [CrossRef]
  2. Gu, Q.; Xu, Z.; Jian, H.-Y.; Pan, B.; Xu, X.; Chang, M.-C.F.; Liu, W.; Fetterman, H. CMOS THz generator with frequency selective negative resistance tank. IEEE Trans. Terahertz Sci. Technol. 2012, 2, 193–202. [Google Scholar] [CrossRef]
  3. Kwon, H.-T.; Nguyen, D.; Hong, J.-P. A 219-GHz fundamental oscillator with 0.5 mW peak output power and 2.08% DC-to-RF efficiency in a 65 nm CMOS. In Proceedings of the 2016 IEEE MTT-S International Microwave Symposium (IMS), San Francisco, CA, USA, 22–27 May 2016. [Google Scholar] [CrossRef]
  4. Nguyen, T.D.; Park, H.; Hong, J.-P. A millimeter-wave fundamental frequency CMOS-based oscillator with high output power. Electronics 2019, 8, 1228. [Google Scholar] [CrossRef]
  5. Li, C.-H.; Ko, C.-L.; Kuo, C.-N.; Kuo, M.-C.; Chang, D.-C. A 340 GHz triple-push oscillator with differential output in 40 nm CMOS. IEEE Microw. Wirel. Compon. Lett. 2014, 24, 863–865. [Google Scholar] [CrossRef]
  6. Grzyb, J.; Zhao, Y.; Pfeiffer, U.R. A 288-GHz lens-integrated balanced triple-push source in a 65 nm CMOS technology. IEEE J. Solid State Circuits 2013, 48, 1751–1761. [Google Scholar] [CrossRef]
  7. Samuel, J.; Eliezer, H.; Eran, S. A 300 GHz wirelessly locked 2 × 3 array radiating 5.4 dBm with 5.1% DC-to-RF efficiency in 65nm CMOS. In Proceedings of the 63rd IEEE International Solid-State Circuits Conference (ISSCC), San Francisco, CA, USA, 31 January–4 February 2016; pp. 348–349. [Google Scholar]
  8. Kananizadeh, R.; Momeni, O. A 190-GHz VCO with 20.7% tuning range employing an active mode switching block in a 130 nm SiGe BiCMOS. IEEE J. Solid State Circuits 2017, 52, 1–11. [Google Scholar] [CrossRef]
  9. Khamaisi, B.; Socher, E. A 159–169 GHz frequency source with 1.26 mW peak output power in 65 nm CMOS. In Proceedings of the European Microwave Integrated Circuits Conference, Nuremberg, Germany, 6–10 October 2013; pp. 536–539. [Google Scholar]
  10. 3D Electromagnetic Field Simulator for RF and Wireless Design. Available online: https://www.ansys.com/products/electronics/ansys-hfss (accessed on 27 July 2020).
  11. Park, J.-D.; Kang, S.; Niknejad, A.M. A 0.38 THz fully integrated transceiver utilizing a quadrature push-push harmonic circuitry in SiGe BiCMOS. IEEE J. Solid State Circuits 2012, 47, 2344–2354. [Google Scholar] [CrossRef]
  12. Tousi, Y.; Afshari, E. A high-power and scalable 2-D phased array for terahertz CMOS integrated systems. IEEE J. Solid State Circuits 2014, 50, 597–609. [Google Scholar] [CrossRef]
  13. Wu, L.; Liao, S.; Xue, Q. A 312 GHz CMOS injection locked radiator with chip and package distributed antenna. IEEE J. Solid State Circuits 2017, 52, 2920–2933. [Google Scholar] [CrossRef]
  14. Nguyen, T.D.; Hong, J.-P. A −2.5-dBm, 5.1%-tuning-range, 417-GHz signal source with gate-to-drain-coupled oscillator in 65-nm CMOS process. IEEE Microw. Wirel. Compon. Lett. 2018, 28, 1023–1025. [Google Scholar] [CrossRef]
Figure 1. Schematics of (a) a conventional cross coupled oscillator (XCO), (b) a conventional stack oscillator, and (c) a proposed stack oscillator.
Figure 1. Schematics of (a) a conventional cross coupled oscillator (XCO), (b) a conventional stack oscillator, and (c) a proposed stack oscillator.
Electronics 09 01214 g001
Figure 2. Circuit simulation results of negative transconductance at the fundamental frequency of conventional XCO, conventional stack oscillator, and proposed stack oscillator.
Figure 2. Circuit simulation results of negative transconductance at the fundamental frequency of conventional XCO, conventional stack oscillator, and proposed stack oscillator.
Electronics 09 01214 g002
Figure 3. Circuit simulation results of output power and gate impedance of conventional stack oscillator and proposed stack oscillator at the second harmonic frequency.
Figure 3. Circuit simulation results of output power and gate impedance of conventional stack oscillator and proposed stack oscillator at the second harmonic frequency.
Electronics 09 01214 g003
Figure 4. Circuit simulation results of the second harmonic output power of XCO, conventional stack oscillator, and proposed stack oscillator.
Figure 4. Circuit simulation results of the second harmonic output power of XCO, conventional stack oscillator, and proposed stack oscillator.
Electronics 09 01214 g004
Figure 5. Schematic of the proposed coupled stack oscillator.
Figure 5. Schematic of the proposed coupled stack oscillator.
Electronics 09 01214 g005
Figure 6. Chip micrograph of the proposed coupled stack oscillator.
Figure 6. Chip micrograph of the proposed coupled stack oscillator.
Electronics 09 01214 g006
Figure 7. (a) Output spectrum measurement setup; (b) output power measurement setup.
Figure 7. (a) Output spectrum measurement setup; (b) output power measurement setup.
Electronics 09 01214 g007
Figure 8. (a) Measured output spectrum, (b) oscillation frequency range, (c) measured the highest output power and (d) output power range of the proposed coupled stack oscillator.
Figure 8. (a) Measured output spectrum, (b) oscillation frequency range, (c) measured the highest output power and (d) output power range of the proposed coupled stack oscillator.
Electronics 09 01214 g008
Table 1. Performance comparison with state-of-the-art terahertz (THz) oscillators.
Table 1. Performance comparison with state-of-the-art terahertz (THz) oscillators.
[11][12][13][14]This Work
Frequency (GHz)380338312417353.2
Type4th harmonic4th harmonic4th harmonic2nd harmonic2nd harmonic
POUT Max. (dBm)−17.3−0.90.8−2.5−0.8
No. of cores116444
PDC (mW)380380298108205
DC-to-RF eff. (%)0.410.0050.420.50.41
Chip Area (mm2)4.13.90.360.360.25
Technology130 nm SiGe65 nm CMOS65 nm CMOS65 nm CMOS65 nm CMOS
No. of cores116444

Share and Cite

MDPI and ACS Style

Nguyen, T.D.; Hong, J.-P. A 350-GHz Coupled Stack Oscillator with −0.8 dBm Output Power in 65-nm Bulk CMOS Process. Electronics 2020, 9, 1214. https://doi.org/10.3390/electronics9081214

AMA Style

Nguyen TD, Hong J-P. A 350-GHz Coupled Stack Oscillator with −0.8 dBm Output Power in 65-nm Bulk CMOS Process. Electronics. 2020; 9(8):1214. https://doi.org/10.3390/electronics9081214

Chicago/Turabian Style

Nguyen, Thanh Dat, and Jong-Phil Hong. 2020. "A 350-GHz Coupled Stack Oscillator with −0.8 dBm Output Power in 65-nm Bulk CMOS Process" Electronics 9, no. 8: 1214. https://doi.org/10.3390/electronics9081214

APA Style

Nguyen, T. D., & Hong, J.-P. (2020). A 350-GHz Coupled Stack Oscillator with −0.8 dBm Output Power in 65-nm Bulk CMOS Process. Electronics, 9(8), 1214. https://doi.org/10.3390/electronics9081214

Note that from the first issue of 2016, this journal uses article numbers instead of page numbers. See further details here.

Article Metrics

Back to TopTop