Simulation and Characteristics Analysis of Multiple Wind Generators in Large-Scale Wind Farms Based on Simplified Model
Abstract
1. Introduction
2. Model Simplification Method
2.1. Simplification of Sub-Models
2.1.1. Simplification of Drive Shaft Model
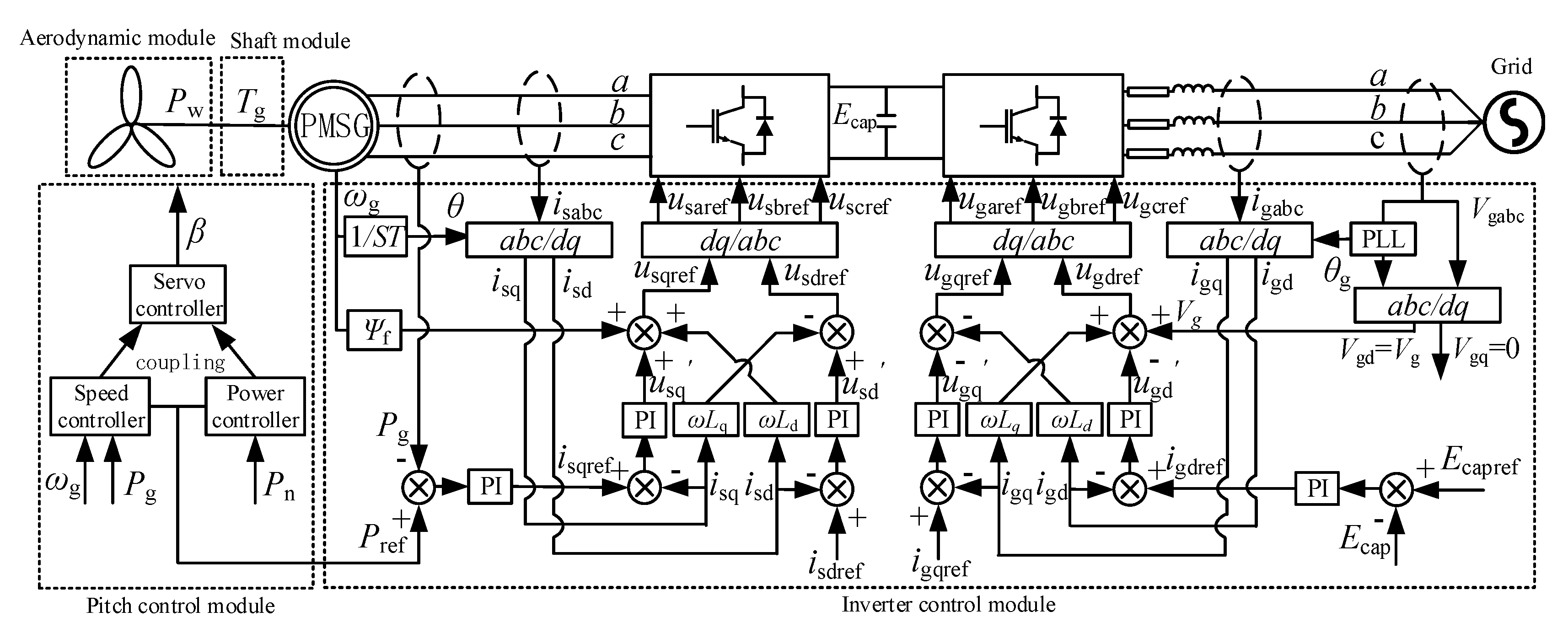
2.1.2. Simplification of Converter Model
2.2. Simplification of the Model of a Single Wind Generator
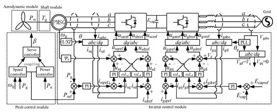
2.2.1. Simplification of a Single Direct Drive Fan Model
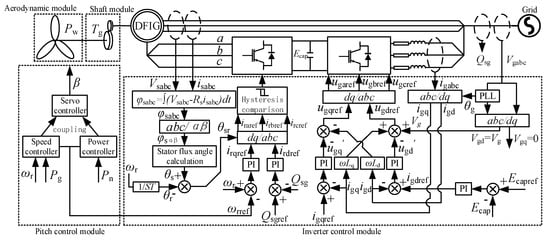
2.2.2. Simplification of a Single Doubly-Fed Wind Generator Model
3. Simplified Model and Simulation of Wind Generator
3.1. Simplified Model Parameters of Direct-Drive, Doubly-Fed Wind Generator
3.2. Simulation Results of a Single Wind Generator under Constant Wind Speed Conditions
3.3. Simulation Results of a Single Wind Generator under Step Wind Speed Condition
3.3.1. Simulation Results of a Single Direct Drive Wind Generator
3.3.2. Simulation Results of a Single Doubly-Fed Wind Generator
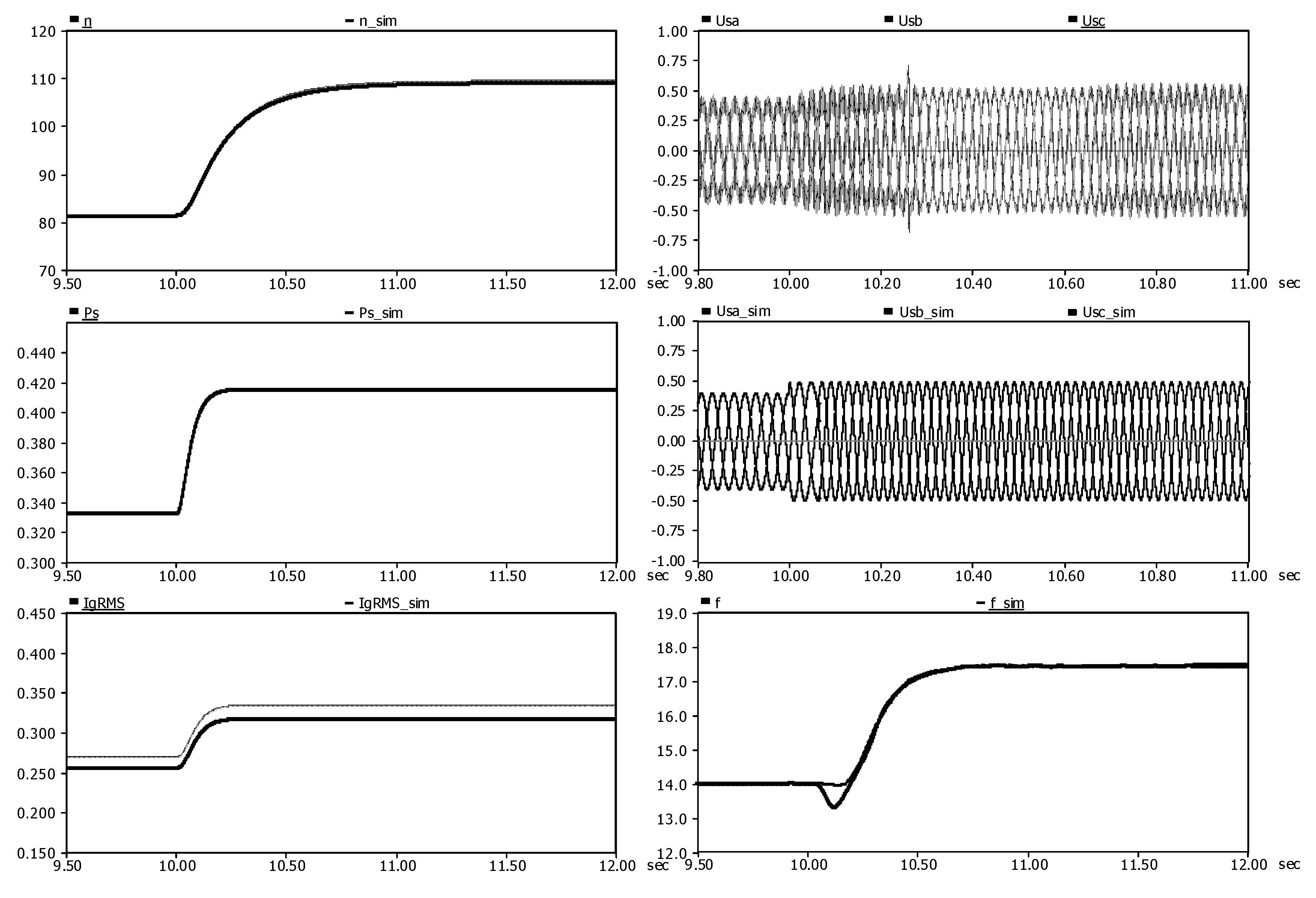
3.4. Simulation Results of a Single Wind Generator under Fault Condition
3.4.1. Simulation Results of a Single Direct Drive Wind Generator
3.4.2. Simulation Results of a Single Doubly-Fed Wind Generator
3.5. Simulation Results of Multi-Unit Hybrid Simplified Model
3.5.1. Simulation Results under Constant Wind Speed Condition
3.5.2. Simulation Results under Step Wind Speed Condition
3.5.3. Simulation Results under Fault Condition
4. Conclusions
- In the simplified models proposed in this paper, the converter model and control system are simplified. The controllable current source and voltage source models are used to replace detailed model converters. Therefore, a large amount of data in detailed models is reduced, which significantly improves the simulation efficiency.
- The simplified models proposed in this paper are built by mathematical method simplification based on the mathematical models, so there is no need to change the simulation software algorithm and it reduces the dependence on computer performance.
- The simplified simulation models proposed in this paper not only improve the simulation efficiency, but also maintain good consistency with the simulation results of the detailed model under normal and fault conditions.
- By simplification of a single unit and then application to a multi-unit system, the characteristics and accuracy of the single unit can be well retained. Therefore, the simplified models have good effects in the research of multiple wind generators in large-scale wind farms.
Author Contributions
Funding
Conflicts of Interest
References
- Tan, K.; Islam, S. Optimum Control Strategies in Energy Conversion of PMSG Wind Turbine System without Mechanical Sensors. IEEE Trans. Power Electron. 2004, 19, 392–399. [Google Scholar] [CrossRef]
- Muyeen, S.; Al-Durra, A.; Tamura, J. Variable speed wind turbine generator system with current controlled voltage source inverter. Energy Convers. Manag. 2011, 52, 2688–2694. [Google Scholar] [CrossRef]
- Ganjefar, S.; Ghassemi, A.A.; Ahmadi, M.M. Improving efficiency of two-type maximum power point tracking methods of tip-speed ratio and optimum torque in wind turbine system using a quantum neural network. Energy 2014, 67, 444–453. [Google Scholar] [CrossRef]
- Wu, Z.Q.; Jia, W.J. Maximum wind power tracking based on cloud RBF neural network Pitch angle. Renew. Energy 2016, 86, 446–472. [Google Scholar] [CrossRef]
- Fernández, L.M.; Jurado, F.; Saenz, J.R. Aggregated dynamic model for wind farms with doubly fed induction generator wind turbines. Renew. Energy 2008, 33, 129–140. [Google Scholar] [CrossRef]
- Gao, F.; Zhao, D.; Zhou, X.; AN, N. Dynamic equivalent algorithm for wind farm composed of direct-drive wind turbines. Power Syst. Technol. 2012, 36, 222–227. [Google Scholar]
- Conroy, J.; Watson, R. Aggregate modelling of wind farms containing full-converter wind turbine generators with permanent magnet synchronous machines: Transient stability studies. IET Renew. Power Gener. 2009, 3, 39–52. [Google Scholar] [CrossRef]
- Abbes, M.; Allagui, M. An aggregate model of PMSG-based, grid connected wind farm: Investigation of LVRT capabilities. In Proceedings of the International Renewable Energy Congress, Sousse, Tunisia, 24–26 March 2015; pp. 1–6. [Google Scholar]
- Qi, J.; Chao, P.; Jin, X.; Li, W. Dynamic equivalent modeling of direct-drive PMSG wind farms based on the transient active power response characteristics. In Proceedings of the 2016 IEEE 8th International Power Electronics and Motion Control Conference (IPEMC-ECCE Asia), Hefei, China, 22–26 May 2016; pp. 2925–2930. [Google Scholar]
- Fernández, L.; García, C.; Saenz, J.; Jurado, F. Equivalent models of wind farms by using aggregated wind turbines and equivalent winds. Energy Convers. Manag. 2009, 50, 691–704. [Google Scholar] [CrossRef]
- Meng, Z.J.; Xue, F. An Investigation of the Equivalent Wind Method for the Aggregation of DFIG Wind Turbines. In Proceedings of the 2010 Asia-Pacific Power and Energy Engineering Conference, Chengdu, China, 28–31 March 2010; pp. 1–6. [Google Scholar] [CrossRef]
- Erlich, I.; Kretschmann, J. Modeling of wind turbines based on doubly-fed-induction generators for power system stability sdudies. IEEE Trans. Power Syst. 2007, 22, 909–919. [Google Scholar] [CrossRef]
- Banakar, H.; Ooi, B.T. Clustering of Wind Farms and its Sizing Impact. IEEE Trans. Energy Convers. 2009, 24, 935–942. [Google Scholar] [CrossRef]
- Baohui, Z.; Guanghui, L. The impact of wind power integration on relay protection (II)—Research on electromagnetic transient equivalent modeling of doubly-fed wind farms. Electr. Power Autom. Equip. 2013, 33, 1–7. [Google Scholar]
- Shafiu, A.; Anaya-Lara, O.; Bathurst, G.; Jenkins, N. Aggregated Wind Turbine Models for Power System Dynamic Studies. Wind. Eng. 2006, 30, 171–185. [Google Scholar] [CrossRef]
- Guixiong, H.; Qin, H. Research on aggregation of dynamic equivalent parameters of constant speed generators in wind farms. Renew. Energy Resour. 2009, 27, 14–18. [Google Scholar]
- Zhenghang, H.; Chao, Q. Influence of simplified converter model of doubly-fed wind turbine on simulation results. Electr. Technol. 2011, 09, 60–64. [Google Scholar]
- Jing, L.; Wei, W. Simplified dynamic model of doubly-fed induction generator and its application in wind power. Electr. Power Autom. Equip. 2015, 25, 58–62. [Google Scholar]
- Pupu, C.; Weixing, L. An Active Power Response Based Practical Equivalent Method for DFIG Wind Farms. Proc. CSEE 2018, 6, 1639–1646. [Google Scholar]
- Van, T.L.; Nguyen, T.H.; Lee, D.-C. Advanced Pitch Angle Control Based on Fuzzy Logic for Variable-Speed Wind Turbine Systems. IEEE Trans. Power Electron. 2015, 30, 578–587. [Google Scholar] [CrossRef]
- Kim, H.W.; Kim, S.S. Modeling and control of PMSG-based variable-speed wind turbine. Electr. Power Syst. Res. 2010, 80, 46–52. [Google Scholar] [CrossRef]
- Alizadeh, M.; Kojori, S.S. Augmenting effectiveness of control loops of a PMSG (permanent magnet synchronous generator) based wind energy conversion system by a virtually adaptive PI (proportional integral) controller. Energy 2015, 91, 610–629. [Google Scholar] [CrossRef]
- Li, S.; Haskew, T.A.; Xu, L. Conventional and novel control designs for direct driven PMSG wind turbines. Electr. Power Syst. Res. 2010, 80, 328–338. [Google Scholar] [CrossRef]
- Muljadi, E.; Butterfield, C.; Ellis, A.; Mechenbier, J.; Hochheimer, J.; Young, R.; Miller, N.; Delmerico, R.; Zavadil, R.; Smith, J. Equivalencing the collector system of a large wind power plant. In Proceedings of the 2006 IEEE Power Engineering Society General Meeting, Montreal, QC, Canada, 18–22 June 2006. [Google Scholar]
- Mohsen, R.; Mostafa, P. Dynamic behavior analysis of doubly-fed induction generator wind turbines-the influence of rotor and speed controller parameters. Electr. Power Energy Syst. 2010, 32, 464–477. [Google Scholar]











| Parameters of PMSG | Parameters of DFIG | ||
|---|---|---|---|
| Rated capacity | 0.5 MVA | Rated capacity | 0.5 MVA |
| Rated voltage | 0.69 kV | Rated voltage | 0.69 kV |
| Rated frequency | 20 Hz | Rated frequency | 50 Hz |
| D axis inductance | 0.5 (pu) | Stator resistance | 0.005 (pu) |
| Q axis inductance | 0.5 (pu) | Stator inductance | 0.1 (pu) |
| Magnetic strength | 1.0 (pu) | Rotor inductance | 0.11 (pu) |
| Type | Number | Simulation Step Size | Time-Consuming/s | Time-Consuming Ratio | |
|---|---|---|---|---|---|
| Detailed Model | Simplified Model | ||||
| Direct drive wind generator | 1 | 20 | 530 | 12 | 44.2 |
| 100 | 142 | 11 | 12.9 | ||
| 5 | 20 | 2430 | 24 | 101.3 | |
| 100 | 547 | 20 | 27.4 | ||
| Doubly-fed wind generator | 1 | 20 | 493 | 13 | 37.9 |
| 100 | 131 | 12 | 10.9 | ||
| 5 | 20 | 2256 | 26 | 86.8 | |
| 100 | 522 | 24 | 21.75 | ||
| Type | Rotating Speed | Grid Current | Output Power of Generator | |
|---|---|---|---|---|
| r/min | kA | MW | ||
| Direct drive | Detailed model | 94.2 | 0.295 | 0.386 |
| Simplified model | 94.4 | 0.310 | 0.387 | |
| Error | % | 0.2 | 5.1 | 0.3 |
| Doubly-fed | Detailed model | 1220.5 | 0.296 | 0.387 |
| Simplified model | 1220.5 | 0.311 | 0.388 | |
| Error | % | 0.0 | 5.1 | 0.3 |
| Type | Simulation Step Size | Time Consuming |
|---|---|---|
| 50 PMSG and 50 DFIG | 20 | 1617 |
| 100 | 351 |
| Object | Parameters | Actual Value | Expected Value | Error |
|---|---|---|---|---|
| No. ① 5 + 5 hybrid units | Grid-connected current/kA | 0.061 | 0.058 | 5.2% |
| Generator output power/MW | 3.874 | 3.865 | 0.1% | |
| Grid-connected power/MW | 3.741 | 3.546 | 5.2% | |
| No. ⑤ 10 Direct drive | Grid-connected current/kA | 0.061 | 0.058 | 5.2% |
| Generator output power/MW | 3.870 | 3.860 | 0.3% | |
| Grid-connected power/MW | 3.711 | 3.529 | 5.2% | |
| No. ⑧ 10 Doubly-fed | Grid-connected current/kA | 0.061 | 0.058 | 5.1% |
| Generator output power/MW | 3.880 | 3.870 | 0.3% | |
| Grid-connected power/MW | 3.720 | 3.529 | 5.2% | |
| ① to ⑩ 50 + 50 hybrid units | Grid-connected current/kA | 0.613 | 0.583 | 5.1% |
| Generator output power/MW | 38.750 | 38.650 | 0.3% | |
| Grid-connected power/MW | 37.148 | 35.321 | 5.2% |
Publisher’s Note: MDPI stays neutral with regard to jurisdictional claims in published maps and institutional affiliations. |
© 2020 by the authors. Licensee MDPI, Basel, Switzerland. This article is an open access article distributed under the terms and conditions of the Creative Commons Attribution (CC BY) license (http://creativecommons.org/licenses/by/4.0/).
Share and Cite
Wang, J.; Zhao, G. Simulation and Characteristics Analysis of Multiple Wind Generators in Large-Scale Wind Farms Based on Simplified Model. Electronics 2020, 9, 1994. https://doi.org/10.3390/electronics9121994
Wang J, Zhao G. Simulation and Characteristics Analysis of Multiple Wind Generators in Large-Scale Wind Farms Based on Simplified Model. Electronics. 2020; 9(12):1994. https://doi.org/10.3390/electronics9121994
Chicago/Turabian StyleWang, Jing, and Guopeng Zhao. 2020. "Simulation and Characteristics Analysis of Multiple Wind Generators in Large-Scale Wind Farms Based on Simplified Model" Electronics 9, no. 12: 1994. https://doi.org/10.3390/electronics9121994
APA StyleWang, J., & Zhao, G. (2020). Simulation and Characteristics Analysis of Multiple Wind Generators in Large-Scale Wind Farms Based on Simplified Model. Electronics, 9(12), 1994. https://doi.org/10.3390/electronics9121994

