Novel L-Slot Matching Circuit Integrated with Circularly Polarized Rectenna for Wireless Energy Harvesting
Abstract
1. Introduction
2. Related Work
3. Proposed System
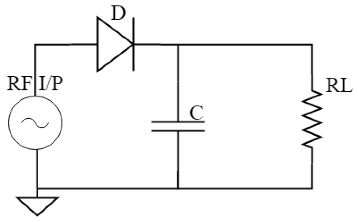
3.1. RF Rectifier Design
3.2. Antenna Design Architecture
4. Rectenna, the Integration of Rectifier and Antenna
5. Results and Discussion
6. Conclusions and Future Work
Author Contributions
Funding
Acknowledgments
Conflicts of Interest
References
- Finkenzeller, K. RFID Handbook—Fundamentals and Applications in Contactless Smart Cards and Identification; Wiley: West Sussex, UK, 2003; pp. 41–53. [Google Scholar]
- Dobkin, D.M. The RF in RFID: Passive UHF RFID in Practice; Newnes: Newton, MA, USA, 2007; pp. 19–34. [Google Scholar]
- Popović, Z. Cut the cord: Low-power far-field wireless powering. IEEE Microw. Mag. 2013, 14, 55–62. [Google Scholar] [CrossRef]
- Mansour, M.M.; Kanaya, H. Compact RF rectifier circuit for ambient energy harvesting. In Proceedings of the IEEE International Symposium on Radio-Frequency Integration Technology (RFIT), Seoul, Korea, 30 August–1 September 2017; pp. 220–222. [Google Scholar]
- Mansour, M.M.; Kanaya, H. Compact and Broadband RF Rectifier With 1.5 Octave Bandwidth Based on a Simple Pair of L-Section Matching Network. IEEE Microw. Wirel. Compon. Lett. 2018, 28, 335–337. [Google Scholar] [CrossRef]
- Mansour, M.M.; Kanaya, H. Efficiency-Enhancement of 2.45-GHz Energy Harvesting Circuit Using Integrated CPW—MS Structure at Low RF Input Power. IEICE Trans. Electron. 2019, E102-C, 399–407. [Google Scholar] [CrossRef]
- Mansour, M.; Le Polozec, X.; Kanaya, H. Enhanced Broadband RF Differential Rectifier Integrated with Archimedean Spiral Antenna for Wireless Energy Harvesting Applications. Sensors 2019, 19, 655. [Google Scholar] [CrossRef] [PubMed]
- Mansour, M.M.; Kanaya, H. High-Efficient Broadband CPW RF Rectifier for Wireless Energy Harvesting. IEEE Microw. Wirel. Compon. Lett. 2019, 29, 288–290. [Google Scholar] [CrossRef]
- Suh, Y.H.; Chang, K. A high-efficiency dual-frequency rectenna for 2.45- and 5.8-GHz wireless power transmission. IEEE Trans. Microw. Theory Tech. 2002, 50, 1784–1789. [Google Scholar] [CrossRef]
- Marian, V.; Allard, B.; Vollaire, C.; Verdier, J. Strategy for microwave energy harvesting from ambient field or a feeding source. IEEE Trans. Power Electron. 2012, 27, 4481–4491. [Google Scholar] [CrossRef]
- Takhedmit, H.; Cirio, L.; Costa, F.; Picon, O. Transparent rectenna and rectenna array for RF energy harvesting at 2.45 GHz. In Proceedings of the 8th European Conference on Antennas and Propagation (EuCAP 2014), Hague, The Netherlands, 6–11 April 2014; pp. 2970–2972. [Google Scholar]
- Assimonis, S.D.; Bletsas, A. Energy harvesting with a low-cost and high efficiency rectenna for low-power input. In Proceedings of the IEEE Radio and Wireless Symposium (RWS), Newport Beach, CA, USA, 19–23 January 2014; pp. 229–231. [Google Scholar]
- Vyas, R.; Nishimoto, H.; Tentzeris, M.; Kawahara, Y.; Asami, T. A battery-less, energy harvesting device for long range scavenging of wireless power from terrestrial tv broadcasts. In Proceedings of the IEEE/MTT-S International Microwave Symposium Digest, Montreal, QC, Canada, 17–22 June 2012; pp. 1–3. [Google Scholar]
- Pinuela, M.; Mitcheson, P.D.; Lucyszyn, S. Ambient RF energy harvesting in urban and semi-urban environments. IEEE Trans. Microw. Theory Tech. 2013, 61, 2715–2726. [Google Scholar] [CrossRef]
- Ren, Y.-J.; Chang, K. 5.8-GHz circularly polarized dual-diode rectenna and rectenna array for microwave power transmission. IEEE Trans. Microw. Theory Tech. 2006, 54, 1495–1502. [Google Scholar]
- Huang, F.J.; Yo, T.C.; Lee, C.M.; Luo, C.H. Design of circular polarization antenna with harmonic suppression for rectenna application. IEEE Antennas Wirel. Propag. Lett. 2012, 11, 592–595. [Google Scholar] [CrossRef]
- Palazzi, V.; Kalialakis, C.; Alimenti, F.; Mezzanotte, P.; Roselli, L.; Collado, A.; Georgiadis, A. Design of a ultra-compact low-power rectenna in paper substrate for energy harvesting in the Wi-Fi band. In Proceedings of the IEEE Wireless Power Transfer Conference (WPTC), Aveiro, Portugal, 5–6 May 2016; pp. 1–4. [Google Scholar]
- Chou, J.H.; Lin, D.B.; Weng, K.L.; Li, H.J. All Polarization Receiving Rectenna With Harmonic Rejection Property for Wireless Power Transmission. IEEE Trans. Antennas Propag. 2014, 62, 5242–5249. [Google Scholar] [CrossRef]
- Hemour, S.; Zhao, Y.; Lorenz, C.H.P.; Houssameddine, D.; Gui, Y.; Hu, C.M.; Wu, K. Towards Low-Power High-Efficiency RF and Microwave Energy Harvesting. IEEE Trans. Microw. Theory Tech. 2014, 62, 965–976. [Google Scholar] [CrossRef]
- SKYWORKS. Available online: http://www.skyworksinc.com/Product/512/SMS7630-061 (accessed on 1 March 2019).
- Garg, R.; Bahl, I.; Bozzi, M. Microstrip Lines and Slotlines, 3rd ed.; Artech House: London, UK, 2013. [Google Scholar]
- Kanaya, H.; Tsukamoto, S.; Hirabaru, T.; Kanemoto, D.; Pokharel, R.K.; Yoshida, K. Energy harvesting circuit on a one-sided directional flexible antenna. IEEE Microw. Wirel. Compon. Lett. 2013, 23, 164–166. [Google Scholar] [CrossRef]
- Balanis, C.A. Antenna Theory Analysis and Design, 3rd ed.; John & Wiley Sons: Hoboken, NJ, USA, 2005. [Google Scholar]








© 2019 by the authors. Licensee MDPI, Basel, Switzerland. This article is an open access article distributed under the terms and conditions of the Creative Commons Attribution (CC BY) license (http://creativecommons.org/licenses/by/4.0/).
Share and Cite
Mansour, M.M.; Kanaya, H. Novel L-Slot Matching Circuit Integrated with Circularly Polarized Rectenna for Wireless Energy Harvesting. Electronics 2019, 8, 651. https://doi.org/10.3390/electronics8060651
Mansour MM, Kanaya H. Novel L-Slot Matching Circuit Integrated with Circularly Polarized Rectenna for Wireless Energy Harvesting. Electronics. 2019; 8(6):651. https://doi.org/10.3390/electronics8060651
Chicago/Turabian StyleMansour, Mohamed M., and Haruichi Kanaya. 2019. "Novel L-Slot Matching Circuit Integrated with Circularly Polarized Rectenna for Wireless Energy Harvesting" Electronics 8, no. 6: 651. https://doi.org/10.3390/electronics8060651
APA StyleMansour, M. M., & Kanaya, H. (2019). Novel L-Slot Matching Circuit Integrated with Circularly Polarized Rectenna for Wireless Energy Harvesting. Electronics, 8(6), 651. https://doi.org/10.3390/electronics8060651
