Modulation Strategy with a Minimal Number of Commutations for a Five-Level H-Bridge NPC Inverter
Abstract
:1. Introduction
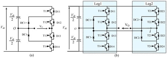
2. Studied System Description
2.1. Control of the HB-5L-NPC by Classical LS-PWM
2.2. Simulation Results for the HB-5L-NPC Converter Controlled by LS-PWM
2.3. The Switching Number Reduction
3. The Principle of the Proposed OPT-PWM Strategy
- Transition: passing from one state to another one.
- Trajectory: A trajectory is made up of all the transitions that make it possible to pass from the initial output voltage level to the desired voltage level. A trajectory may consist of one or more transitions.
- NOT: number of transitions for a trajectory.
- NOC: number of commutations.
- NOCSx-Sy: number of commutations to switch from state Sx to state SY.
- NOCtotal: total number of commutations made by the switches during a trajectory.
3.1. Determination of the Voltage Level Vo*
3.2. Search for the Trajectory with a Minimal Number of Commutations
3.3. Selection of an Optimized Trajectory out of the Optimal Trajectories
- Green (finest line): 2 commutations,
- Orange: 4 commutations,
- Red: 6 commutations,
- Brown (thickest line): 8 commutations.
4. Simulation Results
5. Experimental Results
5.1. Experimental Results with LS-PWM Control
5.2. Experimental Results with the Proposed OPT-PWM Control
6. Conclusions
Author Contributions
Funding
Conflicts of Interest
References
- Bouhali, O.; Rizoug, N.; Mesbahi, T.; Francois, B. Modeling and control of the three-phase NPC multilevel converter using an equivalent matrix structure. In Proceedings of the 7th IET International Conference on Power Electronics, Machines and Drives (PEMD 2014), Manchester, UK, 8–10 April 2014; pp. 1–6. [Google Scholar]
- Akagi, H. Multilevel Converters: Fundamental Circuits and Systems. Proc. IEEE 2017, 105, 2048–2065. [Google Scholar] [CrossRef]
- Nabae, A.; Takahashi, I.; Akagi, H. A New Neutral-Point-Clamped PWM Inverter. IEEE Trans. Ind. Appl. 1981, IA-17, 518–523. [Google Scholar] [CrossRef]
- Konstantinou, G.; Pou, J.; Capella, G.J.; Song, K.; Ceballos, S.; Agelidis, V.G. Interleaved Operation of Three-Level Neutral Point Clamped Converter Legs and Reduction of Circulating Currents Under SHE-PWM. IEEE Trans. Ind. Electron. 2016, 63, 3323–3332. [Google Scholar] [CrossRef]
- Barros, J.D.; Silva, J.F.A.; Jesus, É.G. Fast-predictive optimal control of NPC multilevel converters. IEEE Trans. Ind. Electron. 2013, 60, 619–627. [Google Scholar] [CrossRef]
- Behera, R.K.; Das, S.P. A forced switching technique for current controlled three-level NPC ac-dc converter. In Proceedings of the Joint International Conference on Power Electronics, Drives and Energy Systems (PEDES), New Delhi, India, 20–23 December 2010; pp. 1–6. [Google Scholar]
- Choudhury, A.; Pillay, P.; Williamson, S.S. DC-Bus Voltage Balancing Algorithm for Three-Level Neutral-Point-Clamped (NPC) Traction Inverter Drive With Modified Virtual Space Vector. IEEE Trans. Ind. Appl. 2016, 52, 3958–3967. [Google Scholar] [CrossRef]
- Kuo, C.C.; Tzou, Y.Y. FPGA predictive control for single-phase active NPC grid inverters with multi-sampling technique. In Proceedings of the Annual Conference of the IEEE Industrial Electronics Society (IECON 2016), Florence, Italy, 23–26 October 2016; pp. 2295–2300. [Google Scholar]
- Campanhol, L.B.G.; da Silva, S.A.O.; de Oliveira, A.A.; Bacon, V.D. Dynamic Performance Improvement of a Grid-Tied PV System Using a Feed-Forward Control Loop Acting on the NPC Inverter Currents. IEEE Trans. Ind. Electron. 2017, 64, 2092–2101. [Google Scholar] [CrossRef]
- Sebaaly, F.; Vahedi, H.; Kanaan, H.Y.; Moubayed, N.; Al-Haddad, K. Design and Implementation of Space Vector Modulation-Based Sliding Mode Control for Grid-Connected 3L-NPC Inverter. IEEE Trans. Ind. Electron. 2016, 63, 7854–7863. [Google Scholar] [CrossRef]
- Ebrahimi, J.; Karshenas, H. A New Single dc Source Six-Level Flying Capacitor Based Converter with Wide Operating Range. IEEE Trans. Power Electron. 2019, 34, 34–2158. [Google Scholar] [CrossRef]
- Stillwell, A.; Pilawa-Podgurski, R.C.N. A 5-Level Flying Capacitor Multi-Level Converter with Integrated Auxiliary Power Supply and Start-Up. In Proceedings of the IEEE Applied Power Electronics Conference and Exposition (APEC), Tampa, FL, USA, 26–30 March 2017; pp. 2932–2938. [Google Scholar] [CrossRef]
- Alamri, B.; Darwish, M. Power loss investigation in HVDC for cascaded h-bridge multilevel inverters (CHB-MLI). In Proceedings of the IEEE Eindhoven PowerTech, Eindhoven, The Netherlands, 29 June–2 July 2015; pp. 1–7. [Google Scholar] [CrossRef]
- Rojas, C.A.; Kouro, S.; Edwards, D.; Bin, W.; Rivera, S. Five-level H-bridge NPC central photovoltaic inverter with open-end winding grid connection. In Proceedings of the Conference of the IEEE Industrial Electronics Society (IECON 2014), Dallas, TX, USA, 29 October–1 November 2014; pp. 4622–4627. [Google Scholar] [CrossRef]
- Fan, S.; Zhang, K.; Xiong Jand Xue, Y. An Improved Control System for Modular Multilevel Converters with New Modulation Strategy and Voltage Balancing Control. IEEE Trans. Power Electron. 2015, 30, 358–371. [Google Scholar] [CrossRef]
- Rodriguez, J.; Bernet, S.; Steimer, P.K.; Lizama, I.E. A Survey on Neutral-Point-Clamped Inverters. IEEE Trans. Ind. Electron. 2010, 57, 2219–2230. [Google Scholar] [CrossRef]
- Hasan, N.S.; Rosmin, N.; Osman DA, A.; Musta’amal, A.H. Reviews on multilevel converter and modulation techniques. Renew. Sustain. Energy Rev. 2017, 80, 163–174. [Google Scholar] [CrossRef]
- Marquardt, R. Modular Multilevel Converters—Sate of the art and future progress. IEEE Power Electron. Mag. 2018, 5, 24–31. [Google Scholar] [CrossRef]
- Kobravi, K.; Iravani, R. A novel modulation strategy to minimize the number of commutation processes in the matrix converter. In Proceedings of the 2010 IEEE Energy Conversion Congress and Exposition, Atlanta, GA, USA, 12–16 September 2010. [Google Scholar]
- Yusuke, A.; Takeshita, T. PWM control of matrix converter for reducing a number of commutations and output voltage harmonics. In Proceedings of the 2007 Power Conversion Conference, Nagoya, Japan, 2–5 April 2007; pp. 769–775. [Google Scholar]
- Calle-Prado, A.; Alepuz, S.; Bordonnau, J.; Cortes, P.; Rodriguez, J. Predictive control of a back-to-back NPC converter-based wind power system. IEEE Trans. Ind. Electron. 2016, 63, 4615–4627. [Google Scholar] [CrossRef]
- Durand, C.; Klinger, M.; Coutellier, D.; Naceur, H. Power cycling reliability of power module: A survey. IEEE Trans. Device Mater. Reliab. 2016, 16, 80–97. [Google Scholar] [CrossRef]
- Niu, H. A review of power cycle driven fatigue, aging and failure modes for semiconductors power module. In Proceedings of the 2017 IEEE International Electrical Machines and Drives Conference, Miami, FL, USA, 21–24 May 2017; pp. 1–8. [Google Scholar]
- Ounejjar, Y.; AL-Haddad, K. Current control of the three phase five-level PUC-NPC converter. In Proceedings of the 38th Annual Conference on IEEE Industrial Electronics Society (IECON 2012), Montreal, QC, USA, 25–28 October 2012; pp. 4949–4954. [Google Scholar] [CrossRef]
- Song, W.; Feng, X.; Xiong, C. A neutral point voltage regulation method with SVPWM control for single-phase three-level NPC converters. In Proceedings of the IEEE Vehicle Power and Propulsion Conference (VPPC2008), Harbin, China, 3–5 September 2008; pp. 1–4. [Google Scholar] [CrossRef]
- Li, J.; Liu, Y.; Bhattacharya, S.; Huang, A.Q. An optimum PWM Strategy for 5-level active NPC (ANPC) converter based on real-time solution for THD minimization. In Proceedings of the IEEE Energy Conversion Congress and Exposition, San Jose, CA, USA, 20–24 September 2009; pp. 1976–1982. [Google Scholar] [CrossRef]
- Song, K.; Konstantinou, G.; Mingli, W.; Acuna, P.; Aguilera, R.P.; Agelidis, V.G. Windowed SHE-PWM of Interleaved Four-Quadrant Converters for Resonance Suppression in Traction Power Supply Systems. IEEE Trans. Power Electron. 2017, 32, 7870–7881. [Google Scholar] [CrossRef]

























| Symbol | Quantity |
|---|---|
| Vdc | 100 V |
| R | 27.7 Ω |
| L | 9 mH |
| fpwm | 1 kHz |
| m | 0.8 |
| Vo* | i(t) > 0 | i(t) < 0 | ||
|---|---|---|---|---|
| States | Passing Component | States | Passing Components | |
| Vdc | S1 | T11, T12, T23, T24 | S10 | D11, D12, D23, D24 |
| Vdc/2 | S2 | DC1+, T12, T23, T24 | S11 | D11, D12, T22, DC2+ |
| S3 | T11, T12, T23, DC2− | S12 | DC1−, T13, D23, D24 | |
| 0 | S4 | DC1+, T12, T23, DC2− | S13 | DC1−, T13, DC2+, T22 |
| S5 | T23, T24, D14, D13 | S14 | D11, D12, T21, T22 | |
| S6 | T11, T12, D22, D21 | S15 | T13, T14, D23, D24 | |
| −Vdc/2 | S7 | D13, D14, DC2−, T23 | S16 | T13, T14, T22, DC2+ |
| S8 | DC1+, T12, D21, D22 | S17 | DC1−, T13, T21, T22 | |
| −Vdc | S9 | D13, D14, D21, D22 | S18 | T13, T14, T21, T22 |
| Initial Output Voltage Level | Final Output Voltage Level | Selected Trajectories |
|---|---|---|
| Vo = Vdc | Vo = Vdc/2 | S1 → S2 S1 → S3 |
| Vo = Vdc | Vo = 0 | S1 → S4 S1 → S5 S1 → S6 |
| Vo = Vdc | Vo = −Vdc/2 | S1 → S5 → S8, S1 → S6 → S7 |
| Vo =Vdc | Vo = −Vdc | S1 → S5 → S9 S1 → S6 → S9 |
| Vo = Vdc/2 | Vo= 0 | S2 → S4 S3 → S4 |
| Vo = Vdc/2 | Vo = −Vdc/2 | S2 → S4 → S7 S2 → S4 → S8 S2 → S5 → S8 S3 → S4 → S7 S3 → S4 → S8 S3 → S6 → S7 |
| Vo = Vdc/2 | Vo = −Vdc | S2 → S5 → S9 S3 → S6 → S9 |
| Vo = −Vdc | Vo = 0 | S9 → S5 S9 → S6 |
| Vo = −Vdc | Vo = −Vdc/2 | S9 → S7 S9 → S8 |
| Vo = −Vdc/2 | Vo = 0 | S7 → S6 S8 → S5 |
| Frequency | Current THD OPT-PWM | Current THD LS-PWM |
|---|---|---|
| 1 kHz | 7.17% | 7.50% |
| 2 kHz | 4.28% | 4.48% |
| 3 kHz | 3.38% | 4.11% |
| 4 kHz | 2.49% | 3.2% |
© 2019 by the authors. Licensee MDPI, Basel, Switzerland. This article is an open access article distributed under the terms and conditions of the Creative Commons Attribution (CC BY) license (http://creativecommons.org/licenses/by/4.0/).
Share and Cite
Becker, F.; Jamshidpour, E.; Poure, P.; Saadate, S. Modulation Strategy with a Minimal Number of Commutations for a Five-Level H-Bridge NPC Inverter. Electronics 2019, 8, 454. https://doi.org/10.3390/electronics8040454
Becker F, Jamshidpour E, Poure P, Saadate S. Modulation Strategy with a Minimal Number of Commutations for a Five-Level H-Bridge NPC Inverter. Electronics. 2019; 8(4):454. https://doi.org/10.3390/electronics8040454
Chicago/Turabian StyleBecker, Florent, Ehsan Jamshidpour, Philippe Poure, and Shahrokh Saadate. 2019. "Modulation Strategy with a Minimal Number of Commutations for a Five-Level H-Bridge NPC Inverter" Electronics 8, no. 4: 454. https://doi.org/10.3390/electronics8040454
APA StyleBecker, F., Jamshidpour, E., Poure, P., & Saadate, S. (2019). Modulation Strategy with a Minimal Number of Commutations for a Five-Level H-Bridge NPC Inverter. Electronics, 8(4), 454. https://doi.org/10.3390/electronics8040454

