Robust Stable Control Design for AC Power Supply Applications
Abstract
1. Introduction
2. System Modeling
3. Control Technology Design
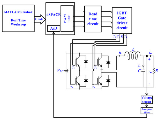
4. Simulation and Experimental Results
5. Discussion
6. Conclusions
Author Contributions
Funding
Acknowledgments
Conflicts of Interest
References
- Wilamowski, B.M.; Irwin, J.D. Power Electronics and Motor Drives; CRC Press: Boca Raton, FL, USA, 2011. [Google Scholar]
- Lu, N.J.; Yang, S.F.; Tang, Y. Ripple Current Reduction for Fuel-Cell-Powered Single-Phase Uninterruptible Power Supplies. IEEE Trans. Ind. Electron. 2017, 64, 6607–6617. [Google Scholar] [CrossRef]
- Vaidyanathan, S.; Lien, C.H. Applications of Sliding Mode Control in Science and Engineering; Springer: New York, NY, USA, 2017. [Google Scholar]
- LWu, G.; Shi, P.; Su, X.J. Sliding Mode Control of Uncertain Parameter-Switching Hybrid Systems; Wiley: New York, NY, USA, 2014. [Google Scholar]
- Pichan, M.; Rastegar, H. Sliding-Mode Control of Four-Leg Inverter with Fixed Switching Frequency for Uninterruptible Power Supply Applications. IEEE Trans. Ind. Electron. 2017, 64, 6805–6814. [Google Scholar] [CrossRef]
- Gautam, A.R.; Gourav, K.; Guerrero, J.M.; Fulwani, D.M. Ripple Mitigation with Improved Line-Load Transients Response in a Two-Stage DC–DC–AC Converter: Adaptive SMC Approach. IEEE Trans. Ind. Electron. 2018, 65, 3125–3135. [Google Scholar] [CrossRef]
- Altin, N.; Ozdemir, S.; Komurcugil, H.; Sefa, I. Sliding-Mode Control in Natural Frame with Reduced Number of Sensors for Three-Phase Grid-TiedLCL-Interfaced Inverters. IEEE Trans. Ind. Electron. 2019, 66, 2903–2913. [Google Scholar] [CrossRef]
- Lu, K.F.; Xia, Y.Q.; Yu, C.M.; Liu, H.L. Finite-Time Tracking Control of Rigid Spacecraft Under Actuator Saturations and Faults. IEEE Trans. Autom. Sci. Eng. 2016, 13, 368–381. [Google Scholar] [CrossRef]
- Hussian, A.; Zhao, X.D.; Zong, G.D. Finite-Time Exact Tracking Control for a Class of Non-linear Dynamical Systems. IET Control Theory Appl. 2017, 11, 2020–2027. [Google Scholar] [CrossRef]
- Golestani, M.; Mobayen, S.; Tchier, F. Adaptive Finite-Time Tracking Control of Uncertain Non-linear n-Order Systems with Unmatched Uncertainties. IET Control Theory Appl. 2016, 10, 1675–1683. [Google Scholar] [CrossRef]
- Peltoniemi, P.; Nuutinen, P.; Pyrhonen, J. Observer-Based Output Voltage Control for DC Power Distribution Purposes. IEEE Trans. Power Electron. 2013, 28, 1914–1926. [Google Scholar] [CrossRef]
- Wu, X.B.; Liu, Q.; Zhao, M.L.; Chen, M.Y. Monolithic Quasi-Sliding-Mode Controller for SIDO Buck Converter with a Self-Adaptive Free-wheeling Current Level. J. Semicond. 2013, 34, 1–7. [Google Scholar] [CrossRef]
- Shen, L.; Lu, D.D.; Li, C. Adaptive Sliding Mode Control Method for DC-DC Converters. IET Power Electron. 2015, 8, 1723–1732. [Google Scholar] [CrossRef]
- Liu, S.F.; Lin, Y. Advances in Grey Systems Research; Springer: Heidelberg/Berlin, Germany, 2010. [Google Scholar]
- Deng, J.L. Introduction to grey system theory. J. Grey Syst. 1989, 1, 1–24. [Google Scholar]
- Wang, M.H.; Tsai, H.H. Fuel cell fault forecasting system using grey and extension theories. IET Renew. Power Gener. 2012, 6, 373–380. [Google Scholar] [CrossRef]
- Wang, M.D.; Wang, X.K.; Su, X.J.; Li, X.Y.; Yang, Y.H. Generator governing system based on grey prediction and extension control. IET Gener. Transm. Distrib. 2017, 11, 3776–3782. [Google Scholar] [CrossRef]
- Truong, D.Q.; Ahn, K.K.; Trung, N.T. Design of An Advanced Time Delay Measurement and A Smart Adaptive Unequal Interval Grey Predictor for Real-Time Nonlinear Control Systems. IEEE Trans. Ind. Electron. 2013, 60, 4574–4589. [Google Scholar] [CrossRef]
- Samet, H.; Mojallal, A. Enhancement of Electric ARC Furnace Reactive Power Compensation Using Grey-Markov Prediction Method. IET Gener. Transm. Distrib. 2014, 8, 1626–1636. [Google Scholar] [CrossRef]
- Ahmad, A.A.; Abrishamifar, A.; Farzi, M. A New Design Procedure for Output LC Filter of Single Phase Inverters. In Proceedings of the International Conference Power Electronics and Intelligent Transportation System, Shenzhen, China, 13–14 November 2010; pp. 86–91. [Google Scholar]
- Dahono, P.A.; Purwadi, A.; Qamaruzzaman. An LC filter Design Method for Single-Phase PWM Inverters. In Proceedings of the International Conference Power Electronics and Drive Systems, Singapore, 21–24 February 1995; pp. 571–576. [Google Scholar]
- Kim, H.S.; Sul, S.K. A Novel Filter Design for Output LC Filters of PWM Inverters. J. Power Electron. 2011, 11, 74–81. [Google Scholar] [CrossRef]
- Darvishzadeh, S.; Rahmati, A.; Abrishamifar, A. Comparative Study of Different Switching Surfaces for Sliding Mode Control of a 40 kVA Single-phase UPS Inverter. Int. J. Comput. Electr. Eng. 2012, 4, 933–936. [Google Scholar] [CrossRef]
- Aamir, M.; Kalwar, K.A.; Mekhilef, S. Proportional-Resonant and Slide Mode Control for Single-Phase UPS Inverter. Electr. Power Compon. Syst. 2017, 45, 11–21. [Google Scholar] [CrossRef]
- Ribas, S.P.; Maccari, L.A.; Pinheiro, H.; Oliveira, R.C.; Montagner, V.F. Design and Implementation of a Discrete-time H-infinity Controller for Uninterruptible Power Supply Systems. IET Power Electron. 2014, 7, 2233–2241. [Google Scholar] [CrossRef]
- Bevrani, H.; Feizi, M.R.; Ataee, S. Robust Frequency Control in an Islanded Microgrid: H-infinity and Mu-Synthesis Approaches. IEEE Trans. Smart Grid 2016, 7, 706–717. [Google Scholar] [CrossRef]
- Ekneligoda, N.C.; Weaver, W.W. Game-Theoretic Cold-Start Transient Optimization in DC Microgrids. IEEE Trans. Ind. Electron. 2014, 61, 6681–6690. [Google Scholar] [CrossRef]
- Valenciaga, F.; Fernandez, R.D. Multiple-Input–Multiple-Output High-Order Sliding Mode Control for a Permanent Magnet Synchronous Generator Wind-Based System with Grid Support Capabilities. IET Renew. Power Gener. 2015, 9, 925–934. [Google Scholar] [CrossRef]
- Dehkordi, N.M.; Sadati, N.; Hamzeh, M. A Robust Backstepping High-Order Sliding Mode Control Strategy for Grid-Connected DG Units with Harmonic/Interharmonic Current Compensation Capability. IEEE Trans. Sustain. Energy 2017, 8, 561–572. [Google Scholar] [CrossRef]
- Chen, D.; Jun, Y.; Wang, Z.; Li, S.H. Universal Active Disturbance Rejection Control for Non-linear Systems with Multiple Disturbances via a High-Order Sliding Mode Observer. IET Control Theory Appl. 2017, 11, 1194–1204. [Google Scholar]
- Cheng, C.A.; Cheng, H.L.; Chang, C.H.; Chang, E.C.; Yang, F.L. Design and Implementation of a Novel High-Step-Up DC-DC Converter. Appl. Mech. Mater. 2013, 284–287, 2498–2501. [Google Scholar]
- Cheng, C.A.; Chang, E.C.; Tseng, C.S.; Chung, T.Y. A Novel High-Power-Factor LED-Lamp Driver Based on a Single-Stage Power Conversion. In Proceedings of the 2014 International Symposium on Computer, Consumer and Control, Taichung, Taiwan, 10–12 June 2014; pp. 1287–1290. [Google Scholar]
- Liu, Y.C.; Chang, E.C.; Lin, Y.L.; Lin, C.Y. A Novel Online Insulation Fault Detection Circuit for DC Power Supply Systems. Int. J. Smart Grid Clean Energy 2018, 7, 64–73. [Google Scholar] [CrossRef]















| DC-Link Voltage | VDC = 200 V | 
|---|---|
| Filter inductor | L = 0.5 mH | 
| Filter capacitor | C = 20 μF | 
| Resistive load | R =12 Ω | 
| Output voltage and frequency | vo = 110 Vrms, f = 60 Hz | 
| Switching frequency | fs = 15 kHz | 
| Simulations | Modified Control Technology | |
| Step loading (Voltage Slump) | LC variation (Voltage THD) | |
| 3 Vrms | 0.08% | |
| Classic FTCC | ||
| Step loading (Voltage Slump) | LC variation (Voltage THD) | |
| 32 Vrms | 10.72% | |
| Experiments | Modified Control Technology | |
| Step loading (Voltage Slump) | Rectifier load (Voltage THD) | |
| 5 Vrms | 1.35% | |
| Classic FTCC | ||
| Step loading (Voltage Slump) | Rectifier load (Voltage THD) | |
| 30 Vrms | 8.92% | |
© 2019 by the authors. Licensee MDPI, Basel, Switzerland. This article is an open access article distributed under the terms and conditions of the Creative Commons Attribution (CC BY) license (http://creativecommons.org/licenses/by/4.0/).
Share and Cite
Chang, E.-C.; Yang, S.-C.; Wu, R.-C. Robust Stable Control Design for AC Power Supply Applications. Electronics 2019, 8, 419. https://doi.org/10.3390/electronics8040419
Chang E-C, Yang S-C, Wu R-C. Robust Stable Control Design for AC Power Supply Applications. Electronics. 2019; 8(4):419. https://doi.org/10.3390/electronics8040419
Chicago/Turabian StyleChang, En-Chih, Sung-Chi Yang, and Rong-Ching Wu. 2019. "Robust Stable Control Design for AC Power Supply Applications" Electronics 8, no. 4: 419. https://doi.org/10.3390/electronics8040419
APA StyleChang, E.-C., Yang, S.-C., & Wu, R.-C. (2019). Robust Stable Control Design for AC Power Supply Applications. Electronics, 8(4), 419. https://doi.org/10.3390/electronics8040419
 
        

 
       