Analysis of Memory Matrices with HfO2 Memristors in a PSpice Environment
Abstract
:1. Introduction
2. A Brief Overview of the Applied Memristor Mathematical Models
3. PSpice Memristor Models
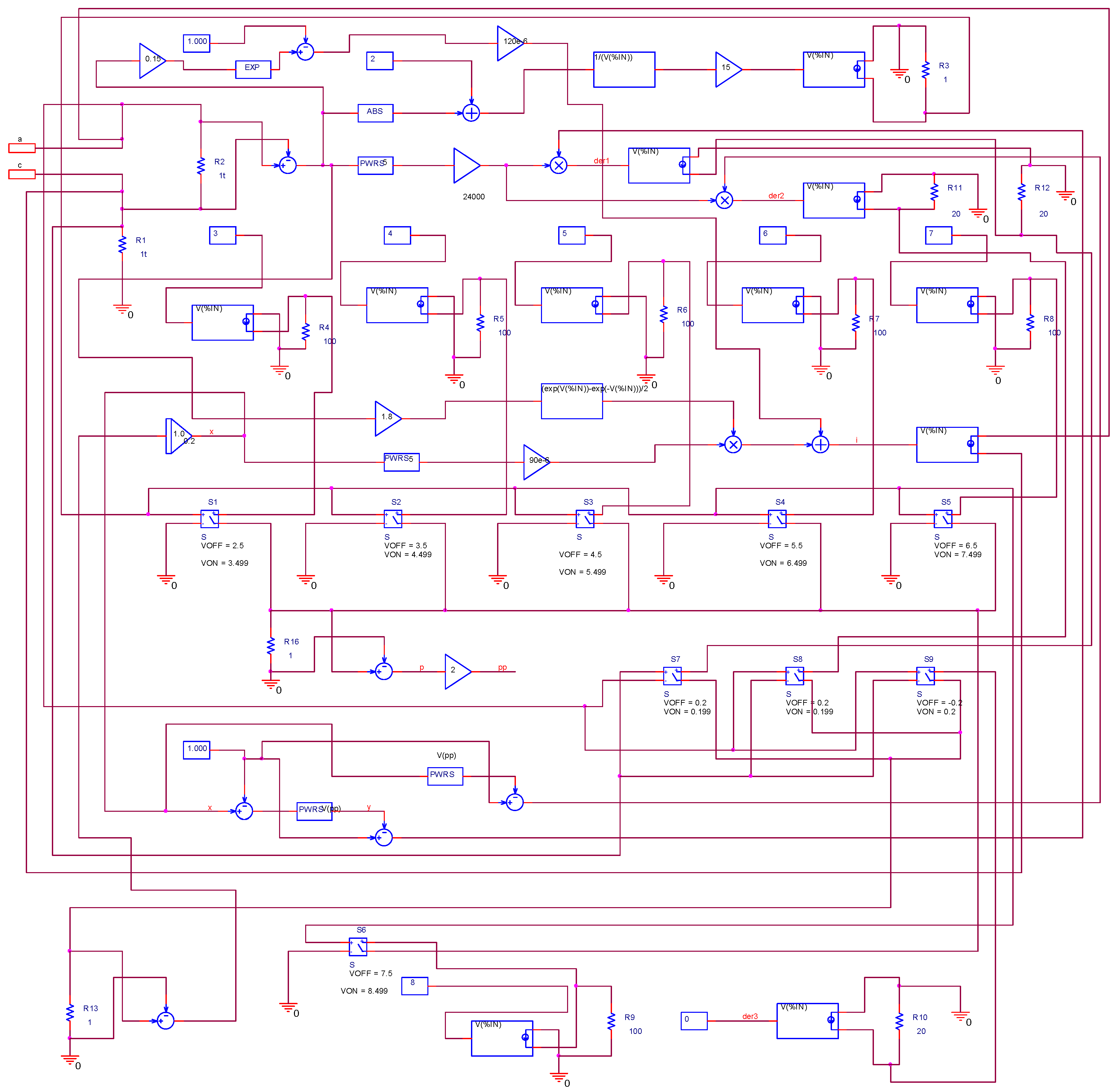
4. PSpice Analysis of a Hybrid Memristor Memory Crossbar
5. PSpice Analysis of a Passive Memristor Memory Matrix
6. Conclusions
Author Contributions
Funding
Conflicts of Interest
Appendix A
Appendix B
References
- Dearnaley, G.; Stoneham, A.; Morgan, D. Electrical phenomena in amorphous oxide films. Rep. Prog. Phys. 1970, 33, 1129–1191. [Google Scholar] [CrossRef]
- Oxley, D. Electroforming, Switching and Memory Effects in Oxide Thin Films. Electrocomponent Sci. Technol. 1976, 4, 217–224. [Google Scholar] [CrossRef]
- Chua, L. Memristor—The Missing Circuit Element. IEEE Trans. Circuit Theory 1971, 18, 507–519. [Google Scholar] [CrossRef]
- Strukov, D.B.; Snider, G.S.; Stewart, D.R.; Williams, R.S. The Missing Memristor Found. Nature 2008, 453, 80–83. [Google Scholar] [CrossRef] [PubMed]
- Joglekar, Y.; Wolf, S. The Elusive Memristor: Properties of Basic Electrical Circuits. Eur. J. Phys. 2009, 30, 661–675. [Google Scholar] [CrossRef]
- Biolek, D.; Biolkova, V. SPICE Model of Memristor with Nonlinear Dopant Drift. Radioengineering 2009, 18, 210–214. [Google Scholar]
- Lupo, N.; Bonizzoni, E.; Pérez, E.; Wenger, C.; Maloberti, F. A Voltage-Time Model for Memristive Devices. IEEE Trans. Very Large Scale Integr. VLSI Syst. 2018, 26, 1452–1460. [Google Scholar] [CrossRef]
- Amer, C.; Sayyaparaju, S.; Rose, G.; Beckmann, K.; Cady, N. A practical hafnium-oxide memristor model suitable for circuit design and simulation. In Proceedings of the 2017 IEEE International Symposium on Circuits and Systems (ISCAS), Baltimore, MD, USA, 28–31 May 2017. [Google Scholar]
- Corinto, F.; Ascoli, A. A Boundary Condition-Based Approach to the Modeling of Memristor Nanostructures. IEEE Trans. Circuits Syst. Regul. Pap. 2012, 59, 2713–2726. [Google Scholar] [CrossRef]
- Ascoli, A.; Tetzlaff, R.; Biolek, Z.; Kolka, Z.; Biolkovà, V.; Biolek, D. The Art of Finding Accurate Memristor Model Solutions. IEEE J. Emerging Sel. Top. Circuits Syst. 2015, 5, 133–142. [Google Scholar] [CrossRef]
- Dozortsev, A.; Goldshtein, I.; Kvatinsky, S. Analysis of the row grounding technique in a memristor-based crossbar array. Int. J. Circ. Theor. Appl. 2017, 1–16. [Google Scholar] [CrossRef]
- Yang, J.; Zhang, M.; Pickett, M.; Miao, F.; Strachan, J.; Li, W.; Yi, W.; Ohlberg, D.; Choi, B.; Wu, W.; et al. Engineering nonlinearity into memristors for passive crossbar applications. Appl. Phys. Lett. 2012, 100, 1–5. [Google Scholar]
- Hamdioui, S.; Xie, L.; Nguyen, H.A.D.; Taouil, M.; Bertels, K.; Corporaal, H.; Jiao, H.; Catthoor, F.; Wouters, D.; Eike, L.; et al. Memristor Based Computation-in-Memory Architecture for Data-Intensive Applications. In Proceedings of the 2015 Design, Automation & Test in Europe Conference & Exhibition (DATE), Grenoble, France, 9–13 March 2015. [Google Scholar]
- Raj, S.; Chakraborty, D.; Jha, S.K. In-memory flow-based stochastic computing on memristor crossbars using bit-vector stochastic streams. In Proceedings of the 2017 IEEE 17th International Conference on Nanotechnology (IEEE-NANO), Pittsburgh, PA, USA, 25–28 July 2017. [Google Scholar]
- Hamdioui, S.; Taouil, M.; Nguyen, H.A.D.; Haron, A.; Xie, L.; Bertels, K. Memristor: The Enabler of Computation-in-Memory Architecture for Big-Data. In Proceedings of the 2015 International Conference on Memristive Systems (MEMRISYS), Paphos, Cyprus, 8–10 November 2015. [Google Scholar]
- Mladenov, V. Analysis and Simulations of Hybrid Memory Scheme Based on Memristors. Electronics 2018, 7, 289. [Google Scholar] [CrossRef]
- Abdalla, H.; Pickett, M. SPICE modelling of memristors. In Proceedings of the 2011 IEEE International Symposium of Circuits and Systems (ISCAS), Rio de Janeiro, Brazil, 15–18 May 2011. [Google Scholar]
- Linn, E.; Siemon, A.; Waser, R.; Menzel, S. Applicability of Well-Established Memristive Models for Simulations of Resistive Switching Devices. IEEE Trans. Circuits Syst. I Regul. Pap. 2014, 61, 2402–2410. [Google Scholar] [CrossRef]
- Kumar, S.; Wang, Z.; Huang, X.; Kumari, N.; Davila, N.; Strachan, J.; Vine, D.; Kilcoyne, A.; Nishi, Y.; Williams, R. Oxygen migration during resistance switching and failure of hafnium oxide memristors. Appl. Phys. Lett. 2017, 110, 103503. [Google Scholar] [CrossRef]
- Yang, J.J.; Pickett, M.D.; Li, X.; Ohlberg, D.A.A.; Stewart, D.R.; Williams, R.S. Memristive switching mechanism for metal/oxide/metal nanodevices. Nat. Nanotechnol. 2008, 3, 429–433. [Google Scholar] [CrossRef] [PubMed]
- Lehtonen, E.; Laiho, M. CNN using memristors for neighborhood connections. In Proceedings of the 2010 12th InternationalWorkshop on Cellular Nanoscale Networks and their Applications (CNNA 2010), Berkeley, CA, USA, 3–5 February 2010. [Google Scholar]
- Ho, Y.; Huang, G.M.; Li, P. Dynamical Properties and Design Analysis for Nonvolatile Memristor Memories. IEEE Trans. Circuits Syst. I Regul. Pap. 2011, 58, 724–736. [Google Scholar] [CrossRef]
- Serb, A.; Redman-White, W.; Papavassiliou, C.; Prodromakis, T. Practical determination of individual element resistive states in selectorless RRAM arrays. IEEE Trans. Circuits Syst. I Regul. Pap. 2016, 63, 827–835. [Google Scholar] [CrossRef]
- Haron, N.; Hamdioui, S. On Defect Oriented Testing for Hybrid CMOS/Memristor Memory. In Proceedings of the IEEE Asian Test Symposium, New Delhi, India, 20–23 November 2011. [Google Scholar]
- Mladenov, V.; Kirilov, S. Advanced Memristor Model with a Modified Biolek Window and a Voltage-Dependent Variable Exponent. IAPGOS 2018, 8, 15–20. [Google Scholar] [CrossRef]
- Fleck, K.; la Torre, C.; Aslam, N.; Hoffmann-Eifert, S.; Böttger, V.; Menzel, S. Uniting Gradual and Abrupt SET Processes in Resistive Switching Oxides. Phys. Rev. Appl. 2016, 6, 064015. [Google Scholar] [CrossRef]
- Jiang, Z.; Wu, Y.; Yu, S.; Yang, L.; Song, K.; Karim, Z.; Wong, H.-P. A Compact Model for Metal-Oxide Resistive Random Access Memory with Experiment Verification. IEEE Trans. Electron Devices 2016, 63, 1884–1892. [Google Scholar] [CrossRef]
- Palm, W. Introduction to MATLAB for Engineers; McGraw-Hill: New York, NY, USA, 2011; ISBN 978-1-259-01205-1. [Google Scholar]
- Rashid, M. Introduction to PSpice Using OrCAD for Circuits and Electronics, 3rd ed.; Prentice Hall: Upper Saddle River, NJ, USA, 2004; ISBN 0-13-101988-0. [Google Scholar]
- Ascoli, A.; Corinto, F.; Senger, V.; Tetzlaff, R. Memristor model comparison. IEEE Circuits Syst. Mag. 2013, 13, 89–105. [Google Scholar] [CrossRef]








| Symbol | Electrical Quantity | Value, System International |
|---|---|---|
| α | V−1 | 1.8 |
| β | µA | 90 |
| γ | V−1 | 0.15 |
| χ | µA | 150 |
| a | Vm | 1 |
| s | - | 5 |
| x0 | - | 0.4 |
| b | V | 15 |
| c | V | 2 |
| n | - | 5 |
| p | - | 5 |
| Symbol | Parameter | Value, SI | Single Cell | 1T1R | 10T25R |
|---|---|---|---|---|---|
| Tsw | Switching time | µs | 0.34 | 0.36 | 0.38 |
| ROFF/RON | OFF to ON ratio | - | 258 | 255 | 250 |
| VON | ON voltage | V | 1.21 | 1.25 | 1.27 |
| VOFF | OFF voltage | V | 0.91 | 0.93 | 0.95 |
| Pstatic selected | Static power consumption | µW | 0.35 | 0.45 | 2.1 |
| Pstatic un-selected | Static power consumption | µW | 0.1 | 0.2 | 0.4 |
| Pdynamic selected | Dynamic consumption | µW | 11 | 14 | 43 |
| Pdynamic un-selected | Dynamic power | µW | 0.7 | 0.8 | 1.2 |
| Parameter | Unit | Joglekar Window | Biolek Window | Joglekar Modified | Biolek Modified |
|---|---|---|---|---|---|
| ei | % | 4.6 | 5.4 | 4.4 | 5.1 |
© 2019 by the author. Licensee MDPI, Basel, Switzerland. This article is an open access article distributed under the terms and conditions of the Creative Commons Attribution (CC BY) license (http://creativecommons.org/licenses/by/4.0/).
Share and Cite
Mladenov, V. Analysis of Memory Matrices with HfO2 Memristors in a PSpice Environment. Electronics 2019, 8, 383. https://doi.org/10.3390/electronics8040383
Mladenov V. Analysis of Memory Matrices with HfO2 Memristors in a PSpice Environment. Electronics. 2019; 8(4):383. https://doi.org/10.3390/electronics8040383
Chicago/Turabian StyleMladenov, Valeri. 2019. "Analysis of Memory Matrices with HfO2 Memristors in a PSpice Environment" Electronics 8, no. 4: 383. https://doi.org/10.3390/electronics8040383
APA StyleMladenov, V. (2019). Analysis of Memory Matrices with HfO2 Memristors in a PSpice Environment. Electronics, 8(4), 383. https://doi.org/10.3390/electronics8040383
