Improved Synchronized Space Vector PWM Strategy for Three-Level Inverter at Low Modulation Index
Abstract
:1. Introduction
2. Space Vector Modulation of Three-Level Inverter
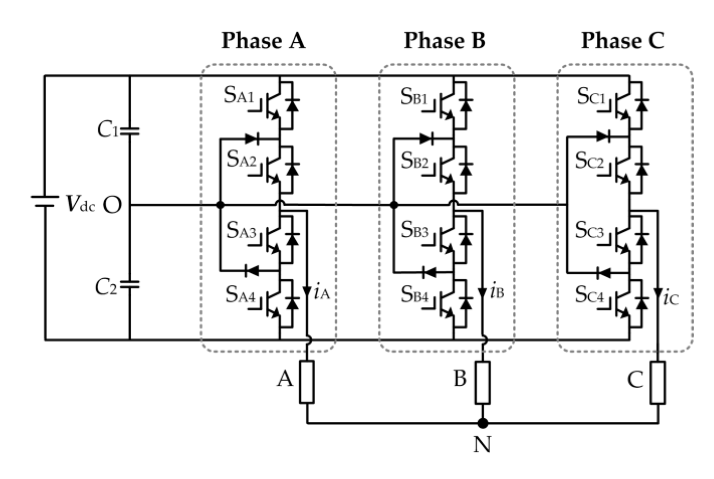
2.1. NPC Three-Level Inverter
2.2. Traditional Synchronized Discontinuous Space Vector Modulation Strategy
3. Improved Synchronized Space Vector Modulation Strategy
3.1. Switching Frequency Reduction
3.1.1. Switching Number Analysis of Conventional Modulation Strategy
3.1.2. Improved Design Method of Switch Sequence for Modulation Strategy
3.2. Common-Mode Voltage Suppression
4. Switching Loss and Common Mode Voltage Amplitude Analysis
4.1. Switching Loss Analysis
4.2. Common-Mode Voltage Analysis
5. Analysis of Experimental Results
6. Conclusions
Author Contributions
Funding
Conflicts of Interest
References
- Zhang, G.; Wei, B.; Gu, X.; Li, X.; Zhou, Z.; Chen, W. Sector Subdivision Based SVPWM Strategy of Neutral-Point-Clamped Three-Level Inverter for Current Ripple Reduction. Energies 2019, 12, 2734. [Google Scholar] [CrossRef]
- Mukherjee, S.; Santu, K.G.; Banerjee, S.A. Flexible Discontinuous Modulation Scheme With Hybrid Capacitor Voltage Balancing Strategy for Three-Level NPC Traction Inverter. IEEE Trans. Ind. Electron. 2019, 66, 3333–3343. [Google Scholar] [CrossRef]
- Zhang, Y.; Bai, Y.; Yang, H.; Zhang, B. Low Switching Frequency Model Predictive Control of Three-Level Inverter-Fed IM Drives With Speed-Sensorless and Field-Weakening Operations. IEEE Trans. Ind. Electron. 2019, 66, 4262–4272. [Google Scholar] [CrossRef]
- Rathore, A.K.; Holtz, J.; Boller, T. Synchronous Optimal Pulse width Modulation for Low-Switching-Frequency Control of Medium-Voltage Multilevel Inverters. IEEE Trans. Ind. Electron. 2010, 57, 2374–2381. [Google Scholar] [CrossRef]
- Kumar, P.R.; Rajeevan, P.P.; Mathew, K.; Gopakumar, K.; Leon, J.I.; Franquelo, L.G. A Three-Level Common-Mode Voltage Eliminated Inverter With Single DC Supply Using Flying Capacitor Inverter and Cascaded H-Bridge. IEEE Trans. Power Electron. 2014, 29, 1402–1409. [Google Scholar] [CrossRef]
- Chaturvedi, P.K.; Jain, S.; Agarwal, P. Reduced switching loss pulse width modulation technique for three-level diode clamped inverter. IET Power Electron. 2011, 4, 393–399. [Google Scholar] [CrossRef]
- Chaturvedi, P.; Jain, S.; Agarwal, P. Carrier-Based Neutral Point Potential Regulator With Reduced Switching Losses for Three-Level Diode-Clamped Inverter. IEEE Trans. Ind. Electron. 2014, 61, 613–624. [Google Scholar] [CrossRef]
- Jiao, Y.; Lee, F.C.; Lu, S.Z. Space vector modulation for three-level NPC inverter with neutral point voltage balance and switching loss reduction. IEEE Trans. Power Electron. 2014, 29, 5579–5591. [Google Scholar] [CrossRef]
- Xia, C.; Zhang, G.; Yan, Y. Discontinuous Space Vector PWM Strategy of Neutral-Point-Clamped Three-Level Inverters for Output Current Ripple Reduction. IEEE Trans. Power Electron. 2017, 32, 5109–5121. [Google Scholar] [CrossRef]
- Mukherjee, S.; Giri, S.K.; Kundu, S.; Banerjee, S. A Generalized Discontinuous PWM Scheme for Three-Level NPC Traction Inverter With Minimum Switching Loss for Electric Vehicles. IEEE Trans. Ind. Appl. 2019, 55, 516–528. [Google Scholar] [CrossRef]
- Videt, A.; Le Moigne, P.; Idir, N.; Baudesson, P.; Cimetiere, X. A New Carrier-Based PWM Providing Common-Mode-Current Reduction and DC-Bus Balancing for Three-Level Inverters. IEEE Trans. Ind. Electron. 2007, 54, 3001–3011. [Google Scholar] [CrossRef]
- Nguyen, N.V.; Nguyen, T.-K.T.; Lee, H.-H. A reduced switching loss PWM strategy to eliminate common-mode voltage in multilevel inverters. IEEE Trans. Power Electron. 2015, 30, 5425–5438. [Google Scholar] [CrossRef]
- Nguyen, T.K.T.; Nguyen, N.V.; Prasad, N.R. Eliminated Common-Mode Voltage Pulse width Modulation to Reduce Output Current Ripple for Multilevel Inverters. IEEE Trans. Power Electron. 2016, 31, 5952–5966. [Google Scholar] [CrossRef]
- Nguyen, T.K.T.; Nguyen, N.V.; Novel Prasad, N.R. Eliminated Common-Mode Voltage PWM Sequences and an Online Algorithm to Reduce Current Ripple for a Three-Level Inverter. IEEE Trans. Power Electron. 2017, 32, 7482–7493. [Google Scholar] [CrossRef]
- Xing, X.; Li, X.; Gao, F. Improved Space Vector Modulation Technique for Neutral-Point Voltage Oscillation and Common-Mode Voltage Reduction in Three-Level Inverter. IEEE Trans. Power Electron. 2019, 34, 8697–8714. [Google Scholar] [CrossRef]
- Narayanan, G.; Ranganathan, V.T. Synchronised PWM strategies based on space vector approach.Part 1: Principles of waveform generation. IEE Proc. Electr. Power Appl. 1999, 146, 267–275. [Google Scholar] [CrossRef]
- Beig, A.R. Synchronized SVPWM Algorithm for the Over-modulation Region of a Low Switching Frequency Medium-Voltage Three-Level VSI. IEEE Trans. Ind. Electron. 2012, 59, 4545–4554. [Google Scholar] [CrossRef]
- Beig, A.R.; Narayanan, G.; Ranganathan, V.T. Modified SVPWM Algorithm for Three Level VSI With Synchronized and Symmetrical Waveforms. IEEE Trans. Ind. Electron. 2007, 54, 486–494. [Google Scholar] [CrossRef]
- Chen, W.; Sun, H.; Gu, X.; Xia, C. Synchronized Space-Vector PWM for Three-Level VSI With Lower Harmonic Distortion and Switching Frequency. IEEE Trans. Power Electron. 2016, 31, 6428–6441. [Google Scholar] [CrossRef]
- Beig, A.R.; Kanukollu, S.; Hosani, K.A. Space-Vector-Based Synchronized Three-Level Discontinuous PWM for Medium-Voltage High-Power VSI. IEEE Trans. Ind. Electron. 2014, 61, 3891–3901. [Google Scholar] [CrossRef]










| Sx1 | Sx2 | Sx3 | Sx4 | Level | Station | 
|---|---|---|---|---|---|
| 1 | 1 | 0 | 0 | Vdc/2 | P | 
| 0 | 1 | 1 | 0 | 0 | O | 
| 0 | 0 | 1 | 1 | −Vdc/2 | N | 
| SDPWMI | SDPWMII | SDPWMIII | SDPWMIV | |
|---|---|---|---|---|
| Vr1 | POO → PPO→ PPP | POO → PPO → PPP | OON → ONN → NNN | OON → ONN → NNN | 
| Vr2 | PPP → PPO→ POO | PPP → PPO → POO | NNN → ONN → OON | NNN → ONN → OON | 
| Vr3 | OON → ONN→ NNN | POO → PPO → PPP | OON → ONN → NNN | POO → PPO → PPP | 
| Vr4 | NNN → ONN→ OON | PPP → PPO → POO | NNN → ONN → OON | PPP → PPO → POO | 
| Vref | Switching State | 
|---|---|
| Vr1 | OOO → POO → PON | 
| Vr2 | PON → POO → OOO | 
| Vr3 | OOO → OON → PON | 
| Vr4 | PON → OON → OOO | 
| Switching Angles SA1 | Switching Angles SA2 | 
|---|---|
| θ1_1: 15° [1 + 2m (sin (−52.5°)] | θ2_1: 15° [9 − 2m sin (7.5°)] | 
| θ1_2: 15° [1 − 2m (sin (−37.5°)] | θ2_2: 15° [9 − 2m sin (22.5°)] | 
| θ1_3: 15° [3 − 2m cos (67.5°)] | θ2_3: 15° [11 − 2m sin (37.5°)] | 
| θ1_4: 15° [3 + 2m cos (82.5°)] | θ2_4: 15° [11 + 2m sin (52.5°)] | 
| Parameters | Unit | Value | 
|---|---|---|
| DC side voltage Vdc | V | 100 | 
| DC side capacitor C1, C2 | μF | 1000 | 
| Load resistance R | Ω | 10 | 
| Load inductance L | mH | 40 | 
| Fundamental frequency f | Hz | 50 | 
© 2019 by the authors. Licensee MDPI, Basel, Switzerland. This article is an open access article distributed under the terms and conditions of the Creative Commons Attribution (CC BY) license (http://creativecommons.org/licenses/by/4.0/).
Share and Cite
Gu, X.; Wei, B.; Zhang, G.; Wang, Z.; Chen, W. Improved Synchronized Space Vector PWM Strategy for Three-Level Inverter at Low Modulation Index. Electronics 2019, 8, 1400. https://doi.org/10.3390/electronics8121400
Gu X, Wei B, Zhang G, Wang Z, Chen W. Improved Synchronized Space Vector PWM Strategy for Three-Level Inverter at Low Modulation Index. Electronics. 2019; 8(12):1400. https://doi.org/10.3390/electronics8121400
Chicago/Turabian StyleGu, Xin, Bingxu Wei, Guozheng Zhang, Zhiqiang Wang, and Wei Chen. 2019. "Improved Synchronized Space Vector PWM Strategy for Three-Level Inverter at Low Modulation Index" Electronics 8, no. 12: 1400. https://doi.org/10.3390/electronics8121400
APA StyleGu, X., Wei, B., Zhang, G., Wang, Z., & Chen, W. (2019). Improved Synchronized Space Vector PWM Strategy for Three-Level Inverter at Low Modulation Index. Electronics, 8(12), 1400. https://doi.org/10.3390/electronics8121400
 
        


 
       