Research on Adaptive Reconfigurable Control Strategy for EV Charging Stack in Complex Scenarios
Abstract
1. Introduction
- (1)
- A unified control framework that couples the optimization of series/parallel connections with an adaptive reservation scheduling algorithm. This framework can adaptively handle both module surplus and module insufficiency—a critical aspect often overlooked in existing literature.
- (2)
- Dynamic optimization of series–parallel configurations throughout the entire charging cycle. Compared with the variable structure scheme based on instantaneous voltage demand and the fixed-structure scheme based on voltage levels, the proposed strategy dynamically adjusts the number of series/parallel module connections according to the real-time state of charge, ensuring that modules consistently operate in their high-efficiency region and thereby achieving lower system losses.
2. Charging Stack Topologies and Mathematical Models
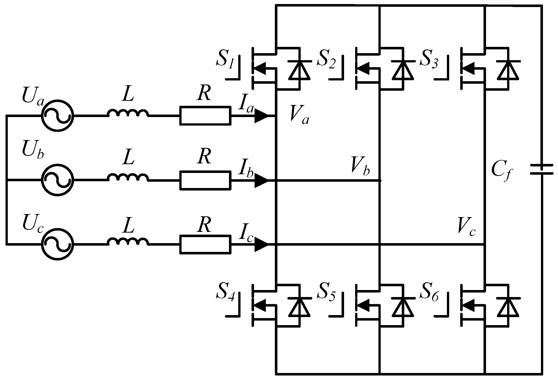
2.1. Charging Stack Architecture
2.2. PWM Mathematical Model
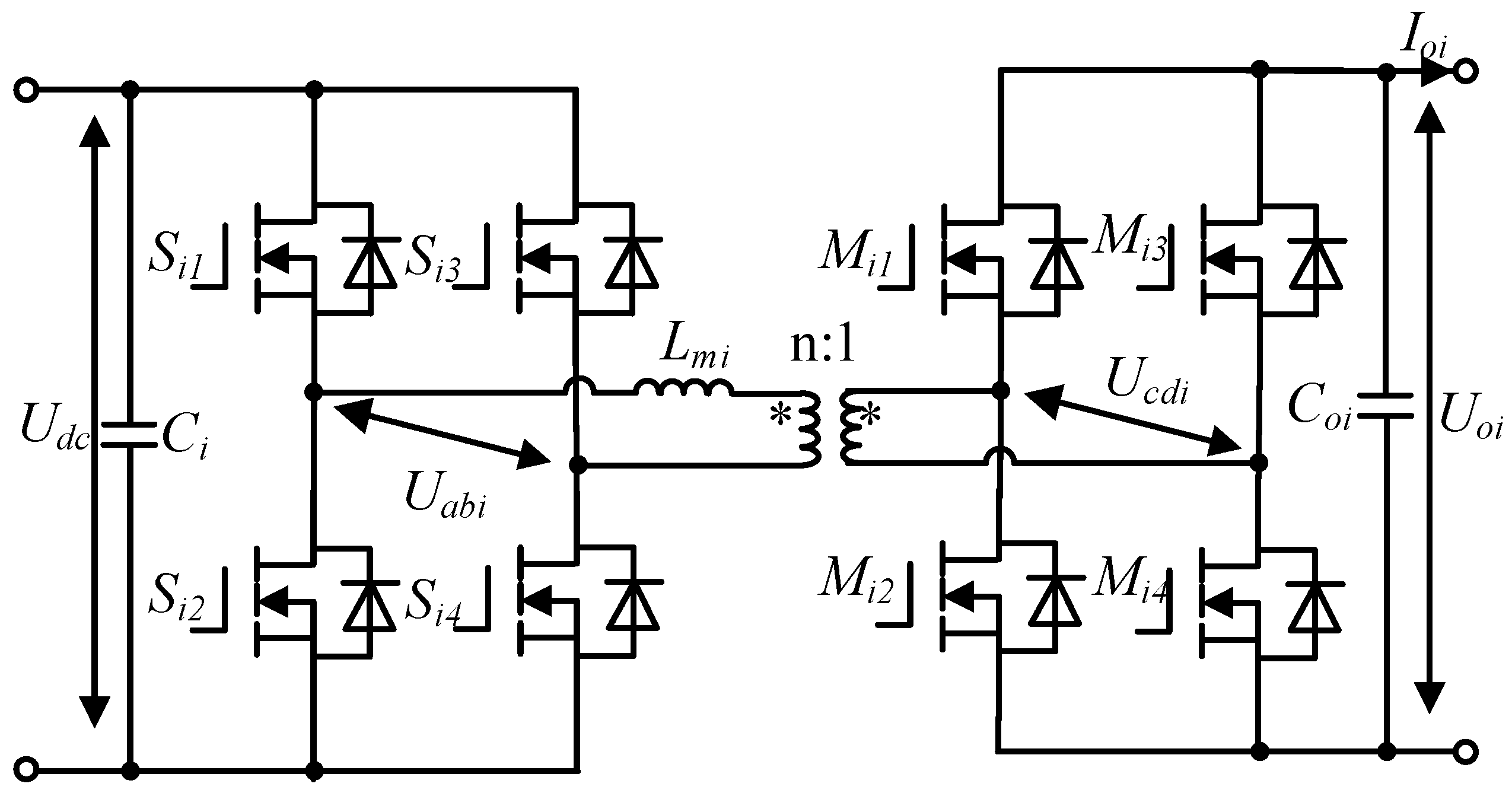
2.3. Mathematical Model of the DAB Converter
2.4. Loss Model for DAB Converters
2.4.1. Conduction Loss
2.4.2. Switching Loss
2.4.3. Magnetic Component Loss
3. Charging Stack Control Strategy
3.1. Adaptive Variable Structure Control Strategy
3.1.1. Module Surplus
3.1.2. Module Insufficiency
| Algorithm 1: Adaptive Variable Structure Control Strategy |
| ) |
| 1: Initialization: Obtain real-time BMS demands for each port i. |
| 2: : |
| 3: via (12)–(13). |
| 4: via (14)–(15). |
| 5: . |
| 6: Scenario Branching: |
| 7: (Module Surplus) Then |
| 8: ) combinations within constraints. |
| 9: via (17). |
| 10: Select the configuration with the lowest loss. |
| 11: Else (Module Insufficiency) Then |
| 12: modules to each port for basic demand. |
| 13: Adaptive Scheduling: Allocate surplus modules based on vehicle connection order. |
| 14: End If |
| 15: to lower-level PI controllers. |
3.2. Closed-Loop Control Strategy for Different Charging Stages
4. Results
4.1. Minimum-Loss Charging Scheme Validation
4.2. Minimum-Loss Charging Scheme Validation
4.2.1. 400 V EV
4.2.2. 800 V EV
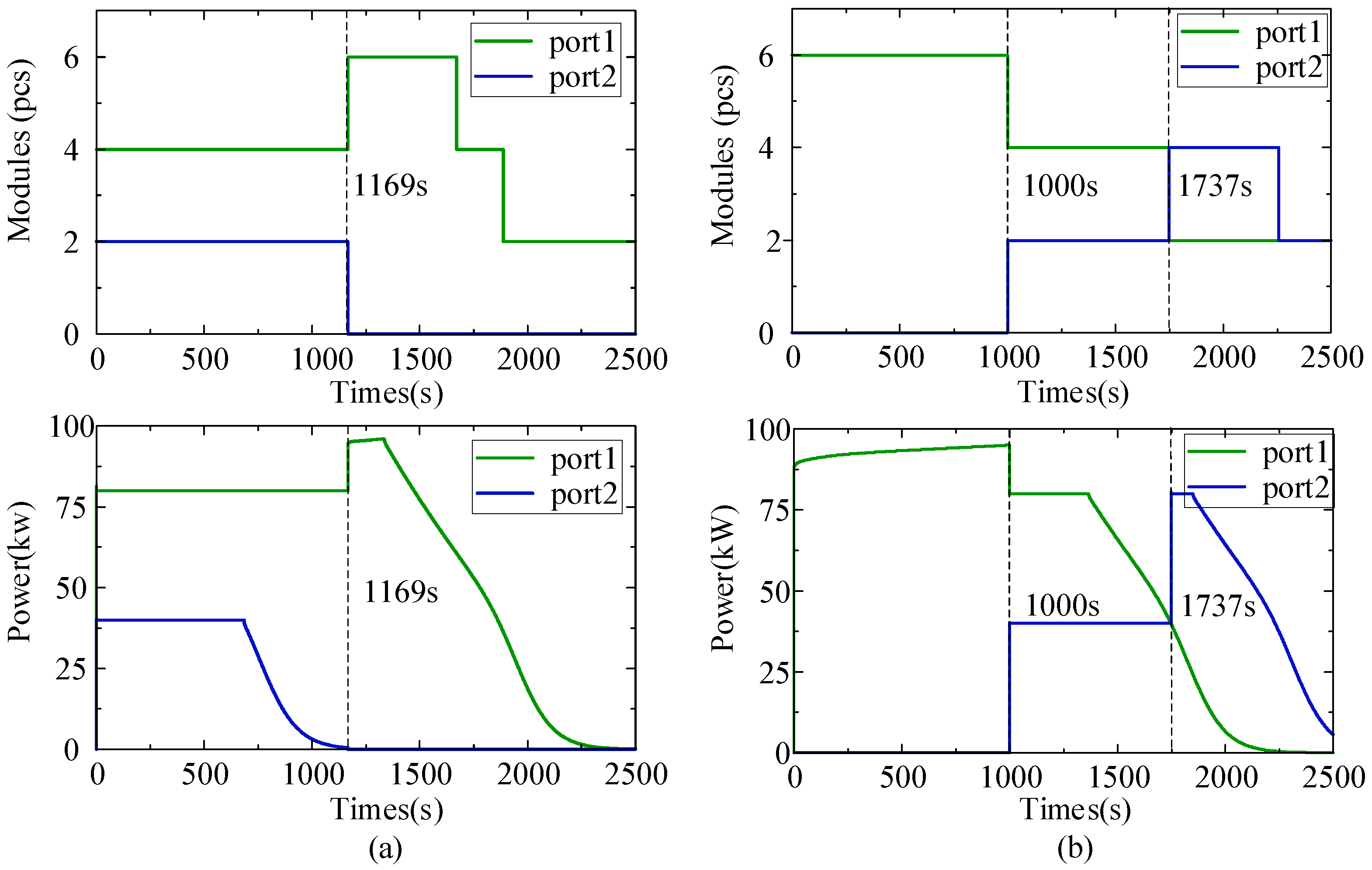
4.3. Adaptive Module Reservation Scheduling Strategy Validation
5. Discussion
6. Conclusions
- The proposed adaptive module reservation scheduling strategy enables flexible module allocation while ensuring temporal fairness, thereby shortening the average charging time and improving user satisfaction.
- The proposed minimum-loss charging scheme effectively reduces the total energy loss throughout the entire charging process of the charging stack, improves energy conversion efficiency, and lowers charging costs.
Author Contributions
Funding
Data Availability Statement
Conflicts of Interest
Abbreviations
| DAB | dual active bridge |
| CC | Constant-current |
| CV | Constant-voltage |
References
- Jiao, Z.; Li, K.; Meng, H.; Guo, Y.; Zhou, J.; Zhang, C.; Huang, Z. A methodology for lithium-ion battery state of health estimation using random constraints of state of charge. J. Energy Storage 2026, 154, 121349. [Google Scholar] [CrossRef]
- Jia, C.; Liu, W.; Chau, K.; He, H.; Zhou, J.; Niu, S. Passenger-aware reinforcement learning for efficient and robust energy management of fuel cell buses. eTransportation 2026, 27, 100537. [Google Scholar] [CrossRef]
- Han, T.; Li, J.; Liu, R.; Ruan, Y. New energy charging pile installation layout method based on terminal load demand fusion processing. Int. J. Energy Technol. Policy 2025, 20, 51–65. [Google Scholar] [CrossRef]
- Liu, S.; Zhou, Y.; Lu, Y.; Liu, Y.; Li, Q. Load coordination control method of new energy vehicle charging pile based on Markov chain. Int. J. Energy Technol. Policy 2024, 19, 105–119. [Google Scholar] [CrossRef]
- Niu, L.; Zhang, P.; Wang, X. Hierarchical power control strategy on small-scale electric vehicle fast charging station. J. Clean. Prod. 2018, 199, 1043–1049. [Google Scholar] [CrossRef]
- Cheng, Q.; Chen, L.; Sun, Q.; Wang, R.; Ma, D.; Qin, D. A smart charging algorithm based on a fast charging station without energy storage system. CSEE J. Power Energy Syst. 2021, 7, 850–861. [Google Scholar]
- Zahedmanesh, A.; Muttaqi, K.M.; Sutanto, D. Active and reactive power control of PEV fast charging stations using a consecutive horizon-based energy management process. IEEE Trans. Ind. Inform. 2021, 17, 6742–6753. [Google Scholar] [CrossRef]
- Tkac, M.; Kajanova, M.; Bracinik, P. A Review of Advanced Control Strategies of Microgrids with Charging Stations. Energies 2023, 16, 6692. [Google Scholar] [CrossRef]
- Zhou, B.; Zhang, Z.; Xi, C.; Liu, B. A Novel Two-Stage, Dual-Layer Distributed Optimization Operational Approach for Microgrids with Electric Vehicles. Mathematics 2023, 11, 4563. [Google Scholar] [CrossRef]
- Zad, H.S.; Ulasyar, A.; Zohaib, A.; Irfan, M.; Yaqoob, Z.; Haider, S.A. Robust & Optimal Predictive Current Control for Bi-Directional DC-DC Converter in Distributed Energy Storage Systems. Eng. Proc. 2024, 75, 26. [Google Scholar]
- Ahmed, M.U.; Qays, M.O.; Lachowicz, S.; Mahmud, P. Optimizing EV Battery Charging Using Fuzzy Logic in the Presence of Uncertainties and Unknown Parameters. Electronics 2025, 15, 177. [Google Scholar] [CrossRef]
- Tu, H.; Feng, H.; Srdic, S.; Lukic, S. Extreme Fast Charging of Electric Vehicles: A Technology Overview. IEEE Trans. Transp. Electrif. 2019, 5, 861–878. [Google Scholar] [CrossRef]
- Sharida, A.; Kamal, N.F.; Bayhan, S.; Abu-Rub, H.; Fesli, U. Novel Adaptive Energy Management Technique for Multi-Port Fast EV Chargers. IEEE Trans. Ind. Electron. 2025, 72, 559–569. [Google Scholar] [CrossRef]
- He, Y.; Liu, H.; Zhang, J.; Shen, C.; Xie, X.; Hang, L. A Compact Single-Phase Cascaded Three-Level AC/DC Converter With Variable DC Bus Voltage and Low CM Noise. IEEE Trans. Power Electron. 2024, 39, 398–408. [Google Scholar] [CrossRef]
- Zhao, S.; Kempitiya, A.; Chou, W.T.; Palija, V.; Bonfiglio, C. Variable DC-Link Voltage LLC Resonant DC/DC Converter With Wide Bandgap Power Devices. IEEE Trans. Ind. Appl. 2022, 58, 2965–2977. [Google Scholar] [CrossRef]
- Lu, Z.; Xu, G.; Xiong, W.; Sun, Y.; Su, M. A Quasi-Two-Stage Isolated Bidirectional Buck-DAB Converter for Wide Input Voltage Range. IEEE Trans. Power Electron. 2023, 38, 1384–1390. [Google Scholar] [CrossRef]
- Li, H.; Zhang, Z.; Wang, S.; Tang, J.; Ren, X.; Chen, Q. A 300-kHz 6.6-kW SiC Bidirectional LLC Onboard Charger. IEEE Trans. Ind. Electron. 2022, 2, 1435–1445. [Google Scholar] [CrossRef]
- Sun, P.; Zhou, L.; Smedley, K.M. A Reconfigurable Structure DC–DC Converter With Wide Output Range and Constant Peak Power. IEEE Trans. Power Electron. 2011, 26, 2925–2935. [Google Scholar]
- Shen, C.; Wu, H.; Liu, T.; Li, M. A Three-Phase Asymmetrical Dual-Active-Bridge Converter With Series/Parallel-Reconfigurable Output for Wide Voltage Range Applications. IEEE Trans. Ind. Electron. 2021, 68, 7714–7724. [Google Scholar] [CrossRef]
- Forouzesh, M.; Liu, Y.-F.; Sen, P.C. A Reconfigurable Single-Stage Three-Phase Electric Vehicle DC Fast Charger Compatible With Both 400V and 800V Automotive Battery Packs. In Proceedings of the 2022 24th European Conference on Power Electronics and Applications (EPE’22 ECCE Europe), Hanover, Germany, 5–9 September 2022; pp. 1–11. [Google Scholar]
- Ma, K.W. Adaptable EV DC charger station design using matrix switch network with series connection. In Proceedings of the 2023 IEEE Transportation Electrification Conference and Expo, Asia-Pacific (ITEC Asia-Pacific), Chiang Mai, Thailand, 28 November–1 December 2023; pp. 1–8. [Google Scholar]
- Yang, X.; Gao, X.; Du, Y.; Xie, D.; Yao, J.; Wang, L. Optimisation of ZVS-controlled Inverter Range for Light Load Section of N-phase Interleaved Parallel Three-level Bidirectional Buck/Boost Converter. In Proceedings of the 2024 IEEE 5th International Conference on Advanced Electrical and Energy Systems (AEES), Lanzhou, China, 29 November–1 December 2024; pp. 92–99. [Google Scholar]
- Che, Z.; Shi, Y.; Liu, X. Research on Phase-number Switching Method of Interleaved Parallel Boost Circuit Based on Current Ripple Cancellation Technology. In Proceedings of the 2023 IEEE 6th International Electrical and Energy Conference (CIEEC), Hefei, China, 12–14 May 2023; pp. 1643–1646. [Google Scholar]
- Zhao, M.; Chen, J.; Han, W. A frequency variation range reduction method for multi-phase parallel interleaved Buck/Boost ZVS converter under TCM control. Proc. CSEE 2022, 42, 8265–8276. [Google Scholar]
- Chen, L.; Huang, X.; Chen, Z.; Jin, L. Study of a new quick-charging strategy for electric vehicles in highway charging stations. Energies 2016, 9, 744. [Google Scholar] [CrossRef]
- Danner, D.; de Meer, H. Quality of service and fairness for electric vehicle charging as a service. Energy Inform. 2021, 4, 16. [Google Scholar] [CrossRef]
- Yang, H.; Zhang, Y.; Zhang, N.; Walker, P.D.; Gao, J. A voltage sensorless finite control set-model predictive control for three-phase voltage source PWM rectifiers. Chin. J. Electr. Eng. 2016, 2, 52–59. [Google Scholar]
- Shao, S.; Chen, L.; Shan, Z.; Gao, F.; Chen, H.; Sha, D.; Dragičević, T. Modeling and Advanced Control of Dual-Active-Bridge DC–DC Converters: A Review. IEEE Trans. Power Electron. 2022, 37, 1524–1547. [Google Scholar] [CrossRef]
- Morsali, P.; Dey, S.; Mallik, A.; Akturk, A. Switching Modulation Optimization for Efficiency Maximization in a Single-Stage Series Resonant DAB-Based DC–AC Converter. IEEE J. Emerg. Sel. Top. Power Electron. 2023, 11, 5454–5469. [Google Scholar] [CrossRef]
- Wang, Z.; Sun, X.; Song, W.; Wheeler, P.; Ren, B.; Liu, S. Reducing Turn-OFF Losses in DAB Converters by Minimizing Voltage–Current Overlap Under ZVS Operation. IEEE Trans. Power Electron. 2025, 40, 16611–16625. [Google Scholar] [CrossRef]













| Module Surplus | Module Insufficiency | |||
|---|---|---|---|---|
| Charging Voltage | Charging Current | Charging Voltage | Charging Current | |
| CV | ||||
| CC | ||||
| Parameter | Value |
|---|---|
| AC input voltage/V | 380 |
| DC bus voltage/V | 800 |
| Output voltage range/V | 200–1000 |
| Number of DAB modules | 6 |
| DAB rated power/kw | 20 |
| Switching frequency/kHz | 10 |
| Filter inductance/mH | 4.2 |
| DC bus capacitance/μF | 2300 |
| DAB switching frequency/kHz | 100 |
| Transformer turns ratio n | 3.2 |
| Leakage inductance/μH | 20 |
| Input/output capacitance/μF | 500 |
| EV1 | EV2 | |
|---|---|---|
| Voltage/V | 400 | 800 |
| Current/A | 100 | 100 |
| Power/kW | 40 | 80 |
| Capacity/AH | 50 | 50 |
| EV1 | EV2 | |
|---|---|---|
| Connected port | 1 | 2 |
| Power rating/kW | 96 | 96 |
| CC value/A | 120 | 120 |
| CV value/V | 800 | 800 |
| Battery capacity/Ah | 60 | 60 |
| Initial SOC/% | 10 | 70 |
Disclaimer/Publisher’s Note: The statements, opinions and data contained in all publications are solely those of the individual author(s) and contributor(s) and not of MDPI and/or the editor(s). MDPI and/or the editor(s) disclaim responsibility for any injury to people or property resulting from any ideas, methods, instructions or products referred to in the content. |
© 2026 by the authors. Licensee MDPI, Basel, Switzerland. This article is an open access article distributed under the terms and conditions of the Creative Commons Attribution (CC BY) license.
Share and Cite
Hu, S.-Y.; Liu, P.; Lan, Z.; Tang, X.-Y. Research on Adaptive Reconfigurable Control Strategy for EV Charging Stack in Complex Scenarios. Electronics 2026, 15, 1670. https://doi.org/10.3390/electronics15081670
Hu S-Y, Liu P, Lan Z, Tang X-Y. Research on Adaptive Reconfigurable Control Strategy for EV Charging Stack in Complex Scenarios. Electronics. 2026; 15(8):1670. https://doi.org/10.3390/electronics15081670
Chicago/Turabian StyleHu, Si-Yang, Ping Liu, Zheng Lan, and Xuan-Yi Tang. 2026. "Research on Adaptive Reconfigurable Control Strategy for EV Charging Stack in Complex Scenarios" Electronics 15, no. 8: 1670. https://doi.org/10.3390/electronics15081670
APA StyleHu, S.-Y., Liu, P., Lan, Z., & Tang, X.-Y. (2026). Research on Adaptive Reconfigurable Control Strategy for EV Charging Stack in Complex Scenarios. Electronics, 15(8), 1670. https://doi.org/10.3390/electronics15081670

