Next Article in Journal
MNFF-GNN: Multi-Order Neighbor Feature Fusion Graph Neural Network
Previous Article in Journal
Emotion Recognition Using a Siamese Model and a Late Fusion-Based Multimodal Method in the WESAD Dataset with Hardware Accelerators
 
 
Font Type:
Arial Georgia Verdana
Font Size:
Aa Aa Aa
Line Spacing:
Column Width:
Background:
Article

Energy Management Strategy of Urban Rail Energy Storage System Considering Life Assessment of Train Converter

School of Electrical Engineering, Chongqing University, Chongqing 400044, China
*
Author to whom correspondence should be addressed.
Electronics 2025, 14(4), 722; https://doi.org/10.3390/electronics14040722
Submission received: 18 January 2025 / Revised: 9 February 2025 / Accepted: 11 February 2025 / Published: 13 February 2025

Abstract

The reliability of the bidirectional converter plays an important role in the energy storage system. However, the power devices that make up the converter are prone to failure under complex operating conditions. Therefore, how to extend the service life of devices in this case becomes a tricky problem. Due to the typical intermittent, random, and fluctuating nature of train regenerative braking energy, only relying on capacity allocation to extend device life is easily limited by actual operating conditions. Meanwhile, most energy management strategies tend to focus on only two factors: economic cost and energy savings. Therefore, this paper proposes an energy management strategy that considers the lifetime of the energy storage converter device. The objective function of the energy management strategy including device life and systematic evaluation indicators is then established. Taking the actual line conditions as a case, the bald eagle search (BES) is used to optimize the objective. This method can lengthen the IGBT device lifetime and reduce the economic cost while achieving a good energy saving rate and voltage stabilization rate. Its effectiveness and feasibility are verified by simulations under different arithmetic cases.

1. Introduction

Vigorously developing public transport is an important means to alleviate urban congestion and reduce environmental pollution. In recent years, the business scope of rail transit systems has expanded rapidly [1]. But its energy consumption problem is also increasingly prominent [2]. Utilizing the regenerative braking energy of trains has become a way to reduce the energy consumption of urban rail transit systems. Energy storage systems act as an energy buffer by storing electrical energy and releasing it when needed [3]. Therefore, it has become a trend to add energy storage units to rail transit systems [4].
The bidirectional DC/DC converter is the core component of the energy storage system, playing the role of energy conversion control. It controls the charging and discharging process of the energy storage element by adjusting the duty cycle of the switching device. The control performance of the bidirectional DC/DC converter determines the responsiveness and stability of energy storage systems. Therefore, its reliability plays a crucial role in the safe operation of energy storage systems [5]. In fact, the power semiconductor devices that make up the converter are fragile and vulnerable under variable operating conditions [6]. The package structure of an IGBT provides auxiliary functions such as electrical connections, insulation, and heat dissipation. And when an overheating fault occurs, the package structure of the IGBT fails [7]. The main manifestations of this failure are lead shedding on the surface of the IGBT and aging of the solder layer [8]. The industrial survey from the University of Warwick [9] shows that power devices, which are the main bearers of thermal and electrical stress in traction inverters, account for 31% of failures in power electronic converters. Transient high temperatures are a significant cause of external failures in devices, making junction temperature information essential for device life prediction and management [10]. Professor Blaabjerg and colleagues from Aalborg University [11] have highlighted that accurate junction temperature fluctuation analysis is crucial for the reliability assessment and thermal design of high-power IGBT modules. The rail transit system has the characteristics of short distances between stations, frequent starts and stops of trains, and a high density of trains. As the train continues to move forward after departure, the slope and track radius at its location also change. And the maximum speed limits between continuous stations on the same line are different. These factors will cause the train to switch back and forth between the four working modes: traction, cruising, coasting, and braking. In addition, the departure interval between two adjacent trains in the same direction will affect the total number of trains on the line. Due to the rapidly changing conditions, the braking power curve of trains exhibits many consecutive pulses. This will directly determine whether the energy storage system operates in charging mode or discharging mode, and affect its power output. When the converters of the energy storage system are in operation, the frequent switching frequency and the high levels of voltage and current cause the IGBT power module to generate a large amount of heat [12], and the heat will lead to an increase in junction temperature. During its service life, the IGBT power module is continuously subjected to thermal stress shocks, with damage accumulating over time. This results in the potential performance degradation of the device, ultimately leading to fatigue failure [13].
In recent years, scholars in related fields have conducted in-depth research on energy storage systems for urban rail transportation. The capacity allocation optimization of energy storage systems is a key issue to be solved for application in engineering. Study [14] uses a heuristic optimization algorithm to optimally configure the capacity of the energy storage system, but it only considers the case of fixed departure intervals. An improved multi-objective differential evolutionary algorithm is proposed in [15] for capacity allocation to suppress voltage fluctuation and reduce cost, but its optimization considers few parameters. Study [16] puts forward a power capacity constraint configuration method and comprehensively considers the economic cost and energy-saving benefits, but it does not take into account the impact of the multi-train complex conditions on the capacity configuration of the energy storage system. An energy storage capacity optimization configuration method based on a genetic algorithm (GA) is proposed in [17] to improve each evaluation index of the system. However, GAs are often limited in their effectiveness when dealing with complex optimization problems. Energy management is a major research area in the field of energy storage technology. Threshold-based energy management strategies are categorized into three types: energy management strategies based on conventional fixed thresholds [18], energy management strategies based on multiple fixed thresholds [19], and energy management strategies based on dynamic threshold regulation [20]. In [21], a fuzzy energy control method with multiple inputs is proposed. However, this method does not consider the economics and costs. Study [22] studied and numerically simulated the fuel cell and supercapacitor power system for railroads, and analyzed each main power component in depth. Study [23] proposes an algorithm for charging the supercapacitor module that reduces the loss to the supercapacitor, but it ignores the effect of the discharge current. Study [24] proposes a deep reinforcement learning method, which can effectively prevent the storage device from overcharging and overdischarging while accomplishing power tracking goal. However, it is difficult to ensure the same stability under complex operating conditions for this method. Study [25] combines droop control and predictive modeling control to achieve a high-frequency component power response of the supercapacitor and a low-frequency component power response of the battery. However, the state-of-charge constraints of hybrid energy storage devices are not taken into account. Study [26] combines model predictive control with an iterative learning approach, which can ensure an accurate and fast response to the desired trajectory under sudden train load change. However, the control parameter tuning is very complicated. The optimization of energy management strategies can be categorized into two types: global optimization and instantaneous optimization [27]. Study [28] proposes a degenerate adaptive EMS, which can adaptively change the power distribution of the power source by using the health state of the FC. This strategy has a strong adaptive ability. Study [29] proposes a real-time energy management method based on DRL, which combines Q-learning and a deep neural network. Compared with the rule-based control strategy, it can save a large amount of fuel. Study [30] proposes a DRL algorithm using empirical replay technology. Compared with the traditional DRL algorithm, the power allocation is more reasonable and has better performance in training stability. A comparative summary of the current mainstream energy management strategies is listed in Table 1.
However, most current energy management methods consider only energy consumption and economic cost as optimization indicators, neglecting the potential for improving device durability. Under such energy management strategies, the voltage, current, and temperature stress of power devices vary greatly. This significantly affects the lifetime of the power device, manifesting as a reduced operational life. Consequently, the normal operation and stability of the energy storage system cannot be guaranteed.
This paper presents an energy management strategy that considers the lifetime of IGBT modules in bidirectional converters. By using the proposed strategy, the lifetime of power devices can be extended as much as possible while slightly affecting the performance of the energy storage system. Specifically, the IGBT’s lifetime is improved significantly with minimal reduction in the energy saving rate, economic efficiency rate, and voltage stabilization rate of the urban rail system. The proposed strategy guarantees that the energy storage converter can maintain stable and reliable operation over an extended period of time. And it can avoid additional installation of energy storage devices and reduce the cost of replacing devices over a fixed long period. In addition, the proposed strategy is simple to implement, which gives it the potential for practical application in engineering.

2. Lifetime Prediction Method of IGBTs in Energy Storage Converters

To conduct the load estimation of a bidirectional DC/DC converter, it is necessary to first obtain the operating state of the energy storage device in an urban rail transit system. Based on the train parameters and the corresponding operating schedule, we can obtain the power flow of the train during the operating time period. It is the input to the mathematical model containing the traction network, the train, and the energy storage device. Hence, the voltage and current of each component at each moment can be obtained as outputs. Based on the topology of the converter, the voltage and current of the IGBT device can be calculated.

2.1. Load Analysis of Train Energy Storage Converter

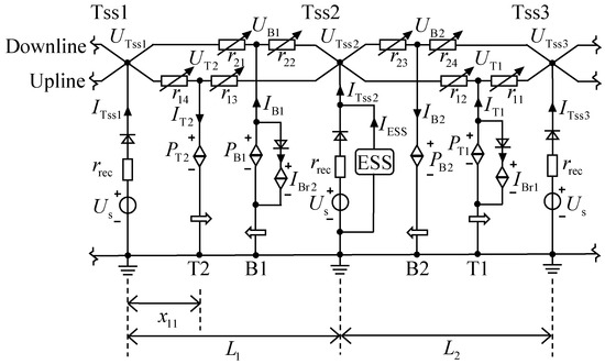
The rail transit system can be modeled according to the characteristics of the constituent elements, whose circuit topology is shown in Figure 1.
In this figure, T s s 1 , T s s 2 , and T s s 3 stand for the traction substations. U T s s 1 , U T s s 2 , U T s s 3 , I T s s 1 , I T s s 2 , and I T s s 3 stand for the voltages and currents in the traction substations. U s stands for the no-load voltage of each traction substation. r r e c stands for the equivalent internal resistance of each traction substation. r 11 , r 12 , r 13 , r 14 , r 21 , r 22 , r 23 , and r 24 are resistances, whose values depend on the distance between nodes. T 1 and T 2 are trains in the up line, while B 1 and B 2 are trains in the down line. U T 1 , U T 2 , U B 1 , U B 2 , I T 1 , I T 2 , I B 1 , I B 2 , P T 1 , P T 2 , P B 1 , and P B 2 the voltage, current, and power of the up-trains and down-trains. I B r 1 and I B r 2 are currents flowing through on-board braking resistors. E S S stands for the energy storage system. I E S S is the current of energy storage system. L 1 and L 2 are the distances between traction substations. x 11 is the location of the first up-train.
In energy storage systems containing only a single type of energy storage component, the half-bridge buck/boost bidirectional DC/DC converter is the most common. This topology is favored for its simple design, low component count, and proven control technology [31], as shown in Figure 2.
The half-bridge bidirectional DC/DC converter has two operating modes by switching the conduction and shutdown of power switch tubes Q 1 and Q 2 . When switch Q 2 is on and Q 1 is off, the energy flows from the low-voltage side to the high-voltage side. This circuit is a boost converter circuit. When switch Q 1 is on and Q 2 is off, the energy flows from the high-voltage side to the low-voltage side. This circuit is a buck converter circuit.

2.2. Thermal Analysis of Train Energy Storage Converter

After obtaining the specific operating conditions of the bidirectional converter, its power loss is derived based on the operating characteristics of the IGBT. Thermal circuit models of IGBT modules and heat sinks are used to complete temperature rise calculations. The number of temperature cycles in the junction temperature fluctuation curve can be counted using the rainfall counting method. We can substitute the temperature cycles into the life model of the selected IGBT device to calculate the degree of life depletion.
The losses of each device in the converter are actually the electrical energy absorbed by the device. The total loss of IGBT and reverse shunt diode is generally composed of three parts, as shown in (1).
P l o s s _ T = P c o n d _ T r + P s w _ T r _ o n + P s w _ T r _ o f f
where P l o s s _ T stands for the loss generated by the IGBT modules that needs to be considered. P c o n d _ T r is the pass-state loss of the IGBT modules incurred when the IGBTs are in the conduction state. P s w _ T r _ o n is the turn-on loss generated by IGBT modules during the turn-on process. P s w _ T r _ o f f is the turn-off loss generated by IGBT modules during the turn-off process. Although there are other losses present such as driving losses, they are negligible because they account for a relatively small percentage.
The thermal network of the IGBT modules can be regarded as a series composition of the internal thermal network of the IGBT and the thermal network of the heat sink. From the theory of electric–thermal comparison, the thermal characteristics of the device can be expressed by the equivalent circuit. There are different kinds of models for the one-dimensional thermal networks commonly used to predict the junction temperature of power devices. The Foster model has the advantages of simple form, a small number of components, and easy access to parameters. In this study, the Foster model is also chosen for the thermal network model of the power device, as shown in Figure 3.
In this figure, P o w e r l o s s is the power loss of IGBTs and diodes. R t j c i and C t j c i (i = 1, 2, 3, 4) denote the thermal resistance and heat capacity of the IGBTs in the i-th order Foster network, respectively. R d j c i and C d j c i (i = 1, 2, 3, 4) denote the thermal resistance and heat capacity of the diodes in the i-th order Foster network, respectively. R t c h , C t c h , R d c h , and C d c h are the thermal resistances and heat capacities of the corresponding positions of the thermal grease. R h a and C h a denote the thermal resistance and heat capacity of the heat sinks, respectively. T j denotes the junction temperature. T c denotes the temperature at the contact point between the semiconductor device and the thermal grease. T h denotes the heat sink temperature. T a denotes the ambient temperature, which is regarded a an constant. The junction temperature of the IGBT then can be calculated by the thermal network impedance model described above.
The distribution of cyclic loads in power devices does not follow a regular pattern. So, it is necessary to introduce statistical analysis to analyze and describe the loads. The rainfall counting method is a commonly used computational method to effectively extract the cyclic loads.
The analytical life model is mainly based on the data obtained from the accelerated aging life test, and is easy to use and has few parameters [12]. In this paper, we adopt the Norris–Landzberg life model. It is deeply researched and recognized, as shown in (2).
N f = A · f r e n 2 · ( Δ T j ) n 1 · e E a / ( K B · T m )
where N f is the number of device failure cycles. f r e is the frequency of the power cycle. T m is the average value of the device junction temperature in the cycle. Δ T j is the maximum value in the amplitude of the junction temperature fluctuation in the cycle. E a is the excitation energy constant, which is an intrinsic property of the material. K B is the Boltzmann constant. A, n 1 , and n 2 are parameters obtained by fitting the test data from the power cycling experiment.
In Miner’s linear damage theory, each junction temperature cycle is independent and brings damage to the device [5]. These damages can be linearly accumulated and eventually bring about the fatigue failure of the power device [6], as shown in (3).
A o D = N a c t u a l N l i m i t N c y c l e = 1 A o D
where A o D is the accumulation of fatigue damage degree due to multiple junction temperature cycles. N a c t u a l and N l i m i t are the number of cycles in the i-th case and the number of tolerable failures corresponding to this cycle, respectively. When the value of A o D accumulates to 1, it means that the device has completely failed. N c y c l e is actually the expected lifetime of the device.
The overall life assessment process is shown in Figure 4.

3. Optimal Allocation Study

3.1. Objective Function Setting

In this paper, four optimization indexes are defined. Accordingly, a multi-objective optimization model is constructed. The objective function is based on the principle of weight summation, which can be expressed as (4). The constraints are shown in (5).
m a x J = γ 1 · L i f e + γ 2 · v + γ 3 · s + γ 4 · e
s . t . U m a x u E S S U m i n I l i m i E S S S o C m a x s o c E S S S o C m i n
where γ 1 , γ 2 , γ 3 , and γ 4 are weight coefficients. L i f e , v, s, and e are the estimated device lifetime, voltage stabilization rate, overall energy saving rate, and economic efficiency rate, respectively. Their definitions are specifically given in the next section. u E S S , i E S S , and s o c E S S are the voltage, current, and state of charge of the energy storage device, respectively. U m a x and U m i n are the maximum and minimum voltages for normal operation of the energy storage device, respectively. I l i m is the maximum current value allowed by the energy storage device under normal operation. S o C m a x and S o C m i n are the upper and lower limits values of the normal charging state of the energy storage device, respectively.
The physical units of the four indicators in the objective function are different. Researchers need to determine appropriate weights to minimize the effects of differences in scale and magnitude. The design of the weights depends on the focus of the actual engineering application.

3.2. Evaluating Indicator

  • Estimated device lifetime
In the previous section, we obtained the cumulative total damage of the device for a variety of operating conditions over the corresponding time period of the device N c y c l e . It can be viewed as the percentage of the device that has been damaged. However, it is not a unit of measurement of time in the traditional sense of years, months, and days. So, it does not intuitively reflect the remaining life of the device. According to the literature [9,30], the service life of power devices in the railroad field is generally measured in years. Therefore, we convert it to remaining life according to Equation (6).
L i f e = T i m e s i m · N c y c l e 365 · 24 · 60 · 60
where T i m e s i m is the total running time of the train from the initial station to the final station, which is measured in seconds. There are three hypothetical operational contexts in this paper: the train runs unchanged according to the current train diagram, the train runs normally for 12 h a day, and the power device is brand new and unused. L i f e is the amount of time that the devices in the system’s energy storage converter can still function properly.
B.
Voltage stabilization rate
The train voltage stabilization rate measures the degree of fluctuation of the train voltage. Its calculation formula is defined as (7).
v = 1 k = 1 N t ( Δ T h Δ u h , k s c d t + Δ T l Δ u l , k s c d t ) k = 1 N t ( Δ T h Δ u h , k n o s c d t + Δ T l Δ u l , k n o s c d t )
where u h and u l are the upper and lower limits of the voltage range in which the train voltage can be considered stable, respectively. Δ T h is the time period when the train voltage is higher than u h . Δ T l is the time period when the train voltage is lower than u l . Δ u h , k s c is the difference between the voltage of the k-th train and u h when the energy storage device is installed. Δ u h , k n o s c is the difference between the voltage of the k-th train and u h when the energy storage device is not installed. Δ u l , k s c is the difference between the voltage of the k-th train and u l when the energy storage device is installed. Δ u l , k n o s c is the difference between the voltage of the k-th train and u l when the energy storage device is not installed. N t is the total number of trains in the line interval at time t.
C.
Overall energy saving rate
The overall energy saving rate is used to evaluate the energy saving effect after the installation of the energy storage device. Its calculation formula is defined as (8).
s = 1 i = 1 N ( 0 T u s u b , i s c i s u b , i s c d t ) + j = 1 M ( E e s s , j ( 0 ) E e s s , j ( T ) ) i = 1 N ( 0 T u s u b , i n o s c i s u b , i n o s c d t )
where N is the number of traction substations in the line interval; M is the number of energy storage devices in the line interval; and T is the system operating time. u s u b , i s c and u s u b , i n o s c are the voltage values at the i-th traction substation when the energy storage device is installed and not installed, respectively. i s u b , i s c and i s u b , i n o s c are the current values at the i-th traction substation when the energy storage device is installed and not installed, respectively. E e s s , j ( t ) is the amount of energy stored in the j-th energy storage device at moment t.
D.
Economic efficiency rate
The investment cost consists of three main components: the initial investment cost, the annual cost of the energy storage equipment, and the replacement cost of the energy storage device components. The initial investment cost refers to the total cost paid to build the energy storage system, including the purchase price, transportation cost, installation cost, and site cost. Therefore, the initial investment cost of the energy storage system contains several components. It includes the purchase cost of the energy storage device and the bidirectional DC/DC converter, the equipment transportation cost, the equipment installation cost, the cost of occupying the site, the labor cost, and so on. In fact, these are one-time costs that will not be paid again subsequently. So the initial investment cost of the energy storage device can be expressed by (9).
C o s t i n i t i a l = P E S S a l l · C o s t 1 + C E S S a l l · C o s t 2 + C o s t o n c e
where C o s t i n i t i a l is the initial investment cost of the energy storage device. P E S S a l l is the sum of the rated power of all energy storage systems in the whole line. C o s t 1 is unit power cost of energy storage converters. C E S S a l l is the sum of the capacities of all the energy storage systems in the whole line. C o s t 2 is the unit capacity cost of the energy storage systems. C o s t o n c e is the remaining one-time cost that can be regarded as a fixed value.
The annual cost of the energy storage equipment is the cost of operation and maintenance of the energy storage system during its whole life cycle. Therefore, the annual cost can be expressed by the following equation, Equation (10).
C o s t a n n u a l = C o s t m a i n t e n a n c e + C o s t o p e r a t i o n
where C o s t a n n u a l is the annual cost of the energy storage device. C o s t m a i n t e n a n c e and C o s t o p e r a t i o n are the annual maintenance and operating costs of the energy storage systems in the whole line, respectively. Assuming that the operation of the energy storage device remains constant over its life cycle, the annual cost can be treated as a constant.
The replacement cost of the energy storage device components is the cost of replacing the internal parts of the energy storage system during its service life. The replacement cost is directly affected by the expected life of power devices, which can be expressed by (11).
C o s t r e p l a c e m e n t = C e i l ( T i m e 1 L i f e m i n ) · N d e v i c e · C o s t 3
where C o s t r e p l a c e m e n t is the replacement cost of the energy storage device components. c e i l ( ) stands for the ceiling function. T i m e 1 is the projected operating time of the entire urban rail transit. L i f e m i n is the shortest expected service life in all power devices after the life estimation. N d e v i c e is the number of power devices in the converter circuit. C o s t 3 is price of individual power devices.
The total investment cost during the whole life cycle process of the energy storage system can be shown by (12).
C o s t t o t a l = C o s t i n i t i a l + C o s t a n u u a l + C o s t r e p l a c e m e n t
Usually, the implementation of a project is financed by a large loan from a bank to cover the initial investment. In actual projects, loan profits are generally calculated using compound interest calculation. The lender returns a certain amount of money each year for the specified term of the loan, which can be calculated by (13) and (14).
C R F = i · ( 1 i ) T i m e 1 ( 1 i ) T i m e 1 1
C o s t = C R F · C o s t t o t a l
where C R F is the present value of the annuity factor. i stands for the annual interest rate. C o s t is the amount of money to be repaid to the bank each year.
After the installation of energy storage systems in the urban rail transit system, a large amount of regenerative braking energy is utilized. And the energy saving rate of the whole system is improved and enhanced. Hence, a large amount of electricity can be saved every year. And the saved electricity is converted into the corresponding economic benefits. Three important quantities of the process can be expressed as (15)–(17).
N u m b e r r u n = T i m e r u n T i m e s i m
C o s t e n e r g y = E n o e s s · N u m b e r r u n · 365 · y
B e n e f i t s a v e = ( E n o e s s E e s s ) · N u m b e r r u n · 365 · y
where N u m b e r r u n is the number of train trips per day from departure to terminal. T i m e r u n is the train running time in a day. C o s t e n e r g y is the economic cost of the electricity consumed by the traction power supply system in the absence of the energy storage system within one year. E n o e s s is the electricity consumed by the traction power supply system during a single trip from departure to terminal in the absence of an energy storage system. y is the industrial electricity price, which is considered constant over the lifetime of the energy storage device. B e n e f i t s a v e is the economic benefits obtained from the energy saved by the energy storage system within one year. E e s s is the electricity consumed by the traction power supply system during a single trip from departure to terminal with an energy storage system.
We compare the annual expenses of installing the energy storage system with the economic benefits of saving electricity each year. The definition of the economic benefit rate can be expressed as (18).
e = B e n e f i t s a v e C o s t C o s t e n e r g y
e equal to 0 means that the savings in electricity costs over the lifetime of the energy storage system are exactly equal to all of its input costs. If the economic benefits of energy saving are greater than the annual repayment of the loan to the bank, installing energy storage systems can be regarded as a profitable endeavor from the economic point of view.

3.3. Bald Eagle Search Optimization Algorithm

Due to the complexity of the problem, it is difficult for traditional intelligent algorithms to solve the problem. Hence, the bald eagle search (BES) optimization algorithm is used in this paper to solve the problem. The BES algorithm is a new type of heuristic optimization algorithm with a strong global search capability and fast convergence speed [32]. It shows good performance in many optimization problems. The BES optimization algorithm simulates the three phases of condor predation: selecting an area, searching for prey, and swooping to hunt.

4. Calculus Analysis of Life Prediction Algorithms

In this paper, a line of a central city metro rail transit system in Southwest China is selected as the research scenario. We take the section from station 1 to station 5 of the line as the specific simulation object. There are five stations, three traction substations, and one energy storage system in the selected section. This paper stipulates that traveling from station 1 to station 5 is the upward direction, and vice versa is the downward direction. Three traction substations are located at station 1, station 3, and station 5. Meanwhile, the ground-type energy storage system is installed at station 3. The line data, including the line gradient, track radius, inter-station distance, and the interval running time, are shown in Figure 5.
Table 2 gives the basic parameters of the DC traction power supply system. There are two trains in the up-line and two trains in the down-line in the selected interval. The four trains are identical, and their parameters are shown in Table 3. All trains in the same direction run in the same way.
The parameters related to the energy storage systems are shown in Table 4. In this paper, the IGBT module type FZ600R65KE3 manufactured by Infineon is selected as an example. The parameters of its thermal network model can be obtained from the corresponding data sheets, which are shown in Table 5. The parameters of the lifetime model are taken from study [12] that uses the same type of module, and are shown in Table 6. The parameters of the BES algorithms are shown in Table 7.
When γ 2 , γ 3 , and γ 4 all take the value 1/3 and γ 1 takes the value 0, the objective function does not take into account the remaining life of the device. The two parameters of the energy storage device capacity and the maximum charging and discharging power of the converter are optimized simultaneously according to (4) and (5). Meanwhile, all the parameters related to the energy management strategy remain unchanged. The optimization results of the BES algorithm under different departure intervals are shown in Table 8.
Substituting the optimized parameters into the urban rail energy storage system for calculation, the actual voltage fluctuations of the four trains can be obtained as shown in Figure 5, Figure 6, Figure 7 and Figure 8.
The upper and lower thresholds at which the voltage is considered to start fluctuating are set to 1690 V and 1670 V, respectively. They are shown as two dashed lines parallel to the horizontal axis in Figure 6, Figure 7, Figure 8 and Figure 9. If the train voltage is always in this range, it can be considered to fall under the category of normal fluctuations.
Many conclusions can be seen from above figures. When the trains brake, the regenerative braking energy cannot be fully absorbed by the adjacent traction train without energy storage devices. This leads to a surge in the voltage of the traction network side. For safety, the vehicle braking resistors are started to clamp the train voltage at about 1800 V. When the trains are in traction operation, trains only absorb energy from the traction grid side. As a result, trains’ voltage can drop to as low as about 1450 V.
After installing energy storage devices, the regenerative braking energy that cannot be absorbed by neighboring trains in traction are stored. Under high system loads, the train’s voltage decreases to the point where it deviates from the threshold value. At the same time, the energy storage device releases energy quickly to stabilize the voltage in the normal range. The upper and lower peaks of the train voltage curve are only around 1750 V and 1600 V, respectively. And the duration of the train voltage peaks during braking is significantly reduced. It is concluded that the rational installation of energy storage devices can improve the utilization of regenerative braking energy and reduce the voltage fluctuation of the traction network.
The objective function of the entire optimization process is one that does not include the device lifetime. Therefore, there must be some room for improvement in the device lifetime. When γ 1 , γ 2 , γ 3 , and γ 4 all take the value 1/4, the remaining lifetime of the device can affect optimization results. The expected life of the device is measured in years, while several other metrics have a limited range of values. Some conversion of the expected life is needed to balance their weights in the optimization process. The energy management strategy of the energy storage system is optimized based on the results of capacity allocation only. In the same way, the four parameters of charging threshold, discharging threshold, SoC upper limit, and SoC lower limit are configured by the BES algorithm. The optimization results under different departure intervals are shown in Table 9.
The results of the comparison between capacity configuration and energy management strategy-based capacity configuration are shown in Table 10.
From the above simulation results, it can be seen that the adjustment of the threshold value using the proposed strategy can be reasonably optimized to prolong the lifetime of the devices in the energy storage converter. The method can lengthen the IGBT device lifetime and reduce the economic cost while achieving a good energy saving rate and voltage stabilization rate. It verifies the effectiveness of the present strategy. Unlike capacity configurations, this can be applied to actual operation scenarios where train operating conditions and departure intervals are constantly changing.

5. Conclusions

In this paper, an energy management strategy based on the urban rail transit energy storage system is proposed based on the impact of train departure interval changes on the lifetime of energy storage converter devices. A comprehensive cost optimization objective function containing the lifetime of the energy storage components is constructed, which integrally considers the equilibrium relationship between the economic benefits and the constraints on the energy saving rate. The bald eagle search algorithm is used to solve the integrated optimization of control parameters for the energy storage system. Taking an actual line as the case study, the energy management strategy optimization of the ground-based energy storage system for the whole line is carried out. And the configuration results are compared and analyzed. Finally, the proposed energy management strategy is simulated under different situations to verify the feasibility and effectiveness of the strategy.

Author Contributions

Conceptualization, J.L. and B.G.; methodology, J.L. and B.G.; software, J.L.; investigation, J.L.; writing—original draft preparation, J.L.; writing—review and editing, J.L.; project administration, B.G.; funding acquisition, B.G. All authors have read and agreed to the published version of the manuscript.

Funding

This research was funded by the National Natural Science Foundation of China under Grant 52477176 and the Chongqing Electric Power Research Institute under Grant SGCQDKOODWJS2200217.

Data Availability Statement

All of the data generated during the study are included in the article. Further enquiries can be directed to the corresponding author.

Conflicts of Interest

The authors declare no conflicts of interest.

References

  1. Costa, C.M.; Barbosa, J.C.; Gonçalves, R.; Castro, H.; Del Campo, F.J.; Lanceros-Méndez, S. Recycling and Environmental Issues of Lithium-ion Batteries: Advances, Challenges and Opportunities. Energy Storage Mater. 2021, 37, 433–465. [Google Scholar] [CrossRef]
  2. Graham, D.J.; Carbo, J.M.; Anderson, R.J.; Bansal, P. Understanding The Costs of Urban Rail Transport Operations. Transp. Res. Part B Methodol. 2020, 138, 292–316. [Google Scholar]
  3. Lin, S.; Huang, D.; Wang, A.; Huang, Y.; Zhao, L.; Luo, R.; Lu, G. Research on The Regeneration Braking Energy Feedback System of Urban Rail Transit. IEEE Trans. Veh. Technol. 2019, 68, 7329–7339. [Google Scholar] [CrossRef]
  4. Meishner, F.; Sauer, D. Wayside Energy Recovery Systems in DC Urban Railway galaxiesrids. ETransportation 2019, 1, 100001. [Google Scholar] [CrossRef]
  5. Wang, L.; Xu, J.; Wang, G.; Zhang, Z. Lifetime Estimation of IGBT Modules for MMC-HVDC Application. Microelectron. Reliab. 2018, 82, 90–99. [Google Scholar] [CrossRef]
  6. Ma, K.; Liserre, M.; Blaabjerg, F.; Kerekes, T. Thermal Loading and Lifetime Estimation for Power Device considering Mission Profiles in Wind Power Converter. IEEE Trans. Power Electron. 2015, 30, 590–602. [Google Scholar] [CrossRef]
  7. Nayak, D.; Pramanick, S. Implementation of an Electro-Thermal Model for Junction Temperature Estimation in a SiC MOSFET Based DC/DC Converter. IEEE CPSS Trans. Power Electron. Appl. 2023, 8, 42–53. [Google Scholar] [CrossRef]
  8. Zhou, L.; Zhou, S.; Xu, M. Investigation of Gate Voltage Oscillations in An IGBT Module after Partial Bond Wires Lift-off. Microelectron. Reliab. 2013, 53, 282–287. [Google Scholar] [CrossRef]
  9. Yang, S.; Bryant, A.; Mawby, P.; Xiang, D.; Ran, L.; Tavner, P. An Industry-Based Survey of Reliability in Power Electronic Converters. IEEE Trans. Ind. Appl. 2011, 47, 1441–1451. [Google Scholar] [CrossRef]
  10. Bahman, A.; Iannuzzo, F.; Blaabjerg, F. Mission-profile-based Stress Analysis of Bond-wires in SiC Power Modules. Microelectron. Reliab. 2016, 64, 419–424. [Google Scholar] [CrossRef]
  11. Bahman, A.; Ma, K.; Blaabjerg, F. A Lumped Thermal Model Including Thermal Coupling and Thermal Boundary Conditions for High-Power IGBT Modules. IEEE Trans. Power Electron. 2018, 33, 2518–2530. [Google Scholar] [CrossRef]
  12. Liu, H.; Ma, K.; Qin, Z.; Loh, P.C.; Blaabjerg, F. Lifetime Estimation of MMC for Offshore Wind Power HVDC Application. IEEE J. Emerg. Sel. Top. Power Electron. 2016, 4, 504–511. [Google Scholar] [CrossRef]
  13. Morel, C.; Morel, J.-Y. Power Semiconductor Junction Temperature and Lifetime Estimations: A Review. Energies 2024, 17, 4589. [Google Scholar] [CrossRef]
  14. Roch-Dupré, D.; Camacho-Gómez, C.; Cucala, A.P.; Jiménez-Fernández, S.; López-López, Á; Portilla-Figueras, A.; Pecharromán, R.R.; Fernández-Cardador, A.; Salcedo-Sanz, S. Optimal Location and Sizing of Energy Storage Systems in DC Electrified Railway Lines Using a Coral Reefs Optimization Algorithm with Substrate Layers. Energies 2021, 14, 4753. [Google Scholar] [CrossRef]
  15. Wang, X.; Wang, X.; Qin, B. Improved Multi-objective Differential Evolution Algorithm and Its Application in The Capacity Configuration of Urban Rail Photovoltaic Hybrid Energy Storage Systems. J. Energy Storage 2024, 98, 113155. [Google Scholar] [CrossRef]
  16. Alnuman, H. Modelling a DC Electric Railway System and Determining the Optimal Location of Wayside Energy Storage Systems for Enhancing Energy Efficiency and Energy Management. Energies 2024, 17, 2825. [Google Scholar] [CrossRef]
  17. Kong, D.; Miyatake, M. Cooperative Application of Onboard Energy Storage and Stationary Energy Storage in Rail Transit Based on Genetic Algorithm. Energies 2024, 17, 1426. [Google Scholar] [CrossRef]
  18. Petrović, D.J.; Lazić, M.M.; Lazić, B.V.J.; Blanuša, B.D.; Aleksić, S.O. Hybrid Power Supply System with Fuzzy Logic Controller: Power Control Algorithm, Main Properties, and Applications. J. Mod. Power Syst. Clean Energy 2022, 10, 923–931. [Google Scholar] [CrossRef]
  19. Liu, Y.; Yang, Z.; Wu, X.; Lan, L.; Lin, F.; Su, H.; Huang, J. Adaptive Threshold Adjustment Strategy Based on Fuzzy Logic Control for Ground Energy Storage System in Urban Rail Transit. IEEE Trans. Veh. Technol. 2021, 70, 9945–9956. [Google Scholar] [CrossRef]
  20. Wang, Y.; Yang, Z.; Lin, F.; An, X.; Zhou, H.; Fang, X. A Hybrid Energy Management Strategy based on Line Prediction and Condition Analysis for the Hybrid Energy Storage System of Tram. IEEE Trans. Ind. Appl. 2020, 56, 1793–1803. [Google Scholar] [CrossRef]
  21. Wang, X.; Wang, Q. Fuzzy Control Strategy for a Compound Energy System for an Urban Rail Train Based on the Required Power. Measurement 2020, 163, 107888. [Google Scholar] [CrossRef]
  22. Piraino, F.; Fragiacomo, P. A Multi-Method Control Strategy for Numerically Testing a Fuel Cell-Battery Supercapacitor Tramway. Energy Convers. Manag. 2020, 225, 113481. [Google Scholar] [CrossRef]
  23. Župan, I.; Šunde, V.; Ban, Ž; Krušelj, D. Algorithm with Temperature-Dependent Maximum Charging Current of a Supercapacitor Module in a Tram Regenerative Braking System. J. Energy Storage 2021, 36, 102378. [Google Scholar] [CrossRef]
  24. Wang, X.; Luo, Y.; Qin, B.; Guo, L. Power Allocation Strategy for Urban Rail HESS Based on Deep Reinforcement Learning Sequential Decision Optimization. IEEE Trans. Transp. Electrif. 2023, 9, 2693–2710. [Google Scholar] [CrossRef]
  25. Zhang, M.; Xu, Q.; Zhang, C.; Nordström, L.; Blaabjerg, F. Decentralized Coordination and Stabilization of Hybrid Energy Storage Systems in DC microgrids. IEEE Trans. Smart Grid 2022, 13, 1751–1761. [Google Scholar] [CrossRef]
  26. Zhang, X.; Wang, B.; Gamage, D.; Ukil, A. Model Predictive and Iterative Learning Control Based Hybrid Control Method for Hybrid Energy Storage System. IEEE Trans. Sustain. Energy 2021, 12, 2146–2158. [Google Scholar] [CrossRef]
  27. Zhao, X.; Wang, L.; Zhou, Y.; Pan, B.; Wang, R.; Wang, L.; Yan, X. Energy Management Strategies for Fuel Cell Hybrid Electric Vehicles: Classification, Comparison, and Outlook. Energy Convers. Manag. 2022, 270, 116179. [Google Scholar] [CrossRef]
  28. Song, K.; Ding, Y.; Hu, X.; Xu, H.; Wang, Y.; Cao, J. Degradation Adaptive Energy Management Strategy Using Fuel Cell State-of-health for Fuel Economy Improvement of Hybrid Electric Vehicle. Appl. Energy 2021, 285, 116413. [Google Scholar] [CrossRef]
  29. Li, Q.; Meng, X.; Gao, F.; Zhang, G.; Chen, W. Approximate Cost-optimal Energy Management of Hydrogen Electric Multiple Unit Trains Using Double Q-learning Algorithm. IEEE Trans. Ind. Electron. 2022, 69, 9099–9110. [Google Scholar] [CrossRef]
  30. Zheng, C.; Li, W.; Li, W.; Xu, K.; Peng, L.; Cha, S.W. A Deep Reinforcement Learning-based Energy Management Strategy for Fuel Cell Hybrid Buses. Int. J. Precis. Eng. Manuf. -Green Technol. 2022, 9, 885–897. [Google Scholar] [CrossRef]
  31. Ardi, H.; Reza Ahrabi, R.; Najafi Ravadanegh, S. Non-isolated Bidirectional DC-DC Converter Analysis and Implementation. IET Power Electron. 2014, 7, 3033–3044. [Google Scholar] [CrossRef]
  32. Olabi, A.G.; Rezk, H.; Abdelkareem, M.A.; Awotwe, T.; Maghrabie, H.M.; Selim, F.F.; Rahman, S.M.A.; Shah, S.K.; Zaky, A.A. Optimal Parameter Identification of Perovskite Solar Cells Using Modified Bald Eagle Search Optimization Algorithm. Energies 2023, 16, 471. [Google Scholar] [CrossRef]
Figure 1. Circuit topology of urban rail transit traction power supply system.
Figure 1. Circuit topology of urban rail transit traction power supply system.
Electronics 14 00722 g001
Figure 2. The circuit structure of the stationary energy storage system.
Figure 2. The circuit structure of the stationary energy storage system.
Electronics 14 00722 g002
Figure 3. Thermal network modeling of converter IGBT modules.
Figure 3. Thermal network modeling of converter IGBT modules.
Electronics 14 00722 g003
Figure 4. Flowchart for life assessment of power devices in energy storage converters.
Figure 4. Flowchart for life assessment of power devices in energy storage converters.
Electronics 14 00722 g004
Figure 5. Line turning radius and ramp data.
Figure 5. Line turning radius and ramp data.
Electronics 14 00722 g005
Figure 6. The voltage of the upward train without the energy storage device.
Figure 6. The voltage of the upward train without the energy storage device.
Electronics 14 00722 g006
Figure 7. The voltage of the down train without the energy storage device.
Figure 7. The voltage of the down train without the energy storage device.
Electronics 14 00722 g007
Figure 8. The voltage of the upward train after installing the energy storage device.
Figure 8. The voltage of the upward train after installing the energy storage device.
Electronics 14 00722 g008
Figure 9. The voltage of the down train after installing the energy storage device.
Figure 9. The voltage of the down train after installing the energy storage device.
Electronics 14 00722 g009
Table 1. Comparison of different energy management strategies.
Table 1. Comparison of different energy management strategies.
MethodDescriptionAdvantagesDisadvantages
Dynamic programmingBased on state-space searchCan handle complex constraintsHigh computational load
Model predictive controlReal-time optimization using predictive modelsCan quickly respond to system dynamic changesHigh model accuracy required
Heuristic methodsSuch as genetic algorithmSuitable for large-scale issuesMay fall into local optimum
Artificial intelligence techniquesSuch as reinforcement learningStrong adaptive abilityLarge training data demand
Rule-based methodsThreshold control or logical rulesEasy to implement and calculatePoor flexibility in complex problems
Multi-objective optimizationSimultaneous optimization of multiple objectivesCan balance multiple objectivesComplex solving, difficult weight allocation
Table 2. Basic parameters of the DC traction power supply system.
Table 2. Basic parameters of the DC traction power supply system.
ParameterValue
System voltage level 1500 V
No-load voltage at the traction substation 1680 V
Internal resistance of the traction substation 0.07 Ω
Traction network unit resistance value 0.007 Ω · km 1
Rail unit resistance value 0.009 Ω · km 1
Table 3. Parameters of the trains.
Table 3. Parameters of the trains.
ParameterValue
Maximum velocity 72 km · h 1
Maximum acceleration 0.9 m · s 2
Resistance of train braking resistor 0.27 Ω
Starting voltage of train braking resistor 1800 V
Maximum voltage of train braking resistor 1850 V
Table 4. Parameters of the ESS.
Table 4. Parameters of the ESS.
ParameterValue
Switching frequency 5000 Hz
DC side bus voltage range 1000 1800 V
Capacity of energy storage devices 100 kW · h
Rated power of ESS 1 MW
Rated voltage of the energy storage element 700 V
Maximum charge/discharge current for ESS 1200 A
Allowed range for SoC20– 90 %
Charging threshold of ESS 1685 V
Discharging threshold of ESS 1675 V
Industrial electricity price 0.1 $
Unit power cost of energy storage converters 0.036 $ · W 1
Unit capacity cost of energy storage systems 0.00198 $ · J 1
Table 5. Parameters of thermal network model.
Table 5. Parameters of thermal network model.
ParameterValueParameterValueParameterValue
R t j c 1 0.000783 K · W 1 R d j c 1 0.001826 K · W 1 R t c h 0.0088 K · W 1
R t j c 2 0.000812 K · W 1 R d j c 2 0.003129 K · W 1 C t c h 0 J · K 1
R t j c 3 0.003688 K · W 1 R d j c 3 0.005111 K · W 1 R d c h 0.014 K · W 1
R t j c 4 0.001885 K · W 1 R d j c 4 0.002612 K · W 1 C d c h 0 J · K 1
C t j c 1 6.38569 J · K 1 C d j c 1 2.73823 J · K 1 R h a 0.00678 K · W 1
C t j c 2 20.93596 J · K 1 C d j c 2 12.14446 J · K 1 C h a 447 J · K 1
C t j c 3 24.40347 J · K 1 C d j c 3 24.84837 J · K 1 T a 50 °C
C t j c 4 408.48806 J · K 1 C d j c 4 450.61256 J · K 1
Table 6. Parameters of lifetime model.
Table 6. Parameters of lifetime model.
ParameterValue
K B 1.38 × 10 23
E a 0.42
A310
n 1 0.4
n 2 2
Table 7. Parameters of BES algorithms.
Table 7. Parameters of BES algorithms.
ParameterValue
Parameter that controls the position change 1.5
Parameter that determines the spiral trajectory5
Parameter that determines the number of search cycles1
Parameter that represents the motion intensity of the bald eagle to the optimal point during its dive1
Parameter that represents the motion intensity of the bald eagle to the center point during its dive1
Table 8. Optimal configuration results.
Table 8. Optimal configuration results.
Departure Interval (s)Capacity of Energy Storage Devices ( kW · h )Rated Power of Converter (MW)
150 845.25 8.8841
300 781.89 7.5547
450 594.67 5.8910
Table 9. Optimal configuration results.
Table 9. Optimal configuration results.
Departure Interval (s)Charging Threshold (V)Discharging Threshold (V)Minimum SoC (%)Maximum SoC (%)
150 1685.00 1671.57 29.29 85.50
300 1685.00 1672.19 29.91 85.00
450 1685.00 1670.01 29.08 89.99
Table 10. Optimal mode selection corresponding to modulation ratio range.
Table 10. Optimal mode selection corresponding to modulation ratio range.
MethodInterval (s)Estimated IGBT Lifetime (year)Voltage Stabilization Rate (%)Overall Energy Saving Rate (%)Economic Efficiency Rate (%)
CC1508.3885.4337.7759.38
EMS15020.93 (⇑ 149.76%)77.73 (⇓9.01%)37.70 (⇓0.185%)41.05 (⇓30.87%)
CC3005.4786.7825.2456.18
EMS30016.05 (⇑193.42%)77.88 (⇓10.26%)25.18 (⇓0.238%)36.59 (⇓34.87%)
CC45012.4586.1119.5755.23
EMS45033.97 (⇑172.85%)81.14 (⇓5.77%)19.65 (⇑0.409%)39.36 (⇓28.73%)
Disclaimer/Publisher’s Note: The statements, opinions and data contained in all publications are solely those of the individual author(s) and contributor(s) and not of MDPI and/or the editor(s). MDPI and/or the editor(s) disclaim responsibility for any injury to people or property resulting from any ideas, methods, instructions or products referred to in the content.

Share and Cite

MDPI and ACS Style

Liu, J.; Guan, B. Energy Management Strategy of Urban Rail Energy Storage System Considering Life Assessment of Train Converter. Electronics 2025, 14, 722. https://doi.org/10.3390/electronics14040722

AMA Style

Liu J, Guan B. Energy Management Strategy of Urban Rail Energy Storage System Considering Life Assessment of Train Converter. Electronics. 2025; 14(4):722. https://doi.org/10.3390/electronics14040722

Chicago/Turabian Style

Liu, Jinyang, and Bo Guan. 2025. "Energy Management Strategy of Urban Rail Energy Storage System Considering Life Assessment of Train Converter" Electronics 14, no. 4: 722. https://doi.org/10.3390/electronics14040722

APA Style

Liu, J., & Guan, B. (2025). Energy Management Strategy of Urban Rail Energy Storage System Considering Life Assessment of Train Converter. Electronics, 14(4), 722. https://doi.org/10.3390/electronics14040722

Note that from the first issue of 2016, this journal uses article numbers instead of page numbers. See further details here.

Article Metrics

Back to TopTop