Next Article in Journal
Research on Heart Rate Detection from Facial Videos Based on an Attention Mechanism 3D Convolutional Neural Network
Next Article in Special Issue
Adaptive DC-Link Voltage Control for 22 kW, 40 kHz LLC Resonant Converter Considering Low-Frequency Voltage Ripple
Previous Article in Journal
Enhancing YOLOv8n with Multiple Attention and MRV Module for Efficient Deep-Sea Pipeline Target Detection
Previous Article in Special Issue
Control Strategy for DC Micro-Grids in Heat Pump Applications with Renewable Integration
 
 
Font Type:
Arial Georgia Verdana
Font Size:
Aa Aa Aa
Line Spacing:
Column Width:
Background:
Article

A Novel Field-Programmable Gate Array-Based Self-Sustaining Current Balancing Approach for Silicon Carbide MOSFETs

by
Nektarios Giannopoulos
,
Georgios Ioannidis
*,
Georgios Vokas
and
Constantinos S. Psomopoulos
Department of Electrical and Electronics Engineering, University of West Attica (Ancient Olive Grove Campus), 250 Thivon & P. Ralli Str., 12241 Egaleo, Greece
*
Author to whom correspondence should be addressed.
Electronics 2025, 14(2), 268; https://doi.org/10.3390/electronics14020268
Submission received: 30 November 2024 / Revised: 3 January 2025 / Accepted: 7 January 2025 / Published: 10 January 2025
(This article belongs to the Special Issue Innovative Technologies in Power Converters, 2nd Edition)

Abstract

In medium- and high-power-density applications, silicon carbide (SiC) metal-oxide semiconductor field effect transistors (MOSFETs) are often connected in parallel increasing the current capability. However, the current sharing of paralleled SiC MOSFETs is affected by the mismatched technical parameters of devices and the deviated power circuit parasitic inductances, even if power devices are controlled by a single gate driver. This leads to unevenly distributed power losses causing different stress between SiC MOSFETs. As a result, unbalanced current sharing increases the probability of severe power switch(es) and system failures. For over a decade, the current imbalance issue between parallel-connected SiC MOSFETs has concerned the scientific community, and many methods and techniques have been proposed. However, most of these solutions are impossible to realize without the necessity of screening power devices to measure their technical parameters. Consequently, system costs significantly increase due to the expensive equipment for screening SiC MOSFETs. Also, transient current imbalance is the main concern of most papers, without addressing static imbalance. In this paper, an innovative approach is proposed, capable of suppressing both static and transient current imbalance between paralleled SiC MOSFETs, under both symmetrical and asymmetrical layouts, through an improved active gate driver and without the requirement for any power device screening process. Additionally, the proposed solution employs a self-sustaining algorithmic approach utilizing current sensors and a field-programmable gate array (FPGA). The functionality of the proposed solution is verified through experimental tests, achieving current imbalance suppression between two paralleled SiC MOSFETs, actively and autonomously.

1. Introduction

Power electronics converters are one of the most significant parts of components of medium- and high-power applications, such as the main inverters of electric vehicles and their chargers. However, power converters should be able to operate under high-frequency conditions and high-temperature environments, offering high-current capability, increasing power density, and reducing cost. Therefore, new technology power converters feature minimized volume and high efficiency, reliability, and durability over short-circuit/overvoltage circumstances. For this reason, wide bandgap (WBG)-based semiconductor power devices tend to replace conventional silicon (Si) ones due to their outstanding features.
As one of the WBG semiconductor power switches, silicon carbide power switches are believed to be the most suitable replacement for Si ones in power converters. SiC power switches, such as SiC MOSFET, can operate under higher blocking voltage, offering faster switching speed and better electro-thermal performance. This is attributed to the superior material properties, such as wide bandgap, high critical field, and thermal conductivity. Because of its more stable design, low cost, and reasonably mature technology, SiC MOSFETs can rightfully replace conventional power devices. Higher thermal conductivity, temperature capability, and breakdown voltage are further enhanced features of SiC MOSFETs. Also, they can operate under high switching frequency, offering lower on-resistance and no tail current because of their unipolar structure. These characteristics result in lower power losses and a reduced number of passive components, minimizing the volume of power converters. Moreover, the driving of SiC MOSFETs requires low-complexity gate drivers [1,2,3].
In contrast to Si semiconductor switches, the chip area of SiC power switches is smaller due to fabrication process restrictions, such as the low yield rate in the wafer and high thermal and mechanical stress upon the device, resulting in lower current capability. Nowadays, the highest drain current of discrete SiC MOSFETs reaches up to 225 A and 100 A with breakdown voltage of 1.2 kV and 1.7 kV, respectively. Consequently, SiC MOSFETs can only be incorporated into medium- and high-power applications by parallel connecting multiple SiC devices [4,5,6,7,8].
On the other hand, the parallel operation of SiC MOSFETs is always accompanied by an unpredictable current imbalance. This results in deviated power losses for SiC MOSFETs during the conduction stage and transient intervals. In this way, junction temperature sharing between power devices is differentiated. The extended imbalance of junction temperature will eventually bring power switch(es) to thermal runaway [9,10]. In addition, current imbalance may cause an over-current and overheating incident, jeopardizing device(s) safety. For this reason, dealing with the current imbalance issue is essential, offering an equally distributed heat sharing between SiC MOSFETs and eliminating any possible power device failure attributed to high junction temperature fluctuation [4,11,12].
Current imbalance is mainly caused by the mismatch of device parameters. On-state resistance (RDS-on) mismatch always leads to static current imbalance which occurs during the conduction stage. Moreover, deviation in threshold voltage (Vth) and transconductance (gm) causes dynamic current imbalance during turn-on and -off transients [4]. Additionally, the Vth of high-voltage SiC MOSFETs can be permanent or transitional [13]. Printed circuit board (PCB) layout asymmetry of power circuit also influences the current distribution of SiC power switches [14]. Finally, non-uniform temperature fluctuation provoked by current imbalance worsens device parameter mismatch.
For over a decade, many techniques and methods have been proposed to address the current imbalance issue and ensure an even distribution of drain current between several parallel-connected SiC MOSFETs during transients or even conduction stages.
Zhang et al. [15] and Xue et al. [4,16] solved dynamic current imbalance by proposing a technique that actively samples transient current imbalance using current sensors. Additionally, the dynamic imbalance was minimized with the aid of an analog controller and an active gate driver that synchronized the drain currents of the SiC MOSFETs.
Static and/or dynamic current imbalances have also been addressed by incorporating additional elements into power and/or control circuitry. In the methods described in [11,17], dynamic imbalance was eliminated by varying control voltages of SiC MOSFETs during turn-on and turn-off intervals, with the incorporation of externally coupled inductance and same-size gate resistors. Similarly, the solution in [18] minimized only turn-on imbalance by adding gate resistors of different magnitudes and differentiating impedance between gate loops. The solution in [19] suppressed turn-on imbalance by delaying the charging of the input capacitance (Ciss) of the SiC MOSFET with the lowest Vth through an increase in its gate resistor. The solution in [20] proposed a mitigation technique for the circulating current by adding extra impedances to the drive circuit. By connecting external resistors of the same size in series with the drains of the paralleled SiC MOSFETs, the techniques described in [8,21] reduced only static imbalance. Moreover, the entire imbalance was mitigated using a differential mode choke [8]. The solutions in [22,23] connected coupled inductors in series with the drains of the power switches to eliminate both static and dynamic imbalances. On the other hand, a modified approach to applying these two techniques—balancing the parallel currents while overcoming issues caused by the coupled inductor—was proposed by [24]. Finally, [25] used a series-connected planar transformer with the drains of SiC MOSFETs to suppress the whole imbalance.
The solutions in [1,26,27,28,29,30,31,32] addressed static and dynamic imbalances by proposing innovative screening techniques to find SiC MOSFETs with similar device parameters, such as RDS-on, Vth, and gm since the magnitude of each device parameter varies within a range specified by the datasheet of the power device. With the application of a screening-type method, a well-balanced current distribution is ensured without applying any current balancing method. The solutions in [10,33] state that one way to mitigate the current imbalance, caused by power circuit asymmetry, is to lower the mismatches of drain and common source parasitic inductances between power devices. However, the solution in [34] connected a common mode choke to the gate loop of each power switch, minimizing current imbalance due to the PCB layout asymmetry, depending on choke mutual inductance. Finally, the solution in [35] improved dynamic current sharing through the reduction in the gate resistance, making the effect of Vth mismatch less significant.
Moreover, the solutions in [36,37] suppressed dynamic imbalance with the aid of a smart gate driver with the ability to generate pulse-width modulations (PWMs) with time delay variations in picosecond time resolution. Also, the solution in [38] suggested a multi-stage gate driver that solves dynamic imbalance by changing the gate resistor during transient intervals. The solution presented in [39] effectively eliminated dynamic current imbalance by utilizing a gate driver capable of modifying the gate-source voltage.
Finally, the solution in [40,41] managed to eliminate static current imbalance by modifying the control voltage, and suppress transient current imbalance by changing the driving signal delay. Also, the solution in [42] mitigated static imbalance by actively adjusting control voltage and eliminated only turn-on imbalance by varying gate signal delay.
All proposed methods can minimize the imbalance between paralleled SiC MOSFETs during the conduction stage and/or transients. However, most of these methods can be realized providing that the parameters of power devices are measured. As a result, power device screening is necessary, which can be performed with power device analyzers [21]. This requirement can be a significant obstacle to their incorporation into the industry due to the extreme cost of the screening equipment and the financial burden of its inclusion in the production process [4]. Also, the effectiveness of most methods has been tested under the assumption of a symmetrical PCB layout.
On the contrary, the techniques of [4,15,16,42] can be implemented without the usage of any screening equipment because the transient imbalance is sampled and actively minimized with an active gate driver. However, static imbalance mitigation is not covered by the solutions in [4,15,16]. The methods of [8,22,23,25] can eliminate both static and dynamic imbalances but their implementation requires the measurement of the parameters of SiC MOSFETs. The solution in [39] attempts to suppress transient imbalance by adjusting the control voltage. This balancing methodology may improve dynamic current sharing, but control voltage modification does not have the same effect on static current sharing. In this way, dynamic imbalance may be minimized but static imbalance could remain unbalanced. On the other hand, the methods of [40,41] dealt with static and dynamic current imbalances but not autonomously. In this way, current sharing is vulnerable to load current fluctuations which influence current imbalances requiring a fully autonomous system capable of monitoring and actively suppressing all current imbalances. Additionally, the technique of [42] addressed static and turn-on current imbalances autonomously, but not the turn-off one. Any variation to control voltage eventually influences transient current sharing leading to extra dynamic imbalance. As a result, turn-off transient current balancing is uncertain since the control voltage actively changes to eliminate static imbalance. Therefore, the dynamic current imbalance issue requires more attention. In addition, the performance of these six methods was tested under a symmetrical layout, which is not always achievable, especially when multiple power devices are connected in parallel. Finally, the methods of [4,15,16,42] are unable to offer a well-balanced current sharing from the first operating cycles jeopardizing system safety from an overcurrent incident, attributed to the current imbalance.
As a solution to [43], an open-loop current balancing technique was proposed capable of manually suppressing the entire current imbalance, independently of the cause, with an active gate driver controlled by an FPGA. The active gate driver was able to minimize the static imbalance by modifying the control voltage. Furthermore, the dynamic current imbalance was manually eliminated by varying the time delays of the driving pulses and the gate resistors. Also, the effectiveness of the open-loop current balancing method was experimentally tested under a symmetrical and asymmetrical layout. On the other hand, current load fluctuations and variations in the operating conditions influence current imbalances. Therefore, current balancing can be effective only by actively monitoring and mitigating all current imbalances. To overcome this disadvantage, a fully autonomous current balancing technique was proposed capable of equalizing parallel currents between parallel-connected SiC MOSFETs during the conduction stage and transients [44,45]. The proposed solution was able to actively detect and automatically minimize static and dynamic current imbalances. In [45], the autonomous current balancing method was designed and presented under a more realistic approach, improving several structure parts such as the active gate driver and current sensing system. However, in [45], the proposed solution was only tested through simulation results and under a symmetrical layout. In addition, in [45], an algorithm was able to capture the turn-on and -off time delays of each SiC MOSFET current to calculate their time differences. During the implementation of the balancing method of [45], it was noticed that this time delay difference was not accurately estimated due to the limited Analog-to-Digital Converter (ADC) sampling capability. For this reason, the current sampling system of [45] requires further improvements to be successfully implemented in a real application, for instance, an expensive ADC with a much higher sampling frequency. In this work, the former issue is addressed with the use of low-cost ultra-high bandwidth comparators combined with low-cost ADCs.
The characteristics of state-of-the-art active gate drivers of the literature are summarized in Table 1. Each active gate driver controls one or more balancing control parameters such as control voltage, time delays of PWM driving signals, and gate resistor which are mentioned in Table 1. In addition, Table 1 illustrates several factors such as current slew rate (diD/dt), drain-source voltage (VDS), switching frequency (fsw), and ringing which can be influenced by the variation in the three control parameters. As shown in Table 1, the current slew rate depends on the control voltage and gate resistor due to their effect on the gate current. Also, the current slew rate affects current ringing which eventually influences VDS. At high switching frequencies, modification of PWM time delays may be restricted due to small switching time period.
In this paper, a novel and self-sustaining current balancing approach is proposed that balances currents between parallel-connected SiC MOSFETs overcoming the issues of previous work. The proposed solution can be implemented without requiring the extraction of the device parameters of the SiC MOSFETs. It actively detects and automatically minimizes static and dynamic current imbalances. Also, an improved dynamic current balancing methodology is proposed making suppression of transient imbalance more effective. Furthermore, even in the first operational cycles, the proposed approach may provide balanced current sharing. An analytical study of the proposed methodologies for balancing parallel currents is conducted in Section 2. The proposed balancing method’s structure and operations are explained in Section 3. Experimental tests are conducted in Section 4 to verify the proposed solution’s efficacy. Section 5 provides detailed instructions for extending the proposed method for more than two parallel devices. Finally, Section 6 concludes this research.

2. Methodologies for Minimizing Static and Dynamic Current Imbalance

This section conducts a mathematical analysis of the factors affecting current sharing in both the conduction stage and the transients. In this way, a static current imbalance suppression method and two dynamic current balancing techniques between parallel-connected SiC MOSFETs are proposed.

2.1. Methodologies for the Mitigation of Dynamic Current Imbalance

Current sharing between SiC MOSFETs during transient intervals is influenced by device parameter mismatch and deviation in parasitic elements due to power circuit asymmetry, leading to dynamic current imbalance. Based on Equation (1), the turn-on delay (td(on)) is affected by technical parameters. Consequently, transient current distribution during the turn-on interval is dependent on the mismatch of device parameters between paralleled SiC MOSFETs, since td(on) is differentiated, causing transient current imbalance [16]. The same applies to the turn-off delay (td(off)) of the power switch.
t d ( on ) = C iss R G   ln V CC V CC V th
Additionally, SiC MOSFET’s drain current (iD) reaches its maximum during the turn-on interval, just before VDS begins to decrease [16]. In this case, SiC MOSFET is currently in a saturation state, and its current is expressed by Equation (2).
di D dt = V CC V th i D / g m L S + R G C iss / g m
LS is the source parasitic inductance, which is common for the power and gate loop, and VCC is the activation voltage of the SiC MOSFET. In addition, diD/dt is the drain current slew rate while RG is the gate resistor. Based on Equation (2), several factors can influence the current slew rate of the SiC MOSFET.
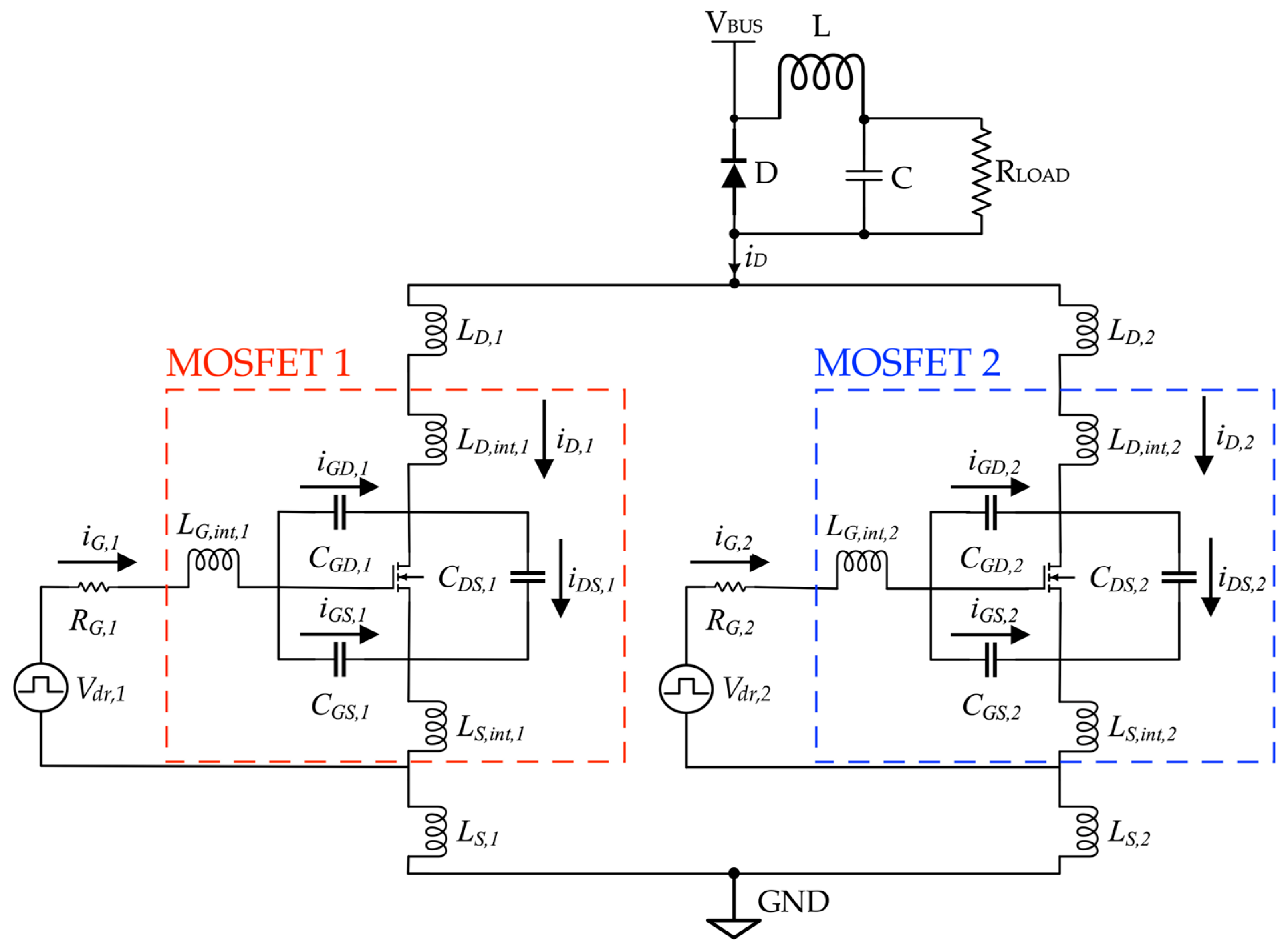
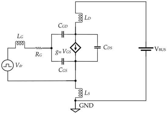
Figure 1 illustrates the small signal model of one SiC MOSFET during turn-on interval. Vdr is the driving voltage which can be switched between VCC and zero or a negative voltage. Furthermore, LG, LD, and LS are the gate stray inductance, drain stray inductance, and common-source stray inductance, respectively, and VBUS is the DC bus power supply. In addition, CGD, CGS, and CDS are gate-drain, gate-source, and drain-source parasitic capacitances, respectively, where Ciss is the sum of CGS and CGD. As a result, transient current deviation can be affected by any differentiation of these factors between paralleled power switches which eventually results in dynamic current imbalance. Finally, Equations (1) and (2) are similar for the turn-off interval.
Equations (1) and (2) show that td and diD/dt depend on RG [16]. The equivalent circuit of two SiC MOSFETs with their gate driver circuits during dynamic intervals is shown in Figure 2. In the below symbols, index i is related to the MOSFET i. Based on Figure 2, every time the gate driver outputs VCC, CGD,i and CGS,i, the power devices are charged by the gate current (iG,i).
In addition, CDS,i is the drain-source parasitic capacitance of the SiC MOSFET. As illustrated in Figure 2, iGD,i, iGS,i, and iDS,i are the currents conducting CGD,i, CGS,i, and CDS,i, respectively. The parasitic inductances of the gate, drain, and source power switch pins are denoted by LG,int,i, LD,int,i, and LS,int,i, respectively. These inductances are mostly caused by the production process and manufacturing technology. iD,i conducts the parasitic inductances LD,i and LS,i, which are attributed to the PCB power circuit. Finally, uGS,i(t) or VGS is the gate-source voltage applied across CGS,i, diD,i(t)/dt is the drain current slew rate, and Vdr,i is the driving voltage extracted in the gate driver output.
Concerning the parasitic inductance of the gate loop (LG,int,i) effect upon Vdr,i, it can be considered as negligible as long as the gate resistor (RG,i) is large enough. Applying Kirchhoff’s voltage law, the gate current loop iG,i can be expressed as
i G , i = V dr , i u GS , i ( t ) L S , int , i   di D , i ( t ) dt R G , i
According to Equation (3), iG,i that charges and discharges CGS,i is influenced by RG,i, affecting power switch transient behavior. In this way, controlling gate current by modifying RG,i can balance the parallel currents during transients, tending to synchronize diD/dt, td(on), and td(off) of power devices.
Ref. [36] states that current imbalance during transient intervals can be minimized by modifying the time delays of the driving signals between SiC MOSFETs. td(on) can be directly changed by regulating the turn-on time delay (tdl,on) of the PWM signal. Also, td(off) can be directly affected by the modification of the turn-off time delay (tdl,off) of the driving signal. The power switch that turns on faster during the turn-on transient is conducted by a higher current than the other one. By increasing the tdl,on of the PWM that drives the fastest power device, turn-on transient imbalance can be minimized. However, the SiC MOSFET with the least amount of current during the turn-off transient turns off faster. Increasing the tdl,off of the PWM driving signal of the fastest power device can reduce the dynamic turn-off current imbalance. Therefore, by properly modifying the time delays of the driving signal(s), the transient current imbalance can be minimized. According to [16], the gate driver shows different control strength and current/voltage waveforms. Consequently, both types of dynamic current imbalance cannot be the same. For this reason, the minimization of the current imbalances during the transients can be achieved by applying different and individual adjustments for the turn-on and -off intervals.

2.2. Methodologies for the Mitigation of Static Current Imbalance

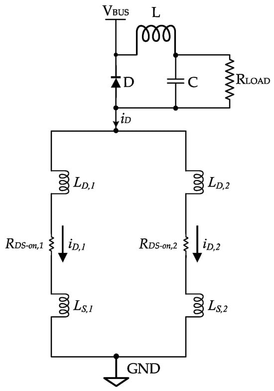
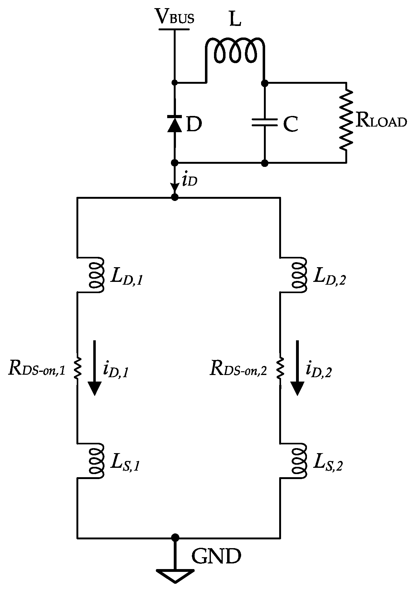
During the conduction stage, SiC MOSFET is equivalent to an ohmic resistance (RDS-on,i, i = 1,2) when VDS  (VGSVth), as shown in Figure 3. The drain pin and PCB power circuit’s total parasitic inductance is denoted by LD,i. Additionally, LS,i is the source pin and PCB power circuit’s total parasitic inductance.
As mentioned above, RDS-on mismatch is the main cause of the static current imbalance between SiC MOSFETs. SiC MOSFET RDS-on includes the positive temperature coefficient (PTC) characteristic, the same way as conventional MOSFETs. In this way, the power device conducting by the highest current results in higher junction temperature and RDS-on as well. This thermal capability could lead to static current imbalance minimization. However, this thermal sensitivity shows more intense for the RDS-on of Si MOSFETs, since it is limited for the RDS-on of SiC MOSFETs [8]. Consequently, the PTC feature of SiC MOSFET RDS-on should not be the only factor used to minimize static current imbalance.
As pointed out earlier, during the conduction state, SiC MOSFET behaves as an ohmic resistance. As a result, Equation (4) can express the power device’s drain current, and Equation (5) can express the static imbalance (ΔiD,static) for two paralleled power devices.
i DS = V DS R DS - on
Δ i D , static = V DS   Δ R DS - on R DS - on , 1 R DS - on , 2
In Equation (5) parameter ΔiD,static tends to become zero as RDS-on difference (ΔRDS-on = RDS-on,1RDS-on,2) between power switches turns low. When an N-channel FET operates in the linear region where VDS  (VGSVth), iD can be expressed by Equation (6). μn is the electron mobility, Cox is the oxide capacitance, and L and W are the gate’s length and width, respectively [46].
i D = μ n   C OX W L V GS   V th V DS
Combining Equations (4) and (6), on-state resistance is expressed by Equation (7).
R DS - on = 1 μ n   C OX W L V GS   V th
In Equation (7) parameter RDS-on is directly dependent on VGS magnitude. Since the drain current of the power device is affected by RDS-on during the conduction stage, ΔiD,static can be eliminated by properly adjusting the VGS of the correct SiC MOSFET.
On the other hand, static and transient current distribution are affected by any variation upon VGS. As [21] supports, iD fulfills Equation (8) during the SiC MOSFET’s switching intervals.
i D = 0       V GS   <   V th   g m V GS   V th                     V th   <   V GS <   V GP I L                                               V GS   >   V GP
where IL is the load current and VGP is the plateau voltage attributed to the Miller effect.
In Equation (8), it is obvious that VGS difference (ΔVGS) affects transient current deviation because iD is influenced by VGS variations even during transient intervals. On the other hand, the effect of ΔVGS is not common for every current imbalance type. Therefore, the elimination of all current imbalances can be achieved by applying individual adjustments upon VGS for the conduction stage and transients.
It is concluded that the suppression of the static current imbalance can be achieved through the modification of the correct VGS. Moreover, the dynamic current imbalance can be limited by varying only RG such as [4,15,16,38], or regulating only time delays of driving signals, as the solutions in [36,37,40,41,42] propose. However, pairing the two transient current balancing methods makes dynamic current imbalance suppression even more feasible since time delays of PWMs as well as drain current slew rates of paralleled power devices can be modified.

3. Structure of Proposed Current Balancing Approach

Static and transient current imbalances need to be minimized individually, since it is difficult to know the current imbalance type and magnitude in advance, due to the impact of several factors. In addition, knowledge of device parameter mismatch, operating conditions as well as current imbalance, and parasitic inductance deviation or magnitude should not be a prerequisite for the realization of a current balancing method. The solution in [43] may minimize the current imbalance, satisfying these demands, but not actively. For this reason, the proposed method is capable of dealing with the current imbalance error, overcoming this issue.
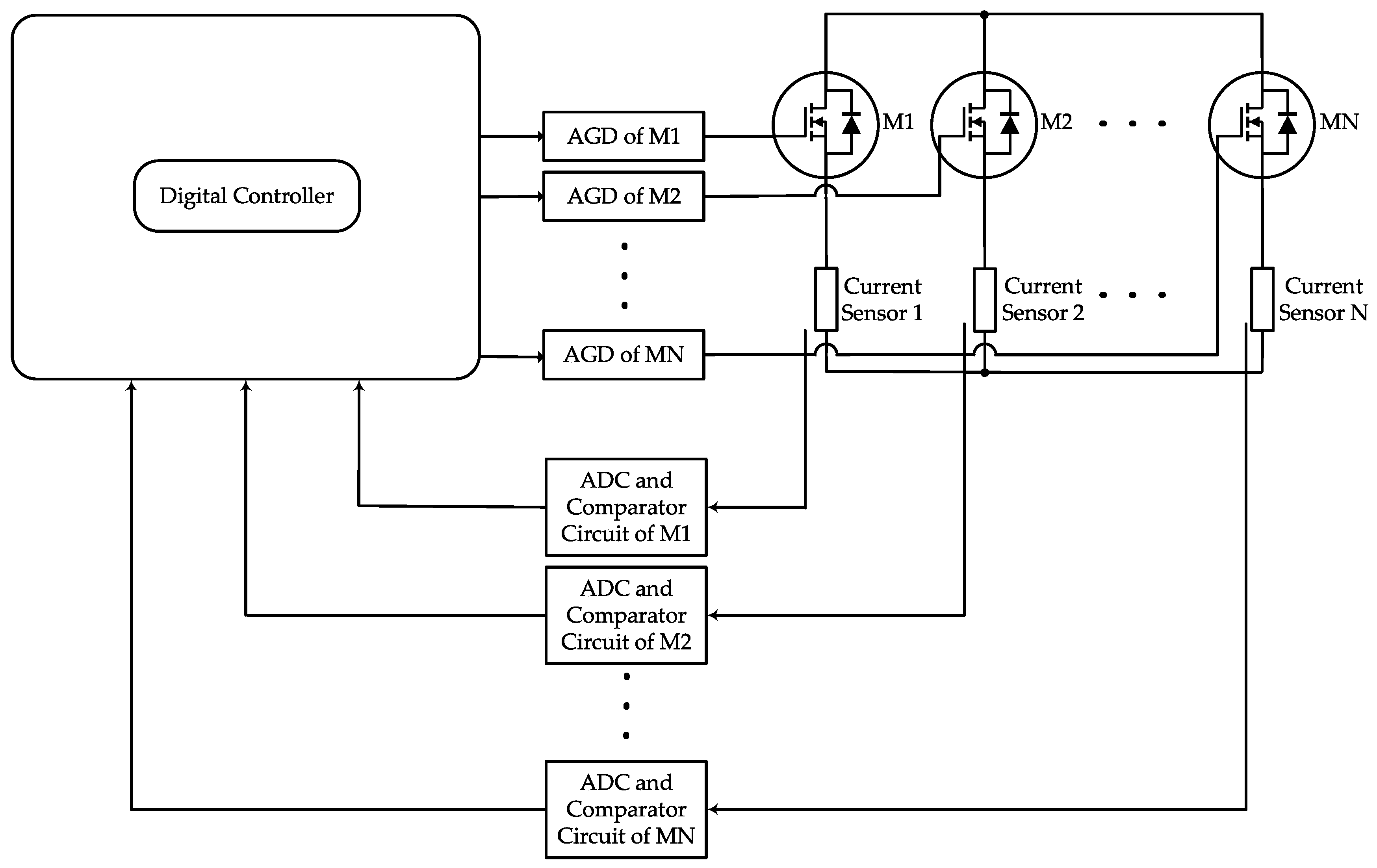
This section provides a detailed description of the proposed self-sustaining method’s structure and operating principles, including three parts, as shown in Figure 4.
  • Current sensors, ADCs, and comparator circuits: For every paralleled power device, a current sensor of high bandwidth and accuracy is utilized, measuring the drain currents during the conduction stage and transients. Every drain current is measured with a shunt resistor. Then, the developed voltage across the shunt resistor is digitalized with an ADC of high sampling capability. Also, a comparator circuit is used to capture the time delays during the turn-on and -off intervals of every current.
  • Digital controller: PWM signals are generated with a digital controller, controlling the paralleled devices. The controller receives the parallel currents from the ADC and calculates the current imbalances along with the time delay differences during the turn-on and -off intervals between the power devices. Next, whether the current imbalance exceeds a certain level, the controller starts to properly adjust VGS, RG, tdl,on, and tdl,off depending on the type of current imbalance, suppressing both static and dynamic current imbalances.
  • Gate driver: An active gate driver (AGD), which can drive paralleled SiC MOSFETs and automatically modifies VGS and RG in response to corrections made by the digital controller, is employed for each SiC MOSFET.

3.1. Structure and Capabilities of the Proposed AGD

The gate drivers and driving pulse generator of power devices can control all parameters that impact current sharing. In this direction, an AGD is proposed to drive the SiC MOSFETs and adjust these parameters to minimize the entire imbalance. The application of the proposed technique requires a gate driver for each power device to impose different adjustments to the control parameters among SiC MOSFETs.

3.1.1. Active Gate Driver Operation Principles

The AGD can apply the driving voltages VCC and VEE to activate and deactivate the power switch, respectively, as shown in Figure 5. Additionally, VCC is actively modified by a low-cost forward converter (FC), the amplitude of which is determined by the duty cycle of the PWM that drives the forward converter switch (PWMVCC). The digital controller is responsible for the control of the PWMVCC’s duty cycle. Since a non-isolated gate driver IC drives the power switch, the forward converter of VCC is placed between VCC and the power device gate driver, providing DC–DC isolation. Consequently, applying the appropriate variations in the proper VCC minimizes static current imbalance.
As mentioned above, a well-balanced transient current sharing can be achieved by applying the suitable corrections to tdl,on, and tdl,off of the correct PWMdr signal(s). However, an evenly transient current sharing is not always possible only by variating the time delays of the PWM signal. Modifying the turn-on and -off time delays can only influence td(on) and td(off) of the power device currents, respectively, without any effect upon current slopes. As a result, the dynamic current imbalance suppression process should be performed by properly adjusting not only td(on) and td(off) but the current slopes as well. As a result, transient current imbalance should be reduced by altering the PWM time delays and limited by varying the gate current(s) of the appropriate SiC MOSFET(s). This pattern makes the proposed method able to correct any dynamic imbalance.

3.1.2. Active Gate Driver Design

Each of the two gate sub-branches includes one resistor (RG-on and RG-off) and an auxiliary low-cost MOSFET (Maux,on and Maux,off), connected in series, as depicted in Figure 5. Maux,on and Maux,off serve as variable resistors controlled by voltage because the RDS-on of a MOSFET is controlled by its VGS. As a result, the total resistance (Ron and Roff) of each sub-branch can be controlled through the variation in the corresponding VGS, affecting td(on) and td(off) as well as the current slope. The charging gate current is controlled by the upper sub-branch while the discharging one is variated by the lower sub-branch. The cost-effective ultra-fast diodes DG-on and DG-off, which are connected in series with the components of the upper and lower sub-branch, respectively, are used to independently adjust the gate currents. Two additional forward converters are utilized to control the gate-source voltages of Maux,on and Maux,off. The output voltages of the forward converters depend on the duty cycles of the PWMon and PWMoff signals. Each paralleled SiC MOSFET requires four different driving pulses while the duty cycles of all PWM signals are generated and controlled by the digital controller. It is concluded that the proposed gate network turns the sub-branches into gate current sources controlled by voltage.

3.1.3. ADC and Comparator Circuit Design

Time delays during each drain current’s turn-on and -off intervals are necessary for the proposed method’s implementation in order to estimate their differences. For this reason, a comparator circuit with the aid of an operational amplifier is used to capture the turn-on and -off time delays of each parallel current, as shown in Figure 6. R1 and R2 are the resistances of a voltage divider to regulate the voltage in which the output voltage (Vout) of the comparator turns high. +V is the voltage supply of the operational amplifier. Finally, Vout leads to the digital controller.
The feedback signal of the Rshunt, which is connected to the ADC, should receive an Analog-to-Digital (AD) conversion. In continuous, the digital signal leads to the digital controller. Moreover, the validity of the balancing technique is strongly related to the sampling frequency and resolution of ADC for capturing the fast current changes, enabling the digital controller to calculate all current imbalances with the minimum calculation error. As the current level increases, the required resolution of the ADC should be increased, making AD conversion more accurate. Therefore, the sampling capability of the ADC should be high enough to effectively sample SiC MOSFET currents during transients. However, the sampling process of many external ADCs of high sampling frequency requires a driving signal that should be equal to the sampling frequency of the ADC. For this reason, the selection of the proper ADC is significantly related to the fundamental clock frequency of the digital controller.

3.2. Current Measurement Method

High-bandwidth sensors are necessary to accurately monitor the drain current of each paralleled power switch because of the rapid switching speed of SiC MOSFETs. According to [47], surface mount resistors can offer measurement bandwidth of hundreds of megahertz, resulting in highly accurate current sensing. For this reason, the drain current of every SiC MOSFET is measured with a current sensing resistor (Rshunt). The power device’s source pin is connected in series with each Rshunt. Based on [47], the current sensing accuracy of Rshunt depends on parasitic inductance and magnitude of Rshunt. Therefore, Rshunt parasitic inductance and resistance should be on the order of nanohenry and milliohms, respectively. Also, Rshunt should have low resistance posing an insignificant effect on current rating and system efficiency. Additionally, the current shunt value should be kept as constant as possible requiring current shunts of quite small tolerance. Moreover, temperature variations can also affect the current shunt magnitude jeopardizing measurement accuracy. As a result, temperature influence can be minimized by using current shunts of low-temperature coefficient.

Current Sampling System

To calculate all current imbalances, the drain currents are sampled by the digital controller during specific time areas/points of the period. Static current imbalance is present only during the conduction stage. With the variation in VGS, the static current imbalance is suppressed during the entire conduction state of power switches. To estimate static current imbalance, the parallel currents should be captured at the sampling point (ΙD,static) exclusively during the conduction stage and not close to the transients where currents present a level of ringing, as illustrated in Figure 7.
As shown in Figure 8, the transient current imbalances are estimated by sampling each power device’s peak current during turn-on (ΙD,on-peak) and -off (ΙD,off-peak) intervals. Moreover, during the turn-off stage, the controller calculates the maximum difference between SiC MOSFET currents (ΔΙD,off-max), as shown in Figure 9.
The proposed dynamic current imbalance methodology requires the td(on) and td(off) of each power device. Both time delays are measured with the aid of a comparator circuit, built with an op-amp, for every SiC MOSFET. During the turn-on interval, the output of each comparator turns “high” when the drain current exceeds a specific limit. On the other hand, during the turn-off interval, since the drain current falls under a certain level, the comparator output turns “low”. The digital controller receives the signals from the comparators and measures time delay differences during the turn-on (Δtd,on) and -off (Δtd,off) intervals, as shown in Figure 10. Finally, the sampling time point/areas are automatically synchronized based on the duty cycle and the switching frequency.

3.3. Functions and Capabilities of the Digital Controller

Regardless of the current balancing method, the digital controller generates the PWM signals with the ability to control the duty cycle and switching frequency. Moreover, the digital controller drives the forward converters with three PWMs with a predefined frequency. As shown in Figure 11, the digital controller follows a specific procedure to resolve the current imbalance error. Initially, the digitalized parallel current signals from the comparator outputs and external ADCs are sent to the controller. In every cycle, the controller samples the parallel currents and time delays, as described earlier, and calculates the level and polarities of all imbalances. Whether static and/or dynamic imbalance is detected, the controller identifies which of the devices is conducted by the largest and least current during each stage. In this case, the controller starts adjusting the appropriate power switch’s control parameters. The procedure of balancing is carried out until all imbalances have been mitigated. Once the three imbalances (Δi) decrease below a low magnitude limit (γ), the controller stores all the changes made to the control parameters. Parameter γ is a design factor that defines the minimum acceptable level of static and dynamic current imbalance. Therefore, even during the first operating cycles, a well-balanced current sharing amongst power devices can be provided without suppressing the total current imbalance in each ignition.
Generally, the balancing process is delayed due to the usage of a quite small variation step for each control parameter retaining the current imbalance at a low level. Also, the algorithm does not modify the control parameters in every switching cycle because the output voltages of the forward converters cannot instantly change from one voltage level to another. The number of cycles needed to reach a satisfactory balancing condition depends on (a) the level of current imbalance, (b) the parameter γ, and (c) the level of load current. The larger the load current and current imbalance and the smaller the parameter γ, the greater the number of cycles required. These disadvantages are addressed with the storage of the modifications on control parameters and the application of these modifications in every ignition of the power converter. In this way, the balancing process requires several cycles to reach a satisfactory balancing condition only in the first attempt to minimize the current imbalance.
Finally, the selection of parameter γ is a trade-off among an acceptable level of current imbalance, the current magnitude of each SiC MOSFET, and the number of cycles until a satisfactory balancing condition is achieved.

3.3.1. Current Balancing Methodology

The current signals are first received by the digital controller, which then compares them. The digital controller calculates the levels and polarity of static and dynamic imbalance. Based on the polarity of each imbalance, the controller starts to modify the control parameters of the correct power device, limiting the three imbalances and following automatically a specific order, as illustrated in Figure 12. When static current imbalance (Δistatic) is greater than γ, the controller only increases the VCC of the paralleled device conducted by the least current (iD,st,low) during this stage, limiting static current imbalance, as shown in Equation (9). After a certain point (VCC,max), the controller ceases to increase VCC any further to avoid any damage to the power device. In case the static imbalance remains, the controller continues to suppress Δistatic by decreasing the VCC of the paralleled device carrying the highest current during this stage (iD,st,high), as shown in Equation (10).
If Δistatic > γ AND VCC of iDst,low < VCC,max
THEN VCC of iD,st,low
If Δistatic > γ AND VCC of iDst,high >= VCC,max
THEN VCC of iD,st,high
Static current balancing methodology follows this pattern in order to eliminate Δistatic affecting the level of conduction losses as little as possible. Decreasing VCC results in an increase in conduction and switching losses since the gate current lowers and the RDS-on of the power device becomes greater. Hence, it is essential to eliminate static current imbalance with the least increase in conduction losses. For this reason, static current imbalance is mitigated with the decrease in the SiC MOSFET RDS-on with the least current.
The static current balancing process does not proceed when static imbalance falls under γ. If dynamic current imbalance is detected and Δistatic is lower than γ, the controller starts to mitigate it by matching the peak currents during turn-on (ΔiD,on) and -off (ΔiD,off) transients. The controller suppresses ΔiD,on if Δtd,on is above zero and ΔiD,on is higher than γ and greater than a certain level (γDyn). In this case, it starts to increase tdl,on of the PWM that controls the SiC MOSFET, which is conducted by the highest current during the turn-on interval (iD,on,high), as Equation (11) illustrates. As indicated in Equation (12), the controller ceases adjusting tdl,on if Δtd,on equals zero or ΔiD,on is less than γDyn and ΔiD,on is still higher than γ. Instead, it begins lowering the charging iG of the SiC MOSFET with the highest current by decreasing the control voltage (Vctl-M,on) of the correct Maux,on until ΔiD,on falls below γ.
If Δistatic < γ AND ΔiD,on > γ AND ΔiD,on > γDyn AND Δtd,on > 0 ns
THEN tdl,on of iD,on,high
If Δistatic < γ AND ΔiD,on > γ AND (ΔiD,on < γDyn OR Δtd,on = 0 ns)
THEN Vctl-M,on of iD,on,high
Furthermore, as illustrated in Equation (13), the controller increases tdl,off of the PWM controlling the SiC MOSFET with the lowest current during the turn-off transient (i,Doff,low) if ΔiD,off is greater than γ and greater than γDyn while Δtd,off is greater than zero. The controller ceases adjusting tdl,off when Δtd,off drops to zero or ΔiD,off falls below γDyn, and ΔiD,off stays above γ. According to Equation (14), in this instance, the controller lowers the discharging iG of the SiC MOSFET with the lowest current by lowering the Vctl-M,off of the correct Maux,off until ΔiD,off is less than γ.
If Δistatic < γ AND ΔiD,off > γ AND ΔiD,off > γDyn AND Δtd,off > 0 ns
THEN tdl,off of iD,off,low
If Δistatic < γ AND ΔiD,off > γ AND (ΔiD,off < γDyn OR Δtd,off = 0 ns)
THEN Vctl-M,off of iD,off,low
The first reason behind the usage of γDyn is to eliminate dynamic imbalances of small magnitude. The modifications of tdl,on and tdl,off have a greater influence on transient sharing than the variations in gate currents. This is attributed to the magnitude of the least variation step of each dynamic current balancing method. The forward converters can modify gate currents with very small modification steps making the suppression of small dynamic imbalances more effective. This could also be possible with the variation in tdl,on and tdl,off, in case their minimum variation steps were of the order of picoseconds. However, slew rates of parallel currents could not be affected which is out of the scope of the proposed transient balancing method. The second reason is to facilitate the swing between the two dynamic balancing methods, synchronizing both time delays and slew rates of the parallel currents. Moreover, γDyn has the same magnitude for both turn-on and -off imbalances. The elimination of the turn-on and -off transient current imbalances is conducted at the same time. The purpose behind this dynamic balancing methodology is to achieve a well-balanced current sharing during the entire duration of the transient intervals.
In case Δistatic becomes larger than γ, the dynamic balancing process is suspended until parallel currents during the conduction stage become once again lower than γ. The balancing process needs to follow this current balancing pattern since VCC modification influences both static and dynamic current imbalances. Otherwise, the controller may be unable to eliminate transient current imbalances by imposing false adjustments to the control parameters.
Figure 12 describes the current balancing strategy that should be followed to balance the parallel currents. The required time of the balancing strategy depends on the balancing cycles until a satisfying current sharing is achieved. However, the entire process of modifying one control parameter includes the time required for the sampling performed by the ADC as well as the transfer of the signal up to the FPGA which can executed within a few ns. Also, the computation time, required from the algorithm to execute each step of the proposed strategy, depends on the fundamental clock frequency of the FPGA. Finally, the algorithm makes decisions about the balancing process during the time interval of the period in which the power switch is turned off.

3.3.2. Storage System of Control Parameters Modifications

Active current balancing techniques of the solutions in [4,15,16,42] can mitigate current imbalance requiring several operating cycles until parallel currents are equally shared. Consequently, these techniques may actively monitor and mitigate the current imbalance, but not from the first cycle. When all imbalances fall below γ, the digital controller can store a combination of modifications made on control parameters to reduce the number of balancing cycles. Moreover, the digital controller can initiate the driving of the power devices applying a stored combination to the control parameters. In this way, the suppression of the entire current imbalance is avoided in each ignition, requiring much fewer operating cycles until the parallel currents become almost equal. Also, the possibility of any overcurrent condition, attributed to the current imbalance, is eliminated.

4. Experimental Validations and Results

4.1. Test Platform

The durability and effectiveness of the balancing solution are validated through experimental tests, unlike [44,45]. In this direction, an experimental test platform is set, as depicted in Figure 13. Also, Table 2 mentions the utilized equipment. The experimental setup includes a DC–DC buck converter built with two paralleled Wolfspeed SiC MOSFETs C2M0080120D (M1 and M2) and a SiC Schottky E4D20120D of Wolfspeed (Durham, NC, USA) as the free-wheeling diode (D). The buck converter includes an LC filter to smooth the output voltage, powering a resistive load. The proposed method is implemented by constructing two active gate drivers, powered by a DC power supply. The surface mount resistor (Rshunt) LTR10LEZPFLR100 of ROHM Semiconductor (Ukyo Ward, Kyoto, Japan) with resistance of 100 mΩ is used to measure each drain current. Additionally, an FPGA is utilized to carry out all the digital controller’s operations, producing a total of eight PWM signals for controlling the forward converters and SiC MOSFETs. Additionally, the Nexys A7-100T FPGA of Digilent (Pullman, WA, USA), which has multiple switches, two seven-segment displays to view the control parameter alterations, and a few pushbuttons to control switching frequency and duty cycle, is used to implement the current balancing algorithm. Some of the FPGA switches are used to enable the driving of the power switches (Drv Activation SW) and all forward converters (FC Activation SW), and the control of the frequency and duty cycle (Frequency Ctl SW and Duty Cycle Ctl SW, respectively). Additionally, two PCB ADC and comparator circuit boards are constructed while the supply voltage of 3.3 V is provided by the FPGA. Two external 8-bit parallel Analog-to-Digital Converters (ADC08200) of Texas Instruments (Dallas, TX, USA), which can sample at 200 Msps, are connected to the FPGA board inputs in order to digitize the analog signals derived from the current sensors. The sampling process of the ADC08200 requires an external driving signal. For this reason, another two PWM signals of 200 MHz are generated with the aid of the FPGA. The algorithm could also capture td(on) and td(off) of each SiC MOSFET by receiving and properly sampling the digital signals of ADCs as conducted in [45]. However, this could only be achievable by using ADCs of much higher sampling frequency which increases the implementation cost of the proposed method. For this reason, the sampling of td(on) and td(off) for every power device is performed by the comparators, making the proposed technique more reliable and cost-effective.
VBUS is generated with the aid of a three-phase full-bridge diode rectifier while the DC output voltage is smoothed using two electrolytic capacitors of 1500 μF. The experimental test platform is illustrated in Figure 14.
In all experimental tests, the input DC bus voltage of the DC–DC power buck converter is 200 V. The SiC MOSFETs operate under a switching frequency of 25 kHz with a duty cycle of 25%. The resistive load (RLOAD) is equal to 10 Ω. Vdr is initially set to 20 V and −5 V for activating and deactivating every SiC MOSFET, respectively, while VCC is controlled by the PWMVCC signal. Finally, RG-on and RG-off are equal to 10 Ω, while Vctl-M,on,i and Vctl-M,off,i are the control voltages of Maux,on and Maux,off, respectively, influencing gate currents. In addition, Vctl-M,on,i and Vctl-M,off,i are initially set to 5 V and modified through the PWMon and PWMoff signals, respectively.
The proposed gate driver has quite a low power loss impact upon the system due to the low-power forward converters. Each of the gate drivers is powered by a 17 V DC power source (Vin), whereas the total input current and power are 0.18 A and 3.06 W, respectively when VCC = 20 V and VEE = −5 V. The output power of the proposed active gate driver is about 2.1 W offering an efficiency of about 70% which is a rather satisfactory percentage considering that SiC MOSFETs can be incorporated into power systems of kW. The commercially available CGD15SG00D2 gate driver of Wolfspeed is built and designated to drive the SiC MOSFET C2M0080120D, using an isolated DC/DC converter with 2 W output power and 86% efficiency, resulting in 2.3 W of input power. Compared to CGD15SG00D2, the reduced efficiency of the proposed active gate driver may be attributed to the usage of the auxiliary MOSFETs, which constantly operate in the linear region, and the three forward converters.

4.2. Current Sensing System Accuracy

Two experimental tests are used to confirm a surface mount resistor’s measurement accuracy. In the first test, the LTR10LEZPFLR100 surface mount resistor with a power rating of 1 W, 1% tolerance, and temperature coefficient less than 150 ppm/°C is used to measure the drain current of a single SiC MOSFET. The coaxial shunt resistor SDN-414-01 of T&M Research Products (Albuquerque, NM, USA) with a 400 MHz measurement bandwidth is used to repeat the same test in the second test. As shown in Table 2, the BNC coaxial connector CONBNC002 of TE Connectivity (Galway, Ireland) and the high bandwidth BNC coaxial cable 141-12BM+ of Mini-Circuits (USA) are used to monitor the produced voltage signal across the current sense resistor, illustrated in the digital oscilloscope MSOX3014A of Keysight (Santa Rosa, CA, USA). In Figure 15, the current waveforms of the two tests are compared during the three current stages, proving the measurement performance of the surface mount resistor.

4.3. Proposed Dynamic Current Balancing Method Effectiveness

Three experimental experiments are carried out to examine the efficacy of the proposed dynamic current balancing methodology. In these tests, a pair of SiC MOSFETs are parallel-connected, leading to static and dynamic current imbalance provoked by the mismatch between the device parameters while the power circuit layout is symmetrical. Static current imbalance is suppressed in all tests by applying the appropriate changes to the appropriate control voltages. However, the dynamic current imbalance is mitigated in three different manners. In the first test, the dynamic current imbalance is minimized by modifying only the gate currents. In the second test, the transient current imbalance is suppressed with the variation in the time delays of the driving signals. In the third test, the dynamic current imbalance is eliminated by adjusting both the time delays of the driving signals and the gate currents of the power switches. A comparison between the experimental results of the three tests is presented in Figure 16 and Figure 17 for the turn-on and turn-off dynamic current imbalances, respectively, illustrating the drain currents of the SiC MOSFETs along with the gate currents and gate-source voltages during the turn-on and -off intervals. All gate-source voltages are measured with two voltage prodes N2862A of Agilent (Santa Clara, CA, USA). Table 3 presents the control parameters without and with all the modifications applied in each experimental test. Based on the experimental results, the proposed transient current balancing pattern is more effective compared to the other methods, making the dynamic current imbalance suppression more feasible, especially for the elimination of the turn-on current imbalance.

4.4. Experimental Test Results

Two experimental tests are carried out to evaluate the proposed solution’s efficacy. In the first test, a pair of SiC MOSFETs connected in parallel resulted in both static and dynamic current imbalance due to the difference in the device parameters between power switches. Also, the power circuit layout is symmetrical, excluding any current imbalance caused by parasitic inductance deviation. In the second test, another two SiC MOSFETs are connected in parallel which initially does not provoke any current imbalance, unlike the simulation tests of [45] because all tests were performed under a symmetrical layout. Nevertheless, an asymmetrical layout is designed by purposefully connecting the paralleled SiC MOSFETs with various gate, drain, and source pin lengths. This causes static and transient current imbalance which is mainly attributed to the drain and common source parasitic inductance difference. Gate parasitic inductance mismatch has an insignificant effect on transient current deviation [33]. The experimental results are compared without and with the proposed solution. γDyn is set to 1 A to eliminate the dynamic current imbalance. Moreover, γ is set to 0.3 A, achieving a well-balanced current sharing and keeping conduction and transient power loss distribution at low levels. Figure 18, Figure 19, Figure 20, Figure 21, Figure 22 and Figure 23 depict the experimental results, illustrating the drain currents of the SiC MOSFETs along with the gate currents and gate-source voltages during the turn-on and -off intervals. Table 4 and Table 5 present the applied adjustments to the control parameters. The VCC of SiC MOSFET C2M0080120D has an absolute maximum value of 25 V. For this reason, the balancing algorithm can increase VCC up to 23 V to avoid any damage to SiC MOSFETs. Table 6 and Table 7 report the levels of current imbalances (ΔID) and the current slew rates of each drain current, without and with the usage of the proposed balancing solution, for both tests.
The experimental results show that when the proposed solution is applied, the peak currents (IDmax), the conduction stage currents, and the current slew rates between the SiC MOSFETs are almost matched in both experiments. Before the application of the proposed solution, the current imbalance is present during the three current stages of SiC MOSFETs. On the other hand, the proposed solution manages to suppress all current imbalances automatically and independently by applying the proper corrections to the control parameters. Consequently, the effectiveness of the proposed current balancing procedure against various impact factors is confirmed. In this way, the power devices’ safe operation is guaranteed, especially from dynamic imbalance, which leads to a deviated distribution of switching power losses, compromising system safety at a serious level.
The proposed balancing method starts to balance the parallel current during the conduction stage by automatically increasing the correct VCC, lowering the RDS-on of the SiC MOSFET conducting by the least current. However, the VCC of the SiC MOSFET C2M0080120D cannot be higher than 25 V. Therefore, the remaining static current imbalance should be eliminated by reducing the VCC of the power switch with the greatest current until the on-resistances of all power devices are equalized. The transient current deviation is affected by the VCC difference, but it can be eliminated by applying the proposed suppression strategies for the dynamic current imbalance. In this way, a well-balanced current sharing is offered, equalizing conduction and switching losses and allowing power devices to share almost the same temperature and heat.

4.5. Performance of the Modification Storage System

Once the algorithm has already stored a combination of all the control parameter variations, the ignition of the power application starts, applying the stored modifications to the control parameters. To validate the effectiveness of that ability, the DC–DC power converter utilizes the parallel-connected SiC MOSFETs of the first experimental test. The power converter is initiated under a VDS of 50 V, 100 V, 150 V, and 200 V, controlling VBUS, with and without the use of a stored combination of modifications, because the current imbalance is influenced as drain current changes. The purpose of the experimental tests is to compare the current deviation before and after a combination of stored modifications is implemented. Figure 24a, Figure 25a, Figure 26a and Figure 27a depict the current sharing among SiC MOSFETs where the controller tends to suppress the current imbalance without applying any stored combination. On the other hand, Figure 24b, Figure 25b, Figure 26b and Figure 27b illustrate the current deviation between SiC MOSFETs where a stored combination is implemented.
Comparing the experimental results of Figure 24, Figure 25, Figure 26 and Figure 27, it is concluded that the algorithm storing ability offers a well-balanced current distribution under four different VDS and drain current levels, validating its effectiveness. Additionally, the entire imbalance is kept at low levels, avoiding any overcurrent event provoked by the current imbalance, especially during the dynamic stages.

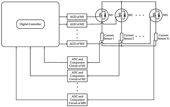
5. Extending the Proposed Balancing Solution for Paralleling Multiple Devices

To incorporate a current balancing method to medium- and high-power applications, scalability is essential. Therefore, it is necessary to connect multiple power devices in parallel, since increased current capability is demanded. For example, the three-phase two-level inverter topology of a Tesla Model 3 (Austin, Tx, USA) uses 24 SiC MOSFETs of 650 V and 100 A, connecting in parallel four power devices to each branch [48].
The proposed balancing solution can be extended for connecting multiple devices in parallel. The extended design of the proposed technique, connecting in parallel N devices, is depicted in Figure 28. To extend the proposed self-sustaining technique for multiple power devices, an active gate driver, a current sensor (Rsense), an ADC and a comparator circuit are mandatory for each SiC MOSFET. Moreover, the algorithm should be adjusted to receive more than two parallel currents and time delays. Also, the algorithm should drive more than two SiC MOSFETs and adjust their control parameters.
According to [49], an active current balancing method can balance more than two parallel currents utilizing the master–slave topology. One parallel current is defined as the master and the others as the slaves to successfully suppress current imbalance. Consequently, the algorithm needs to force the slave currents to be matched with the master current by applying the appropriate variations to the correct SiC MOSFETs.

6. Conclusions

In this paper, a novel and self-sustaining current balancing approach for parallel-connected SiC MOSFETs is presented. Among active current balancing methods proposed in the literature, the proposed solution is the first fully autonomous technique capable of dealing with the overall current imbalance, independently of the causes provoking the current imbalance and the operating conditions, unlike previous work. Also, an innovative transient current balancing pattern is proposed making dynamic current imbalance suppression more feasible. The proposed technique samples the drain currents using current sensors of high measurement bandwidth. Unlike previous work, the time delays of the currents are captured utilizing low-cost and high-bandwidth comparators, making the proposed method even more reliable and cost-efficient. In the process, an algorithm, implemented in an FPGA, receives the currents through ADCs and calculates the magnitude of current imbalances during the conduction stage and transients, and the differences between the time delays of the parallel currents. In addition, the algorithm can drive the SiC MOSFETs and actively vary their control parameters through an active gate driver. In this way, the algorithm minimizes the static current imbalance by applying the proper corrections to the gate-source voltage of the correct SiC MOSFET(s). Additionally, the dynamic current imbalance is mitigated by adjusting the time delays of the PWMs. The dynamic imbalance that remains is eliminated by matching the turn-on and -off peak currents through the variation in the gate currents. Moreover, the algorithm can store the adjustments applied to the control parameters and utilize them in every ignition of the power application achieving an almost balanced current sharing offered even from the first cycles, overcoming any overcurrent incident due to current imbalance. The durability of the proposed self-sustaining solution is verified by experimental tests, proving its effectiveness against the imbalance issue under a symmetrical and asymmetrical layout, in contrast to the work presented up to date. All these capabilities make the proposed solution suitable for addressing the current imbalance issue in a realistic manner which is essential from a performance and efficiency point of view for renewable energy sources and energy-saving systems.

Author Contributions

Conceptualization, N.G. and G.I.; methodology, N.G.; software, N.G.; validation, G.I., G.V. and C.S.P.; investigation, N.G.; data curation, N.G.; writing—original draft preparation, N.G.; writing—review and editing, N.G.; supervision, G.I., G.V. and C.S.P.; project administration, N.G. and G.I. All authors have read and agreed to the published version of the manuscript.

Funding

This research received no external funding.

Data Availability Statement

Data is contained within the article.

Conflicts of Interest

The authors declare no conflicts of interest.

References

  1. Ke, J.; Zhao, Z.; Sun, P.; Huang, H.; Abuogo, J.; Cui, X. New Screening Method for Improving Transient Current Sharing of Paralleled SiC MOSFETs. In Proceedings of the 2018 International Power Electronics Conference (IPEC-Niigata 2018-ECCE Asia), Niigata, Japan, 20–24 May 2018; pp. 1125–1130. [Google Scholar]
  2. Xiao, Q.; Yan, Y.; Wu, X.; Ren, N.; Sheng, K. A 10 kV/200A SiC MOSFET module with series-parallel hybrid connection of 1200V/50A dies. In Proceedings of the 2015 IEEE 27th International Symposium on Power Semiconductor Devices & IC’s (ISPSD), Hong Kong, China, 10–14 May 2015; pp. 349–352. [Google Scholar]
  3. Helong, L.; Munk-Nielsen, S.; Wang, X.; Maheshwari, R.; Bęczkowski, S.; Uhrenfeldt, C.; Franke, W.T. Influences of Device and Circuit Mismatches on Paralleling Silicon Carbide MOSFETs. IEEE Trans. Power Electron. 2016, 31, 621–634. [Google Scholar]
  4. Xue, Y.; Lu, J.; Wang, Z.; Tolbert, L.M.; Blalock, B.J.; Wang, F. Active Current Balancing for Parallel-Connected Silicon Carbide MOSFETs. In Proceedings of the 2013 IEEE Energy Conversion Congress and Exposition, Denver, CO, USA, 15–19 September 2013; pp. 1563–1569. [Google Scholar]
  5. Li, H.; Munk-Nielsen, S.; Pham, C.; Bęczkowski, S. Circuit Mismatch Influence on Performance of Paralleling Silicon Carbide MOSFETs. In Proceedings of the 2014 16th European Conference on Power Electronics and Applications, Lappeenranta, Finland, 26–28 August 2014; pp. 1–8. [Google Scholar]
  6. Sadik, D.P.; Colmenares, J.; Peftitsis, D.; Lim, J.K.; Rabkowski, J.; Nee, H.P. Experimental Investigations of Static and Transient Current Sharing of Parallel-Connected Silicon Carbide MOSFETs. In Proceedings of the 2013 15th European Conference on Power Electronics and Applications (EPE), Lille, France, 2–6 September 2013; pp. 1–10. [Google Scholar]
  7. Ishikawa, S.; Isobe, T.; Tadano, H. Current imbalance of parallel connected SiC-MOSFET body diodes. In Proceedings of the 2018 20th European Conference on Power Electronics and Applications (EPE’18 ECCE Europe), Riga, Latvia, 17–21 September 2018; pp. 1–10. [Google Scholar]
  8. Zeng, Z.; Zhang, X.; Zhang, Z. Imbalance Current Analysis and its Suppression Methodology for Parallel SiC MOSFETs with Aid of a Differential Mode Choke. IEEE Trans. Ind. Electron. 2020, 67, 1508–1519. [Google Scholar] [CrossRef]
  9. Mukunoki, Y.; Horiguchi, T.; Nishizawa, A.; Konno, K.; Matsuo, T.; Kuzumoto, M.; Hagiwara, M.; Akagi, H. Electro-Thermal Co-Simulation of two Parallel-Connected SiC-MOSFETs under Thermally-Imbalanced Conditions. In Proceedings of the 2018 IEEE Applied Power Electronics Conference and Exposition (APEC), San Antonio, TX, USA, 4–8 March 2018; pp. 2855–2860. [Google Scholar]
  10. La Mantia, S.; Abbatelli, L.; Brusca, C.; Melito, M.; Nania, M. Design Rules for Paralleling of Silicon Carbide Power MOSFETs. In Proceedings of the PCIM Europe 2017: International Exhibition and Conference for Power Electronics, Intelligent Motion, Renewable Energy and Energy Management, Nuremberg, Germany, 16–18 May 2017; pp. 1–6. [Google Scholar]
  11. Mao, Y.; Miao, Z.; Ngo, K.D.T.; Wang, C.M. Balancing of Peak Currents between Paralleled SiC MOSFETs by Source Impedances. In Proceedings of the 2017 IEEE Applied Power Electronics Conference and Exposition (APEC), Tampa, FL, USA, 26–30 March 2017; pp. 800–803. [Google Scholar]
  12. Yang, X.; Xu, S.; Heng, K.; Wu, X. Distributed Thermal Modeling for Power Devices and Modules with Equivalent Heat Flow Path Extraction. IEEE J. Emerg. Sel. Top. Power Electron. 2023, 11, 5863–5876. [Google Scholar] [CrossRef]
  13. Puschkarsky, K.; Grasser, T.; Aichinger, T.; Gustin, W.; Reisinger, H. Review on SiC MOSFETs High-Voltage Device Reliability Focusing on Threshold Voltage Instability. IEEE Trans. Electron Devices 2019, 66, 4604–4616. [Google Scholar] [CrossRef]
  14. Haihong, Q.; Ying, Z.; Ziyue, Z.; Dan, W.; Dafeng, F.; Shishan, W.; Chaohui, Z. Influences of Circuit Mismatch on Paralleling Silicon Carbide MOSFETs. In Proceedings of the 2017 12th IEEE Conference on Industrial Electronics and Applications (ICIEA), Siem Reap, Cambodia, 18–20 June 2017; pp. 556–561. [Google Scholar]
  15. Zhang, Y.; Song, Q.; Tang, X.; Zhang, Y. Gate Driver for Parallel Connection SiC MOSFETs with Over-Current Protection and Dynamic Current Balancing Scheme. J. Power Electron. 2020, 20, 319–328. [Google Scholar] [CrossRef]
  16. Xue, Y.; Lu, J.; Wang, Z.; Tolbert, L.M.; Blalock, B.J.; Wang, F. Active Compensation of Current Unbalance in Paralleled Silicon Carbide MOSFETs. In Proceedings of the 2014 IEEE Applied Power Electronics Conference and Exposition—APEC 2014, Fort Worth, TX, USA, 16–20 March 2014; pp. 1471–1477. [Google Scholar]
  17. Mao, Y.; Miao, Z.; Wang, C.M.; Ngo, K.D.T. Balancing of Peak Currents Between Paralleled SiC MOSFETs by Drive-Source Resistors and Coupled Power-Source Inductors. IEEE Trans. Ind. Electron. 2017, 64, 8334–8343. [Google Scholar] [CrossRef]
  18. Liu, P.; Yu, R.; Huang, A.Q.; Strydom, J. Turn-on Gate Resistor Optimization for Paralleled SiC MOSFETs. In Proceedings of the 2020 IEEE Applied Power Electronics Conference and Exposition (APEC), New Orleans, LA, USA, 15–19 March 2020; pp. 2810–2814. [Google Scholar]
  19. Du, M.; Ding, X.; Guo, H.; Liang, J. Transient Unbalanced Current Analysis and Suppression for Parallel-Connected Silicon Carbide MOSFETs. In Proceedings of the 2014 IEEE Conference and Expo Transportation Electrification Asia-Pacific (ITEC Asia-Pacific), Beijing, China, 31 August–3 September 2014; pp. 1–4. [Google Scholar]
  20. He, Y.; Zhang, J.; Shao, S. Dynamic Current Balancing for Paralleled SiC MOSFETs with Circuit Mismatches Considering Circulating Current in Drive Circuit. CPSS Trans. Power Electron. Appl. 2024, 9, 219–229. [Google Scholar] [CrossRef]
  21. Zeng, Z.; Shao, W.; Hu, B.; Kang, S.; Liao, X.; Li, H.; Ran, L. Active Current Sharing of Paralleled SiC MOSFETs by Coupling Inductors. Proc. Chin. Soc. Electr. Eng. 2017, 37, 2068–2080. [Google Scholar]
  22. Wu, Q.; Wang, M.; Zhou, W.; Wang, X. Current Balancing of Paralleled SiC MOSFETs for a Resonant Pulsed Power Converter. IEEE Trans. Power Electron. 2020, 35, 5557–5561. [Google Scholar] [CrossRef]
  23. Wu, Q.; Wang, M.; Zhou, W.; Liu, G.; Wang, X. Applying Coupled Inductor to Voltage and Current Balanced Between Paralleled SiC MOSFETs for a Resonant Pulsed Power Converter. In Proceedings of the 2020 IEEE Applied Power Electronics Conference and Exposition (APEC), New Orleans, LA, USA, 15–19 March 2020; pp. 2192–2198. [Google Scholar]
  24. Ding, S.; Wang, P.; Wang, W.; Xu, D.; Blaabjerg, F. Current Sharing Behavior of Parallel Connected Silicon Carbide MOSFETs Influenced by Parasitic Inductance. In Proceedings of the 2019 10th International Conference on Power Electronics and ECCE Asia (ICPE 2019—ECCE Asia), Busan, Republic of Korea, 27–30 May 2019. [Google Scholar]
  25. Sarfejo, M.D.; Allahyari, H.; Bahrami, H.; Afifi, A.; Zadeh, M.A.L.; Yavari, E.; Jalise, M.G. A Passive Compensator for Imbalances in Current Sharing of Parallel-SiC MOSFETs Based on Planar Transformer. IET Power Electron. 2021, 14, 2400–2412. [Google Scholar] [CrossRef]
  26. Ke, J.; Zhao, Z.; Sun, P.; Huang, H.; Abuogo, J.; Cui, X. Chips Classification for Suppressing Transient Current Imbalance of Parallel-Connected Silicon Carbide MOSFETs. IEEE Trans. Power Electron. 2020, 35, 3963–3972. [Google Scholar] [CrossRef]
  27. Ke, J.; Zhao, Z.; Zou, Q.; Peng, J.; Chen, Z.; Cui, X. Device Screening Strategy for Balancing Short-Circuit Behavior of Paralleling Silicon Carbide MOSFETs. IEEE Trans. Device Mater. Reliab. 2019, 19, 757–765. [Google Scholar] [CrossRef]
  28. Liu, Y.; Dai, X.; Jiang, X.; Zeng, Z.; Qi, F.; Liu, Y.; Ke, P.; Wang, Y.; Wang, J. A New Screening Method for Alleviating Transient Current Imbalance of Paralleled SiC MOSFETs. In Proceedings of the 2020 IEEE 1st China International Youth Conference on Electrical Engineering (CIYCEE), Wuhan, China, 1–4 November 2020. [Google Scholar]
  29. Abuogo, J.O.; Zhao, Z. Machine Learning Approach for Sorting SiC MOSFET Devices for Paralleling. J. Power Electron. 2020, 20, 329–340. [Google Scholar] [CrossRef]
  30. Abuogo, J.O.; Zao, Z.; Ke, J. Linear Regression Model for Screening SiC MOSFETs for Paralleling to Minimize Transient Current Imbalance. In Proceedings of the 5th International Conference on Electrical Engineering, Control and Robotics (EECR 2019), Guangzhou, China, 12–14 January 2019. [Google Scholar]
  31. Zhao, B.; Sun, P.; Yu, Q.; Cai, Y.; Cai, J.; Zhao, Z. Chip Screening Method for Suppressing Current Imbalance of Parallel-Connected SiC MOSFETs. In Proceedings of the 2021 4th International Conference on Energy, Electrical and Power Engineering (CEEPE), Chongqing, China, 23–25 April 2021; pp. 19–25. [Google Scholar]
  32. Yang, J.; Gan, Y.; Cui, H.; Nie, Y.; Fan, W.; Wang, L.; Gao, K. A Screening Method for Improving Transient Current Sharing of Paralleled SiC MOSFETs Based on Spectral Clustering. In Proceedings of the 2024 IEEE Applied Power Electronics Conference and Exposition (APEC), Long Beach, CA, USA, 25–29 February 2024. [Google Scholar]
  33. Zhao, C.; Wang, L.; Zhang, F. Effect of Asymmetric Layout and Unequal Junction Temperature on Current Sharing of Paralleled SiC MOSFETs with Kevin-Source Connection. IEEE Trans. Power Electron. 2020, 35, 7392–7404. [Google Scholar] [CrossRef]
  34. Liu, J.; Zheng, Z. Switching Current Imbalance Mitigation for Paralleled SiC MOSFETs Using Common-mode Choke in Gate Loop. In Proceedings of the 2020 IEEE Energy Conversion Congress and Exposition (ECCE), Detroit, MI, USA, 11–15 October 2020; pp. 705–710. [Google Scholar]
  35. Wang, G.; Mookken, J.; Rice, J.; Schupbach, M. Dynamic and Static Behavior of Packaged Silicon Carbide MOSFETs in Paralleled Applications. In Proceedings of the 2014 IEEE Applied Power Electronics Conference and Exposition—APEC 2014, Fort Worth, TX, USA, 16–20 March 2014; pp. 1478–1483. [Google Scholar]
  36. Luedecke, C.; Krichel, F.; Laumen, M.; De Doncker, R.W. Balancing the Switching Losses of Paralleled SiC MOSFETs Using an Intelligent Gate Driver. In Proceedings of the PCIM Asia 2020: International Exhibition and Conference for Power Electronics, Intelligent Motion, Renewable Energy and Energy Management, Shanghai, China, 16–18 November 2020. [Google Scholar]
  37. Lüdecke, C.; Laumen, M.; De Doncker, W.R. Balancing Unequal Temperature Distributions of Parallel-Connected SiC MOSFETs Using an Intelligent Gate Drive. In Proceedings of the 2021 IEEE 8th Workshop on Wide Bandgap Power Devices and Applications (WiPDA), Redondo Beach, CA, USA, 7–11 November 2021. [Google Scholar]
  38. Lüdecke, C.; Aghdaei, A.; Laumen, M.; Doncker, R.W.D. Balancing the Switching Losses of Paralleled SiC MOSFETs Using a Stepwise Gate Driver. In Proceedings of the 2021 IEEE Energy Conversion Congress and Exposition (ECCE), Vancouver, BC, Canada, 10–14 October 2021; pp. 5400–5406. [Google Scholar]
  39. Wei, Y.; Sweeting, R.; Hossain, M.M.; Mhiesan, H.; Mantooth, A. Variable Gate Voltage Control for Paralleled SiC MOSFETs. In Proceedings of the 2020 IEEE Workshop on Wide Bandgap Power Devices and Applications in Asia (WiPDA Asia), Suita, Japan, 23–25 September 2020. [Google Scholar]
  40. Lin, N.; Al Hmoud, A.J.R.; Zhao, Y. An Active Gate Driver Control Scheme for Steady-state Current Balancing of Paralleled SiC MOSFETs. IEEE Trans. Circuits Syst. II Express Briefs 2024, 71, 4341–4345. [Google Scholar] [CrossRef]
  41. Tripathi, R.N. Current Balancing of Parallel-Connected SiC devices using Active Gate Control. In Proceedings of the 2022 25th International Conference on Electrical Machines and Systems (ICEMS), Chiang Mai, Thailand, 29 November–2 December 2022. [Google Scholar]
  42. Du, L.; Du, X.; Zhao, S.; Wei, Y.; Yang, Z.; Ding, L.; Mantooth, A. Digital Close-Loop Active Gate Driver for Static and Dynamic Current Sharing of Paralleled SiC MOSFETs. IEEE J. Emerg. Sel. Top. Power Electron. 2024, 12, 1372–1384. [Google Scholar] [CrossRef]
  43. Giannopoulos, N.; Ioannidis, G.; Vokas, G.; Psomopoulos, C. Active Autonomous Open-Loop Technique for Static and Dynamic Current Balancing of Parallel-Connected Silicon Carbide MOSFETs. Energies 2023, 16, 7670. [Google Scholar] [CrossRef]
  44. Giannopoulos, N.; Ioannidis, G.; Vokas, G.; Psomopoulos, C. Autonomous Active Current Balancing Method for Parallel-Connected Silicon Carbide MOSFETs. In Proceedings of the AIP Conference, Tmrees20, Athens, Greece, 25–27 June 2020. [Google Scholar]
  45. Giannopoulos, N.; Ioannidis, G.C.; Psomopoulos, C.S. Active Auto-Suppression Current Unbalance Technique for Parallel-Connected Silicon Carbide MOSFETs. Electronics 2022, 11, 445. [Google Scholar] [CrossRef]
  46. Fu, J. Fundamentals of On-Resistance in Load Switches. TI., Application Report SLVA771. Available online: https://www.ti.com/lit/an/slva771/slva771.pdf?ts=1624372175829&ref_url=https%253A%252F%252Fwww.google.com%252F (accessed on 22 June 2021).
  47. Zhang, W. Current Sensor for Wide Bandgap Devices Dynamic Characterization. Master’s Thesis, University of Tennessee, Knoxville, TN, USA, 2019. [Google Scholar]
  48. Barbarini, E. Tesla Model 3 Inverter. STMicroelectronics SiC Module. Available online: https://medias.yolegroup.com/uploads/2019/02/YOLE_SP18413-STM_SiC_Module_Tesla_Model_3_Inverter_sample.pdf (accessed on 23 December 2024).
  49. Wen, Y.; Yang, Y.; Gao, Y. Active Gate Driver for Improving Current Sharing Performance of Paralleled High-Power SiC MOSFET Modules. IEEE Trans. Power Electron. 2021, 36, 1491–1505. [Google Scholar] [CrossRef]
Figure 1. Small-signal equivalent circuit of SiC MOSFET during turn-on interval.
Figure 1. Small-signal equivalent circuit of SiC MOSFET during turn-on interval.
Electronics 14 00268 g001
Figure 2. Equivalent circuit of two paralleled SiC MOSFETs, integrated with a DC–DC buck converter, during transients.
Figure 2. Equivalent circuit of two paralleled SiC MOSFETs, integrated with a DC–DC buck converter, during transients.
Electronics 14 00268 g002
Figure 3. Equivalent circuit of two parallel-connected SiC MOSFETs, during conduction stage, integrated with a DC–DC buck converter.
Figure 3. Equivalent circuit of two parallel-connected SiC MOSFETs, during conduction stage, integrated with a DC–DC buck converter.
Electronics 14 00268 g003
Figure 4. Design and structure of active current balancing method.
Figure 4. Design and structure of active current balancing method.
Electronics 14 00268 g004
Figure 5. Proposed active gate driver circuit.
Figure 5. Proposed active gate driver circuit.
Electronics 14 00268 g005
Figure 6. ADC and comparator circuitry.
Figure 6. ADC and comparator circuitry.
Electronics 14 00268 g006
Figure 7. Current sampling points during the conduction stage.
Figure 7. Current sampling points during the conduction stage.
Electronics 14 00268 g007
Figure 8. Current sampling points during: (a) turn-on and (b) turn-off intervals.
Figure 8. Current sampling points during: (a) turn-on and (b) turn-off intervals.
Electronics 14 00268 g008
Figure 9. Maximum current difference measurement during turn-off state.
Figure 9. Maximum current difference measurement during turn-off state.
Electronics 14 00268 g009
Figure 10. Time delay measurement during: (a) turn-on and (b) turn-off states.
Figure 10. Time delay measurement during: (a) turn-on and (b) turn-off states.
Electronics 14 00268 g010
Figure 11. Flow of current balancing procedure.
Figure 11. Flow of current balancing procedure.
Electronics 14 00268 g011
Figure 12. Current balancing strategy flow.
Figure 12. Current balancing strategy flow.
Electronics 14 00268 g012
Figure 13. Implementation of the balancing method for two paralleled power devices.
Figure 13. Implementation of the balancing method for two paralleled power devices.
Electronics 14 00268 g013
Figure 14. Experimental setup.
Figure 14. Experimental setup.
Electronics 14 00268 g014
Figure 15. Comparison of the current measurement accuracy between the surface mount resistor and the SDN-414-01 during the: (a) conduction stage; (b) turn-on interval; and (c) turn-off interval.
Figure 15. Comparison of the current measurement accuracy between the surface mount resistor and the SDN-414-01 during the: (a) conduction stage; (b) turn-on interval; and (c) turn-off interval.
Electronics 14 00268 g015
Figure 16. Turn-on dynamic current balancing effectiveness: drain currents (IDs), driving signals (VGS) and gate currents (IG) (a) without modifications; (b) by modifying the gate currents; (c) by modifying the turn-on time delay of the driving signals; and (d) by modifying the gate currents along with the turn-on time delay of the driving signals.
Figure 16. Turn-on dynamic current balancing effectiveness: drain currents (IDs), driving signals (VGS) and gate currents (IG) (a) without modifications; (b) by modifying the gate currents; (c) by modifying the turn-on time delay of the driving signals; and (d) by modifying the gate currents along with the turn-on time delay of the driving signals.
Electronics 14 00268 g016
Figure 17. Turn-off dynamic current balancing effectiveness: drain currents (ID), driving signals (VGS) and gate currents (IG) (a) without modifications; (b) by modifying the gate currents; (c) by modifying the turn-off time delay of the driving signals; and (d) by modifying the gate currents along with the turn-off time delay of the driving signals.
Figure 17. Turn-off dynamic current balancing effectiveness: drain currents (ID), driving signals (VGS) and gate currents (IG) (a) without modifications; (b) by modifying the gate currents; (c) by modifying the turn-off time delay of the driving signals; and (d) by modifying the gate currents along with the turn-off time delay of the driving signals.
Electronics 14 00268 g017
Figure 18. Drain currents (ID) and driving signals (VGS) of the first experimental test: (a) without and (b) with the proposed solution.
Figure 18. Drain currents (ID) and driving signals (VGS) of the first experimental test: (a) without and (b) with the proposed solution.
Electronics 14 00268 g018
Figure 19. Drain and gate currents (ID and IG, respectively) along with the driving signals (VGS) of the first experimental test during turn-on interval: (a) without and (b) with the proposed solution.
Figure 19. Drain and gate currents (ID and IG, respectively) along with the driving signals (VGS) of the first experimental test during turn-on interval: (a) without and (b) with the proposed solution.
Electronics 14 00268 g019
Figure 20. Drain and gate currents (ID and IG, respectively) along with the driving signals (VGS) of the first experimental test during turn-off interval: (a) without and (b) with the proposed solution.
Figure 20. Drain and gate currents (ID and IG, respectively) along with the driving signals (VGS) of the first experimental test during turn-off interval: (a) without and (b) with the proposed solution.
Electronics 14 00268 g020
Figure 21. Drain currents (ID) and driving signals (VGS) of the second experimental test: (a) without and (b) with the proposed solution.
Figure 21. Drain currents (ID) and driving signals (VGS) of the second experimental test: (a) without and (b) with the proposed solution.
Electronics 14 00268 g021
Figure 22. Drain and gate currents (ID and IG, respectively) along with the driving signals (VGS) of the second experimental test during turn-on interval: (a) without and (b) with the proposed solution.
Figure 22. Drain and gate currents (ID and IG, respectively) along with the driving signals (VGS) of the second experimental test during turn-on interval: (a) without and (b) with the proposed solution.
Electronics 14 00268 g022
Figure 23. Drain and gate currents (ID and IG, respectively) along with the driving signals (VGS) of the second experimental test during turn-off interval: (a) without and (b) with the proposed solution.
Figure 23. Drain and gate currents (ID and IG, respectively) along with the driving signals (VGS) of the second experimental test during turn-off interval: (a) without and (b) with the proposed solution.
Electronics 14 00268 g023
Figure 24. Drain currents (ID): (a) without and (b) with a stored combination of adjustments when drain-source voltage (VDS) is equal to 50 V.
Figure 24. Drain currents (ID): (a) without and (b) with a stored combination of adjustments when drain-source voltage (VDS) is equal to 50 V.
Electronics 14 00268 g024
Figure 25. Drain currents (ID): (a) without and (b) with a stored combination of adjustments when drain-source voltage (VDS) is equal to 100 V.
Figure 25. Drain currents (ID): (a) without and (b) with a stored combination of adjustments when drain-source voltage (VDS) is equal to 100 V.
Electronics 14 00268 g025
Figure 26. Drain currents (ID): (a) without and (b) with a stored combination of adjustments when drain-source voltage (VDS) is equal to 150 V.
Figure 26. Drain currents (ID): (a) without and (b) with a stored combination of adjustments when drain-source voltage (VDS) is equal to 150 V.
Electronics 14 00268 g026
Figure 27. Drain currents (ID): (a) without and (b) with a stored combination of adjustments when drain-source voltage (VDS) is equal to 200 V.
Figure 27. Drain currents (ID): (a) without and (b) with a stored combination of adjustments when drain-source voltage (VDS) is equal to 200 V.
Electronics 14 00268 g027
Figure 28. Extending design of the proposed technique for multiple paralleled devices integrated with a buck converter.
Figure 28. Extending design of the proposed technique for multiple paralleled devices integrated with a buck converter.
Electronics 14 00268 g028
Table 1. Summary of state-of-the-art active gate drivers and influencing factors.
Table 1. Summary of state-of-the-art active gate drivers and influencing factors.
Active Gate Drivers Balancing Control ParametersdiD/dtVDSfswRinging
[4,15,16]Gate resistorsYesYesNoYes
[36,37]Time delays of PMWsNoNoYesNo
[38]Gate ResistorsYesYesNoYes
[40,41,42]Control voltage and
time delays of PMWs
YesYesYesYes
Proposed Gate DriverControl Voltage,
Time Delays of PMWs and Gate Resistors
YesYesYesYes
Table 2. Equipment utilized in the experimental tests.
Table 2. Equipment utilized in the experimental tests.
EquipmentModelBandwidthFunction
Digital oscilloscopeKeysight MSOX3014A100 MHzCapture curves
Current Sense ResistorLTR10LEZPFLR100-Measure ID
BNC Coaxial cable141-12BM+3 GHzMeasure ID and IG
BNC Coaxial connectorCONBNC0021 GHzMeasure ID and IG
Voltage probeAgilent N2862A150 MHzMeasure VGS and VDS
Table 3. Control parameters (a) without modifications (b) with modifications on gate currents (c) with modifications on time delays (d) with modifications on gate currents and time delays.
Table 3. Control parameters (a) without modifications (b) with modifications on gate currents (c) with modifications on time delays (d) with modifications on gate currents and time delays.
a/aVCC,1 (V)VCC,2 (V)tdl,on,1 (ns)tdl,on,2 (ns)tdl,off,1 (ns)tdl,off,2 (ns)Vctl-M,on,1 (V)Vctl-M,on,2 (V)Vctl-M,off,1 (V)Vctl-M,off,2 (V)
(a)202000009999
(b)15.552300008.914.045.048.91
(c)15.3523.88061308.928.978.768.9
(d)14.6820.721401308.894.335.238.89
Table 4. Modifications of control parameters (a) without and (b) with the proposed solution of the first experimental test.
Table 4. Modifications of control parameters (a) without and (b) with the proposed solution of the first experimental test.
a/aVCC,1 (V)VCC,2 (V)tdl,on,1 (ns)tdl,on,2 (ns)tdl,off,1 (ns)tdl,off,2 (ns)Vctl-M,on,1 (V)Vctl-M,on,2 (V)Vctl-M,off,1 (V)Vctl-M,off,2 (V)
(a)202000005.095.15.015.01
(b)16.722.90370954.565.014.28
Table 5. Modifications of control parameters (a) without and (b) with the proposed solution of the second experimental test.
Table 5. Modifications of control parameters (a) without and (b) with the proposed solution of the second experimental test.
a/aVCC,1 (V)VCC,2 (V)tdl,on,1 (ns)tdl,on,2 (ns)tdl,off,1 (ns)tdl,off,2 (ns)Vctl-M,on,1 (V)Vctl-M,on,2 (V)Vctl-M,off,1 (V)Vctl-M,off,2 (V)
(a)2020000055.045.025.02
(b)22.915.70170155.134.585.023.68
Table 6. Comparison of experimental results for the first test.
Table 6. Comparison of experimental results for the first test.
ConditionDeviceTurn-on TransientConduction StageTurn-off Transient
IDmax (A)ΔID (A)diD/dt (A/ns)IDmax (A)ΔID (A)IDmax (A)ΔID (A)diD/dt (A/ns)
Without solutionM11.323.040.0193.680.328.4810.520.074
M24.360.2183.36−2.040.067
With the proposed solutionM12.520.240.0203.560.163.560.080.071
M22.280.0183.43.480.070
Table 7. Comparison of experimental results for the second test.
Table 7. Comparison of experimental results for the second test.
ConditionDeviceTurn-on TransientConduction StageTurn-off Transient
IDmax (A)ΔID (A)diD/dt (A/ns)IDmax (A)ΔID (A)IDmax (A)ΔID (A)diD/dt
(A/ns)
Without solutionM11.042.560.0172.960.327.69.80.059
M23.60.1803.28−2.20.066
With the proposed solutionM12.360.080.0203.080.083.160.080.063
M22.280.0193.163.240.065
Disclaimer/Publisher’s Note: The statements, opinions and data contained in all publications are solely those of the individual author(s) and contributor(s) and not of MDPI and/or the editor(s). MDPI and/or the editor(s) disclaim responsibility for any injury to people or property resulting from any ideas, methods, instructions or products referred to in the content.

Share and Cite

MDPI and ACS Style

Giannopoulos, N.; Ioannidis, G.; Vokas, G.; Psomopoulos, C.S. A Novel Field-Programmable Gate Array-Based Self-Sustaining Current Balancing Approach for Silicon Carbide MOSFETs. Electronics 2025, 14, 268. https://doi.org/10.3390/electronics14020268

AMA Style

Giannopoulos N, Ioannidis G, Vokas G, Psomopoulos CS. A Novel Field-Programmable Gate Array-Based Self-Sustaining Current Balancing Approach for Silicon Carbide MOSFETs. Electronics. 2025; 14(2):268. https://doi.org/10.3390/electronics14020268

Chicago/Turabian Style

Giannopoulos, Nektarios, Georgios Ioannidis, Georgios Vokas, and Constantinos S. Psomopoulos. 2025. "A Novel Field-Programmable Gate Array-Based Self-Sustaining Current Balancing Approach for Silicon Carbide MOSFETs" Electronics 14, no. 2: 268. https://doi.org/10.3390/electronics14020268

APA Style

Giannopoulos, N., Ioannidis, G., Vokas, G., & Psomopoulos, C. S. (2025). A Novel Field-Programmable Gate Array-Based Self-Sustaining Current Balancing Approach for Silicon Carbide MOSFETs. Electronics, 14(2), 268. https://doi.org/10.3390/electronics14020268

Note that from the first issue of 2016, this journal uses article numbers instead of page numbers. See further details here.

Article Metrics

Back to TopTop