Next Article in Journal
Industrial Process Automation Through Machine Learning and OPC-UA: A Systematic Literature Review
Next Article in Special Issue
AC-Voltage Support and Speed Control Strategy for DFIG-Based Gravity Energy Storage Systems Under Unbalanced Grid
Previous Article in Journal
XGBoost-Based Very Short-Term Load Forecasting Using Day-Ahead Load Forecasting Results
 
 
Font Type:
Arial Georgia Verdana
Font Size:
Aa Aa Aa
Line Spacing:
Column Width:
Background:
Article

Flexible Control Bandwidth Design-Oriented Stability Enhancement Method for Multi-Machine Grid-Connected Inverter Interconnected Systems

by
Runkun Zhan
1,
Jiayuan Gao
1,*,
Shuai Huang
1,
Binyan Li
1,
Fei Jiang
1,
Wanli Yang
2 and
Qianhong Wu
3
1
State Key Laboratory of Disaster Prevention and Reduction for Power Grid, Changsha University of Science and Technology, Changsha 410004, China
2
National Electric Power Conversion and Control Engineering Technology Research Center, Hunan University, Changsha 410082, China
3
China Electric Power Research Institute, Haidian District, Beijing 100192, China
*
Author to whom correspondence should be addressed.
Electronics 2025, 14(18), 3748; https://doi.org/10.3390/electronics14183748
Submission received: 14 August 2025 / Revised: 14 September 2025 / Accepted: 17 September 2025 / Published: 22 September 2025
(This article belongs to the Special Issue Intelligent Control Strategies for Power Electronics)

Abstract

Under the high penetration of new energy, multi-machine interconnected grid-connected inverters (GCIs) are prone to lose stability due to the interaction with the power grid. To enhance their adaptability to the grid, a stability improvement method for multi-machine interconnected GCI systems with flexible control bandwidth design is proposed. First, based on the design principles of the converter control bandwidth, the transfer function models of the voltage outer loop and current inner loop are constructed, and the inner and outer loop control bandwidths that meet the requirements are designed. Secondly, to mitigate the adverse effects caused by the interaction of control bandwidths among multi-machine interconnected inverters, By analyzing the influence mechanism of the inner and outer loop bandwidths on the stability of the multi-machine interconnection system under different ratios, a flexible control bandwidth allocation scheme for different inverters in the multi-machine interconnection scenario is designed., thereby enhancing the stability of multi-machine-interconnected GCI through differentiated control bandwidth design. Unlike methods that add extra control loops, the method proposed in this paper does not require sampling new physical variables or modifying the control structure. Instead, it only necessitates adjusting the controller parameters of the multi-machine interconnection system, specifically the optimized distribution of bandwidth, to enhance the stability of the multi-machine interconnection system. Finally, simulation results are presented to verify the correctness and effectiveness of the proposed control method.

1. Introduction

With the continuous increase in renewable energy installations, distributed generation systems utilizing grid-connected inverters (GCIs) as power interfaces have experienced rapid development. Among these, interconnected multi-inverter systems represent a typical grid integration configuration [1,2]. However, under multi-inverter grid-connection scenarios, interactive dynamics among inverters or between inverters and the grid can readily induce system instability [3,4,5], severely constraining the high-quality and highly reliable development of renewable energy generation.
To enhance the stability of the GCI under interactive conditions, various solutions have been proposed by researchers, which can be broadly categorized into two main approaches: impedance reshaping with resonance suppression and coordinated parameter design. In the domain of impedance reshaping and resonance suppression, Reference [6] analyzed the harmonic transmission characteristics based on the voltage transmission equation and transmission line theory, revealing the causes of multiple resonances and proposing a new inverter control strategy that effectively suppresses current resonance and harmonic voltage amplification. From the perspectives of dynamic resonance suppression and static resonance suppression, the references propose a hybrid multi-resonance suppression method [7], which could enhance the effectiveness of the stability of the inverter clusters in a weak power grid. Khajeh et al. [8] proposed a novel fully public coupling point (PCC) voltage feedforward strategy. Unlike the traditional PCC feedforward method, which required implementing a separate feedforward scheme for each inverter, it introduced a virtual negative admittance to cancel the total parallel admittance of the system. Lin et al. [9] designed a coordinated phase control strategy by adjusting the phase difference among inverters, reshaping the equivalent impedance characteristics of the system, and effectively suppressing the resonant phenomenon. Fu et al. [10] proposed an adaptive additional damping control method, which enhanced the response speed of the system’s active power, significantly reduced the frequency variation rate and frequency deviation of the power grid, but it also increased the hardware cost. Li et al. [11] estimated the nonlinear disturbances at the grid connection points and used a nonlinear disturbance observer to input them into the inner loop for control parameter compensation. This could ensure the stability of multi-inverter systems under nonlinear and random interference conditions, effectively suppressing system oscillations. However, it is necessary to construct an appropriate Lyapunov function, and the analysis and calculation are complex. Although the above-mentioned control method of adding an auxiliary control loop to reshape the GCI impedance can improve system stability, the addition of the auxiliary control loop also presents a significant challenge in model construction and parameter tuning of the GCI. Moreover, adding auxiliary control loops and nonlinear control algorithms is also not convenient for implementation on actual engineering sites.
To solve the above-mentioned problems, optimizing and adjusting the control parameters of GCI is a solution that is simple to operate and convenient for engineering implementation. For this purpose, Zhu et al. [12] proposed an enhanced parameter design method for the phase-locked loop (PLL) controller, based on a small-signal model of the current control system that incorporated the influence of the PLL. Chen et al. [13] proposed a hybrid active damping control method for LCL-type inverters, which effectively suppressed high-frequency resonance caused by the inherent characteristics of LCL filters through parameter optimization. Liao et al. [14] constructed the aggregation model of multi-machine GCI and analyzed the participation factors of control loop parameters in the resonant mode of GCI. Li et al. [15] proposed a new PLL bandwidth design method, enabling the GCI to have sufficient stability margin and satisfactory dynamic performance in weak current networks. By constructing an impedance matrix model of a multi-feed GCI system, Li et al. [16] revealed the influence of the position of the GCI access node on the stability of the interconnected system and pointed out that adjusting the control loop parameters is a reliable method to enhance system stability. Xie et al. [17] established a comprehensive model based on the interaction among the grid impedance, PLL, and current control loop, proposing a control parameter design methodology that significantly mitigated oscillations in GCI. Geng et al. [18] analyzed the effective range of the capacitance voltage feedback (CVF) coefficient through an active damping method based on proportional CVF control, thereby enhancing the stability of GCI and effective resonance mitigation. Further, Zarif Mansour et al. [19] proposed a linear parameter-varying loop-shaping control strategy, which dynamically adjusted the controller parameters by changing the function of the operating point. Although these methods have improved the stability of GCI through parameter adjustment, for multi-machine interconnection systems, how to fully utilize the design freedom of the GCI control bandwidth and rationally design the control bandwidth of different units to improve the stability of multi-machine interconnection systems is an effective approach and method worth exploring, and convenient for on-site engineering implementation.
This paper focuses on the problem of stability improvement under the interaction of multi-machine GCI. Starting from the optimized distribution of the control bandwidth of the inner and outer loops, a stability enhancement method for multi-machine GCI interconnected systems with flexible control bandwidth design is proposed. Firstly, the transfer function model of the voltage outer loop and current inner loop of a single GCI is constructed. Based on the design principle of the control bandwidth, the control parameters of the single GCI are reasonably designed. Secondly, constrained by the fixed ratio of inner and outer loop bandwidths, the control bandwidth distribution of different inverters in the interconnection scenario is flexibly designed, and the stability of the multi-machine GCI system is analyzed via the impedance model. Finally, the correctness and effectiveness of the control bandwidth design method proposed in this paper in improving the stability of multi-machine GCI interconnected systems are verified through simulation. Table 1 compares the existing works and the proposed scheme in terms of stability enhancement for multi-machine grid-connected inverter interconnection systems.
The main contributions of this paper are as follows:
(1)
Different from the traditional methods that rely on impedance reshaping or auxiliary damping loops, we propose a method to enhance the stability of multi-machine GCI interconnection systems by flexibly controlling the bandwidth design.
(2)
This paper reveals the influence of different inner-loop-outer-loop bandwidth distributions on the stability margin of interconnected inverters and provides design guidelines for practical applications.
(3)
We verified the proposed method through simulation and semi-physical experiments. The results showed that this method could expand the range of grid impedance adaptation without adding additional auxiliary control loops or increasing hardware investment.

2. Design of the Initial Control Bandwidth for a Single GCI

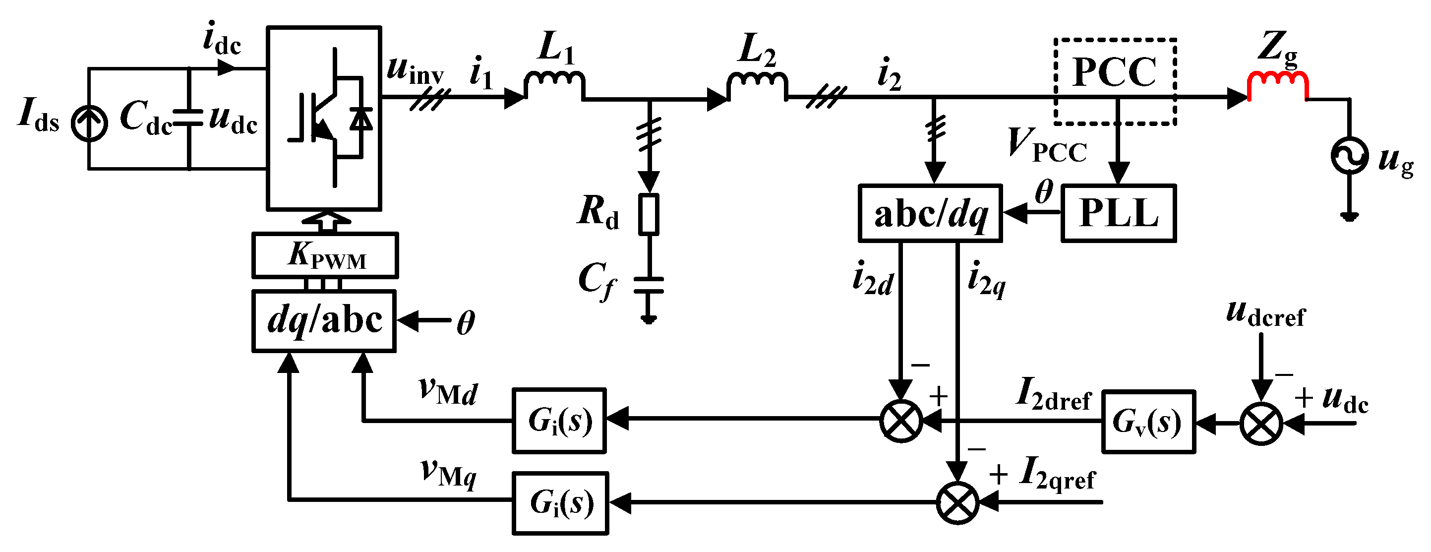
Considering the influence of voltage fluctuations on the DC side of the new energy GCI, a control structure with an outer loop of DC bus voltage and an inner loop of grid-connected current is adopted. The structure diagram of the main circuit and the control circuit is shown in Figure 1.
In Figure 1, udc and idc represent the voltage across the DC bus capacitor and the DC current flowing into the inverter bridge, respectively. Cdc stands for DC bus capacitor; L1, Cf and L2 form the LCL filter. Rd is a series damping resistor to suppress the resonance phenomenon of the LCL filter. i1 is the output current of the inverter bridge, i2 is the grid-connected current, and uPCC is the common grid connection point voltage. Zg represents the impedance of the power grid (Zg(s) = sLg). ug is the equivalent voltage source of the power grid. θ is the output phase angle of the SRF-PLL(Synchronous Reference Frame Phase-Locked Loop) [7], GPLL(s) is the phase-locked loop controller (GPLL(s) = kp-PLL + ki-PLL/s). Gv(s) is the voltage outer loop controller (Gv(s) = kpv + kiv/s), and Gi(s) is the current inner loop controller (Gi(s) = kpi + kii/s), where kpv and kpi are the proportionality coefficients, kiv and kii are the integral coefficients.
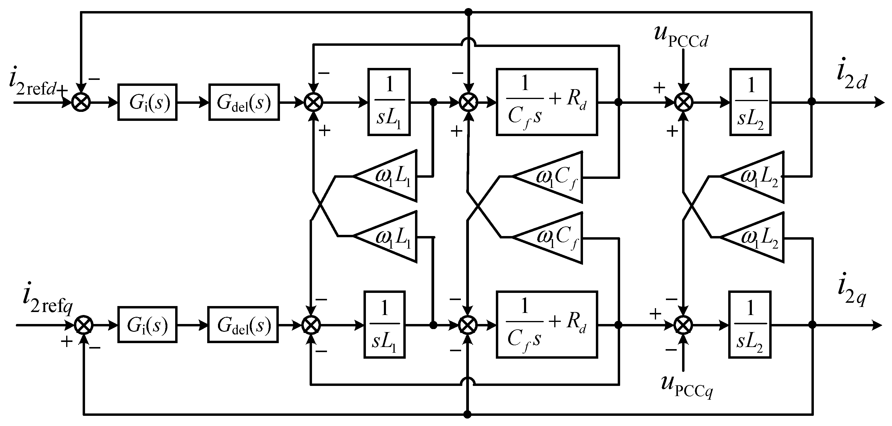
To investigate the impact of the control bandwidth in both the inner and outer loops of the GCI on the stability of multi-machine interconnected power systems, it is first necessary to design voltage outer loop and current inner loop control bandwidth that comply with the requirements of the control strategy. Based on Figure 1, the control block diagram of the current inner loop for a single-machine GCI can be derived as shown in Figure 2.
According to Figure 2, from the perspective of designing the control bandwidth of the current inner loop, the d and q axes have symmetrical structures. Therefore, taking the current loop of the d axis as an example, the control bandwidth of the current inner loop is designed. At this point, the equivalent control block diagram of the d-axis current inner loop is shown in Figure 3.
In Figure 3, the expression of Gdel(s) is written as follows:
G del ( s ) = K PWM 1 0.75 T s s 1 + 0.75 T s s
where Ts represents the sampling period, and KPWM is the modulation gain of the inverter. GLCL(s) is expressed as follows:
G LCL ( s ) = Z C f ( s ) Z L 2 ( s ) ( Z L 1 ( s ) + Z C f ( s ) ) + Z L 1 ( s ) Z C f ( s )
Accordingly, the current inner loop bandwidth is identified through the closed-loop transfer function GAC(s) derived from Figure 3:
G AC ( s ) = G opac ( s ) 1 + G opac ( s ) = G i ( s ) G del ( s ) G LCL ( s ) 1 + G i ( s ) G del ( s ) G LCL ( s )
Considering the influence of the DC bus voltage outer loop, the corresponding equivalent block diagram of the voltage control is illustrated in Figure 4.
In Figure 4, the specific expression of the closed-loop transfer function GDC(s) characterizing the outer loop control bandwidth of the DC bus voltage is shown as follows:
G DC ( s ) = G opdc ( s ) 1 + G opdc ( s ) = 1.5 U PCC d G V ( s ) G AC ( s ) I dc 1 + 1.5 U PCC d G V ( s ) G AC ( s ) I dc
For the GCI to achieve satisfactory steady-state accuracy and dynamic response, the cut-off frequency fc of the inner current-loop open-loop transfer function Gopac(s) is typically set to about one-tenth of the equivalent switching frequency [20]. Moreover, to reduce the coupling effect of the outer voltage loop on the inner current loop, the voltage loop bandwidth is usually designed to be between one-tenth and one-fifth of the current loop bandwidth [12,21]. Among them, the parameters of the GCI system adopted in this paper are shown in Table 2.
According to the above principles and design methods, under the condition that the switching frequency fs = 10 kHz, the initial current inner loop control bandwidth is set to ωac = 300 Hz. At this point, the corresponding cut-off frequency is fci = 200 Hz < 1 kHz. To reduce the interaction influence between the inner and outer loops, the control bandwidth of the voltage outer loop is set to 1/5 times that of the current inner loop, that is, ωdc = 60 Hz. So, it arrives at the controller parameters kpv = 0.3 and kiv = 30, as well as kpi = 0.5 and kii = 100. On this basis, the Bode diagrams of the transfer functions related to the inner and outer loops can be obtained, as shown in Figure 5.
Figure 5 shows that the phase margin of the current inner loop of the single GCI is 70°, and the phase margin of the voltage outer loop is 65°. A phase margin greater than 30° can enhance the robustness of the system and also improve its dynamic response performance and reliability. This indicates that the GCI has sufficient stability margin according to the above design principles and further demonstrates the rationality of the parameters designed in this paper.

3. Impedance Model Construction and Stability Analysis for Multi-Machine GCI

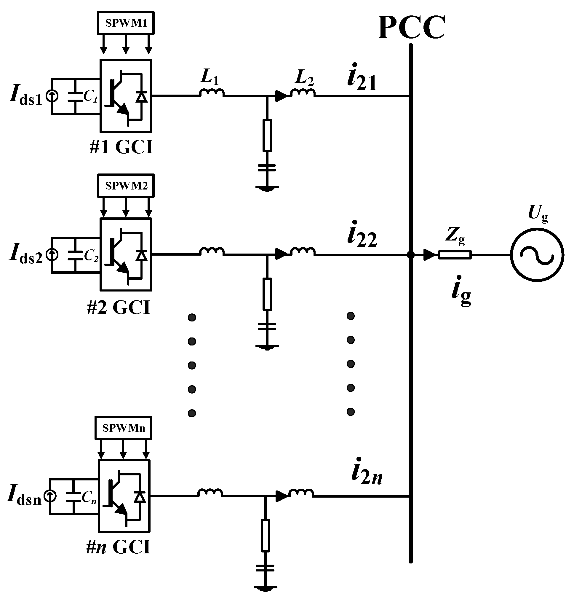
To analyze the influence of control bandwidth distribution on the stability of multi-machine GCI and achieve a reasonable design of control bandwidth, it is necessary to construct an impedance model under multi-machine interconnection. The topological structure of the multi-machine GCI interconnection system is shown in Figure 6.
As a first step, the impedance model is established using a single-machine GCI as an example. Without considering the power device loss of the inverter bridge, the DC input power is equal to the AC output power of the inverter bridge. At this time, the mathematical relationship among the DC bus voltage, the output current of the inverter bridge, and the modulated signal is shown in (5).
Δ u d c 0 = 3 K PWM 2 D ( s ) V M d V M q 0 0 × Δ i 1 d Δ i 1 q 3 K PWM 2 D ( s ) I 1 d I 1 q 0 0 × Δ v M d Δ v M q                     = H 1 ( s ) Δ i 1 d Δ i 1 q H 2 ( s ) Δ v M d Δ v M q
Here, D(s) = sCdcUdcIds. In (5), VMd and VMq are the steady-state values of the modulation voltage output by the controller on the d and q axes, respectively. I1d and I1q represent the steady-state components of the inverter bridge output current, as expressed below.
V M d = ω 1 L 1 I 1 q 0 ω 1 L 2 I 2 q 0 + U PCC d 0 K PWM V M q = ω 1 L 1 I 1 d 0 + ω 1 L 2 I 2 d 0 + U PCC q 0 K PWM
I 1 d 0 = I 2 d 0 ω 1 C f ω 1 L 2 I 2 d 0 + U PCC q 0 D 1 ( s ) 1 + ( ω 1 C f R d ) 2 I 1 q 0 = I 2 q 0 + ω 1 C f ω 1 L 2 I 2 q 0 + U PCC d 0 + D 2 ( s ) 1 + ( ω 1 C f R d ) 2
D 1 ( s ) = ω 1 C f R d ( ω 1 L 2 I 2 q 0 + U PCC d 0 ) D 2 ( s ) = ω 1 C f R d ( ω 1 L 2 I 2 d 0 + U PCC q 0 )
Meanwhile, considering the influence of small signal disturbances in PLL, the feedback links GPLL1(s) and GPLL2(s) are introduced at the current reference value and the modulated signal, where their specific expressions are presented as follows:
G PLL 1 ( s ) = 0 G PI ( s ) I 2 q s + G PI ( s ) U PCC d 0 0 G PI ( s ) I 2 d s + G PI ( s ) U PCC d 0
G PLL 2 ( s ) = 0 G PI ( s ) V M q s + G PI ( s ) U PCC d 0 0 G PI ( s ) V M d s + G PI ( s ) U PCC d 0
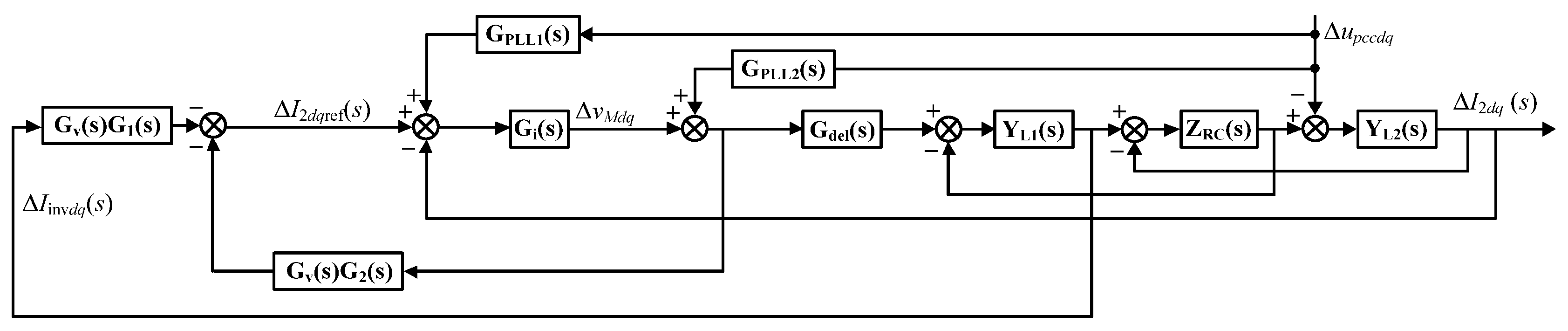
where GPI(s) is the controller of the PLL. Subsequently, the small-signal equivalent control block diagram of the GCI is derived, as illustrated in Figure 7, with the detailed expressions of each component given below:
Y L 1 ( s ) = 1 L 1 ( s 2 + ω 1 2 ) s ω 1 ω 1 s
Y L 2 ( s ) = 1 L 2 ( s 2 + ω 1 2 ) s ω 1 ω 1 s
Z RC ( s ) = 1 C f ( s 2 + ω 1 2 ) s ω 1 ω 1 s + R d 0 0 R d
Further, the impedance model of the single-machine GCI is deduced in (14), where the variable matrices are presented in (15):
Y inv d q ( s ) = P 7 ( s ) ( I m Z RC ( s ) Y L 1 ( s ) P 4 ( s ) )
P 7 ( s ) = [ I m P 1 ( s ) P 6 ( s ) ] 1 P 1 ( s ) P 6 ( s ) = Z RC ( s ) Y L 1 ( s ) P 5 ( s ) P 5 ( s ) = G d e l ( s ) [ I m + G i ( s ) G v ( s ) G 2 ( s ) ] 1                         G i ( s ) ( P 3 ( s ) I m ) Y L 2 1 P 4 ( s ) = G d e l ( s ) [ I m + G i ( s ) G v ( s ) G 2 ( s ) ] 1                         G i ( s ) P 2 ( s ) I m P 3 ( s ) = G v ( s ) G 1 ( s ) Z RC 1 P 1 ( s ) P 2 ( s ) = G v ( s ) G 1 ( s ) Z RC 1 + G PLL 1 ( s ) +                         G i 1 ( s ) G PLL 2 ( s ) P 1 ( s ) = ( I m + Y L 1 ( s ) Z RC ( s ) ) 1 Y L 2 ( s )
For the multi-machine GCI interconnected systems, its stability can be rigorously ascertained by whether the generalized Nyquist curve of the minimum loop gain matrix L(s) formed by (16) encircles the point (−1, j0).
L ( s ) = Y invdq i ( s ) [ j = 1 , j i n Y invdq j ( s ) + Y gdq ( s ) ] 1
where Yinvdqi(s) and Yinvdqj(s) represent the i-th and j-th equivalent output admittances of the GCI, respectively. Ygdq(s) represents the equivalent admittance of the grid impedance.
With the initial design parameters, the stability analysis results of the interconnected system, taking the case of two units operating in parallel as an example, are presented in Figure 8.
By observing Figure 8, it is evident that for the two-unit interconnected grid-connected system, under the initial parameters with Lg = 4.5 mH, the Nyquist curve does not encircle the point (−1, j0), and the system can maintain stable operation. When Lg increases to 5.5 mH, the curve clearly encircles the point (−1, j0), indicating that the system loses stability at this time.

4. Stability Enhancement Method Oriented by Flexible Control Bandwidth Design

By leveraging the flexible adjustment feature of the GCI control parameters, a new perspective on optimizing the control bandwidth distribution is achieved. This redesign optimizes the control bandwidth of the voltage outer loop and current inner loop in the interconnected GCI. Thus, the reliability and stability of the GCI system under multi-machine interconnection are significantly improved.
To achieve the aforementioned goals, in the process of designing the bandwidth, this paper maintains a constant ratio between the voltage outer loop and the current inner loop control bandwidth, that is, ωac/ωdc = 5. By adjusting the control bandwidth of the current inner loop, the influence of differentiated bandwidth distribution on the stability of the interconnected GCI system is revealed. During the process of expanding or reducing the control bandwidth of the current inner loop, it is necessary to ensure that the single GCI system has a stability margin of 30° or more.
When the current inner loop bandwidth of one of the two connected inverters is reduced by a factor of 2, that is, ωac = 150 Hz, the parameters of the current inner loop controller are kpi = 0.25 and kii = 70. According to the constraint relationship ωac/ωdc = 5, it yields ωdc = 30 Hz, kpv = 0.2, and kiv = 90. Within the above settings, the stability analysis results of the interconnected system under different Lg are shown in Figure 9.
From Figure 9, it can be observed that when the current inner-loop control bandwidth of one of the two units is reduced by a factor of 2, the interconnected system loses stability at Lg = 1.6 mH, as shown in Figure 9b. The Nyquist curve clearly encloses the point (−1, j0). Therefore, reducing the control bandwidth downward is clearly not conducive to the stability of the multi-machine interconnected system, and the reduction in the bandwidth is also not beneficial to the response speed of the GCI. It reveals that this design cannot meet the stability requirements.
For the second unit, a similar design concept is adopted. To minimize interaction between the two units as much as possible, the control bandwidth of the two units can be designed to be as far apart as possible, while still meeting the basic principles of the control bandwidth design. For this purpose, in this paper, the design of the control bandwidth is first carried out according to the maximum value of the current inner loop cutoff frequency, which should be within 1/10fsw, that is, fci = 1000 Hz. At this time, the parameters of the current inner loop controller kpi = 2, and kii = 950. The corresponding Bode diagram of the transfer function is given in Figure 10.
From Figure 10, it is easy to find that, according to the classical control theory, the control bandwidth ωac of the current inner loop is 2000 Hz, and the phase margin is 25° < 30° at this time. Following the design principle that the control bandwidth of the voltage outer loop is 1/5 of the current inner loop, the control bandwidth of the voltage outer loop should be designed as ωdc = 400 Hz, which corresponds to controller parameters kpv = 0.24 and kiv = 1800. Under this bandwidth distribution, Figure 11 presents the zero-pole distribution of the GCI control loop at this time.
Figure 11 clearly indicates that when the fci is set to 1000 Hz, that is, the current inner loop control bandwidth ωac is 2000 Hz, a closed-loop pole appears in the right half-plane of the complex plane for the GCI system. It means that this parameter design cannot ensure the stable operation of the system, nor can it meet the stability requirements of a multi-machine interconnected system.
Based on the aforementioned analysis, the cutoff frequency of the current inner loop should be designed to be below 1000 Hz, while ensuring a significant bandwidth difference from the initial parameters. To this end, this paper selects a cutoff frequency of 700 Hz for the current inner loop, with the controller parameters kpi = 1.5 and kii = 980 being established accordingly. The corresponding Bode plot of the transfer function is illustrated in Figure 12.
It is not difficult to observe from Figure 12 that, based on the above parameters, the bandwidth frequency of the current inner loop is 1800 Hz, which is six times larger than the initial parameters. Meanwhile, in accordance with the principle of ωac/ωdc = 5, there is ωdc = 360 Hz, that is, kpv = 0.3 and kiv = 70. The corresponding Bode plot of the transfer function is shown in Figure 13.
Subject to the parameter design delineated above, Figure 14 presents the stability analysis results of the GCI with different grid impedances.
Observing Figure 14, when the bandwidth design of the second unit is much higher than that of the first unit, the multi-machine GCI interconnected systems can still maintain stable operation at Lg = 7.5 mH, as shown in Figure 14a. When Lg further increases to 8.5 mH, the Nyquist curve encloses the (−1, j0) point at this time, as shown in Figure 14b, which indicates that the interconnected system loses stability.
Furthermore, to investigate the impact of varying ratios between the current inner loop and the voltage outer loop control bandwidths on the system stability margin characteristics, the voltage outer loop bandwidth ωdc is controlled at 1/10ωac, 1/5ωac, and 1/2ωac, respectively, while maintaining the designed current inner loop control bandwidth ωac at 1800 Hz. The Bode plot of the eigenvalues for the multi-machine GCI interconnected systems, with a grid impedance Lg of 7.5 mH, is illustrated in Figure 15.
As illustrated in Figure 15, when Lg = 7.5 mH and ωdc is set to 1/10ωac, 1/5ωac, and 1/2ωac, respectively, the magnitude-frequency characteristic curves of the eigenvalues coincide and do not intersect with the 0 dB line. This points out that the interconnected system can maintain stable operation regardless of the bandwidth selected for the voltage outer loop. However, it is noteworthy that when the bandwidth ωdc is set to 1/10ωac and 1/2ωac, the phase-frequency characteristic curves intersect the 180° line three times, thereby increasing the risk of instability in the interconnected system. In contrast, the phase-frequency characteristic curve intersects the 180° line only once when ωdc = 1/5ωac. Consequently, the design relationship with a bandwidth ratio of ωdc = 1/5ωac adopted in this paper is deemed more appropriate.
Meanwhile, to investigate whether the stability improvement method proposed in this paper exhibits satisfactory robustness in the presence of measurement errors in the bandwidth, an analysis of the system’s stability was conducted. Specifically, with the designed current inner-loop control bandwidth ωac = 1800 Hz, a ±5% measurement error was introduced into the bandwidth for the analysis.
When the measurement error is −5%, and the internal current loop bandwidth is 1710 Hz, at this point, the parameters of the current internal loop controller are kpi = 1.315, kii = 931, the parameters of the external voltage loop controller are kpv = 0.303, kiv = 70. Under the above parameter design, the corresponding Bode diagram of the transfer function is shown in Figure 16.
By observing Figure 16, it is evident that at this time, the phase margin of the current inner loop is 46°, and the phase margin of the voltage outer loop is 66°. This indicates that even when there is a −5% bandwidth measurement error, the grid-connected inverter still has sufficient stability margin.
Similarly, when the measurement error is +5% and the bandwidth of the internal current loop is 1890 Hz, the parameters of the internal current loop controller are kpi = 1.7 and kii = 1060, while the parameters of the external voltage loop controller are kpv = 0.294 and kiv = 70. Under the above-mentioned parameter design, the corresponding Bode plot of the transfer function is shown in Figure 17.
By observing Figure 17, it is evident that at this time, the phase margin of the current inner loop is 36°, and the phase margin of the voltage outer loop is 67°. This indicates that even when there is a +5% bandwidth measurement error, the grid-connected inverter still has sufficient stability margin. The above analysis will be further corroborated by the simulation results.

5. Simulation Analysis and Verification

To verify the correctness of the above theoretical analysis, Figure 18 presents the grid connection current waveforms of the second unit in the two-unit interconnected system under the initial parameter design.
As can be seen from Figure 18, under the initial parameters, the GCI interconnection system shows severe current distortion when Lg is 5.5 mH, and the system loses stability at this time, which is consistent with the theoretical analysis result in Figure 8b.
When the control bandwidth is reduced, and the current inner loop bandwidth of one is reduced by half, that is, ωac is 150 Hz, the grid-connected current waveform of the multi-machine GCI interconnection system is shown in Figure 19.
When the controller parameters are designed with the maximum cut-off frequency fci = 1000 Hz according to 1/10fsw, the grid-connected current waveform of the GCI is shown in Figure 20.
It is evident from Figure 20 that when the control parameters of the GCI are designed at the maximum cut-off frequency, the system is unstable on its own, and the output current waveform gradually diverges, which is consistent with the result in Figure 11.
When the control bandwidth is increased, and the current inner loop bandwidth of one of the GCI with two units is increased by 6 times, that is, ωac is 1800 Hz, the grid-connected current waveform of the multi-machine interconnected system is shown in Figure 21.
When the control bandwidth of the current loop is increased and moved away from the initial parameter distribution, the stability of the multi-machine GCI interconnected systems is significantly improved. The interconnected system can still keep stable when Lg = 7.5 mH and does not lose stability until it reaches 8.5 mH, greatly expanding the range of grid impedance that the interconnected system can adapt to.
Figure 22 presents the grid-connected current waveforms of a multi-machine interconnected system when the grid impedance is 5.5 mH and there is a ±5% calculation error in the optimized control bandwidth. It is not difficult to observe that the grid-connected current waveforms exhibit a complete sine wave at this time, which implies that the multi-machine interconnected system can still maintain stable operation, whereas it was unstable under the initial parameters. This indicates that the control bandwidth optimization method proposed in this paper has good robustness and can enhance the system’s stability even when there are parameter calculation errors during the bandwidth design process.
The above analysis results show that in the multi-machine GCI interconnected systems, the adverse effects of the interaction among interconnected inverters can be weakened through a reasonable bandwidth distribution design, improving system stability and ensuring that the system can effectively adapt to a wider range of grid impedances. So, it is conducive to the high penetration rate of access and the stable operation of new energy.

6. Experimental Verification

To validate the preceding theoretical analysis and simulation outcomes, based on the RT-LAB hardware-in-the-loop experimental platform, we established a multi-infeed system experimental platform in the laboratory consisting of two 7 kW photovoltaic grid-connected inverters. Its topology is shown in Figure 6, and the parameters are listed in Table 2. The grid-connected inverter and the main circuit of the power grid were replaced by the simulation models built in RT-LAB. The control part of the inverter was implemented using actual hardware, and the control chip used was the TMS320F28335 (Texas Instruments, Dallas, TX, USA). The entire experimental platform is shown in Figure 23.
Figure 24 presents the experimental results of the grid-connected current of the multi-machine GCI interconnected systems under different grid impedances with the initial parameters.
As illustrated in Figure 24, the interconnected system demonstrates a stable grid-connected current waveform output under initial parameters when Lg = 4.5 mH. However, a pronounced instability phenomenon emerges when Lg increases to 5.5 mH. It indicates that these experimental results validate the accuracy of the theoretical analysis presented in Figure 8.
Furthermore, to substantiate the correctness and effectiveness of the bandwidth optimization distribution design method in this paper, Figure 25 presents the experimental results of grid-connected operation following the control bandwidth optimization.
The experimental results presented in Figure 25 demonstrate that the multi-machine GCI interconnected systems maintain stable operation even when Lg reaches 7.5 mH, following the bandwidth optimization distribution design. Compared to the initial parameters, the grid impedance range that the GCI interconnected system can accommodate has significantly expanded, thereby enhancing the system stability.
It is also noteworthy that the proposed flexible control bandwidth design method in this paper eliminates the need for additional auxiliary control loops or hardware investments, thereby facilitating practical engineering implementation.

7. Conclusions

This paper addressed the critical challenge of stability enhancement in multi-machine GCI interconnected systems under grid impedance interactions. By focusing on the control bandwidth of the GCI, we analyzed the impact characteristics of control bandwidth distribution differences on the stability of multi-machine interconnected systems, leading to the following significant conclusions.
(1)
Under the initial design parameters satisfying the bandwidth requirements of classical control theory, the GCI exhibited sufficient stability margins, ensuring the optimal steady-state and dynamic performance of the system.
(2)
Within the framework of initial parameters design, reducing the control bandwidth of a single GCI was highly likely to compromise the stability of the interconnected systems, thereby adversely affecting the parallel operation of multiple GCIs.
(3)
When the control bandwidth of one of the inverters is optimized according to the method proposed in this paper, the stability of the multi-machine interconnection system is significantly enhanced, and the range of grid impedance that the system can adapt to also increases remarkably.
(4)
It is noteworthy that an excessively high design of the current loop cutoff frequency may potentially induce right-half-plane poles in the control loop, leading to system instability. Therefore, zero-pole distribution verification is essential during the control parameter design process for multi-machine GCI interconnected systems.
(5)
Under the optimized bandwidth design proposed in this paper, even if there is a theoretical calculation error of ±5% in the control bandwidth, the stability of the multi-machine interconnection system can still be reliably improved, which further proves that the method proposed in this paper has good parameter robustness.
Subsequent research will focus on combining existing impedance detection techniques with the method proposed in this paper to achieve online adjustment of the control bandwidth when the control structure of the GCI and the power grid parameters are unknown.

Author Contributions

Conceptualization, J.G. and R.Z.; methodology, J.G. and S.H.; software, S.H.; validation, R.Z., J.G., and B.L.; formal analysis, F.J.; investigation, W.Y.; resources, W.Y.; data curation, R.Z.; writing—original draft preparation, J.G.; writing—review and editing, R.Z.; visualization, Q.W.; supervision, B.L.; project administration, F.J.; funding acquisition, J.G. All authors have read and agreed to the published version of the manuscript.

Funding

This research was funded by Projects of the Education Department of Hunan Province (24B0325, 23C0122), the Project of Natural Science Foundation of Changsha City (kq2502125), the National Natural Science Foundation of China (52130704), and also partly supported by Zhuhai City Industry University Research Project (2320004002712).

Data Availability Statement

All data generated or analyzed during this study are included in this published article. Further information is available from the corresponding author upon reasonable request.

Conflicts of Interest

The authors declare that there are no competing financial or personal interests that could have influenced this study.

References

  1. Alenius, H.; Roinila, T.; Luhtala, R.; Messo, T.; Burstein, A.; de Jong, E.; Fabian, A. Hardware-in-the-Loop Methods for Stability Analysis of Multiple Parallel Inverters in Three-Phase AC Systems. IEEE J. Emerg. Sel. Top. Power Electron. 2021, 9, 7149–7158. [Google Scholar] [CrossRef]
  2. Fu, S.; Sun, Y.; Lin, J.; Chen, S.; Su, M. P/Q-ω/V Admittance modeling and oscillation analysis for multi-vsg grid-connected system. IEEE Trans. Power Syst. 2023, 38, 5849–5859. [Google Scholar] [CrossRef]
  3. Tang, Z.; Yang, Y.; Blaabjerg, F. Power electronics: The enabling technology for renewable energy integration. CSEE J. Power Energy Syst. 2022, 8, 39–52. [Google Scholar]
  4. Akhavan, A.; Vasquez, J.C.; Guerrero, J.M. Stability Analysis of Parallel Grid-Forming Inverters in Asymmetrical Conditions. IEEE J. Emerg. Sel. Top. Ind. Electron. 2024, 5, 1344–1348. [Google Scholar] [CrossRef]
  5. Peng, Q.; Buticchi, G.; Tan, N.M.L.; Guenter, S.; Yang, J.; Wheeler, P. Modeling Techniques and Stability Analysis Tools for Grid-Connected Converters. IEEE Open J. Power Electron. 2022, 3, 450–467. [Google Scholar] [CrossRef]
  6. Shen, H.; Liu, Z.; Liu, W.; Wang, C.; Sun, X.; Yang, F.; Zhang, M. High Frequency Resonance Analysis and Resonance Suppression of a Grid-Connected Inverter Coupled With a Long Feeder. IEEE Trans. Power Deliv. 2023, 38, 926–936. [Google Scholar] [CrossRef]
  7. Liu, J.; Sun, X.; Chen, Z.; Chi, Y.; Song, W.; Zhu, Q. A Hybrid Multiresonances Suppression Method for Nonsynchronous LCL-Type Grid-Connected Inverter Clusters Under Weak Grid. IEEE Trans. Power Electron. 2024, 39, 5386–5399. [Google Scholar] [CrossRef]
  8. Khajeh, K.G.; Solatialkaran, D.; Zare, F.; Farajizadeh, F.; Yaghoobi, J.; Nadarajah, M. A Harmonic Mitigation Technique for Multi-Parallel Grid-Connected Inverters in Distribution Networks. IEEE Trans. Power Deliv. 2022, 37, 2843–2856. [Google Scholar] [CrossRef]
  9. Lin, Z.; Liu, R.; Li, Y. Transient Stability Analysis and Coordinated Phase Control Method for Multiparallel PLL-Synchronized Inverters During Grid Fault. IEEE Trans. Power Electron. 2025, 40, 11442–11451. [Google Scholar] [CrossRef]
  10. Fu, Y.; Chen, Y.; Wang, Z.; Xie, Z.; Li, X. Fast Frequency Support of Self-Synchronizing Voltage Source Inverter Under Weak Grid Based on Adaptive Additional Damping Control. J. Mod. Power Syst. Clean Energy 2025, 13, 1458–1467. [Google Scholar] [CrossRef]
  11. Li, M.; Liu, E.; Geng, H.; Mao, Y.; Wang, X.; Zhang, X. Passivity-Based Control for the Stability of Grid-Forming Multi-inverter Power Stations. IEEE Trans. Ind. Electron. 2025, 72, 9117–9127. [Google Scholar]
  12. Zhu, D.; Zhou, S.; Zou, X.; Kang, Y. Improved Design of PLL Controller for LCL-Type Grid-Connected Converter in Weak Grid. IEEE Trans. Power Electron. 2020, 35, 4715–4727. [Google Scholar] [CrossRef]
  13. Chen, W.; Zhang, Y.; Tu, Y.; Guan, Y.; Shen, K.; Liu, J. Unified Active Damping Strategy Based on Generalized Virtual Impedance in LCL-Type Grid-Connected Inverter. IEEE Trans. Ind. Electron. 2023, 70, 8129–8139. [Google Scholar] [CrossRef]
  14. Liao, S.; Huang, M.; Zha, X.; Guerrero, J. Emulation of Multi-Inverter Integrated Weak Grid via Interaction-Preserved Aggregation. IEEE J. Emerg. Sel. Top. Power Electron. 2021, 9, 4153–4164. [Google Scholar] [CrossRef]
  15. Li, X.; Lin, H. A Design Method of Phase-Locked Loop for Grid-Connected Converters Considering the Influence of Current Loops in Weak Grid. IEEE J. Emerg. Sel. Top. Power Electron. 2020, 8, 2420–2429. [Google Scholar] [CrossRef]
  16. Li, Y.; Shuai, Z.; Liu, X.; Chen, Y.; Li, Z.; Hong, Y.; Shen, Z.J. Stability Analysis and Location Optimization Method for Multiconverter Power Systems Based on Nodal Admittance Matrix. IEEE J. Emerg. Sel. Top. Power Electron. 2021, 9, 529–538. [Google Scholar]
  17. Xie, Z.; Chen, Y.; Wu, W.; Xu, Y.; Wang, H.; Guo, J.; Luo, A. Modeling and Control Parameters Design for Grid-Connected Inverter System Considering the Effect of PLL and Grid Impedance. IEEE Access 2020, 8, 40474–40484. [Google Scholar]
  18. Geng, Y.; Song, X.; Zhang, X.; Yang, K.; Liu, H. Stability Analysis and Key Parameters Design for Grid-Connected Current-Source Inverter With Capacitor-Voltage Feedback Active Damping. IEEE Trans. Power Electron. 2021, 36, 7097–7111. [Google Scholar]
  19. Zarif Mansour, M.; Ravanji, M.; Karimi, A.; Karimi, B. Linear Parameter-Varying Control of a Power-Synchronized Grid-Following Inverter. IEEE J. Emerg. Sel. Top. Power Electron. 2022, 10, 2547–2558. [Google Scholar] [CrossRef]
  20. Bao, C.; Ruan, X.; Wang, X.; Li, W.; Pan, D.; Weng, K. Step-by-Step Controller Design for LCL-Type Grid-Connected Inverter with Capacitor–Current-Feedback Active-Damping. IEEE Trans. Power Electron. 2014, 29, 1239–1253. [Google Scholar]
  21. Khan, M.; Liu, H.; Yang, Z.; Yuan, X. A Comprehensive Review on Grid Connected Photovoltaic Inverters, Their Modulation Techniques, and Control Strategies. Energies 2020, 13, 4185. [Google Scholar] [CrossRef]
Figure 1. Structure diagram of a single GCI.
Figure 1. Structure diagram of a single GCI.
Electronics 14 03748 g001
Figure 2. Control block diagram of the GCI current inner loop.
Figure 2. Control block diagram of the GCI current inner loop.
Electronics 14 03748 g002
Figure 3. Equivalent control block diagram of the d-axis current inner loop.
Figure 3. Equivalent control block diagram of the d-axis current inner loop.
Electronics 14 03748 g003
Figure 4. Equivalent control block diagram of the DC bus voltage outer loop.
Figure 4. Equivalent control block diagram of the DC bus voltage outer loop.
Electronics 14 03748 g004
Figure 5. Open/closed loop Bode diagram of (a) the voltage loop and (b) the current loop.
Figure 5. Open/closed loop Bode diagram of (a) the voltage loop and (b) the current loop.
Electronics 14 03748 g005
Figure 6. Schematic diagram of photovoltaic multi-machine GCI interconnection system.
Figure 6. Schematic diagram of photovoltaic multi-machine GCI interconnection system.
Electronics 14 03748 g006
Figure 7. Small signal control block diagram of the GCI.
Figure 7. Small signal control block diagram of the GCI.
Electronics 14 03748 g007
Figure 8. Stability analysis of the multi-machine GCI interconnection system under initial control bandwidth when (a) Lg = 4.5 mH, (b) Lg = 5.5 mH.
Figure 8. Stability analysis of the multi-machine GCI interconnection system under initial control bandwidth when (a) Lg = 4.5 mH, (b) Lg = 5.5 mH.
Electronics 14 03748 g008
Figure 9. Stability analysis of the multi-machine interconnection system when the control bandwidth is reduced by 2 times when (a) Lg = 1.3 mH, (b) Lg = 1.6 mH.
Figure 9. Stability analysis of the multi-machine interconnection system when the control bandwidth is reduced by 2 times when (a) Lg = 1.3 mH, (b) Lg = 1.6 mH.
Electronics 14 03748 g009
Figure 10. Open/closed loop Bode diagram of the current inner loop.
Figure 10. Open/closed loop Bode diagram of the current inner loop.
Electronics 14 03748 g010
Figure 11. Zero pole distribution map.
Figure 11. Zero pole distribution map.
Electronics 14 03748 g011
Figure 12. Open/closed loop Bode diagram of the current inner loop.
Figure 12. Open/closed loop Bode diagram of the current inner loop.
Electronics 14 03748 g012
Figure 13. Open/closed loop Bode diagram of the voltage outer loop.
Figure 13. Open/closed loop Bode diagram of the voltage outer loop.
Electronics 14 03748 g013
Figure 14. Stability analysis of multi-machine GCI interconnection system under flexible design of control bandwidth with (a) Lg = 7.5 mH and (b) Lg = 8.5 mH.
Figure 14. Stability analysis of multi-machine GCI interconnection system under flexible design of control bandwidth with (a) Lg = 7.5 mH and (b) Lg = 8.5 mH.
Electronics 14 03748 g014
Figure 15. Stability margin of multi-machine GCI interconnected systems under different bandwidth ratios.
Figure 15. Stability margin of multi-machine GCI interconnected systems under different bandwidth ratios.
Electronics 14 03748 g015
Figure 16. The bandwidth measurement error is −5%. (a) Open/closed loop Bode diagram of the current inner loop. (b) Open/closed loop Bode diagram of the voltage outer loop.
Figure 16. The bandwidth measurement error is −5%. (a) Open/closed loop Bode diagram of the current inner loop. (b) Open/closed loop Bode diagram of the voltage outer loop.
Electronics 14 03748 g016
Figure 17. The bandwidth measurement error is +5%. (a) Open/closed loop Bode diagram of the current inner loop. (b) Open/closed loop Bode diagram of the voltage outer loop.
Figure 17. The bandwidth measurement error is +5%. (a) Open/closed loop Bode diagram of the current inner loop. (b) Open/closed loop Bode diagram of the voltage outer loop.
Electronics 14 03748 g017
Figure 18. Grid-connected waveform of a multi-machine GCI interconnection system under initial parameter design. (a) The current waveform of Unit 2 when Lg = 4.5 mH. (b) The current waveform of Unit 2 when Lg = 5.5 mH.
Figure 18. Grid-connected waveform of a multi-machine GCI interconnection system under initial parameter design. (a) The current waveform of Unit 2 when Lg = 4.5 mH. (b) The current waveform of Unit 2 when Lg = 5.5 mH.
Electronics 14 03748 g018
Figure 19. The grid-connected system waveform bandwidth is reduced by two times. (a) The current waveform of #2 GCI when Lg = 1.3 mH. (b) The current waveform of Unit 2 when Lg = 1.6 mH.
Figure 19. The grid-connected system waveform bandwidth is reduced by two times. (a) The current waveform of #2 GCI when Lg = 1.3 mH. (b) The current waveform of Unit 2 when Lg = 1.6 mH.
Electronics 14 03748 g019
Figure 20. Current waveform of the GCI under maximum cutoff frequency design.
Figure 20. Current waveform of the GCI under maximum cutoff frequency design.
Electronics 14 03748 g020
Figure 21. Grid-connected waveform of multi-machine GCI interconnection when the bandwidth is increased by 2 times. (a) The current waveform of Unit 2 when Lg = 7.5 mH. (b) The current waveform of Unit 2 when Lg = 8.5 mH.
Figure 21. Grid-connected waveform of multi-machine GCI interconnection when the bandwidth is increased by 2 times. (a) The current waveform of Unit 2 when Lg = 7.5 mH. (b) The current waveform of Unit 2 when Lg = 8.5 mH.
Electronics 14 03748 g021
Figure 22. The current waveform of #2 GCI when Lg = 5.5 mH. (a) The bandwidth measurement error is −5%. (b) The bandwidth measurement error is +5%.
Figure 22. The current waveform of #2 GCI when Lg = 5.5 mH. (a) The bandwidth measurement error is −5%. (b) The bandwidth measurement error is +5%.
Electronics 14 03748 g022
Figure 23. Experimental platform.
Figure 23. Experimental platform.
Electronics 14 03748 g023
Figure 24. Grid-connected experimental results of multi-machine GCI interconnected systems under initial parameters. (a) Waveform of grid connection current for #2 GCI when Lg = 4.5 mH (b) Waveform of grid connection current for #2 GCI when Lg = 5.5 mH.
Figure 24. Grid-connected experimental results of multi-machine GCI interconnected systems under initial parameters. (a) Waveform of grid connection current for #2 GCI when Lg = 4.5 mH (b) Waveform of grid connection current for #2 GCI when Lg = 5.5 mH.
Electronics 14 03748 g024
Figure 25. Grid-connected experimental results of multi-machine GCI interconnected systems with bandwidth optimization. (a) Waveform of grid connection current for #2 GCI when Lg = 7.5 mH (b) Waveform of grid connection current for #2 GCI when Lg = 8.5 mH.
Figure 25. Grid-connected experimental results of multi-machine GCI interconnected systems with bandwidth optimization. (a) Waveform of grid connection current for #2 GCI when Lg = 7.5 mH (b) Waveform of grid connection current for #2 GCI when Lg = 8.5 mH.
Electronics 14 03748 g025
Table 1. Comparison between existing works and proposed solutions for stability enhancement of multi-machine grid-connected inverter-interconnected systems.
Table 1. Comparison between existing works and proposed solutions for stability enhancement of multi-machine grid-connected inverter-interconnected systems.
MethodsPurposeAdvantagesRestrict
Impedance remodeling and resonance suppression [6,7,8,9,10,11]Suppress resonance and improve impedance characteristicsEffectively suppress resonance and improve system stabilityAdditional control links or observers are required
Coordinated Parameter Design [12,13,14,15,16,17,18,19]Enhance system stability through parameter adjustmentThe control structure is simple and easy to implementThe analysis of the parameter influence mechanism is complex, and the coordination is difficult
The flexible bandwidth design method proposed in this paperUtilizing the differences in bandwidth allocation to enhance system stabilityControlling the bandwidth is convenient for design and easy to implementThe internal control structure and parameters of the converter are required to be known
Table 2. Main circuit parameters of the photovoltaic inverter.
Table 2. Main circuit parameters of the photovoltaic inverter.
ParametersValue
Capacity/kW7
DC side voltage reference value/V700
Phase voltage rated value/V220
Filter inductor L1/mH3
Filter capacitor Cf/uF10
Damping resistance Rd8
Filter inductor L2/mH1
Proportional gain of PLL kp-PLL0.695
Integral gain of PLL ki- PLL74.885
Disclaimer/Publisher’s Note: The statements, opinions and data contained in all publications are solely those of the individual author(s) and contributor(s) and not of MDPI and/or the editor(s). MDPI and/or the editor(s) disclaim responsibility for any injury to people or property resulting from any ideas, methods, instructions or products referred to in the content.

Share and Cite

MDPI and ACS Style

Zhan, R.; Gao, J.; Huang, S.; Li, B.; Jiang, F.; Yang, W.; Wu, Q. Flexible Control Bandwidth Design-Oriented Stability Enhancement Method for Multi-Machine Grid-Connected Inverter Interconnected Systems. Electronics 2025, 14, 3748. https://doi.org/10.3390/electronics14183748

AMA Style

Zhan R, Gao J, Huang S, Li B, Jiang F, Yang W, Wu Q. Flexible Control Bandwidth Design-Oriented Stability Enhancement Method for Multi-Machine Grid-Connected Inverter Interconnected Systems. Electronics. 2025; 14(18):3748. https://doi.org/10.3390/electronics14183748

Chicago/Turabian Style

Zhan, Runkun, Jiayuan Gao, Shuai Huang, Binyan Li, Fei Jiang, Wanli Yang, and Qianhong Wu. 2025. "Flexible Control Bandwidth Design-Oriented Stability Enhancement Method for Multi-Machine Grid-Connected Inverter Interconnected Systems" Electronics 14, no. 18: 3748. https://doi.org/10.3390/electronics14183748

APA Style

Zhan, R., Gao, J., Huang, S., Li, B., Jiang, F., Yang, W., & Wu, Q. (2025). Flexible Control Bandwidth Design-Oriented Stability Enhancement Method for Multi-Machine Grid-Connected Inverter Interconnected Systems. Electronics, 14(18), 3748. https://doi.org/10.3390/electronics14183748

Note that from the first issue of 2016, this journal uses article numbers instead of page numbers. See further details here.

Article Metrics

Back to TopTop