Abstract
In this paper, we present an extremely compact eleven-state microwave filter with four concentric split-ring resonators (SRRs). Reconfigurability is achieved by switching off either single or multiple SRRs, thereby obtaining different triple-band, dual-band, and single-band configurations from the initial quad-band topology. Switches are placed on the vertical branches of SRRs in order to minimize the additional insertion loss. As switching elements, we first use traditional RF switches—PIN diodes—and then examine the integration of non-volatile RF switches—memristors—into filter design. Memristors’ ability to remember previous electrical states makes them a main building block for designing circuits that are both energy-efficient and adaptive, opening a new era in electronics and artificial intelligence. As RF memristors are not commercially available, PIN diodes are used for experimental filter verification. Afterwards, we compare the filter characteristics realized with PIN diodes and memristors to present capabilities of memristor technology. Memristors require no bias, and their parasitic effects are modeled with low resistance for the ON state and low capacitance for the OFF state. Measured performances of all obtained configurations are in good agreement with the simulations. The filter footprint area is 26 mm × 29 mm on DiClad substrate.
    1. Introduction
The impending arrival of 2030 necessitates an accelerated focus on developing 6G networks. Today, 5G networks power intelligent communications, supporting applications like smart home and city, virtual and augmented reality, and IoT (Internet of Things). Key applications for the 6G network include extended reality—which encompasses both augmented and virtual reality, IoE (Internet of Everything), remotely operated vehicles, robotics, and educational platforms.
To support these advanced applications, 6G must deliver blazing data rates up to 1 Tb/s, ultra-low latency under 1 ms, and reliability ten times better than 5G. It also needs to achieve more energy-efficient network operation and integrate communication across space, air, ground, and even undersea environments. Furthermore, 6G will harness new frequency bands, such as THz and the visible light spectrum [,].
To meet novel requirements, the development of new technologies like memristive technology is essential. The convergence of memristor technology and neuromorphic computing is ushering in a new era for electronics. This includes advancements in AI, energy-efficient computing, and real-time applications such as image processing [], autonomous driving, and deep learning []. Another significant application is multi-channel image encryption, which uses improved chaotic systems with TiO2 memristors []. Recent advancements in memristor modeling, specifically in the last two years, include a magnetron memristor model (verified in []) and a new Hodgkin–Huxley model designed to characterize perovskite memristors in neuromorphic computing applications [].
In this decade of 5G networks, significant attention is being paid to the design of tunable and reconfigurable RF front-end devices. This includes components like filters, which can change the position and/or number of their passbands to meet the requirements of modern communication systems. Today’s communication systems demand operation in Sub-6 GHz and mmWave frequency bands, alongside miniaturization, low energy consumption, and other features [,]. For designing reconfigurable components, RF switches serve as primary elements. These switches are typically modeled using a parallel network of a resistor and a capacitor.
The traditional switches are PIN diodes, MEMS, FET implementations, realization utilizing graphene, etc. Their main characteristics are fast switching, low power consumption, and CMOS compatibility.
Non-volatile RF switches, specifically memristors, offer a significant advantage: they do not consume static energy in either their ON or OFF state. This is crucial for achieving reconfigurability and boosting the energy efficiency of designed RF systems.
Recent advancements, particularly over the last decade, have led to numerous implementations based on resistive or conductive-bridge RAM, two-dimensional memories, phase-change memory, etc. []. In 2025, Huang et al. proposed RF signal processing with a novel memristive SoC (system-on-a-chip) [].
The non-volatile RF switches stand out due to their rapid switching ON/OFF states, operating frequencies around THz, nanoscale footprints, minimal energy usage, high cutoff frequency, and ease of CMOS integration. For switches in the ON state, the insertion loss is low while the isolation is high for the OFF state. The first known laboratory prototype of an RF memristor was proposed by Pi et al. in 2015 []. After this first realization, there were many attempts to improve the device performances such as atomristor realizations (see [], h-BN [], MoS2 []).
There are many reported realizations based on reconfigurable and switchable filters, but they suffer from relatively large dimensions due to multiple separate resonators used in their design. One of them is a single-band filter shown in [] which can operate in six different states where three of them are wide-band and other three are narrow-band filters. Insertion loss of this filter is pretty good, but the dimensions are large compared to the operating frequency range. Another switchable dual-band filter with four operating states is shown in []. The filter can operate in dual-band configuration, all-stop configuration, and in two single-band configurations. Switchable triple-band and quad-band filters are shown in [,] where six and eight independent resonators are used to achieve triple-band and quad-band configurations, respectively. In the author’s previous work [], two topologies of the compact switchable/reconfigurable filters with five and seven different states are presented. In a last few years, several interesting realizations can be noticed as presented in [,,], where authors analyzed switchable wide-band bandpass filters with three modes. First filter in [] has broad-band, dual-band and three-band modes, while in [,], filters have the following modes: wide-band bandpass, bandstop, and dual-band bandpass. In 2022, the reconfigurable dual-band bandpass filter was analyzed with memristors, but the filter was fabricated with PIN diodes because commercial RF memristors were not available (see []).
The authors proposed some reconfigurable filters with memristors as switching elements in their earlier research. For example, bandpass filters with hairpin-line resonators were loaded with memristors in order to suppress unwanted spurious passband response []. In [], a multilayer realization of the reconfigurable dual-mode bandpass filter was presented. Two more realizations of reconfigurable memristive dual-band filters were interdigital design [], and design with multilayer folded resonators [].
In summary, this paper contributes the following novel advancements:
- (1)
 - For the first time, we present an extremely compact switchable filter with four concentric SRRs which exhibits four passbands with three transmission zeros between them. With eight switches, the filter can be reconfigured to several triple-band, dual-band, or single-band filters which also exhibit transmission zeros between passbands, low passband insertion loss and good matching in all eleven configurations. To the best of our knowledge this filter exhibits the maximum number of different states.
 - (2)
 - First, the proposed filter is designed using traditional switches like PIN diodes. Then, we analyze the filter’s realization using memristive switches, which are non-volatile RF switches offering energy-efficient operation and low parasitics in both ON and OFF states. The ON-state resistance is 3.6 Ω, while the OFF-state capacitance is 1.4 fF. In contrast, the OFF-state capacitance of the PIN diode (MACOM-MADP-042905) is more than 40 times greater than that of the memristor, which causes a greater shift in the frequency bands of the original microstrip filter.
 - (3)
 - To validate the design procedure, the proposed filter was fabricated and its frequency response measured. We used PIN diodes for filter fabrication because RF memristors are not commercially available yet. The simulated and experimental results show good agreement.
 - (4)
 - The prototype, with overall dimensions of 26 mm × 29 mm, is extremely compact compared to the existing literature. Its normalized dimensions are 0.2 λg × 0.22 λg, where λg represents the guided wavelength of a 50 Ω microstrip transmission line at 1.68 GHz, which is the central frequency of the lowest passband.
 
In Section 2, we present a quad-band bandpass filter designed with four concentric SRRs, making the filter extremely compact. Section 3 then introduces a quad-band bandpass reconfigurable filter that uses PIN diodes to switch off one or multiple SRRs by either grounding them or interconnecting adjacent SRRs. We present all possible filter configurations derived from this initial quad-band topology, including triple-band, dual-band, and single-band modes. In Section 4, we present a fabricated prototype of the reconfigurable filter, including all relevant measurement details, specifically using PIN diodes as commercially available components. Section 5 discusses the filter design using non-volatile RF switches (memristors) as an alternative to PIN diodes. Finally, Section 6 provides concluding remarks on the contributions and advantages of using memristors in microwave circuit design.
2. Materials and Methods
The filter prototype is fabricated on Rogers DiClad 880 series high-frequency laminate []. This laminate utilizes woven fiberglass-reinforced, PTFE-based composites, providing a lower dielectric constant ideal for printed circuit board substrates. Among PTFE-based composites, it boasts the lowest moisture absorption. Additionally, its dielectric constant (εr) remains stable across a wide frequency range, and its low εr supports wider line widths, which in turn reduces insertion loss. The manufacturer specifies the following nominal values and tolerances for the substrate parameters: εr = 2.2 ± 0.02, losses tanδ = 0.0009 (at 10 GHz), h = 0.762 ± 0.0508 mm (substrate thickness), and t = 0.018 mm (electroplated copper foil thickness, or 0.5 oz finished copper weight). To account for losses from surface roughness and the skin effect, the metal plates’ conductivity was adjusted to σ = 20 MS/m.
For accurate modeling of 3D objects and precise analysis and design of metallic and dielectric structures, we selected IE3D software (version 15). It is a reliable solution for simulating effects relevant to filter fabrication []. To obtain stable and accurate simulation results, careful selection of meshing parameters is crucial. The main parameters are the highest application frequency (Fmax) and the number of cells per guided wavelength (Ncell). Their product (Fmax × Ncell) determines the meshing density. For proper meshing, we aim for 15–20 cells per guided wavelength at the maximum frequency. However, for electrically small components like spiral inductors, current changes rapidly, necessitating finer meshing for high accuracy. Therefore, we increase Fmax by a factor of ten in these cases. Another meshing parameter is automatic edge cells (AECs). This parameter adds one (or more) layers of narrow cells along a structure’s open edges to model edge current singularity effects. We use one layer of narrow cells in our setup, with the edge width (AEC width) set to 10% of the regular cell size. Furthermore, we incorporate the trace thickness of the structure into our modeling, as it can be a critical parameter.
Our planar filters were fabricated using a standard PCB photolithography process. We chose this method for its ability to achieve a minimum microstrip line width (trace) and gap (space) of 76.2 µm, as specified by the manufacturer for 0.5 oz finished copper weight. For trace/space dimensions under 0.254 mm, the tolerance is ±0.0254 mm. For dimensions of 0.254 mm and above, it is ±0.0381 mm.
3. Quad-Band Bandpass Filter
The layout of the proposed multi-band filter, designed for the sub-6 GHz frequency band, is shown in Figure 1a. The filter is composed of four SRRs placed inside each other, enabling the filter to be extremely small in size. The resonators are numbered from first to fourth, moving from the outer to the inner SSR. The feed lines are highlighted in blue. S-parameters of the quad-band bandpass filter are shown in Figure 1b. It is important to know that obtaining the filter with N passbands needs N SRRs with gaps located on the opposite sides of two consecutive rings.
      
    
    Figure 1.
      Quad-band bandpass filter: (a) Layout of the proposed filter with dimensions in mm: Lu1 = 14.2, Lu2 = 2, Wu2 = 0.2, L1 = 13.2, L2 = 11.8, L3 = 10.4, L4 = 9, cu = 2.4, c1 = 1, c2 = 2.8, c3 = 1, c4 = 3, gu1 = 0.1, and g12 = g23 = g34 = 0.3, h4a = h4b = 2.9, with (b) S-parameters of the proposed filter.
  
Each SRR is as an open-circuited half-wavelength resonator, which behaves as a parallel lossy resonator (RLC). At the resonant angular frequency ω = ω0, the resonator length is equal to half-wavelength (l = λg/2). The equivalent parameters of a parallel RLC circuit are,
      
        
      
      
      
      
    
      where  is a characteristic impedance, β is propagation constant, α is attenuation constant, and the unloaded Q is .
To detail the proposed filter, we have included a coupling diagram (see Figure 2). In this diagram, nodes (small circles) represent resonators, and branches (arcs/lines) illustrate the couplings. To clearly link the diagram to the filter’s physical layout, we have colored and enumerated the nodes (resonators) for each passband. Each of the four passbands is identified by its corresponding node, which is assigned a different color to emphasize the slight differences in resonator length and thus resonant frequency. The input and output ports are clearly marked.
      
    
    Figure 2.
      Coupling diagram of the quad-band bandpass filter.
  
Each filter passband is realized by a single SRR, labeled as Ri (where i = 1, 2, 3, 4), and each of these resonators has a slightly different resonant frequency f0i.
Adjacent couplings between resonators are denoted with M12, M23, and M34. Nonadjacent couplings, specifically M13, M14, and M24, are a consequence of the closely spaced resonators. The coupling coefficient between two asynchronously tuned resonators, labeled i and j, is calculated using the following []:
      
        
      
      
      
      
    
      where  and  are resonant frequencies of two uncoupled resonators, respectively, while  and  are two eigenfrequencies for these two asynchronously tuned coupled resonators [,]. We use the detuning method to extract coupling coefficients between SRRs when the SRRs are inscribed within each other (see []). As presented in Table 1, adjacent couplings between resonators are almost the same, while nonadjacent couplings depend on the distance between analyzed rings, ring orientation, and differences between resonant frequencies. For example, the coupling coefficient M13 is significantly smaller than the coefficient M14. This result is unexpected, as coupling is typically inversely proportional to the distance between the resonators. The reason is that the rings have different orientations, and while the resonant frequencies between the first and fourth rings are almost the same, the difference between the first and third is not negligible.
       
    
    Table 1.
    Filter parameters: resonant frequencies and couplings between resonators, Q-factors.
  
The first resonator is strongly (symmetrically) coupled to both the filter’s input and output, which is a doubly loaded resonator. For this coupling, we define a parameter doubly loaded external quality factor QdL. For filter design, the singly loaded external quality factor QsL is commonly used, and it is twice Qde []. Other resonators have considerably weaker coupling with the feed lines, as shown by the singly loaded external quality factors (of all resonators QsL1, QsL2, QsL3, QsL4) presented in Table 1. The unloaded Q factors are given in Table 1 for all resonators (Q01, Q02, Q03, Q04).
Adjacent passbands are separated by transmission zeros, which improve the selectivity of the proposed filter. In [], Geschke et al. explain how to extract the coupling coefficient between two SRRs using the de-embedding method. They present a set of de-embedding responses for two coupled SRRs, considering various distances between them. It can be seen that each response exhibits two resonances separated by a transmission zero, as one of the resonators functions as a rejection resonator. This means that the filter’s transmission zeros are positioned by resonators 2, 3, and 4, which function as rejection resonators. Furthermore, closely printed resonators lead to the appearance of nonadjacent coupling, which also affects the filter’s transmission zeros.
The resonators are coupled in such a way that two or three resonators are excited in the passbands. The surface current distribution of the filter resonators at the central frequencies of the passbands is given in Figure 3.
      
    
    Figure 3.
      Surface current distribution of the filter resonators at the central frequencies of passbands: (a) the first passband at 1.82 GHz; (b) the second passband at 2.24 GHz; (c) the third passband at 2.90 GHz; and (d) the fourth at 3.47 GHz.
  
As can be seen from Figure 3, the first SSR is dominantly excited in the first passband, followed by the second and third SSRs. The fourth ring is practically unexcited and has no influence on the first passband. In the second passband, the third SSR is dominantly excited, followed by the first and fourth SSRs. The second SSR is unexcited and has no influence on the second passband. In the third passband, the second and fourth SSRs are dominantly excited, followed by the first SSR. The third ring is unexcited and has no influence on the third passband. Finally, in the fourth passband, the third SSR is dominantly excited, followed by the second and fourth SSRs, while the first ring practically has no influence on the fourth passband. Therefore, it is not possible to independently adjust the positions of the passbands or the transmission zeros by changing the lengths of individual resonators. The following conclusions are drawn:
- (1)
 - Adjusting the length of the first SSR affects the position of the first three passbands, as well as the position of the second and third transmission zeros. The fourth passband and the first transmission zero are unchanged.
 - (2)
 - Adjusting the length of the second SSR affects the position of the first, third, and fourth passbands, as well as the position of the first and second transmission zeros. The second passband and the third transmission zero are unchanged.
 - (3)
 - Adjusting the length of the third SSR affects the position of the second and fourth passbands, as well as the position of the first and third transmission zeros. It also slightly affects the first passband, as the third ring is excited in the first passband, but much more weakly than the first and second SSRs. The third passband and the second transmission zero are unchanged.
 - (4)
 - Adjusting the length of the fourth SSR affects the position of the second, third, and fourth passbands, as well as the position of the second and third transmission zeros. The first passband and the first transmission zero are unchanged.
 
By changing the gap between adjacent rings, it is possible to obtain a configuration with passbands that are close together (larger gap) or further apart (narrower gap), see Figure 4. The gaps between the SSRs are mutually equal. By changing the gap between the feed line and the first ring (gu1), it is possible to influence the Q-factors of the passbands; narrower gaps result in passbands with lower Q-factors, and vice versa.
      
    
    Figure 4.
      The influence of the gaps between rings (0.1 mm and 0.3 mm) on the positions of the passbands.
  
4. Switchable Quad-Band Bandpass Filter
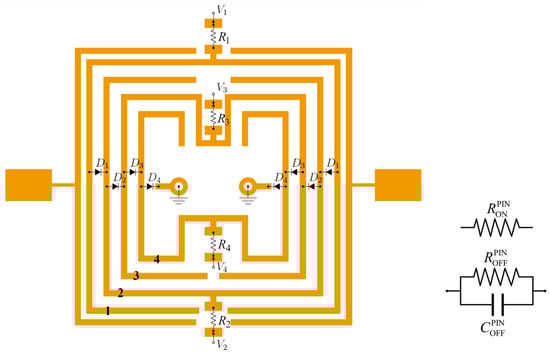
The layout of the realized reconfigurable quad-band filter with switches (PIN diodes) is shown in Figure 5. The DC bias circuit for the PIN diodes is shown in Figure 6. Switching off either one or multiple SRRs can be performed by grounding SRRs or by interconnecting adjacent SRRs to obtain one active resonator instead of two (see Figure 7). It can be seen from Figure 5 that the diodes D1, D2, and D3 interconnect two SRRs creating only one active SRR. The diodes D4 ground the inner SRR. In this way, the resonant frequency of certain SRR changes significantly and therefore it becomes nonfunctional in the filter structure.
      
    
    Figure 5.
      Layout of the quad-band reconfigurable filter with position of PIN diodes with their equivalent circuit model.
  
      
    
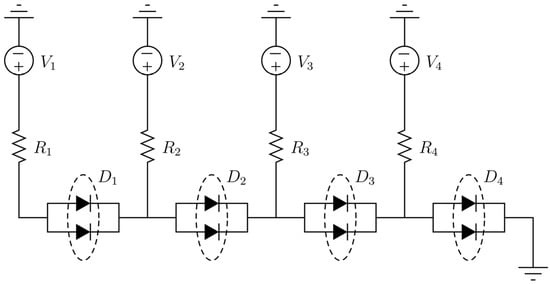
    Figure 6.
      DC bias for the PIN diodes.
  
      
    
    Figure 7.
      One or multiple SRRs can be switched off by the following: (a) grounding the inner ring, or (b) interconnecting adjacent rings to obtain a new one. Active rings are colored in orange, while the red circles represent the diode positions.
  
The proposed structure employs a total of four diode pairs, i.e., eight diodes. Because each pair can be switched independently, 16 (i.e., 24) operating states are theoretically possible. However, combining these two ways of switching off the SRRs, it is possible to obtain eleven different configurations from the initial configuration when all PIN diodes are OFF. Five states are omitted because the filter characteristics, when compared to the initial configuration, are unsatisfactory, showing higher insertion loss in some passbands and significantly narrower ones in other states. The following states were omitted: 1) one diode ON (D1 or D2), producing dual-band responses (two combinations); two diodes ON (D1 and D2 or D1 and D4), also producing dual-band responses (two combinations); and all diodes ON, producing a single passband (one state). Polarization of the PIN diodes is implemented with voltage sources and the resistors R1, R2, R3, and R4 for the limitation of the current. These resistors are also used to suppress spurious even modes. Since the maximum of the current or voltage minimum appears at the middle of the each SRR, these resistors do not introduce additional losses.
5. Filter Prototype Fabrication and Experimental Results
The fabricated prototype of the reconfigurable bandpass filter is shown in Figure 8. The filter is fabricated on Rogers DiClad 880 substrate with εr = 2.17, h = 0.762 mm, and t = 0.017 mm (see Section 2. Materials and Methods). PIN diodes are MACOM flip-chip diodes MADP-042905. Since the diodes are placed in such a way that they do not introduce additional insertion loss when they are in the ON state, we have been looking for diodes with the parasitic capacitance as low as possible. PIN diodes are simulated as a resistor in the ON state (RONPIN = 5 Ω) and as a parallel RC network in the OFF state (ROFFPIN = 50 kΩ, COFFPIN = 0.06 pF) (see Figure 5).
      
    
    Figure 8.
      Photograph of the fabricated filter prototype with overall dimensions 26 mm × 29 mm.
  
An Agilent N5227A network analyzer was used for measurements, covering the range from 10 MHz to 67 GHz. Measurement system was corrected by performing a full 2-port SOLT calibration with the 85058B calibration kit which uses open, short, load, and through standards.
The simulated and measured S-parameters are presented in overlaid plots to show correlation clearly for each of eleven possible configurations shown in Figure 9, Figure 10, Figure 11 and Figure 12. Table 2 reports the filter performance based on measured results of a laboratory prototype. The quad-band configuration is obtained when all PIN diodes are OFF, and its response is presented in Figure 9.
      
    
    Figure 9.
      Quad-band configuration obtained when all PIN diodes are OFF.
  
      
    
    Figure 10.
      Triple-band filters: (a) Diodes D4 are ON and (b) diodes D3 are ON.
  
      
    
    Figure 11.
      Dual-band filters: (a) Diodes D3 and D4 are ON; (b) diodes D2 and D4 are ON; (c) diodes D2 and D3 are ON; and (d) diodes D1 and D3 are ON.
  
      
    
    Figure 12.
      Single-band filters: (a) Diodes D2, D3, and D4 are ON; (b) diodes D1, D3, and D4 are ON; (c) diodes D1, D2, and D4 are ON; and (d) diodes D1, D2, and D3 are ON.
  
       
    
    Table 2.
    Filter performances for all eleven modes: central frequencies and S-parameters at central frequencies (measured results on laboratory prototype).
  
Triple-band configurations are realized in two cases when diodes D4 or diodes D3 are in the ON state (see the responses in Figure 10). When the inner ring is grounded (diodes D4 are ON), the first passband of the triple-band configuration almost overlaps with the first passband of the quad-band configuration (see Figure 10a). The third band is located at 3.11 GHz, approximately at the position of the third transmission zero of the quad-band configuration (3.2 GHz). The next topology, where D3 diodes interconnect the inner and the third rings, is shown in Figure 10b. The third passband of the triple-band configuration almost overlaps with the fourth passband of the quad-band configuration. Additionally, its first passband is positioned at 1.79 GHz, which is almost identical to the position of the first transmission zero (1.8 GHz) of the quad-band configuration.
Dual-band configurations use two pairs of diodes in the ON state, as follows:
- When pairs of D3 and D4 diodes are active, the inner and the third rings are interconnected. The first passband is positioned at 1.8 GHz which is identical to the position of the first transmission zero (1.8 GHz) of the quad-band configuration (Figure 11a).
 - When the D2 and D4 diode pairs are active, the inner ring is grounded by the D4 diodes and the second and third rings are interconnected by the D2 diodes. Both central frequencies differ from the central frequencies and transmission zeros of the quad-band configuration (Figure 11b).
 - When the D2 and D3 diode pairs are active, the inner, the third, and the second rings are interconnected. Meanwhile, the second passband almost overlaps with the fourth passband of the quad-band configuration (Figure 11c).
 - When the D1 and D3 diode pairs are active, the second passband is positioned at 3.21 GHz which is almost identical to the position of the third transmission zero (3.2 GHz) of the quad-band configuration (Figure 11d).
 
Single-band configurations are achieved by having three pairs of diodes in the ON state, with the following combinations:
- Pairs of D2, D3, and D4 are active. The inner, second, and third rings are interconnected, and the inner ring is grounded by the D4 diodes. The resulting central frequency is 1.96 GHz.
 - Pairs of D1, D3, and D4 are active. The third and inner rings are interconnected (by D3), and the inner ring is grounded (by D4). The first and second rings are also interconnected (by D1). The central frequency is 2.68 GHz.
 - Pairs of D1, D2, and D4 are active. The first three rings are interconnected, and the central frequency is 2.86 GHz.
 - Pairs of D1, D2, and D3 are active. All rings are interconnected, and the central frequency is 3.13 GHz.
 
A comparative analysis of the simulated and measured S-parameters for all eleven configurations shows good agreement. This indicates that the proposed filter design is suitable for use in microwave applications.
Our prototype measures 0.2 λg × 0.22 λg (26 mm × 29 mm), see Figure 8. Here, λg represents the guided wavelength of a 50 Ω microstrip transmission line at 1.68 GHz, which is the central frequency of the lowest passband.
6. Comparison of Filter Characteristics When Using Memristors Instead of PIN Diodes
First, we design the proposed reconfigurable filter using PIN diodes, because these traditional RF switches are commercially available. On the other hand, memristors are novel non-volatile RF switches with the potential to become candidates to replace traditional switchers. The main advantages of memristors are nano dimensions, low power consumption, and no need of DC polarization, but programming memristor is not an optimal solution yet.
Filter designs presented in the literature use PIN diodes as switches. These designs show the possibility of governing filter characteristics through switching PIN diodes. In this research, our goal was also to investigate whether memristors could be used instead of PIN diodes for designing a reconfigurable filter. For this analysis, we simulate 3D EM models of all eleven operating filter states, replacing the PIN diode equivalent circuit model with the memristor model.
As RF memristors are not yet commercially available, we have relied on their characteristics published in the literature. These characteristics were obtained as a mean value from a finite number of measured memristive devices. This, however, introduces challenges regarding the repeatability of memristor programming states across multiple cycles within a single memristor, as well as the repeatability of target memristance values among different memristors. The design of programming circuitry remains an open research area for memristors, whether implemented for low or high frequency bands. Therefore, the design of memristor programming circuitry falls outside the scope of this research.
For the memristor model, we used the circuit parameters presented in []. The equivalent circuit parameters of the memristor are RONM = 3.6 Ω (for the ON state) and COFFM = 1.4 fF (for the OFF state), see Figure 13, while the PIN diode (MACOM flip-chip diodes MADP-042905, MACOM, Lowell, MA, USA) parameters are given in Figure 5.
      
    
    Figure 13.
      Equivalent circuit model of the memristor.
  
RF memristors, being nanoscale devices, are not yet commercially available as lumped components. As stated in [], measuring memristors requires mounting them on coplanar waveguide feed lines. The pads for this mounting span approximately 320 μm × 300 μm. Recognizing that memristor technology is expected to be offered in standard surface-mount device (SMD) packages upon broader commercialization, we have adopted the package dimensions of an 1005 SMD package (1 mm × 0.5 mm) in our design. These physical dimensions of the memristor correspond with the space allocated for SMD components in our 3D model. We do not need dedicated pads for the memristor because its placement will be directly on the SRR lines, bridging the 0.3 mm separation between SRRs, which have a width of 0.4 mm. Accordingly, the filter’s layout is identical for both memristor and PIN diode implementations.
As will be presented, the capacitance in the OFF state, for both switches, has the most important influence on the filter’s characteristic.
A simulation was realized for all eleven filter modes, and the results are presented in Figure 14, Figure 15, Figure 16 and Figure 17. For the PIN diodes, the most observable deviation is a shift in the passbands toward lower frequencies in the one quad-band, two triple-band, and four dual-band filter modes. This effect is consequence of relatively large capacitance of the PIN diode in the OFF state. Precisely, the OFF-state capacitance of the PIN diode (60 fF) is about 43 times greater than for the memristor (1.4 fF). The total increase in capacitance leads to a decrease in all central frequencies of the filter. This frequency shift might be compensated by reducing the length of the split-ring resonators.
      
    
    Figure 14.
      Quad-band configuration obtained when all PIN diodes and memristors are OFF.
  
      
    
    Figure 15.
      Triple-band filters: (a) Diodes D4 and memristors M4 are ON and (b) diodes D3 and memristors M3 are ON.
  

      
    
    Figure 16.
      Dual-band filters: (a) Diodes D3, D4 and memristors M3, M4 are ON; (b) diodes D2, D4 and memristors M2, M4 are ON; (c) diodes D2, D3 and memristors M2, M3 are ON; and (d) diodes D1, D3 and memristors M1, M3 are ON.
  
      
    
    Figure 17.
      Single-band filters: (a) Diodes D2, D3, D4 and M2, M3, M4 are ON; (b) diodes D1, D3, D4 and M1, M3, M4 are ON; (c) diodes D1, D2, D4 and D1, D2, D4 are ON; and (d) diodes D1, D2, D3 and M1, M2, M3 are ON.
  
In four single-band modes, the passband characteristics are slightly differed, where the realizations with memristors have a little bit wider passband.
It might be concluded that the use of the memristor is better solution, because the lower capacitance in the OFF state results in the negligible frequency shift compared to a filter without switches. However, commercial RF memristors are unavailable, so we have to use the traditional switches to design reconfigurable filters.
7. Conclusions
Modern communication systems demand adaptable RF front-end devices, leading to increased attention on designing tunable and reconfigurable components. Filters, for instance, are being developed to change their passband characteristics to meet these evolving needs.
In accordance with these requirements, we have proposed an extremely compact, reconfigurable eleven-state bandpass filter featuring four concentric SRRs. The SRRs have nearly equal lengths, resulting in resonant frequencies that are slightly different from each other, meaning the resonators are asynchronously tuned. This design employs two methods for deactivating individual SRRs: grounding them or interconnecting the rings using switches.
We placed switches on the vertical branches of the SRRs, where the surface current distribution is low, to minimize additional insertion loss. To the best of our knowledge, this filter offers the maximum number of different operating states: one quad-band configuration, two distinct triple-band configurations, and four each of dual-band and single-band configurations.
To verify the design procedure, we fabricated the filter prototype. Our prototype is remarkably compact, with overall dimensions of 0.2λg × 0.22λg (26 mm × 29 mm). Here, λg represents the guided wavelength of a 50 Ω microstrip transmission line at 1.68 GHz, which is the central frequency of the lowest passband. The SRRs themselves occupy a footprint area of only 14.2 mm × 14.2 mm. Fabricated using microstrip technology, this filter exhibits a maximum insertion loss of around 2.4 dB across all configurations. For the filter’s fabrication, we used commercially available PIN diodes as switching elements.
The current paradigm in the electronics industry emphasizes energy efficiency and adaptivity, necessitating the integration of novel technologies like memristive components. To enhance system performance, we decided to incorporate non-volatile RF switches (memristors) into the proposed filter design, replacing traditional PIN diode switches.
Memristors offer several advantages over PIN diodes as switching elements: they are non-volatile, possess nano dimensions, exhibit low insertion loss in the conducting state, provide high isolation in the non-conducting state, consume low power, and do not require a continuous bias voltage. It can be concluded that using memristors presents a superior solution.
Nevertheless, the main problems of memristors, beyond their current commercial unavailability, are the repeatability of their programming states and the design of optimal programming circuitry. While memristors might become candidates for the next generation of RF switches, their commercial unavailability means we currently have to use PIN diodes for designing reconfigurable filters.
Overall, our research contributes in two main ways:
First, we designed a novel, compact microwave multi-band filter using nested split-ring resonators (SRRs). This unique arrangement allows for a significantly smaller structure compared to existing realizations in the literature. Our findings suggest that a filter with N passbands requires N SRRs, provided the ring gaps are positioned on opposite sides of two adjacent rings. We also introduced two methods for achieving reconfigurability: grounding SRRs and/or interconnecting adjacent SRRs to reduce the number of active resonators. A key novelty of our analysis includes determining the optimal switch positions to minimize additional insertion losses. As an example, we implemented a filter with four SRRs and four pairs of switches, yielding eleven different configurations from the initial state where all switches are off.
Secondly, we analyzed two types of switches: traditional DC-biased PIN diodes and novel non-volatile memristors. The memristive switch is particularly energy-efficient, as it does not require static energy in its ON/OFF states. This is crucial in today’s system design, which heavily emphasizes minimizing energy consumption. However, since these novel RF memristor switches are not yet commercially available, we opted to use PIN diodes for the fabricated filter prototype. We carefully selected PIN diodes with the lowest possible parasitic capacitance to best approximate memristor behavior. The excellent agreement between measured results of the fabricated filter’s prototype and simulation results verifies our proposed design procedure, which stands as the main contribution of this research.
Author Contributions
Conceptualization, M.N. and B.J.; methodology, M.N.; software, M.N.; validation, M.N., B.J., and M.P.I.; formal analysis, M.N., B.J., and M.P.I.; investigation, M.N.; resources, M.N.; data curation, M.N.; writing—original draft preparation, M.N., B.J., and M.P.I.; writing—review and editing, M.P.I.; visualization, M.N.; supervision, B.J. and M.P.I.; project administration, M.P.I.; funding acquisition, B.J. and M.P.I. All authors have read and agreed to the published version of the manuscript.
Funding
This work was financially supported by the Ministry of Science, Technological Development and Innovation of the Republic of Serbia under contract number: 451-03-137/2025-03/200103.
Data Availability Statement
Data are contained within the article. The data presented in this study are available in this article.
Conflicts of Interest
Author Marko Ninić was employed by the company Nirsen d.o.o. The remaining authors declare that the research was conducted in the absence of any commercial or financial relationships that could be construed as a potential conflict of interest.
References
- Lu, Y.; Zheng, X. 6G: A survey on technologies, scenarios, challenges, and the related issues. J. Ind. Inf. Integr. 2020, 19, 100158. [Google Scholar] [CrossRef]
 - Kim, D.; Yang, S.J.; Wainstein, N.; Skrzypczak, S.; Ducournau, G.; Pallecchi, E.; Happy, H.; Yalon, E.; Kim, M.; Akinwande, D. Emerging memory electronics for non-volatile radiofrequency switching technologies. Nat. Rev. Electr. Eng. 2024, 1, 10–23. [Google Scholar] [CrossRef]
 - Hong, Q.; Jiang, H.; Xiao, P.; Du, S.; Li, T. A parallel computing scheme utilizing memristor crossbars for fast corner detection and rotation invariance in the ORB algorithm. IEEE Tans. Comput. 2025, 74, 996–1010. [Google Scholar] [CrossRef]
 - Xiao, P.; Fang, J.; Wei, Z.; Dong, Y.; Du, S.; Wen, S.; Hong, Q. A riccati matrix equation solver design based neurodynamics method and its application. IEEE Tans. Autom. Sci. Eng. 2025, 22, 15163–15176. [Google Scholar] [CrossRef]
 - Qian, K.; Xiao, Y.; Wei, Y.; Liu, D.; Wang, Q.; Feng, W. A robust memristor-enhanced polynomial hyper-chaotic map and its multi-channel image encryption application. Micromachines 2023, 14, 2090. [Google Scholar] [CrossRef]
 - Yu, F.; Zhang, S.; Su, D.; Wu, Y.; Gracia, Y.M.; Yin, H. Dynamic analysis and implementation of FPGA for a new 4D fractional-order memristive hopfield neural network. Fractal Fract. 2025, 9, 115. [Google Scholar] [CrossRef]
 - Shooshtari, M.; Través, M.J.; Pahlavan, S.; Serrano-Gotarredona, T.; Linares-Barranco, B. Applying Hodgkin-Huxley Neuron Model for Perovskite Memristor in Circuit Simulation. In Proceedings of the 2024 IEEE International Conference on Metrology for eXtended Reality, Artificial Intelligence and Neural Engineering (MetroXRAINE), St Albans, UK, 21–23 October 2024; pp. 1077–1082. [Google Scholar]
 - Siriwardhana, Y.; Porambage, P.; Liyanage, M.; Ylianttila, M. A survey on mobile augmented reality with 5G mobile edge computing: Architectures, applications, and technical aspects. IEEE Commun. Surv. Tutor. 2021, 23, 1160–1192. [Google Scholar] [CrossRef]
 - Potrebić, M.M.; Tošić, D.V. Microwave memristive components for smart RF front-end modules. In Mem-Elements for Neuromorphic Circuits with Artificial Intelligence Applications, 1st ed.; Volos, C., Pham, V.-T., Eds.; Academic Press; Elsevier: London, UK, 2021; Chapter 4; pp. 67–98. [Google Scholar]
 - Huang, Y.; He, C.; Ling, Y.; Ge, N.; Yang, J.J.; Hu, M.; Katehi, L.; Xia, Q. Radiofrequency signal processing with a memristive system-on-a-chip. Nat. Electron. 2025, 8, 587–596. [Google Scholar] [CrossRef]
 - Pi, S.; Ghadiri-Sadrabadi, M.; Bardin, J.C.; Xia, Q. Nanoscale memristive radiofrequency switches. Nat. Commun. 2015, 6, 7519. [Google Scholar] [CrossRef] [PubMed]
 - Ge, R.; Wu, X.; Kim, M.; Shi, J.; Sonde, S.S.; Tao, L.; Zhang, Y.; Lee, J.; Akinwande, D. Atomristor: Nonvolatile resistance switching in atomic sheets of transition metal dichalcogenides. Nano Lett. 2018, 18, 434–441. [Google Scholar] [CrossRef]
 - Li, Y.; Cui, Z.; He, Y.; Tian, H.; Yang, T.; Shou, C.; Liu, J. Resistive switching properties of monolayer h-BN atomristors with different electrodes. Appl. Phys. Lett. 2022, 120, 173104. [Google Scholar] [CrossRef]
 - Hus, S.M.; Ge, R.; Chen, P.-A.; Liang, L.; Donnelly, G.E.; Ko, W.; Huang, F.; Chiang, M.-H.; Li, A.-P.; Akinwande, D. Observation of single-defect memristor in an MoS2 atomic sheet. Nat. Nanotechnol. 2021, 16, 58–62. [Google Scholar] [CrossRef]
 - Lugo, C.; Papapolymerou, S. Six-State Reconfigurable Filter Structure for Antenna Based Systems. IEEE Trans. Antennas Propag. 2006, 54, 479–483. [Google Scholar] [CrossRef]
 - Tu, W.-H. Design of switchable dual-band bandpass filters with four states. IET Microw. Antennas Propag. 2010, 4, 2234–2239. [Google Scholar] [CrossRef]
 - Du, T.-H.; Hsu, K.-W.; Tu, W.-H. Switchable Tri-Band Bandpass Filter with Wide Stopband. In Proceedings of the 2015 IEEE MTT-S International Microwave Symposium, Phoenix, AZ, USA, 17–22 May 2015. [Google Scholar]
 - Chio, C.-K.; Ting, S.-W.; Tang, K.-W. Independently switchable quadband bandpass filter. IET Microw. Antennas Propag. 2013, 7, 1113–1119. [Google Scholar]
 - Ninić, M.; Jokanović, B. Reconfigurable Multi-State Composite SplitRing Resonators. IEEE Microw. Wirel. Compon. Lett. 2016, 26, 267–269. [Google Scholar] [CrossRef]
 - Sun, Z.; Wang, X.; Li, K. A Switchable Bandpass Filter for Broadband, Dual-Band and Tri-Band Operations. IEEE Tans. Circuits-II 2023, 70, 111–115. [Google Scholar] [CrossRef]
 - Deng, X.; Dong, G.; Xu, K.-D. Compact switchable filter with three state modes using simple microstrip structure. Microw. Opt. Technol. Lett. 2022, 64, 1162–1169. [Google Scholar] [CrossRef]
 - Li, D.; Xu, K.-D. Multifunctional switchable filter using coupled-line structure. IEEE Microw. Wirel. Compon. Lett. 2021, 31, 457–460. [Google Scholar] [CrossRef]
 - Zhao, G.; You, B.; Wen, X.; Luo, G.Q. A reconfigurable dual-band bandpass filter using memristive switches. J. Electromagn. Waves Appl. 2022, 36, 115–130. [Google Scholar] [CrossRef]
 - Potrebić, M.; Tošić, D. Application of memristors in microwave passive circuits. Radioengineering 2015, 24, 408–419. [Google Scholar] [CrossRef]
 - Potrebić, M.; Tošić, D.; Plazinić, A. Reconfigurable multilayer dual-mode bandpass filter based on memristive switch. Int. J. Electron. Commun. 2018, 97, 290–298. [Google Scholar] [CrossRef]
 - Potrebić, M.; Tošić, D.; Biolek, D. Reconfigurable microwave filters using memristors. Int. J. Circuit Theory Appl. 2018, 46, 113–121. [Google Scholar] [CrossRef]
 - Radovanović, S.; Potrebić Ivaniš, M.; Tošić, D. Memristive Multi-layer Reconfigurable Dual-Band Bandpass Filter. In Proceedings of the 2023 IEEE 33rd International Conference on Microelectronics (MIEL), Nis, Serbia, 16–18 October 2023; pp. 1–4. [Google Scholar]
 - DiClad 870 and 880 Laminates, Rogers Corporation. Available online: https://rogerscorp.com/advanced-electronics-solutions/diclad-series-laminates/diclad-870_880-laminates (accessed on 15 August 2025).
 - IE3D. Full-Wave 3D Simulator, Mentor Graphics. (Electronic Systems Design, Siemens EDA Software). Available online: https://eda.sw.siemens.com/en-US/pcb/ (accessed on 15 August 2025).
 - Hong, J.-S. Microstrip Filters for RF/Microwave Applications, 2nd ed.; John Wiley & Sons: Hoboken, NJ, USA, 2011. [Google Scholar]
 - Swanson, D.G., Jr. Narrow-Band Microwave Filter Design. IEEE Microw. Mag. 2007, 8, 105–114. [Google Scholar] [CrossRef]
 - Geschke, R.H.; Jokanović, B.; Meyer, P. Filter Parameter Extraction for Triple-Band Composite Split-Ring Resonators and Filters. IEEE Trans. Microw. Theory Tech. 2011, 59, 1500–1508. [Google Scholar] [CrossRef]
 
Disclaimer/Publisher’s Note: The statements, opinions and data contained in all publications are solely those of the individual author(s) and contributor(s) and not of MDPI and/or the editor(s). MDPI and/or the editor(s) disclaim responsibility for any injury to people or property resulting from any ideas, methods, instructions or products referred to in the content.  | 
© 2025 by the authors. Licensee MDPI, Basel, Switzerland. This article is an open access article distributed under the terms and conditions of the Creative Commons Attribution (CC BY) license (https://creativecommons.org/licenses/by/4.0/).