Wind Farm Collector Line Fault Diagnosis and Location System Based on CNN-LSTM and ICEEMDAN-PE Combined with Wavelet Denoising
Abstract
1. Introduction
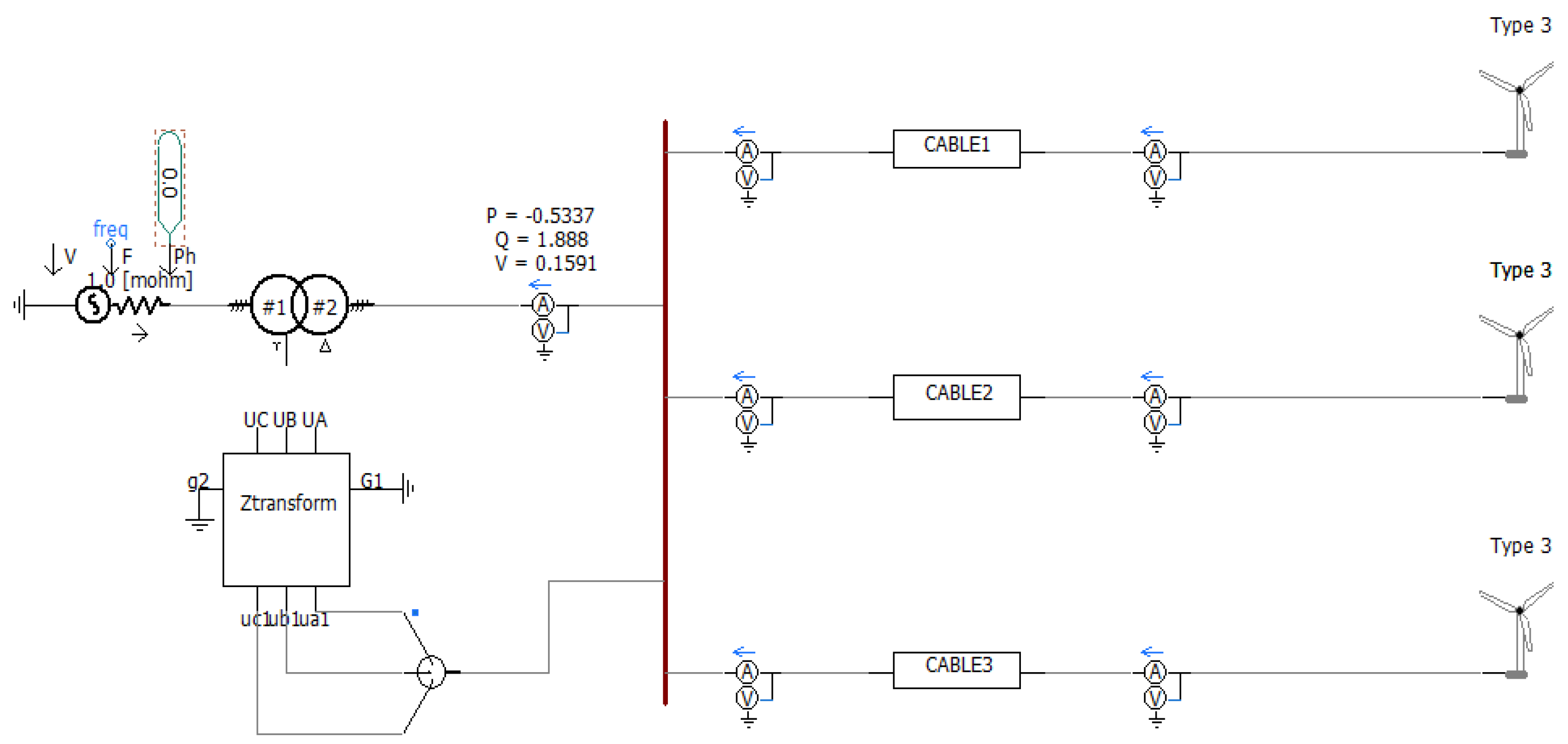
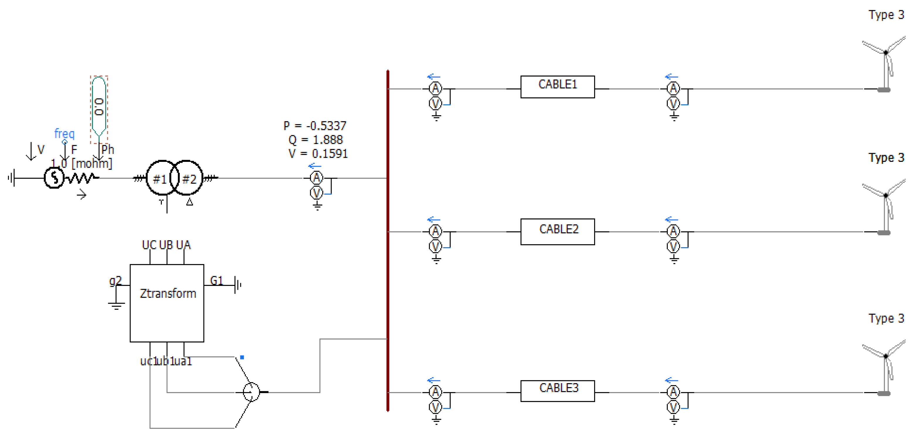
2. Simulation Modeling and Analysis of Wind Farm Collector Line
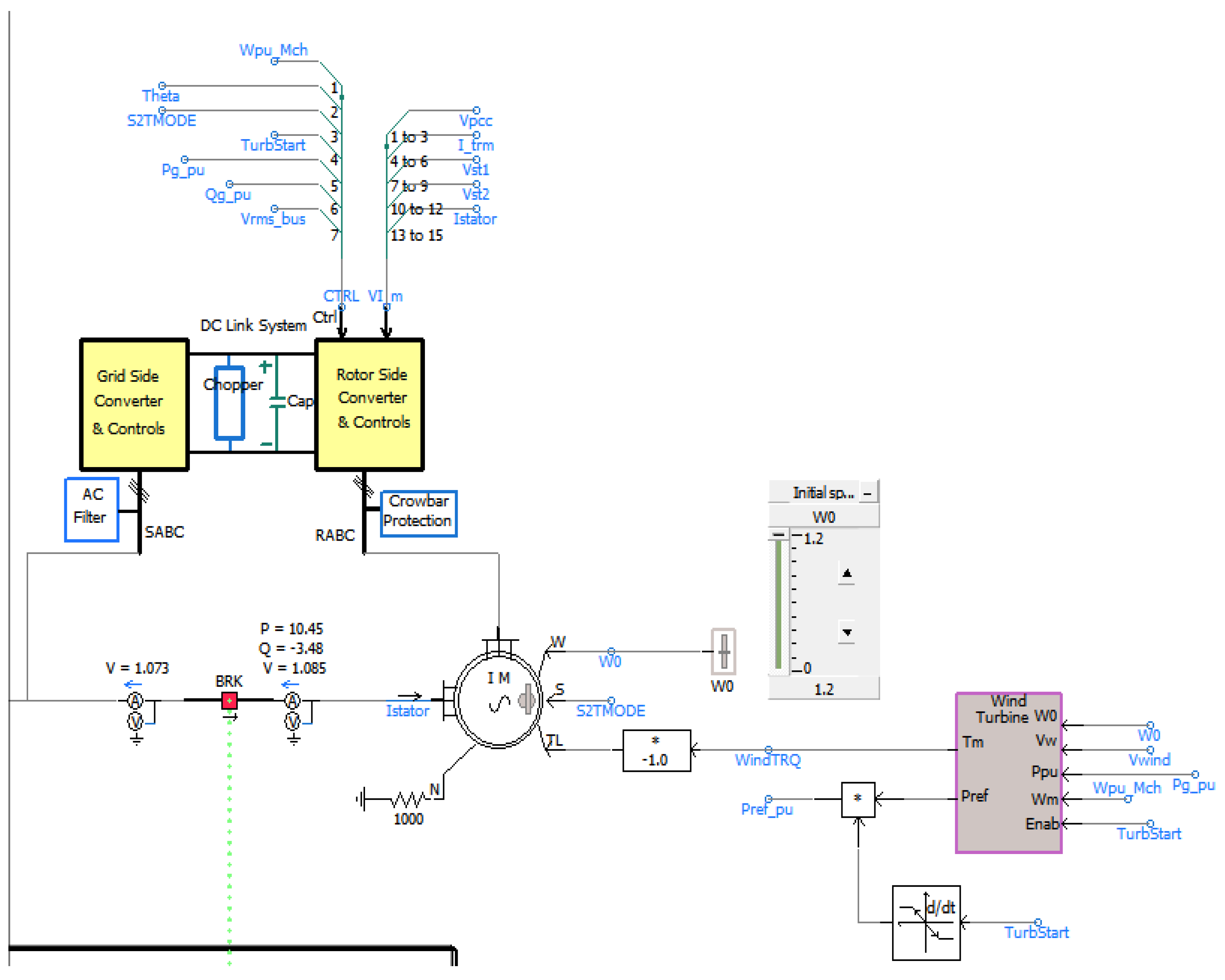
2.1. Modeling of the Wind Turbine
2.2. Grounding Mode and Modeling of the Wind Farm
2.3. Cable Model
3. Collection Line Fault Diagnosis Research Based on CNN-LSTM
3.1. Improved Phase-Mode Transformation for Fault Classification
3.2. Cable Fault Diagnosis Based on CNN-LSTM
3.2.1. Convolutional Neural Network (CNN)
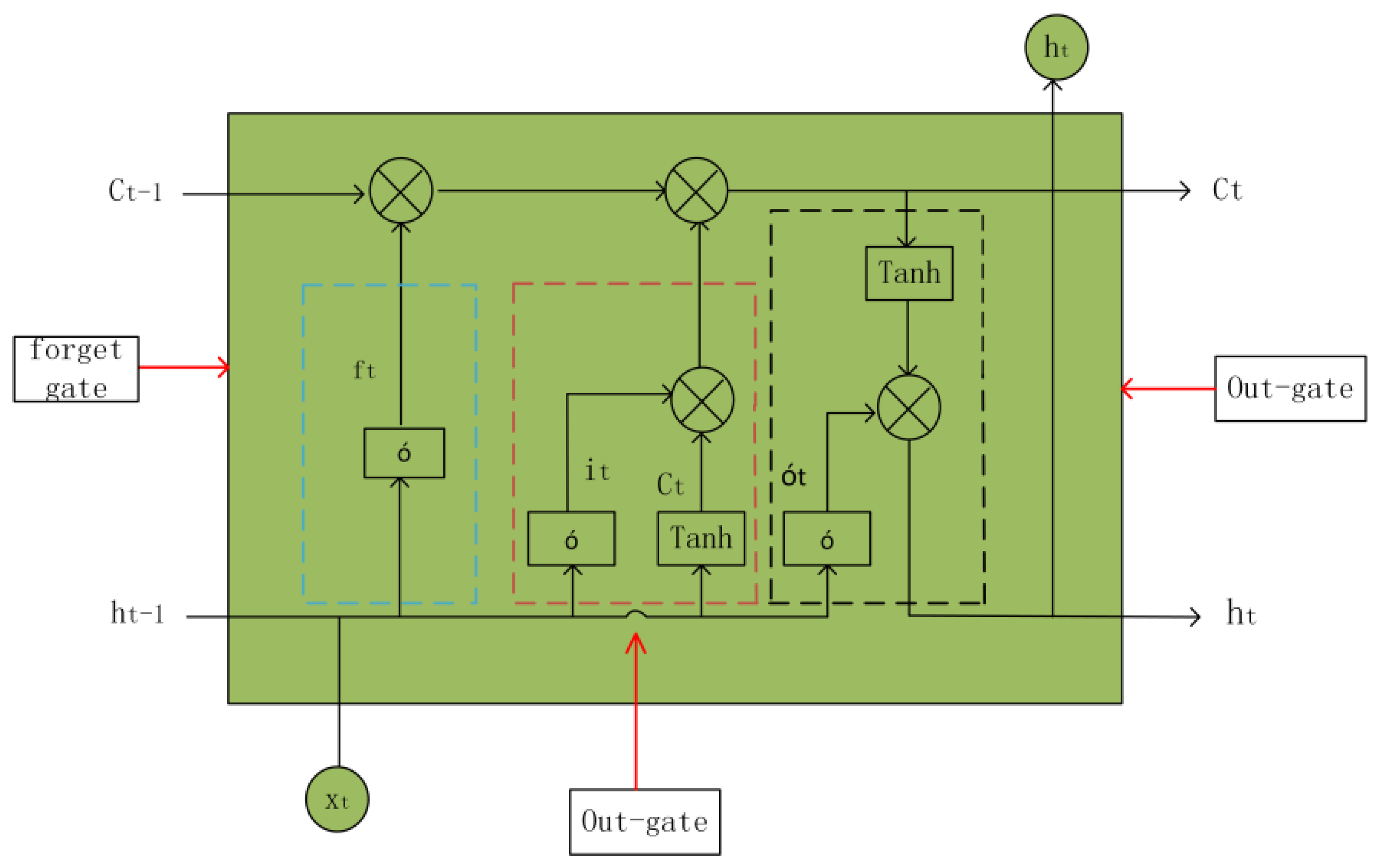
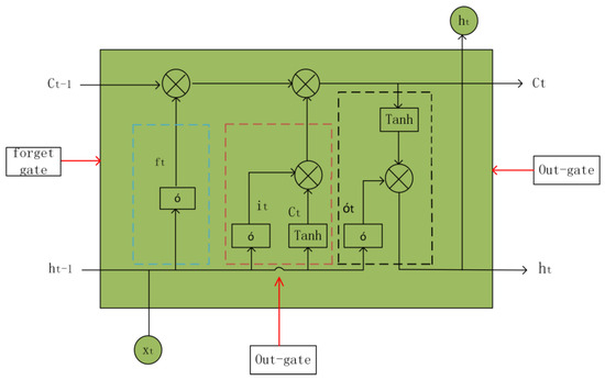
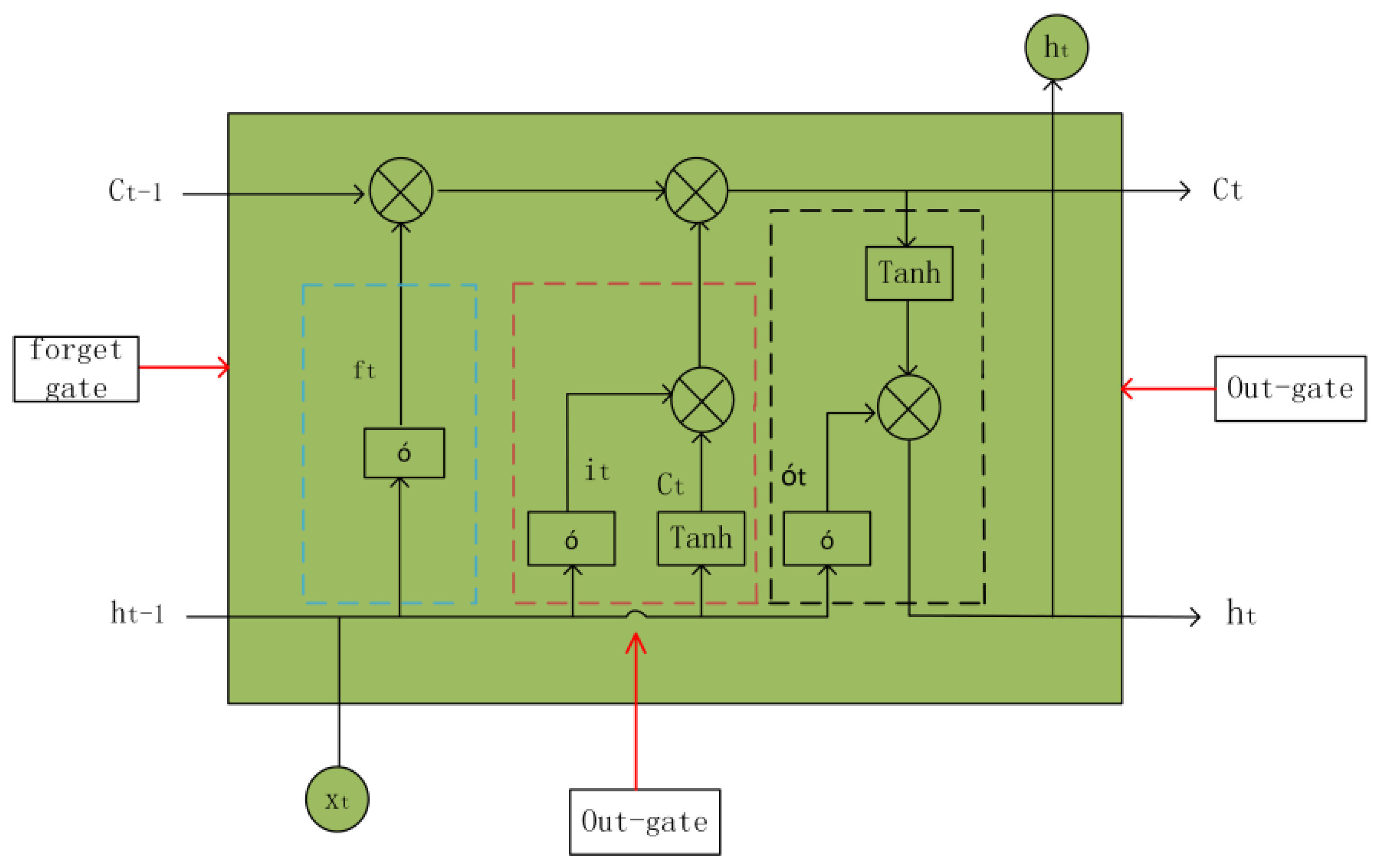
3.2.2. Long Short-Term Neural Memory Network (LSTM)
3.2.3. Cable Fault Diagnosis Model Analysis Based on CNN-LSTM
- (1)
- Using PSCAD to establish a typical wind farm model, set up various types of faults in the collector line system, obtain fault information, and collect on-site fault experience data and simulation data to form an original sample set.
- (2)
- The training set data is input into the CNN-LSTM model, and the convolution kernel is used to extract the fault feature, and the network parameters (such as batch size, learning rate, number of iterations, etc.) are repeatedly adjusted to optimize the model performance.
- (3)
- The maximum pooling operation is performed in the CNN part to retain the main features, and the all-0 filling is used to reduce the data dimension.
- (4)
- The pooled data is input into the double-layer LSTM network to train the neural network and learn the fault feature. Determine whether the current training number n reaches the set value M, and if not, continue training.
- (5)
- Complete the model evaluation.
- (6)
- Through the Softmax activation function, the fault diagnosis and classification are completed.
3.2.4. Simulation Study on Cable Fault Diagnosis Based on CNN-LSTM
4. Fault Location Research of Collector Line Based on ICEEMDAN-PE-Improved Wavelet Threshold
4.1. Research on Double-Ended Fault Location of Collector Line Based on Improved Wavelet Transform
4.1.1. Improved Double-Ended Traveling Wave Ranging Method
4.1.2. Improved Wavelet Transform
- (1)
- The time-domain signals of different frequency bands are reconstructed by inverse transform of the coefficients after wavelet decomposition.
- (2)
- According to the distribution characteristics of the frequency band, the 50 Hz component of the power frequency is mainly concentrated in the low frequency band corresponding to the A12 approximate component. Therefore, this frequency band can be selectively ignored when analyzing the high-frequency characteristics, and the signal components of the remaining 12 detailed frequency bands (D1–D12) are focused on.
- (3)
- The energy values of the reconstructed signals corresponding to 12 detail frequency bands (D1–D12) are calculated respectively, which are recorded as Ed1~Ed12. The energy is normalized: the sum of the energy of each frequency band E is calculated first, and then the ratio of the energy Edi of each frequency band to the total energy (Edi/E) is used as the characteristic quantity to characterize the energy distribution of the signal, that is, the input vector of fault diagnosis:
4.2. Research on Fault Denoising of Collector Line
4.2.1. Denoising Analysis Based on Permutation Entropy and Wavelet Threshold
4.2.2. Analysis of Improved Wavelet Threshold Denoising Method
- (1)
- solves the defect that the hard threshold function has discontinuity, strengthens the smoothness of the reconstructed signal, and also solves the disadvantage that the wavelet coefficient of the soft threshold function and the wavelet coefficient after denoising has fixed deviation.
- (2)
- The improved wavelet threshold function fused the hard/soft threshold characteristics by the adjustable parameter a: when a approaches 0, the hard threshold has a sharp cut-off, and a increases gradually, approaching the soft threshold continuous shrinkage. Simulation shows that when a = 1000, the balance between noise suppression and feature retention is optimal and the performance is the best.
4.2.3. Analysis of the ICEEMDAN Decomposition Algorithm
- (1)
- Firstly, white noise is added to the original signal to form a noisy signal :where is the white noise added for the ith time.
- (2)
- When k = 1, the first-order modal component is solved:
- (3)
- The second-order residual component is as follows:Thus, the second-order modal component is as follows:
- (4)
- Then the k-order residual component is as follows:
- (5)
- The k-order modal component is derived:
4.2.4. ICEEMDAN-PE-Improved Wavelet Threshold Denoising Adaptive Algorithm
- (1)
- The signal containing noise is decomposed by ICEEMDAN, and the signal is decomposed into a series of modal functions (IMFs) and residual components.
- (2)
- During the decomposition process, each extracted IMF component undergoes local mean and residual calculation, followed by permutation entropy computation for every obtained modal component.
- (3)
- The permutation entropy threshold is determined, and each modal component is classified as signal-dominated or noise-dominated;
- (4)
- The noise-dominated IMF components are denoised by improved wavelet threshold denoising, and a set of noise-dominated denoised IMF components are obtained.
- (5)
- After all IMFs are classified and denoised, the denoised IMF components are reconstructed to obtain the final denoised signal.
4.2.5. Simulation Analysis of Adaptive Algorithm Based on ICEEMDAN-PE-Improved Wavelet Threshold Denoising
4.3. Research on Fault Location of Collector Line Based on Improved Wavelet Threshold
- (1)
- When the system power supply is running normally, the three-phase voltage is strictly symmetrical.
- (2)
- Ignore the problem of asynchronous clocks at both ends during distance measurement.
- (3)
- The measurement errors, delays, and other influencing factors inherent in protective devices are also ignored.
4.3.1. Single-Phase Grounding Fault Diagnosis and Location Analysis Results of Different Denoising Methods
4.3.2. Two-Phase Grounding Fault Diagnosis and Location Analysis Results of Different Denoising Methods
4.3.3. Two-Phase Short-Circuit Fault Diagnosis and Location Analysis Results of Different Denoising Methods
4.3.4. Three-Phase Short-Circuit Fault Diagnosis and Location Analysis Results of Different Denoising Methods
- (1)
- The reconstructed signal obtained by ICEEMDAN-PE-improved wavelet threshold denoising is more accurate than the reconstructed signal of the other two denoising methods through the fault location method used in this paper.
- (2)
- The fault location error near the terminal and cable connection will be too large, but the fault location accuracy of the denoising method in this paper is significantly improved compared with the other two denoising methods.
- (3)
- The results show that the ranging errors of different fault types are different. The single-phase grounding fault signal has strong asymmetry, uneven distribution of fault current, significant fluctuation of the zero-sequence component, and serious signal distortion, resulting in a larger calculation error of fault location than other faults. The three-phase short-circuit fault is a symmetrical fault. When the fault occurs, the signal amplitude is large and the anti-noise interference ability is strong. The signal feature extracted by wavelet transform is stable, so the calculation error of fault location is the smallest.
4.3.5. Fault Location Results of Transition Resistance with Different Resistance Values
- (1)
- 100 Ω indicates serious insulation damage, metal contact with the ground, poor contact with the equipment shell, etc.
- (2)
- 200 Ω indicates that the cable insulation is partially damaged or the overhead line contacts with high-resistance objects such as trees, forming incomplete grounding;
- (3)
- 500 Ω represents insulation damage, slight pollution, or leakage in a dry environment.
5. Conclusions
- (1)
- Aiming at the problem of fuzzy characteristics of current signals under complex fault conditions, a hybrid model combining CNN and LSTM is proposed. CNN is responsible for extracting the local time-frequency characteristics of the current signal, and LSTM captures the dynamic time series law of the fault. The fault diagnosis method based on CNN-LSTM combined with phase-mode transform realizes the intelligent classification of various faults. The simulation results show that the fault diagnosis accuracy of the model is 96.5%, which effectively solves the limitations of traditional methods in feature extraction and complex fault classification.
- (2)
- Aiming at the problems of small fault current amplitude, low traveling wave amplitude, and easy disturbance by noise in high-resistance grounding fault, ICEEMDAN modal decomposition, permutation entropy (PE) threshold discrimination, and improved wavelet threshold technology are innovatively integrated. Through the collaborative optimization of modal decomposition and entropy threshold, the effective signal components are dynamically screened and the wavelet coefficients are optimized. In the simulation scenario injected with Gaussian white noise, the signal-to-noise ratio (SNR > 18 dB) is significantly improved and the root mean square error (RMSE < 0.15) is reduced, which provides a high-quality signal basis for subsequent fault location.
- (3)
- Taking the fault diagnosis results as a priori knowledge, the wave velocity and wavelet basis parameters in the two-terminal traveling wave ranging are adaptively calibrated. Combined with the signal reconstruction driven by noise reduction and the correction of the arrival time of the wave head, the fault location error is stably controlled within 0.5%. This method shows strong anti-interference in different fault types (such as single-phase grounding, two-phase short circuit, and three-phase short circuit), different transition resistances (100 Ω~500 Ω), and cable line scenarios, and it meets the engineering accuracy requirements.
Author Contributions
Funding
Data Availability Statement
Conflicts of Interest
References
- Ding, Y. Green to new, new energy system to accelerate the construction of f new energy system. People’s Daily, 4 October 2024. [Google Scholar]
- Wu, Z.R.; Wu, J.T.; Li, Z.J. Fault diagnosis method of cable terminal grounding system based on metal sheath current and voltage. Electr. Technol. 2025, 145, 38–141. [Google Scholar] [CrossRef]
- Li, G.; Zhou, W.; Yu, Y.; Qiu, L.; Yang, B.; Ai, Y. Sheath current characteristics and fault diagnosis of adjacent common-ground high-voltage cable lines. High Volt. Eng. 2025, 51, 698–707. [Google Scholar] [CrossRef]
- Kok, C.L.; Ho, C.K.; Aung, T.H.; Koh, Y.Y.; Teo, T.H. Transfer Learning and Deep Neural Networks for Robust Intersubject Hand Movement Detection from EEG Signals. Appl. Sci. 2024, 14, 8091. [Google Scholar] [CrossRef]
- Kok, C.L.; Heng, J.B.; Koh, Y.Y.; Teo, T.H. Energy-, Cost-, and Resource-Efficient IoT Hazard Detection System with Adaptive Monitoring. Sensors 2025, 25, 1761. [Google Scholar] [CrossRef]
- Li, Z.H.; Cong, H. Power cable fault diagnosis based on chaotic systems and discrete wavelet transform convolutional neural networks. Autom. Appl. 2024, 65, 25–29. [Google Scholar] [CrossRef]
- Chi, P.; Liang, R.; Hao, C.; Li, G.; Xin, M. Cable fault diagnosis with generalization capability using incremental learning and deep convolutional neural network. Electr. Power Syst. Res. 2025, 241, 111304. [Google Scholar] [CrossRef]
- Ali, Y.M.; Ding, L.; Qin, S. An efficient approach for diagnosing faults in photovoltaic array using 1D-CNN and feature selection Techniques. Int. J. Electr. Power Energy Syst. 2025, 166, 110526. [Google Scholar] [CrossRef]
- Zhang, Y.H.; Zhou, T.T.; Huang, X.F.; Cao, L.C.; Zhou, Q. Fault diagnosis of rotating machinery based on recurrent neural networks. Measurement 2020, 167, 108774. [Google Scholar] [CrossRef]
- Sun, K.; Li, R.; Zhao, L.J.; Li, Z.Q. Feature extraction based on time-series topological analysis for the partial discharge pattern recognition of high-voltage power cables. Measurement 2023, 217, 113009. [Google Scholar] [CrossRef]
- Zhang, Y.L.; Xia, X.Y.; Xia, J.S.; Chen, S.Q.; Wang, R.Q.; Zhou, S. Fault diagnosis method of transmission cable based on Bagging-heterogeneous k-nearest neighbor. High Volt. Electr. Appar. 2023, 59, 104–112, 121. [Google Scholar] [CrossRef]
- Jiang, W.; Wang, D.; Hu, Y.; Liu, B.; Zhou, L.; Qian, G.; Li, Z. Fault Diagnosis for Shielded Cables Based on MSST Algorithm and Impedance Polar Plots. IEEE Trans. Instrum. Meas. 2024, 73, 3535212. [Google Scholar] [CrossRef]
- Shu, J.; Wang, Q.; Zhang, W.; Du, M.; Lin, J. Passive acoustic localization of submarine cable breakdowns using MUSIC algorithm combined with deep learning. Mar. Geophys. Res. 2025, 46, 5. [Google Scholar] [CrossRef]
- Li, Y.W. Analysis of fault diagnosis methods for power cables. Integr. Circuit Appl. 2025, 42, 372–374. [Google Scholar] [CrossRef]
- Kim, H.; Lee, H.; Kim, S.; Kim, S.W. Attention Recurrent Neural Network-Based Severity Estimation Method for Early-Stage Fault Diagnosis in Robot Harness Cable. Sensors 2023, 23, 5299. [Google Scholar] [CrossRef]
- Ding, C.; Chen, Y.; Nie, T. LVRT Control Strategy for Asymmetric Faults of DFIG Based on Improved MPCC Method. IEEE Access 2021, 9, 165207–165218. [Google Scholar] [CrossRef]
- NB/T 31026-2022; Electrical Design Specification for Wind Farm Engineering. Industry Standard of the People’s Republic of China: Beijing, China, 2022.
- DL/T 1631-2016; Relay Protection Configuration and Setting Technical Specifications of Grid-Connected Wind Farm. Industry Standard of the People’s Republic of China: Beijing, China, 2016.
- Jin, W.Q.; Wang, D.; Gao, H.L.; Peng, F.; Guo, Y.F.; Gao, M.Y.; Wang, J.W. Two-terminal traveling wave fault location approach based on frequency dependent electrical parameters of HVAC cable transmission lines. Electr. Power Syst. Res. 2024, 235, 110842. [Google Scholar] [CrossRef]
- Liu, F.; Xie, L.W.; Yu, K.; Wang, Y.P.; Zeng, X.J.; Bi, L.X.; Liu, F.; Tang, X. A novel fault location method based on traveling wave for multi-branch distribution network. Electr. Power Syst. Res. 2023, 224, 109753. [Google Scholar] [CrossRef]
- Liu, J.; Lee, C.K.; Pong, P.W.T. Online Short-Circuit Fault Diagnosis in Three-Core Power Distribution Cable Based on Magnetic Pattern. IEEE Sens. J. 2023, 23, 21832–21841. [Google Scholar] [CrossRef]
- Kim, H.; Jeong, H.; Lee, H.; Kim, S.W. Online and Offline Diagnosis of Motor Power Cables Based on 1D CNN and Periodic Burst Signal Injection. Sensors 2021, 21, 5936. [Google Scholar] [CrossRef]
- Huang, T.; Zhang, Q.; Tang, X.A.; Zhao, S.Y.; Lu, X.N. A novel fault diagnosis method based on CNN and LSTM and its application in fault diagnosis for complex systems. Artif. Intell. Rev. 2022, 55, 1289–1315. [Google Scholar] [CrossRef]
- Swaminathan, R.; Mishra, S.; Routray, A.; Swain, S.C. A CNN-LSTM-based fault classifier and locator for underground cables. Neural Comput. Appl. 2021, 33, 15293–15304. [Google Scholar] [CrossRef]
- Feng, R.; Du, H.; Du, T.; Wu, X.; Yu, H.; Zhang, K.; Huang, C.; Cao, L. Fault diagnosis for wind turbines based on LSTM and feature optimization strategies. Concurr. Comput. Pract. Exp. 2024, 36, e7886. [Google Scholar] [CrossRef]
- Chen, H.; Cen, J.; Yang, Z.; Si, W.; Cheng, H. Fault Diagnosis of the Dynamic Chemical Process Based on the Optimized CNN-LSTM Network. ACS Omega 2022, 7, 34389–34400. [Google Scholar] [CrossRef]
- Yang, S.; Li, T.; Pang, X.; Gu, C. A nondestructive high-resistance fault diagnosis method of XLPE medium voltage cables based on Chirp-TDR. Measurement 2024, 235, 115021. [Google Scholar] [CrossRef]
- Bonilla, L.M.; Orozco, H.R.A.; Cabrera, M.A. An overview of methods for detecting and locating incipient faults in underground cables. Electr. Power Syst. Res. 2025, 245, 111631. [Google Scholar] [CrossRef]
- Zhu, B.; Yu, X.; Tian, L.; Wei, X. Insulation Monitoring and Diagnosis of Faults in Cross-Bonded Cables Based on the Resistive Current and Sheath Current. IEEE Access 2022, 10, 46057–46066. [Google Scholar] [CrossRef]
- Jung, C.; Lee, J.; Wang, X.; Song, Y. Wavelet based noise cancellation technique for fault location on underground power cables. Electr. Power Syst. Res. 2007, 77, 1349–1362. [Google Scholar] [CrossRef]
- Parsi, M.; Crossley, P.; Dragotti, P.L.; Cole, D. Wavelet based fault location on power transmission lines using real-world travelling wave data. Electr. Power Syst. Res. 2020, 186, 106261. [Google Scholar] [CrossRef]
- Qi, Z.; Huang, Z.H.; Chen, Y.B. Impedance method based on zero-sequence component for fault location of distribution network. Power Syst. Prot. Control. 2023, 51, 54–62. [Google Scholar]
- Meng, Y.; Yang, Q.; Chen, S.; Wang, Q.; Li, X. Multi-branch AC arc fault detection based on ICEEMDAN and LightGBM algorithm. Electr. Power Syst. Res. 2023, 220, 109286. [Google Scholar] [CrossRef]
- Yu, D.; Zhou, N.; Liao, J.; Wang, Q.; Lyu, Y. Modified VMD Algorithm-Based Fault Location Method for Overhead-Cable Hybrid Transmission Line in MTDC System. IEEE Trans. Instrum. Meas. 2024, 73, 3517711. [Google Scholar] [CrossRef]
- Peng, L.; Guo, Z.; Zhang, S. Research on Fault Diagnosis Method of High-Speed EMU Air Compressor Based on ICEEMDAN and Wavelet Threshold Combined Noise Reduction. IEEE Access 2024, 12, 17348–17351. [Google Scholar] [CrossRef]
- GB 12348-2008; Industrial Enterprise Boundary Environmental Noise Emission Standard. National Standards of the People’s Republic of China: Beijing, China, 2008.
- DL/T 1084-2008; Noise Limit and Measurement Method of Wind Farm. Industry Standard of the People’s Republic of China: Beijing, China, 2008.
- Pan, X.; Zhao, D.; Chen, H.; Shen, A.; Wu, K. Incipient fault identification method for 10 kV power cables based on sheath current and DVAE-SAO-CatBoost. Electr. Power Syst. Res. 2025, 245, 111583. [Google Scholar] [CrossRef]
- Mo, S.; Zhang, D.; Li, Z.; Wan, Z. The Possibility of Fault Location in Cross-Bonded Cables by Broadband Impedance Spectroscopy. IEEE Trans. Dielectr. Electr. Insul. 2021, 28, 1418–1423. [Google Scholar] [CrossRef]
- Wang, C.; Zhao, X.; Qiao, J.; Xiao, Y.; Zhang, J.; Li, Y.; Cao, H.; Yang, L.; Liao, R. Structural Changes and Very-Low-Frequency Nonlinear Dielectric Response of XLPE Cable Insulation under Thermal Aging. Materials 2023, 16, 4388. [Google Scholar] [CrossRef]
- Wang, M.; Liu, Y.; Huang, Y.; Xin, Y.; Han, T.; Du, B. Defect Identification of XLPE Power Cable Using Harmonic Visualized Characteristics of Grounding Current. Appl. Sci. 2024, 13, 1159. [Google Scholar] [CrossRef]
- Xia, C.J.; Yang, M.J.; Chi, Z.B. A parameter-free fault location method for cross-bonding cable based on ranging equations. Electr. Power Syst. Res. 2024, 231, 110345. [Google Scholar] [CrossRef]





















| Failure Mode | Boundary Condition | ||
|---|---|---|---|
| Ag | |||
| Bg | |||
| Cg | |||
| AB | |||
| BC | |||
| CA | |||
| ABg | |||
| BCg | |||
| CAg | |||
| ABC |
| Numbering | Network Layer | Quantity | Numbering | Network Layer | Quantity |
|---|---|---|---|---|---|
| 1 | Input | 700 | 7 | Optimizer | Adam |
| 2 | Convolution | 15 × 1 | 8 | Maximum number of iterations | 700 |
| 3 | Start learning rate | 0.01 | 9 | Dropout | 0.25 |
| 4 | Number of LSTM channels | 32 | 10 | Fully connected | 1 |
| 5 | Number of LSTM channels | 64 | 11 | Activation function | Softmax |
| 6 | Learning rate decline cycle | 350 | 12 | Learning rate decline factor | 0.8 |
| Frequency Band Designation | Frequency Band Range/Hz | Frequency Band Designation | Frequency Band Range/Hz |
|---|---|---|---|
| D12 | 1250~2500 | D6 | 7.81 × 104~1.56 × 105 |
| D11 | 2500~5000 | D5 | 1.56 × 105~3.12 × 105 |
| D10 | 5000~104 | D4 | 3.12 × 105~6.25 × 105 |
| D9 | 104~2×104 | D3 | 6.25 × 105~1.25 × 106 |
| D8 | 2 × 104~3.91 × 104 | D2 | 1.25 × 106~2.5 × 106 |
| D7 | 3.91 × 104~7.81 × 104 | D1 | 2.5 × 106~5 × 106 |
| Fault Point | Cable Line | Fault Judgement | ICEEMDAN -WHT | ICEEMDAN -WST | ICEEMDAN-PE -Improved Wavelet Threshold | |||
|---|---|---|---|---|---|---|---|---|
| Calculate Distance/m | Absolute Error/m | Calculate Distance/m | Absolute Error/m | Calculate Distance/m | Absolute Error/m | |||
| CABLE2 | BC | 932.5 | 67.5 | 957.3 | 43.5 | 973.6 | 26.4 | |
| CABLE2 | BC | 4974.7 | 25.3 | 4964.0 | 36 | 4982.5 | 17.5 | |
| CABLE1 | BC | 15,042.9 | 47.1 | 15,046.8 | 46.8 | 15,021.4 | 21.4 | |
| CABLE1 | BC | 23,935.6 | 64.4 | 23,948.4 | 51.6 | 23,971.6 | 28.4 | |
| CABLE3 | BC | 936.4 | 63.6 | 952.7 | 47.3 | 987.8 | 12.2 | |
| Fault Point | Cable Line | Fault Judgement | ICEEMDAN -WHT | ICEEMDAN -WST | ICEEMDAN-PE -Improved Wavelet Threshold | |||
|---|---|---|---|---|---|---|---|---|
| Calculate Distance/m | Absolute Error/m | Calculate Distance/m | Absolute Error/m | Calculate Distance/m | Absolute Error/m | |||
| CABLE2 | AC ground | 932.0 | 68.0 | 946.4 | 53.6 | 982.5 | 17.5 | |
| CABLE2 | AC ground | 4965.4 | 34.6 | 4973.1 | 26.9 | 4987.2 | 12.8 | |
| CABLE1 | AC ground | 15,074.5 | 58.3 | 15,074.5 | 75.5 | 15,024.6 | 24.6 | |
| CABLE1 | AC ground | 23,947.8 | 52.2 | 23,968.0 | 32.0 | 23,972.8 | 27.2 | |
| CABLE3 | AC ground | 941.3 | 58.7 | 962.4 | 37.6 | 986.5 | 13.5 | |
| Fault Point | Cable Line | Fault Judgement | ICEEMDAN -WHT | ICEEMDAN -WST | ICEEMDAN-PE -Improved Wavelet Threshold | |||
|---|---|---|---|---|---|---|---|---|
| Calculate Distance/m | Absolute Error/m | Calculate Distance/m | Absolute Error/m | Calculate Distance/m | Absolute Error/m | |||
| CABLE2 | BC | 932.5 | 67.5 | 957.3 | 43.5 | 973.6 | 26.4 | |
| CABLE2 | BC | 4974.7 | 25.3 | 4964.0 | 36 | 4982.5 | 17.5 | |
| CABLE1 | BC | 15,042.9 | 47.1 | 15,046.8 | 46.8 | 15,021.4 | 21.4 | |
| CABLE1 | BC | 23,935.6 | 64.4 | 23,948.4 | 51.6 | 23,971.6 | 28.4 | |
| CABLE3 | BC | 947.4 | 52.6 | 970 | 30 | 989.4 | 10.6 | |
| Fault Point | Cable Line | Fault Judgement | ICEEMDAN -WHT | ICEEMDAN -WST | ICEEMDAN-PE -Improved Wavelet Threshold | |||
|---|---|---|---|---|---|---|---|---|
| Calculate Distance/m | Absolute Error/m | Calculate Distance/m | Absolute Error/m | Calculate Distance/m | Absolute Error/m | |||
| CABLE2 | three-phase short circuit | 937.2 | 62.8 | 959.8 | 41.2 | 983.4 | 16.6 | |
| CABLE2 | three-phase short circuit | 4968.3 | 31.7 | 4970.5 | 29.5 | 4985.2 | 14.8 | |
| CABLE1 | three-phase short circuit | 15,042.7 | 42.7 | 15,046.8 | 46.8 | 15,018.9 | 18.9 | |
| CABLE1 | three-phase short circuit | 23,928.4 | 71.6 | 23,953.1 | 46.9 | 23,968.4 | 31.6 | |
| CABLE3 | three-phase short circuit | 942.6 | 57.4 | 973.5 | 26.5 | 990.4 | 9.6 | |
| Fault Point | 100 Ω | 200 Ω | 500 Ω | |||
|---|---|---|---|---|---|---|
| Calculate Distance/m | Absolute Error/m | Calculate Distance/m | Absolute Error/m | Calculate Distance/m | Absolute Error/m | |
| 476.5 | 23.5 | 524.7 | 24.7 | 526.4 | 26.4 | |
| 1982.6 | 17.4 | 1982.4 | 17.6 | 2024.1 | 24.1 | |
| 4018.1 | 18.1 | 4020.5 | 20.5 | 4024.6 | 24.6 | |
| 6023.9 | 23.9 | 5983.2 | 16.8 | 6023.8 | 23.8 | |
| 8023.0 | 23.0 | 7976.8 | 23.2 | 8027.5 | 27.5 | |
Disclaimer/Publisher’s Note: The statements, opinions and data contained in all publications are solely those of the individual author(s) and contributor(s) and not of MDPI and/or the editor(s). MDPI and/or the editor(s) disclaim responsibility for any injury to people or property resulting from any ideas, methods, instructions or products referred to in the content. |
© 2025 by the authors. Licensee MDPI, Basel, Switzerland. This article is an open access article distributed under the terms and conditions of the Creative Commons Attribution (CC BY) license (https://creativecommons.org/licenses/by/4.0/).
Share and Cite
Duan, H.; Bai, S.; Gao, Z.; Zhao, Y. Wind Farm Collector Line Fault Diagnosis and Location System Based on CNN-LSTM and ICEEMDAN-PE Combined with Wavelet Denoising. Electronics 2025, 14, 3347. https://doi.org/10.3390/electronics14173347
Duan H, Bai S, Gao Z, Zhao Y. Wind Farm Collector Line Fault Diagnosis and Location System Based on CNN-LSTM and ICEEMDAN-PE Combined with Wavelet Denoising. Electronics. 2025; 14(17):3347. https://doi.org/10.3390/electronics14173347
Chicago/Turabian StyleDuan, Huida, Song Bai, Zhipeng Gao, and Ying Zhao. 2025. "Wind Farm Collector Line Fault Diagnosis and Location System Based on CNN-LSTM and ICEEMDAN-PE Combined with Wavelet Denoising" Electronics 14, no. 17: 3347. https://doi.org/10.3390/electronics14173347
APA StyleDuan, H., Bai, S., Gao, Z., & Zhao, Y. (2025). Wind Farm Collector Line Fault Diagnosis and Location System Based on CNN-LSTM and ICEEMDAN-PE Combined with Wavelet Denoising. Electronics, 14(17), 3347. https://doi.org/10.3390/electronics14173347
