Abstract
In the design of military, automotive, medical, space, and professional equipment, it is essential to demonstrate that devices can operate for a specific duration with a given level of confidence. Reliability must be considered in the design process, which can involve component selection, component testing, and mitigation techniques such as redundancy and forward error correction (FEC). In modern DC–DC converters, a higher level of reliability is now a mandatory requirement—the ISO 26262, for example, acts as the guidance to provide the appropriate standardized requirements, processes and risk based approach, and it determines integrity levels (known as automotive safety integrity levels or ASILs). The purpose is to reduce risks caused by systematic and random failures to an appropriate level of acceptance. Since the release of MIL-HDBK-217F Notice 2 in 1995, newer standards for predicting failure rates have emerged in the electronic systems reliability market. These updated standards were introduced to address the limitations of the older standards, particularly in relation to advanced component technologies. Numerous studies have shown that the output capacitor bank is one of the most critical components concerning reliability. This work focuses on calculating the failure rates of an output capacitor bank and a MOSFET transistor pair used in a high-current, low-voltage buck converter. The failure rates are calculated using both the latest prediction standard, SN 29500, and the previous MIL-HDBK standard. This comparison serves as a valuable tool for selecting the output capacitor during the early stages of design. Both simulations and experimental setups were employed to measure the temperatures of the components. The SN 29500 standard is particularly beneficial for components operating in harsh environments, as it provides up-to-date failure rate data and stress models. The environmental conditions for the components were defined using a standard point of load (PoL) buck converter for both calculation methods. Results are compared by considering the impact of component temperature and by applying specific parameters such as reference and operating conditions. This kind of comparison is useful for circuit designers, especially in the field of Power electronics when the concept of designing with reliability in mind is adopted.
Keywords:
automotive; DC–DC converter; MIL-HDBK-217F; PoL; reliability prediction standard; SN 29500 1. Introduction
This paper presents the comparative results of reliability calculation for a PoL converter’s output capacitor bank and is an extended version of an existing conference paper [1].
Modern power electronics need properly functioning DC–DC converters to ensure higher output quality, less energy consumption and longer lifespan. For example, reliability prediction in the automotive domain has significant implications for manufacturers, consumers, and the industry as a whole. This assures enhanced vehicle safety because predicting reliability helps identify potential failures early, reducing the risk of accidents caused by mechanical or electronic malfunctions. Additionally, it can lead to cost reductions through optimized maintenance schedules and reduce warranty costs by proactively addressing reliability concerns. Finally, reliability prediction ensures regulatory compliance in meeting stringent safety and reliability standards, which is crucial for automakers seeking to comply with industry regulations and thus avoid recalls. This paper is focused on the last requirement, analyzing the reliability of the equipment from a comparative point of view. The United States Navy’s failure rate prediction of electronic components standard, outlined in Military Handbook 217, published in 1965, has been widely accepted for decades in order to predict reliability on even industrial electronics and is still used today as a matter of priority because there have been no more updates after its latest version, MIL-HDBK-217F—Notice 2, was released in 1995 [2]. This standard includes formulae to account for environmental and usage conditions such as temperature, stress, fixed or mobile equipment, etc. In the initial stages of a design, these calculations are useful in determining the overall reliability of a design so as to compare it with the specified requirements and to determine which components are most significant in terms of system reliability so that design changes can be made if deemed necessary. Over time, this approach has been used but it does not accurately model the reliability because it does not take account a mission profile [3]. Therefore, the International Electrotechnical Commission (IEC) has provided a newer standard, named Technical Report (TR) 62380, which takes account of the temperature cycling for failure rate predictions by means of an annual mission profile [4]. As this standard has also not been updated with a data source for new device technologies, a newer standard is gaining attention for reliability engineers. This standard, which is the subject of our comparison, is named SN 29500, is from Siemens and had its latest release in 2013 [5]. Besides MIL-HDBK-217F, there are several other widely recognized reliability prediction standards, as follows:
- Telcordia SR-332 (formerly known as Bellcore)—This standard is commonly used in the telecommunications industry. It provides methods for predicting the reliability of electronic equipment, focusing on failure rates and mean time between failures (MTBF) calculations.
- 217Plus—Developed by the Reliability Information Analysis Center (RIAC), 217Plus is an updated and expanded version of MIL-HDBK-217. It incorporates additional data and methodologies to provide more accurate reliability predictions.
- ANSI/VITA 51.1—This standard is used primarily in the aerospace and defense industries. It provides guidelines for predicting the reliability of electronic systems and components, emphasizing the use of environmental and operational profiles.
- Chinese Standard GJB/z 299 [6]—This is the Chinese military standard for reliability prediction. It is similar to MIL-HDBK-217 but is tailored to the specific requirements and conditions of Chinese military applications.
- NPRD and EPRD databases—The Non-electronic Parts Reliability Data (NPRD) and Electronic Parts Reliability Data (EPRD) databases provide failure rate data for a wide range of components. These databases are often used in conjunction with other reliability prediction standards to enhance accuracy.
Since then, several other standards have been developed, especially for telecommunication systems [6,7,8,9,10,11]. These standards offer various methodologies and datasets to help predict the reliability of electronic and mechanical systems, each with its own strengths and applications.
None of the alternative proposed standards have managed to become well accepted, with all of them being criticized or defended. The reliability technologies and the methods for calculating their failure rates are subject to continuous development and thus to continuous change.
Ensuring that designs meet industry reliability standards and regulations is crucial. Reliability comparisons help in verifying that the designs comply with these standards, avoiding potential legal and regulatory issues.
The research gap and contributions of this work, as well as the existing limitations and the advancements of this paper, speak to the way in which the technical literature does not provide sufficient examples in this regard. This work presents, for the first time, a comparison between two standards used for reliability prediction, one being a well-known reference standard and the other a newer one, predominantly used in industry, especially in Europe. Additionally, calculating reliability using these two types of predictive standards is based on the use of data obtained from hands-on work, or, more precisely, by determining the temperature of the capsules of active devices and passive components using the method of infrared photography.
2. Brief Description of the Reliability Concept and the Metrics to Express It
What is the use of reliability predictions? Reliability predictions can be used to assess whether reliability goals e.g., MTBF can be reached; the identification of potential design weaknesses; the evaluation of alternative designs and life-cycle costs; the provision of data for system reliability and availability analysis; logistic support strategy planning; and to establish objectives for reliability tests [12,13].
What are the conditions that have a significant effect on reliability? Important factors affecting reliability include the following:
- Temperature stress
- Electrical and mechanical stress
- Environment
- Duty cycle
- Quality of components
Reliability is the ability of an item to perform a specific function under given conditions but in a specific period of time, often expressed by the failure rate λ:
R(t) = e−λt
A more practical and commercial way to express reliability is mean time between failure (MTBF), which is the average length of time before the first failure appears and the item no longer being able to continue functioning in normal operation. This is expressed by the integral of (1), as follows:
a simpler form results in the following:
at the moment of time t = 1/λ, we find the following:
where the mathematical mean of R(t) is the amount of time that should elapse until the first failure occurs, here signifying that 37% of the items within a large group will last as long as the MTBF number. Thus, λ signifies the intrinsic failure rate, excluding early failures and wear-out failures, which is assumed to be constant during the lifetime period, as shown in the bath tub curve (Figure 1) and expressed in [F/106 h], i.e., failures per one million component hours or [FIT], i.e., failures in time or one failure per one billion component hours. The term failure in time (FIT) is defined as a failure rate of 1 per billion hours. A component having a failure rate of 1 FIT is equivalent to having an MTBF of 1 billion hours. Most components have failure rates measured in 100’s and 1000’s of FITs. For components such as transistors and ICs, the manufacturer will test a large number over a period of time to determine the failure rate. If 1000 components are tested for 1000 h, then that is considered to be equivalent to 1,000,000 h of test time. There are standard formulas that convert the number of failures in a given test time to the MTBF for a selected confidence level. For a system of components, one method of predicting the MTBF is to add the failure rates of each component and then take the reciprocal. Therefore, all of the standards provide a constant failure rate for a system’s components during its useful lifetime.
MTBF = 1/λ
R = 1/e = 0.367
Figure 1.
Failure rate and the bathtub curve-shaped format. The three main regions are highlighted, as is the fact that in the second region the failure rate is generally constant [14,15].
The bathtub model in reliability engineering describes the failure rate of a product over its lifecycle using a characteristic curve that resembles the shape of a bathtub. This model is widely used to understand and predict system failures, helping engineers design more reliable products. The bathtub curve consists of three distinct phases, as follows:
Early Failure (Infant Mortality) Phase: This phase occurs at the beginning of a product’s life. The failure rate is initially high due to manufacturing defects, poor material quality, or improper assembly. Over time, defective units are identified and removed, leading to a decrease in the failure rate. Burn-in testing, stress screening, and quality control measures help reduce early failures.
Random Failure (Useful Life) Phase: This is the longest phase, where the failure rate remains relatively constant. Failures occur randomly due to unforeseen external factors such as environmental conditions, accidental damage, or unpredictable component failures. Regular maintenance, redundancy in design, and robust quality assurance help minimize failures.
Wear-Out Failure Phase: As the product ages, its components degrade due to wear and tear, leading to an increase in the failure rate. Common causes include material fatigue, corrosion, and aging effects in electronic components. Preventive maintenance, component replacement, and design improvements act to extend the product’s lifespan. Applications of the bathtub model are as follows:
- Reliability Prediction: helps manufacturers estimate product lifespan and failure rates.
- Maintenance Planning: guides preventive maintenance schedules to reduce unexpected breakdowns.
- Quality Control: identifies weak points in production and improves manufacturing processes.
- Warranty and Cost Analysis: assists in setting warranty periods and optimizing repair costs.
The bathtub reliability model has a direct impact on product design decisions because it helps engineers anticipate failure rates and optimize durability at every stage of a product’s life cycle.
There are differences between observed, predicted and demonstrated MTBFs.
- Observed—the field failure experienced.
- Predicted—the estimated reliability based on reliability models and predefined conditions.
- Demonstrated—the statistical estimation based on life tests or accelerated reliability testing.
In this work only predicted reliability is undertaken.
3. Experiment, Materials and Methods
3.1. Workbench Phase
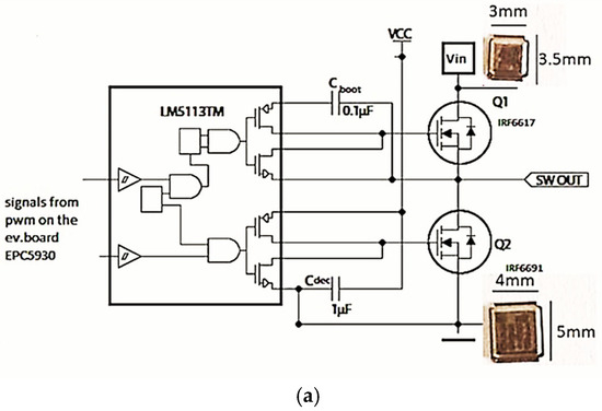
The experiment that is used to perform the comparison between the two reliability calculations based on the two mentioned standards has two stages. First, a workbench set-up was made with a converter made only with the two MOSFET transistors, for which a thermal scan was then made in IR with the aim of detecting the temperatures of the SMD-type power transistor capsules with the characteristics in Table 1. The table also shows the load level of the converter, the input and output voltages and the switching frequency. The scan results revealed a higher temperature for the low-side MOSFET transistor Q2. The temperatures obtained for the transistors shown in Table 2 (see Figure 2) are then used in Section 4 to find the thermal stress factor needed to calculate the πTMOSFET failure rate, which will later be useful in calculating the failure rate for each transistor of power—λMOSFET.
Table 1.
Elected parameters for the converter under study.
Table 2.
MOSFET technologies, role, type and detected temperature by IR scanning (see also Figure 2).

Figure 2.
Buck synchronous converter implementation. (a) Wiring diagram and (b) the scanned area for the detection of the transistor’s capsules temperatures.
The junction temperature of the transistors will be calculated later on the basis of the capsule temperature and the thermal resistance specific to each transistor provided by the catalog.
Reliability prediction results for a MOSFET can have consequences on its parasitic capacitances and overall parameters: Degradation over time—reliability models often consider factors like temperature, voltage stress, and aging effects. These can cause shifts in parasitic capacitances due to changes in oxide thickness or charge trapping. Electrical performance variations—as reliability decreases, key MOSFET parameters such as threshold voltage, transconductance and leakage currents may drift, impacting overall circuit functionality. Failure mechanisms affecting capacitances—factors like hot carrier injection, bias temperature instability, and time-dependent dielectric breakdown can alter capacitances, potentially affecting switching speed and efficiency. Impact on Circuit Design—if reliability prediction results indicate significant degradation risks, designers may need to compensate with different biasing techniques or alternative transistor configurations.
3.2. Simulation PSPICE Phase
In the simulation phase of the experiment, in order to obtain the temperature of the capacitors, a PSPICE simulation of the converter circuit shown in Figure 3 was carried out, in which realistic SPICE models provided by the component manufacturers were used for the capacitors [18,19]. A U12–U15 switch configuration was used in the schematics to simulate a step-type load, thus subjecting the converter to a considerable stress level. All calculations and measurements were made in the continuous conduction mode (CCM) operating condition for the converter. This manner of getting the temperature of the capacitor capsules by simulation can deliver some advantage in removing the sources of some criticisms that are addressed at the IR thermal scanning, which is especially susceptible to re-flexion aluminum capacitor capsules.
Figure 3.
Schematic of the converter under investigation. A high fidelity, dedicated SPICE model provided by the manufacturers was used. The SPICE models are available at [18] for MLCCs—and [19] for polymer capacitors PCF0J471MCL6GS.
Capacitors can be affected by several stress factors that influence their performance and longevity. Here follow some of the most common factors:
- Temperature—high temperatures can accelerate the degradation of the dielectric material inside capacitors, leading to reduced capacitance and potential failure.
- Voltage—Excessive voltage can cause dielectric breakdown, where the insulating material inside the capacitor fails, leading to short circuits.
- Ripple current—High ripple currents can cause internal heating, which can degrade the capacitor over time.
- Charge–discharge cycles—Frequent charging and discharging can wear out the dielectric material, reducing the capacitor’s effectiveness.
- Humidity—Moisture can penetrate non-hermetic capacitors, leading to corrosion and electrical leakage.
The ripple current is defined as an RMS value of the current flowing into and out of the capacitor each time the switch state turns ON and OFF. Further, the current ripple flows through the so-called ESR—the so-called equivalent series resistance within the capacitor—hence it will dissipate power, as given by the well-known formula for power, i.e.,
Some combinations of n = 1/3 aluminum polymer can-type SMD electrolytic and m = 1/6 MLCC–SMD-type capacitors are considered in [18]. Each capacitor’s current ripple was measured with PSPICE at a maximum load current where the ripple yields the highest value. The results show that, if using more than four ceramic capacitors, the number of electrolytic capacitors does not influence the current ripple.
Among various choices, the optimized and specific calculation refers to an optimal combination of two electrolytic and four ceramic capacitors; one piece of HF ceramic capacitor through hole mounting (THD) was added in parallel for a better behavior at high frequencies. From [20], the simulation of the circuit gives a 2 A intensity of the ripple current. As a result, the temperature change of the GRM32ER60J107ME20 ceramic MLCC capacitors packaged in the SMD 1210 style, results in an ambient temperature Tamb = 27 °C
where RTH represents the thermal resistance in °C per watt and ΔT is the allowable temperature rise of the capacitor under test i.e., the temperature difference between capacitor and ambient environment.
so,
and the temperature change for the PCF0J472MCL6G aluminum polymer can-type SMD capacitors, packaged in an SMD V-style with a 6 A intensity of the current ripple, results in an ambient temperature Tamb = 27 °C
so,
Pdissipate by capacitor = ΔT/RTH
As with the power transistors in the converter, we will use the temperatures obtained from the simulation to calculate the thermal stress factor necessary for the subsequent calculation of the failure rate of all three types of capacitors in the bank component of the output filter.
4. Reliability Prediction Using the Two Standards: The Methodology Behind It
4.1. Input Data for Calculus with MIL-HDBK-217 Standard
This paper continues the reliability calculus found in [1], which was focused on an output capacitor bank’s failure rate calculation according to MIL-HDBK-217 rev.2 cap.10.1—Capacitors; thus, we use the same schematic for the converter as in [1], where SPICE simulation was used for a multiple-constraint choice of capacitor bank (Figure 3) with the same parameters (Table 1). Part stress analysis prediction will be used further. This method is applicable when most of the design is completed and a detailed part list including part stresses is available. It can also be used during later design phases for reliability trade-offs vs. part selection and stresses.
4.1.1. Reliability Calculation for the MOSFETs
According to subchapter 6.9 (specification MIL-S-19500) from the MIL217 standard, we can calculate the failure rate for FET transistors using the following formula:
expressed in [F/106 h] or [FIT].
λMOSFET-MIL-HDBK-217 = λbase × πT × πQ × πE
For MOSFETs λbase = 0.06, thermal stress factor
where Tj = junction temperature (about 40 °C for High-MOSFET and about 49 °C for λLow-MOSFET); quality factor πQ = 1, for the Joint Army Navy (JAN) category (i.e., parts at the highest quality level of manufacturing); and environment factor πE = 1, for ground benign (GB) environment. As a result, we obtain the following:
λHigh-MOSFET-MIL-HDBK-217 = 0.06 × 1.4 × 1 × 1 = 0.084 [F/106 h] or 84 [FIT]
λLow-MOSFET-MIL-HDBK-217 = 0.06 × 1.6 × 1 × 1 = 0.096 [F/106 h] or 96 [FIT]
The environment the device will see is a factor along with the type of packaging technology (ceramic vs. plastic or metal packaging).
4.1.2. Reliability Calculation for Capacitors
We show here the equation for failure rate of either electrolytic or ceramic capacitors stated by the above-mentioned standard:
λcapacitor-MIL-HDBK-21 7 = λbase × πT × πQ × πV × πSR × πE × πC
Because our investigated DC–DC converter is a synchronous buck converter, with a series structure from a reliability calculation point of view, we apply the parts count approach. Thus, the overall system failure rate can be written as being the sum of all of the components’ failure rate.
Equation (14) illustrates the total failure rate [19,20], with N = total number and λi = the failure rate for the ith component.
The calculus in [1] has the following results for the three types of capacitors used in the converter (in accordance with Table 1):
and for the entire bank:
λpolymer electrolytic capacitor-MIL-HDBK-217 = 0.015333864 [F/106 h] or 15.334 [FIT]
(for two pieces in parallel)
(for two pieces in parallel)
λMLCC capacitor-MIL-HDBK-217 = 0.52585624 [F/106 h] or 525.9 [FIT]
(for four pieces in parallel)
(for four pieces in parallel)
λceramic HF capacitor-MIL-HDBK-217 = 0.007666932 [F/106 h] or 7.666 FIT
(for only one piece)
(for only one piece)
λcapacitor bank -MIL-HDBK-217 = the sum of the above three values
= 0.548861812 [F/106 h] or 548.9 [FIT]
(2 × polymer + 4 × MLCC + one ceramic HF through hole)
= 0.548861812 [F/106 h] or 548.9 [FIT]
(2 × polymer + 4 × MLCC + one ceramic HF through hole)
MTBFcapacitor bank -MIL-HDBK-217 = 1821952
4.2. Input Data for Calculus with the SN 29500 Standard
To predict reliability using the SN 29500 standard [5], one must take the following steps:
- Define the system—start by outlining the system, sub-systems, and components. This can be undertaken using a reliability prediction tool that supports SN 29500.
- Gather data—collecting accurate data for each component. This includes environmental conditions, operational profiles, and stress factors.
- Apply failure rates—using the failure rate data provided in the SN 29500 standard. These data are specific to different types of electronic and electromechanical components.
- Calculate failure rates—input the data into the prediction tool. The tool will use the SN 29500 models to calculate the failure rates for each component and the overall system.
- Analyze results—review the calculation of failure rates to identify potential reliability issues and areas for improvement.
The SN 29500 standard, developed by Siemens, is used to estimate the failure rates of electronic components for reliability analysis. The key components of SN 29500 are as follows:
- Failure rate data—this provides expected failure rates for various types of electronic components, such as resistors, capacitors, and integrated circuits.
- Temperature factors—these are adjustments based on the operating temperature of the components.
- Voltage factors—these are adjustments based on the operating voltage.
- Current factors—these are adjustments based on the operating current.
- Stress factors—these are adjustments based on the percentage of time the component is under stress.
These factors help in calculating the failure in time (FIT) rate, which is crucial for assessing the reliability of components in safety-critical applications. SN 29500 failure rate calculation for MOSFETs are valid for the following [21]:
4.2.1. Reference Conditions
- Failure criteria, i.e., complete failures and changes of major parameters leading to failure in the majority of applications.
- Time interval, i.e., the operating interval of time, which needs to be greater than 1000 h.
- Operating voltage, i.e., about 50% of the maximum permissible voltage.
- Junction temperature θj, stated in Table 1, Table 2 and Table 3 (page 4 from SN 29500-3: expected values for discrete semiconductors—Siemens Norm, Edition 2009-06)
Table 3. Elected parameters for capacitors within output filter of converter under study. - Description of environment, i.e., the same statement as in IEC 60721, where parts 3-1, 3-2, and 3-3 are valid.
- Operating mode, i.e., continuous duty under constant stress.
The expected values under reference conditions λref, are found in the abovementioned tables from the standard and should be understood in terms of their operation under the above-stated reference conditions. From Table 1—failure rate for transistors from standard—we find that λref (power-MOSFET) = 200 FIT for θj = 125 °C. The conversion from reference condition to operating conditions is as follows:
where πT, is the temperature dependence factor:
where
and
where TUref = θUref + 273 [°K], T1 = θj,1 + 273 [°K], T2 = θj,2 + 273 [°K], and A, Ea1, Ea2, and θUref are constants, as found in a specific table within standard; θj,1 represents the virtual (equivalent) junction temperature in [°C]; and θj,2 is the actual junction temperature in [°C] obtained from thermal IR scanning from [y]. For power transistors we have A = 1, Ea1 = 0.4 eV, Ea2 = 0.7 eV, θUref = 40 °C, and θj,2 = θU + Δθ, with θU = mean ambient temperature of the component in °C. Additionally, we find Δθ = P × Rth with P = operating power dissipation, Rth = thermal resistance (junction to ambient). For Q1—high MOSFET—we have θj,2, high MOSFET = 40 °C and from the transistor’s datasheet we have R(DS)on = 6.2 mΩ, Coss = 430 pF (output MOSFET capacitance), and Rth(J-C) = 20 °C/W (thermal resistance from junction to case).
λ = λref × πT
πT = [A‧e(Ea1‧z) + (1-A) × e(Ea2 × z)]/[A‧e(Ea1 × zref) +(1-A) × e(Ea2 × zref)]
z = 11,605 × (1/TUref − 1/T2) [1/eV]
zref = 11,605 × (1/TUref − 1/T1) [1/eV]
Hence, in order to calculate the failure rate value, we find the following:
PConduction-Loss = R(DS)on × (ILoad)2 = (6.2 mΩ) × (5.43 A)2 = 182.80638 mW
PSwitching-Loss = fSW·Coss × (Vin)2 = 250 kHz × 430 pF × (12 V)2 = 15.48 mW
PTotal-Loss = PConduction-Loss + PSwitsching-Loss/2 = 190.54 mW
Tcase= 40 °C, Tjunction = Tcapsule+ Rth(J-C) × PTotal-Loss = 40 °C + 20 °C/W × 0.19054 W = 60.6 °C
For Q2—low MOSFET—we have θj,2, low MOSFET = 49 °C, and from the transistor’s datasheet we have R(DS)on = 2.5 mΩ, Coss = 2070 pF (output MOSFET capacitance), and Rth(J-C) = 1.4 °C/W (thermal resistance from junction to case).
Hence, in order to calculate the failure rate value we find the following:
PConduction-Loss = R(DS)on × (ILoad)2 = (2.5 mΩ) × (5.43 A)2 = 73.71 mW
PSwitching-Loss = fSW·Coss·(Vin)2 = 250 kHz × 2070 pF × (12)2 = 74.52 mW
PTotal-Loss = PConduction-Loss + PSwitsching-Loss / 2 = 110.97 mW
Tcase = 49 °C, Tjunction = Tcapsule+ Rth(J-C) · PTotal-Loss = 49 °C + 75.121 = 124.12 °C
πT-HighMOSFET = 0.092, so λHighMOSFET = λref × πT-HighMOSFET = 200 × 0.092 = 18.4 [FIT]
πT-LowMOSFET = 0.15, so λLowMOSFET = λref × πT-LowMOSFET = 200 × 0.15 = 30 [FIT]
4.2.2. Operating Stress Conditions
Operating stress conditions are typical in industrial environments that are similar to IEC 60654-1 class C, i.e., sheltered locations which have an average temperature of 40 °C over long periods of time. The value θ1 = 40 °C from the standard table indicates 25 °C from ambient temperature plus the internal self-heating due to ripple current through capacitor. The value θ2 is the actual capacitor’s temperature obtained from the SPICE simulation [18,19], shown in Table 2.
Taking account of Section 3 and after extracting the data from the SN 29500 standard’s tables we found the following [1]:
- For polymer capacitor we have the following: C2 = 1.9; C3 = 3; Umax = 6.3 V; Uref/Umax = 0.8; U = 1.2 V; U/Umax = 0.19048; A = 0.4; Ea1= 0.14; Ea2 = 0; θUref = 40 °C; θ1 = 40 °C; θ2 = 28 °C (see Table 2 within the SN 29500 standard); TUref = 313 [°K]; T1 = 313 [°K]; T2 = 301 [°K]; zref = −3632327.923 [1/eV]; and z = −1.478139959 [1/eV], with the following results: λref-polymer electrolytic = 3; πU = 2.735932892; πT = 0.542388224; πQ = 2.
- For MLCC capacitor we have the following: C2 = 1; C3 = 4; Umax = 6.3 V; Uref/Umax = 0.5; U = 1.2 V; U/Umax = 0.19048; A = 1; Ea1 = 0.35; Ea2 = 0; θUref = 40 °C; θ1 = 40 °C; θ2 = 32 °C (see Table 2 within the SN 29500 standard); TUref = 298 [°K]; T1 = 313 [°K]; T2 = 305 [°K]; zref = −362327.923 [1/eV]; and z = −1.478139959 [1/eV], with the following results: λref-MLCC = 2; πU = 3.71; πT = 0.712242068; πQ = 2;
- For ceramic through hole HF capacitor we have the following: C2 = 1; C3 = 4; Umax = 25 V; U = 1.2 V; Uref/Umax = 0.5; U/Umax = 0.048; A = 0.4; Ea1= 0.14; Ea2 = 0; θUref = 40 °C; θ1 = 40 °C; θ2 = 32 °C (see Table 2 within the SN 29500 standard); TUref = 313 °K; T1 = 313 °K; T2 = 301 [°K]; zref = −3632327.923 [1/eV]; and z = −1.478139959 [1/eV], with the following results: λref-ceramic cap HF = 3; πU = 2.735932892; πT = 0.542388224; πQ = 2.
5. Results
Once we have undertaken the calculations, we obtain the following:
λpolymer electrolytic capacitor-SN 29500 = 0.004451813 [F/106 h] or 4.451 [FIT] (one piece)
λMLCC capacitor-SN 29500 = 0.005285 [F/106 h] or 5.285 [FIT] (one piece)
λceramic HF capacitor-SN 29500 = 0.00389908 [F/106 h] or 3.899 [FIT] (one piece)
For the entire capacitor bank we obtain the following:
λcapacitor bank-SN 29500 = 0.06788410532 [F/106 h] or 67.9 [FIT]
(2 × polymer + 4 × MLCC + one ceramic HF through hole)
(2 × polymer + 4 × MLCC + one ceramic HF through hole)
MTBFcapacitor bank-SN 29500 = 14,730,989 h
These data are grouped within Table 4.
Table 4.
Calculated values of failure rate and MTBF for the converter under study.
A diagram comparison of the two failure rates for the entire capacitor bank is shown in Figure 4. We find a significant difference between the two standard’s calculation results. A lesser difference is obtained by calculus with the SN 29500 standard and for the very same schematic and capacitors. The same observation for the entire converter’s MTBF is true and the results can be seen in Figure 5.
Figure 4.
Capacitor bank’s MTBF comparison resulting from calculation of the two standards.
Figure 5.
Entire converter’s MTBF comparison resulting from calculation of the two standards.
Figure 6 and Figure 7 show, via pie diagram, the failure rate distribution for every part of the converter and for both calculations upon the used standard.
Figure 6.
Distribution of failure rates by components of the converter for the MIL-217 Standard.
Figure 7.
Distribution of failure rates, per component, for the converter of the SN 29500 Standard.
The SN 29500 Standard, developed by Siemens, is often considered superior to other reliability standards for several reasons, as follows:
- Comprehensive data, because SN 29500 provides extensive failure rate data for a wide range of electronic and electromechanical components. These data are regularly updated to reflect the latest industry findings and technological advancements.
- Sophisticated models are used, where the standard includes detailed and sophisticated calculation models that are particularly effective for components used in harsh environments. These models help in accurately predicting the reliability of components under various stress conditions.
- Ease of use, where, despite its sophistication, the SN 29500 standard maintains simplicity in the required model parameters, making it accessible for engineers to use without extensive additional training.
- Industry acceptance, due to the SN 29500 standard being widely accepted and used in various industries, particularly in automotive and industrial applications, in turn due to its reliability and accuracy in predicting component failures.
- Focus on harsh environments, because the standard is specifically designed to address the reliability of components in harsh environments, which is crucial for industries where components are exposed to extreme conditions.
These features make SN 29500 a preferred choice for reliability predictions, especially in industries where precision and up-to-date data are critical. It is useful to note that, for example, in Figure 5, MTBF does not mean that a single unit will last 746 years—it represents the average time between failures in a large population of identical components. If a system has an MTBF of 746 years, it means that in a large sample, failures will statistically occur at a rate of one failure per 746 years of cumulative operation.
6. Discussion
The root cause of the difference between the two standards may be the values for stress factors within the Mil-HDBK-217 standard’s tables, which were stated for the capacitor’s technology at that time. As an example, the basic failure rate values, λbase, for ceramic capacitors described as “Capacitor, Chip, Multiple Layer, Fixed, Ceramic Dielectric, Established reliability” in table “10.1 Capacitors” is equal to 0.020 and for polymer capacitors described as “Capacitor, Fixed Electrolytic (DC, Aluminum, Dry Electrolyte, Polarized)” is equal to 0.00012. Here, the discussion requires the following (without any intention of criticizing the widely accepted and used standard mentioned above):
- Firstly, λbase = 0.020 for MLCC makes the final result of the failure rate calculation much larger when compared with SN 29500’s calculation result (548.9 FIT vs. 67.9 FIT).
- Secondly, λbase = 0.020 for MLCC vs. λbase = 0.00012 for polymer capacitors seems to be reversed regarding today’s technology for the two types of capacitors (nowadays MLCC capacitors are characterized by a longer useful life than polymer capacitors [17,18])
- The environment that the device will be utilized in is a factor, along with the type of packaging technology.
- Industrial electronics reliability calculations obtained using Siemens SN 29500 are specific mostly for Europe, while MIL-217 is a USA standard.
Despite SN 29500 considering environmental factors, this reliability standard may place more emphasis on conditions typical of industrial and commercial settings, while the MIL-217 standard takes into account a variety of environmental factors such as temperature, humidity, and vibration, which are critical in military and aerospace applications. SN 29500 assumes a general industrial environment, which might limit its applicability in more extreme conditions. This standard is maintained and updated by Siemens, with the latest issues ranging from 2004 to 2011, while MIL-217 has not been updated since 1995.
Environmental factors play a crucial role in reliability estimation, and different prediction standards account for them in varying ways. Environmental differences can impact reliability predictions by showing variability in failure rates. Some standards, like MIL-HDBK-217, use environmental multipliers to adjust failure rates based on conditions such as temperature, humidity, and vibration. Other standards, such as SN 29500, incorporate environmental stress factors differently, often focusing on specifically industrial (automotive) conditions. Typical industrial and commercial settings are expressed by the average and moderate conditions found in most industrial and commercial applications, by the range of environmental factors determining the average and moderate conditions that can be encountered in various applications, and extreme conditions (which can be encountered in certain applications, such as military ones or those that require performance in extreme environmental conditions). All these parameters for the above mentioned field situations are synthesized in Table 5 below.
Table 5.
Typical SN 29500 industrial and commercial settings, environment factor range and MIL 217 more extreme conditions.
SN 29500 provides typical industrial and commercial settings that are more moderate than the extreme conditions in MIL HDBK 217F. The range of environmental factors in SN 29500 is wider than that in MIL HDBK 217F, which makes SN 29500 more flexible and adaptable to various environmental conditions. MIL HDBK 217F provides extreme conditions that are more severe than those in SN 29500, which makes MIL HDBK 217F more suitable for applications that require performance in extreme environmental conditions.
Additionally, there are differences in environmental assumptions—standards may assume different baseline environments. MIL-HDBK-217 defines multiple operational environments (e.g., ground fixed, airborne, naval sheltered), each one with distinct reliability models. Other standards use conversion matrices to adjust predictions when the operating environment changes. Nevertheless, there is the problem of the adaptability of the prediction figures. Some standards allow for custom environmental adjustments, while others rely on predefined conditions. If a product is moved to a harsher environment than initially predicted, reliability estimates may need recalibration using environmental conversion matrices.
A comparative analysis [22] between Siemens SN 29500, Telcordia SR-332, and MIL-HDBK-217F has demonstrated that SN 29500 provides more realistic estimates of the reliability of modern electronic components. In particular, it was observed that MIL-HDBK-217F can overestimate the failure rate, while SN 29500 better reflects the actual reliability of current commercial components.
We can justify with field data the statement that SN 29500 is more appropriate than MIL-HDBK-217F. This can be achieved using the data shown in Figure 8, which is an excerpt from [22], which in turn shows the failure rates for different prediction standards determined for a batch of 1400 components on five printed circuit boards. Additionally, we can follow the data in Table 6, which compare the ratio of failure rates for the two standards in question with the ratio found in the investigation carried out in this paper.
Figure 8.
Variation of the failure rate with temperature for different international prediction standards obtained on a batch of 1400 parts. Dotted blue line: MIL 217, solid green line: SN 29500 [22] (failure rate λ is denoted in the figure as FR and is measured in [F/106 h] or failures per million hours). Red boxes denotes the five values of temperatures taking account in Table 6.
Table 6.
Failure rates for the two standards investigated (extracted from Figure 8), the ratio between them, and the resulting ratio within our work.
The yellow points correspond to the failure rate values for the MIL standard, and the orange ones to the SN 29500 standard. In Table 6 below, these values, plus the failure rate ratios for the two standards in question, are grouped and are also compared with the ratio value obtained in this work.
The ratio between the failure rates for the five red boxex within Figure 8 (coresponding for the five values of temperatures mentioned in Tabe 6) are depicted in the Figure 9 below.
Figure 9.
Ratio variation between λMIL-HDBK-217F over λSN 29500 for different temperatures.
Therefore, it is observed that the ratio between λMIL-HDBK-217F over λSN 29500 obtained in this investigation (4.76461) is consistent with the field data (between 4.14285 and 4.8) obtained in [22].
7. Conclusions
This paper provides a comparison calculation using two reliability standards: one used worldwide (also the very first to appear on the reliability prediction market) and a newer one that takes account of the newer capacitor’s technology, like polymer and MLCC. A consistent difference appears between the results of the two calculations. According to the calculation using the newer standard, a better MTBF is revealed. These two reliability standards provide a common basis for reliability prediction, based on analysis of the best available data at the time of issue.
As we already know, prediction reliability comparison contributes significantly to various fields by providing insights into the accuracy and dependability of different predictive models. This investigation provides the following key contributions:
- It helps to evaluate the performance of different predictive models by comparing their reliability.
- By comparing the reliability of various design options, engineers can make better-informed decisions regarding which components and configurations to adopt. This assists in choosing the most robust and reliable design.
- Identifying the most reliable components early in the design process can reduce costs associated with failures and maintenance. This leads to more efficient use of resources and budget.
The insights gained from comparing reliability prediction standards can often be applied to different product categories, especially if they share similar operational conditions, materials, or failure mechanisms. Comparison can be useful beyond the original product category that takes account of failure pattern recognition, comparing standards helps identify recurring failure modes, which can be useful for industries dealing with durability concerns, such as automotive or aerospace. Additionally, by optimizing maintenance strategies via the study of reliability data across multiple standards and industries, companies can refine maintenance schedules for various types of equipment. In addition, comparison can improve risk assessment; if one standard is found to provide more realistic predictions, companies can use that insight when evaluating reliability for unrelated products.
Author Contributions
Conceptualization, D.B.; methodology, D.B.; formal analysis, D.B. and G.B.; resources, D.B.; writing, D.B.; writing—review and editing, G.B.; project administration, D.B. All authors have read and agreed to the published version of the manuscript.
Funding
This work was supported by a National Research Grant of the TUIASI, project number ID_259.
Data Availability Statement
Data are contained within the article.
Conflicts of Interest
The authors declare no conflicts of interest.
Abbreviations
| |
| MIL-HDBK-217F | Military Handbook 217F, USA Reliability Prediction Standard for Electronics |
| SN 29500 | German SIEMENS Reliability Prediction Standard for Electronics |
| AC | Alternating current |
| DC | Direct current |
| ESL | Equivalent series inductance |
| ESR | Equivalent series resistance |
| F | Failure |
| FIT | Failures in time |
| HF | High-frequency MIL-HDBK Military Handbook |
| IPC | Institute of Printed Circuits |
| MOSFET | Metal oxide semiconductor field effect transistor |
| MTBF | Mean time between failures |
| MTTF | Mean time to failure |
| MLCC | Multilayer ceramic capacitor LED |
| PoL | Point of load |
| PWM | Pulse width modulation |
| R | Reliability |
| RMS | Root mean square |
| SMD | Surface-mounted device |
| SPICE | Simulation Program with Integrated Circuit Emphasis TH |
| TH | Through hole |
| TD | Time delay |
| TR | Time rise |
| TF | Time fall |
| PW | Pulse width |
| PER | Period |
| |
| λbase | [F/106 h] (failures per million hours) or [FIT] (failure per 109 h) |
| λref | [F/106 h], [FIT] |
| λsystem | [F/106 h], [FIT] |
| πT | [dimensionless] |
| πQ | [dimensionless] |
| πV | [dimensionless] |
| πSR | [dimensionless] |
| πE | [dimensionless] |
| πC | [dimensionless] |
References
- Butnicu, D. POL DC-DC Converter Output Capacitor Bank’s Reliability Comparison using Prediction Standard MIL-HDBK-217F and SN 29500. In Proceedings of the 2021 IEEE 27th International Symposium for Design and Technology in Electronic Packaging (SIITME), Timisoara, Romania, 27–30 October 2021; pp. 169–172. [Google Scholar] [CrossRef]
- Anon. Available online: https://www.quanterion.com/wp-content/uploads/2014/09/MIL-HDBK-217F.pdf?srsltid=AfmBOopWNZnmPkkRDw_pZdIxa3fvnSJS4Xgvw2Bs8AQUMazar-ncdETs (accessed on 6 June 2025).
- Zhou, D.; Song, Y.; Liu, Y.; Blaabjerg, F. Mission profile-based reliability evaluation of capacitor banks in wind power converters. in IEEE Trans. Power Electron. 2019, 34, 4665–4677. [Google Scholar]
- IEC. TR 62380: Reliability Data Handbook; IEC: Geneva, Switzerland, 2006. [Google Scholar]
- Anon. Available online: https://support.ptc.com/help/wrr/r13.0.0.0/en/index.html#page/wrr/ReferenceGuide/prediction/siemens_sn_29500_v1_source_documents.html (accessed on 6 June 2025).
- Anon. Available online: https://www.itemsoft.com/china-299b.html (accessed on 6 June 2025).
- Anon. Available online: http://www.applied-statistics.org/siemens-sn-29500.html (accessed on 6 June 2025).
- Anon. Available online: https://mircond.com/upload/iblock/5cc/IEC%20617092017.pdf (accessed on 12 June 2025).
- Ericsson. SR-332 reliability Prediction for Electronic Equipment. Ericsson Telecom Info Depot, [Interactive]. Available online: https://telecom-info.njdepot.ericsson.net/site-cgi/ido/docs.cgi?ID=SEARCH&DOCUMENT=SR-332) (accessed on 6 June 2025).
- Zhang, X.; Bose, I. Reliability estimation for individual predictions in machine learning systems: A model reliability-based approach. Decis. Support Syst. 2024, 186, 114305. [Google Scholar] [CrossRef]
- Gullo, L.J. History of the First IEEE Reliability Standard. IEEE Reliab. Mag. 2024, 1, 17–19. [Google Scholar] [CrossRef]
- Jean, G. Link Reliability Prediction: Developing Models to Predict the Reliability of External Links Based on Various Features 2024. Available online: https://www.researchgate.net/publication/384291221_Link_Reliability_Prediction_Developing_models_to_predict_the_reliability_of_external_links_based_on_various_features#fullTextFileContent (accessed on 6 June 2025).
- Pecht, M.G.; Nash, F.R. Predicting the reliability of electronic equipment. Proc. IEEE 1994, 82, 992–1004. [Google Scholar] [CrossRef]
- Neacsu, D.O. Telecom Power Systems; CRC Press: Boca Raton, FL, USA, 2017; ISBN 9781138099302. [Google Scholar]
- Falck, J.; Felgemacher, C.; Rojko, A.; Liserre, M.; Zacharias, P. Reliability of power electronic systems: An industry perspective. IEEE Ind. Electron. Mag. 2018, 12, 24–35. [Google Scholar] [CrossRef]
- Infineon, [Interactive]. Available online: https://www.infineon.com/dgdl/irf6617pbf.pdf?fileId=5546d462533600a4015355e853f21a17 (accessed on 6 June 2025).
- Infineon, www.infineon.com. Infineon, [Interactive]. Available online: https://eu.mouser.com/ProductDetail/Infineon-Technologies/IRF6691?qs=oV44URRYgr3WftVaKeO8aQ%3D%3D&srsltid=AfmBOoq7Qvb-_bLJIr016kXpIoo0g-vn3SRGv3e8nCPUlyrzF1-0vN7I (accessed on 12 June 2025).
- Murata, www.murata.com. Murata, [Interactive]. Available online: https://www.murata.com/en/global//search/productsearch?cate=cgsubCeramicCapacitors&partno=GRM32ER60J107ME20%23&realtime=1 (accessed on 12 June 2025).
- Anon. Available online: https://www.nichicon.co.jp/english/products/spice/index.html (accessed on 6 June 2025).
- Butnicu, D.; Neacsu, D.O. Using SPICE for Reliability Based Design of Capacitor Bank for Telecom Power Supplies. In Proceedings of the 2017 IEEE 23rd International Symposium for Design and Technology in Electronic Packaging (SIITME), Constanta, Romania, 26–29 October 2017; pp. 423–426. [Google Scholar]
- Butnicu, D.; Neacsu, D.O. Using SPICE for multiple-constraint choice of capacitor bank for telecom power supplies. In Proceedings of the 2017 IEEE 23rd International Symposium for Design and Technology in Electronic Packaging (SIITME), Constanta, Romania, 26–29 October 2017. [Google Scholar]
- Available online: http://www.applied-statistics.org/mil-hdbk-217.html (accessed on 12 June 2025).
Disclaimer/Publisher’s Note: The statements, opinions and data contained in all publications are solely those of the individual author(s) and contributor(s) and not of MDPI and/or the editor(s). MDPI and/or the editor(s) disclaim responsibility for any injury to people or property resulting from any ideas, methods, instructions or products referred to in the content. |
© 2025 by the authors. Licensee MDPI, Basel, Switzerland. This article is an open access article distributed under the terms and conditions of the Creative Commons Attribution (CC BY) license (https://creativecommons.org/licenses/by/4.0/).