A Generalized Design of On-Chip LTCC Balanced Filters Using Novel Hybrid Resonators with Intrinsic Ultra-Wideband Suppression for 5G Applications
Abstract
1. Introduction
2. Analysis of a NHR with Intrinsic Ultra-Wideband CM and DM Suppression
3. Design of the NHR-Based Balanced Filter
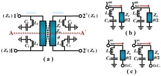
3.1. Working Mechanism
3.2. Design Procedure
4. Experimental Verification
4.1. Realization of the LTCC Balanced Filter for 5G Applications
4.2. Performance Comparison
5. Theoretical Expansion of Arbitrary-Order Topology
6. Conclusions
Author Contributions
Funding
Data Availability Statement
Acknowledgments
Conflicts of Interest
References
- Feng, W.; Che, W.; Xue, Q. The proper balance: Overview of microstrip wideband balance circuits with wideband common mode suppression. IEEE Microw. Mag. 2015, 16, 55–68. [Google Scholar] [CrossRef]
- Maktoomi, M.H.; Ren, H.; Marbell, M.N.; Klein, V.; Wilson, R.; Arigong, B. A Wideband Isolated Real-to-Complex Impedance Transforming Uniplanar Microstrip Line Balun for Push–Pull Power Amplifier. IEEE Trans. Microw. Theory Tech. 2020, 68, 4560–4569. [Google Scholar] [CrossRef]
- Kumari, A.; Martín, F.; Medina, F. Balanced Microwave Transmission Lines, Circuits, and Sensors. IEEE J. Microw. 2023, 3, 398–440. [Google Scholar]
- Pourzadi, A.; Isapour, A.; Kouki, A. Design of Compact Dual-Band LTCC Second-Order Chebyshev Bandpass Filters Using a Direct Synthesis Approach. IEEE Trans. Microw. Theory Tech. 2019, 67, 1441–1451. [Google Scholar] [CrossRef]
- Zhang, W.; Wu, Y.; Wang, W.; Hao, L.; Yang, Y. A Novel Single-Layer Low-Cost Broadband Bandpass Filter Based on Interdigital Capacitors and Microstrip Inductors. Acta Electron. Sin. 2023, 51, 1413–1420. (In Chinese) [Google Scholar]
- Chu, Q.-X.; Qiu, L.-L. Wideband Balanced Filters with High Selectivity and Common-Mode Suppression. IEEE Trans. Microw. Theory Tech. 2015, 63, 3462–3468. [Google Scholar] [CrossRef]
- Li, D.; Xu, K.-D.; Zhang, A. Single-Ended and Balanced Bandpass Filters Using Multiple Pairs of Coupled Lines and Stepped-Impedance Stubs. IEEE Access 2020, 8, 13541–13548. [Google Scholar] [CrossRef]
- Pan, B.; Feng, W.; Shi, Y.; Huang, M.; Che, W.; Xue, Q. High-Performance Wideband Balanced Bandpass Filter Based on Transversal Signal-Interference Techniques. IEEE Trans. Plasma Sci. 2020, 48, 4119–4126. [Google Scholar] [CrossRef]
- Liu, H.; Liu, T.; Zhang, Q.; Ren, B.; Wen, P. Compact Balanced Bandpass Filter Design Using Asymmetric SIR Pairs and Spoof Surface Plasmon Polariton Feeding Structure. IEEE Microw. Wirel. Compon. Lett. 2018, 28, 987–989. [Google Scholar] [CrossRef]
- Shi, J.; Xue, Q. Balanced Bandpass Filters Using Center-Loaded Half-Wavelength Resonators. IEEE Trans. Microw. Theory Tech. 2010, 58, 970–977. [Google Scholar]
- Nie, W.; Pang, Y.; Tan, X.; Wang, Y. Compact Wide-Stopband Balanced Bandpass Filter with Intrinsic Common-Mode Suppression. AEU-Int. J. Electron. Commun. 2020, 127, 153456. [Google Scholar] [CrossRef]
- Deng, H.-W.; Zhang, T.; Liu, F.; Xu, T. High selectivity and CM Suppression Frequency-Dependent Coupling Balanced BPF. IEEE Microw. Wirel. Compon. Lett. 2018, 28, 413–415. [Google Scholar] [CrossRef]
- Ma, Y.; Du, Q.; Zhang, W.; Liu, C.; Zhang, H. A Miniaturized Bandpass Filter with Wideband and High Stopband Rejection Using LTCC Technology. Electronics 2024, 13, 166. [Google Scholar] [CrossRef]
- Shen, G.; Yang, W.; Feng, W.; Xue, Q.; Che, W. Vertically Stacked Millimeter-Wave LTCC Filters With Cavity-Mode Suppression for System-in-Package Application. IEEE Trans. Microw. Theory Tech. 2023, 71, 2532–2544. [Google Scholar] [CrossRef]
- Zhao, W.; Wu, Y.; Xu, Z.; Wang, W. An Ultraminiaturized High-Selectivity LTCC On-Chip Filtering Balun with Ultrawide Stopband. IEEE Microw. Wirel. Technol. Lett. 2025; early access. [Google Scholar] [CrossRef]
- Tsai, C.-L.; Lin, Y.-S. Compact Balanced Combline Bandpass Filters with Two Independently Controllable Transmission Zeros in LTCC Technology. In Proceedings of the 2010 Asia-Pacific Microwave Conference, Yokohama, Japan, 7–10 December 2010; pp. 255–258. [Google Scholar]
- Chen, H.-C.; Tsai, C.-H.; Wu, T.-L. A Compact and Embedded Balanced Bandpass Filter with Wideband Common-Mode Suppression on Wireless SiP. IEEE Trans. Compon. Packag. Manufact. Technol. 2012, 2, 1030–1038. [Google Scholar] [CrossRef]
- Chen, J.; Shao, C.; Lu, Q.; Tang, H.; Bao, Z. Compact LTCC Balanced Bandpass Filter Using Distributed-Element Resonator. Electron. Lett. 2013, 49, 354–356. [Google Scholar] [CrossRef]
- Wu, D.-S.; Li, Y.C.; Xue, Q.; Feng, W.; Hu, B.-J. Synthesis and Design of LTCC Filtering Balun with Wide Stopband. IEEE Trans. Circuits Syst. II 2020, 67, 1404–1408. [Google Scholar] [CrossRef]
- Hong, J.S.; Lancaster, M.J. Microstrip Filter for RF/Microwave Applications; John Wiley & Sons: New York, NY, USA, 2004. [Google Scholar]
- Liu, Y.; Wu, Y.; Wang, W. A Novel Miniaturized Balanced Bandpass Filter Chip Using Lumped-element Based on IPD Technology. In Proceedings of the IEEE MTT-S International Wireless Symposium (IWS), Qingdao, China, 14–17 May 2023; pp. 1–3. [Google Scholar]











| Refs. | f0 (GHz) | IL (dB) | FBW * (%) | In-Band: |(dB) | CMSB * (GHz) | USB * (GHz) | Size () | Highest Value of Elements | Tec. |
|---|---|---|---|---|---|---|---|---|---|
| [10] | 1.57 | 1.0 | 8.0 | <−26 | 0–3.1 | 2.3–3.5 | 0.023 | 3.8 pF | PCB |
| [11] | 2.4 | 1.0 | 9.7 | <−16 * | 0–2, 5.2–9.7 | 2.9–4.2 | 0.020 | \ | PCB |
| [16] | 2.45 | 2.4 | 20.5 | <−27 | 0–5.7 | 3.1–8.5 | 0.0056 | 6.01 pF | LTCC |
| [17] | 3.42 | 2.5 | 5.4 | <−37 | 1.75–7.2 | 4–10 | 0.012 | 6.44 nH | LTCC |
| [18] | 2.45 | 2.4 | 4.8 | <−36 | 1–4 | 2.8–4 | 0.012 | \ | LTCC |
| [21] | 4.9 | 2.5 | 20.9 | <−22 | 0–6.9 | 5.7–8 | 0.0045 | 3.7 pF | IPD |
| TW | 3.55 | 0.8 | 14.3 | <−35 | 0–12.9 | 4.4–11.5 | 0.0047 | 1.5 pF | LTCC |
Disclaimer/Publisher’s Note: The statements, opinions and data contained in all publications are solely those of the individual author(s) and contributor(s) and not of MDPI and/or the editor(s). MDPI and/or the editor(s) disclaim responsibility for any injury to people or property resulting from any ideas, methods, instructions or products referred to in the content. |
© 2024 by the authors. Licensee MDPI, Basel, Switzerland. This article is an open access article distributed under the terms and conditions of the Creative Commons Attribution (CC BY) license (https://creativecommons.org/licenses/by/4.0/).
Share and Cite
Zhao, W.; Wu, Y.; Xu, Z.; Wang, W. A Generalized Design of On-Chip LTCC Balanced Filters Using Novel Hybrid Resonators with Intrinsic Ultra-Wideband Suppression for 5G Applications. Electronics 2025, 14, 17. https://doi.org/10.3390/electronics14010017
Zhao W, Wu Y, Xu Z, Wang W. A Generalized Design of On-Chip LTCC Balanced Filters Using Novel Hybrid Resonators with Intrinsic Ultra-Wideband Suppression for 5G Applications. Electronics. 2025; 14(1):17. https://doi.org/10.3390/electronics14010017
Chicago/Turabian StyleZhao, Wei, Yongle Wu, Zuoyu Xu, and Weimin Wang. 2025. "A Generalized Design of On-Chip LTCC Balanced Filters Using Novel Hybrid Resonators with Intrinsic Ultra-Wideband Suppression for 5G Applications" Electronics 14, no. 1: 17. https://doi.org/10.3390/electronics14010017
APA StyleZhao, W., Wu, Y., Xu, Z., & Wang, W. (2025). A Generalized Design of On-Chip LTCC Balanced Filters Using Novel Hybrid Resonators with Intrinsic Ultra-Wideband Suppression for 5G Applications. Electronics, 14(1), 17. https://doi.org/10.3390/electronics14010017

