Modeling of Induction Motors and Variable Speed Drives for Multi-Domain System Simulations Using Modelica and the OpenIPSL Library
Abstract
1. Introduction
1.1. Motivation
1.2. Contributions
- The implementation of phasor-based three-phase and single-phase multi-domain electrical motor models.
- The implementation of a VSD model that allows for simulating the speed control operation over induction motors.
- The description of a multi-domain model that illustrates the interaction between a thermofluidic system and the electrical grid.
1.3. Paper Organization
2. Materials and Methods
3. Induction Motor Modeling
- Non-multi-domain (NMD) induction motor models: The non-multi-domain (NMD) group of models contains both single-phase and three-phase induction motor models. The single-phase induction motor models (single-phase induction motor model and the double-phase induction motor model) were derived from the “classic” Electric Machinery book by Fitzgerald [27], while the three-phase induction motor models (Type I, Type III, Type V, CIM5, and CIM6) were derived from the PSS® E and PSAT model manuals [3,8,28]. These NMD models do not include an interface for multi-domain (MD) modeling and, hence, are limited to the load torque polynomial function that is consistent with power system modeling practices. Nevertheless, to expand the features of these models, the implementation reported in this work is such that the impedances of the motor model vary with changing frequencies, i.e., they are frequency-dependent and not constant. Moreover, these models were used as a stepping stone toward the goal of implementing MD models, and since NMD and MD motor models have the electrical part in common with the difference in the mechanical interface, this paper focuses on describing the modeling process adopted to develop the MD models. Although the primary emphasis of this article lies in the development and elucidation of MD motor models, for completeness, Section 5.2 presents the validation results for the NMD CIM5 motor model.
- Multi-domain (MD) induction motor models: The multi-domain (MD) group of models contains three-phase, single-phase, and double-phase MD induction motor models. These motor models were developed based on the description of the model in [3,8,28]; they were modified to account for changes in the impedance of the winding based on the change of the terminal voltage frequency and the mechanical interface that allows coupling with mechanical rotation components of the Modelica Standard Library (MSL) [29]. More details are provided in the following sections.
3.1. Three-Phase Induction Motor Model
3.1.1. Base Class for Multi-Domain and Non-Multi-Domain Models
| Listing 1. Set of equations for the non-multi-domain and multi-domain motor base class in Modelica. |
| (1) - Synchronous speed based on controllable boolean parameter w_sync = (if Ctrl == true then we else w_b); |
| (2) - Network Interface Equations [Vr; Vi] = [p.vr; p.vi]; [Ir; Ii] = (1/CoB)*[p.ir; p.ii]; Imag = sqrt(Ir^2+Ii^2); v = sqrt(p.vr^2+p.vi^2); anglev = atan2(p.vi, p.vr); |
| (3) - Active & Reactive Power Consumption on system base P = p.vr*p.ir+p.vi*p.ii; Q = (-p.vr*p.ii)+p.vi*p.ir; |
| (4) - Active & Reactive Power Consumption on machine base P_motor = P/CoB; Q_motor = Q/CoB; |
| (5) - Rotor speed equation ns = w_sync/N; nr = (1-s)*ns; (6) - Conversion from SI torque to p.u. torque Tmech_pu_sys = mech_torque/T_b; Tmech_pu_motor = Tmech_pu_sys/CoB; |
| (7) - Torque System base T_b = S_b/w_b; |
- Equation (1): Presents one equation that corresponds to the synchronous speed equation that enables all three-phase induction motor models from the library to be controllable. Ctrl is a user-defined Boolean parameter that, if chosen to be true, enables the motor model to connect to a motor control component, such as the VSD, and if deemed false, disables the controllable aspect of the motor model.
- Equation (2): Defines the algebraic equations that are necessary for interfacing the motor model with power grid components through the pwpin connector that is instantiated as p with variables p.vr, p.vi, p.ir, and p.ii corresponding to the real and imaginary parts of the voltage and current at p.
- Equation (3): Describes two algebraic equations that correspond to the active (P) and reactive power (Q) consumption of the motor model for the system’s apparent power base, linking the voltage and current variables from the pwpin connector.
- Equation (4): Describes two algebraic equations for motor active and reactive power consumption, based on the motor’s apparent power base. Here, CoB is the motor change of the base from the system power base to the motor power base.
- Equation (5): Defines the magnetic field synchronous speed ns and the effective rotor speed nr, respectively. The parameter N is the number of pairs of poles of the motor and s is the motor slip variable.
- Equation (6): Specifies the mechanical torque expressed in per unit [] for the system base and the motor base. The variable T_b is the torque system base; it is used to convert mechanical torque from the Newton meter [] to [].
- Equation (7): Defines a system base torque value for unit conversion.
3.1.2. Creating Multi-Domain and Non-Multi-Domain Motor Models with Inheritance
| Listing 2. Modelica set of equations for the three-phase multi-domain induction motor model type III. |
| (8) - Rotor impedance based on controllable model X0 = if Ctrl == false then Xs+Xm else (we_fix.y/w_b)*(Xs+Xm); Xp = if Ctrl == false then Xs+X1*Xm/(X1+Xm) else we_fix.y*(Xs+X1*Xm/(X1+Xm))/w_b; Tp0 = if Ctrl == false then (X1+Xm)/(w_b*R1) else (we_fix.y/w_b)*(X1+Xm)/(w_b*R1); |
| (9) - The real and imaginary current relationship Vr = epr+Rs*Ir-Xp*Ii; Vi = epm+Rs*Ii+Xp*Ir; |
| (10) - Electromagnetic differential equations der(epr) = w_sync*s*epm-(epr+(X0-Xp)*Ii)/Tp0; der(epm) = (-w_sync*s*epr)-(epm-(X0-Xp)*Ir)/Tp0; |
| (11) - Mechanical Slip Equation der(s) = (Tmech_pu_motor-Te_motor)/(2*H); |
| (12) - Electromagnetic torque equation in system and machine base Te_sys = Te_motor*CoB; Te_motor = if Ctrl == false then (epr*Ir+epm*Ii) else (epr*Ir+epm*Ii)/(we_fix.y/w_b); |
- Equation (8): Defines two distinct induction motor reactance calculations, X0 and Xp, as well as an open-circuit time constant, Tp0, which are used to determine the real and imaginary components of the consumed current in Equation Set (9) and the change in real and imaginary voltages behind the stator resistance in Equation (10).
- Equation (9): Defines two equations and two unknowns, namely Ir and Ii. The unknown variables are the real and imaginary parts of the consumed motor current, defining the current flow parameters from the pwpin connector. It is important to note that Vr and Vi (real and imaginary components of the motor terminal voltage) are potential parameters and are thus known at the initialization step of the simulation. The same can be said for the direct transient magnetization voltage epr and quadrature transient magnetization voltage epm.
- Equation (10): Describes two differential equations for the direct transient magnetization voltage epr and quadrature transient magnetization voltage epm.
- Equation (11): Describes the slip’s differential equation, representing the rate of change in the rotor speed as the motor drives a mechanical load. The slip is defined as the ratio between the mechanical and electromagnetic torque difference divided by double the motor’s inertia constant.
- Equation (12): Defines the electromagnetic torque equation in both the system and machine bases.
3.2. All-in-One Multi-Domain and Non-Multi-Domain Motor Model
- Power flow data: Parameter section that defines the initialization values for the dynamic simulation. It is worth mentioning that it does not make sense to enable the user to input values to all parameters because the model is MD. Being MD, the initialization of the model is based on the mechanical model and not on solving a power flow [32]. Therefore, only the parameter M_b is enabled, allowing the user to change the value of the motor base power, while the rest are disabled and have a gray fill, indicating that they do not need to be provided to the user.
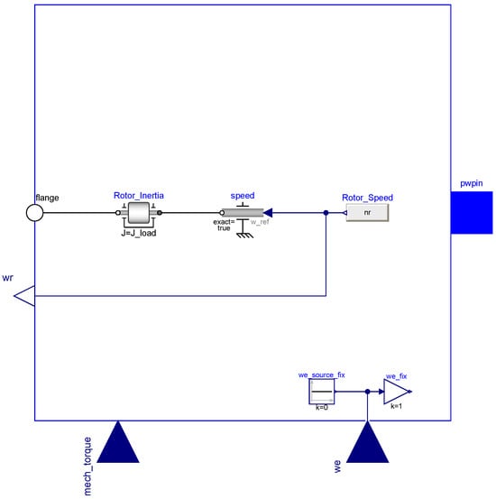
- Motor setup: Parameter section that allows the user to select whether the motor is controllable and whether or not the motor will undergo startup. If Ctrl is true, then the motor can be controlled via an output signal that is fed to the we real input from Figure 1. If Ctrl is false, the motor is non-controllable, meaning that the motor’s impedance calculations are based on the nominal synchronous speed value defined inside the model. The parameter Sup defines the initial slip, when true, the motor rotor starts from the halt position, and false starts from the steady state.
- Machine parameters: Parameter section where the user defines values for parameters that are ubiquitous to all motor models, which are the number of pairs of poles (N) and the rotor inertia (H).
- Motor selection: Parameter section where the user defines the motor model for simulation. The drop-down item allows the user to choose between different models (MotorTypeI, MotorTypeIII, MotorTypeV, CIM5, and CIM6). The icon to the right of the drop-down option is the ‘Edit’ option, where the user can manually type the values of the parameters of the chosen induction motor model. For an example of a MotorTypeIII parametrization, refer to Appendix C.
3.3. Single-Phase and Dual-Phase Induction Motor
3.3.1. Base Class for Multi-Domain and Non-Multi-Domain Models
| Listing 3. Modelica set of equations for the multi-domain single-phase and double-phase base class model. |
| (1) - Rotor speed equation ns = w_b; nr = (1-s)*ns; |
| (2) - Conversion from SI torqur to p.u. torque Tmech_pu_sys = mech_torque/T_b; Tmech_pu_motor = Tmech_pu_sys/CoB; |
| (3) - Torque System base T_b = S_b/w_b; |
3.3.2. Creating Multi-Domain and Non-Multi-Domain Motor Models with Inheritance
| Listing 4. Modelica set of equations for the dual-phase multi-domain induction motor model. |
| (4) - Reactance of the Capacitor, Main and Aux Winding Xc = 1/(w_b*Cc); Xmain = w_b*Lmain; Xaux = w_b*Laux; |
| (5) - Main and Aux Flux Linkage Coefficient Calculations Kplus = (s*w_b)/(2*(Rr + j*s*w_b*Lr)); Kminus = (2 - s)*w_b/(2*(Rr + j*(2 - s)*w_b*Lr)); |
| (6) - Main and Aux Flux Linkage Calculations Lambda_main = if s > switch_open_speed then (Lmain - j*Lmainr^2*(Kplus + Kminus))*Imain + Lmainr*Lauxr*(Kplus - Kminus)*Iaux else (Lmain - j*Lmainr^2*(Kplus + Kminus))*Imain; Lambda_aux = if s > switch_open_speed then - Lmainr*Lauxr*(Kplus - Kminus)*Imain + (Laux - j*Lauxr^2*(Kplus + Kminus))*Iaux else 0*j; |
| (7) - Main and Aux Winding Voltage Vmain = V_b*(p.vr + j*p.vi); Vaux = if sm > switch_open_speed then Vmain else 0*j; |
| (8) - Main and Aux Winding Current Imain = (Vmain - j*w_b*Lambda_main)/Rmain; if sm > switch_open_speed and init == 1 then Vaux = Iaux*Raux + j*w_b*Lambda_aux; elseif sm > switch_open_speed and init == 2 then Vaux = Iaux*Raux + j*w_b*Lambda_aux - j*Iaux/(w_b*Cc); else Iaux = 0*j; end if; |
| (9) - Conversion of calculated current to OpenIPSL connector current p.ir = real(Imain + Iaux)/I_b; p.ii = imag(Imain + Iaux)/I_b; |
| (10) - Active and Reactive Power Calculation; P = p.vr*p.ir + p.vi*p.ii; Q = (-p.vr*p.ii) + p.vi*p.ir; |
| (11) - Electromagnetic Torque Calculation Te_pre = (Lmainr^2*Imain*conj(Imain) + Lauxr^2*Iaux*conj(Iaux))*conj(Kplus - Kminus) + j*Lmainr*Lauxr*(conj(Imain)*Iaux - Imain*conj(Iaux))*conj(Kplus + Kminus); Te = (N/T_bm)*real(Te_pre); |
| (12) - Mechanical Slip Equation der(s) = (Tmech_pu_motor - Te)/(2*H); |
- Equation (4): Defines the reactance of the capacitor (Xc), the reactance of the main winding (Xmain), and the reactance of the auxiliary winding (Xaux). The parameter (Cc) is the auxiliary winding capacitance, the (Lmain) is the main winding inductance, and (Laux) is the auxiliary winding inductance.
- Equation (5): Kplus and Kminus are coefficients that are used during the calculation of the electromagnetic torque.
- Equation (6): Describes the flux linkage of the main (Lambda_main) and auxiliary (Lambda_aux) winding. Both flux linkage equations have if statements that are related to the auxiliary winding switching. During the startup process, the main winding circuit is parallel with the auxiliary winding circuit and the resulting flux linkage is different from when the main winding is the only circuit generating flux.
- Equation (7): Defines the main and auxiliary winding complex voltage values. Once more, (Vaux), which is the auxiliary winding terminal voltage, has a different value during the startup and steady-state operations, determined by an if statement.
- Equation (8): Defines the current through the main winding (Imain) and the auxiliary winding (Iaux). The reader will notice that there are two distinct equations for determining the (Iaux) value, related to the auxiliary winding configuration (decided as a parameter (init) that the user can choose).
- Equation (9): Conversion of real and imaginary currents from ampere to per unit to comply with the pwpin OpenIPSL connector, instantiated as p.
- Equation (10): Active (P) and reactive (Q) power calculation on the system base S_b.
- Equation (11): Calculation of the electromagnetic torque (Te) generated by the DPIM motor model.
- Equation (12): Describes the slip differential equation, representing the rate of change in the rotor speed as the motor drives a mechanical load. The slip is defined as the ratio between the mechanical and electromagnetic torque difference divided by double the motor’s inertia constant.
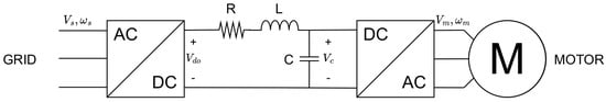
4. Variable Speed Drive Modeling
5. Validation and Illustrative Results
- Three-phase multi-domain motor validation example: Evaluates the performance of all the three-phase multi-domain motors compared to the reference simulation results from the Power System Toolbox (PST).
- Three-phase non-multi-domain motor validation example: Evaluates the performance of the CIM5 NMD motor compared to the reference simulation results from Siemens PTI PSS® E.
- VSD-controlled motor startup example: Evaluates the performance of the VSD together with the three-phase MD motor for the case of a motor startup simulation.
- Multi-domain SPIM and DPIM examples: Evaluates the performances of all MD variants of the single-phase induction motor (SPIM) and dual-phase induction motor (DPIM).
- Multi-domain system application example: Demonstrates the capability of simulating multi-domain systems (power grid, multi-domain motor, and a fluidic system) in one holistic example.
- Microgrid example with multiple generation units and load models: Demonstrates how the developed models can be integrated with a microgrid system example.
5.1. Three-Phase Multi-Domain Motor Validation Examples
5.2. Three-Phase Non-Multi-Domain Motor Validation Example
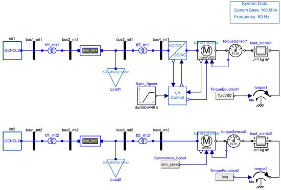
5.3. VSD-Controlled Motor Startup Example
5.4. Multi-Domain SPIM and DPIM Motor Model Validation Examples
5.5. Multi-Domain System Application Example
5.6. Microgrid Example with Multiple Generation Units and Load Models
- Event 1: At s, a reduction of 30% of the reference speed of the VSD that controls the three non-multi-domain motors is applied. The reduction in decreases both the motor terminal voltage magnitude and frequency, thus also reducing the power consumption.
- Event 2: At s, a reduction of 25% in the reference speed of the VSD that controls the multi-domain motor is applied. Similar to Event 2, the multi-domain motor will also experience a reduction in power consumption.
- Event 3: At s, a reduction of 50% in irradiance levels (from to ) is applied to the solar PV plant. This results in a 50% reduction of the injected power from the PV generation unit.
- Event 4: At s, the circuit breaker tripping signal at the point of common coupling (PCC) is triggered, causing the microgrid to become isolated from the utility grid. Before isolation, the microgrid imported MW of power from the utility, resulting in a power imbalance. Consequently, the overall frequency of the microgrid falls below the nominal value of 60 Hz during the islanding scenario.
6. Conclusions
Author Contributions
Funding
Data Availability Statement
Acknowledgments
Conflicts of Interest
Abbreviations
| AC | alternate current |
| CHP | combined heat and power |
| DC | direct current |
| DPIM | dual-phase induction motor |
| GE | General Electric |
| MD | multi-domain |
| MSL | Modelica Standard Library |
| NMD | non-multi-domain |
| OpenIPSL | Open Instance Power System Library |
| PSAT | Power System Analysis Toolbox |
| PST | Power System Toolbox |
| VSD | variable speed drive |
| WECC | Western Electric Coordinating Council |
Appendix A. Induction Motor Model Type III Parameters and Variables
- w_sync: Synchronous speed variable toggled to either utilize the system nominal frequency parameter w_b or the input connection port we.
- Ctrl: Boolean parameter that allows the user to choose between the controllable if Ctrl == true or non-controllable if Ctrl == false. If Ctrl == true, then motor impedance and motor frequency will vary based on an input value from the connector we, or else the motor frequency will be determined by w_b, which is the nominal system frequency in rad/s.
- we: Modelica input connector for inputting the motor’s synchronous speed. In the case where Ctrl == false, the connector is eliminated from the model.
- s: Induction motor slip, defined by the ratio between the difference in rotor and synchronous speeds to the synchronous speed of the rotating magnetic field. This variable is unitless.
- w_b: Base frequency parameter, defined as [rad/s], where [Hz].
- Vr: Real component of the motor terminal voltage, expressed in per unit [p.u.], on the system base.
- Vi: Imaginary component of the motor terminal voltage, expressed in per unit [p.u.], on the system base.
- Ir: Real component of the motor consumed current, expressed in per unit [p.u.], on the system base.
- Ii: Imaginary component of the motor consumed current, expressed in per unit [p.u.], on the system base.
- pwpin: Ubiquitously used connector from OpenIPSL that contains four variables: two potential {pwpin.vr, pwpin.vi} and two flow {pwpin.ir, pwpin.ii} variables [41].
- mech_torque: Mechanical torque in the Newton meter [N.m], which is both the input connector and a motor equation variable.
- T_b: Base torque [N.m] of the system.
- Tmech_pu_sys: Mechanical torque variable, expressed in per unit [p.u.], on the system base.
- Tmech_pu_motor: Mechanical Torque variable, expressed in per unit [p.u.], on the motor base.
- S_b: System apparent power base.
- Xs: Stator winding impedance, expressed in per unit [p.u.], on the motor base.
- Xm: Magnetization impedance, expressed in per unit [p.u.], on the motor base.
- X1: Rotor winding impedance, expressed in per unit [p.u.], on the motor base.
- X0: The sum of the stator impedance and the magnetization impedance, expressed in per unit [p.u.], on the motor base. In the case where Ctrl == false, the induction motor is not controllable and, thus, the impedance parameter is constant. If Ctrl == true, the induction motor is indeed controllable, and the impedance parameter is determined via the frequency ratio, .
- Xp: The sum of the stator impedance and the parallel impedance , expressed in per unit [p.u.], on the motor base. In the case where Ctrl == false, the induction motor is not controllable and, thus, the impedance parameter is constant. If Ctrl == true, the induction motor is indeed controllable, and the impedance parameter is determined via the frequency ratio, .
- Tp0: Defines the open-circuit time constant of the induction motor [s]. In the case where Ctrl == false, the time constant is fixed, while if Ctrl == true, the induction motor time constant is determined via the frequency ratio, .
- epr: Real component of the voltage behind the stator resistance, , also known as the direct transient magnetization voltage.
- epm: Imaginary component of the voltage behind the stator resistance, , also known as the quadrature transient magnetization voltage.
Appendix B. Non-Multi-Domain and Multi-Domain Motor Startup System Parameters
| Component | Parameter | Value | Unit |
|---|---|---|---|
| Inf1 | Machine Base (M_b) | 600 | MVA |
| Inertia (H) | 0 | s | |
| Damping (D) | 0 | p.u. | |
| Armature Resistance (R_a) | 0 | p.u. | |
| d-axis reactance (X_d) | 0 | p.u. | |
| bus1_mt1 | Base Voltage (V_b) | 16 | kV |
| Voltage Magnitude (V_0) | 1.05 | p.u. | |
| Angle (angle_0) | 0 | ° | |
| bus2_mt1 | Base Voltage (V_b) | 230 | kV |
| Voltage Magnitude (V_0) | 1.03 | p.u. | |
| Angle (angle_0) | −6.739 | ° | |
| bus3_mt1 | Base Voltage (V_b) | 230 | kV |
| Voltage Magnitude (V_0) | 1.023 | p.u. | |
| Angle (angle_0) | −12.666 | ° | |
| bus4_mt1 | Base Voltage (V_b) | 23 | kV |
| Voltage Magnitude (V_0) | 1.015 | p.u. | |
| Angle (angle_0) | −12.882 | ° | |
| tf1_mt1 | Sending End Voltage (V_b) | 16 | kV |
| Voltage Rating (Vn) | 16 | kV | |
| Resistance (rT) | 0 | p.u. | |
| Reactance (xT) | 0.025 | p.u. | |
| tf2_mt1 | Sending End Voltage (V_b) | 230 | kV |
| Voltage Rating (Vn) | 230 | kV | |
| Resistance (rT) | 0 | p.u. | |
| Reactance (xT) | 0.15 | p.u. | |
| line_mt1 | Resistance (R) | 0 | p.u. |
| Reactance (X) | 0.02 | p.u. | |
| Shunt Half Conductance (G) | 0 | p.u. | |
| Shunt Half Susceptance (B) | 0 | p.u. | |
| Load1 | Initial Active Power (P_0) | 500 | MW |
| Initial Reactive Power (Q_0) | 0 | Mvar | |
| Voltage Magnitude (V_0) | 1.023 | p.u. | |
| Angle (angle_0) | −12.666 | ° | |
| Multi-Domain/Non-Multi-Domain | Machine Base (M_b) | 15 | MVA |
| Number Pair Poles (N) | 1 | - | |
| Inertia Constant (H) | 0.4 | s | |
| Stator Resistance (Rs) | 0 | p.u. | |
| Stator Reactance (Xs) | 0.0759 | p.u. | |
| 1st Cage Rotor Resistance (R1) | 0.0085 | p.u. | |
| 1st Cage Rotor Reactance (X1) | 0.0759 | p.u. | |
| Magnetization Reactance (Xm) | 3.1241 | p.u. | |
| load_inertia1 | Moment of Inertia (J) | 1 | kg |
| Torque Equation | Torque (PST) | Nm | |
| Torque (PSS® E) | p.u. Machine Base | ||
| Synchronous_Speed | sync_speed | rad/s |
Appendix C. VSD-Controlled Motor Startup System Parameters
| Component | Parameter | Value | Unit |
|---|---|---|---|
| Inf1/Inf2 | Machine Base (M_b) | 600 | MVA |
| Inertia (H) | 0 | s | |
| Damping (D) | 0 | p.u. | |
| Armature Resistance (R_a) | 0 | p.u. | |
| d-axis reactance (X_d) | 0 | p.u. | |
| bus1_mt1/bus1_mt2 | Base Voltage (V_b) | 16 | kV |
| Voltage Magnitude (V_0) | 1.05 | p.u. | |
| Angle (angle_0) | 0 | ° | |
| bus2_mt1/bus2_mt2 | Base Voltage (V_b) | 230 | kV |
| Voltage Magnitude (V_0) | 1.03 | p.u. | |
| Angle (angle_0) | −6.739 | ° | |
| bus3_mt1/bus3_mt2 | Base Voltage (V_b) | 230 | kV |
| Voltage Magnitude (V_0) | 1.023 | p.u. | |
| Angle (angle_0) | −12.666 | ° | |
| bus4_mt1/bus4_mt2 | Base Voltage (V_b) | 23 | kV |
| Voltage Magnitude (V_0) | 1.015 | p.u. | |
| Angle (angle_0) | −12.882 | ° | |
| tf1_mt1/tf1_mt2 | Sending End Voltage (V_b) | 16 | kV |
| Voltage Rating (Vn) | 16 | kV | |
| Resistance (rT) | 0 | p.u. | |
| Reactance (xT) | 0.025 | p.u. | |
| tf2_mt1/tf2_mt2 | Sending End Voltage (V_b) | 230 | kV |
| Voltage Rating (Vn) | 230 | kV | |
| Resistance (rT) | 0 | p.u. | |
| Reactance (xT) | 0.15 | p.u. | |
| line_mt1/line_mt2 | Resistance (R) | 0 | p.u. |
| Reactance (X) | 0.02 | p.u. | |
| Shunt Half Conductance (G) | 0 | p.u. | |
| Shunt Half Susceptance (B) | 0 | p.u. | |
| Load1/Load2 | Initial Active Power (P_0) | 500 | MW |
| Initial Reactive Power (Q_0) | 0 | Mvar | |
| Voltage Magnitude (V_0) | 1.023 | p.u. | |
| Angle (angle_0) | −12.666 | ° | |
| motor/motorVSD | Machine Base (M_b) | 15 | MVA |
| Number Pair Poles (N) | 1 | - | |
| Inertia Constant (H) | 0.4 | s | |
| Stator Resistance (Rs) | 0 | p.u. | |
| Stator Reactance (Xs) | 0.0759 | p.u. | |
| 1st Cage Rotor Resistance (R1) | 0.0085 | p.u. | |
| 1st Cage Rotor Reactance (X1) | 0.0759 | p.u. | |
| Magnetization Reactance (Xm) | 3.1241 | p.u. | |
| load_inertia1/load_inertia2 | Moment of Inertia (J) | 1 | kg |
| Torque_Equation | Torq | Nm | |
| TorqVSD | Nm | ||
| Synchronous_Speed | sync_speed | rad/s |
Appendix D. SPIM/DPIM Validation Example System Parameters
| Component | Parameter | Value | Unit |
|---|---|---|---|
| Inf | Machine Base (M_b) | 100 | MVA |
| Inertia (H) | 0 | s | |
| Damping (D) | 0 | p.u. | |
| Armature Resistance (R_a) | 0 | p.u. | |
| d-axis reactance (X_d) | 0 | p.u. | |
| inf_bus | Base Voltage (V_b) | 230 | V |
| Voltage Magnitude (V_0) | 1.0 | p.u. | |
| Angle (angle_0) | 0 | ° | |
| load_bus | Base Voltage (V_b) | 230 | V |
| Voltage Magnitude (V_0) | 0.999 | p.u. | |
| Angle (angle_0) | 0.016 | ° | |
| SPIM | Machine Base (M_b) | 3.5 | kVA |
| Base Voltage (V_b) | 230 | V | |
| Number Pair Poles (N) | 1 | - | |
| Inertia Constant (H) | 0.1 | s | |
| Stator Winding Resistance (R1) | 0.01 | p.u. | |
| Rotor Winding Resistance (R2) | 0.05 | p.u. | |
| Stator Winding Reactance (X1) | 0.01 | p.u. | |
| Rotor Winding Reactance (X2) | 0.01 | p.u. | |
| Magnetization Reactance (Xm) | 0.1 | p.u. | |
| DPIM | Machine Base (M_b) | 3.5 | kVA |
| Base Voltage (V_b) | 230 | V | |
| Number Pair Poles (N) | 1 | - | |
| Inertia Constant (H) | 0.1 | s | |
| Aux Winding cut-off speed (switch_open_speed) | 0.1 | - | |
| Mutual-inductance of the main winding (Lmainr) | 0.6 | mH | |
| Self-inductance of the magnetizing branch (Lmain) | 0.0860 | H | |
| Mutual-inductance of the auxiliary winding (Lauxr) | 0.9 | mH | |
| Self-inductance of the auxiliary winding (Laux) | 0.1960 | H | |
| Self-inductance of the equivalent rotor windings (Lr) | 4.7 | H | |
| Resistance of the main winding (Rmain) | 0.58 | ||
| Resistance of the rotor winding (Rr) | 0.0376 | m | |
| Resistance of the auxiliary winding (Raux) | 3.37 | ||
| Capacitance of the capacitor-start (Cc) | 0.3 | mF | |
| load_inertia | Moment of Inertia (J) | 0.1 | kg |
| VariableTorque | InitialTorque | 0.041 | p.u. |
| FinalTorque | 0.649 | p.u. | |
| startTime | 1 | s | |
| duration | 3 | s |
Appendix E. Induction Motor Steady-State Model Diagrams

References
- Electric, G. GE Successfully Completed the No-Load Testing of One of the World’s Largest 80-Megawatt Induction Motors for the LNG Industry. 2024. Available online: https://www.gepowerconversion.com/news/ge-successfully-completed-no-load-testing-one-worlds-largest-80-megawatt-induction (accessed on 16 April 2024).
- IEEE Standard 399; Recommended Practice for Industrial and Commercial Power Systems Analysis. IEEE: Piscataway. NJ, USA, 1997.
- Siemens PTI. PSS®E 34.2.0 Model Library; Siemens Power Technologies International: Schenectady, NY, USA, 2017. [Google Scholar]
- Chow, J.H.; Cheung, K.W. A toolbox for power system dynamics and control engineering education and research. IEEE Trans. Power Syst. 1992, 7, 1559–1564. [Google Scholar] [CrossRef]
- Milano, F.; Vanfretti, L.; Morataya, J.C. An open source power system virtual laboratory: The PSAT case and experience. IEEE Trans. Educ. 2008, 51, 17–23. [Google Scholar] [CrossRef]
- Overbye, T.J.; Sauer, P.W.; Marzinzik, C.M.; Gross, G. A user-friendly simulation program for teaching power system operations. IEEE Trans. Power Syst. 1995, 10, 1725–1733. [Google Scholar] [CrossRef]
- Manual, P.U. PSLF Version 18.1 _01. 18th ed. 2020. Available online: https://www.gevernova.com/consulting/software/pslf (accessed on 18 February 2022).
- Milano, F. Power System Modelling and Scripting; Springer Science & Business Media: Berlin/Heidelberg, Germany, 2010. [Google Scholar]
- Neukomm, M.; Nubbe, V.; Fares, R. Grid-Interactive Efficient Buildings Technical Report Series: Overview of Research Challenges and Gaps; Tech. Rep. DOE/GO-102019-5227; DOE: Washington, DC, USA, 2019.
- Kosterev, D.; Meklin, A.; Undrill, J.; Lesieutre, B.; Price, W.; Chassin, D.; Bravo, R.; Yang, S. Load modeling in power system studies: WECC progress update. In Proceedings of the 2008 IEEE PES GM, Pittsburgh, PA, USA, 20–24 July 2008; pp. 1–8. [Google Scholar]
- Ma, Z.; Wang, Z.; Wang, Y.; Diao, R.; Shi, D. Mathematical representation of WECC composite load model. J. Mod. Power Syst. Clean Energy 2020, 8, 1015–1023. [Google Scholar] [CrossRef]
- US Department of Energy. Combined heat and power technology fact sheet series. Reciprocating Engines 2016, 1123, 1–5. [Google Scholar]
- Schweiger, G.; Gomes, C.; Engel, G.; Hafner, I.; Schoeggl, J.; Posch, A.; Nouidui, T. An empirical survey on co-simulation: Promising standards, challenges and research needs. Simul. Model. Pract. Theory 2019, 95, 148–163. [Google Scholar] [CrossRef]
- Jorissen, F.; Wetter, M.; Helsen, L. Simulation Speed Analysis and Improvements of Modelica Models for Building Energy Simulation. In Proceedings of the 11th International Modelica Conference, Versailles, France, 21–23 September 2015; pp. 59–69. [Google Scholar]
- Braun, W.; Casella, F.; Bachmann, B. Solving Large-scale Modelica Models: New Approaches and Experimental Results using OpenModelica. In Proceedings of the 12th International Modelica Conference, Prague, Czech Republic, 15–17 May 2017; pp. 557–563. [Google Scholar]
- Henningsson, E.; Olsson, H.; Vanfretti, L. DAE Solvers for Large-Scale Hybrid Models. In Proceedings of the 13th International Modelica Conference, Regensburg, Germany, 4–6 March 2019; p. 12. [Google Scholar]
- US Department of Energy. Improving Motor and Drive System Performance: A Sourcebook for Industry; US Department of Energy: Washington, DC, USA, 2014.
- Nyserda. Put Energy to Work. 2024. Available online: https://www.nyserda.ny.gov/PutEnergyToWork/Energy-Program-and-Incentives/Industrial-and-Special-Equipment-Programs-and-Incentives (accessed on 16 April 2024).
- Fritzson, P. Principles of Object-Oriented Modeling and Simulation with Modelica 3.3: A Cyber-Physical Approach; John Wiley & Sons: Hoboken, NJ, USA, 2014. [Google Scholar]
- de Castro, M.; Winkler, D.; Laera, G.; Vanfretti, L.; Dorado-Rojas, S.A.; Rabuzin, T.; Mukherjee, B.; Navarro, M. Version [OpenIPSL 2.0. 0]-[iTesla Power Systems Library (iPSL): A Modelica library for phasor time-domain simulations]. SoftwareX 2023, 21, 101277. [Google Scholar] [CrossRef]
- Fritzson, P.; Engelson, V. Modelica—A unified object-oriented language for system modeling and simulation. In Proceedings of the European Conference on Object-Oriented Programming; Springer: Berlin/Heidelberg, Germany, 1998; pp. 67–90. [Google Scholar]
- Fachini, F.; Castro, M.d.; Bogodorova, T.; Vanfretti, L. OpenIMDML: Open Instance Multi-Domain Motor Library utilizing the Modelica modeling language. SoftwareX 2023, 24, 101591. [Google Scholar] [CrossRef]
- Brück, D.; Elmqvist, H.; Mattsson, S.E.; Olsson, H. Dymola for multi-engineering modeling and simulation. In Proceedings of the 2nd International Modelica Conference, Oberpfaffenhofen, Germany, 18–19 March 2022; Volume 2002, pp. 55-1–55-8. [Google Scholar]
- Fritzson, P.; Aronsson, P.; Lundvall, H.; Nyström, K.; Pop, A.; Saldamli, L.; Broman, D. The OpenModelica modeling, simulation, and development environment. In Proceedings of the 46th Conference on Simulation and Modelling of the Scandinavian Simulation Society (SIMS2005), Trondheim, Norway, 13–14 October 2005. [Google Scholar]
- Saidur, R. A review on electrical motors energy use and energy savings. Renew. Sustain. Energy Rev. 2010, 14, 877–898. [Google Scholar] [CrossRef]
- Mattsson, S.E.; Elmqvist, H.; Otter, M. Physical system modeling with Modelica. Control Eng. Pract. 1998, 6, 501–510. [Google Scholar] [CrossRef]
- Fitzgerald, A.E.; Kingsley, C.; Umans, S.D.; James, B. Electric Machinery; McGRAW-Hill: New York, NY, USA, 2003; Volume 5. [Google Scholar]
- Milano, F. An open source power system analysis toolbox. IEEE Trans. Power Syst. 2005, 20, 1199–1206. [Google Scholar] [CrossRef]
- Pelchen, C.; Schweiger, C.; Otter, M. Modeling and simulating the efficiency of gearboxes and of planetary gearboxes. In Proceedings of the 2nd International Modelica Conference, Oberpfaffenhofen, Germany, 18–19 March 2022; pp. 257–266. [Google Scholar]
- Vanfretti, L.; Rabuzin, T.; Baudette, M.; Murad, M. iTesla Power Systems Library (iPSL): A Modelica library for phasor time-domain simulations. SoftwareX 2016, 5, 84–88. [Google Scholar] [CrossRef]
- Tiller, M. Introduction to Physical Modeling with MODELICA; Springer Science & Business Media: Berlin/Heidelberg, Germany, 2012; Volume 615. [Google Scholar]
- Monticelli, A.J. Load Flow in Electric Power Networks; Edgard Blucher: Sao Paulo, SP, Brazil, 1983. (In Portuguese) [Google Scholar]
- Ong, C.M. Dynamic Simulation of Electric Machinery: Using MATLAB/SIMULINK; Prentice Hall PTR: Upper Saddle River, NJ, USA, 1998; Volume 5. [Google Scholar]
- Chapman, S.J. Electric Machinery Fundamentals; McGraw-Hill: New York, NY, USA, 2004. [Google Scholar]
- Fachini, F.; De Castro, M.; Liu, M.; Bogodorova, T.; Vanfretti, L.; Zuo, W. Multi-Domain Power and Thermo-Fluid System Stability Modeling using Modelica and OpenIPSL. In Proceedings of the 2022 IEEE Power & Energy Society General Meeting (PESGM), Denver, CO, USA, 17–21 July 2022; pp. 1–5. [Google Scholar]
- Petzold, L.R. Description of DASSL: A Differential/Algebraic System Solver; Technical Report; Sandia National Labs: Livermore, CA, USA, 1982. [Google Scholar]
- Chow, J.H.; Sanchez-Gasca, J.J. Power System Modeling, Computation, and Control; John Wiley & Sons: Hoboken, NJ, USA, 2020. [Google Scholar]
- Rehman, S.; Al-Hadhrami, L.M.; Alam, M.M. Pumped hydro energy storage system: A technological review. Renew. Sustain. Energy Rev. 2015, 44, 586–598. [Google Scholar] [CrossRef]
- Franke, R. Standardization of thermo-fluid modeling in Modelica Fluid. In Proceedings of the 7th Modelica Conference, Como, Italy, 20–22 September 2009; pp. 1–10. [Google Scholar]
- US. Department of Energy, Federal Energy Management Program. Using Distributed Energy Resources-A How-to Guide for Federal Energy Managers. Cogener. Compet. Power J. 2002, 17, 37–68. [Google Scholar]
- Baudette, M.; Castro, M.; Rabuzin, T.; Lavenius, J.; Bogodorova, T.; Vanfretti, L. OpenIPSL: Open-instance power system library—Update 1.5 to “iTesla power systems library (iPSL): A modelica library for phasor time-domain simulations”. SoftwareX 2018, 7, 34–36. [Google Scholar] [CrossRef]
























Disclaimer/Publisher’s Note: The statements, opinions and data contained in all publications are solely those of the individual author(s) and contributor(s) and not of MDPI and/or the editor(s). MDPI and/or the editor(s) disclaim responsibility for any injury to people or property resulting from any ideas, methods, instructions or products referred to in the content. |
© 2024 by the authors. Licensee MDPI, Basel, Switzerland. This article is an open access article distributed under the terms and conditions of the Creative Commons Attribution (CC BY) license (https://creativecommons.org/licenses/by/4.0/).
Share and Cite
Fachini, F.; de Castro, M.; Bogodorova, T.; Vanfretti, L. Modeling of Induction Motors and Variable Speed Drives for Multi-Domain System Simulations Using Modelica and the OpenIPSL Library. Electronics 2024, 13, 1614. https://doi.org/10.3390/electronics13091614
Fachini F, de Castro M, Bogodorova T, Vanfretti L. Modeling of Induction Motors and Variable Speed Drives for Multi-Domain System Simulations Using Modelica and the OpenIPSL Library. Electronics. 2024; 13(9):1614. https://doi.org/10.3390/electronics13091614
Chicago/Turabian StyleFachini, Fernando, Marcelo de Castro, Tetiana Bogodorova, and Luigi Vanfretti. 2024. "Modeling of Induction Motors and Variable Speed Drives for Multi-Domain System Simulations Using Modelica and the OpenIPSL Library" Electronics 13, no. 9: 1614. https://doi.org/10.3390/electronics13091614
APA StyleFachini, F., de Castro, M., Bogodorova, T., & Vanfretti, L. (2024). Modeling of Induction Motors and Variable Speed Drives for Multi-Domain System Simulations Using Modelica and the OpenIPSL Library. Electronics, 13(9), 1614. https://doi.org/10.3390/electronics13091614

